Movatterモバイル変換


[0]ホーム

URL:


CN112751490A - Active clamping flyback bidirectional DC/DC circuit - Google Patents

Active clamping flyback bidirectional DC/DC circuit
Download PDF

Info

Publication number
CN112751490A
CN112751490ACN202110230101.8ACN202110230101ACN112751490ACN 112751490 ACN112751490 ACN 112751490ACN 202110230101 ACN202110230101 ACN 202110230101ACN 112751490 ACN112751490 ACN 112751490A
Authority
CN
China
Prior art keywords
controllable switch
switch tube
transformer
circuit
capacitor
Prior art date
Legal status (The legal status is an assumption and is not a legal conclusion. Google has not performed a legal analysis and makes no representation as to the accuracy of the status listed.)
Pending
Application number
CN202110230101.8A
Other languages
Chinese (zh)
Inventor
孙照明
Current Assignee (The listed assignees may be inaccurate. Google has not performed a legal analysis and makes no representation or warranty as to the accuracy of the list.)
Mingzhilan Jiangsu Electronic Technology Co ltd
Original Assignee
Mingzhilan Jiangsu Electronic Technology Co ltd
Priority date (The priority date is an assumption and is not a legal conclusion. Google has not performed a legal analysis and makes no representation as to the accuracy of the date listed.)
Filing date
Publication date
Application filed by Mingzhilan Jiangsu Electronic Technology Co ltdfiledCriticalMingzhilan Jiangsu Electronic Technology Co ltd
Priority to CN202110230101.8ApriorityCriticalpatent/CN112751490A/en
Publication of CN112751490ApublicationCriticalpatent/CN112751490A/en
Pendinglegal-statusCriticalCurrent

Links

Images

Classifications

Landscapes

Abstract

Translated fromChinese

本发明涉及变换器技术技术领域,公开了一种有源钳位的反激双向DC/DC电路,包括变压器T1、输入端Vi、输出端Vo,输入端Vi与变压器T1原边之间连接有输入电路,变压器T1副边与输出端Vo之间连接有输出电路;输入电路包括与输入端Vi依次串联的输入电容Ci、可控开关管S1以及有源钳位电路一;输出电路包括与输出端Vo依次串联的输出电容Co、可控开关管S2以及有源钳位电路二,有源钳位电路一与有源钳位电路二均包括依次串联的电容和可控开关管。与现有技术相比,本发明在现有解决方案的基础上,将无源有源钳位电路的二极管改为可控开关管,可以解决变压器漏感问题,优化输出侧电流波形,实现输出侧开关管ZCS且减小电流有效值,可以提高效率。

Figure 202110230101

The invention relates to the technical field of converter technology, and discloses an active clamped flyback bidirectional DC/DC circuit, comprising a transformer T1, an input end Vi, and an output end Vo, and a circuit is connected between the input end Vi and the primary side of the transformer T1. Input circuit, an output circuit is connected between the secondary side of the transformer T1 and the output end Vo; the input circuit includes an input capacitor Ci, a controllable switch tube S1 and an active clamp circuit 1 connected in series with the input end Vi; the output circuit includes and the output The output capacitor Co, the controllable switch tube S2 and the second active clamp circuit are serially connected to the terminal Vo in sequence. Compared with the prior art, on the basis of the existing solution, the present invention changes the diode of the passive active clamp circuit into a controllable switch tube, which can solve the leakage inductance problem of the transformer, optimize the current waveform of the output side, and realize the output The side switch tube ZCS and the effective value of the current are reduced, which can improve the efficiency.

Figure 202110230101

Description

Active clamping flyback bidirectional DC/DC circuit
Technical Field
The invention relates to the technical field of power electronic converters, in particular to an active clamping flyback bidirectional DC/DC circuit which is used for realizing bidirectional flow of medium-small power energy with high efficiency.
Background
The traditional ideal flyback circuit (the transformer is perfectly coupled without leakage inductance) is an ideal isolated bidirectional DC/DC topology, both sides can work in a wide working voltage range, and both sides can freely step up and down; this is explained in detail in US 6788555. But due to the existence of leakage inductance (perfect coupling of an actual transformer is impossible), the problems of efficiency reduction, peak of a switching device and the like can be caused, and because of the existence of the core problem, the isolated bidirectional DC/DC topology has not been realized in wide industry application.
The bidirectional DC/DC topology (part of which is shown in the table) commonly used in the industry is generally suitable for isolated bidirectional DC/DC with medium and high power, and is generally characterized in that the number of used power semiconductors is large, the number of power electromagnetic elements is large, and the core problem caused by the fact that the cost is high is not suitable for isolated bidirectional DC/DC occasions with medium and low power; and another problem commonly existing in the topologies is that the working voltage range depends on the transformer transformation ratio and peripheral parameters, the working voltage range is narrow, and the solution of CN200680017589 is to use a two-stage topology, which further increases the cost and reduces the competitiveness.
In the traditional flyback topology, absorption circuits are added to circuits on two sides of a transformer, referring to fig. 1, the absorption circuits on two sides of the transformer in fig. 1 all use RCD absorption circuits, as can be seen from fig. 1, circuits on a primary side (a left side, a circuit connected withpins 1 and 2 of T1) and circuits on a secondary side (a right side, a circuit connected withpins 3 and 4 of T1) are symmetrical, and only the connection of the same-name ends of the transformer is reversed, assuming that control energy flows from left to right, a main switch tube S1 is excited first, energy stored in the transformer after S1 is turned off pushes a body diode of S2 through, and at the moment, ZVS conduction of S2 can be realized by conducting S2 along with the current; when the energy of the transformer is completely output, the current of the S2 is reduced to zero, and at this time, if the S2 is continuously kept on, the transformer is excited in a reverse direction for a little, and then the S2 is closed, the energy stored by the transformer can enable the body diode of the main switch tube S1 to be connected, and then the S1 is conducted along the same potential, so that the ZVS conduction of the main switch tube S1 is realized. This can reduce the turn-on loss of S1, increasing the efficiency of the converter to some extent. However, the most fundamental problem in the above conventional solutions is the efficiency loss due to the leakage inductance of the transformer and the EMI problem due to the waveform deterioration. Moreover, the existing converter basically works in a fixed frequency state (Vds 1 or Vds2 has a period of oscillation, and the duty ratio is low).
Disclosure of Invention
The purpose of the invention is as follows: aiming at the problems in the prior art, the invention provides an active clamping flyback bidirectional DC/DC circuit, which is characterized in that on the basis of the existing solution, a diode of a passive absorption circuit is changed into a controllable switch tube (S3 and S4), a large amount of control optimization is added, the problem of leakage inductance of a transformer can be solved, the waveform of current at an output side is optimized, the switch tube ZCS at the output side is realized, the effective value of the current is reduced, and the efficiency can be improved.
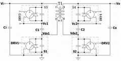
The technical scheme is as follows: the invention provides an active clamping flyback bidirectional DC/DC circuit which comprises a transformer T1, an input end Vi and an output end Vo, wherein an input circuit is connected between the input end Vi and a primary side of a transformer T1, and an output circuit is connected between a secondary side of the transformer T1 and the output end Vo; the input circuit comprises an input capacitor Ci, a controllable switch tube S1 and a first active clamping circuit which are sequentially connected with an input end Vi in series, wherein the first active clamping circuit is connected with a primary winding of the transformer T1 in parallel and is connected with the input end Vi; the output circuit comprises an output capacitor Co, a controllable switch tube S2 and a second active clamping circuit which are sequentially connected with an output end Vo in series, the second active clamping circuit is connected with a secondary winding of the transformer T1 in parallel, the first active clamping circuit and the second active clamping circuit both comprise a capacitor and a controllable switch tube which are sequentially connected in series, the controllable switch tube of the first active clamping circuit is a controllable switch tube S3, and the controllable switch tube S4 of the second active clamping circuit is connected with a power supply.
Furthermore, the pins of the primary winding of the transformer T1 arepins 1 and 2, the secondary winding thereof ispins 3 and 4, and thepins 2 and 3 are terminals of the same name.
Further, the first active clamp circuit includes a capacitor C1 and a controllable switch tube S3, the capacitor C1 is connected in series with the controllable switch tube S3, the capacitor C1 is disposed near the input Vi or the capacitor C1 is connected in series between the controllable switch tube S1 and the controllable switch tube S3.
Further, the second active clamp circuit includes a capacitor C2 and a controllable switch tube S4, the capacitor C2 is connected in series with the controllable switch tube S4, the capacitor C2 is disposed close to the input Vo, or the capacitor C2 is connected in series between the controllable switch tube S2 and the controllable switch tube S4.
Further, the controllable switch tube S1, the controllable switch tube S2, the controllable switch tube S3, and the controllable switch tube S4 each include a driver, a body diode, and an output node capacitor, and the body diode and the output node capacitor are connected in parallel.
Further, when energy flows from the primary side of the transformer T1 to the secondary side of the transformer T1, the driving DRV1 of the controllable switch tube S1 and the driving DRV3 of the controllable switch tube S3 are complementary drives, the driving DRV2 of the controllable switch tube S2 realizes synchronous rectification, and the driving DRV4 of the controllable switch tube S4 is always at a low level;
when energy flows from the secondary side of the transformer T1 to the primary side of the transformer T1, the drive DRV2 of the controllable switch tube S2 and the drive DRV4 of the controllable switch tube S4 are complementary drives, the drive DRV1 of the controllable switch tube S1 realizes synchronous rectification, and the drive DRV3 of the controllable switch tube S3 is always at a low level.
Further, the controllable switch tubes S1, S2, S3, S4 are IGBTs, MOSFETs, SiC MOSFETs or GaN MOS.
Has the advantages that:
1. the invention can solve the problem of leakage inductance of the transformer, reduce or even eliminate peaks, improve the efficiency and optimize the EMI performance.
2. The invention optimizes the current waveform of the output side, changes the waveform of the output side from triangular wave to similar sine half wave, realizes Zero Current Switch (ZCS) of the switching tube of the output side, reduces the effective value of current and can improve the efficiency.
3. In the existing scheme, the converter basically works in a fixed frequency state, a controllable switch tube S1 and an active clamp circuit I or a controllable switch tube S2 and an active clamp circuit II (namely Vds1 or Vds2 can vibrate for a period of time, the duty ratio utilization rate is low), but the converter mainly works in a variable frequency state, the working frequency changes along with the input voltage, the output voltage and the output power, the Vds1 or Vds2 can not vibrate for a period of time, the duty ratio utilization rate is high, and the efficiency is further improved.
4. The invention has better engineering practicability and can obtain higher efficiency and lower power density. The method is particularly suitable for the occasions of medium and small power isolation bidirectional DC/DC.
Drawings
Fig. 1 is a schematic diagram of a conventional flyback topology circuit in the prior art;
FIG. 2 is a circuit diagram according toembodiment 1 of the present invention;
FIG. 3 is a circuit diagram according to embodiment 2 of the present invention;
FIG. 4 is a circuit diagram according toembodiment 3 of the present invention;
FIG. 5 is a circuit diagram according to embodiment 4 of the present invention;
fig. 6 is a steady state waveform diagram of each key point when the energy flows from the primary side of the transformer to the secondary side of the transformer in theembodiment 1 of the invention.
Detailed Description
The invention is further described below with reference to the accompanying drawings. The following examples are only for illustrating the technical solutions of the present invention more clearly, and the protection scope of the present invention is not limited thereby.
For the technical solution in the background art, referring to fig. 1, the absorption circuits on both sides of the transformer use RCD absorption circuits, and energy stored by the leakage inductance on the primary side of the transformer is transferred to the capacitor C1 and absorbed by the R1, so that the RCD absorption circuits function to cause the low efficiency of the conventional flyback topology.
Example 1:
the invention discloses an active clamping flyback bidirectional DC/DC circuit which comprises a transformer T1, an input end Vi and an output end Vo, wherein an input circuit is connected between the input end Vi and a primary side of a transformer T1, and an output circuit is connected between a secondary side of the transformer T1 and the output end Vo; the input circuit comprises an input capacitor Ci, a controllable switch tube S1 and a first active clamping circuit which are sequentially connected with an input end Vi in series, wherein the first active clamping circuit is connected with a primary winding of a transformer T1 in parallel and is connected with the input end Vi; the output circuit comprises an output capacitor Co, a controllable switch tube S2 and a second active clamping circuit which are sequentially connected with the output end Vo in series, the second active clamping circuit is connected with a secondary winding of the transformer T1 in parallel, and the first active clamping circuit and the second active clamping circuit both comprise a capacitor and a controllable switch tube which are sequentially connected in series.
On the basis of the prior technical scheme, the diode in the passive absorption circuit is changed into a controllable switch tube.
The transformation ratio of the transformer T1 is n, the pins of the primary winding are 1 pin and 2 pins, the pins of the secondary winding are 3 pins and 4 pins, and the 2 pins and the 3 pins are homonymous terminals.
The first active clamp circuit comprises a capacitor C1 and a controllable switch tube S3, a capacitor C1 is connected with the controllable switch tube S3 in series, the capacitor C1 is arranged close to an input end Vi, the second active clamp circuit comprises a capacitor C2 and a controllable switch tube S4, the capacitor C2 is connected with the controllable switch tube S4 in series, and a capacitor C2 is arranged close to an input end Vo, see the attached figure 2.
The controllable switch tube S1, the controllable switch tube S2, the controllable switch tube S3, and the controllable switch tube S4 all include a driver, a body diode, and an output node capacitor, and the body diode and the output node capacitor are connected in parallel. The controllable switching tubes S1, S2, S3 and S4 are IGBTs, MOSFETs, SiC MOSFETs or GaN MOS.
When energy flows from the primary side of the transformer T1 to the secondary side of the transformer T1, the driving DRV1 of the controllable switch tube S1 and the driving DRV3 of the controllable switch tube S3 are driven complementarily, the driving DRV2 of the controllable switch tube S2 realizes synchronous rectification, and the driving DRV4 of the controllable switch tube S4 is always at a low level.
When energy flows from the secondary side of the transformer T1 to the primary side of the transformer T1, the drive DRV2 of the controllable switch tube S2 and the drive DRV4 of the controllable switch tube S4 are complementary drives, the drive DRV1 of the controllable switch tube S1 realizes synchronous rectification, and the drive DRV3 of the controllable switch tube S3 is always at a low level.
The operation of the transformer T1 from the primary side of the transformer T1 to the secondary side of the transformer T1 is described in detail with reference to fig. 6:
in fig. 6, "Vc 1-Vds 1" Is a voltage waveform on both sides of a controllable switching tube S3, Vds1 Is a voltage waveform on both sides of a controllable switching tube S1, DRV3 Is a drive of a controllable switching tube S3, DRV1 Is a drive of a controllable switching tube S1, Ip Is a primary side current of a transformer T1 (pin 1 in pin 2 out positive), Is a secondary side current of the transformer T1 (pin 4 inpin 3 out positive), and Imag Is a primary side excitation current equivalent to the transformer T1, and Is equal to "Ip + Is/n" (n Is a transformation ratio of the transformer T1).
1) t0-t 1: when the last cycle is over, before DRV3 of the controllable switch S3 changes from high to low, transformer T1 has a negative current (I2, flowing from pin 2 and flowing from pin 1), where the negative current flows as: pin 2 of transformer T1 →pin 1 of transformer T1 → capacitor C1 → controllable switching tube → pin 2 of transformer T1. After time t0, the controllable switch S3 is turned off, and the negative current flow direction changes to: pin 2 of transformer T1 →pin 1 of transformer T1 → input capacitor Ci → controllable switch tube S1 → pin 2 of transformer T1, which will draw away the charge on the output node capacitor of controllable switch tube S1 until the voltage of controllable switch tube S1 decreases to turn on the body diode of controllable switch tube S1, and then drive DRV1 of controllable switch tube S1 changes from low to high (time T1 in fig. 6), so that controllable switch tube S1 turns on, and ZVS turns on.
2) t1-t 2: after the controllable switch tube S1 is turned on, the primary current of the transformer T1 increases linearly from the above negative value (the current flows: input capacitor Ci → 1 pin of transformer T1 → 2 pin of transformer T1 → controllable switch tube S1 → input capacitor Ci), until the peak current I1 is reached, and then the controllable switch tube S1 is turned off (time T2 in fig. 6). Under the condition that other conditions (such as input voltage, transformation ratio of T1 and the like) are not changed, the time for which the controllable switch tube S1 is conducted determines the peak current of the transformer T1, and the larger the current is, the larger the output power is.
3) t2-t 3: after the controllable switch tube S1 Is turned off at time T2, the primary current of the transformer T1 quickly charges the output node capacitor of the controllable switch tube S1 to a high enough value, which causes the body diode of the controllable switch tube S3 to be turned on (DRV 3 Is driven to be turned on from low to high at time T3 to control the controllable switch tube S3 to be turned on, and the controllable switch tube S3 realizes ZVS conduction), and energy starts to be output to the secondary side (after T3, Is positive and slowly increases).
4) t3-t 4: at time T3, after the controllable switch tube S3 is turned on, the capacitor C1, the primary side leakage inductance of the transformer T1, the transformer T1, and the output capacitor Co (which is equivalent to a voltage source) resonate to output energy to the secondary side, and until a resonant period is over, the output current becomes zero.
5) t4-t 5: after the secondary current Is decreased to zero at time T4, the controllable switch transistor S3 remains turned on until the primary current Ip of the transformer T1 becomes a negative current I2, and then the controllable switch transistor S3 Is turned off (time T5).
6) t5-t 6: this process is the same as t0-t 1.
Since the circuit is symmetrical on both sides of the transformer T1, the operation of transferring energy from the secondary side to the primary side is similar to that described above and will not be described in detail.
As can be seen from the detailed description of the above working process, the control method of the controllable switching tube S3 is as follows: the body diode of the controllable switch tube S3 is turned on when it is turned on (the voltage on the output capacitor of the controllable switch tube S3 is substantially zero), and then Ip reaches a negative current I2 (I2 is a minimum negative current that can ensure that the controllable switch tube S1 can be turned on at ZVS after the controllable switch tube S3 is turned off, and a margin of about 10% flows out during actual design). The control method of the controllable switching tube S1 comprises the following steps: the body diode of the controllable switch tube S1 is turned on when turned on (the voltage on the output capacitor of the controllable switch tube S1 is substantially zero), and is turned off when the Ip reaches the peak current I1 (I1 determines the output power, and I1 has a closed-loop control determination during actual operation).
Under the condition that energy is transmitted from the primary side to the secondary side, the controllable switching tube S2 only needs to realize synchronous rectification control.
Example 2:
the present embodiment is different fromembodiment 1 in that: the capacitor C1 is connected in series between the controllable switch tube S1 and the controllable switch tube S3, and the capacitor C2 is connected in series between the controllable switch tube S2 and the controllable switch tube S4, as shown in fig. 3.
The other operations in this embodiment are the same as those inembodiment 1, and the control methods of the controllable switch tubes S1, S2, S3, and S4 are also the same as those inembodiment 1, and are not repeated.
Example 3:
the present embodiment is different fromembodiment 1 in that: the capacitor C1 is disposed close to the input Vi, and the capacitor C2 is connected in series between the controllable switch S2 and the controllable switch S4, see fig. 3.
The other operations in this embodiment are the same as those inembodiment 1, and the control methods of the controllable switch tubes S1, S2, S3, and S4 are also the same as those inembodiment 1, and are not repeated.
Example 4:
the present embodiment is different fromembodiment 1 in that: the capacitor C1 is connected in series between the controllable switch tube S1 and the controllable switch tube S3, and the capacitor C2 is disposed near the input Vo, as shown in fig. 3.
The other operations in this embodiment are the same as those inembodiment 1, and the control methods of the controllable switch tubes S1, S2, S3, and S4 are also the same as those inembodiment 1, and are not repeated.
The above embodiments are merely illustrative of the technical concepts and features of the present invention, and the purpose of the embodiments is to enable those skilled in the art to understand the contents of the present invention and implement the present invention, and not to limit the protection scope of the present invention. All equivalent changes and modifications made according to the spirit of the present invention should be covered within the protection scope of the present invention.

Claims (7)

Translated fromChinese
1.一种有源钳位的反激双向DC/DC电路,包括变压器T1、输入端Vi、输出端Vo,所述输入端Vi与变压器T1原边之间连接有输入电路,所述变压器T1副边与所述输出端Vo之间连接有输出电路;所述输入电路包括与输入端Vi依次串联的输入电容Ci、可控开关管S1以及有源钳位电路一,所述有源钳位电路一与所述变压器T1的原边绕组并联,且其与所述输入端Vi连接;所述输出电路包括与输出端Vo依次串联的输出电容Co、可控开关管S2以及有源钳位电路二,所述有源钳位电路二与所述变压器T1的副边绕组并联,其特征在于,所述有源钳位电路一与所述有源钳位电路二均包括依次串联的电容和可控开关管,所述有源钳位电路一、有源钳位电路二的可控开关管分别为可控开关管S3、可控开关管S4。1. An active clamped flyback bidirectional DC/DC circuit, comprising a transformer T1, an input end Vi, and an output end Vo, an input circuit is connected between the input end Vi and the primary side of the transformer T1, and the transformer T1 An output circuit is connected between the secondary side and the output end Vo; the input circuit includes an input capacitor Ci connected in series with the input end Vi, a controllable switch tube S1 and an active clamp circuit 1, the active clamp Circuit 1 is connected in parallel with the primary winding of the transformer T1, and is connected to the input end Vi; the output circuit includes an output capacitor Co, a controllable switch tube S2 and an active clamp circuit sequentially connected to the output end Vo in series Second, the active clamp circuit 2 is connected in parallel with the secondary winding of the transformer T1, and it is characterized in that the active clamp circuit 1 and the active clamp circuit 2 both include capacitors and capacitors connected in series in sequence. The controllable switch tube of the active clamp circuit 1 and the controllable switch tube of the active clamp circuit 2 are respectively the controllable switch tube S3 and the controllable switch tube S4.2.根据权利要求1所述的有源钳位的反激双向DC/DC电路,其特征在于,所述变压器T1的原边绕组引脚为1脚和2脚,其副边绕组为3脚和4脚,所述2脚与3脚为同名端。2. The flyback bidirectional DC/DC circuit of active clamping according to claim 1, wherein the primary winding pins of the transformer T1 are 1 pin and 2 pins, and its secondary winding is 3 pins And 4 feet, the 2 feet and 3 feet are the same name.3.根据权利要求1所述的有源钳位的反激双向DC/DC电路,其特征在于,所述有源钳位电路一包括电容C1和可控开关管S3,所述电容C1与所述可控开关管S3串联,所述电容C1靠近输入端Vi设置或者所述电容C1串联于可控开关管S1与可控开关管S3之间。3. The active clamped flyback bidirectional DC/DC circuit according to claim 1, wherein the first active clamp circuit comprises a capacitor C1 and a controllable switch S3, the capacitor C1 and all The controllable switch S3 is connected in series, the capacitor C1 is arranged close to the input end Vi, or the capacitor C1 is connected in series between the controllable switch S1 and the controllable switch S3.4.根据权利要求1所述的有源钳位的反激双向DC/DC电路,其特征在于,所述有源钳位电路二包括电容C2和可控开关管S4,所述电容C2与所述可控开关管S4串联,所述电容C2靠近输入端Vo设置或者所述电容C2串联于可控开关管S2与可控开关管S4之间。4. The active clamp flyback bidirectional DC/DC circuit according to claim 1, wherein the active clamp circuit 2 comprises a capacitor C2 and a controllable switch S4, the capacitor C2 and all The controllable switch S4 is connected in series, the capacitor C2 is arranged close to the input end Vo, or the capacitor C2 is connected in series between the controllable switch S2 and the controllable switch S4.5.根据权利要求1所述的有源钳位的反激双向DC/DC电路,其特征在于,所述可控开关管S1、可控开关管S2、可控开关管S3、可控开关管S4均包括驱动、体二极管以及输出节电容,所述体二极管与输出节电容并联。5 . The active-clamped flyback bidirectional DC/DC circuit according to claim 1 , wherein the controllable switch tube S1 , the controllable switch tube S2 , the controllable switch tube S3 , and the controllable switch tube Each of S4 includes a driver, a body diode, and an output section capacitor, and the body diode is connected in parallel with the output section capacitance.6.根据权利要求5所述的有源钳位的反激双向DC/DC电路,其特征在于,6. The active-clamped flyback bidirectional DC/DC circuit according to claim 5, wherein,当能量从变压器T1原边向变压器T1副边流动时,可控开关管S1的驱动DRV1与可控开关管S3的驱动DRV3为互补驱动,可控开关管S2的驱动DRV2实现同步整流,可控开关管S4的驱动DRV4一直为低电平;When the energy flows from the primary side of the transformer T1 to the secondary side of the transformer T1, the driving DRV1 of the controllable switch tube S1 and the driving DRV3 of the controllable switch tube S3 are complementary driving, and the driving DRV2 of the controllable switch tube S2 realizes synchronous rectification, controllable The drive DRV4 of the switch tube S4 is always low;当能量从变压器T1副边向变压器T1原边流动时,可控开关管S2的驱动DRV2与可控开关管S4的驱动DRV4为互补驱动,可控开关管S1的驱动DRV1实现同步整流,可控开关管S3的驱动DRV3一直为低电平。When the energy flows from the secondary side of the transformer T1 to the primary side of the transformer T1, the driving DRV2 of the controllable switch tube S2 and the driving DRV4 of the controllable switch tube S4 are complementary driving, and the driving DRV1 of the controllable switch tube S1 realizes synchronous rectification, controllable The driving DRV3 of the switch tube S3 is always at a low level.7.根据权利要求1至6任一所述的有源钳位的反激双向DC/DC电路,其特征在于,所述可控开关管S1、S2、S3、S4为IGBT、MOSFET、SiC MOSFET或GaN MOS。7. The active-clamped flyback bidirectional DC/DC circuit according to any one of claims 1 to 6, wherein the controllable switches S1, S2, S3, and S4 are IGBTs, MOSFETs, and SiC MOSFETs. or GaN MOS.
CN202110230101.8A2021-03-022021-03-02Active clamping flyback bidirectional DC/DC circuitPendingCN112751490A (en)

Priority Applications (1)

Application NumberPriority DateFiling DateTitle
CN202110230101.8ACN112751490A (en)2021-03-022021-03-02Active clamping flyback bidirectional DC/DC circuit

Applications Claiming Priority (1)

Application NumberPriority DateFiling DateTitle
CN202110230101.8ACN112751490A (en)2021-03-022021-03-02Active clamping flyback bidirectional DC/DC circuit

Publications (1)

Publication NumberPublication Date
CN112751490Atrue CN112751490A (en)2021-05-04

Family

ID=75651565

Family Applications (1)

Application NumberTitlePriority DateFiling Date
CN202110230101.8APendingCN112751490A (en)2021-03-022021-03-02Active clamping flyback bidirectional DC/DC circuit

Country Status (1)

CountryLink
CN (1)CN112751490A (en)

Cited By (2)

* Cited by examiner, † Cited by third party
Publication numberPriority datePublication dateAssigneeTitle
CN114759801A (en)*2022-05-172022-07-15深圳市联合电源技术有限公司Active clamping power converter
WO2024160043A1 (en)*2023-01-302024-08-08联合汽车电子有限公司Control method and controller

Citations (7)

* Cited by examiner, † Cited by third party
Publication numberPriority datePublication dateAssigneeTitle
CN1352488A (en)*2001-11-132002-06-05浙江大学Two-way DC-DC converter
US20070263415A1 (en)*2006-02-142007-11-15Arian JansenTwo terminals quasi resonant tank circuit
CN106059313A (en)*2016-07-192016-10-26深圳南云微电子有限公司Active clamp flyback circuit and control method thereof
CN108418438A (en)*2018-05-182018-08-17广州金升阳科技有限公司A kind of DC-DC converter
CN110601538A (en)*2019-08-142019-12-20广州金升阳科技有限公司Active clamp flyback converter
CN111970796A (en)*2020-09-112020-11-20河北工业大学Active clamping electrolytic-capacitor-free LED driving power supply
CN214256140U (en)*2021-03-022021-09-21明芝兰(江苏)电子科技有限公司Active clamping flyback bidirectional DC/DC circuit

Patent Citations (8)

* Cited by examiner, † Cited by third party
Publication numberPriority datePublication dateAssigneeTitle
CN1352488A (en)*2001-11-132002-06-05浙江大学Two-way DC-DC converter
US20070263415A1 (en)*2006-02-142007-11-15Arian JansenTwo terminals quasi resonant tank circuit
CN106059313A (en)*2016-07-192016-10-26深圳南云微电子有限公司Active clamp flyback circuit and control method thereof
CN108418438A (en)*2018-05-182018-08-17广州金升阳科技有限公司A kind of DC-DC converter
WO2019218706A1 (en)*2018-05-182019-11-21广州金升阳科技有限公司Dc-dc converter
CN110601538A (en)*2019-08-142019-12-20广州金升阳科技有限公司Active clamp flyback converter
CN111970796A (en)*2020-09-112020-11-20河北工业大学Active clamping electrolytic-capacitor-free LED driving power supply
CN214256140U (en)*2021-03-022021-09-21明芝兰(江苏)电子科技有限公司Active clamping flyback bidirectional DC/DC circuit

Cited By (2)

* Cited by examiner, † Cited by third party
Publication numberPriority datePublication dateAssigneeTitle
CN114759801A (en)*2022-05-172022-07-15深圳市联合电源技术有限公司Active clamping power converter
WO2024160043A1 (en)*2023-01-302024-08-08联合汽车电子有限公司Control method and controller

Similar Documents

PublicationPublication DateTitle
CN112087147B (en)Converter wide gain control method and application thereof
CN106059313B (en)The circuit of reversed excitation and its control method of active clamp
WO2020248472A1 (en)Asymmetric half-bridge converter and control method therefor
WO2021042773A1 (en)Llc resonant converter and control method
CN109980934A (en)The two-way DC/DC converter of the high no-load voltage ratio of high frequency based on coupling inductance
CN108696140A (en)Full-bridge resonance DC-DC converter with wide output voltage range and modulator approach
CN114070090B (en)Flyback converter circuit with series active clamp
US12132400B2 (en)Soft-switching power converter
CN106787776A (en)A kind of LLC resonant converter for mixing control
CN110224605B (en) A full bridge conversion circuit
CN110649821A (en) Bidirectional SCC type LLC resonant converter, circuit and control method thereof
CN108199579A (en)A kind of high no-load voltage ratio Sofe Switch DC-DC buck converters with coupling inductance
CN112751490A (en)Active clamping flyback bidirectional DC/DC circuit
CN115864859B (en)Novel PWM control soft switch half-bridge DC-DC converter
CN117118238A (en)Control circuit and control method of half-bridge flyback converter
CN214256140U (en)Active clamping flyback bidirectional DC/DC circuit
CN115021544A (en)Clamping module and switching power supply
CN111384858A (en)Full-bridge circuit and full-bridge converter
CN107222109A (en)A kind of two-way isolated DC DC converters containing active snubber
CN211456992U (en)Active clamp absorption circuit
CN209982343U (en) A circuit structure for realizing wide-gain FB-HB LLC resonant converter
CN107528477A (en)A kind of quasi-resonance soft switch double-transistor flyback DC/DC converters
CN106712510A (en)Buck converter circuit provided with soft switch and sequence control method thereof
CN100388602C (en) A DC-DC Power Converter with Low Output Ripple and Low Component Stress
CN118984068B (en)Full-bridge converter based on self-adaptive current reset rectifying circuit

Legal Events

DateCodeTitleDescription
PB01Publication
PB01Publication
SE01Entry into force of request for substantive examination
SE01Entry into force of request for substantive examination

[8]ページ先頭

©2009-2025 Movatter.jp