Movatterモバイル変換


[0]ホーム

URL:


CN112737079A - Photovoltaic and semiconductor temperature difference combined power generation system - Google Patents

Photovoltaic and semiconductor temperature difference combined power generation system
Download PDF

Info

Publication number
CN112737079A
CN112737079ACN202011599322.4ACN202011599322ACN112737079ACN 112737079 ACN112737079 ACN 112737079ACN 202011599322 ACN202011599322 ACN 202011599322ACN 112737079 ACN112737079 ACN 112737079A
Authority
CN
China
Prior art keywords
solar photovoltaic
power generation
thermoelectric generator
photovoltaic panel
temperature difference
Prior art date
Legal status (The legal status is an assumption and is not a legal conclusion. Google has not performed a legal analysis and makes no representation as to the accuracy of the status listed.)
Granted
Application number
CN202011599322.4A
Other languages
Chinese (zh)
Other versions
CN112737079B (en
Inventor
王秋林
Current Assignee (The listed assignees may be inaccurate. Google has not performed a legal analysis and makes no representation or warranty as to the accuracy of the list.)
Shanxi University
Original Assignee
Shanxi University
Priority date (The priority date is an assumption and is not a legal conclusion. Google has not performed a legal analysis and makes no representation as to the accuracy of the date listed.)
Filing date
Publication date
Application filed by Shanxi UniversityfiledCriticalShanxi University
Priority to CN202011599322.4ApriorityCriticalpatent/CN112737079B/en
Publication of CN112737079ApublicationCriticalpatent/CN112737079A/en
Application grantedgrantedCritical
Publication of CN112737079BpublicationCriticalpatent/CN112737079B/en
Activelegal-statusCriticalCurrent
Anticipated expirationlegal-statusCritical

Links

Images

Classifications

Landscapes

Abstract

Translated fromChinese

本发明属于太阳能光伏高效发电与半导体温差发电技术领域,具体涉及光伏与半导体温差联合发电系统。针对太阳能光伏板基板超温等影响光伏发电效率及使用寿命的关键问题,以及太阳能光伏板基板余热利用水平低的问题,本发明光伏发电系统为基础发电系统,半导体温差发电系统利用了太阳能光伏板的余热,对光伏板最佳效率创造温度条件,同时将余热转化为电能;太阳能光伏板降温取热系统,采用热管、微过饱和盐水、石墨贴膜组合对太阳能光伏板降温,同时将其热量通过微过饱和盐水流动带出,基于光伏板温度信号通过控制器对泵和冷却风机进行变频控制调整,将太阳能光伏板调整到受温度影响的最佳发电效率区间、将半导体温差发电调整到最佳发电效率区间。

Figure 202011599322

The invention belongs to the technical field of solar photovoltaic high-efficiency power generation and semiconductor thermoelectric power generation, and particularly relates to a photovoltaic and semiconductor thermoelectric combined power generation system. In view of the key problems affecting the efficiency and service life of photovoltaic power generation such as the over-temperature of the solar photovoltaic panel substrate, and the problem of the low level of waste heat utilization of the solar photovoltaic panel substrate, the photovoltaic power generation system of the present invention is the basic power generation system, and the semiconductor thermoelectric power generation system utilizes the solar photovoltaic panel. The waste heat of the solar photovoltaic panels creates temperature conditions for the best efficiency of the photovoltaic panels, and at the same time converts the residual heat into electrical energy; the solar photovoltaic panel cooling and heat extraction system uses a combination of heat pipes, slightly supersaturated brine, and graphite film to cool the solar photovoltaic panels, while passing its heat through The flow of slightly supersaturated brine is carried out. Based on the temperature signal of the photovoltaic panel, the pump and cooling fan are adjusted by frequency conversion through the controller to adjust the solar photovoltaic panel to the best power generation efficiency range affected by temperature, and adjust the semiconductor thermoelectric power generation to the best Generation efficiency range.

Figure 202011599322

Description

Photovoltaic and semiconductor temperature difference combined power generation system
Technical Field
The invention belongs to the technical field of solar photovoltaic high-efficiency power generation and semiconductor temperature difference power generation, and particularly relates to a photovoltaic and semiconductor temperature difference combined power generation system.
Background
In solar photovoltaic power generation, about 30% of radiant heat of sunlight can be converted into electric power through a photovoltaic effect, the rest about 70% of heat energy is not fully utilized, and meanwhile, the temperature of a solar photovoltaic panel substrate is increased due to the heat. Under the condition of certain illumination intensity, when the output voltage of the solar photovoltaic cell is reduced along with the temperature rise, the output power is also reduced, and the power generation efficiency is reduced by about 0.3 percent when the temperature rises by 1 ℃. Under the high temperature state, still cause the panel facula corrosion of photovoltaic board, the ageing fracture of viscose, life reduction scheduling problem easily.
The photovoltaic panel substrate is cooled by a natural cooling mode with the environment in a light aluminum-plastic substrate, high-heat-conducting-performance adhesive glue and other modes. However, the design can not ensure that the temperature of the substrate is in a reasonable range under strong irradiation conditions such as desert and ocean, and the temperature of the photovoltaic panel is high due to high environmental temperature in summer, so that the power generation efficiency is reduced, and the service life of the solar photovoltaic panel is shortened.
Disclosure of Invention
The invention aims to solve the key problems that the solar photovoltaic panel substrate is over-temperature and the like which affect the photovoltaic power generation efficiency and the service life and the problem that the waste heat utilization level of the solar photovoltaic panel substrate is low, and realize the intelligent control of the solar photovoltaic panel at the optimal power generation efficiency.
In order to achieve the purpose, the invention adopts the following technical scheme:
the photovoltaic and semiconductor temperature difference combined power generation system comprises a solar photovoltaic panel, a solar photovoltaic output switch, a solar photovoltaic controller, a solar photovoltaic storage battery pack, a solar photovoltaic inverter, a heat pipe, a thermoelectric generator, a high-temperature side of the thermoelectric generator, a low-temperature side of the thermoelectric generator, a liquid supplementing door, a cooler, an internal resistance of the thermoelectric generator, an output switch of the thermoelectric generator, a controller of the thermoelectric generator, a storage battery pack of the thermoelectric generator and an inverter of the thermoelectric generator;
the solar photovoltaic panel is connected with a solar photovoltaic controller through a solar photovoltaic output switch, and the solar photovoltaic controller is respectively connected with a solar photovoltaic storage battery pack and a solar photovoltaic inverter; the solar photovoltaic panel is provided with a plurality of heat pipes which are uniformly distributed, and the heat pipes are arranged on the solar photovoltaic panel through the adhesive film;
the outlet of the high-temperature side of the thermoelectric generator is connected with an inlet pipeline of the cooler, the outlet of the cooler is connected with an inlet pipeline of the low-temperature side of the thermoelectric generator, the cooler is further provided with a liquid supplementing door for supplementing a prepared flowing working medium, the outlet of the low-temperature side of the thermoelectric generator is connected with a cold end pipeline of a heat pipe, the hot end of the heat pipe is directly contacted with a pump and used for providing a heat source for a flowing medium in the pump, the pump is connected with the inlet pipeline of the high-temperature side of the thermoelectric generator, the thermoelectric generator is connected with a thermoelectric generator controller through an internal resistance of the thermoelectric generator and an output switch of the thermoelectric generator, and the thermoelectric generator controller is respectively connected with a storage battery pack of the thermoelectric generator and an inverter of the thermoelectric generator.
Further, the system further comprises a solar photovoltaic panel substrate temperature measuring element, the solar photovoltaic panel substrate temperature measuring element is arranged on the solar photovoltaic panel and is connected with the thermoelectric generator controller, and the thermoelectric generator controller is connected with the pump.
The solar photovoltaic power generation efficiency is a main technical index of investment operation, the variable frequency operation of the pump is controlled by the thermoelectric generator controller through the combination of a substrate temperature measuring element signal and the pump of the solar photovoltaic panel based on a substrate temperature measuring point signal, the fluid medium flows at an accelerated speed to cool the photovoltaic panel, the optimal efficiency of the solar photovoltaic panel is adjusted, the photovoltaic power generation of the solar photovoltaic panel is realized near the optimal efficiency value, and the technical economy of the solar photovoltaic power generation is improved.
Furthermore, the system also comprises a vertical cooling air pipe and a cooling fan, wherein the air outlet of the cooling fan is provided with the vertical cooling air pipe, the cooler is arranged in the vertical cooling air pipe, and the thermoelectric generator controller is connected with the cooling fan.
The solar photovoltaic panel substrate temperature measuring element signal and the thermoelectric generator controller are used for carrying out variable frequency control on the pump and the cooling fan to obtain a large temperature difference between high temperature and low temperature, so that the semiconductor thermoelectric generation is carried out at the position near the optimal efficiency value, wherein the variable frequency control on the pump is realized through the thermoelectric generator controller, the heat source temperature of the high temperature side can be improved, and meanwhile, the variable frequency control is carried out on the cooling fan to realize the reduction of the cold source temperature.
Further, the solar photovoltaic storage battery pack is connected with the solar photovoltaic inverter and used for improving the power output of the corresponding voltage specification according to the requirement of a user; the thermoelectric generator storage battery is connected with the thermoelectric generator inverter and used for improving the power output of the corresponding voltage specification according to the needs of users.
Further, the flowing working medium is slightly supersaturated saline water. The solar photovoltaic panel heat conduction cooling effect is achieved by adjusting the concentration of the saline water along with the ambient temperature, the concentration is automatically adjusted after the saline water is cooled in a cooler in the vertical cooling air pipe, and the purposes of safe operation, easy maintenance and liquid supplement, cost reduction and the like are achieved by adopting the configured micro-supersaturated saline water.
Further, the pad pasting is graphite pad pasting or graphite alkene pad pasting, when reinforcing heat transfer effect and cost are not the main consideration option, can adopt graphite alkene to do the filler, and this process makes photovoltaic panel's heat can distribute evenly to and can heat conduction fast, improve heat exchange efficiency.
Compared with the prior art, the invention has the following advantages:
the photovoltaic power generation system, the semiconductor temperature difference power generation system, the solar photovoltaic panel cooling and heat taking system and the regulation and control system are technically coupled, so that a proper temperature condition is provided for the optimal power generation efficiency of the solar photovoltaic, meanwhile, the regulation and control system is used for realizing the better power generation efficiency of the semiconductor temperature difference power generation on the basis of ensuring the optimal efficiency of the solar photovoltaic, and the electric energy output is improved.
The invention synergistically improves the photovoltaic power generation efficiency of solar energy and the service life thereof, improves the power generation efficiency of semiconductor thermoelectric power generation, and has advanced technical advantages.
Drawings
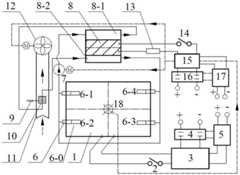
FIG. 1 is a photovoltaic and semiconductor thermoelectric combined power generation system;
the system comprises a solarphotovoltaic panel 1, a solar photovoltaic output switch 2, a solarphotovoltaic controller 3, a solar photovoltaic storage battery pack 4, a solar photovoltaic inverter 5, aheat pipe 6, a pump 7, athermoelectric generator 8, a high-temperature side 8-1 of the thermoelectric generator, a low-temperature side 8-2 of the thermoelectric generator, a liquid supplementingdoor 9, acooler 10, a verticalcooling air pipe 11, acooling fan 12, aninternal resistance 13 of the thermoelectric generator, anoutput switch 14 of the thermoelectric generator, acontroller 15 of the thermoelectric generator, astorage battery pack 16 of the thermoelectric generator, aninverter 17 of the thermoelectric generator and a substratetemperature measuring element 18 of the solar photovoltaic panel.
Detailed Description
As shown in fig. 1, the photovoltaic and semiconductor thermoelectric combined power generation system comprises a solarphotovoltaic panel 1, a solar photovoltaic output switch 2, a solarphotovoltaic controller 3, a solar photovoltaic storage battery pack 4, a solar photovoltaic inverter 5, aheat pipe 6, a pump 7, athermoelectric generator 8, a high-temperature side 8-1 of the thermoelectric generator, a low-temperature side 8-2 of the thermoelectric generator, a liquid supplementingdoor 9, acooler 10, a verticalcooling air pipe 11, acooling fan 12, aninternal resistance 13 of the thermoelectric generator, anoutput switch 14 of the thermoelectric generator, acontroller 15 of the thermoelectric generator, astorage battery pack 16 of the thermoelectric generator, a thermoelectric generator-basedinverter 17 and a substratetemperature measuring element 18 of the solar photovoltaic panel;
the solarphotovoltaic panel 1 is connected with a solarphotovoltaic controller 3 through a solar photovoltaic output switch 2, and the solarphotovoltaic controller 3 is respectively connected with a solar photovoltaic battery pack 4 and a solar photovoltaic inverter 5; the solarphotovoltaic panel 1 is provided with a plurality ofheat pipes 6 which are uniformly distributed, and theheat pipes 6 are arranged on the solarphotovoltaic panel 1 through graphite films; an outlet of the high-temperature side 8-1 of the thermoelectric generator is connected with an inlet pipeline of acooler 10, an outlet of thecooler 10 is connected with an inlet pipeline of the low-temperature side 8-2 of the thermoelectric generator, thecooler 10 is further provided with a liquid supplementingdoor 9 for supplementing a configured flowing working medium, an outlet of the low-temperature side 8-2 of the thermoelectric generator is connected with a cold end pipeline of aheat pipe 6, a hot end of theheat pipe 6 is directly contacted with a pump 7 and used for providing a heat source for a flowing medium in the pump 7, an outlet of the pump 7 is connected with an inlet pipeline of the high-temperature side 8-1 of the thermoelectric generator, thethermoelectric generator 8 is connected with athermoelectric generator controller 15 through aninternal resistance 13 of the thermoelectric generator and anoutput switch 14 of the thermoelectric generator, and the thermoelectric generator controller is respectively connected with astorage battery pack 16 of the thermoelectric generator and aninverter 17 of the thermoelectric generator. The solar photovoltaic panel substratetemperature measuring element 18 is arranged on the solarphotovoltaic panel 1, the solar photovoltaic panel substratetemperature measuring element 18 is connected with thethermoelectric generator controller 15, and thethermoelectric generator controller 15 is connected with the pump 7. The air outlet of thecooling fan 12 is provided with a verticalcooling air pipe 11, thecooler 10 is arranged in the verticalcooling air pipe 11, and thethermoelectric generator controller 15 is connected with thecooling fan 12. The solar photovoltaic battery pack 4 is connected with the solar photovoltaic inverter 5 and is used for improving the power output of the corresponding voltage specification according to the requirement of a user; the thermoelectric generatorstorage battery pack 16 is connected with thethermoelectric generator inverter 17 and is used for improving the electric power output of the corresponding voltage specification according to the requirement of a user.
The working principle is as follows:
the photovoltaic power generation system is a basic power generation system, under the action of solar radiation, a battery in a solarphotovoltaic panel 1 generates a photovoltaic effect to form the flow of electron and hole pairs and generate photovoltaic voltage, the output and the energy storage of photovoltaic power are realized through a solar photovoltaic output switch 2, a solarphotovoltaic controller 3, a solar photovoltaic storage battery pack 4 and a solar photovoltaic inverter 5, and the power output of corresponding voltage specifications is improved according to the needs of users;
a semiconductor thermoelectric power generation system extracts heat of a solarphotovoltaic panel 1 through aheat pipe 6 and micro supersaturated brine to be cooled, the hot micro supersaturated brine is sent to a high-temperature side 8-1 of a thermoelectric generator through a pump 7, a heat source of the high-temperature side 8-1 of the thermoelectric generator comes from the solarphotovoltaic panel 1 and then flows out of acooler 10 in a verticalcooling air pipe 11, the configured micro supersaturated brine is supplemented through a liquid supplementingdoor 9 during maintenance or initial operation, the temperature is cooled under the double cooling action of natural cooling generated by pressure difference formed by forced cooling of acooling fan 12 and the verticalcooling air pipe 11, and then the cooled micro supersaturated brine flows into a low-temperature side 8-2 of thethermoelectric generator 8, so that temperature difference is generated on two sides of thethermoelectric generator 8, and theinternal resistance 13 of the thermoelectric generator, anoutput switch 14 of the thermoelectric generator, acontroller 15, astorage battery pack 16 of the thermoelectric generator are utilized, The connection of thethermoelectric generator inverter 17 realizes the power output and energy storage of semiconductor thermoelectric generation, and improves the power output of corresponding voltage specification according to the requirement of a user;
the solar photovoltaic panel cooling and heat taking system is characterized in that aheat pipe 6 is adhered to a solar photovoltaic panel substrate, the uniform distribution and the rapid heat conduction of the substrate temperature are realized by adopting a graphite film (such as 6-0 in figure 1), a plurality of groups of heat pipe cloth pieces (such as 6-1, 6-2, 6-3 and 6-4 in figure 1) can be carried out according to actual needs, and a pump 7 is subjected to frequency conversion control under the signal instruction of a solar photovoltaic panel substratetemperature measuring element 18, so that the cooling and heat taking of the solar photovoltaic panel are realized;
the control system controls the variable frequency operation of the pump 7 through thethermoelectric generator controller 15 according to a signal of the solar photovoltaic panel substratetemperature measuring element 18 to realize the temperature control of the photovoltaic panel, and controls the variable frequency operation of thecooling fan 12 through thethermoelectric generator controller 15 according to a temperature signal instruction to control the temperature of the solarphotovoltaic panel 1 in an optimal power generation efficiency range and control a larger temperature difference condition through semiconductor thermoelectric power generation to realize the operation of the semiconductor thermoelectric power generation in a better power generation efficiency range.
The flowing working media at the high-temperature side and the low-temperature side of the thermoelectric generator adopt slightly supersaturated saline, the heat conduction and cooling effects of the solar photovoltaic panel are realized by adjusting the concentration of the saline along with the ambient temperature, and the concentration is automatically adjusted after the cooling in thecooler 10 in the verticalcooling air pipe 11;
theheat pipe 6 is fixed on the bottom plate of the solarphotovoltaic panel 1, is fixed by adopting a graphite film, and can adopt graphene as a filler when the heat exchange effect and cost are not main consideration options.
The photovoltaic and semiconductor temperature difference combined power generation system improves the solar photovoltaic power generation efficiency influenced by temperature, prolongs the service life of a solar photovoltaic panel, realizes a combined power generation supply system, and has good technical economy.

Claims (6)

1. The photovoltaic and semiconductor temperature difference combined power generation system is characterized by comprising a solar photovoltaic panel (1), a solar photovoltaic output switch (2), a solar photovoltaic controller (3), a solar photovoltaic storage battery pack (4), a solar photovoltaic inverter (5), a heat pipe (6), a pump (7), a temperature difference generator (8), a high-temperature side (8-1) of the temperature difference generator, a low-temperature side (8-2) of the temperature difference generator, a liquid supplementing door (9), a cooler (10), an internal resistance (13) of the temperature difference generator, an output switch (14) of the temperature difference generator, a controller (15) of the temperature difference generator, a storage battery pack (16) of the temperature difference generator and an inverter (17) of the temperature difference generator;
the solar photovoltaic panel (1) is connected with a solar photovoltaic controller (3) through a solar photovoltaic output switch (2), and the solar photovoltaic controller (3) is respectively connected with a solar photovoltaic storage battery pack (4) and a solar photovoltaic inverter (5); the solar photovoltaic panel (1) is provided with a plurality of heat pipes (6) which are uniformly distributed, and the heat pipes (6) are arranged on the solar photovoltaic panel (1) through adhesive films;
an outlet of the high-temperature side (8-1) of the thermoelectric generator is connected with an inlet pipeline of a cooler (10), an outlet of the cooler (10) is connected with an inlet pipeline of the low-temperature side (8-2) of the thermoelectric generator, the cooler (10) is further provided with a liquid supplementing door (9) for supplementing configured flowing working media, an outlet of the low-temperature side (8-2) of the thermoelectric generator is connected with a cold-end pipeline of a heat pipe (6), a hot end of the heat pipe (6) is directly contacted with a pump (7) and used for providing a heat source for flowing media in the pump (7), an outlet of the pump (7) is connected with an inlet pipeline of the high-temperature side (8-1) of the thermoelectric generator, the thermoelectric generator (8) is connected with a thermoelectric generator controller (15) through an internal resistance (13) of the thermoelectric generator and an output switch (14) of the thermoelectric generator, and the thermoelectric generator controller is respectively connected with a thermoelectric generator storage battery pack (16) and a storage battery pack (16), The thermoelectric generator inverter (17) is connected.
2. The photovoltaic and semiconductor temperature difference combined power generation system according to claim 1, further comprising a solar photovoltaic panel substrate temperature measuring element (18), wherein the solar photovoltaic panel substrate temperature measuring element (18) is arranged on the solar photovoltaic panel (1), the solar photovoltaic panel substrate temperature measuring element (18) is connected with a thermoelectric generator controller (15), and the thermoelectric generator controller (15) is connected with the pump (7).
3. The photovoltaic and semiconductor temperature difference combined power generation system according to claim 2, further comprising a vertical cooling air pipe (11) and a cooling fan (12), wherein the air outlet of the cooling fan (12) is provided with the vertical cooling air pipe (11), the cooler (10) is built in the vertical cooling air pipe (11), and the thermoelectric generator controller (15) is connected with the cooling fan (12).
4. The photovoltaic and semiconductor temperature difference combined power generation system according to claim 1, wherein the solar photovoltaic battery pack (4) is connected with a solar photovoltaic inverter (5) and is used for increasing the power output of the corresponding voltage specification according to the needs of users; the thermoelectric generator storage battery pack (16) is connected with the thermoelectric generator inverter (17) and used for improving the power output of corresponding voltage specifications according to the needs of users.
5. The photovoltaic and semiconductor thermoelectric combined power generation system of claim 1, wherein the fluid working medium is a slightly supersaturated brine.
6. The photovoltaic and semiconductor thermoelectric combined power generation system of claim 1, wherein the film is a graphite film or a graphene film.
CN202011599322.4A2020-12-292020-12-29 Photovoltaic and semiconductor temperature difference combined power generation systemActiveCN112737079B (en)

Priority Applications (1)

Application NumberPriority DateFiling DateTitle
CN202011599322.4ACN112737079B (en)2020-12-292020-12-29 Photovoltaic and semiconductor temperature difference combined power generation system

Applications Claiming Priority (1)

Application NumberPriority DateFiling DateTitle
CN202011599322.4ACN112737079B (en)2020-12-292020-12-29 Photovoltaic and semiconductor temperature difference combined power generation system

Publications (2)

Publication NumberPublication Date
CN112737079Atrue CN112737079A (en)2021-04-30
CN112737079B CN112737079B (en)2023-11-17

Family

ID=75609897

Family Applications (1)

Application NumberTitlePriority DateFiling Date
CN202011599322.4AActiveCN112737079B (en)2020-12-292020-12-29 Photovoltaic and semiconductor temperature difference combined power generation system

Country Status (1)

CountryLink
CN (1)CN112737079B (en)

Cited By (5)

* Cited by examiner, † Cited by third party
Publication numberPriority datePublication dateAssigneeTitle
CN114337477A (en)*2022-01-062022-04-12上海空间电源研究所Intelligent thermoelectric and photovoltaic integrated thermal management system
CN114785279A (en)*2022-06-022022-07-22香港中文大学(深圳) Integrated device of photovoltaic panel thermoelectric power generation and temperature control based on semiconductor thermoelectric effect
CN116744667A (en)*2023-07-042023-09-12中国人民解放军陆军工程大学Strong electromagnetic pulse protection device and method for salt water saturation change of photovoltaic panel
WO2024021550A1 (en)*2022-07-292024-02-01重庆跃达新能源有限公司Energy-saving system and method for photovoltaic power generation refrigeration
CN118367861A (en)*2024-06-132024-07-19沈阳星尔建筑科技有限公司Light steel mobile house with photovoltaic and energy storage functions

Citations (6)

* Cited by examiner, † Cited by third party
Publication numberPriority datePublication dateAssigneeTitle
CN201656818U (en)*2010-01-072010-11-24上海电力学院DC refrigerator driven by solar photovoltaic power and temperature-difference power
CN102647122A (en)*2012-05-152012-08-22上海电力学院 Solar photovoltaic-temperature difference automatic temperature control combined power generation device
CN103453604A (en)*2013-08-232013-12-18清华大学Solar air conditioning system
CN106655894A (en)*2017-02-212017-05-10邵阳学院Multi-heat-source thermoelectric power generation system
CN108471294A (en)*2017-02-232018-08-31华北电力大学Application of the low-grade fever tubular type CPVT coupling temperature difference electricity generation devices in summer
CN109742975A (en)*2018-12-232019-05-10山西大学 A solar thermoelectric power generation system

Patent Citations (6)

* Cited by examiner, † Cited by third party
Publication numberPriority datePublication dateAssigneeTitle
CN201656818U (en)*2010-01-072010-11-24上海电力学院DC refrigerator driven by solar photovoltaic power and temperature-difference power
CN102647122A (en)*2012-05-152012-08-22上海电力学院 Solar photovoltaic-temperature difference automatic temperature control combined power generation device
CN103453604A (en)*2013-08-232013-12-18清华大学Solar air conditioning system
CN106655894A (en)*2017-02-212017-05-10邵阳学院Multi-heat-source thermoelectric power generation system
CN108471294A (en)*2017-02-232018-08-31华北电力大学Application of the low-grade fever tubular type CPVT coupling temperature difference electricity generation devices in summer
CN109742975A (en)*2018-12-232019-05-10山西大学 A solar thermoelectric power generation system

Cited By (6)

* Cited by examiner, † Cited by third party
Publication numberPriority datePublication dateAssigneeTitle
CN114337477A (en)*2022-01-062022-04-12上海空间电源研究所Intelligent thermoelectric and photovoltaic integrated thermal management system
CN114785279A (en)*2022-06-022022-07-22香港中文大学(深圳) Integrated device of photovoltaic panel thermoelectric power generation and temperature control based on semiconductor thermoelectric effect
WO2024021550A1 (en)*2022-07-292024-02-01重庆跃达新能源有限公司Energy-saving system and method for photovoltaic power generation refrigeration
CN116744667A (en)*2023-07-042023-09-12中国人民解放军陆军工程大学Strong electromagnetic pulse protection device and method for salt water saturation change of photovoltaic panel
CN116744667B (en)*2023-07-042024-02-13中国人民解放军陆军工程大学Strong electromagnetic pulse protection device and method for salt water saturation change of photovoltaic panel
CN118367861A (en)*2024-06-132024-07-19沈阳星尔建筑科技有限公司Light steel mobile house with photovoltaic and energy storage functions

Also Published As

Publication numberPublication date
CN112737079B (en)2023-11-17

Similar Documents

PublicationPublication DateTitle
CN112737079A (en)Photovoltaic and semiconductor temperature difference combined power generation system
CN113639486A (en)Ground source heat pump coupling system based on photovoltaic light and heat
CN107947642A (en)A kind of heat-pipe type concentrating photovoltaic photo-thermal thermo-electric generation integral system
CN201656818U (en)DC refrigerator driven by solar photovoltaic power and temperature-difference power
CN214841747U (en)Solar energy and ground source heat pump combined system driven by multi-energy sources in combined mode
CN205717966U (en)Wind light mutual complementing solar energy heat distribution system
CN104912758A (en)Organic Rankine cycle power generation system based on photo-thermal photoelectric frequency division utilization
CN104378062A (en)Method for improving electricity generating efficiency of solar photovoltaic cell
CN204334473U (en) A double-effect heat collector for comprehensive utilization of solar energy
CN204787333U (en)Unit is produced to domestic solar thermal energy electricity federation
CN105515529A (en)V-shaped groove type low-power light concentration solar photovoltaic and photo-thermal integrated device
CN105222397A (en)A kind of photovoltaic and photothermal combines the solar adsorption-type refrigerating system driving enhanced heat exchange
CN204206068U (en)A kind of solar energy temperature difference combined generating device
CN203613672U (en)Solar refrigerating and heating wall
CN108471294A (en)Application of the low-grade fever tubular type CPVT coupling temperature difference electricity generation devices in summer
CN119983876A (en) A cross-seasonal long-term energy storage system and method using sand as a heat storage medium
CN102522444A (en)Water-cooling solar groove CPVT apparatus
CN203719000U (en) Solar heating and cooling central air conditioning heating recovery system
CN201252507Y (en)Solar power generating system device
CN105978482A (en)Novel air-cooled PV/T system based on improvement of solar photovoltaic thermal efficiency
CN104993789A (en)Photovoltaic water heating device based on thermoelectric cooling effect
CN201672736U (en) A solar water heater using temperature difference to generate electricity
CN205430169U (en)Thermoelectric system of household solar
CN211601160U (en)Heat pipe type photovoltaic photo-thermal module-special Lambert wall combination system
CN211290582U (en)Photovoltaic-driven solar medium-temperature air heat collector heating and water heating system

Legal Events

DateCodeTitleDescription
PB01Publication
PB01Publication
SE01Entry into force of request for substantive examination
SE01Entry into force of request for substantive examination
GR01Patent grant
GR01Patent grant

[8]ページ先頭

©2009-2025 Movatter.jp