Movatterモバイル変換


[0]ホーム

URL:


CN112735247A - Electric fire demonstration system supporting polymorphic switching - Google Patents

Electric fire demonstration system supporting polymorphic switching
Download PDF

Info

Publication number
CN112735247A
CN112735247ACN202011636195.0ACN202011636195ACN112735247ACN 112735247 ACN112735247 ACN 112735247ACN 202011636195 ACN202011636195 ACN 202011636195ACN 112735247 ACN112735247 ACN 112735247A
Authority
CN
China
Prior art keywords
demonstration
metering electric
matched
live wire
electrical fire
Prior art date
Legal status (The legal status is an assumption and is not a legal conclusion. Google has not performed a legal analysis and makes no representation as to the accuracy of the status listed.)
Pending
Application number
CN202011636195.0A
Other languages
Chinese (zh)
Inventor
梁昆
傅佳妮
张轩铭
钱伟
Current Assignee (The listed assignees may be inaccurate. Google has not performed a legal analysis and makes no representation or warranty as to the accuracy of the list.)
Hangzhou Tpson Technology Co ltd
Original Assignee
Hangzhou Tpson Technology Co ltd
Priority date (The priority date is an assumption and is not a legal conclusion. Google has not performed a legal analysis and makes no representation as to the accuracy of the date listed.)
Filing date
Publication date
Application filed by Hangzhou Tpson Technology Co ltdfiledCriticalHangzhou Tpson Technology Co ltd
Priority to CN202011636195.0ApriorityCriticalpatent/CN112735247A/en
Publication of CN112735247ApublicationCriticalpatent/CN112735247A/en
Pendinglegal-statusCriticalCurrent

Links

Images

Classifications

Landscapes

Abstract

The invention relates to an electrical fire demonstration system supporting polymorphic switching, which comprises an electrical fire detector matched with a live wire and a zero line, a control switch matched with the electrical fire detector, and a residual current demonstration unit, an overload demonstration unit and a fault arc demonstration unit which are arranged in a matched manner by the control switch, wherein the residual current demonstration unit, the overload demonstration unit and the fault arc demonstration unit are arranged in parallel. The invention adopts an intuitive demonstration method, leads, metal loads and fault generators are respectively connected to a line, alarm linkage control is realized by utilizing a universal change-over switch and an intelligent circuit breaker, the multi-product demonstration function can be switched, the demonstration is intuitive, and the functions of alarm linkage control, multi-electric fire function demonstration switching of products and multi-product demonstration switching of products are supported; the operation is convenient, safe and practical, and the device is suitable for non-professionals to use electricity for propaganda and science popularization.

Description

Electric fire demonstration system supporting polymorphic switching
Technical Field
The present invention relates to educational or demonstration appliances; a tool for teaching or communicating with the blind, deaf or dumb; a model; an planetarium; a globe; a map; the technical field of diagrams, in particular to an electrical fire demonstration system supporting polymorphic switching.
Background
Electrical fires generally refer to fires caused by the faulty release of thermal energy from electrical lines, consumers, appliances and power distribution equipment, such as high temperatures, arcs, sparks and non-faulty release of energy, such as hot surfaces of electrical heating appliances, ignition of bodies or other combustible materials under burning conditions, and also include fires caused by lightning and static electricity.
At present, the electric fire accidents are continuously high and show a trend of increasing year by year.
The reasons for the occurrence of an electrical fire include:
1. equipment lines are aged due to non-overhaul all the year round, and fault arcs are generated;
2. illegal electricity utilization, and private use of electrical equipment;
3. the device circuit has the conditions of electric leakage and the like;
4. an electrical fire caused by an excessively high line temperature.
In the prior art, the detection functions of residual current, overload, fault arc and the like mainly simulate the states of residual current (electric leakage), overload and fault arc by connecting the current generator and the fault arc generator on a detection circuit, so that equipment triggers alarm response, although the simulation state can be utilized to trigger alarm, demonstration observers cannot directly observe the residual current and the states on the circuit during overload, and only can support single-product or multi-product simultaneous triggering demonstration, the demonstration effect is not good, and the purpose of demonstration cannot be achieved.
Disclosure of Invention
The invention solves the problems in the prior art and provides an optimized electrical fire demonstration system supporting polymorphic switching.
The technical scheme adopted by the invention is that the electrical fire demonstration system supporting polymorphic switching comprises an electrical fire detector matched with a live wire and a zero wire, and a control switch matched with the electrical fire detector;
a residual current demonstration unit, an overload demonstration unit and a fault arc demonstration unit are arranged in cooperation with the control switch; the residual current demonstration unit, the overload demonstration unit and the fault arc demonstration unit are arranged in parallel.
Preferably, the residual current demonstration unit comprises a socket matched with a live wire and a zero line, the socket is disconnected with a line matched with the live wire, a metal load is arranged in series between 2 disconnected terminals, and the socket is electrified to simulate a leakage state; and a transparent protective shell is arranged outside the metal load.
Preferably, a residual current transformer is arranged outside the live wire matched with the residual current demonstration unit, and the residual current transformer is matched with the electric fire detector.
Preferably, the overload demonstration unit comprises a socket matched with a live wire and a zero line, the socket is disconnected from a line matched with the live wire, a metal clip is arranged between 2 disconnected terminals, the metal clip clamps a lead, the pressing part of the metal clip is insulated, current is output to the metal clip, and the overload state is simulated by electrifying; transparent protective shells are arranged outside the metal clips and the wires.
Preferably, the fault arc demonstration unit comprises a socket which is matched with a live wire and a zero line, the socket is disconnected with a line matched with the live wire, an arc generator is arranged between 2 disconnected terminals, current is output to the arc generator, the arc generator is adjusted, and a fault arc state is simulated; and a transparent protective shell is arranged outside the arc generator.
Preferably, the control switch is a circuit breaker.
Preferably, the electrical fire detector comprises a single-phase metering electrical host, a communication metering electrical host and a three-phase metering electrical host.
Preferably, the DO output ends of the single-phase metering electric host and the three-phase metering electric host are connected to the control end of the circuit breaker, and the L-line rear stage of the communication metering electric host is connected to the L-line input terminal of the circuit breaker and controls the circuit input of the circuit breaker.
Preferably, the system further comprises 2 universal switches; a universal change-over switch is connected with the rear-stage live wire output of the control switch, and 3 switching terminals are respectively connected with current detection circuits of the single-phase metering electric host, the communication metering electric host and the three-phase metering electric host; the other universal change-over switch is connected with the rear-stage live wire output of the control switch, and the 3-way change-over terminals are respectively connected with the residual current detection circuits of the single-phase metering electric host, the communication metering electric host and the three-phase metering electric host.
Preferably, current transformers are arranged on current detection circuits of the single-phase metering electric host and the three-phase metering electric host; and residual current transformers are arranged on residual current detection circuits of the single-phase metering electric host, the communication metering electric host and the three-phase metering electric host.
The invention provides an optimized electrical fire demonstration system supporting polymorphic switching, which comprises an electrical fire detector matched with a live wire and a zero line, a control switch matched with the electrical fire detector, and a residual current demonstration unit, an overload demonstration unit and a fault arc demonstration unit which are arranged in parallel matched with the control switch.
The invention adopts an intuitive demonstration method, leads, metal loads and fault generators are respectively connected to a line, alarm linkage control is realized by utilizing a universal change-over switch and an intelligent circuit breaker, the multi-product demonstration function can be switched, the demonstration is intuitive, and the functions of alarm linkage control, multi-electric fire function demonstration switching of products and multi-product demonstration switching of products are supported; the operation is convenient, safe and practical, and the device is suitable for non-professionals to use electricity for propaganda and science popularization.
Drawings
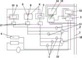
FIG. 1 is a schematic structural diagram of the present invention.
Detailed Description
The present invention is described in further detail with reference to the following examples, but the scope of the present invention is not limited thereto.
The invention relates to an electrical fire demonstration system supporting polymorphic switching, which comprises an electrical fire detector matched with alive wire 1 and a zero wire 2, wherein acontrol switch 3 is arranged in match with the electrical fire detector;
a residual current demonstration unit, an overload demonstration unit and a fault arc demonstration unit are arranged in cooperation with thecontrol switch 3; the residual current demonstration unit, the overload demonstration unit and the fault arc demonstration unit are arranged in parallel.
The residual current demonstration unit comprises a socket 4 matched with thelive wire 1 and the zero line 2, the socket 4 is disconnected with a circuit matched with thelive wire 1, ametal load 5 is arranged between 2 disconnected terminals in series, and the residual current demonstration unit is electrified to simulate the leakage state; and a transparentprotective shell 6 is arranged outside themetal load 5.
And a residualcurrent transformer 7 is arranged outside thelive wire 1 matched with the residual current demonstration unit, and theresidual current transformer 7 is matched with the electrical fire detector.
The overload demonstration unit comprises a socket 4 matched with thelive wire 1 and the zero wire 2, the socket 4 is disconnected with a circuit matched with thelive wire 1, a metal clamp 8 is arranged between 2 disconnected terminals, the metal clamp 8 clamps a lead 9, a pressing part of the metal clamp 8 is insulated, current is output to the metal clamp 8, and the overload state is simulated by electrifying; and a transparentprotective shell 6 is arranged outside the metal clip 8 and the lead 9.
The fault arc demonstration unit comprises a socket 4 matched with alive wire 1 and a zero wire 2, the socket 4 is disconnected with a line matched with thelive wire 1, anarc generator 10 is arranged between 2 disconnected terminals, current is output to thearc generator 10, thearc generator 10 is adjusted, and a fault arc state is simulated; thearc generator 10 is externally provided with a transparentprotective shell 6.
In the invention, the residual current demonstration unit has the working principle that loads are arranged by matching with alive wire 1 and a zero wire 2, a socket 4 is generally arranged, the circuit matched with thelive wire 1 of the socket 4 is disconnected, and a metal load 5 (in series connection) is indirectly connected into two disconnected terminals, so that the circuit simulates an electric leakage state through the current of 1A, and themetal load 5 generates a heating and light-emitting phenomenon after passing through relatively large current for a long time, thereby enabling the electric leakage demonstration to be visualized; in the demonstration process, the residualcurrent transformer 7 is penetrated on thelive wire 1 to simulate and detect the line leakage; and in order to protect the safety of an observer, a transparentprotective shell 6 is arranged outside the residual current demonstration unit.
According to the overload demonstration device, the overload demonstration unit has the working principle that loads are arranged by matching with alive wire 1 and a zero wire 2, a socket 4 is generally arranged, a circuit matched with thelive wire 1 is disconnected by the socket 4, two ends of the disconnected part are respectively connected with a metal clamp 8 with an insulating sleeve at a pressing part to ensure the safety of an operator, a thin wire 9 is connected between the metal clamps 8, the circuit socket 4 is connected with an electric load to operate, the thin wire 9 is burnt off after an external insulating layer is melted by heating with large current for a long time through the current with the magnitude of more than 1A on the circuit, and visual overload is demonstrated; in order to protect the safety of the observer, a transparentprotective shell 6 is arranged outside the metal clip 8 and the wires 9 of the overload presentation unit.
In the invention, the working principle of the fault arc demonstration unit is that loads are arranged by matching with alive wire 1 and a zero wire 2, a socket 4 is generally arranged, a circuit matched with thelive wire 1 is disconnected by the socket 4, anarc generator 10 is connected to the disconnected part, the circuit socket 4 is connected to an electric load for operation, thearc generator 10 is controlled to generate electric sparks by passing current on the circuit, a circuit series fault arc is simulated, and the fault arc is intuitively demonstrated; to protect the safety of the observer, a transparentprotective shell 6 is provided outside thearc generator 10 of the fault arc demonstration unit.
In the invention, the transparentprotective shell 6 can be a transparent acrylic shell.
In the present invention, theswitch 17 is used for control, which is a content that can be easily understood by those skilled in the art.
In the present invention, it is obvious that by providing the residualcurrent transformer 7 and thecurrent transformer 11 in the line and cooperating with the electric fire detector, the electric fire detector obtains residual current data and current data based thereon and completes control based on thecontrol switch 3.
Thecontrol switch 3 is a circuit breaker.
The electric fire detector comprises a single-phase meteringelectric host 12, a communication meteringelectric host 13 and a three-phase meteringelectric host 14.
The DO output ends of the single-phase meteringelectric host 12 and the three-phase meteringelectric host 14 are connected to the control end of the circuit breaker, and the L-line rear stage of the communication meteringelectric host 13 is connected to the L-line input terminal of the circuit breaker and controls the circuit input of the circuit breaker.
The system also comprises 2 universal change-over switches; a universal change-overswitch 15 is connected with the rear-stage live wire output of thecontrol switch 3, and 3-way change-over terminals are respectively connected with current detection circuits of the single-phase meteringelectric host 12, the communication meteringelectric host 13 and the three-phase meteringelectric host 14; the other universal change-overswitch 16 is connected with the rear-stage live wire output of thecontrol switch 3, and the 3-way change-over terminals are respectively connected with the residual current detection circuits of the single-phase meteringelectric host 12, the communication meteringelectric host 13 and the three-phase meteringelectric host 14.
The current detection circuits of the single-phase meteringelectric host 12 and the three-phase meteringelectric host 14 are provided withcurrent transformers 11; and residual current detecting circuits of the single-phase meteringelectric host 12, the communication meteringelectric host 13 and the three-phase meteringelectric host 14 are provided with residualcurrent transformers 7.
In the invention, an intelligent circuit breaker is used as acontrol switch 3 to control the on-off of a detection circuit.
In the invention, DO outputs of a single-phase meteringelectric host 12 and a three-phase meteringelectric host 14 are connected to a control end of the intelligent circuit breaker, and an L-line rear stage of a communication meteringelectric host 13 is connected to an L-line input terminal of the intelligent circuit breaker to control circuit input of the circuit breaker.
In the invention, on the basis, multifunctional and multi-product demonstration switching can be realized; the method comprises the following steps:
the input of a universal change-overswitch 15 is connected with the output of an idle switch rear-stage live wire, and 3 switching terminals are respectively connected with current detection circuits of a single-phase meteringelectric host 12, a communication meteringelectric host 13 and a three-phase meteringelectric host 14;
the input of another universal change-overswitch 16 is connected with the output of an idle-switch rear-stage live wire, and the 3-way change-over terminal is respectively connected with the residual current detection circuits of the single-phase meteringelectric host 12, the communication meteringelectric host 13 and the three-phase meteringelectric host 14;
and then the independent demonstration lines of different devices can be switched through the universal change-over switch.
In the invention, due to the particularity of the communication meteringelectricity utilization host 13, a line can be directly accessed and read without the configuration of thecurrent transformer 11.
In the invention, the single-phase meteringelectric host 12, the communication meteringelectric host 13 and the three-phase meteringelectric host 14 can adopt a 'deep-developed' SMR3002 single-phase metering electric host, an SMR3500 communication metering electric host and an SMR3250 three-phase metering electric host, and can be used for acquiring current or residual current data and triggering a control switch to carry out safety control and alarm based on abnormal conditions; of course, the technical personnel in the field can set the device according to the requirements.

Claims (10)

9. An electrical fire demonstration system supporting polymorphic switching according to claim 7, wherein: the system also comprises 2 universal change-over switches; a universal change-over switch is connected with the rear-stage live wire output of the control switch, and 3 switching terminals are respectively connected with current detection circuits of the single-phase metering electric host, the communication metering electric host and the three-phase metering electric host; the other universal change-over switch is connected with the rear-stage live wire output of the control switch, and the 3-way change-over terminals are respectively connected with the residual current detection circuits of the single-phase metering electric host, the communication metering electric host and the three-phase metering electric host.
CN202011636195.0A2020-12-312020-12-31Electric fire demonstration system supporting polymorphic switchingPendingCN112735247A (en)

Priority Applications (1)

Application NumberPriority DateFiling DateTitle
CN202011636195.0ACN112735247A (en)2020-12-312020-12-31Electric fire demonstration system supporting polymorphic switching

Applications Claiming Priority (1)

Application NumberPriority DateFiling DateTitle
CN202011636195.0ACN112735247A (en)2020-12-312020-12-31Electric fire demonstration system supporting polymorphic switching

Publications (1)

Publication NumberPublication Date
CN112735247Atrue CN112735247A (en)2021-04-30

Family

ID=75608596

Family Applications (1)

Application NumberTitlePriority DateFiling Date
CN202011636195.0APendingCN112735247A (en)2020-12-312020-12-31Electric fire demonstration system supporting polymorphic switching

Country Status (1)

CountryLink
CN (1)CN112735247A (en)

Cited By (1)

* Cited by examiner, † Cited by third party
Publication numberPriority datePublication dateAssigneeTitle
CN114724442A (en)*2022-03-262022-07-08润建股份有限公司Combined type electric fire and safety electricity utilization monitoring system and demonstration method thereof

Citations (9)

* Cited by examiner, † Cited by third party
Publication numberPriority datePublication dateAssigneeTitle
CN201369084Y (en)*2009-03-302009-12-23施耐德万高(天津)电气设备有限公司Electrical fire monitoring unit
CN201876972U (en)*2010-10-192011-06-22浙江大华开关厂Residual current type electrical fire monitoring detector
CN202171856U (en)*2011-07-222012-03-21傅志海Multiloop fire detection device
CN203299988U (en)*2013-06-142013-11-20常熟开关制造有限公司(原常熟开关厂)An electrical fire monitoring apparatus
CN204596224U (en)*2015-05-062015-08-26王萌Tryoff is shown in a kind of electrical fire simulation
CN107657878A (en)*2017-11-162018-02-02公安部四川消防研究所A kind of electrical fire is multiple and suppresses the demo platform of electric ignition source
CN209486846U (en)*2019-01-312019-10-11杭州拓深科技有限公司Modular electrical fire detector based on current occurrences analysis
CN111554160A (en)*2020-06-092020-08-18清华大学合肥公共安全研究院Electrical fire demonstration box and demonstration method thereof
CN211718442U (en)*2019-11-282020-10-20广东雅达电子股份有限公司Combined fault arc detector

Patent Citations (9)

* Cited by examiner, † Cited by third party
Publication numberPriority datePublication dateAssigneeTitle
CN201369084Y (en)*2009-03-302009-12-23施耐德万高(天津)电气设备有限公司Electrical fire monitoring unit
CN201876972U (en)*2010-10-192011-06-22浙江大华开关厂Residual current type electrical fire monitoring detector
CN202171856U (en)*2011-07-222012-03-21傅志海Multiloop fire detection device
CN203299988U (en)*2013-06-142013-11-20常熟开关制造有限公司(原常熟开关厂)An electrical fire monitoring apparatus
CN204596224U (en)*2015-05-062015-08-26王萌Tryoff is shown in a kind of electrical fire simulation
CN107657878A (en)*2017-11-162018-02-02公安部四川消防研究所A kind of electrical fire is multiple and suppresses the demo platform of electric ignition source
CN209486846U (en)*2019-01-312019-10-11杭州拓深科技有限公司Modular electrical fire detector based on current occurrences analysis
CN211718442U (en)*2019-11-282020-10-20广东雅达电子股份有限公司Combined fault arc detector
CN111554160A (en)*2020-06-092020-08-18清华大学合肥公共安全研究院Electrical fire demonstration box and demonstration method thereof

Cited By (2)

* Cited by examiner, † Cited by third party
Publication numberPriority datePublication dateAssigneeTitle
CN114724442A (en)*2022-03-262022-07-08润建股份有限公司Combined type electric fire and safety electricity utilization monitoring system and demonstration method thereof
CN114724442B (en)*2022-03-262024-05-14润建股份有限公司Combined electrical fire and safety electricity consumption monitoring system and demonstration method thereof

Similar Documents

PublicationPublication DateTitle
CN107657878B (en)A kind of electrical fire is multiple and inhibits the demo platform of electrical ignition source
CN104764966A (en)Test simulation device for simulating alternating current arc faults
CN203658544U (en)Pole mounted switch action test device
CN111554160A (en)Electrical fire demonstration box and demonstration method thereof
CN105337252A (en)Earth leakage protection apparatus having self-checking function
CN109444610B (en)Electrical fire fault simulation and trace preparation device
CN218727751U (en)Fault arc simulation generating device for alternating current circuit
JP2008191199A (en)Somesthetic type home electric facility simulator
CN112735247A (en)Electric fire demonstration system supporting polymorphic switching
CN116520085A (en)Forest pasture area low-voltage fire test system and method
CN107644578B (en)A kind of charing path electric discharge fire risk apparatus for demonstrating
CN1034838C (en)Electric line firing source simulator
CN112735238A (en)Multifunctional electric fire early warning demonstration box
CN104360236A (en)Quick detection complete device and method for electric leakage points of 0.4 kV overhead line
CN219695315U (en)Performance test circuit of ignition system
CN202183151U (en)Wireless temperature sensing system of fire hazard monitoring system
CN219872640U (en) An experimental platform for the causes and prevention of electrical fires
CN201508645U (en) Low-voltage comprehensive analog fault device
CN211956794U (en)Electric leakage fault simulation device
CN203966415U (en)Middle-and-high-ranking low pressure maintenance electrician training checking device
CN215641692U (en) A test device used for the phase loss self-injection test of the incoming line of the ATS device
CN102750865B (en)A kind of circuit overloads fusing electric wire body sense real training circuit and equipment
CN202383519U (en)Rapid detection device of digital display temperature controller for transformer
CN209859429U (en)Electric leakage investigation simulation teaching device
CN202632640U (en)Somatosensory training circuit and equipment for circuit overload fuse wire

Legal Events

DateCodeTitleDescription
PB01Publication
PB01Publication
SE01Entry into force of request for substantive examination
SE01Entry into force of request for substantive examination
RJ01Rejection of invention patent application after publication
RJ01Rejection of invention patent application after publication

Application publication date:20210430


[8]ページ先頭

©2009-2025 Movatter.jp