Movatterモバイル変換


[0]ホーム

URL:


CN112711311A - Computer mainframe with noise reduction function and heat dissipation function - Google Patents

Computer mainframe with noise reduction function and heat dissipation function
Download PDF

Info

Publication number
CN112711311A
CN112711311ACN202110020808.6ACN202110020808ACN112711311ACN 112711311 ACN112711311 ACN 112711311ACN 202110020808 ACN202110020808 ACN 202110020808ACN 112711311 ACN112711311 ACN 112711311A
Authority
CN
China
Prior art keywords
heat dissipation
noise reduction
communicated
cpu
cooling
Prior art date
Legal status (The legal status is an assumption and is not a legal conclusion. Google has not performed a legal analysis and makes no representation as to the accuracy of the status listed.)
Pending
Application number
CN202110020808.6A
Other languages
Chinese (zh)
Inventor
张海鑫
Current Assignee (The listed assignees may be inaccurate. Google has not performed a legal analysis and makes no representation or warranty as to the accuracy of the list.)
Individual
Original Assignee
Individual
Priority date (The priority date is an assumption and is not a legal conclusion. Google has not performed a legal analysis and makes no representation as to the accuracy of the date listed.)
Filing date
Publication date
Application filed by IndividualfiledCriticalIndividual
Priority to CN202110020808.6ApriorityCriticalpatent/CN112711311A/en
Publication of CN112711311ApublicationCriticalpatent/CN112711311A/en
Pendinglegal-statusCriticalCurrent

Links

Images

Classifications

Landscapes

Abstract

A computer mainframe box with noise reduction and heat dissipation functions comprises a case, wherein a ventilation window is arranged on the front face of the case, and a noise reduction structure and a CPU heat dissipation system are arranged in the computer mainframe box. According to the invention, the cooling fan drives air to flow, so that the cooling efficiency is improved, the static electricity network can block dust, and further the CPU main body can be prevented from dust, so that the dust is prevented from entering the interior of the CPU main body, the sound-absorbing cotton on the periphery can eliminate the noise in the case, the noise box can eliminate the noise caused by air flow, and the noise reduction effect is improved. The invention transfers the heat of the CPU to the radiating fins through the heat conducting plate, and the heat conducting plate evenly distributes the heat to each radiating fin to disperse the heat, thereby effectively reducing the heat generated by the CPU.

Description

Computer mainframe with noise reduction function and heat dissipation function
Technical Field
The invention relates to the field of computers, in particular to a computer mainframe with noise reduction and heat dissipation functions.
Background
The computer mainframe is a case body used for placing core processing components of the computer, a CPU, a display, a power supply and the like are installed in the case, the components can generate heat when the computer runs, and especially, a large amount of heat can be generated when the computer processes and operates larger data, so that the heat can be dissipated untimely, the temperature in the case can be increased, and the normal running of the components in the case can be influenced. The chassis in the prior art is generally provided with a heat dissipation port, the air circulation around the components is increased through a heat dissipation fan arranged at the position of the heating components, and heat dissipation is performed in a mode of removing hot air through the heat dissipation port.
A computer CPU is a functional unit that interprets and executes instructions, also called a central CPU or CPU, which is the central nervous system of the computer, in contrast to devices around the CPU and memory, called peripherals, such as keyboards, displays, diskettes, tape drives, etc. Each CPU has a unique set of operation commands, which may be referred to as the CPU's instruction set, such as store, call, etc. The central CPU is the computational core and control core of a computer. The computer CPU mainly interprets computer instructions and processes data in computer software, and is composed of an arithmetic unit, a controller, a register, and a bus for realizing data, control and status of the connection among the arithmetic unit, the controller and the register.
The conventional host case of a computer has the following problems:
problem 1: the noise that radiator fan can produce when rotating is the main source of quick-witted case noise, and simultaneously, the vibrations of fan drive quick-witted case and follow vibrations, and the noise of production can cause the interference to near the personnel of quick-witted case, influences personnel's work and study.
Problem 2: computer CPU can produce the heat when computer CPU works, and the too high heat can damage the part, and current CPU cooling system radiating effect is poor at present, and heat transfer efficiency is slow to external dust is more, if get into CPU inside then can influence CPU internal work.
Disclosure of Invention
Accordingly, to address the above-mentioned deficiencies, the present invention provides a computer main chassis having a noise reduction function and a heat dissipation function.
The invention is realized by constructing a computer mainframe with noise reduction function and heat dissipation function: the computer mainframe comprises acase 1, the front of the case is provided with aventilation window 3, and a noise reduction structure and a CPU heat dissipation system are arranged in the computer mainframe; wherein,
the noise reduction structure comprises a plurality of first supporting columns 1-4 which are fixedly arranged at the bottom of thecase 1;
the noise reduction structure also comprises a plurality of second support columns 1-5 which are arranged at the lower parts of the plurality of first support columns 1-4 and elastically connected with the first support columns 1-5 in a sliding manner;
the noise reduction structure also comprises a plurality of sound absorption cotton 1-10 which are arranged on the inner wall surface of thecase 1;
the noise reduction structure also comprises a mounting plate 1-11 which is fixedly arranged in thecase 1;
the noise reduction structure also comprises a ventilation pipe 1-5 which is arranged on the upper end surface of the mounting plate 1-11; the first end parts of theventilation pipes 1 to 5 are communicated with theventilation window 3;
the noise reduction structure also comprises a plurality of static grids 1-22 which are arranged in the ventilation pipes 1-5;
the noise reduction structure also comprises a cooling fan 1-9 which is arranged at the second end part of the ventilation pipe 1-9 and is fixedly arranged on the upper end surface of the mounting plate 1-11;
the noise reduction structure also comprises a dust screen 1-23 which is arranged at the joint of the cooling fan 1-9 and the ventilation pipe 1-5;
the noise reduction structure also comprises a cooling module 1-8 which is arranged at the far ventilation pipe 1-5 side of the cooling fan 1-9 and is fixedly arranged on the upper end surface of the mounting plate 1-11;
the noise reduction structure also comprises a mute box 1-6 which is fixedly arranged on the upper end surface of the mounting plate 1-11 and communicated with a cooling module 1-8-element cooling fan 1-9;
the CPU heat dissipation system comprises amounting plate 4 which is fixedly arranged in thecase 1;
the CPU heat dissipation system also comprises aventilation pipeline 13 which is arranged on the upper end surface of themounting plate 4 and communicated with theventilation window 3;
the CPU heat dissipation system also comprises a plurality of static grids which are arranged in theventilation pipeline 13;
the CPU heat dissipation system also comprises a CPUmain body 31 which is arranged on themounting plate 4;
the CPU heat dissipation system also comprises aheat conducting plate 14 which is arranged on the upper end surface of the CPUmain body 31 and keeps contact with the CPUmain body 31;
the CPU heat dissipation system also comprises a pair ofmounting frames 15 which are arranged at two sides of theheat conduction plate 14 and are detachably connected with themounting plate 4;
the CPU heat dissipation system also comprises a plurality ofheat dissipation fins 10 which are uniformly arranged on the upper end surface of theheat conduction plate 14 and are fixedly connected with theheat conduction plate 14;
the CPU heat dissipation system also comprises a pair ofheat conduction pipes 11 which are U-shaped, penetrate through the plurality ofheat dissipation fins 10 and are fixedly connected with the heat dissipation fins 10;
the CPU heat dissipation system also comprises acooling plate 12 which is fixedly arranged at the upper part of theheat dissipation fin 10 and keeps contact with theheat dissipation fin 10;
the CPU heat dissipation system also comprises aheat dissipation fan 9 which is arranged between theheat dissipation fins 10 and theventilation pipeline 13; acooling module 21 is arranged between theradiating fan 9 and the radiatingfin 10;
the CPU heat dissipation system further includes adust screen 23 disposed on the side of theheat dissipation fan 9 close to theventilation duct 13.
Optimizing: the cooling module 1-8 comprises a frame 1-24, wherein first cavities 1-27 and second cavities 1-28 are formed in two sides of the frame 1-24, the cooling module 1-8 further comprises a plurality of first heat dissipation plates 1-15 and second heat dissipation plates 1-29, the first heat dissipation plates 1-15 are hollow and communicated with the first cavities 1-27 and the second cavities 1-28, the second heat dissipation plates 1-29 are arranged among the plurality of first heat dissipation plates 1-15, a first pipe orifice 1-25 is formed in the top of the frame, the first pipe orifice 1-25 is communicated with the first cavities 1-27, a second pipe orifice 1-26 is formed in the bottom of the frame, and the second pipe orifice 1-26 is communicated with the second cavities 1-28.
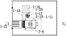
Optimizing: a water tank 1-16 and a water pump 1-17 are arranged in thecase 1, the water pump 1-17 is communicated with the water tank 1-16 through a third pipeline 1-20, the water pump 1-17 is communicated with the cooling module 1-8 through a first pipeline 1-7, and the water tank 1-16 is communicated with the cooling module 1-8 through a second pipeline 1-18.
Optimizing: the connection part of the static electricity network 1-22 and the ventilation pipeline 1-5 is provided with a clamping groove 1-21, the clamping groove 1-21 is fixedly arranged in the ventilation pipeline 1-5, the static electricity network 1-22 is embedded in the clamping groove 1-21, and a pair of buckles are arranged at the two ends of the clamping groove 1-29, hinged with the clamping groove 1-22 and buckled with the static electricity network 1-20.
Optimizing: the side wall of the sound box 1-6 is provided with a porous plate, and an air dispersing roller 1-19 is rotatably connected in the sound box 1-6.
Optimizing: the first supporting columns 1-4 are hollow, the first end parts of first springs 1-12 are fixedly connected with the bottoms of the first supporting columns 1-4, the second end parts of the first springs are fixedly connected with sliding plates 1-14, the sliding plates 1-14 are slidably connected with the first supporting columns 1-4, the second supporting columns 1-5 are fixedly connected with the sliding plates 1-14, and the connecting sections of the second supporting columns 1-5 and the first supporting columns 1-4 are sleeved with second springs 1-13.
Optimizing: a snake-shaped water tank 19 is arranged in thecooling plate 12, awater inlet pipe 16 and awater outlet pipe 17 are arranged on one side of thecooling plate 12, thewater inlet pipe 16 is communicated with a first end part of thewater tank 19, and thewater outlet pipe 17 is communicated with a second end part of thewater tank 19.
Optimizing: thecooling module 21 comprises a frame, afirst cavity 24 and asecond cavity 25 are arranged on two sides of the frame, thecooling module 21 further comprises a plurality of firstheat dissipation plates 26 and secondheat dissipation plates 29, the firstheat dissipation plates 26 are hollow and communicated with thefirst cavity 24 and thesecond cavity 25, the secondheat dissipation plates 29 are arranged among the plurality of firstheat dissipation plates 26, afirst pipe orifice 27 is arranged at the top of the frame, thefirst pipe orifice 27 is communicated with thefirst cavity 24, asecond pipe orifice 28 is arranged at the bottom of the frame, and thesecond pipe orifice 28 is communicated with thesecond cavity 25.
Optimizing: awater tank 5 and awater pump 6 are arranged in thecase 1, thewater pump 6 is communicated with thewater tank 5 through athird pipeline 18, thewater pump 6 is communicated with thecooling module 21 through afirst pipeline 7, and thewater tank 5 is communicated with thecooling module 21 through asecond pipeline 8.
Optimizing: the connection part of theelectrostatic net 20 and theventilation duct 13 is provided with aclamping groove 22, theclamping groove 22 is fixedly arranged in theventilation duct 13, theelectrostatic net 20 is embedded in theclamping groove 22, and the pair ofbuckles 30 are arranged at two ends of theclamping groove 30, hinged with theclamping groove 22 and fastened with theelectrostatic net 20.
A computer case with noise reduction function and heat dissipation function comprises acase 1, wherein aventilation window 3 is arranged on the front surface of the case, and a noise reduction structure and a CPU heat dissipation system are arranged in the computer case; the invention has the following advantages:
firstly, the noise reduction structure has the following improvements and advantages;
the invention comprises a case, wherein a ventilation window is arranged on the front surface of the case, a plurality of first support columns are fixedly arranged at the bottom of the case, a plurality of second support columns are arranged at the lower parts of the first support columns and elastically and slidably connected with the first support columns, a plurality of sound-absorbing cotton are arranged on the inner wall surface of the case, a mounting plate is fixedly arranged in the case, a ventilation pipe is arranged on the upper end surface of the mounting plate, the first end part of the ventilation pipe is communicated with the ventilation window, a plurality of static grids are arranged in the ventilation pipe, a cooling fan is arranged at the second end part of the ventilation pipe and fixedly arranged on the upper end surface of the mounting plate, a dustproof net is arranged at the joint of the cooling fan and the ventilation pipe, a cooling module is arranged at the far ventilation pipe side of the cooling fan and fixedly arranged.
The invention has reasonable design, the air is driven to flow by the cooling fan, the air takes away the heat of each component in the case, the cooling efficiency is improved, the static net adsorbs the dust in the air entering the case from the outside, the dust can be blocked, and then the dust can be prevented for the CPU main body, so that the dust is prevented from entering the interior of the CPU main body, the sound-absorbing cotton at the periphery eliminates the noise in the case, the noise box eliminates the noise caused by the flowing air, the noise reduction effect is improved, and when the case vibrates, the second support column slides relative to the first support column, so that the vibration amplitude of the case computer is reduced, and the noise is reduced.
The cooling module comprises a frame, a first cavity and a second cavity are arranged on two sides of the frame, the cooling module further comprises a plurality of first heating panels and a plurality of second heating panels, the first heating panels are hollow inside and communicated with the first cavity and the second cavity, the second heating panels are arranged between the plurality of first heating panels, a first pipe orifice is formed in the top of the frame and communicated with the first cavity, a second pipe orifice is formed in the bottom of the frame and communicated with the second cavity. The coolant liquid is discharged from the second pipe orifice in entering and being filled into the first cavity, the cavity in the first heating panel and the second cavity from the first pipe orifice, cooling fan drives the air flow, the air is through cooling module, the heat in the air is through the exchange of first heating panel and second heating panel, the coolant liquid takes away the heat of heating panel again, realize the cooling to flowing air, flowing air after the cooling blows to each part in the quick-witted case, take away the heat, improve the radiating efficiency.
And 3, a water tank and a water pump are arranged in the case, the water pump is communicated with the water tank through a third pipeline, the water pump is communicated with the cooling module through a first pipeline, and the water tank is communicated with the cooling module through a second pipeline to provide cooling liquid for the cooling module.
The connection part of the electrostatic net and the ventilation pipeline is provided with a clamping groove, the clamping groove is fixedly arranged in the ventilation pipeline, the electrostatic net is embedded in the clamping groove, a pair of buckles are arranged at two ends of the clamping groove, are hinged to the clamping groove and are buckled with the electrostatic net, the buckles are pulled off, and the electrostatic net can be detached to be cleaned and replaced. The reasonable design draw-in groove is convenient for dismantle and the installation with the electrostatic screen, is convenient for clear up and change the electrostatic screen.
Its 5, the silence case lateral wall is provided with the perforated plate, and an air dispersion roller rotates to be connected in the silence case, and the velocity of flow of mobile air can be slowed down to the perforated plate, and gaseous impulse is alleviated to the air dispersion roller to change gaseous direction, thereby reduce gaseous vibrations, improve the noise reduction effect.
The first support column is hollow, a first end of a first spring is fixedly connected with the bottom of the first support column, a sliding plate is fixedly connected with a second end of the first spring, the sliding plate is slidably connected with the first support column, a second support column is fixedly connected with the sliding plate, a second spring is sleeved on a connecting section of the second support column and the first support column, and when the case vibrates, the first spring is compressed and the second spring is stretched to buffer the vibration of the case, so that the noise reduction effect is improved.
And 7, the mounting plate is made of soft damping materials, so that the vibration of the cooling fan is further buffered.
Secondly, the CPU heat dissipation system has the following improvement and advantages;
the invention comprises a case, a ventilation window is arranged on the front surface of the case, a mounting plate is fixedly arranged in the case, a ventilation pipeline is arranged on the upper end surface of the mounting plate and communicated with the ventilation window, a plurality of static grids are arranged in the ventilation pipeline, a CPU main body is arranged on the mounting plate, a heat conducting plate is arranged on the upper end surface of the CPU main body and keeps contact with the CPU main body, a pair of mounting frames are arranged on two sides of the heat conducting plate and is detachably connected with the mounting plate, a plurality of radiating fins are uniformly arranged on the upper end surface of the heat conducting plate and are fixedly connected with the heat conducting plate, a pair of heat conducting pipes are U-shaped and penetrate through the radiating fins and are fixedly connected with the radiating fins, a cooling plate is fixedly arranged on the upper parts of the radiating fins and keeps contact with the radiating fins.
The heat-conducting plate is reasonable in design, heat of the CPU is transferred into the radiating fins through the heat-conducting plate, the heat is uniformly distributed into each radiating fin through the heat-conducting plate, the heat is dispersed, the heat generated during the work of the CPU can be effectively reduced, the cooling plate is in contact with the radiating fins, the radiating fins can be cooled, the cooling effect is improved, the cooling fan on the side face drives air to flow, the air blows to the radiating fins to take away the heat, the cooling efficiency is improved, the static net adsorbs dust in the air entering the case from the outside, the dust can be blocked, and the dust can be prevented from entering the CPU main body, so that the dust is prevented from entering the interior of the CPU main body.
Its 2, reasonable design dust screen can block the dust, and then can prevent dust for the CPU main part to avoid the dust to get into the inside of CPU main part.
And 3, the heat conduction pipe is made of copper, the heat conduction quality of the copper is good, and the heat generated by the CPU is conveniently and uniformly dispersed into the heat dissipation fins.
And 4, the heat conduction pipe is hollow, and heat conduction liquid is filled in the heat conduction pipe, so that the heat conduction efficiency is further improved.
And 5, the heat conducting plate is made of silver-copper composite material, and the thickness of the heat conducting plate is 0.7-0.95 mm, so that the heat transfer work is accelerated, the heat conductivity is accelerated through heat transfer, and the heat transfer efficiency is improved.
Its 6, the inside snakelike basin that sets up of cooling plate, cooling plate one side is provided with inlet tube and outlet pipe, inlet tube and basin first end intercommunication, outlet pipe and basin second end intercommunication, and the coolant liquid enters into snakelike basin from the inlet tube in, from the outlet pipe drainage, and the circulation flows, gives off radiating fin and exchanges the heat of cooling plate and take away, improves the radiating efficiency.
According to the cooling structure, the cooling module is arranged between the cooling fan and the cooling fins, flowing air is cooled by the cooling module, and the cooled air blows to the cooling fins to take away heat, so that the cooling efficiency is improved. Optimized, the cooling module comprises a frame, a first cavity and a second cavity are arranged on two sides of the frame, the cooling module further comprises a plurality of first heating panels and a plurality of second heating panels, the first heating panels are hollow inside and communicated with the first cavity and the second cavity, the second heating panels are arranged between the plurality of first heating panels, a first pipe orifice is formed in the top of the frame and communicated with the first cavity, a second pipe orifice is formed in the bottom of the frame and communicated with the second cavity. The cooling module is reasonably designed, the cooling module cools flowing air, and the cooled air blows to the radiating fins to take away heat, so that the cooling efficiency is improved.
It 6, the coolant liquid is discharged from the second mouth of pipe in entering and being flooded first cavity, first heating panel inner cavity and the second cavity from first mouth of pipe, and cooling fan drives the air and flows, and the air is through cooling module, and the heat in the air is through the exchange of first heating panel and second heating panel, and the coolant liquid is taken away the heat of heating panel again, realizes the cooling to flowing air, and flowing air after the cooling blows to radiating fin, improves the radiating efficiency.
And 9, a water tank and a water pump are arranged in the case, the water pump is communicated with the water tank through a third pipeline, the water pump is communicated with the cooling module through a first pipeline, and the water tank is communicated with the cooling module through a second pipeline to provide cooling liquid for the cooling module.
The connection part of the electrostatic net and the ventilation pipeline is provided with a clamping groove, the clamping groove is fixedly arranged in the ventilation pipeline, the electrostatic net is embedded in the clamping groove, and the pair of buckles are arranged at the two ends of the clamping groove, hinged to the clamping groove and fastened with the electrostatic net, so that the electrostatic net can be conveniently detached and cleaned.
Drawings
FIGS. 1-2 are schematic structural views of the present invention;
FIG. 3 is a cross-sectional view A-A of FIG. 2;
FIG. 4 is a cross-sectional view B-B of FIG. 3;
FIG. 5 is a schematic structural view of a cooling module;
FIG. 6 is a cross-sectional view C-C of FIG. 5;
FIG. 7 is a cross-sectional view taken along line D-D of FIG. 6;
FIG. 8 is a schematic view of a portion I of FIG. 7;
FIG. 9 is a cross-sectional view E-E of FIG. 4;
FIGS. 10-13 are schematic views of the internal structure of the CPU heat dissipation system;
FIG. 14 is a sectional view taken along line A-A of FIG. 12;
FIG. 15 is a cross-sectional view B-B of FIG. 14;
FIG. 16 is a schematic view of the structure of the cooling die plate;
FIG. 17 is a cross-sectional view C-C of FIG. 16;
FIG. 18 is a cross-sectional view taken along line D-D of FIG. 17;
FIG. 19 is a schematic view of a portion I of FIG. 18;
fig. 20 is a schematic view of a partial enlarged view II in fig. 15.
Wherein: a chassis 1; a handle 2; a ventilation window 3; a first support column 1-4; a second support column 1-5; 1-6 of a mute box; a first conduit 1-7; cooling modules 1-8; 1-9 of a heat radiation fan; 1-10 parts of sound-absorbing cotton; mounting plates 1-11; a first spring 1-12; a second spring 1-13; sliding plates 1-14; first heat dissipation plates 1-15; 1-16 of a water tank; 1-17 parts of a water pump; a second conduit 1-18; air dispersion rollers 1-19; a third conduit 1-20; a card slot 1-21; 1-22 of a static grid; 1-23 parts of dust screens; frames 1-24; a first orifice 1-25; a second orifice 1-26; a first cavity 1-27; a second cavity 1-28; second heat dissipation plates 1-29; a mounting plate 4; a water tank 5; a water pump 6; a first duct 7; a second duct 8; a heat radiation fan 9; heat dissipating fins 10; a heat conductive pipe 11; a cooling plate 12; a ventilation duct 13; a heat-conducting plate 14; a mounting frame 15; a water inlet pipe 16; a water outlet pipe 17; a third conduit 18; a water tank 19; a static grid 20; a cooling module 21; a card slot 22; a dust screen 23; a first cavity 24; a second cavity 25; a first heat dissipation plate 26; a first nozzle 27; a second nozzle 28; a second heat dissipation plate 29; a buckle 30; a CPU body 31.
Detailed Description
The present invention will be described in detail with reference to fig. 1 to 20, and the technical solutions in the embodiments of the present invention will be clearly and completely described below, and it is obvious that the described embodiments are only a part of the embodiments of the present invention, and not all embodiments. All other embodiments, which can be derived by a person skilled in the art from the embodiments given herein without making any creative effort, shall fall within the protection scope of the present invention.
Constructing a computer mainframe with noise reduction and heat dissipation functions: the computer mainframe comprises acase 1, aventilation window 3 is arranged on the front face of the case, and a noise reduction structure and a CPU heat dissipation system are arranged in the computer mainframe.
The noise reduction structure comprises first support columns 1-4, a plurality of first support columns 1-4 are fixedly arranged at the bottom of a case 1, a plurality of second support columns 1-5 are arranged at the lower parts of the first support columns 1-4 and elastically and slidably connected with the first support columns 1-5, a plurality of sound absorption cotton 1-10 are arranged on the inner wall surface of the case 1, a mounting plate 1-11 is fixedly arranged in the case 1, a ventilation pipe 1-5 is arranged on the upper end surface of the mounting plate 1-11, the first end part of the ventilation pipe 1-5 is communicated with a ventilation window 3, a plurality of static grids 1-22 are arranged in the ventilation pipe 1-5, a cooling fan 1-9 is arranged at the second end part of the ventilation pipe 1-9 and is fixedly arranged on the upper end surface of the mounting plate 1-11, and a dustproof grid 1-23 is arranged at the joint, a cooling module 1-8 is arranged at the side of the far ventilation pipe 1-5 of the cooling fan 1-9 and is fixedly arranged on the upper end surface of the mounting plate 1-11, and a sound box 1-6 is fixedly arranged on the upper end surface of the mounting plate 1-11 and is communicated with the cooling module 1-8 heat dissipation fan 1-9.
During implementation, the cooling fans 1-9 drive air to flow, the cooling modules 1-8 cool flowing air, the flowing cooling air takes away heat of all parts in thecase 1, the electrostatic nets 1-22 adsorb dust in air entering thecase 1 from the outside, the dust can be blocked, and then the dust can be prevented for the CPU main body, so that the dust is prevented from entering the CPU main body, the surrounding sound-absorbing cotton 1-10 eliminates noise inside the case, the silent sound boxes 1-6 eliminate noise flowing through the air, the noise reduction effect is improved, when thecase 1 vibrates, the second supporting columns 1-5 slide relative to the first supporting columns 1-1, so that the vibration amplitude of a computer of the case is reduced, and the noise is reduced.
The invention has reasonable design, the air is driven to flow by the cooling fan, the air takes away the heat of each component in the case, the cooling efficiency is improved, the static net adsorbs the dust in the air entering the case from the outside, the dust can be blocked, and then the dust can be prevented for the CPU main body, so that the dust is prevented from entering the interior of the CPU main body, the sound-absorbing cotton at the periphery eliminates the noise in the case, the noise box eliminates the noise caused by the flowing air, the noise reduction effect is improved, and when the case vibrates, the second support column slides relative to the first support column, so that the vibration amplitude of the case computer is reduced, and the noise is reduced.
Preferably, the cooling module 1-8 comprises a frame 1-24, first cavities 1-27 and second cavities 1-28 are arranged on two sides of the frame 1-24, the cooling module 1-8 further comprises a plurality of first heat dissipation plates 1-15 and second heat dissipation plates 1-29, the first heat dissipation plates 1-15 are hollow and communicated with the first cavities 1-27 and the second cavities 1-28, the second heat dissipation plates 1-29 are arranged among the plurality of first heat dissipation plates 1-15, a first pipe orifice 1-25 is arranged on the top of the frame, the first pipe orifice 1-25 is communicated with the first cavities 1-27, a second pipe orifice 1-26 is arranged on the bottom of the frame, and the second pipe orifice 1-26 is communicated with the second cavities 1-28.
The cooling liquid enters the first cavity 1-27, the inner cavity of the first heat dissipation plate 1-15 and the second cavity 1-28 from the first pipe orifice 1-25, is discharged from the second pipe orifice 1-26, the cooling fan 1-9 drives the air to flow, the air passes through the cooling module 1-8, the heat in the air is exchanged through the first heat dissipation plate 1-15 and the second heat dissipation plate 1-29, the cooling liquid takes away the heat of the heat dissipation plates, the cooling of the flowing air is realized, the cooled flowing air blows to each part in the case, the heat is taken away, and the heat dissipation efficiency is improved.
Preferably, a water tank 1-16 and a water pump 1-17 are arranged in thecase 1, the water pump 1-17 is communicated with the water tank 1-16 through a third pipeline 1-20, the water pump 1-17 is communicated with the cooling module 1-8 through a first pipeline 1-7, and the water tank 1-16 is communicated with the cooling module 1-8 through a second pipeline 1-18 to provide cooling liquid for the cooling module 1-8.
Preferably, the joint of the static electricity network 1-22 and the ventilation pipeline 1-5 is provided with a clamping groove 1-21, the clamping groove 1-21 is fixedly arranged in the ventilation pipeline 1-5, the static electricity network 1-22 is embedded in the clamping groove 1-21, a pair of buckles are arranged at two ends of the clamping groove 1-29 and hinged with the clamping groove 1-22 and buckled with the static electricity network 1-20, the buckles are pulled off, and the static electricity network 1-20 can be detached for cleaning and replacement. The reasonable design draw-in groove is convenient for dismantle and the installation with the electrostatic screen, is convenient for clear up and change the electrostatic screen.
Preferably, the side walls of thesound boxes 1 to 6 are provided with porous plates, anair dispersing roller 1 to 19 is rotatably connected in thesound boxes 1 to 6, the porous plates can reduce the flow velocity of flowing air, theair dispersing roller 1 to 19 can reduce the impulse of the air and change the direction of the air, so that the vibration of the air is reduced, and the noise reduction effect is improved.
Preferably, the first support columns 1-4 are hollow, the first end portions of first springs 1-12 are fixedly connected with the bottoms of the first support columns 1-4, the second end portions of the first springs 1-12 are fixedly connected with a sliding plate 1-14, the sliding plate 1-14 is slidably connected with the first support columns 1-4, the second support columns 1-5 are fixedly connected with the sliding plate 1-14, the connecting sections of the second support columns 1-5 and the first support columns 1-4 are sleeved with second springs 1-13, when thecase 1 vibrates, the first springs 1-12 are compressed, the second springs 1-13 are elongated, the vibration of thecase 1 is buffered, and the noise reduction effect is improved.
Preferably, the top of thecase 1 is provided with ahandle 2, so that thecase 1 is convenient to move.
Optimally, the mounting plates 1-11 are made of soft damping materials, so that the vibration of the cooling fan is further buffered.
The CPU heat dissipation system comprises a mounting plate 4, the mounting plate 4 is fixedly arranged in the case 1, a ventilation pipeline 13 is arranged on the upper end surface of the mounting plate 4, communicating with the ventilation window 3, a plurality of static grids are arranged in the ventilation duct 13, a CPU main body 31 is arranged on the mounting plate 4, a heat conducting plate 14 is arranged on the upper end surface of the CPU main body 31, in contact with the CPU body 31, a pair of mounting frames 15 are provided on both sides of the heat conductive plate 14, detachably connected with the mounting plate 4, a plurality of radiating fins 10 are uniformly arranged on the upper end surface of the heat conducting plate 14, a pair of heat conduction pipes 11, which are fixedly connected to the heat conduction plate 14, are U-shaped and penetrate through the plurality of heat dissipation fins 10, and is fixedly connected with the heat radiating fins 10, a cooling plate 12 is fixedly installed on the upper portions of the heat radiating fins 10, keeping contact with the heat dissipation fins 10, a heat dissipation fan 9 is disposed between the heat dissipation fins 10 and the ventilation duct 13, and a dust screen 23 is disposed on the side of the heat dissipation fan 9 close to the ventilation duct 13. The heat-conducting plate is reasonable in design, heat of the CPU is transferred into the radiating fins through the heat-conducting plate, the heat is uniformly distributed into each radiating fin through the heat-conducting plate, the heat is dispersed, the heat generated during the work of the CPU can be effectively reduced, the cooling plate is in contact with the radiating fins, the radiating fins can be cooled, the cooling effect is improved, the cooling fan on the side face drives air to flow, the air blows to the radiating fins to take away the heat, the cooling efficiency is improved, the static net adsorbs dust in the air entering the case from the outside, the dust can be blocked, and the dust can be prevented from entering the CPU main body, so that the dust is prevented from entering the interior of the CPU main body.
In addition, the dust screen is reasonably designed, so that dust can be blocked, and then the CPU main body can be prevented from dust, so that the dust is prevented from entering the interior of the CPU main body.
During the implementation,heat conduction plate 14 is to inradiator fin 10 to the heat transfer of CPUmain part 31,heat pipe 11 is with in eachradiator fin 10 of heat evenly distributed, disperse the heat, coolingplate 12 and the contact ofradiator fin 10 can cool offradiator fin 10,radiator fan 9 drives the air flow, the air gets intoair pipe 13 fromventilation window 3, the dust in the air is adsorbed to the static net 20 in the air pipe, blow toradiator fin 10 at last, take away the heat ofradiator fin 10.
Optimally, theheat conducting pipe 11 is made of copper, so that the heat conducting property of the copper is good, and the heat generated by the CPU can be rapidly and uniformly dispersed into theheat radiating fins 10.
Optimally, theheat conduction pipe 11 is hollow, and theheat conduction pipe 11 is filled with heat conduction liquid, so that the heat conduction efficiency is further improved.
Optimally, theheat conducting plate 14 is made of a silver-copper composite material, and the thickness of theheat conducting plate 14 is 0.7mm-0.95mm, so that the heat transfer work is accelerated, the heat conductivity is accelerated through heat transfer, and the heat transfer efficiency is improved.
Optimized, coolingplate 12 is inside to be set up asnakelike basin 19, and coolingplate 12 one side is provided withinlet tube 16 andoutlet pipe 17,inlet tube 16 and 19 first end intercommunications in basin, andoutlet pipe 17 and 19 second end intercommunications in basin, the coolant liquid enters intosnakelike basin 10 frominlet tube 11 in, fromoutlet pipe 12 drainage, the circulation flows, gives offfin 6 and exchanges the heat of cooling plate and take away, improves the radiating efficiency.
Furthermore, acooling module 21 is arranged between the coolingfan 9 and the coolingfins 10, thecooling module 21 cools the flowing air, and the cooled air blows to the coolingfins 10 to take away heat, so that the cooling efficiency is improved.
Preferably, thecooling module 21 includes a frame, afirst cavity 24 and asecond cavity 25 are disposed on two sides of the frame, thecooling module 21 further includes a plurality of firstheat dissipation plates 26 and a plurality of secondheat dissipation plates 29, the firstheat dissipation plates 26 are hollow and communicated with thefirst cavity 24 and thesecond cavity 25, the secondheat dissipation plates 29 are disposed between the plurality of firstheat dissipation plates 26, afirst pipe orifice 27 is disposed on the top of the frame, thefirst pipe orifice 27 is communicated with thefirst cavity 24, asecond pipe orifice 28 is disposed on the bottom of the frame, and thesecond pipe orifice 28 is communicated with thesecond cavity 25. The cooling module is reasonably designed, the cooling module cools flowing air, and the cooled air blows to the radiating fins to take away heat, so that the cooling efficiency is improved.
The coolant liquid enters from first mouth ofpipe 27 and fills infirst cavity 24, cavity andsecond cavity 25 in thefirst heating panel 26, discharge from second mouth ofpipe 28, coolingfan 9 drives the air and flows, the air is throughcooling module 21, the heat in the air is through the exchange offirst heating panel 26 andsecond heating panel 27, the coolant liquid takes away the heat of heating panel again, realize the cooling to flowing air, the flowing air after the cooling blows to radiatingfin 10, the efficiency of heat dissipation is improved.
Preferably, awater tank 5 and awater pump 6 are arranged in thecase 1, thewater pump 6 is communicated with thewater tank 5 through athird pipeline 18, thewater pump 6 is communicated with thecooling module 21 through afirst pipeline 7, and thewater tank 5 is communicated with thecooling module 21 through asecond pipeline 8 to provide cooling liquid for the cooling module.
Further, a clampinggroove 22 is formed in the joint of theelectrostatic net 20 and theventilation pipeline 13, the clampinggroove 22 is fixedly installed in theventilation pipeline 13, theelectrostatic net 20 is embedded in the clampinggroove 22, and the pair ofbuckles 30 are arranged at two ends of the clampinggroove 30, hinged to the clampinggroove 22 and fastened to theelectrostatic net 20, so that the electrostatic net 20 can be conveniently detached and cleaned.
The previous description of the disclosed embodiments is provided to enable any person skilled in the art to make or use the present invention. Various modifications to these embodiments will be readily apparent to those skilled in the art, and the generic principles defined herein may be applied to other embodiments without departing from the spirit or scope of the invention. Thus, the present invention is not intended to be limited to the embodiments shown herein but is to be accorded the widest scope consistent with the principles and novel features disclosed herein.

Claims (10)

2. The computer main cabinet with noise reduction function and heat dissipation function according to claim 1, wherein: the cooling module (1-8) comprises a frame (1-24), a first cavity (1-27) and a second cavity (1-28) are arranged on two sides of the frame (1-24), the cooling module (1-8) further comprises a plurality of first cooling plates (1-15) and second cooling plates (1-29), the first cooling plates (1-15) are hollow, the heat dissipation plate is communicated with the first cavities (1-27) and the second cavities (1-28), the second heat dissipation plates (1-29) are arranged among the plurality of first heat dissipation plates (1-15), the top of the frame is provided with a first pipe orifice (1-25), the first pipe orifice (1-25) is communicated with the first cavities (1-27), the bottom of the frame is provided with a second pipe orifice (1-26), and the second pipe orifice (1-26) is communicated with the second cavities (1-28).
8. The computer main cabinet with noise reduction function and heat dissipation function according to claim 1, wherein: the cooling module (21) comprises a frame, a first cavity (24) and a second cavity (25) are formed in two sides of the frame, the cooling module (21) further comprises a plurality of first heat dissipation plates (26) and second heat dissipation plates (29), the first heat dissipation plates (26) are hollow inside and communicated with the first cavity (24) and the second cavity (25), the second heat dissipation plates (29) are arranged between the plurality of first heat dissipation plates (26), a first pipe orifice (27) is formed in the top of the frame, the first pipe orifice (27) is communicated with the first cavity (24), a second pipe orifice (28) is formed in the bottom of the frame, and the second pipe orifice (28) is communicated with the second cavity (25).
CN202110020808.6A2021-01-082021-01-08Computer mainframe with noise reduction function and heat dissipation functionPendingCN112711311A (en)

Priority Applications (1)

Application NumberPriority DateFiling DateTitle
CN202110020808.6ACN112711311A (en)2021-01-082021-01-08Computer mainframe with noise reduction function and heat dissipation function

Applications Claiming Priority (1)

Application NumberPriority DateFiling DateTitle
CN202110020808.6ACN112711311A (en)2021-01-082021-01-08Computer mainframe with noise reduction function and heat dissipation function

Publications (1)

Publication NumberPublication Date
CN112711311Atrue CN112711311A (en)2021-04-27

Family

ID=75548499

Family Applications (1)

Application NumberTitlePriority DateFiling Date
CN202110020808.6APendingCN112711311A (en)2021-01-082021-01-08Computer mainframe with noise reduction function and heat dissipation function

Country Status (1)

CountryLink
CN (1)CN112711311A (en)

Cited By (1)

* Cited by examiner, † Cited by third party
Publication numberPriority datePublication dateAssigneeTitle
CN113220083A (en)*2021-05-122021-08-06浙江农林大学Data quality processing equipment capable of automatically controlling temperature

Citations (8)

* Cited by examiner, † Cited by third party
Publication numberPriority datePublication dateAssigneeTitle
CN1694246A (en)*2004-05-082005-11-09采石科技有限公司Convection radiating air ventilation cover
US20060050480A1 (en)*2004-09-072006-03-09Wen-Lung YuComputer heat dissipating system
WO2013123899A1 (en)*2012-02-232013-08-29Zhou ZhemingLow-noise computer heat dissipation device
CN106406477A (en)*2016-10-312017-02-15华南理工大学Tandem type CPU heat dissipating and cooling device
CN208314721U (en)*2018-07-192019-01-01沧州师范学院A kind of mute water-cooling cabinet
CN109213283A (en)*2018-09-112019-01-15苏州苏琼网络科技有限公司A kind of computer host box of high-efficient noise-reducing
CN209765410U (en)*2019-06-142019-12-10浙江商业职业技术学院dustproof mainframe box with efficient heat dissipation function
CN212181382U (en)*2020-06-102020-12-18齐齐哈尔工程学院Device of making an uproar falls in quick-witted case for computer

Patent Citations (8)

* Cited by examiner, † Cited by third party
Publication numberPriority datePublication dateAssigneeTitle
CN1694246A (en)*2004-05-082005-11-09采石科技有限公司Convection radiating air ventilation cover
US20060050480A1 (en)*2004-09-072006-03-09Wen-Lung YuComputer heat dissipating system
WO2013123899A1 (en)*2012-02-232013-08-29Zhou ZhemingLow-noise computer heat dissipation device
CN106406477A (en)*2016-10-312017-02-15华南理工大学Tandem type CPU heat dissipating and cooling device
CN208314721U (en)*2018-07-192019-01-01沧州师范学院A kind of mute water-cooling cabinet
CN109213283A (en)*2018-09-112019-01-15苏州苏琼网络科技有限公司A kind of computer host box of high-efficient noise-reducing
CN209765410U (en)*2019-06-142019-12-10浙江商业职业技术学院dustproof mainframe box with efficient heat dissipation function
CN212181382U (en)*2020-06-102020-12-18齐齐哈尔工程学院Device of making an uproar falls in quick-witted case for computer

Cited By (2)

* Cited by examiner, † Cited by third party
Publication numberPriority datePublication dateAssigneeTitle
CN113220083A (en)*2021-05-122021-08-06浙江农林大学Data quality processing equipment capable of automatically controlling temperature
CN113220083B (en)*2021-05-122022-11-01浙江农林大学Data quality processing equipment capable of automatically controlling temperature

Similar Documents

PublicationPublication DateTitle
CN108628424B (en)Computer machine case with heat dissipation purification performance
CN113467583A (en)Heat dissipation mechanism for enhancing heat dissipation of high-heat component in computer
CN112711311A (en)Computer mainframe with noise reduction function and heat dissipation function
CN213659404U (en)Heat radiator for computer processor
CN115525120A (en)Dustproof heat abstractor of computer machine case power
CN111651011A (en)Dustproof computer heat radiation structure
CN213844008U (en)Computer comprehensive noise reduction device
CN213182595U (en)Microcomputer protection box
CN212781855U (en)Energy-saving and environment-friendly computer case
CN213601179U (en) A tablet computer with good thermal conductivity
CN212873416U (en)Noise reduction structure of computer case
CN214042195U (en) A new type of computer case that is easy to disassemble
CN210348249U (en)Relay control device
CN209250011U (en) DC charging screen dustproof cooling cabinet
CN114063521A (en) A measurement and control device based on digital signal processing function
CN222981841U (en) Oil-cooled server cooling system
CN216209514U (en)Industrial Internet of things comprehensive tester
CN218544786U (en)Central air-conditioning control device with high-efficient filtering and purifying functions
CN206281123U (en) An evaporative air conditioner with a wet curtain detachable structure
CN219936361U (en)Heat abstractor of information processor
CN212781904U (en)Computer case with good heat dissipation performance
CN223024803U (en)Heat dissipation and dust removal assembly for machine room fire-fighting cabinet
CN219625950U (en)Dustproof heat dissipation type industrial control computer
CN218735607U (en)Module power pack convenient to use
CN118151725B (en)Portable mass data processing equipment

Legal Events

DateCodeTitleDescription
PB01Publication
PB01Publication
SE01Entry into force of request for substantive examination
SE01Entry into force of request for substantive examination
RJ01Rejection of invention patent application after publication

Application publication date:20210427

RJ01Rejection of invention patent application after publication

[8]ページ先頭

©2009-2025 Movatter.jp