Movatterモバイル変換


[0]ホーム

URL:


CN112688439A - Wireless power transmission device - Google Patents

Wireless power transmission device
Download PDF

Info

Publication number
CN112688439A
CN112688439ACN202110113822.0ACN202110113822ACN112688439ACN 112688439 ACN112688439 ACN 112688439ACN 202110113822 ACN202110113822 ACN 202110113822ACN 112688439 ACN112688439 ACN 112688439A
Authority
CN
China
Prior art keywords
coil
electric energy
sub
transmitting coil
power
Prior art date
Legal status (The legal status is an assumption and is not a legal conclusion. Google has not performed a legal analysis and makes no representation as to the accuracy of the status listed.)
Pending
Application number
CN202110113822.0A
Other languages
Chinese (zh)
Inventor
车丙晨
Current Assignee (The listed assignees may be inaccurate. Google has not performed a legal analysis and makes no representation or warranty as to the accuracy of the list.)
Ningbo Weie Electronics Technology Ltd
Original Assignee
Ningbo Weie Electronics Technology Ltd
Priority date (The priority date is an assumption and is not a legal conclusion. Google has not performed a legal analysis and makes no representation as to the accuracy of the date listed.)
Filing date
Publication date
Application filed by Ningbo Weie Electronics Technology LtdfiledCriticalNingbo Weie Electronics Technology Ltd
Publication of CN112688439ApublicationCriticalpatent/CN112688439A/en
Pendinglegal-statusCriticalCurrent

Links

Images

Classifications

Landscapes

Abstract

The embodiment of the invention discloses a wireless electric energy transmission device. The primary side compensation capacitor (or the secondary side compensation capacitor) is set to comprise N sub-compensation capacitors, and the N sub-compensation capacitors are connected in the electric energy transmitting coil (or the electric energy receiving coil) in an equally dividing mode, so that the electric energy transmitting coil (or the electric energy receiving coil) is correspondingly equally divided into N equal parts. Through the connection structure of the distributed capacitors, the voltage of each section of electric energy transmitting coil (or electric energy receiving coil) can be reduced, so that the common mode current of the transmitting coil to the ground or the circulating current of the receiving coil to metal is reduced, but the total compensation capacitor of the primary side or the secondary side and the resonance frequency of the coil are consistent with the working frequency of a system, and the highest energy transmission efficiency can be ensured.

Description

Wireless power transmission device
The application is a divisional application of Chinese patent application with application number 201610619347.3, named as 'a wireless power transmission device', and applied for 2016, 7, month and 28 days.
Technical Field
The invention relates to the field of wireless power transmission, in particular to a wireless power transmission device.
Background
The magnetic resonance wireless charging system comprises an electric energy transmitting end and an electric energy receiving end, as shown in fig. 1, the electric energy transmitting end receives external electric energy to generate a spatial magnetic field, and the energy is wirelessly transmitted to the electric energy receiving end.
In order to enable the electric energy receiving end to induce a space magnetic field in a larger range to generate voltage to the electronic device, one way is to increase the size and the inductance of the transmitting coil in the electric energy transmitting end, but the increase of the size and the inductance of the transmitting coil usually requires the increase of the number of turns and the area of the transmitting coil, and according to the calculation formula of the capacitance,
c ═ S/D, increasing the coil area increases the parasitic capacitance between the transmit coil and ground, according to the common mode current ICMAnd the parasitic capacitance, ICMC dV/dt. As shown in fig. 2, the high frequency ac voltage on the coil is more likely to form a common mode current to earth through this parasitic capacitance, increasing EMC conducted interference. And, when the size of transmitting coil increases, the girth of coil will increase correspondingly, if flow through high frequency alternating current in the coil, then high frequency current forms electromagnetic wave radiation more easily, increases EMC radiation interference.
Another way Is to increase the magnetic field of the transmitting coil by increasing the alternating current in the transmitting coil, which increases the voltage across the transmitting coil (V ═ j ω Ls · Is), the resonant capacitor Cs requiring a larger voltage withstanding value resonates with the transmitting coil Ls at the system operating frequency point, and after the voltage of the transmitting coil increases, the common mode current to ground also increases according to the above calculation formula of the common mode current. .
Disclosure of Invention
In view of the above, the present invention provides a wireless power transmission device. The power transmitting coil (or the power receiving coil) is compensated in a segmented mode through the plurality of sub compensation capacitors, so that the voltage of each segment of the power transmitting coil (or the power receiving coil) can be reduced, and therefore the common-mode current of the transmitting coil (or the receiving coil) to the ground is reduced.
In a first aspect, a wireless power transmission apparatus according to the present invention comprises a power transmitting part and a power receiving part, the power transmitting part comprising an inverter circuit, a power transmitting coil and a primary side compensation capacitor,
the inverter circuit receives the direct current voltage signal to output an alternating current voltage signal;
the electric energy transmitting coil is used for receiving the alternating voltage signal so as to transmit energy to the electric energy receiving part;
the primary side compensation capacitor is used for compensating the inductance of the electric energy transmitting coil, so that the resonant frequency of the electric energy transmitting coil and the primary side compensation capacitor is consistent with the system working frequency;
the primary side compensation capacitor comprises N sub compensation capacitors, and the N sub compensation capacitors are connected to different positions in the electric energy transmitting coil in a distributed mode;
the power receiving portion receives the power transmitted from the power transmitting portion to generate a predetermined output voltage to supply to a load.
Preferably, the inductance of the power transmitting coil includes a leakage inductance and an excitation inductance of the power transmitting coil structure.
Preferably, the N sub compensation capacitors are connected at different positions of the power transmitting coil to divide the power transmitting coil into N segments of coils.
Preferably, the N sub compensation capacitors are equally connected to different positions of the electric energy transmitting coil to equally divide the electric energy transmitting coil into N equal parts.
Preferably, the capacitance values of the N sub compensation capacitors are equal.
Preferably, one of the N sub-compensation capacitors and a corresponding one of the power transmitting coils resonate at a frequency that coincides with a system operating frequency.
In a second aspect, a wireless power transmission apparatus according to the present invention includes a power transmitting part and a power receiving part, the power receiving part including a power receiving coil and a secondary compensation capacitor,
the secondary compensation capacitor is used for compensating the inductance of the electric energy receiving coil, so that the resonance frequency of the electric energy receiving coil and the secondary compensation capacitor is consistent with the system working frequency;
the secondary compensation capacitor comprises N sub compensation capacitors, and the N sub compensation capacitors are connected to different positions in the electric energy receiving coil in a distributed mode.
Preferably, the inductance of the power receiving coil includes a leakage inductance and an excitation inductance of the power receiving coil.
Preferably, N sub compensation capacitors of the secondary compensation capacitor are equally connected to different positions of the electric energy receiving coil, so as to equally divide the electric energy receiving coil into N equal parts.
Preferably, the capacitance values of the N sub compensation capacitors of the secondary side compensation capacitor are equal;
one capacitor of the N sub compensation capacitors of the secondary side compensation capacitor and a corresponding section of the electric energy receiving coil resonate, and the resonant frequency of the secondary side compensation capacitor is consistent with the system working frequency.
Further, the power receiving portion further includes a shielding layer disposed between the power receiving coil and an electronic device.
Preferably, the shielding layer comprises a magnetic shielding layer, which is placed between the power receiving coil and an electronic device.
Preferably, the electromagnetic shielding layer comprises a magnetic shielding layer and a copper shielding layer, and the magnetic shielding layer and the copper shielding layer are sequentially arranged between the electric energy receiving coil and the electronic equipment.
Preferably, the magnetic shield layer includes a hollow region and a solid region.
Preferably, the N sub compensation capacitors are connected at the coil pin outlet of the power receiving coil.
Preferably, the N sub compensation capacitors are distributed and connected in the power receiving coil, and the N sub compensation capacitors are disposed in the hollow region of the magnetic shielding layer.
Preferably, the power receiving part further includes a rectifying circuit and a dc-dc voltage converting circuit,
electronic equipment devices of the rectifying circuit and the direct current-direct current voltage conversion circuit are placed in the hollow area of the magnetic shielding layer;
the N sub compensation capacitors are connected at the coil pin outlet of the power receiving coil, and the coil pin of the power receiving coil is connected to the electronic equipment device.
In summary, the wireless power transmission apparatus according to the present invention. The primary side compensation capacitor is set to comprise N sub compensation capacitors, and the N sub compensation capacitors are connected in the electric energy transmitting coil in an equally dividing mode, so that the electric energy transmitting coil is correspondingly equally divided into N equal parts. One of the N sub-compensation capacitors resonates with a corresponding one of the power transmitting coils, and its resonant frequency coincides with the system operating frequency. Through the distributed capacitance connection structure, the voltage of each section of electric energy transmitting coil can be reduced, and therefore the common-mode current of the transmitting coil to the ground is reduced. However, the resonant frequency of the total primary side compensation capacitor and the electric energy transmitting coil is consistent with the system working frequency, so that the highest energy transmission efficiency can be ensured.
On the other hand, the secondary compensation capacitor of the wireless power transmission device is set to comprise N sub-compensation capacitors, so that the power receiving coil is divided into N equal parts, the voltage of each section of the power receiving coil can be reduced, the circulating current of the receiving coil to a metal or copper shielding layer of the electronic equipment is reduced, and the energy transmission efficiency is improved.
Drawings
The above and other objects, features and advantages of the present invention will become more apparent from the following description of the embodiments of the present invention with reference to the accompanying drawings, in which:
fig. 1 shows a structure of a wireless charging system of the related art;
FIG. 2 is a schematic diagram of the common mode current generated by the transmit coil to ground;
fig. 3 is a schematic view illustrating a power transmitting coil portion in a wireless power transmission apparatus according to the present invention;
fig. 4 is a circuit diagram illustrating a first embodiment of a wireless power transmission apparatus according to the present invention;
fig. 5 is a circuit diagram illustrating a second embodiment of a wireless power transmission apparatus according to the present invention;
fig. 6 is a circuit diagram illustrating a third embodiment of a wireless power transmission apparatus according to the present invention;
fig. 7 is a circuit diagram illustrating a fourth embodiment of a wireless power transmission apparatus according to the present invention;
fig. 8 is a circuit diagram illustrating a fifth embodiment of a wireless power transmission apparatus according to the present invention;
fig. 9 is a circuit diagram illustrating a sixth embodiment of a wireless power transmission apparatus according to the present invention;
fig. 10 is a circuit diagram illustrating a seventh embodiment of a wireless power transmission apparatus according to the present invention.
Detailed Description
Some preferred embodiments of the present invention will be described in detail below with reference to the accompanying drawings, but the present invention is not limited thereto.
Referring to fig. 3, a schematic diagram of a power transmitting coil portion of a wireless power transmission device according to the present invention is shown, wherein the power transmitting coil portion includes an inverter circuit (not shown in fig. 3) for converting an external dc voltage signal into an ac voltage signal to be output, and the ac voltage signal is transmitted to the power transmitting coil.
The electric energy transmitting coil part also comprises an electric energy transmitting coil and a primary side compensation capacitor, wherein the primary side compensation capacitor is used for compensating the inductance of the electric energy transmitting coil so as to enable the resonant frequency of the electric energy transmitting coil and the primary side compensation capacitor to be consistent with the working frequency of a system; here, the inductance of the power transmitting coil includes leakage inductance and excitation inductance in the power transmitting coil structureThe inductance of the electric energy transmitting coil is a basically constant value, and the impedance of the compensation capacitor and the inductive reactance of the excitation inductance and the leakage inductance work in a resonant mode. The system working frequency is the working frequency of the wireless electric energy transmission device and is marked as omega0The system operating frequency of the wireless power transmission device is preset according to the circuit structure and efficiency requirements, for example, the preferred frequency is set to 6.78 MHz.
In this embodiment, the primary compensation capacitor includes N sub-compensation capacitors, and the N sub-compensation capacitors are connected in a distributed manner at different positions in the electric energy transmitting coil, where N is a positive integer greater than 1. As shown in fig. 3, taking N as an example, the primary compensation capacitor includes a sub compensation capacitor Cs1, a sub compensation capacitor Cs2, and a sub compensation capacitor Cs 3.
Further, as shown in fig. 3, the N sub compensation capacitors are equally connected at different positions of the power transmitting coil to equally divide the power transmitting coil into N equal parts. The 3 sub compensation capacitors shown in fig. 3 equally divide the power transmitting coil into three equal parts, such as a coil AB section, a coil CD section, and a coil DF section. For more optimal design of parameters, the capacitance values of the 3 sub compensation capacitors are equal, and the capacitance Cs1 is resonant with the transmitting coil of the adjacent segment, such as the segment AB, and the resonant frequency is also 6.78 MHz.
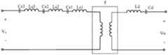
As shown in fig. 4, which is an application circuit diagram of the distributed power transmitting coil in fig. 3 applied in the wireless power transmission device, the wireless power transmission device in fig. 4 further includes a power receiving portion (including a power receiving coil Ld and a secondary compensation capacitor Cd). As shown in fig. 4, three sub compensation capacitors are respectively denoted by Cs1, Cs2, and Cs3, three segments of transmitter coils are respectively denoted by Ls1, Ls2, and Ls3, and assuming that the inductance of the total transmitter coil is Ls and the Cs of the total compensation capacitor is Ls, according to the distributed structure shown in fig. 4, the capacitance value of each sub compensation capacitor is set to Cs1 ═ Cs2 ═ Cs3 ═ 3Cs, and the inductance value of each segment coil is set to Ls1 ═ Ls2 ═ Ls3 ═ Ls/3, so that the voltage across each segment coil is VLs/3.
Thus, the voltage across the coil Ls1 becomes VLs1 ═ VLs/3; since the sub compensation capacitor Cs1 and the coil Ls1 resonate at the operating frequency point, the equivalent impedance across the compensation capacitor Cs1 and the coil Ls1 is 0,
i.e. 1/j ω Cs1+ j ω Ls1 is 0,
the sum of the voltages across the compensation capacitor Cs1 and the coil Ls1 is 0 (i.e., VLs1+ VCs1 is 0), and the energy on the coil can be transmitted to the maximum extent, so that the transmission efficiency is high.
Similarly, the voltage VLs2 across the segment Ls2 is VLs/3, and similarly, the sub compensation capacitor Cs2 and the coil Ls2 resonate at the operating frequency point, the sum of the voltages across the compensation capacitor Cs2 and the coil Ls2 is 0, the voltage VLs3 across the coil Ls3 is VLs/3, and similarly, the sub compensation capacitor Cs3 and the coil Ls3 resonate at the operating frequency point, and the sum of the voltages across the compensation capacitor Cs3 and the coil Ls3 is 0.
From the above, compared with the compensation of the whole coil, the distributed compensation method is adopted, the voltage across each coil section is reduced from the original VLs to the distributed VLs/N, and then the common mode current of the transmitting coil to the ground is also reduced to the original 1/N according to the calculation formula of the common mode current in the background art. The embodiment of the invention is very suitable for occasions with larger transmitting coil size, and the common mode capacitance to the ground is large due to the large size, so that the jump voltage in the coil is reduced by connecting the capacitors in series in a segmented manner, the common mode current can be well reduced, and the conducted interference of EMC (electro magnetic compatibility) is reduced.
Through the structure of the transmitting coil, the withstand voltage value of the compensation capacitor at two ends of the transmitting coil is also changed from VLs to VLs/3, so that the impedance matching capacitor with smaller withstand voltage value can be selected, and the cost is reduced. And after the voltage at the two ends of the segmented coil is reduced, the reliability of the system is further improved.
It should be noted that even if the parameter design of the distributed power transmitting coil is not equal to the optimized design, for example, the N sub compensation capacitors are connected at different positions of the power transmitting coil to divide the power transmitting coil into N segments of coils. However, as long as the N-segment distributed inductance series Ls1+ Ls2+ … Lsn ═ Ls and the N-segment distributed capacitance series Cs1 ═ Cs2 ═ Csn ═ NCs are satisfied as a whole, the energy transmission efficiency of the system will not decrease, and the voltage across the distributed segment coils will decrease, which reduces EMC conducted interference.
Fig. 5 is a circuit diagram illustrating a second embodiment of a wireless power transmission apparatus according to the present invention; in this embodiment, the transmitting coil portion includes N sub compensation capacitors (Cs1 … Csn), and accordingly, the power transmitting coil is equally divided into N equal parts (Ls1 … Lsn), where the capacitance values of the N sub compensation capacitors may be equal or unequal, and the impedances of the N transmitting coils may also be equal or unequal, but the resonant frequencies of the total impedance of the transmitting coil and the total impedance of the N sub compensation capacitors are consistent with the system operating frequency, so as to ensure the maximization of the transmission efficiency, and thus, through the segmented compensation of the transmitting coil, the voltage drop of the transmitting coil that may be reduced greatly, thereby reducing the common mode current. N is a positive integer larger than 1, the number of the sub compensation capacitors is determined according to the requirement of a user on common-mode current and the cost, for example, the number of the sub compensation capacitors can be increased when the requirement on the common-mode current is high, and the number of the sub compensation capacitors is reduced when the cost is limited.
Fig. 6 is a circuit diagram illustrating a third embodiment of a wireless power transmission apparatus according to the present invention. In this embodiment, the power transmitting coil is the same as that in fig. 5, and will not be described herein. In this embodiment, the secondary compensation capacitor is configured to compensate for inductance of the electric energy receiving coil, so that resonant frequencies of the electric energy receiving coil and the secondary compensation capacitor are consistent with a system operating frequency; the inductance of the electric energy receiving coil comprises leakage inductance and excitation inductance in the electric energy receiving coil structure.
In the embodiment, the secondary compensation capacitor comprises N sub compensation capacitors (Cd1 … Cdn), and the N sub compensation capacitors are connected in a distributed manner at different positions in the power transmitting coil; furthermore, the capacitance values of the N sub-compensation capacitors are equal; the N sub compensation capacitors of the secondary side compensation capacitor are equally connected at different positions of the power receiving coil to equally divide the power receiving coil into N equal parts (such as Ld1 … Ldn), and one capacitor of the N sub compensation capacitors resonates with a corresponding section of the power receiving coil (such as Cd1 and Ld1 resonates), and the resonant frequency of the capacitor coincides with the system operating frequency (6.78 MHz).
In the same way, for the secondary side, the voltage drop of each segment of receiving coil can be reduced by the way of the segmented receiving coil, so that the common-mode current to the ground is reduced, and the EMC interference of the system is reduced.
Fig. 7 is a circuit diagram illustrating a fourth embodiment of a wireless power transmission apparatus according to the present invention. In this embodiment, the power receiving portion further includes a shielding layer disposed between the power receiving coil and an electronic device.
In practical application, the electromagnetic shielding layer comprises a magnetic shielding layer and a copper shielding layer, and the magnetic shielding layer and the copper shielding layer are sequentially placed between the electric energy receiving coil and the electronic equipment. As shown in fig. 7, the magnetic shielding layer includes a hollow region and a solid region, and the hollow region is a hollow portion as shown in fig. 7. Sub compensation capacitors CS1 and CS2 are connected in the middle of the receive coil to divide the receive coil equally into three equal parts.
It will be readily appreciated that where less demanding, the shielding layer may comprise only a magnetic shielding layer, the magnetic shielding layer being placed between the power receiving coil and the electronic device.
Since the magnetic shield layer is provided between the receiving coil and the copper sheet (or the metal of the electronic device), the magnetic sheet has a dielectric constant much higher than that of air (. epsilon.)>10ε0) Meanwhile, the distance between the receiving coil and the copper sheet is small, so that the formed parasitic capacitance is also large, and according to a calculation formula in the background art, the circulating current of the receiving coil and the copper sheet (or metal) is large. In this embodiment, the receiving coil is divided into a multi-segment sub-coil structure, and it can be inferred from the calculation process of the transmitting coil that the voltage of each segment of sub-coil of the receiving coil is greatly reduced, so that the circulating current of the receiving coil to the copper sheet or the metal is reduced, and the efficiency of energy transmission can be effectively improved.
Fig. 8 is a circuit diagram illustrating a fifth embodiment of a wireless power transmission apparatus according to the present invention. This embodiment is a further improvement on the embodiment of fig. 7, the hollow area of the magnetic sheet includes a hollow 1 and a hollow 2, wherein the sub-compensation capacitors Cs1 and Cs2 are distributed and connected in the power receiving coil, and the sub-compensation capacitors are placed in the hollow area of the magnetic shielding layer, as shown in the position of the hollow 2 in fig. 8. Therefore, the compensation capacitor can well equally divide the receiving coil, and the overall thickness is not increased.
Fig. 9 is a circuit diagram illustrating a sixth embodiment of a wireless power transmission apparatus according to the present invention. In this embodiment, the N sub compensation capacitors are connected at the coil pin outlet of the power receiving coil. For example, the sub compensation capacitors CS1 and CS2 in fig. 9 are connected at the coil pin outlets, which facilitates the process operation of the receiving coil and the integration of the coil and the magnetic sheet.
Fig. 10 is a circuit diagram of a seventh embodiment of a wireless power transmission apparatus according to the present invention. In this embodiment, the power receiving portion further includes a rectifying circuit and a dc-dc voltage converting circuit, electronic devices of which are placed in the hollow region of the magnetic shield layer, such as the device in fig. 10, sub compensation capacitors such as CS1 and CS2 are connected at coil pin outlets of the power receiving coil, and coil pins of which are connected to the electronic devices. Therefore, the sub-compensation capacitors such as CS1 and CS2, and the electronic components or part of the electronic components which realize the electric energy conversion function are arranged on the circuit board in the hollow area of the magnetic sheet, so that the space can be saved, and the integration into the electronic equipment is facilitated.
It should be noted that, the above embodiments may be used in combination or separately, for example, the power transmitting coil is in a distributed capacitance structure, or the power receiving coil is in a distributed capacitance structure, or both the power transmitting coil and the power receiving coil are in a distributed capacitance structure, and a user may select the configuration according to needs.
Although the wireless power transmission apparatus according to the preferred embodiment of the present invention has been described in detail, the circuits and advantages of the patent should not be considered as being limited to the above description, the disclosed embodiment and the accompanying drawings can better understand the present invention, therefore, the above disclosed embodiment and the accompanying drawings in the description are included for better understanding of the present invention, the present invention is not limited to the scope of the present disclosure, and those skilled in the art can make alterations and modifications to the embodiments of the present invention within the scope of the present invention.
A1, a wireless power transmission device, comprising a power transmitting part and a power receiving part, wherein the power transmitting part comprises an inverter circuit, a power transmitting coil and a primary side compensation capacitor,
the inverter circuit receives the direct current voltage signal to output an alternating current voltage signal;
the electric energy transmitting coil is used for receiving the alternating voltage signal so as to transmit energy to the electric energy receiving part;
the primary side compensation capacitor is used for compensating the inductance of the electric energy transmitting coil, so that the resonant frequency of the electric energy transmitting coil and the primary side compensation capacitor is consistent with the system working frequency;
the primary side compensation capacitor comprises N sub compensation capacitors, and the N sub compensation capacitors are connected to different positions in the electric energy transmitting coil in a distributed mode;
the power receiving portion receives the power transmitted from the power transmitting portion to generate a predetermined output voltage to supply to a load.
A2. The wireless power transfer apparatus of a1 wherein the inductance of the power transmitting coil comprises a leakage inductance and an excitation inductance of the power transmitting coil structure.
A3. The wireless power transmission device according to a1, wherein the N sub compensation capacitors are connected at different positions of the power transmitting coil to divide the power transmitting coil into N segments of coils.
A4. The wireless power transmission device according to a1, wherein the N sub compensation capacitors are equally connected at different positions of the power transmitting coil to equally divide the power transmitting coil into N equal parts.
A5. The wireless power transmission device according to a4, wherein the N sub-compensation capacitors have equal capacitance values.
A6. The wireless power transfer apparatus as claimed in a5, wherein one of the N sub-compensation capacitors resonates with a corresponding segment of the power transmitting coil, and the resonant frequency of both resonates coincides with the system operating frequency.
B7. A wireless power transmission device comprises a power transmitting part and a power receiving part, wherein the power receiving part comprises a power receiving coil and a secondary compensation capacitor,
the secondary compensation capacitor is used for compensating the inductance of the electric energy receiving coil, so that the resonance frequency of the electric energy receiving coil and the secondary compensation capacitor is consistent with the system working frequency;
the secondary compensation capacitor comprises N sub compensation capacitors, and the N sub compensation capacitors are connected to different positions in the electric energy receiving coil in a distributed mode.
B8. The wireless power transfer apparatus of B7, wherein the inductance of the power receiving coil comprises a leakage inductance and an excitation inductance of the power receiving coil.
B9. The wireless power transmission device according to B7, wherein N sub-compensation capacitors of the secondary compensation capacitor are equally connected to different positions of the power receiving coil to equally divide the power receiving coil into N equal parts.
B10. The wireless power transmission device according to B9, wherein the capacitance values of N sub-compensation capacitors of the secondary side compensation capacitor are equal;
one capacitor of the N sub compensation capacitors of the secondary side compensation capacitor and a corresponding section of the electric energy receiving coil resonate, and the resonant frequency of the secondary side compensation capacitor is consistent with the system working frequency.
B11. The wireless power transfer apparatus of B7 wherein the power receiving portion further comprises a shielding layer disposed between the power receiving coil and an electronic device.
B12. The wireless power transfer apparatus of B7, wherein the shielding layer comprises a magnetic shielding layer placed between the power receiving coil and an electronic device.
B13. The wireless power transmission device according to B7, wherein the electromagnetic shielding layer includes a magnetic shielding layer and a copper shielding layer, and the magnetic shielding layer and the copper shielding layer are sequentially placed between the power receiving coil and the electronic device.
B14. The wireless power transfer device of B12 or B13, wherein the magnetic shield layer comprises a hollow region and a solid region.
B15. The wireless power transfer apparatus of B7, wherein the N sub compensation capacitors are connected at coil pin outlets of the power receiving coil.
B16. The wireless power transmission device according to B14, wherein the N sub compensation capacitors are distributed among the power receiving coils and are disposed in the hollow regions of the magnetic shielding layers.
B17. The wireless power transmission apparatus according to B14, wherein the power receiving portion further includes a rectifying circuit and a DC-DC voltage converting circuit,
electronic equipment devices of the rectifying circuit and the direct current-direct current voltage conversion circuit are placed in the hollow area of the magnetic shielding layer;
the N sub compensation capacitors are connected at the coil pin outlet of the power receiving coil, and the coil pin of the power receiving coil is connected to the electronic equipment device.

Claims (10)

CN202110113822.0A2016-05-062016-07-28Wireless power transmission devicePendingCN112688439A (en)

Applications Claiming Priority (3)

Application NumberPriority DateFiling DateTitle
CN2016103000422016-05-06
CN20161030004262016-05-06
CN201610619347.3ACN107346918A (en)2016-05-062016-07-28 A wireless power transmission device

Related Parent Applications (1)

Application NumberTitlePriority DateFiling Date
CN201610619347.3ADivisionCN107346918A (en)2016-05-062016-07-28 A wireless power transmission device

Publications (1)

Publication NumberPublication Date
CN112688439Atrue CN112688439A (en)2021-04-20

Family

ID=60253254

Family Applications (2)

Application NumberTitlePriority DateFiling Date
CN201610619347.3APendingCN107346918A (en)2016-05-062016-07-28 A wireless power transmission device
CN202110113822.0APendingCN112688439A (en)2016-05-062016-07-28Wireless power transmission device

Family Applications Before (1)

Application NumberTitlePriority DateFiling Date
CN201610619347.3APendingCN107346918A (en)2016-05-062016-07-28 A wireless power transmission device

Country Status (1)

CountryLink
CN (2)CN107346918A (en)

Cited By (1)

* Cited by examiner, † Cited by third party
Publication numberPriority datePublication dateAssigneeTitle
CN114189058A (en)*2021-12-212022-03-15昆明理工大学Device for providing electric energy for multiple passive electronic tags in large-scale space

Families Citing this family (3)

* Cited by examiner, † Cited by third party
Publication numberPriority datePublication dateAssigneeTitle
CN106961165B (en)*2017-05-232020-02-07宁波微鹅电子科技有限公司Wireless power transmission circuit, wireless power transmitting terminal and wireless power receiving terminal
CN207925287U (en)*2017-12-252018-09-28宁波微鹅电子科技有限公司A kind of coil module, radio energy radiating circuit and receiving circuit
CN112311204B (en)*2020-10-212022-04-22哈尔滨工业大学Segmented series compensation method for reducing coil loss of resonant converter

Citations (4)

* Cited by examiner, † Cited by third party
Publication numberPriority datePublication dateAssigneeTitle
CN105050372A (en)*2015-09-092015-11-11宁波微鹅电子科技有限公司Electromagnetic shielding layer and wireless power transmission device with same
US20150380944A1 (en)*2014-06-272015-12-31Silergy Semiconductor Technology (Hangzhou) LtdPower supply device, integrated circuit, energy transmitter and impedance matching method
CN105359379A (en)*2013-05-152016-02-24密执安州立大学董事会Wireless power transmission for battery charging
CN105429313A (en)*2015-12-112016-03-23中国矿业大学Wireless electric energy transmission system with switchable resonance compensation topology and control method thereof

Family Cites Families (5)

* Cited by examiner, † Cited by third party
Publication numberPriority datePublication dateAssigneeTitle
DE102007026965A1 (en)*2007-06-122009-01-02Siemens Ag antenna array
JP5746049B2 (en)*2009-12-172015-07-08トヨタ自動車株式会社 Power receiving device and power transmitting device
JP2015153891A (en)*2014-02-142015-08-24矢崎総業株式会社Coil unit and power supply system
CN104578345B (en)*2015-01-232017-02-22山东大学Electromagnetic resonance type wireless charging device and control method based on CLL resonant transformation
CN205142776U (en)*2015-09-092016-04-06宁波微鹅电子科技有限公司Electromagnetic shield layer and have electromagnetic shield layer's wireless power transmission device

Patent Citations (4)

* Cited by examiner, † Cited by third party
Publication numberPriority datePublication dateAssigneeTitle
CN105359379A (en)*2013-05-152016-02-24密执安州立大学董事会Wireless power transmission for battery charging
US20150380944A1 (en)*2014-06-272015-12-31Silergy Semiconductor Technology (Hangzhou) LtdPower supply device, integrated circuit, energy transmitter and impedance matching method
CN105050372A (en)*2015-09-092015-11-11宁波微鹅电子科技有限公司Electromagnetic shielding layer and wireless power transmission device with same
CN105429313A (en)*2015-12-112016-03-23中国矿业大学Wireless electric energy transmission system with switchable resonance compensation topology and control method thereof

Cited By (2)

* Cited by examiner, † Cited by third party
Publication numberPriority datePublication dateAssigneeTitle
CN114189058A (en)*2021-12-212022-03-15昆明理工大学Device for providing electric energy for multiple passive electronic tags in large-scale space
CN114189058B (en)*2021-12-212023-11-21昆明理工大学 A device that provides power to multiple passive electronic tags in a large space

Also Published As

Publication numberPublication date
CN107346918A (en)2017-11-14

Similar Documents

PublicationPublication DateTitle
US20170324281A1 (en)Wireless power trnsfer device
US9461477B2 (en)Power transfer system
US9866038B2 (en)Wireless power transmission system
US11817834B2 (en)High frequency wireless power transfer system, transmitter, and receiver therefor
EP2727216B1 (en)High-frequency power device, power transmission device, and power transfer system
TWI451654B (en) Power transmission system
JP5426570B2 (en) Inductive power transfer circuit
JP6618006B2 (en) Wireless power transmission system and power transmission device
CN102386684A (en)Electronic component, power feeding apparatus, power receiving apparatus, and wireless power feeding system
CN110620408A (en)Wireless charger with electromagnetic shielding function
US9973042B2 (en)Power transmission system
CN112688439A (en)Wireless power transmission device
CN106961165B (en)Wireless power transmission circuit, wireless power transmitting terminal and wireless power receiving terminal
JP6315109B2 (en) Power supply device
JP6770497B2 (en) Wireless power transfer system
JP6774894B2 (en) Electromagnetic field resonance type coupler
JP2016010168A (en)Resonator and wireless power supply system
JP2012257374A (en)Non-contact power transmission device
US20140054972A1 (en)Wireless power transmission system
CA3174075A1 (en)Isolated switching amplifier system
Zain et al.Development of a Resonant Inductive Coupling Wireless Battery Charger

Legal Events

DateCodeTitleDescription
PB01Publication
PB01Publication
SE01Entry into force of request for substantive examination
SE01Entry into force of request for substantive examination
RJ01Rejection of invention patent application after publication
RJ01Rejection of invention patent application after publication

Application publication date:20210420


[8]ページ先頭

©2009-2025 Movatter.jp