Movatterモバイル変換


[0]ホーム

URL:


CN112637997A - Full-digital high-frequency LED constant current driving circuit and control method - Google Patents

Full-digital high-frequency LED constant current driving circuit and control method
Download PDF

Info

Publication number
CN112637997A
CN112637997ACN202110009140.5ACN202110009140ACN112637997ACN 112637997 ACN112637997 ACN 112637997ACN 202110009140 ACN202110009140 ACN 202110009140ACN 112637997 ACN112637997 ACN 112637997A
Authority
CN
China
Prior art keywords
current
control
voltage
drive circuit
frequency
Prior art date
Legal status (The legal status is an assumption and is not a legal conclusion. Google has not performed a legal analysis and makes no representation as to the accuracy of the status listed.)
Granted
Application number
CN202110009140.5A
Other languages
Chinese (zh)
Other versions
CN112637997B (en
Inventor
谷朝臣
位广宇
杨舒盛
关新平
Current Assignee (The listed assignees may be inaccurate. Google has not performed a legal analysis and makes no representation or warranty as to the accuracy of the list.)
Shanghai Jiao Tong University
Original Assignee
Shanghai Jiao Tong University
Priority date (The priority date is an assumption and is not a legal conclusion. Google has not performed a legal analysis and makes no representation as to the accuracy of the date listed.)
Filing date
Publication date
Application filed by Shanghai Jiao Tong UniversityfiledCriticalShanghai Jiao Tong University
Priority to CN202110009140.5ApriorityCriticalpatent/CN112637997B/en
Priority claimed from CN202110009140.5Aexternal-prioritypatent/CN112637997B/en
Publication of CN112637997ApublicationCriticalpatent/CN112637997A/en
Application grantedgrantedCritical
Publication of CN112637997BpublicationCriticalpatent/CN112637997B/en
Activelegal-statusCriticalCurrent
Anticipated expirationlegal-statusCritical

Links

Images

Classifications

Landscapes

Abstract

The invention provides a full-digital high-frequency LED constant current driving circuit and a control method, wherein the full-digital high-frequency LED constant current driving circuit comprises the following steps: a power unit: energy transmission and conversion are carried out in a half-bridge topological switching mode, and the inductor is charged and flows current to enable the LED to obtain continuous current; a feedback unit: measuring the voltage of the direct current bus and the output current of the power unit, and sending the measured voltage and the output current to the control unit for processing; a control unit: and according to the external PWM signal and the output current measured by the feedback unit, a pair of complementary PWM signals is obtained through calculation and is output to the power unit, the power unit is controlled to carry out energy transmission and conversion, and the working state is fed back. The power unit is directly controlled by the microcontroller, so that the flexibility of the algorithm and the controllability of the system are greatly improved, the current control with high frequency, high precision and wide range is realized, and the requirements of high-frequency short exposure and wide-range precision regulation occasions such as high-speed machine vision, digital pathological scanning and the like on continuous adjustability of LED driving current and no flicker at high frequency are met.

Description

Full-digital high-frequency LED constant current driving circuit and control method
Technical Field
The invention relates to the field of electricity, in particular to a full-digital high-frequency LED constant current driving circuit and a control method.
Background
In recent years, the constant current driving technology of LEDs is becoming mature. However, in some high-frequency short exposure and wide-range precise adjustment situations, such as high-speed machine vision, digital pathological scanning, etc., the current of the LED needs to be constant, and also needs to be adjusted in a wide range to adjust the brightness, and even microsecond level exposure without stroboflash when a high-speed camera is used for shooting needs to be achieved, which puts extremely high requirements on precise adjustment and control of the current of the LED: the current should be regulated over the full range and remain continuous and with low ripple.
Conventional LED dimming schemes often employ constant current source chips or linear dimming techniques: the constant current source chip can only maintain the current at a fixed value, and the microcontroller adjusts the average value of the output current through periodic enabling/disabling, so that the precision and continuity of the current when the small current is output cannot be ensured; the linear dimming technology can obtain a relatively stable current regulation effect, but the linear dimming technology has low efficiency, high heating, difficult high-frequency control and limited application scenes.
Disclosure of Invention
Aiming at the defects in the prior art, the invention aims to provide a full-digital high-frequency LED constant current driving circuit and a control method.
The invention provides a full-digital high-frequency LED constant current driving circuit, which comprises:
a power unit: energy transmission and conversion are carried out in a half-bridge topological switching mode, and the inductor is charged and flows current to enable the LED to obtain continuous current;
a feedback unit: measuring the voltage of the direct current bus and the output current of the power unit, and sending the measured voltage and the output current to the control unit for processing;
a control unit: and according to the external PWM signal and the output current measured by the feedback unit, a pair of complementary PWM signals is obtained through calculation and is output to the power unit, the power unit is controlled to carry out energy transmission and conversion, and the working state is fed back.
Preferably, the power unit includes:
a gate drive circuit: converting the pair of complementary PWM signals output by the control unit into a strong signal for driving a field effect transistor;
half-bridge of field effect transistor: connecting the gate drive circuit, the direct current bus and the LED, and driving the LED in a half-bridge topology form;
current sampling resistance: is positioned at the high end of the power supply;
the inductance: and storing energy when the lower bridge arm of the field effect transistor half bridge is switched on, and releasing the energy in the form of current when the lower bridge arm of the field effect transistor half bridge is switched off so that the current passing through the LED is kept constant in a full PWM period.
Preferably, the feedback unit includes:
the voltage division following circuit: connecting the direct current bus and the control unit, dividing and filtering the direct current bus through a resistance-capacitance network, and reducing the output impedance of a voltage dividing circuit;
a differential amplifier circuit: and connecting the two ends of the sampling resistor and the control unit, and amplifying the voltage difference value at the two ends of the sampling resistor.
Preferably, the control unit includes:
a microcontroller;
an input shaping circuit: the microcontroller is connected to filter and shape the external PWM signal;
a communication interface circuit: connecting the microcontroller with an external PC;
a clock line: the microcontroller is connected to provide a clock signal.
According to the control method of the all-digital high-frequency LED constant current drive circuit provided by the invention, the all-digital high-frequency LED constant current drive circuit of any one of claims 1 to 4 is adopted, and the control method comprises the following steps:
analyzing the pulse instruction: capturing an external PWM signal, calculating the pulse width of the external PWM signal, and converting the pulse width into a control target given value of a constant current control algorithm after digital low-pass filtering;
and (3) serial port communication processing: analyzing the received serial port data according to a self-defined communication protocol to generate a serial port data frame conforming to the self-defined communication protocol;
load parameter identification: identifying a voltage-current parameter table based on a nonlinear discrete current observer;
current control step: performing open-loop feedforward control based on a voltage-current parameter table, performing feedback control based on current deviation, and generating the pair of complementary PWM signals for half-bridge control;
comprehensive function steps: coordinating commands, switching functions, detecting faults and implementing protection.
Preferably, the serial port communication processing step includes:
a plurality of protocol frames composed of multiple bytes are specified to form a serial port instruction protocol set for issuing instructions, configuring parameters and monitoring states;
and analyzing the received serial port data according to the serial port instruction protocol set to generate a data frame conforming to the serial port instruction protocol set.
Preferably, the current controlling step includes:
feed-forward control: calculating the open-loop feedforward control PWM duty ratio according to the voltage-current parameter table of the LED;
feedback control: and carrying out nonlinear PID control based on the current deviation, and calculating the closed-loop feedback control PWM duty ratio.
Preferably, the load parameter identification step includes:
recording the voltage-current relation of the LED to form a voltage-current parameter table, and storing the voltage-current parameter table in a storage unit of the micro-control;
and predicting output current through a nonlinear discrete current observer, performing feedback correction on voltage-current parameters according to actual current, and iteratively calculating a real voltage-current parameter table.
Preferably, the integrated function step includes:
command coordination: selecting an external PWM signal or a serial port instruction;
function switching: the switching function is a normal output mode or a load identification mode;
and (3) system fault detection: and when the output current is detected to exceed the preset current range or preset time, an overcurrent signal is given, the PWM output is placed in a safe state, and the power supply of the grid drive circuit is cut off through an ENA signal.
Compared with the prior art, the invention has the following beneficial effects:
1. the full-digital high-frequency LED constant current driving circuit and the control method realize the wide-range and high-precision adjustment of current, and ensure the requirements of continuously adjustable LED light source brightness and no flicker at high frequency under the precise occasion;
2. compared with a linear constant current source, the efficiency, the precision and the high-frequency control performance of the power supply are greatly improved, so that the application scene is widened;
3. the unique power supply control method improves the steady-state precision and the response speed of current control and enhances the expansibility and the flexibility of the digital power supply.
Drawings
Other features, objects and advantages of the invention will become more apparent upon reading of the detailed description of non-limiting embodiments with reference to the following drawings:
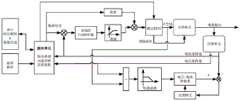
FIG. 1 is a schematic diagram of the structure of a full digital high frequency LED constant current driving circuit of the present invention;
FIG. 2 is a schematic diagram of a control method of the all-digital high-frequency LED constant current driving circuit of the present invention;
FIG. 3 is a waveform diagram of an output of the LED driving circuit according to the present invention.
Detailed Description
The present invention will be described in detail with reference to specific examples. The following examples will assist those skilled in the art in further understanding the invention, but are not intended to limit the invention in any way. It should be noted that it would be obvious to those skilled in the art that various changes and modifications can be made without departing from the spirit of the invention. All falling within the scope of the present invention.
A structural schematic diagram of an all-digital high-frequency LED constant current driving circuit is shown in fig. 1, and includes: the device comprises a power unit, a feedback unit and a control unit.
The power unit is used for energy conversion; specifically, the power transistor comprises power transistors Q1 and Q2, an inductor L1, a sampling resistor R1 and a high-speed gate driving circuit; the power tubes Q1 and Q2 are alternately conducted, the inductor L1 is charged and freewheeled in a switching mode, and constant current and constant voltage are formed on the load LED; further, by changing the time for which Q1 and Q2 are turned on, i.e., the duty ratio, the voltage of the load can be controlled, and thus the current thereof can be controlled; further, the current forms a voltage difference on the sampling resistor R1, and the magnitude of the load current can be obtained by measuring the voltage difference.
The feedback unit is used for measuring the state quantity; specifically, the voltage measuring circuit consists of a voltage division following circuit and a differential amplifying circuit, and the voltage measuring circuit measures the voltages at two ends of a direct current bus voltage and a current sampling resistor respectively and sends the voltages to a control unit for processing.
The control unit takes a microprocessor as a core, receives external signals such as PWM signals or serial communication signals, configures system parameters, samples the output of the feedback unit, outputs high-precision complementary PWM signals through calculation of an internal algorithm unit, directly controls the power unit to carry out energy transmission and conversion, and feeds back the state of the system in a serial mode; specifically, the device comprises an input shaping circuit, a communication interface circuit, a high-precision clock and a microcontroller.
The power unit works at higher frequency and higher power, so that requirements are provided for the selection of power tubes Q1 and Q2 and the selection of a gate driver circuit, and a high-speed gate driver circuit with high speed and strong driving capability should be selected by selecting a power MOSFET with low internal resistance and high speed;
further, Q1 and Q2 are set not to be on simultaneously, the state of the lower tube (Q2) is set to 1 when it is on, and the on time is set to tonThe state of the lower tube is 0 when the lower tube is turned off, and the turn-off time is toffThen the on state of Q2 is related to the output voltage and current as shown in fig. 3; setting an average voltage across an LED load to uledSetting the DC bus voltage to ubusSetting output current ripple Delta I, setting inductance to be L and defining duty ratio to be
Figure BDA0002884393130000041
Defining switching frequency
Figure BDA0002884393130000042
The relationship can be found: u. ofled=ubus×D,
Figure BDA0002884393130000043
According to the two formulas, the current ripple can be reduced by improving the duty ratio, the inductor size and the switching frequency, and the duty ratio is related to the input voltage and the LED property (LED working voltage), so that the current ripple is reduced by selecting a proper direct-current bus voltage and selecting a proper inductor and switching frequency.
According to different direct-current bus voltages, the feedback unit should select a proper voltage division proportion for the voltage division follower circuit, and the differential amplifier circuit should consider the common mode range.
The core of the control unit is a microcontroller, which requires a high main frequency due to the need of generating a high-precision PWM signal, or has a high-precision timer module, otherwise, the output voltage cannot be finely adjusted, and thus fine current control cannot be obtained.
Secondly, the control method and the design key points of the all-digital high-frequency LED constant current drive circuit are explained.
A schematic diagram of a control method of an all-digital high-frequency LED constant current driving circuit is shown in fig. 2, and includes: the device comprises a pulse instruction analysis module, a serial port communication processing module, a current control module, a load parameter identification module and a comprehensive function module.
The pulse instruction analysis module captures the time of the rising edge and the falling edge of an external pulse by adopting the input capture function of a timer and calculates the high-level pulse width; the pulse width is digitally low-pass filtered and converted to a given value for the current control module.
The serial port communication processing module comprises a serial port protocol analysis module and a serial port data generation module, wherein the serial port protocol analysis module and the serial port data generation module generate two functions and a serial port instruction protocol set; the serial port instruction protocol set specifies a plurality of protocol frames consisting of a plurality of bytes and is used for issuing instructions, configuring parameters and monitoring states; the serial port protocol analysis function is used for analyzing the received serial port data according to a serial port instruction protocol set; and a serial port data generation function for generating a data frame conforming to a serial port instruction protocol set.
The current control module comprises a feedforward control module and a feedback control module. The feedforward control module carries out open-loop feedforward control on the basis of the voltage-current parameter table; the feedback control module performs nonlinear PID control based on the current deviation and comprises the technologies of integral amplitude limiting, control quantity filtering, differential signal extraction and the like, so that the control quality is improved; the feedforward control module outputs are overlapped with the feedback control module outputs to obtain the final control output.
The load parameter identification module comprises a voltage-current parameter table and a nonlinear discrete current observer; the voltage-current parameter table is a table for recording the voltage-current relation of the load LED and is stored in a storage unit of the micro-control; the nonlinear discrete current observer obtains the deviation from the actual output by predicting the current output, and the deviation is used for carrying out feedback correction on the parameter table, so that more accurate load data is obtained.
The comprehensive function module comprises an instruction coordination module, a function switching module and a system fault detection and module; the instruction coordination module is used for selecting an output instruction of the pulse instruction analysis module or an output instruction of the serial port protocol analysis module; the function switching module is used for controlling the switching system function to be in a normal output mode or a load identification mode; the system fault detection and protection module records the time when the output current exceeds the set current, judges and gives an overcurrent signal, places the PWM output in a safe state, and cuts off the power supply of the grid drive circuit through an ENA signal.
The voltage-current parameter table should adopt a mode of discrete key points + linear or nonlinear interpolation to obtain higher-precision feedforward and shorter identification time; when performing parameter identification, it should be ensured that the identification curve is monotonous.
The nonlinear discrete current observer is used for setting the feedback correction parameters in a heuristic manner and ensuring the convergence of the feedback correction; when convergence is not guaranteed, the recognition result should indicate an error and exit.
The nonlinear PID control is properly configured according to actual needs; when the requirement on the steady-state precision is high and the transient response speed is not required, the requirement can be met by adopting integral control; when a certain response speed is required, proportional control should be added; when no overshoot in response is required, differential control should be added; setting PID parameters in a segmented mode, and debugging according to actual conditions; the adjustment of the PID parameters is also possible. The resulting output waveform is shown in fig. 3.
In the description of the present application, it is to be understood that the terms "upper", "lower", "front", "rear", "left", "right", "vertical", "horizontal", "top", "bottom", "inner", "outer", and the like indicate orientations or positional relationships based on those shown in the drawings, and are only for convenience in describing the present application and simplifying the description, but do not indicate or imply that the referred device or element must have a specific orientation, be constructed in a specific orientation, and be operated, and thus, should not be construed as limiting the present application.
The foregoing description of specific embodiments of the present invention has been presented. It is to be understood that the present invention is not limited to the specific embodiments described above, and that various changes or modifications may be made by one skilled in the art within the scope of the appended claims without departing from the spirit of the invention. The embodiments and features of the embodiments of the present application may be combined with each other arbitrarily without conflict.

Claims (9)

Translated fromChinese
1.一种全数字高频LED恒流驱动电路,其特征在于,包括:1. an all-digital high frequency LED constant current drive circuit, is characterized in that, comprises:功率单元:以半桥拓扑的开关方式进行能量传输与转换,对电感进行充电和续流,使LED获得连续的电流;Power unit: The energy transmission and conversion are carried out in the switching mode of the half-bridge topology, and the inductor is charged and freewheeling, so that the LED obtains a continuous current;反馈单元:测量直流母线电压和功率单元的输出电流,送至控制单元处理;Feedback unit: measure the DC bus voltage and the output current of the power unit, and send it to the control unit for processing;控制单元:根据外部PWM信号以及反馈单元测得的输出电流,计算得到一对互补PWM信号并输出至功率单元,控制功率单元进行能量传输与转换,并反馈工作状态。Control unit: According to the external PWM signal and the output current measured by the feedback unit, a pair of complementary PWM signals are calculated and output to the power unit to control the power unit for energy transmission and conversion, and feedback the working state.2.根据权利要求1所述的全数字高频LED恒流驱动电路,其特征在于,所述功率单元包括:2. The all-digital high-frequency LED constant current drive circuit according to claim 1, wherein the power unit comprises:门极驱动电路:将所述控制单元输出的所述对互补PWM信号转换为驱动场效应管的强信号;Gate drive circuit: converts the pair of complementary PWM signals output by the control unit into a strong signal for driving the field effect transistor;场效应管半桥:连接所述门极驱动电路、所述直流母线和所述LED,以半桥的拓扑形式驱动所述LED;FET half-bridge: connect the gate drive circuit, the DC bus and the LED, and drive the LED in a half-bridge topology;电流采样电阻:位于电源高端;Current sampling resistor: located at the high end of the power supply;所述电感:在所述场效应管半桥的下桥臂导通时存储能量,在所述场效应管半桥的下桥臂关断时以电流的形式释放能量,使通过LED的电流在全PWM周期内保持恒定。The inductance: stores energy when the lower arm of the FET half-bridge is turned on, and releases energy in the form of current when the lower arm of the FET half-bridge is turned off, so that the current passing through the LED is remains constant over the full PWM period.3.根据权利要求1所述的全数字高频LED恒流驱动电路,其特征在于,所述反馈单元包括:3. The all-digital high-frequency LED constant current drive circuit according to claim 1, wherein the feedback unit comprises:分压跟随电路:连接所述直流母线和所述控制单元,将直流母线通过阻容网络进行分压和滤波,并降低分压电路的输出阻抗;Voltage divider follower circuit: connect the DC bus and the control unit, divide and filter the DC bus through a resistance-capacitance network, and reduce the output impedance of the voltage divider circuit;差分放大电路:连接所述采样电阻的两端以及所述控制单元,将采样电阻两端的电压差值进行放大。Differential amplifying circuit: connecting two ends of the sampling resistor and the control unit, and amplifying the voltage difference between the two ends of the sampling resistor.4.根据权利要求1所述的全数字高频LED恒流驱动电路,其特征在于,所述控制单元包括:4. The all-digital high-frequency LED constant current drive circuit according to claim 1, wherein the control unit comprises:微控制器;microcontroller;输入整形电路:连接所述微控制器,对所述外部PWM信号进行滤波、整形;Input shaping circuit: connect the microcontroller to filter and shape the external PWM signal;通信接口电路:连接所述微控制器与外部PC;Communication interface circuit: connecting the microcontroller and an external PC;时钟线路:连接所述微控制器,提供时钟信号。Clock Line: Connect the microcontroller to provide a clock signal.5.一种全数字高频LED恒流驱动电路的控制方法,其特征在于,采用权利要求1至4任一项所述的全数字高频LED恒流驱动电路,执行包括:5. A control method for an all-digital high-frequency LED constant-current drive circuit, characterized in that, using the all-digital high-frequency LED constant-current drive circuit described in any one of claims 1 to 4, the execution comprises:脉冲指令解析步骤:捕获外部PWM信号并计算所述外部PWM信号的脉宽,经过数字低通滤波后转换为恒流控制算法的控制目标给定值;Pulse command analysis step: capture the external PWM signal and calculate the pulse width of the external PWM signal, and convert it into the control target given value of the constant current control algorithm after digital low-pass filtering;串口通信处理步骤:根据自定通信协议,解析接收到的串口数据,生成符合自定通信协议的串口数据帧;Serial communication processing steps: analyze the received serial port data according to the self-defined communication protocol, and generate a serial port data frame conforming to the self-defined communication protocol;负载参数辨识步骤:基于非线性离散电流观测器进行电压-电流参数表辨识;Load parameter identification step: identify the voltage-current parameter table based on the nonlinear discrete current observer;电流控制步骤:基于电压-电流参数表进行开环前馈控制,基于电流偏差进行反馈控制,生成用于半桥控制的所述对互补PWM信号;The current control step: perform open-loop feedforward control based on the voltage-current parameter table, perform feedback control based on the current deviation, and generate the pair of complementary PWM signals for half-bridge control;综合功能步骤:协调指令,切换功能,检测故障并实施保护。Comprehensive functional steps: Coordinate commands, switch functions, detect faults and implement protection.6.根据权利要求5所述的全数字高频LED恒流驱动电路的控制方法,其特征在于,所述串口通信处理步骤包括:6. The control method of an all-digital high-frequency LED constant current drive circuit according to claim 5, wherein the serial communication processing step comprises:规定多个由多字节组成的协议帧构成串口指令协议集,用于下发指令、配置参数、状态监控;It is stipulated that multiple multi-byte protocol frames constitute a serial port command protocol set, which is used to issue commands, configure parameters, and monitor status;根据串口指令协议集,解析接收到的串口数据,生成符合串口指令协议集的数据帧。According to the serial port command protocol set, parse the received serial port data, and generate a data frame conforming to the serial port command protocol set.7.根据权利要求5所述的全数字高频LED恒流驱动电路的控制方法,其特征在于,所述电流控制步骤包括:7. The control method of the all-digital high-frequency LED constant current drive circuit according to claim 5, wherein the current control step comprises:前馈控制:根据LED的电压-电流参数表计算开环前馈控制PWM占空比;Feedforward control: Calculate the open-loop feedforward control PWM duty cycle according to the voltage-current parameter table of the LED;反馈控制:基于电流偏差进行非线性PID控制,计算闭环反馈控制PWM占空比。Feedback control: Non-linear PID control is performed based on current deviation, and closed-loop feedback control PWM duty cycle is calculated.8.根据权利要求5所述的全数字高频LED恒流驱动电路的控制方法,其特征在于,所述负载参数辨识步骤包括:8. The control method of an all-digital high-frequency LED constant-current drive circuit according to claim 5, wherein the load parameter identification step comprises:记录LED的电压-电流关系形成电压-电流参数表,存储于微控制的存储单元中;Record the voltage-current relationship of the LED to form a voltage-current parameter table, which is stored in the micro-controlled storage unit;通过非线性离散电流观测器预测输出电流,并根据实际的电流对电压-电流参数进行反馈修正,迭代计算真实的电压-电流参数表。The output current is predicted by a nonlinear discrete current observer, and the voltage-current parameters are corrected by feedback according to the actual current, and the real voltage-current parameter table is iteratively calculated.9.根据权利要求5所述的全数字高频LED恒流驱动电路的控制方法,其特征在于,所述综合功能步骤包括:9. The control method of an all-digital high-frequency LED constant current drive circuit according to claim 5, wherein the integrated function step comprises:指令协调:选择外部PWM信号或串口指令;Command coordination: select external PWM signal or serial port command;功能切换:切换功能为正常输出模式或负载辨识模式;Function switching: switching function is normal output mode or load identification mode;系统故障检测:检测到输出电流超出设定电流预设范围或预设时间时,给出过流信号,将PWM输出置于安全状态,并通过ENA信号切断栅极驱动电路供电。System fault detection: When it is detected that the output current exceeds the preset current range or preset time, an overcurrent signal is given, the PWM output is placed in a safe state, and the power supply of the gate drive circuit is cut off through the ENA signal.
CN202110009140.5A2021-01-05 A fully digital high-frequency LED constant current drive circuit and control methodActiveCN112637997B (en)

Priority Applications (1)

Application NumberPriority DateFiling DateTitle
CN202110009140.5ACN112637997B (en)2021-01-05 A fully digital high-frequency LED constant current drive circuit and control method

Applications Claiming Priority (1)

Application NumberPriority DateFiling DateTitle
CN202110009140.5ACN112637997B (en)2021-01-05 A fully digital high-frequency LED constant current drive circuit and control method

Publications (2)

Publication NumberPublication Date
CN112637997Atrue CN112637997A (en)2021-04-09
CN112637997B CN112637997B (en)2025-10-10

Family

ID=

Cited By (2)

* Cited by examiner, † Cited by third party
Publication numberPriority datePublication dateAssigneeTitle
CN116321580A (en)*2023-05-252023-06-23杭州海康威视数字技术股份有限公司LED driving device, method and equipment
CN118838464A (en)*2024-06-212024-10-25深圳市硅科力科技有限公司Power supply controller output voltage control method and device based on high-precision ADC and negative feedback closed loop, computing equipment and computer program product

Citations (5)

* Cited by examiner, † Cited by third party
Publication numberPriority datePublication dateAssigneeTitle
US20090187925A1 (en)*2008-01-172009-07-23Delta Electronic Inc.Driver that efficiently regulates current in a plurality of LED strings
CN101754541A (en)*2010-01-272010-06-23英飞特电子(杭州)有限公司DC bus voltage following control circuit suitable for multi-path parallel LEDs
CN107745174A (en)*2017-11-302018-03-02华南理工大学Digitlization variable polarity welding power supply based on SiC IGBT
CN209627755U (en)*2018-12-242019-11-12江阴华慧源电子技术有限公司A kind of solar street lamp controller based on MPPT
CN214101859U (en)*2021-01-052021-08-31上海交通大学 An all-digital high-frequency LED constant current drive circuit

Patent Citations (5)

* Cited by examiner, † Cited by third party
Publication numberPriority datePublication dateAssigneeTitle
US20090187925A1 (en)*2008-01-172009-07-23Delta Electronic Inc.Driver that efficiently regulates current in a plurality of LED strings
CN101754541A (en)*2010-01-272010-06-23英飞特电子(杭州)有限公司DC bus voltage following control circuit suitable for multi-path parallel LEDs
CN107745174A (en)*2017-11-302018-03-02华南理工大学Digitlization variable polarity welding power supply based on SiC IGBT
CN209627755U (en)*2018-12-242019-11-12江阴华慧源电子技术有限公司A kind of solar street lamp controller based on MPPT
CN214101859U (en)*2021-01-052021-08-31上海交通大学 An all-digital high-frequency LED constant current drive circuit

Non-Patent Citations (3)

* Cited by examiner, † Cited by third party
Title
孙开贺: "高性能LED照明电路及其控制研究", 《中国优秀硕士学位论文全文数据库》, 15 February 2018 (2018-02-15), pages 1 - 65*
易灵芝: "面向楼宇直流微网ADR能源管理与能效优化研究", 《中国博士学位论文全文数据库》, 28 February 2017 (2017-02-28)*
游芳: "新型LED 驱动电源与控制技术的研究", 《中国优秀硕士学位论文全文数据库》, 15 May 2017 (2017-05-15), pages 1 - 68*

Cited By (3)

* Cited by examiner, † Cited by third party
Publication numberPriority datePublication dateAssigneeTitle
CN116321580A (en)*2023-05-252023-06-23杭州海康威视数字技术股份有限公司LED driving device, method and equipment
CN116321580B (en)*2023-05-252023-08-29杭州海康威视数字技术股份有限公司LED driving device, method and equipment
CN118838464A (en)*2024-06-212024-10-25深圳市硅科力科技有限公司Power supply controller output voltage control method and device based on high-precision ADC and negative feedback closed loop, computing equipment and computer program product

Similar Documents

PublicationPublication DateTitle
RU2561542C2 (en)Systems and methods for determination of inductance of welding cable
CN103648202B (en) Active power factor correction control circuit, chip and LED drive circuit
CN102333405B (en)Linear constant current controller
CN112074043A (en)Self-adaptive constant-power LED driving power supply
CN103582257A (en)LED driving device and method
CN105337501A (en)Welding power supply with digital control of duty cycle
CN101861008A (en)The controller, switching regulaor and the light source that are used for switching regulaor
CN107529249B (en)Intelligent high-power LED fish attracting lamp control system and control method thereof
CN108521219A (en) Stability analysis method of cascaded DC-DC converter based on description function method
CN103280988A (en)Driving power source and driving method of multifunctional piezoelectric pump based on FPGA
CN108526630A (en)A kind of intelligent wire cutting non-resistance and high-frequency pulse power circuit
CN111245238A (en)Three-level Boost circuit control method and system
CN201249320Y (en)Control circuit for submerged arc welding arc voltage feedback wire feeding
CN103561516A (en)Controller used for visual imaging LED light source
CN203399001U (en) Multifunctional Piezoelectric Pump Driving Power Based on FPGA
CN112637997B (en) A fully digital high-frequency LED constant current drive circuit and control method
CN112637997A (en)Full-digital high-frequency LED constant current driving circuit and control method
CN110277905A (en) Digital control method of power supply, power factor correction stage, and power factor correction method
CN214101859U (en) An all-digital high-frequency LED constant current drive circuit
CN205544936U (en)Intelligence frequency conversion buck converter
CN201231371Y (en)Novel slant pulse CO2 welding inverter
CN210669607U (en)Novel little photovoltaic solar street lamp
CN203523122U (en)Controller for vision imaging LED light source
CN109768724B (en)Method for selecting control object of switching power supply control circuit
CN202276525U (en)Linear constant current controller and chip, drive device and lighting lamp containing same

Legal Events

DateCodeTitleDescription
PB01Publication
PB01Publication
SE01Entry into force of request for substantive examination
SE01Entry into force of request for substantive examination
GR01Patent grant

[8]ページ先頭

©2009-2025 Movatter.jp