Movatterモバイル変換


[0]ホーム

URL:


CN112484254A - Control method, device, controller and system of combined air conditioning unit - Google Patents

Control method, device, controller and system of combined air conditioning unit
Download PDF

Info

Publication number
CN112484254A
CN112484254ACN202011325767.3ACN202011325767ACN112484254ACN 112484254 ACN112484254 ACN 112484254ACN 202011325767 ACN202011325767 ACN 202011325767ACN 112484254 ACN112484254 ACN 112484254A
Authority
CN
China
Prior art keywords
conditioning unit
air
air conditioning
temperature
combined air
Prior art date
Legal status (The legal status is an assumption and is not a legal conclusion. Google has not performed a legal analysis and makes no representation as to the accuracy of the status listed.)
Pending
Application number
CN202011325767.3A
Other languages
Chinese (zh)
Inventor
周伟
陈旭峰
韦夏辉
李宏波
沈铭琳
Current Assignee (The listed assignees may be inaccurate. Google has not performed a legal analysis and makes no representation or warranty as to the accuracy of the list.)
Gree Electric Appliances Inc of Zhuhai
Original Assignee
Gree Electric Appliances Inc of Zhuhai
Priority date (The priority date is an assumption and is not a legal conclusion. Google has not performed a legal analysis and makes no representation as to the accuracy of the date listed.)
Filing date
Publication date
Application filed by Gree Electric Appliances Inc of ZhuhaifiledCriticalGree Electric Appliances Inc of Zhuhai
Priority to CN202011325767.3ApriorityCriticalpatent/CN112484254A/en
Publication of CN112484254ApublicationCriticalpatent/CN112484254A/en
Pendinglegal-statusCriticalCurrent

Links

Images

Classifications

Landscapes

Abstract

The application relates to a control method, a control device, a control controller and a control system of a combined air conditioning unit. The system water supply system comprises a water supply system, a fan, a water pump, a refrigerating water supply system, a temperature control system and a control system, wherein the system water supply system firstly adopts medium-temperature water with unadjustable temperature, and preset adjusting modes of multiple differences are preset so as to carry out linkage adjustment on air supply quantity and refrigerating water supply quantity, and in the different preset adjusting modes, the ratio of the adjusted air supply quantity to the refrigerating water supply quantity is different, so that when the combined air conditioning unit is adjusted, the fan and the water pump of the combined air conditioning unit are subjected to linkage adjustment through the size relation between the current indoor. So set up, owing to can carry out the linkage to air supply volume and refrigerated water supply volume and adjust, consequently can adapt to the indoor load demand with low energy consumption and change.

Description

Control method, device, controller and system of combined air conditioning unit
Technical Field
The present application relates to the field of air conditioning technologies, and in particular, to a method, an apparatus, a controller, and a system for controlling a combined air conditioning unit.
Background
The combined air conditioning unit is an air treatment device assembled by various air treatment functional sections, is widely applied to air purification systems of various clean plants, such as industrial electronic factories, precision machinery manufacturing factories, textile workshops, automobile spraying workshops, GMP pharmaceutical factories, cosmetics, food factories, pure water workshops, hospital operating departments, ICUs and other occasions, and provides environments with specific temperature and humidity ranges for corresponding occasions by adjusting fresh air, return air and chilled water.
At present, when a combined air conditioning unit is controlled, the adopted method for adjusting air volume, water flow and water temperature is based on indoor temperature and humidity parameters to respectively perform feedback adjustment, for example, the frequency of a chilled water pump is adjusted by using a fixed air supply temperature so as to adjust the water supply flow of chilled water, and the rotating speed of a fan of the combined air conditioning unit is adjusted by using a fixed return air temperature so as to adjust the air volume, wherein the adjustment of the water flow and the air volume is independently performed, so that the energy-saving adjustment of a freezing side can not be well realized under the condition of adapting to the change of indoor load requirements.
Disclosure of Invention
The application provides a control method, a control device and a control system of a combined air conditioning unit, which aim to solve the problem that the energy-saving regulation of the refrigerating side of the combined air conditioning unit cannot be well realized under the condition of adapting to the change of indoor load demands in the traditional control method.
The above object of the present application is achieved by the following technical solutions:
in a first aspect, an embodiment of the present application provides a control method for a combined air conditioning unit, where the water supply of the combined air conditioning unit is medium temperature water with a non-adjustable temperature, the method includes:
determining a current adjusting mode of the combined air conditioning unit; the combined air conditioning unit comprises a plurality of different preset adjusting modes, and when the combined air conditioning unit is adjusted according to the different preset adjusting modes, the ratio of the adjusted air supply quantity to the chilled water supply quantity is different;
acquiring current indoor temperature, indoor humidity, target temperature and target humidity;
and adjusting a fan and a water pump of the combined air conditioning unit according to the current adjusting mode based on the indoor temperature, the indoor humidity, the target temperature and the target humidity so that the indoor temperature reaches the target temperature and the indoor humidity reaches the target humidity.
Optionally, the preset adjusting mode includes:
a first preset adjusting mode, wherein when the first preset adjusting mode is adopted, the ratio of the adjusted air supply quantity to the chilled water supply quantity is equal to 1;
a second preset adjusting mode, wherein when the second preset adjusting mode is adopted, the ratio of the adjusted air supply quantity to the chilled water supply quantity is more than 1;
a third preset adjusting mode, wherein when the third preset adjusting mode is adopted, the ratio of the adjusted air supply quantity to the chilled water supply quantity is less than 1;
and a fourth preset adjusting mode, wherein when the fourth preset adjusting mode is adopted, the ratio of the adjusted air supply quantity to the chilled water supply quantity is determined according to the lowest energy consumption principle.
Optionally, when the second preset adjusting mode is adopted, the water supply amount of the chilled water is preferentially ensured to be unchanged;
and when the third preset adjusting mode is adopted, the air supply amount is preferentially ensured to be unchanged.
Optionally, the combined air conditioning unit comprises a fresh air combined air conditioning unit and a return air combined air conditioning unit;
the determining the current adjusting mode of the combined air conditioning unit comprises the following steps:
determining a current adjusting mode of the combined air conditioning unit based on the difference between the current fresh air temperature and fresh air humidity of the combined air conditioning unit and the air supply temperature and air supply humidity;
and/or the presence of a gas in the gas,
and determining the current adjusting mode of the combined air-conditioning unit based on the difference between the current return air temperature and return air humidity of the combined air-conditioning unit and the air supply temperature and air supply humidity.
Optionally, the determining a current adjustment mode of the combined air conditioning unit further includes:
determining the operation condition of the combined air conditioning unit based on the outdoor current dry bulb temperature and controlling the combined air conditioning unit to operate; the operation working conditions of the combined air conditioning unit comprise full fresh air operation, full return air operation and mixed fresh and return air operation.
In a second aspect, an embodiment of the present application further provides a control device for a combined air conditioning unit, the water supply of the combined air conditioning unit adopts medium-temperature water with non-adjustable temperature, the device includes:
the first determination module is used for determining the current adjusting mode of the combined air conditioning unit; the combined air conditioning unit comprises a plurality of different preset adjusting modes, and when the combined air conditioning unit is adjusted according to the different preset adjusting modes, the ratio of the adjusted air supply quantity to the chilled water supply quantity is different;
the acquisition module is used for acquiring the current indoor temperature, indoor humidity, target temperature and target humidity;
and the adjusting module is used for adjusting the fan and the water pump of the combined air conditioning unit according to the current adjusting mode based on the indoor temperature, the indoor humidity, the target temperature and the target humidity so as to enable the indoor temperature to reach the target temperature and the indoor humidity to reach the target humidity.
Optionally, the preset adjusting mode includes:
a first preset adjusting mode, wherein when the first preset adjusting mode is adopted, the ratio of the adjusted air supply quantity to the chilled water supply quantity is equal to 1;
a second preset adjusting mode, wherein when the second preset adjusting mode is adopted, the ratio of the adjusted air supply quantity to the chilled water supply quantity is more than 1;
a third preset adjusting mode, wherein when the third preset adjusting mode is adopted, the ratio of the adjusted air supply quantity to the chilled water supply quantity is less than 1;
and a fourth preset adjusting mode, wherein when the fourth preset adjusting mode is adopted, the ratio of the adjusted air supply quantity to the chilled water supply quantity is determined according to the lowest energy consumption principle.
Optionally, when the second preset adjusting mode is adopted, the water supply amount of the chilled water is preferentially ensured to be unchanged;
and when the third preset adjusting mode is adopted, the air supply amount is preferentially ensured to be unchanged.
Optionally, the combined air conditioning unit comprises a fresh air combined air conditioning unit and a return air combined air conditioning unit;
the first determining module includes:
the first determining unit is used for determining the current adjusting mode of the combined air conditioning unit based on the difference value between the current fresh air temperature and fresh air humidity of the combined air conditioning unit and the air supply temperature and air supply humidity;
and/or the presence of a gas in the gas,
and the second determining unit is used for determining the current adjusting mode of the combined air-conditioning unit based on the difference value between the current return air temperature and return air humidity of the combined air-conditioning unit and the air supply temperature and air supply humidity.
Optionally, the apparatus further comprises:
the second determining module is used for determining the operation condition of the combined air conditioning unit based on the outdoor current dry bulb temperature and controlling the combined air conditioning unit to operate; the operation working conditions of the combined air conditioning unit comprise full fresh air operation, full return air operation and mixed fresh and return air operation.
In a third aspect, an embodiment of the present application further provides a controller of a combined air conditioning unit, including:
a memory and a processor coupled to the memory;
the memory for storing a program for implementing at least the method of any one of the first aspect;
the processor is used for calling and executing the program stored in the memory.
In a fourth aspect, an embodiment of the present application further provides a combined air conditioning system, which includes:
the air conditioner comprises a fresh air type combined air conditioner unit, a return air type combined air conditioner unit and a controller of the combined air conditioner unit, wherein the controller of the combined air conditioner unit is connected with the fresh air type combined air conditioner unit and the return air type combined air conditioner unit.
The technical scheme provided by the embodiment of the application can have the following beneficial effects:
in the technical scheme that the embodiment of this application provided, at first the system supplies water and adopts the not adjustable well warm water of temperature, and set up multiple different preset regulation mode in advance, in order to carry out the linkage regulation to air supply volume and refrigerated water supply volume, and in the different preset regulation mode, the air supply volume of adjusting is different with the ratio of refrigerated water supply volume, thereby when adjusting, carry out the linkage regulation to combined air conditioning unit's fan and water pump through the big or small relation of current indoor humiture and target humiture, so that the indoor humiture after adjusting reaches the target humiture. So set up, owing to can carry out the linkage to air supply volume and refrigerated water supply volume and adjust, consequently can adapt to the indoor load demand with low energy consumption and change.
It is to be understood that both the foregoing general description and the following detailed description are exemplary and explanatory only and are not restrictive of the application.
Drawings
The accompanying drawings, which are incorporated in and constitute a part of this specification, illustrate embodiments consistent with the present application and together with the description, serve to explain the principles of the application.
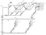
Fig. 1 is a schematic structural diagram of an air system of a combined air conditioning system according to an embodiment of the present application;
FIG. 2 is a schematic structural diagram of a water system of a combined air conditioning system according to an embodiment of the present application;
fig. 3 is a flowchart illustrating a control method for a combined air conditioning unit according to an embodiment of the present application;
fig. 4 is a schematic structural diagram of a control device of a combined air conditioning unit according to an embodiment of the present application;
fig. 5 is a schematic structural diagram of a controller of a combined air conditioning unit according to an embodiment of the present application;
in fig. 1 and 2, 1-a fresh air type combined air conditioning unit; 2-a first return air type combined air conditioning unit; 3-a second return air type combined air conditioning unit; 4-air supply header; 5-blast pipe; 6-air return pipe; 7-fresh air pipe; 8-adjusting valve; 9-air hose soft connection; 10-a check valve; 11-smoke and fire prevention valve; 12-a first water-cooled chiller unit; 13-a second water-cooled chiller; 14-a first chilled water pump; 15-a second chilled water pump; 16-a third chilled water pump; 17-chilled water supply pipe; 18-chilled water return pipe; 19-a water treatment device; 20-automatic exhaust valve.
Detailed Description
Reference will now be made in detail to the exemplary embodiments, examples of which are illustrated in the accompanying drawings. When the following description refers to the accompanying drawings, like numbers in different drawings represent the same or similar elements unless otherwise indicated. The embodiments described in the following exemplary embodiments do not represent all embodiments consistent with the present application. Rather, they are merely examples of apparatus and methods consistent with certain aspects of the present application, as detailed in the appended claims.
Examples
In order to make the technical solution of the present application easier to understand, a combined air conditioning system to which the control method of the combined air conditioning unit provided in the present application can be applied is first shown.
Referring to fig. 1 and 2, fig. 1 is a schematic structural diagram of an air system of a combined air conditioning system according to an embodiment of the present disclosure, and fig. 2 is a schematic structural diagram of a water system of a combined air conditioning system according to an embodiment of the present disclosure. Wherein, the wind system shown in fig. 1 and the water system shown in fig. 2 together constitute the combined air conditioning system of the present embodiment.
As shown in fig. 1 and 2, the system mainly includes a fresh air type combined air-conditioning unit 1, two return air type combined air-conditioning units, i.e., a first return air type combined air-conditioning unit 2 and a second return air type combined air-conditioning unit 3, an air supply header 4, air system pipes (an air supply pipe 5, a return air pipe 6, and a fresh air pipe 7), water system pipes (a chilledwater supply pipe 17, a chilled water return pipe 18), a fan (not shown), chilled water pumps (a firstchilled water pump 14, a secondchilled water pump 15, and a third chilled water pump 16), water chilling units (a first water-cooledwater chiller 12, a second water-cooled water chiller 13), and various valves disposed on the pipes. On the basis of the figure, the system further includes a controller (a cooling and heating type proportional plus integral controller can be adopted), temperature and humidity sensors installed in an application scene (such as a production workshop), temperature and humidity sensors installed in various pipelines, and an electric two-way valve (a proportional integral electric two-way valve) installed on the chilled water return pipe 18. The regulating valve 8 is preferably a split multi-blade regulating valve, the chiller units (thefirst water chiller 12 and the second water chiller 13) are preferably permanent magnet synchronous variable frequency screw type water chillers, the chilled water pumps (the firstchilled water pump 14, the secondchilled water pump 15 and the third chilled water pump 16) are preferably variable frequency vertical centrifugal pumps, and the smoke and fire prevention valve 11 is preferably a 70 ℃ smoke and fire prevention valve.
The return air type combined air conditioning units (the first return air type combined air conditioning unit 2 and the second return air type combined air conditioning unit 3) use return air temperature and humidity as control signals, and the fresh air type combined air conditioning unit 1 uses supply air temperature and humidity as control signals. The combined air conditioning unit control buttons are preferably arranged in an air conditioning machine room (local control), and the building automatic control system can be remotely monitored.
The blower of each combined air conditioning unit adopts a blower wall (namely an array blower), the number of the blowers on the blower wall is adjusted according to the change of indoor load, and outdoor natural cold sources are introduced in transitional seasons and winter.
In addition, due to special conditions, in order to facilitate control and adjustment of the system, the temperature of the supplied water in the embodiment is initially medium temperature and reaches a limit, that is, the supplied water of the combined air conditioning unit adopts medium temperature water with non-adjustable temperature, wherein the temperature range of the medium temperature water is 9-13 ℃.
Based on this, referring to fig. 3, fig. 3 is a flowchart illustrating a control method of a combined air conditioning unit according to an embodiment of the present application. The method is realized by a controller of the combined air conditioning unit.
As shown in fig. 3, the method comprises at least the following steps:
s101: determining a current adjusting mode of the combined air conditioning unit; the combined air conditioning unit comprises a plurality of different preset adjusting modes, and when the combined air conditioning unit is adjusted according to the different preset adjusting modes, the ratio of the adjusted air supply quantity to the chilled water supply quantity is different;
specifically, in the prior art, since the air volume (air supply volume) and the water flow volume (chilled water supply volume) of the system are independently adjusted, indoor temperature and humidity parameters tend to rapidly reach the set target temperature and humidity, and thus energy-saving operation of the system is difficult to be considered. Based on this, this embodiment provides a scheme to air supply volume and refrigerated water supply volume linkage regulation to under the prerequisite that adapts to indoor compound demand and changes, reduce system's energy consumption. The method comprises the following steps of presetting a plurality of different preset adjusting modes, and adjusting a unit by adopting different ratios of air supply quantity to chilled water supply quantity in each mode.
For convenience of explanation, in the embodiments of the present application, the parameter "ratio of the amount of supplied air to the amount of supplied chilled water" is simply defined as "air-water ratio".
Furthermore, the present embodiment can adjust the wind-water ratio from the viewpoints of cooperativity, priority, energy consumption, and the like.
For example, in some embodiments, the preset adjustment mode comprises: a first preset adjustment mode, a second preset adjustment mode, a third preset adjustment mode and a fourth preset adjustment mode; wherein,
when the first preset adjusting mode is adopted, the ratio of the adjusted air supply quantity to the chilled water supply quantity is equal to 1; that is, the air-water ratio corresponding to the first preset adjusting mode is equal to 1, and when the adjustment is performed, the air supply quantity and the chilled water supply quantity are increased in equal proportion; the adjusting mode with the wind-water ratio equal to 1 starts from the cooperativity of the system so as to ensure that the wind system and the water system both run stably;
when the second preset adjusting mode is adopted, the ratio of the adjusted air supply quantity to the chilled water supply quantity is more than 1; that is, the air-water ratio corresponding to the second preset adjustment mode is greater than 1, and when the adjustment is performed, the adjustment amount of the air supply amount is greater than the adjustment amount of the chilled water supply amount, and preferably, the air supply amount is adjusted first while the chilled water supply amount is preferably kept unchanged; the air-water ratio is more than 1, the air-water ratio is suitable for the condition that the difference between return air temperature and humidity (which can be acquired by a temperature and humidity sensor arranged in a return air pipe 6) or fresh air temperature and humidity (which can be acquired by a temperature and humidity sensor arranged in a fresh air pipe 7) and air supply temperature and humidity (which can be acquired by a temperature and humidity sensor arranged in an air supply pipe 5) is small, the water supply amount of chilled water can be preferentially ensured to be unchanged, the air supply amount is increased by increasing the return air amount or the fresh air amount, sufficient heat and humidity exchange is carried out through a combined air conditioning unit so as to meet indoor temperature and humidity requirements, when the difference between indoor and outdoor temperatures is small, such as transition seasons (spring and autumn), the water flow is preferentially ensured to be unchanged, and by increasing the fresh air amount, the indoor temperature and humidity requirements;
thirdly, when the third preset adjusting mode is adopted, the ratio of the adjusted air supply quantity to the chilled water supply quantity is less than 1; that is, the air-water ratio corresponding to the third preset adjustment mode is less than 1, and when adjustment is performed, the adjustment amount of the supply amount of the chilled water is greater than the adjustment amount of the supply amount of the air, and preferably, the supply amount of the chilled water is adjusted first by ensuring that the supply amount of the air is unchanged; the air-water ratio is less than 1, the air-water ratio regulation mode is suitable for the condition that the difference value between return air temperature and humidity or between fresh air temperature and humidity and supplied air temperature and humidity is large, the supplied air quantity can be preferentially ensured to be unchanged, the indoor temperature and humidity requirements can be met by increasing the supply water quantity and carrying out sufficient heat and humidity exchange through a combined air conditioning unit, for example, in hot summer, the outdoor temperature and humidity are extremely high, the introduced quantity of fresh air is strictly controlled, the supplied air quantity is preferentially ensured to be unchanged, the temperature and humidity requirements of a production workshop are met by increasing the supply water quantity, and meanwhile, the supplied air noise of a scene with high sound environment requirements is well controlled;
in other words, when the combined air-conditioning unit includes a fresh air type combined air-conditioning unit and a return air type combined air-conditioning unit; determining the current adjusting mode of the combined air conditioning unit in step S101 includes:
determining a current adjusting mode of the combined air conditioning unit based on the difference between the current fresh air temperature and fresh air humidity of the combined air conditioning unit and the air supply temperature and air supply humidity; and/or determining the current adjusting mode of the combined air-conditioning unit based on the difference between the current return air temperature and return air humidity of the combined air-conditioning unit and the air supply temperature and air supply humidity;
determining the ratio of the adjusted air supply quantity to the chilled water supply quantity according to the lowest energy consumption principle when the fourth preset adjusting mode is adopted; that is, the fourth preset adjusting mode does not limit the range of the air-water ratio, but determines the adjusted air-water ratio according to the lowest energy consumption principle, and when adjusting, automatically adjusts the air-water ratio according to the real-time feedback signal of the indoor temperature and humidity, so that the indoor temperature and humidity are kept in the required range by low-energy consumption operation.
S102: acquiring current indoor temperature, indoor humidity, target temperature and target humidity;
the indoor temperature and the indoor humidity can be acquired by temperature and humidity sensors arranged indoors, and a plurality of temperature and humidity sensors can be arranged at different indoor positions according to parameters such as indoor area and the like; the target temperature and the target humidity are set by a user and then stored in the controller;
s103: and adjusting a fan and a water pump of the combined air conditioning unit according to the current adjusting mode based on the indoor temperature, the indoor humidity, the target temperature and the target humidity so that the indoor temperature reaches the target temperature and the indoor humidity reaches the target humidity.
Specifically, when the system is in operation, the controller compares the temperature and humidity detected by the indoor temperature and humidity sensor with the temperature and humidity set by the temperature and humidity controller, and outputs corresponding voltage signals according to the comparison result to control the actions of the electric two-way valve and the fans of the combined air conditioning units, on one hand, the water flow of the chilledwater supply pipe 17 is changed through the frequency conversion work of the chilled water pumps, on the other hand, the air return amount (air supply) and the fresh air amount of the air supply header 4 are changed through the frequency conversion operation of the fans of the combined air conditioning units, and further, the air supply amount of the air supply pipe 5, the air return amount of the air return pipe 6 and the fresh air amount of the fresh air pipe 7 are changed, so that the circulation of indoor air and the adjustment of the.
For example, for the first preset regulation mode with the air-water ratio equal to 1, firstly, the water flow of the chilledwater supply pipe 17 is regulated by regulating the operating frequency of the chilled water pump, and meanwhile, the (air supply) return air volume and the fresh air volume of the air supply header 4 are regulated by regulating the operating frequency of the fans of each combined air conditioning unit in equal proportion, so that the coordination of the system is ensured;
for the second preset adjusting mode with the air-water ratio larger than 1, firstly, adjusting the (air supply) return air volume and the fresh air volume of the air supply header 4 by adjusting the operating frequency of the fans of all the combined air conditioning units, and secondly, if the target is not reached, adjusting the water flow of the chilledwater supply pipe 17 by adjusting the operating frequency of all the chilled water pumps so as to ensure the low-energy consumption operation of the system;
for the third preset adjusting mode with the air-water ratio smaller than 1, firstly adjusting the running frequency of each chilled water pump to adjust the water flow of the chilledwater supply pipe 17, and secondly adjusting the running frequency of the fan of each combined air conditioning unit to adjust the (feeding) return air volume and the fresh air volume of the air supply header 4 if the target is not reached so as to ensure the low-energy consumption running of the system;
for the fourth preset regulation mode with energy saving priority, the water flow of the chilledwater supply pipe 17 is regulated by regulating the operating frequency of each chilled water pump, and the (air supply) return air volume and fresh air volume of the air supply header 4 are regulated by regulating the operating frequency of the fan of each combined air conditioning unit, so that the air-water ratio is automatically regulated according to the real-time feedback signal of the indoor temperature and humidity, and the indoor temperature and humidity are kept in the required range by low-energy consumption operation.
Among the above-mentioned technical scheme, at first the system supplies water and adopts the temperature not adjustable well warm water to preset the regulation mode of multiple difference, in order to carry out the linkage regulation to air supply volume and refrigerated water supply volume, and in the different regulation mode of presetting, the air supply volume of adjusting is different with the ratio of refrigerated water supply volume, thereby when adjusting, carry out the linkage regulation to combined air conditioning unit's fan and water pump through the big or small relation of current indoor humiture and target humiture, so that the indoor humiture after the messenger adjusts reaches the target humiture. So set up, owing to can carry out the linkage to air supply volume and refrigerated water supply volume and adjust, consequently can adapt to the indoor load demand with low energy consumption and change.
It should be understood that, although the method for controlling the combined air conditioning unit according to the embodiment is described based on the system shown in fig. 1 and 2, this does not mean that the method described in this embodiment can only be applied to the above-described system, but only that the corresponding system includes the fresh air type combined air conditioning unit and the return air type combined air conditioning unit and the corresponding necessary components, and the system is controlled based on the temperature and humidity parameters collected by the temperature and humidity sensor set in the application scenario.
In addition, in a specific implementation, the step S101 determines a current adjustment mode of the combined air conditioning unit, and includes:
determining the operation condition of the combined air conditioning unit based on the outdoor current dry bulb temperature and controlling the combined air conditioning unit to operate; the operation working conditions of the combined air conditioning unit comprise full fresh air operation, full return air operation and mixed fresh and return air operation.
Specifically, in the summer cooling period, because the outdoor temperature is high, for example, when the outdoor air dry bulb temperature Tw is greater than or equal to 26 ℃, the water-cooled water chilling units (the first water-cooled water chilling unit 12 and the second water-cooled water chilling unit 13) are used for cooling, each return air type combined air conditioning unit operates under the full return air working condition, and the fresh air type combined air conditioning unit 1 does not operate, namely, operates under the full return air condition; in a transition season, for example, when the temperature Tw of outdoor air dry balls meets the condition that Tw is more than or equal to 18 ℃ and less than 26 ℃, partial outdoor natural cold sources are introduced into the system, each return air type combined air conditioning unit is operated by mixing fresh return air, and the surface air cooler is still considered to operate, namely operated by mixing the fresh return air; when the outdoor temperature is lower in the transition season and winter, for example, when the outdoor air dry bulb temperature Tw is less than 18 ℃, all outdoor natural cold sources are introduced into the system, each air return type combined air conditioning unit is switched to be operated by fresh air, and the surface air cooler stops operating.
In addition, the present application also provides a control device of a combined air conditioning unit, corresponding to the control method of the combined air conditioning unit provided in the above embodiment.
Referring to fig. 4, fig. 4 is a schematic structural diagram of a control device of a combined air conditioning unit according to an embodiment of the present application. As shown in fig. 4, the apparatus includes:
a first determiningmodule 41, configured to determine a current adjustment mode of the combined air conditioning unit; the combined air conditioning unit comprises a plurality of different preset adjusting modes, and when the combined air conditioning unit is adjusted according to the different preset adjusting modes, the ratio of the adjusted air supply quantity to the chilled water supply quantity is different;
an obtainingmodule 42, configured to obtain a current indoor temperature, an indoor humidity, a target temperature, and a target humidity;
and an adjustingmodule 43, configured to adjust a fan and a water pump of the combined air conditioning unit according to the current adjusting mode based on the indoor temperature, the indoor humidity, the target temperature, and the target humidity, so that the indoor temperature reaches the target temperature and the indoor humidity reaches the target humidity.
Optionally, the preset adjusting mode includes:
a first preset adjusting mode, wherein when the first preset adjusting mode is adopted, the ratio of the adjusted air supply quantity to the chilled water supply quantity is equal to 1;
a second preset adjusting mode, wherein when the second preset adjusting mode is adopted, the ratio of the adjusted air supply quantity to the chilled water supply quantity is more than 1;
a third preset adjusting mode, wherein when the third preset adjusting mode is adopted, the ratio of the adjusted air supply quantity to the chilled water supply quantity is less than 1;
and a fourth preset adjusting mode, wherein when the fourth preset adjusting mode is adopted, the ratio of the adjusted air supply quantity to the chilled water supply quantity is determined according to the lowest energy consumption principle.
Optionally, when the second preset adjusting mode is adopted, the water supply amount of the chilled water is preferentially ensured to be unchanged;
and when the third preset adjusting mode is adopted, the air supply amount is preferentially ensured to be unchanged.
Optionally, the combined air conditioning unit comprises a fresh air combined air conditioning unit and a return air combined air conditioning unit;
the first determining module includes:
the first determining unit is used for determining the current adjusting mode of the combined air conditioning unit based on the difference value between the current fresh air temperature and fresh air humidity of the combined air conditioning unit and the air supply temperature and air supply humidity;
and/or the presence of a gas in the gas,
and the second determining unit is used for determining the current adjusting mode of the combined air-conditioning unit based on the difference value between the current return air temperature and return air humidity of the combined air-conditioning unit and the air supply temperature and air supply humidity.
Optionally, the apparatus further comprises:
the second determining module is used for determining the operation condition of the combined air conditioning unit based on the outdoor current dry bulb temperature and controlling the combined air conditioning unit to operate; the operation working conditions of the combined air conditioning unit comprise full fresh air operation, full return air operation and mixed fresh and return air operation.
The specific implementation manner of the functions implemented by the functional modules may be implemented by referring to the corresponding content in the above method embodiments, and is not described in detail here.
In addition, the present application also provides a controller of a combined air conditioning unit corresponding to the control method of the combined air conditioning unit provided in the above embodiment. The controller is also the controller of the combined air conditioning system mentioned in the above embodiments.
Referring to fig. 5, fig. 5 is a schematic structural diagram of a controller of a combined air conditioning unit according to an embodiment of the present application. As shown in fig. 5, the controller includes:
amemory 51 and aprocessor 52 connected to thememory 51;
thememory 51 is used to store a program for implementing at least the control method of the combined air conditioning unit described in the foregoing embodiment;
theprocessor 52 is used to call and execute the program stored in thememory 51.
The specific implementation manner of the functions implemented by the program may be implemented by referring to the corresponding content in the above method embodiments, and is not described in detail here.
Among the above-mentioned technical scheme, at first the system supplies water and adopts the temperature not adjustable well warm water to preset the regulation mode of multiple difference, in order to carry out the linkage regulation to air supply volume and refrigerated water supply volume, wherein, among the different preset regulation modes, the air supply volume of regulation is different with the ratio of refrigerated water supply volume, and when adjusting, carries out the linkage regulation to combined type air conditioning unit's fan and water pump through the big or small relation of current indoor humiture and target humiture, so that the indoor humiture after the messenger adjusts reaches the target humiture. So set up, owing to can carry out the linkage to air supply volume and refrigerated water supply volume and adjust, consequently can adapt to the indoor load demand with low energy consumption and change.
It is understood that the same or similar parts in the above embodiments may be mutually referred to, and the same or similar parts in other embodiments may be referred to for the content which is not described in detail in some embodiments.
It should be noted that, in the description of the present application, the terms "first", "second", etc. are used for descriptive purposes only and are not to be construed as indicating or implying relative importance. Further, in the description of the present application, the meaning of "a plurality" means at least two unless otherwise specified.
Any process or method descriptions in flow charts or otherwise described herein may be understood as representing modules, segments, or portions of code which include one or more executable instructions for implementing specific logical functions or steps of the process, and the scope of the preferred embodiments of the present application includes other implementations in which functions may be executed out of order from that shown or discussed, including substantially concurrently or in reverse order, depending on the functionality involved, as would be understood by those reasonably skilled in the art of the present application.
It should be understood that portions of the present application may be implemented in hardware, software, firmware, or a combination thereof. In the above embodiments, the various steps or methods may be implemented in software or firmware stored in memory and executed by a suitable instruction execution system. For example, if implemented in hardware, as in another embodiment, any one or combination of the following techniques, which are known in the art, may be used: a discrete logic circuit having a logic gate circuit for implementing a logic function on a data signal, an application specific integrated circuit having an appropriate combinational logic gate circuit, a Programmable Gate Array (PGA), a Field Programmable Gate Array (FPGA), or the like.
It will be understood by those skilled in the art that all or part of the steps carried by the method for implementing the above embodiments may be implemented by hardware related to instructions of a program, which may be stored in a computer readable storage medium, and when the program is executed, the program includes one or a combination of the steps of the method embodiments.
In addition, functional units in the embodiments of the present application may be integrated into one processing module, or each unit may exist alone physically, or two or more units are integrated into one module. The integrated module can be realized in a hardware mode, and can also be realized in a software functional module mode. The integrated module, if implemented in the form of a software functional module and sold or used as a stand-alone product, may also be stored in a computer readable storage medium.
The storage medium mentioned above may be a read-only memory, a magnetic or optical disk, etc.
In the description herein, reference to the description of the term "one embodiment," "some embodiments," "an example," "a specific example," or "some examples," etc., means that a particular feature, structure, material, or characteristic described in connection with the embodiment or example is included in at least one embodiment or example of the application. In this specification, the schematic representations of the terms used above do not necessarily refer to the same embodiment or example. Furthermore, the particular features, structures, materials, or characteristics described may be combined in any suitable manner in any one or more embodiments or examples.
Although embodiments of the present application have been shown and described above, it is understood that the above embodiments are exemplary and should not be construed as limiting the present application, and that variations, modifications, substitutions and alterations may be made to the above embodiments by those of ordinary skill in the art within the scope of the present application.

Claims (12)

CN202011325767.3A2020-11-242020-11-24Control method, device, controller and system of combined air conditioning unitPendingCN112484254A (en)

Priority Applications (1)

Application NumberPriority DateFiling DateTitle
CN202011325767.3ACN112484254A (en)2020-11-242020-11-24Control method, device, controller and system of combined air conditioning unit

Applications Claiming Priority (1)

Application NumberPriority DateFiling DateTitle
CN202011325767.3ACN112484254A (en)2020-11-242020-11-24Control method, device, controller and system of combined air conditioning unit

Publications (1)

Publication NumberPublication Date
CN112484254Atrue CN112484254A (en)2021-03-12

Family

ID=74933216

Family Applications (1)

Application NumberTitlePriority DateFiling Date
CN202011325767.3APendingCN112484254A (en)2020-11-242020-11-24Control method, device, controller and system of combined air conditioning unit

Country Status (1)

CountryLink
CN (1)CN112484254A (en)

Cited By (4)

* Cited by examiner, † Cited by third party
Publication numberPriority datePublication dateAssigneeTitle
CN113525437A (en)*2021-06-302021-10-22广州鼎汉轨道交通车辆装备有限公司R744 refrigerant heat pump air conditioning unit, system and control method thereof
CN114135994A (en)*2021-11-152022-03-04国网湖北省电力有限公司电力科学研究院 A central air-conditioning demand response method and system for simultaneously adjusting indoor temperature and humidity
CN114857735A (en)*2022-04-132022-08-05清华大学Air-conditioning air-water system control method, device and equipment without electric water regulating valve
CN116156842A (en)*2023-02-202023-05-23青岛海尔空调电子有限公司Method and device for controlling machine room air conditioner, machine room air conditioner and storage medium

Citations (9)

* Cited by examiner, † Cited by third party
Publication numberPriority datePublication dateAssigneeTitle
CN103335363A (en)*2013-05-222013-10-02华中科技大学Control device and control method for integral centralized air processing system
CN103574829A (en)*2012-07-182014-02-12同方泰德国际科技(北京)有限公司Energy saving control method for air conditioning unit
CN103822337A (en)*2014-03-072014-05-28贵州汇通华城股份有限公司Energy-saving adjusting method and device for air conditioner end equipment
CN106871371A (en)*2017-03-142017-06-20广州市高衡力节能科技股份有限公司Tail end of central air conditioner metering and control device based on air enthalpy difference
CN107178868A (en)*2017-04-202017-09-19深圳达实智能股份有限公司A kind of hospital clinic fan coil wind speed and cold inter-linked controlling method and device
US20180328370A1 (en)*2017-05-152018-11-15Regal Beloit America, Inc.Motor controller for electric blower motors
US20200158368A1 (en)*2007-08-032020-05-21Honeywell International Inc.Fan coil thermostat with fan ramping
CN111750507A (en)*2019-03-272020-10-09南京南瑞继保电气有限公司Air conditioner tail end wind and water linkage adjusting system and adjusting method
CN111947275A (en)*2020-07-312020-11-17南京理工大学 Energy-saving optimization method of feng shui linkage in subway stations

Patent Citations (9)

* Cited by examiner, † Cited by third party
Publication numberPriority datePublication dateAssigneeTitle
US20200158368A1 (en)*2007-08-032020-05-21Honeywell International Inc.Fan coil thermostat with fan ramping
CN103574829A (en)*2012-07-182014-02-12同方泰德国际科技(北京)有限公司Energy saving control method for air conditioning unit
CN103335363A (en)*2013-05-222013-10-02华中科技大学Control device and control method for integral centralized air processing system
CN103822337A (en)*2014-03-072014-05-28贵州汇通华城股份有限公司Energy-saving adjusting method and device for air conditioner end equipment
CN106871371A (en)*2017-03-142017-06-20广州市高衡力节能科技股份有限公司Tail end of central air conditioner metering and control device based on air enthalpy difference
CN107178868A (en)*2017-04-202017-09-19深圳达实智能股份有限公司A kind of hospital clinic fan coil wind speed and cold inter-linked controlling method and device
US20180328370A1 (en)*2017-05-152018-11-15Regal Beloit America, Inc.Motor controller for electric blower motors
CN111750507A (en)*2019-03-272020-10-09南京南瑞继保电气有限公司Air conditioner tail end wind and water linkage adjusting system and adjusting method
CN111947275A (en)*2020-07-312020-11-17南京理工大学 Energy-saving optimization method of feng shui linkage in subway stations

Cited By (6)

* Cited by examiner, † Cited by third party
Publication numberPriority datePublication dateAssigneeTitle
CN113525437A (en)*2021-06-302021-10-22广州鼎汉轨道交通车辆装备有限公司R744 refrigerant heat pump air conditioning unit, system and control method thereof
CN113525437B (en)*2021-06-302023-10-03广州鼎汉轨道交通车辆装备有限公司R744 refrigerant heat pump air conditioning unit, system and control method thereof
CN114135994A (en)*2021-11-152022-03-04国网湖北省电力有限公司电力科学研究院 A central air-conditioning demand response method and system for simultaneously adjusting indoor temperature and humidity
CN114857735A (en)*2022-04-132022-08-05清华大学Air-conditioning air-water system control method, device and equipment without electric water regulating valve
CN114857735B (en)*2022-04-132023-01-10清华大学 Air-conditioning Fengshui system control method, device and equipment without electric regulating water valve
CN116156842A (en)*2023-02-202023-05-23青岛海尔空调电子有限公司Method and device for controlling machine room air conditioner, machine room air conditioner and storage medium

Similar Documents

PublicationPublication DateTitle
CN112484254A (en)Control method, device, controller and system of combined air conditioning unit
CN103196214B (en)Method for controlling indoor machine of air conditioner and indoor machine of air conditioner
KR100933515B1 (en) Energy Saving Thermo-hygrostat Using Cooling Tower Cooling Water and Its Control Method
US20110088426A1 (en)System and method to control sensible and latent heat in a storage unit
CN110736145A (en)double-air-duct air conditioner and dehumidification method and system thereof
CN109237703B (en)Control method for multi-split air conditioning system
CN113739371B (en)Central air conditioning system based on cloud cooperation and control method thereof
JP6079802B2 (en) Air conditioning system for cultivation room
CN112665243B (en)Air conditioner control method, control device and system for breeding
CN105180538A (en)Power distribution device of inverter compressor and operation method of power distribution device
CN110736143A (en)double-air-duct air conditioner and dehumidification method and system thereof
CN103604164B (en)A kind of air conditioner unit
CN114459133A (en)Energy-saving control method and energy-saving control system for central air-conditioning system
CN117537472A (en)Indoor and outdoor environment self-adaptive variable air volume air conditioner control method and control system
CN203571921U (en)Ventilating air conditioning unit
CN110230867B (en)Operation control method and device of air conditioner
KR101562641B1 (en)Air conditioning system
CN106931544A (en)Energy-saving central air conditioner automatic control system
CN2851936Y (en)Air conditioner capable of automatically adjusting condensation load
CN214701108U (en)Central air-conditioning air supply system
CN201772571U (en) A multi-connected indoor unit air side bypass capacity control device
CN112484248B (en)Air conditioner device control method and device and air conditioner
AU2013101086A4 (en)Air conditioning system and method of control in heat mode
CN114110932A (en)Method and device for adjusting air volume of outer fan, air conditioner outer unit and air conditioner
JP2018009753A (en) Air conditioning system

Legal Events

DateCodeTitleDescription
PB01Publication
PB01Publication
SE01Entry into force of request for substantive examination
SE01Entry into force of request for substantive examination
RJ01Rejection of invention patent application after publication
RJ01Rejection of invention patent application after publication

Application publication date:20210312


[8]ページ先頭

©2009-2025 Movatter.jp