Movatterモバイル変換


[0]ホーム

URL:


CN112467683A - PIM module overcurrent fault detection and overcurrent protection device and method - Google Patents

PIM module overcurrent fault detection and overcurrent protection device and method
Download PDF

Info

Publication number
CN112467683A
CN112467683ACN202011117133.9ACN202011117133ACN112467683ACN 112467683 ACN112467683 ACN 112467683ACN 202011117133 ACN202011117133 ACN 202011117133ACN 112467683 ACN112467683 ACN 112467683A
Authority
CN
China
Prior art keywords
current
module
signal
value
pim
Prior art date
Legal status (The legal status is an assumption and is not a legal conclusion. Google has not performed a legal analysis and makes no representation as to the accuracy of the status listed.)
Pending
Application number
CN202011117133.9A
Other languages
Chinese (zh)
Inventor
唐海洋
李赛
丁晶晶
Current Assignee (The listed assignees may be inaccurate. Google has not performed a legal analysis and makes no representation or warranty as to the accuracy of the list.)
Gree Electric Appliances Inc of Zhuhai
Original Assignee
Gree Electric Appliances Inc of Zhuhai
Priority date (The priority date is an assumption and is not a legal conclusion. Google has not performed a legal analysis and makes no representation as to the accuracy of the date listed.)
Filing date
Publication date
Application filed by Gree Electric Appliances Inc of ZhuhaifiledCriticalGree Electric Appliances Inc of Zhuhai
Priority to CN202011117133.9ApriorityCriticalpatent/CN112467683A/en
Publication of CN112467683ApublicationCriticalpatent/CN112467683A/en
Pendinglegal-statusCriticalCurrent

Links

Images

Classifications

Landscapes

Abstract

The invention relates to a device and a method for detecting and protecting an overcurrent fault of a PIM module, wherein the device for detecting and protecting the overcurrent fault of the PIM module comprises: the first sampling module is used for acquiring a direct current bus voltage signal of the PIM module; the voltage division comparison module is used for comparing the voltage value of the direct current bus voltage signal with a preset voltage value; the PIM module comprises a timing module and a signal triggering module, wherein the signal triggering module is used for realizing high-low level conversion according to a pulse width adjustable fault signal sent by the timing module so as to control a driving chip of the PIM module to execute opening or closing of a PIM module driving signal. The invention can improve the stability of the air conditioner variable frequency controller and ensure that the unit works under the reliable condition; when the frequency conversion controller fails, the protection can be carried out in time, and the circuit is prevented from being damaged for many times; the whole realization is economic and reliable, and the reliability and the practicability are both considered.

Description

PIM module overcurrent fault detection and overcurrent protection device and method
Technical Field
The invention relates to the technical field of circuit protection, in particular to a PIM module overcurrent fault detection and overcurrent protection device and method.
Background
Wireless communication is different from wired communication, and the inverter air conditioner is the mainstream of current domestic and commercial air conditioner, need transform the electric energy in inverter air conditioner controller, and traditional topological structure is uncontrolled rectification + full-bridge contravariant. With the technology increasing, a PIM module integrating rectification and inversion begins to appear, the PIM module separates a strong current loop from a control loop, and more controllers using PIM as a core are used.
Unlike an IPM module integrated with working pins with various protection functions such as short circuit, undervoltage, overcurrent and the like, the PIM module needs an external protection circuit to protect a device, particularly, overcurrent protection. Patent 201911262923.3 discloses a protection method of an IGBT, but the protection method is to sample from the middle of a bridge arm, and sample from a high-voltage end, so that certain potential safety hazards exist; patent 201210508893.1 proposes an IGBT overcurrent protection circuit, which needs to obtain a current peak value and perform software operation to realize the overcurrent protection of an IGBT, resulting in a slow protection speed and poor real-time performance.
According to the practical early-stage experiment and after-sale problems, the fault proportion of a power inverter module in a frequency conversion controller is still large, so that various existing protections have certain defects, single protection is not enough to complete the protection of a power device, and a multi-layer and multi-angle protection method is needed for protection.
Disclosure of Invention
In view of the above, the present invention provides a PIM module over-current fault detection and over-current protection device and method.
In order to achieve the purpose, the invention adopts the following technical scheme: the utility model provides a PIM module overcurrent fault detects and overcurrent protection device, includes:
the first sampling module is used for acquiring a direct current bus voltage signal of the PIM module;
the voltage division comparison module is used for comparing the voltage value of the direct current bus voltage signal with a preset voltage value;
the timing module is used for controlling and sending a fault signal with adjustable pulse width to the signal triggering module according to the signal output by the voltage division comparing module;
the signal triggering module is used for realizing high-low level conversion according to the fault signal with adjustable pulse width so as to control a driving chip of the PIM module inversion part to open or close the PIM module driving signal.
Optionally, the overcurrent fault detection and overcurrent protection device further includes: a first filtering module;
the first filter is arranged between the first sampling module and the voltage division comparison module and used for filtering the direct current bus voltage signal and transmitting the filtered voltage signal to the voltage division comparison module so that the voltage division comparison module compares the filtered voltage value with a preset voltage value.
Optionally, the overcurrent fault detection and overcurrent protection device further includes:
the second sampling module is used for acquiring a three-phase output current signal of the PIM module;
the second filtering module is used for filtering the three-phase output current signals;
the amplifying module is used for amplifying the filtered current signal;
and the control processing module is used for processing the current signal output by the amplifying module and controlling the PIM module to drive the signal to be switched on or switched off according to the processing result.
Optionally, the control processing module executes software control protection, processes the current signal output by the amplifying module, and controls the PIM module to drive the signal to be turned on or turned off according to a processing result, including:
judging the current signal output by the amplifying module,
when the current value of the current signal output by the amplification module reaches a current frequency limit value, limiting the running frequency of the whole machine;
when the current value of the current signal output by the amplification module reaches a current frequency limit value and the running frequency of the whole machine is limited, the three-phase output current of the PIM module is still increased, and whether the current value of the current signal output by the amplification module reaches a current frequency reduction value is further judged; if the current value of the current signal output by the amplification module reaches a current down-conversion value, the running frequency of the whole machine is reduced;
and when the current value of the current signal output by the amplification module reaches a current protection value, the PIM module driving signal is closed, a fault signal is sent, and the PIM module driving signal is started again after the fault needs to be cleared.
Optionally, the overcurrent fault detection and overcurrent protection device further includes: controlling and protecting hardware;
specifically, when the current value of the current signal output by the amplification module reaches a first current set value, a switching tube driving pulse of the PIM module is directly blocked, and the PIM module is forcibly closed;
the first current set value is greater than the current protection value, the current protection value is greater than the current lower frequency limit value, and the current lower frequency limit value is greater than the current frequency limit value.
Optionally, the overcurrent fault detection and overcurrent protection device further includes:
the fuse is arranged on the direct current bus of the PIM module;
the fuse is used for fusing fast when the direct current bus current is greater than the second current set value, protects the rear end device.
Optionally, the overcurrent fault detection and overcurrent protection device further includes:
the system comprises a DSP main chip, a man-machine interaction module and a memory chip;
the DSP main chip is respectively connected with the human-computer interaction module and the memory chip;
the DSP main chip is used for receiving fault data and time information sent by the driving chip when the PIM module has an overcurrent problem, storing the fault data and the time information through the memory chip and displaying the fault data and the time information through the man-machine interaction module;
a plurality of sets of software overcurrent protection and corresponding compressor parameters are preset in the memory chip; software protection parameters of the PIM module can be selected through the man-machine interaction module, and after the selection is completed, the DSP main chip reads corresponding parameters from the memory chip to the main program for control.
The invention also provides an overcurrent fault detection and overcurrent protection method for the PIM module, which comprises the following steps:
acquiring a direct current bus voltage signal of the PIM module;
comparing the voltage value of the direct current bus voltage signal with a preset voltage value;
and controlling to send out a fault signal with adjustable pulse width according to the comparison result, wherein the fault signal with adjustable pulse width can realize the conversion of high and low levels so as to control a driving chip of an inversion part of the PIM module to open or close the PIM module driving signal.
Optionally, the overcurrent fault detection and overcurrent protection method further includes:
acquiring a three-phase output current signal of the PIM module;
filtering the three-phase output current signals;
amplifying the filtered current signal;
and judging the amplified current signal, and controlling the PIM module to drive the signal to be switched on or switched off according to the judgment result.
Optionally, the current signal after the amplification processing is judged, and the PIM module driving signal is controlled to be turned on or turned off according to the judgment result, which is implemented by software, and specifically includes:
when the current value of the amplified current signal reaches a current frequency limit value, limiting the running frequency of the whole machine;
when the current value of the amplified current signal reaches a current frequency limit value and the running frequency of the whole machine is limited, the three-phase output current of the PIM module is still increased, and whether the current value of the amplified current signal reaches a current frequency reduction value is further judged; if the current value of the amplified current signal reaches a current reduction frequency value, reducing the running frequency of the whole machine;
and when the current value of the amplified current signal reaches a current protection value, the PIM module driving signal is closed, a fault signal is sent, and the PIM module driving signal is started again after the fault needs to be cleared.
Optionally, the overcurrent fault detection and overcurrent protection method further includes: controlling and protecting hardware;
specifically, when the current value of the amplified current signal reaches a first current set value, a switching tube driving pulse of the PIM module is directly blocked, and the PIM module is forcibly closed;
the first current set value is greater than the current protection value, the current protection value is greater than the current lower frequency limit value, and the current lower frequency limit value is greater than the current frequency limit value.
Optionally, the overcurrent fault detection and overcurrent protection method further includes:
arranging a fuse on a direct current bus of the PIM module; when the direct current bus current is greater than the second current set value, the fuse can be fused fast to protect the rear end device.
By adopting the technical scheme, the PIM module overcurrent fault detection and overcurrent protection device comprises: the first sampling module is used for acquiring a direct current bus voltage signal of the PIM module; the voltage division comparison module is used for comparing the voltage value of the direct current bus voltage signal with a preset voltage value; the timing module is used for controlling and sending a fault signal with adjustable pulse width to the signal triggering module according to the signal output by the voltage division comparing module; the signal triggering module is used for realizing high-low level conversion according to the fault signal with adjustable pulse width so as to control a driving chip of the PIM module inversion part to open or close the PIM module driving signal. The invention can improve the stability of the air conditioner frequency conversion controller and ensure that the unit works under a reliable condition; when the frequency conversion controller fails, the protection can be carried out in time, and the circuit is prevented from being damaged for many times; the whole realization is economic and reliable, and the reliability and the practicability are both considered.
Drawings
In order to more clearly illustrate the embodiments of the present invention or the technical solutions in the prior art, the drawings used in the description of the embodiments or the prior art will be briefly described below, it is obvious that the drawings in the following description are only some embodiments of the present invention, and for those skilled in the art, other drawings can be obtained according to the drawings without creative efforts.
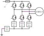
FIG. 1 is a schematic diagram of a PIM module inverter circuit;
fig. 2 is a schematic structural diagram provided by an embodiment of an overcurrent fault detection and overcurrent protection apparatus for a PIM module according to the present invention;
FIG. 3 is a circuit diagram of a portion of the modules of FIG. 1;
FIG. 4 is another schematic diagram of the inverter circuit of the PIM module;
fig. 5 is a schematic diagram of the circuit configuration of the sampling portions 2 and 3;
fig. 6 is a schematic flowchart of an embodiment of a PIM module overcurrent fault detection and overcurrent protection method according to the present invention.
In the figure: 1. a first sampling module; 2. a first filtering module; 3. a partial pressure comparison module; 4. a timing module; 5. a signal triggering module; 6. a driving chip; 7. a second sampling module; 8. a second filtering module; 9. an amplifying module; 10. a fuse; 11. a DSP main chip; 12. a human-computer interaction module; 13. a memory chip; 14. a compressor; 15. and a current sensor.
Detailed Description
In order to make the objects, technical solutions and advantages of the present invention more apparent, the technical solutions of the present invention will be described in detail below. It is to be understood that the described embodiments are merely exemplary of the invention, and not restrictive of the full scope of the invention. All other embodiments, which can be derived by a person skilled in the art from the examples given herein without any inventive step, are within the scope of the present invention.
Fig. 1 is a schematic structural diagram of an inverter circuit of a PIM module, as shown in fig. 1, the schematic structural diagram includes four sampling portions 1, 2, 3, and 4, the sampling portions 1, 2, 3, and 4 may be single-resistor sampling or other current sensors, wherein the sampling portions 2, 3, and 4 may have any one phase as a default, and a third phase current may be calculated by sampling two phase currents according to a condition that a sum of three phase currents in three-phase power is zero.
Fig. 2 is a schematic structural diagram provided by an embodiment of an overcurrent fault detection and overcurrent protection apparatus for a PIM module according to the present invention.
As shown in fig. 2, the present embodiment of an apparatus for PIM module overcurrent fault detection and overcurrent protection includes:
a first sampling module 1 (i.e. a sampling part 1 in fig. 1) for acquiring a dc bus voltage signal of the PIM module;
the voltage division comparison module 3 is used for comparing the voltage value of the direct current bus voltage signal with a preset voltage value;
the timing module 4 is used for controlling and sending a fault signal with adjustable pulse width to the signal triggering module 5 according to the signal output by the voltage division comparing module 3;
and the signal triggering module 5 is used for realizing high-low level conversion according to the fault signal with adjustable pulse width so as to control a driving chip 6 of an inversion part of the PIM module to open or close a driving signal of the PIM module.
Further, the overcurrent fault detection and overcurrent protection device further includes: a first filtering module 2;
the first filter 2 is arranged between the first sampling module 1 and the voltage division comparison module 3, and is used for filtering the direct current bus voltage signal and transmitting the filtered voltage signal to the voltage division comparison module 3, so that the voltage division comparison module 3 compares the filtered voltage value with a preset voltage value. The first filter 2 can filter burr clutter and improve the accuracy of the collected signals.
Further, the apparatus further comprises:
a second sampling module 7 (namely 2, 3 and 4 sampling parts in fig. 1, and 2, 3 and 4 parts can still default to one phase) for acquiring three-phase output current signals of the PIM module;
the second filtering module 8 is used for filtering the three-phase output current signals;
the amplifying module 9 is used for amplifying the filtered current signal;
and the control processing module is used for processing the current signal output by the amplifying module 9 and controlling the PIM module driving signal to be turned on or turned off according to the processing result.
Further, the device is characterized in that the control processing module executes software control protection, processes the current signal output by the amplifying module 9, and controls the PIM module driving signal to be turned on or turned off according to a processing result, and the device includes:
the current signal output by the amplifying module 9 is judged,
when the current value of the current signal output by the amplifying module 9 reaches the current frequency limit value, limiting the running frequency of the whole machine;
when the current value of the current signal output by the amplification module 9 reaches the current frequency limit value and the operation frequency of the complete machine is limited, the three-phase output current of the PIM module is still increased, and whether the current value of the current signal output by the amplification module 9 reaches the current frequency reduction value is further judged; if the current value of the current signal output by the amplifying module 9 reaches a current down-conversion value, the running frequency of the whole machine is reduced;
when the current value of the current signal output by the amplifying module 9 reaches the current protection value, the PIM module driving signal is turned off, and a fault signal is sent, and the PIM module driving signal is started again after the fault needs to be cleared.
Further, the apparatus further comprises: controlling and protecting hardware;
specifically, when the current value of the current signal output by the amplifying module 9 reaches a first current set value, a switching tube driving pulse of the PIM module is directly blocked, and the PIM module is forcibly closed;
the first current set value is greater than the current protection value, the current protection value is greater than the current lower frequency limit value, and the current lower frequency limit value is greater than the current frequency limit value.
Further, the apparatus further comprises:
thefuse 10 is arranged on a direct current bus of the PIM module;
as shown in fig. 1, thefuse 10 is used to fuse quickly and protect a rear device when a dc bus current is greater than a second current setting value. Thefuse 10 protects the device from damage during transient short-circuit high currents, when the current of the variable frequency controller exceeds the second current set value IlimitIn time, the fuse can be quickly fused to protect the rear-end device.
Further, the apparatus further comprises:
a DSP main chip 11, a man-machine interaction module 12 and a memory chip 13;
the DSP main chip 11 is respectively connected with the human-computer interaction module 12 and the memory chip 13;
the DSP main chip 11 is used for receiving fault data and time information sent by the driving chip 6 when the PIM module has an overcurrent problem, storing the fault data and the time information through the memory chip 13 and displaying the fault data and the time information through the human-computer interaction module 12;
a plurality of sets of software overcurrent protection and corresponding compressor 14 parameters are preset in the memory chip 13; software protection parameters of the PIM module can be selected through the man-machine interaction module 12, and after the selection is completed, the DSP main chip 11 reads corresponding parameters from the memory chip 13 to a main program for control.
In practical use of this embodiment, as shown in fig. 2, the signal collected by the first sampling module 1 passes through the first filtering module 2 to filter out high-frequency spike noise interference (the first filtering module 2 may be an RC passive filtering circuit, or may be another active filter), enters the voltage division comparing module 3 to compare with a preset voltage value, the signal output by the voltage division comparing module 3 passes through the timing module 4 to send out a fault signal with adjustable pulse width to the signal triggering module 5, and the signal triggering module 5 realizes high-level and low-level conversion, thereby controlling the driver chip 6 of the PIM module inversion part. When overcurrent fault occursWhen the driver chip 6 directly turns off the PIM module driver signal (i.e. the PWM signal in fig. 2), and at the same time, sends a fault command to the DSP host chip 11, which is the layer 4 hardware protection mode of the present invention, in which the allowable current is the maximum protection current I of the controller4The compressor 14 is protected from demagnetization, and the method is characterized by high reaction speed and detection of the amplitude of the current sine wave of the compressor.
The signal collected by the second sampling module 7 is filtered by the second filtering module 8 to remove noise, the amplification module 9 is used for amplification, and then the software judges the sampling value (realized by the control processing module which can be a DSP main chip 11 and is a software control process), and sets I1Is a current limit frequency value, I2Is a current down-conversion value, I3Is a current protection value and has Ilimit>I4>I3>I2>I1When the current value of the current signal output by the amplifying module 9 of the 2, 3 and 4 sampling parts reaches I1When the air conditioner is used, the operation frequency of the whole air conditioner is limited so as to reduce the current increase; if the current is still increased after the frequency is limited due to the influence of the working condition, when the current value reaches I2When the current is reduced, the running frequency of the whole machine should be reduced so as to further reduce the current; if the current is abnormally increased or the frequency limiting can not meet the requirement, when the current value reaches I3When the system is in use, the system should be protected to stop, and a fault signal is sent, so that the system needs to be started again after the fault is cleared. Considering the software sampling judgment, the accurate judgment can be carried out only by a plurality of sampling periods, so that a hardware protection mode is added, and when the current of the frequency conversion controller reaches a first current set value I4(I4The maximum protection current of the controller) directly blocks the drive pulse of the switching tube of the PIM module, and the PIM module is forcibly turned off to realize the overcurrent protection of the circuit.
Considering again that if the PIM module has the same bridge arm short circuit, even if the switching tube driving pulse of the PIM module is blocked, the circuit cannot be protected, and a more serious accident occurs, therefore, a fuse 10 (as shown in fig. 1) is added to a direct current bus of the PIM module, and the current of the fuse can be selected according to 1.7-2 times of the rated current of the switching tube of the PIM module.
The PIM over-current fault detection and over-current protection device further comprises: a DSP main chip 11, a man-machine interaction module 12 and a memory chip 13. Particularly, when the PIM module of the variable frequency controller has an overcurrent problem, fault data and time points can be recorded and displayed; meanwhile, the variable frequency controller can preset a plurality of sets of software overcurrent protection and corresponding parameters of the compressor 14, the parameters are stored in the memory chip 13, a user can select software protection parameters corresponding to the unit and the compressor 14 through the man-machine interaction module 12 (such as a touch display screen) or reasonably select the software protection parameters according to working conditions, and the universalization and the serialization of the variable frequency controller can be realized aiming at the same demagnetization protection current I4The same program and controller can be used for the compressor 14, and only the parameters need to be switched.
Fig. 3 is a circuit diagram of a part of the modules in fig. 1, which includes a filtering module, a voltage division comparing module 3, a timing module 4, and a signal triggering module 5. Filtering module filtering clutter, partial pressure comparison module 3 produces a fixed voltage value and compares with the sampling voltage value, and the result is exported timing module 4, is higher than the setting value when the sampling voltage, timing module 4 sends a width adjustable low level, process the PIM module driving signal of 5 direct turn-offs driver chip 6 of signal trigger module, and driver chip 6 sends fault signal to DSP main chip 11 simultaneously. The process is characterized by high speed, firstly, the driving signal is turned off, and then, a fault signal is sent to the main chip, so that the circuit can be better protected.
Fig. 4 is another schematic structural diagram of the inverter circuit of the PIM module, which includes a fuse 10 (or a fuse), u-phase and v-phase sampling resistors R1 (R1 is used because of the same resistance and symmetrical three-phase current), and a current sensor N. The u-phase and v-phase sampling resistors R1 are controlled by software, and the current limiting and reducing frequency and the current protection value of the circuit are set; the current sensor 15 is controlled by hardware, and is provided with hardware protection of a circuit and demagnetization protection of the compressor 14; the FUSE sets the instantaneous current protection value of the circuit against inrush currents.
Fig. 5 is a schematic diagram of a circuit structure of the sampling parts 2 and 3, the circuit includes three operational amplifiers U1, U2, U3 and a plurality of resistors, wherein U1 generates a reference voltage of 1.65V, and the sampling voltage values Nu and Nv of the sampling resistors are raised (in combination with fig. 4), so as to ensure that the sampling values are between 0V and 3.3V, and after the operational amplifiers, the voltages Iu and Iv enter a DSP main chip for control.
The PIM module overcurrent fault detection and overcurrent protection device can ensure that the unit operates in a controllable range and ensure the stable and efficient performance of the unit; when the PIM module has an overcurrent fault, the PIM module can be stopped in time, and meanwhile, the fault triggering time is adjustable, so that the PIM module has certain anti-interference capability; the technical scheme can realize multi-level step-by-step protection and replace the existing single protection. This PIM module overflows fault detection and overcurrent protection device and passes through the mode that software and hardware combine the protection, has promoted fault signal interference killing feature, and this device economical and practical can realize the serialization of product, can select suitable software protection value to different units, and the suitability is strong, the facilitate promotion.
Fig. 6 is a schematic flowchart of an embodiment of a PIM module overcurrent fault detection and overcurrent protection method according to the present invention.
As shown in fig. 6, the method for PIM module overcurrent fault detection and overcurrent protection in this embodiment includes:
s61: acquiring a direct current bus voltage signal of the PIM module;
s62: filtering the direct current bus voltage signal;
s63: comparing the voltage value after filtering with a preset voltage value;
s64: and controlling to send out a fault signal with adjustable pulse width according to the comparison result, wherein the fault signal with adjustable pulse width can realize the conversion of high and low levels so as to control a driving chip of an inversion part of the PIM module to open or close the PIM module driving signal.
While the steps S61-S64 are being performed, the method further includes:
s65: acquiring a three-phase output current signal of the PIM module;
s66: filtering the three-phase output current signals;
s67: amplifying the filtered current signal;
s68: and judging the amplified current signal, and controlling the PIM module to drive the signal to be switched on or switched off according to the judgment result.
Further, the current signal after the amplification processing is judged, and the PIM module driving signal is controlled to be turned on or turned off according to the judgment result, which is realized by software, and specifically includes:
when the current value of the amplified current signal reaches a current frequency limit value, limiting the running frequency of the whole machine;
when the current value of the amplified current signal reaches a current frequency limit value and the running frequency of the whole machine is limited, the three-phase output current of the PIM module is still increased, and whether the current value of the amplified current signal reaches a current frequency reduction value is further judged; if the current value of the amplified current signal reaches a current reduction frequency value, reducing the running frequency of the whole machine;
and when the current value of the amplified current signal reaches a current protection value, the PIM module driving signal is closed, a fault signal is sent, and the PIM module driving signal is started again after the fault needs to be cleared.
Further, the method further comprises: controlling and protecting hardware;
specifically, when the current value of the amplified current signal reaches a first current set value, a switching tube driving pulse of the PIM module is directly blocked, and the PIM module is forcibly closed;
the first current set value is greater than the current protection value, the current protection value is greater than the current lower frequency limit value, and the current lower frequency limit value is greater than the current frequency limit value.
Further, the method comprises:
arranging a fuse on a direct current bus of the PIM module; when the direct current bus current is greater than the second current set value, the fuse can be fused fast to protect the rear end device.
The operating principle of the PIM module overcurrent fault detection and overcurrent protection method in this embodiment is the same as that of the PIM module overcurrent fault detection and overcurrent protection device described above, and is not described herein again.
The technical scheme can be used in a frequency conversion controller adopting a PIM module, improves the reliability of a circuit, realizes the generalization and serialization of programs, is not only limited in the field of air conditioners, but also can be applied to electric locomotives and other occasions needing the frequency conversion controller.
It is understood that the same or similar parts in the above embodiments may be mutually referred to, and the same or similar parts in other embodiments may be referred to for the content which is not described in detail in some embodiments.
It should be noted that the terms "first," "second," and the like in the description of the present invention are used for descriptive purposes only and are not to be construed as indicating or implying relative importance. Further, in the description of the present invention, the meaning of "a plurality" means at least two unless otherwise specified.
Any process or method descriptions in flow charts or otherwise described herein may be understood as representing modules, segments, or portions of code which include one or more executable instructions for implementing specific logical functions or steps of the process, and alternate implementations are included within the scope of the preferred embodiment of the present invention in which functions may be executed out of order from that shown or discussed, including substantially concurrently or in reverse order, depending on the functionality involved, as would be understood by those reasonably skilled in the art of the present invention.
It should be understood that portions of the present invention may be implemented in hardware, software, firmware, or a combination thereof. In the above embodiments, the various steps or methods may be implemented in software or firmware stored in memory and executed by a suitable instruction execution system. For example, if implemented in hardware, as in another embodiment, any one or combination of the following techniques, which are known in the art, may be used: a discrete logic circuit having a logic gate circuit for implementing a logic function on a data signal, an application specific integrated circuit having an appropriate combinational logic gate circuit, a Programmable Gate Array (PGA), a Field Programmable Gate Array (FPGA), or the like.
It will be understood by those skilled in the art that all or part of the steps carried by the method for implementing the above embodiments may be implemented by hardware related to instructions of a program, which may be stored in a computer readable storage medium, and when the program is executed, the program includes one or a combination of the steps of the method embodiments.
In addition, functional units in the embodiments of the present invention may be integrated into one processing module, or each unit may exist alone physically, or two or more units are integrated into one module. The integrated module can be realized in a hardware mode, and can also be realized in a software functional module mode. The integrated module, if implemented in the form of a software functional module and sold or used as a stand-alone product, may also be stored in a computer readable storage medium.
The storage medium mentioned above may be a read-only memory, a magnetic or optical disk, etc.
In the description herein, references to the description of the term "one embodiment," "some embodiments," "an example," "a specific example," or "some examples," etc., mean that a particular feature, structure, material, or characteristic described in connection with the embodiment or example is included in at least one embodiment or example of the invention. In this specification, the schematic representations of the terms used above do not necessarily refer to the same embodiment or example. Furthermore, the particular features, structures, materials, or characteristics described may be combined in any suitable manner in any one or more embodiments or examples.
Although embodiments of the present invention have been shown and described above, it is understood that the above embodiments are exemplary and should not be construed as limiting the present invention, and that variations, modifications, substitutions and alterations can be made to the above embodiments by those of ordinary skill in the art within the scope of the present invention.

Claims (12)

CN202011117133.9A2020-10-192020-10-19PIM module overcurrent fault detection and overcurrent protection device and methodPendingCN112467683A (en)

Priority Applications (1)

Application NumberPriority DateFiling DateTitle
CN202011117133.9ACN112467683A (en)2020-10-192020-10-19PIM module overcurrent fault detection and overcurrent protection device and method

Applications Claiming Priority (1)

Application NumberPriority DateFiling DateTitle
CN202011117133.9ACN112467683A (en)2020-10-192020-10-19PIM module overcurrent fault detection and overcurrent protection device and method

Publications (1)

Publication NumberPublication Date
CN112467683Atrue CN112467683A (en)2021-03-09

Family

ID=74833892

Family Applications (1)

Application NumberTitlePriority DateFiling Date
CN202011117133.9APendingCN112467683A (en)2020-10-192020-10-19PIM module overcurrent fault detection and overcurrent protection device and method

Country Status (1)

CountryLink
CN (1)CN112467683A (en)

Cited By (2)

* Cited by examiner, † Cited by third party
Publication numberPriority datePublication dateAssigneeTitle
CN113381585A (en)*2021-05-062021-09-10北京卫星制造厂有限公司IPM driving circuit
CN114498548A (en)*2022-01-212022-05-13合肥科威尔电源系统股份有限公司Overcurrent protection method and device

Citations (5)

* Cited by examiner, † Cited by third party
Publication numberPriority datePublication dateAssigneeTitle
CN204271617U (en)*2014-12-122015-04-15深圳市英威腾电气股份有限公司 Inverter fault detection wave-closing circuit, inverter and system using inverter
CN106655101A (en)*2016-10-312017-05-10广东美的制冷设备有限公司Household electrical appliance and over-current protection device and method of power factor corrector
CN110350486A (en)*2019-07-192019-10-18广东美的暖通设备有限公司Failure protecting device, frequency converter and motor driven systems
CN110783908A (en)*2019-10-212020-02-11珠海格力电器股份有限公司Control method and device of power supply allocation equipment and power supply allocation equipment
CN211293695U (en)*2020-01-022020-08-18杭州先途电子有限公司Controller

Patent Citations (5)

* Cited by examiner, † Cited by third party
Publication numberPriority datePublication dateAssigneeTitle
CN204271617U (en)*2014-12-122015-04-15深圳市英威腾电气股份有限公司 Inverter fault detection wave-closing circuit, inverter and system using inverter
CN106655101A (en)*2016-10-312017-05-10广东美的制冷设备有限公司Household electrical appliance and over-current protection device and method of power factor corrector
CN110350486A (en)*2019-07-192019-10-18广东美的暖通设备有限公司Failure protecting device, frequency converter and motor driven systems
CN110783908A (en)*2019-10-212020-02-11珠海格力电器股份有限公司Control method and device of power supply allocation equipment and power supply allocation equipment
CN211293695U (en)*2020-01-022020-08-18杭州先途电子有限公司Controller

Cited By (4)

* Cited by examiner, † Cited by third party
Publication numberPriority datePublication dateAssigneeTitle
CN113381585A (en)*2021-05-062021-09-10北京卫星制造厂有限公司IPM driving circuit
CN113381585B (en)*2021-05-062022-07-29北京卫星制造厂有限公司IPM drive circuit
CN114498548A (en)*2022-01-212022-05-13合肥科威尔电源系统股份有限公司Overcurrent protection method and device
CN114498548B (en)*2022-01-212023-10-31科威尔技术股份有限公司Overcurrent protection method and device

Similar Documents

PublicationPublication DateTitle
CN103795381B (en)Protection circuit and gate driving circuit for semiconductor switching device
CN203481800U (en)Protective device for motor inverter for new energy vehicle
CN112467683A (en)PIM module overcurrent fault detection and overcurrent protection device and method
CN108233347B (en)A kind of brushless motor controller Over Current Protection System and over-current protection method
CN109038476A (en)A kind of current foldback circuit and controller
CN103022976B (en)A kind of frequency converter output short circuit protection circuit and guard method
CN212304726U (en)Overcurrent protection circuit, device and motor driver
CN103296874B (en)Current transformer parallel operation switching control device and switching control method
CN107492867B (en)Motor protection system
CN116572758A (en)Safety state control method, device, equipment and medium of motor controller
CN203233140U (en)Demagnetization protection circuit of compressor
CN108736446A (en)Guard method, protection system and the permanent magnet synchronous motor of permanent magnet synchronous motor
CN103683202A (en)Device and method for detecting output earth short circuit condition of frequency converter
CN110518809A (en)A kind of frequency changer controller and method, air-conditioning
CN104811078A (en)Intelligent power module and air conditioner
CN107472032A (en)A kind of electric vehicle motor controller high voltage direct current path control system
CN108123419B (en)A kind of overcurrent protection method, device, chip and control circuit
CN106300267A (en)Motor overload protection device and method and motor system
CN102983796A (en)Permanent magnet synchronous motor anti-demagnetization control method
CN201821317U (en) Protection Detection Feedback Circuit of Mine Hoist Variable Frequency Drive Control
CN111799996A (en)Fault protection circuit and method, frequency converter equipment and air conditioner
CN202797890U (en)Direct current inverter air conditioner and compressor driving current protection circuit
CN113964797B (en)Hardware current limiting method and device of frequency converter and storage medium
CN110460021A (en)A kind of IGBT protection circuit and air conditioner
CN116613710A (en)Method for judging power device circuit breaking

Legal Events

DateCodeTitleDescription
PB01Publication
PB01Publication
SE01Entry into force of request for substantive examination
SE01Entry into force of request for substantive examination
RJ01Rejection of invention patent application after publication
RJ01Rejection of invention patent application after publication

Application publication date:20210309


[8]ページ先頭

©2009-2025 Movatter.jp