Movatterモバイル変換


[0]ホーム

URL:


CN112462232A - Testing device and testing method suitable for key circuit board and receiving circuit board - Google Patents

Testing device and testing method suitable for key circuit board and receiving circuit board
Download PDF

Info

Publication number
CN112462232A
CN112462232ACN202011326314.2ACN202011326314ACN112462232ACN 112462232 ACN112462232 ACN 112462232ACN 202011326314 ACN202011326314 ACN 202011326314ACN 112462232 ACN112462232 ACN 112462232A
Authority
CN
China
Prior art keywords
circuit board
module
test
infrared
receiving circuit
Prior art date
Legal status (The legal status is an assumption and is not a legal conclusion. Google has not performed a legal analysis and makes no representation as to the accuracy of the status listed.)
Pending
Application number
CN202011326314.2A
Other languages
Chinese (zh)
Inventor
赖君超
Current Assignee (The listed assignees may be inaccurate. Google has not performed a legal analysis and makes no representation or warranty as to the accuracy of the list.)
Bosen Electronics Dongguan Co ltd
Original Assignee
Bosen Electronics Dongguan Co ltd
Priority date (The priority date is an assumption and is not a legal conclusion. Google has not performed a legal analysis and makes no representation as to the accuracy of the date listed.)
Filing date
Publication date
Application filed by Bosen Electronics Dongguan Co ltdfiledCriticalBosen Electronics Dongguan Co ltd
Priority to CN202011326314.2ApriorityCriticalpatent/CN112462232A/en
Publication of CN112462232ApublicationCriticalpatent/CN112462232A/en
Pendinglegal-statusCriticalCurrent

Links

Images

Classifications

Landscapes

Abstract

The invention belongs to the technical field of circuit board test equipment, and particularly relates to a test device suitable for a key circuit board and a receiving circuit board, which comprises a power supply module, an infrared transmitting module, a key circuit board detection module and a receiving circuit board detection module, wherein the power supply module is used for providing detection voltage, and the infrared transmitting module is used for transmitting an infrared test signal; the key circuit board detection module comprises an input interface module, a first detection module, a first MCU control module and an indication assembly, and the receiving circuit board detection module comprises an infrared receiving module, a second detection module, a second MCU control module and a first LED indicator lamp. Compared with the prior art, the invention integrates the key circuit board test and the receiving circuit board test, optimizes the test procedure, can quickly judge the test result through the indicating component and the first LED indicating lamp, and greatly improves the test efficiency.

Description

Testing device and testing method suitable for key circuit board and receiving circuit board
Technical Field
The invention belongs to the technical field of circuit board test equipment, and particularly relates to a test device and a test method suitable for a key circuit board and a receiving circuit board.
Background
With the continuous development of science and technology, electronic audio and video equipment is also enriching the physical life of people. For traditional electronic products such as televisions, generally, the operation is performed through keys on a main board or by receiving wireless signals of a remote controller, so that the keys and a receiving module thereof are always the main ways for controlling the operation of the products, and therefore, before the electronic products such as televisions leave factories, corresponding testing on a key circuit board and a receiving circuit board inside the electronic products is an essential process.
At present, the key circuit board and the receiving circuit board are mainly combined into the same circuit board for processing, however, the testing device for testing the key circuit board and the receiving circuit board in the prior art at least has the following defects:
1) the traditional testing device can only detect the key circuit board or the receiving circuit board independently, so that only products can be tested alternately on a production line, the applicability is poor, and the testing efficiency is influenced;
2) after the test of the test device is finished, the test data on the test device needs to be read manually, and then whether the product is qualified or not is judged manually according to the test result, so that the test efficiency is low;
3) the mode of machine automatic test has appeared in the detection of key circuit board, but this kind of mode then mainly through cylinder, a series of drive arrangement drive depression bars such as motor are once only pressed a plurality of buttons on the key circuit board, though the efficiency of test has been improved, however, the depression bar can't reach the feedback of feeling the button like the manual work, be difficult to the pressure of every button of accurate control at the during operation, the too big button of pressing is bad easily pressed down, the undersize of pressure causes the hourglass to press, can't guarantee that every button has all realized effectual pressing operation, the precision of test has been influenced.
In view of the above, there is a need for further improvements to the above prior art to meet practical production needs.
Disclosure of Invention
The invention aims to provide a testing device suitable for a key circuit board and a receiving circuit board, which effectively solves the defects in the prior art.
In order to achieve the purpose, the invention adopts the following technical scheme:
a testing device suitable for a key circuit board and a receiving circuit board comprises:
the power supply module is used for providing detection voltage;
the infrared transmitting module is used for transmitting an infrared test signal;
the key circuit board detection module comprises an input interface module, a first detection module, a first MCU control module and an indication assembly, wherein the input interface module receives detection voltage, the first detection module detects the detection voltage in each key circuit in the key circuit board, and the first MCU control module controls the indication assembly to perform corresponding light indication according to the detection result of the first detection module;
the infrared receiving test module is used for receiving an infrared test signal and automatically detecting the infrared test signal; and
the receiving circuit board detection module comprises a second detection module, a second MCU control module and a first LED indicator lamp, wherein the second detection module is connected with the infrared receiving test module, the infrared receiving test module receives the infrared test signal sent by the infrared sending module, the second detection module detects whether the receiving circuit board can normally receive the infrared test signal, and the second MCU control module controls the first LED indicator lamp to perform corresponding light indication according to the detection result of the second detection module.
As an improvement of the testing device for the key circuit board and the receiving circuit board in the present invention, the input interface module includes a plurality of interfaces, and an interface selection module is disposed between the input interface module and the power supply module, and the interface selection module selects a corresponding interface channel according to the number of keys of the key circuit board.
As an improvement of the testing device for the key circuit board and the receiving circuit board in the present invention, the interface selection module is provided with a second LED indicator light for indicating the selected interface channel.
As an improvement of the testing device for the key circuit board and the receiving circuit board in the present invention, the first voltage detection module includes at least one test terminal, and each test terminal is used for correspondingly detecting the voltage of each key.
As an improvement of the testing device suitable for the key circuit board and the receiving circuit board, the indicating assembly comprises a plurality of third LED indicating lamps and a liquid crystal screen nixie tube module, and the number of the third LED indicating lamps is matched with the number of the keys.
As an improvement of the testing device for the key circuit board and the receiving circuit board, the key circuit board detection module further comprises a first alarm and an alarm remover, and the first alarm and the alarm remover are both electrically connected with the first MCU control module.
As an improvement of the testing device for the key circuit board and the receiving circuit board, the receiving circuit board detection module further comprises a second alarm, and the second alarm is electrically connected with the second MCU control module.
As an improvement of the testing device suitable for the key circuit board and the receiving circuit board, the first alarm and the second alarm are buzzers.
As an improvement of the testing device suitable for the key circuit board and the receiving circuit board, the chip models of the first MCU control module and the second MCU control module are both STC89 CXX.
Compared with the prior art, the invention has at least the following beneficial effects:
1) according to the invention, the key circuit board detection module and the receiving circuit board detection module are arranged, and the key circuit board test and the receiving circuit board test are integrated, so that the function of quickly testing the key circuit board and the receiving circuit board can be realized on the same station, the purpose of integrated test is achieved, and the test procedure is optimized;
2) according to the invention, the indication component is arranged in the key circuit board detection module and the first LED indicator lamp is arranged in the receiving circuit board detection module, so that the indication function of the test is enhanced, and during the test, a tester can quickly judge the test result only according to the indication lights of the indication component and the first LED indicator lamp, so that the production efficiency is greatly improved;
3) the key circuit board testing part adopts a manual pressing testing mode, can effectively sense the keys of the key circuit board, thereby avoiding the phenomena of press missing caused by excessive pressure damage and insufficient pressure in an automatic machine testing mode, and improving the testing precision.
The invention also provides a test method suitable for the key circuit board and the receiving circuit board, which comprises the following steps:
step 1) testing a key circuit board, connecting the key circuit board with an input interface module of a testing device, selecting a corresponding interface channel according to the number of keys in the key circuit board, providing a testing voltage for the key circuit board by a power supply module, lightly touching each key with proper force according to a set key pressing sequence, detecting the voltage of each key by a first detection module, and marking a qualified product and entering the next process if the voltage is normal; if the voltage is abnormal, the buzzer sounds, can judge according to corresponding light indication and mark as a defective product, and sends the defective product to a maintenance station for maintenance;
step 2) testing the receiving circuit board, firstly connecting the receiving circuit board with a testing device, starting an infrared transmitting module to enable the infrared transmitting module to transmit an infrared signal to the testing device at a certain frequency, receiving the infrared signal by the infrared receiving module, detecting whether the receiving circuit board can normally receive the infrared test signal by a second detecting module, if the receiving circuit board can normally receive the infrared test signal, judging and marking the receiving circuit board as a qualified product according to an LED test result, and sending the qualified product to the next procedure; if the receiving circuit board cannot normally receive the infrared test signal, the receiving circuit board is a defective product, and the defective product is marked and sent to a maintenance station for maintenance;
theabove steps 1 and 2 may be performed simultaneously.
By adopting the testing device applicable to the key circuit board and the receiving circuit board in any section, a tester at the same station can quickly judge according to the corresponding LED lamp flashing signals and the like by only respectively connecting the key circuit to be tested and the receiving circuit board with the testing device, so that the testing efficiency is greatly improved.
Drawings
The accompanying drawings, which are included to provide a further understanding of the invention and are incorporated in and constitute a part of this specification, illustrate embodiments of the invention and together with the description serve to explain the invention and not to limit the invention. In the drawings:
FIG. 1 is a schematic structural view of the present invention;
FIG. 2 is an exploded view of the present invention;
FIG. 3 is a system diagram of the key circuit board inspection module of the present invention;
FIG. 4 is a system diagram of the receiving circuit board inspection module according to the present invention;
FIG. 5 is a circuit diagram of an input interface module according to an embodiment of the present invention;
FIG. 6 is a second circuit diagram of the input interface module according to the second embodiment of the present invention;
FIG. 7 is a third circuit diagram of an input interface module according to an embodiment of the present invention;
FIG. 8 is a circuit diagram of a first detection module according to an embodiment of the present invention;
FIG. 9 is a second circuit diagram of the first detecting module according to the embodiment of the present invention;
FIG. 10 is a third circuit diagram of the first detecting module according to the embodiment of the present invention;
FIG. 11 is a fourth circuit diagram of the first detecting module according to the embodiment of the present invention;
FIG. 12 is a circuit diagram of a first MCU control module according to an embodiment of the present invention;
FIG. 13 is a second circuit diagram of the first MCU control module according to the embodiment of the present invention;
FIG. 14 is a third circuit diagram of the first MCU control module according to the embodiment of the present invention;
FIG. 15 is a fourth circuit diagram of the first MCU control module according to the embodiment of the present invention;
FIG. 16 is a fifth circuit diagram of the first MCU control module according to the embodiment of the present invention;
FIG. 17 is a sixth circuit diagram of the first MCU control module according to the embodiment of the present invention;
FIG. 18 is a seventh schematic diagram of a first MCU control module according to an embodiment of the present invention;
FIG. 19 is an eighth circuit diagram of the first MCU control module in the embodiment of the present invention;
FIG. 20 is a circuit diagram of an interface selection module according to an embodiment of the present invention;
FIG. 21 is a circuit diagram of an interface selection module according to an embodiment of the present invention;
FIG. 22 is a circuit diagram of an interface selection module according to an embodiment of the present invention;
FIG. 23 is a diagram of a third exemplary operating circuit of a third LED light;
FIG. 24 is a second circuit diagram illustrating the operation of a third LED light according to the present invention;
FIG. 25 is a diagram of a driving circuit of the LCD nixie tube module according to an embodiment of the present invention;
fig. 26 is a second driving circuit diagram of the liquid crystal display nixie tube module according to the embodiment of the invention;
fig. 27 is a third driving circuit diagram of the liquid crystal display nixie tube module in the embodiment of the invention;
FIG. 28 is a fourth driving circuit diagram of the LCD nixie tube module according to the embodiment of the present invention;
fig. 29 is a circuit diagram of an infrared transmitting module in an embodiment of the invention;
FIG. 30 is a circuit diagram of an IR receiving module according to an embodiment of the invention;
FIG. 31 is a second circuit diagram of an IR receiving module according to an embodiment of the present invention;
fig. 32 is a third circuit diagram of an infrared receiving module according to an embodiment of the invention;
FIG. 33 is a fourth circuit diagram of the IR receiving module according to the embodiment of the present invention;
FIG. 34 is a circuit diagram of a second detection module in an embodiment of the invention;
FIG. 35 is a circuit diagram of a second MCU control module according to an embodiment of the present invention;
FIG. 36 is a second circuit diagram of a second MCU control module according to the embodiment of the present invention;
FIG. 37 is a third circuit diagram of a second MCU control module according to the embodiment of the present invention;
FIG. 38 is a fourth circuit diagram of the second MCU control module in the embodiment of the present invention;
FIG. 39 is a fifth circuit diagram of a second MCU control module in an embodiment of the present invention;
FIG. 40 is a circuit diagram illustrating the operation of the first LED light of the present invention.
Detailed Description
As used in the specification and in the claims, certain terms are used to refer to particular components. As one skilled in the art will appreciate, manufacturers may refer to a component by different names. This specification and claims do not intend to distinguish between components that differ in name but not function. In the following description and in the claims, the terms "include" and "comprise" are used in an open-ended fashion, and thus should be interpreted to mean "include, but not limited to. "substantially" means within an acceptable error range, within which a person skilled in the art can solve the technical problem to substantially achieve the technical result.
In the description of the present invention, it is to be understood that the terms "upper", "lower", "front", "rear", "left", "right", horizontal ", and the like indicate orientations or positional relationships based on those shown in the drawings, and are only for convenience in describing the present invention and simplifying the description, but do not indicate or imply that the referred device or element must have a specific orientation, be constructed in a specific orientation, and be operated, and thus, should not be construed as limiting the present invention.
In the present invention, unless otherwise expressly specified or limited, the terms "mounted," "connected," "secured," and the like are to be construed broadly and can, for example, be fixedly connected, detachably connected, or integrally connected; can be mechanically or electrically connected; they may be connected directly or indirectly through intervening media, or they may be interconnected between two elements. The specific meanings of the above terms in the present invention can be understood by those skilled in the art according to specific situations.
The present invention will be described in further detail below with reference to the accompanying drawings, but the present invention is not limited thereto.
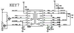
As shown in fig. 1-40, the present embodiment provides a testing apparatus suitable for a key circuit board and a receiving circuit board, which includes a power module, an infrared transmitting module, a key circuitboard detecting module 1, an infrared receiving testing module and a receiving circuitboard detecting module 2, wherein the power module, the key circuitboard detecting module 1 and the receiving circuitboard detecting module 2 are all installed in ahousing 0.
The power supply module is used for providing detection voltage; the infrared transmitting module is used for transmitting an infrared test signal; the key circuitboard detection module 1 comprises an input interface module, a first detection module, a first MCU control module and an indication component, wherein the input interface module receives detection voltage, the first detection module detects the detection voltage in each key circuit in the key circuit board, and the first MCU control module controls the indication component to perform corresponding light indication according to the detection result of the first detection module; (ii) a And receiving circuitboard detection module 2 includes the second detection module, second MCU control module and first LED pilot lamp, receiving circuitboard detection module 2 is connected with infrared receiving test module, infrared receiving test module receives the infrared test signal that infrared sending module sent, the second detection module detects whether this infrared test signal of normal receipt can be received to the receiving circuit board, second MCU control module carries out corresponding light instruction according to the first LED pilot lamp of detection result control of second detection module.
The testing device integrates the key circuit board testing and the receiving circuit board testing, so that the function of quickly testing the key circuit board and the receiving circuit board can be realized on the same station, the aim of integrated testing is fulfilled, the testing procedure is optimized, meanwhile, in the testing process, a tester can quickly judge the testing result through the indicating component in the key circuit board detecting module and the first LED indicating lamp of the receiving circuit board detecting module respectively, and the testing efficiency is greatly improved
The key circuit board detection module in the embodiment provides a function of testing 5-key and 7-key circuit boards, when the test is actually performed, the input interface module is mainly set to be a corresponding number of interfaces, an interface selection module is arranged between the input interface module and the power supply module, the interfaces respectively correspond to the test of the 5-key circuit board and the test of the 7-key circuit board, the interfaces can be selected through the interface selection module, and the applicability of the device is effectively improved.
In addition, for convenient observation, the interface selection module is provided with a second LED indicator light, and performs corresponding light indication on the selected interface channel through the second LED indicator light, for example: when the interface channel of the 7-key is selected, the second LED indicator lamp is lightened; when the interface channel of the 5-key is selected, the second LED indicating lamp is not turned on, so that the tester can distinguish and recognize conveniently, and the testing efficiency is improved.
Because the key circuit boards of the 5 keys and the 7 keys are provided with 5 key detection points and 7 key detection points, the first voltage detection module is provided with 7 test ends for respectively detecting each key. It should be understood that the present invention is not limited to the testing of 5-key and 7-key circuit boards, and may also be a circuit board with other numbers of keys, and correspondingly, the first voltage detection module may be provided with a corresponding number of test terminals.
The indicating component in the key circuit board detection module mainly comprises two parts, namely a third LED indicating lamp and a liquid crystal display nixie tube module, wherein the number of the third LED indicating lamps is matched with the number of the keys on the key circuit board, and each third LED indicating lamp respectively indicates the test result of each key, for example: when the No. 1 key is pressed, the third LED indicator lamp at the No. 1 position is lightened, and when a short circuit exists, the second LED indicator lamp and the third LED indicator lamp are lightened simultaneously, so that a tester can conveniently and quickly judge; and the LCD digital tube module respectively records and displays the qualified products and the defective products according to the test results, thereby being convenient for recording and counting the test results.
In addition, key circuit board detects module still includes first alarm and warning releaser, first alarm and warning releaser all with first MCU control module electric connection. The first alarm is used for alarming, when a defective product is tested, a short circuit or an open circuit exists in the circuit, the first alarm gives an alarm, the indicating effect is further improved, after a wrong key is detected, the first alarm is in the set alarm time of 30 seconds, after the deformed key circuit board to be tested is replaced, the alarm remover is pressed to cancel the alarm, and a new key circuit board test is restarted.
Similar with the test of button circuit board, receiving circuit board detection module also is provided with the second alarm, second alarm and second MCU control module electric connection, and when receiving circuit board unable normal receipt infrared signal in the test process, the second alarm reported to the police.
In this embodiment, the first alarm and the second alarm are both buzzers, and the chip models of the first MCU control module and the second MCU control module are both STC89 CXX.
The invention also provides a test method suitable for the key circuit board and the receiving circuit board, which comprises the following steps:
step 1) testing a key circuit board, connecting the key circuit board with an input interface module of a testing device, selecting a corresponding interface channel according to the number of keys in the key circuit board, providing a testing voltage for the key circuit board by a power supply module, lightly touching each key with proper force according to a set key pressing sequence, detecting the voltage of each key by a first detection module, and if the voltage is normal, lightening a third LED indicator lamp, marking the key circuit board with a qualified product and entering the next process; if the voltage is abnormal, a short circuit exists in the circuit, the two third LED indicator lamps are simultaneously lightened, the first alarm gives an alarm, and when the circuit is opened, the first alarm gives an alarm when the second key is pressed, so that the circuit is judged and marked as a defective product through light and sent to a maintenance station for maintenance;
step 2) receiving circuit board test, at first, connecting the receiving circuit board with the testing device, and starting the infrared transmitting module, the infrared transmitting module is arranged at a distance of the testing device which is 10m away, and transmits infrared signals to the testing device at an interval of 2 times/second, the infrared receiving module receives the infrared signals, the second detecting module detects whether the receiving circuit board can normally receive the infrared testing signals, when the receiving circuit board can normally receive the infrared testing signals, the first LED indicating lamp flickers according to the color of the third LED indicating lamp on the key circuit board, if the colors are the same, the receiving circuit board is marked as a qualified product and is sent to the next procedure, for example: if the third LED indicator light is a red-blue LED light, the first LED indicator light flickers in red-blue color, and if the third LED indicator light is a single red LED light, the first LED indicator light flickers in dark and bright; if the receiving circuit board cannot normally receive the infrared test signal, the second alarm gives an alarm, marks the circuit board as a defective product and sends the circuit board to a maintenance station for maintenance;
theabove steps 1 and 2 may be performed simultaneously.
By adopting the testing device, a tester at the same station can quickly judge according to the corresponding LED lamp flashing signals and the like only by respectively connecting the key circuit to be tested and the receiving circuit board with the testing device, so that the testing efficiency is greatly improved.
The foregoing description shows and describes several preferred embodiments of the invention, but as aforementioned, it is to be understood that the invention is not limited to the forms disclosed herein, but is not to be construed as excluding other embodiments and is capable of use in various other combinations, modifications, and environments and is capable of changes within the scope of the inventive concept as expressed herein, commensurate with the above teachings, or the skill or knowledge of the relevant art. And that modifications and variations may be effected by those skilled in the art without departing from the spirit and scope of the invention as defined by the appended claims.

Claims (10)

Translated fromChinese
1.适用于按键电路板与接收电路板的测试装置,其特征在于,包括:1. A test device suitable for a key circuit board and a receiving circuit board, characterized in that it includes:电源模块,用于提供检测电压;Power module, used to provide detection voltage;红外发送模块,用于发送红外测试信号;Infrared sending module, used to send infrared test signal;按键电路板检测模组,包括输入接口模块、第一检测模块、第一MCU控制模块和指示组件,所述输入接口模块接收检测电压,并由所述第一检测模块对按键电路板中各按键电路中的检测电压进行检测,所述第一MCU控制模块根据所述第一检测模块的检测结果控制所述指示组件进行相应的灯光指示;The button circuit board detection module includes an input interface module, a first detection module, a first MCU control module and an indication component. The input interface module receives the detection voltage, and the first detection module detects each button in the button circuit board. The detection voltage in the circuit is detected, and the first MCU control module controls the indication component to perform corresponding light indication according to the detection result of the first detection module;红外接收测试模块,用于接收红外测试信号自动检测;以及An infrared receiving test module for automatic detection of receiving infrared test signals; and接收电路板检测模组,包括第二检测模块、第二MCU控制模块和第一LED指示灯,所述第二检测模块与所述红外接收测试模块连接,所述红外接收测试模块接收所述红外发送模块发送的红外测试信号,所述第二检测模块对接收电路板是否能够正常接收该红外测试信号进行检测,所述第二MCU控制模块根据所述第二检测模块的检测结果控制所述第一LED指示灯进行相应的灯光指示。The receiving circuit board detection module includes a second detection module, a second MCU control module and a first LED indicator light, the second detection module is connected to the infrared receiving test module, and the infrared receiving test module receives the infrared The infrared test signal sent by the sending module, the second detection module detects whether the receiving circuit board can normally receive the infrared test signal, and the second MCU control module controls the first detection module according to the detection result of the second detection module. An LED indicator for corresponding light indication.2.根据权利要求1中所述的适用于按键电路板与接收电路板的测试装置,其特征在于:所述输入接口模块包括若干个接口,且所述输入接口模块与所述电源模块之间设置有接口选择模块,所述接口选择模块根据按键电路板的按键数量选择相应的接口通道。2. The test device suitable for a key circuit board and a receiving circuit board according to claim 1, wherein the input interface module comprises several interfaces, and the interface between the input interface module and the power module An interface selection module is provided, and the interface selection module selects a corresponding interface channel according to the number of keys on the key circuit board.3.根据权利要求2中所述的适用于按键电路板与接收电路板的测试装置,其特征在于:所述接口选择模块设置有第二LED指示灯,所述第二LED指示灯用于指示选择的所述接口通道。3. The test device suitable for a key circuit board and a receiving circuit board according to claim 2, wherein the interface selection module is provided with a second LED indicator, and the second LED indicator is used to indicate The selected interface channel.4.根据权利要求1中所述的适用于按键电路板与接收电路板的测试装置,其特征在于:所述第一电压检测模块包括至少一个的测试端,每个所述测试端分别用于对应检测每个按键的电压。4. The test device suitable for a key circuit board and a receiving circuit board according to claim 1, wherein the first voltage detection module comprises at least one test terminal, and each of the test terminals is used for Corresponds to detect the voltage of each button.5.根据权利要求1中所述的适用于按键电路板与接收电路板的测试装置,其特征在于:所述指示组件包括多个第三LED指示灯和液晶屏数码管模块,所述第三LED指示灯的数量与按键的数量相适配。5. The test device suitable for a key circuit board and a receiving circuit board according to claim 1, wherein the indicating component comprises a plurality of third LED indicator lights and LCD digital tube modules, and the third The number of LED indicators matches the number of buttons.6.根据权利要求1中所述的适用于按键电路板与接收电路板的测试装置,其特征在于:所述按键电路板检测模组还包括第一报警器和报警解除器,所述第一报警器和所述报警解除器均与所述第一MCU控制模块电性连接。6. The test device suitable for a key circuit board and a receiving circuit board according to claim 1, wherein the key circuit board detection module further comprises a first alarm device and an alarm canceler, the first Both the alarm device and the alarm release device are electrically connected with the first MCU control module.7.根据权利要求6中所述的适用于按键电路板与接收电路板的测试装置,其特征在于:所述接收电路板检测模组还包括第二报警器,所述第二报警器与所述第二MCU控制模块电性连接。7 . The test device suitable for a key circuit board and a receiving circuit board according to claim 6 , wherein the receiving circuit board detection module further comprises a second alarm, the second alarm is connected to the The second MCU control module is electrically connected.8.根据权利要求7中所述的适用于按键电路板与接收电路板的测试装置,其特征在于:所述第一报警器和所述第二报警器均为蜂鸣器。8 . The testing device for a key circuit board and a receiving circuit board according to claim 7 , wherein the first alarm device and the second alarm device are both buzzers. 9 .9.根据权利要求1中所述的适用于按键电路板与接收电路板的测试装置,其特征在于:所述第一MCU控制模块与所述第二MCU控制模块的芯片型号均为STC89CXX。9 . The testing device suitable for a key circuit board and a receiving circuit board according to claim 1 , wherein the chip models of the first MCU control module and the second MCU control module are STC89CXX. 10 .10.一种适用于按键电路板与接收电路板的测试方法,其特征在于,包括以下步骤:10. A test method suitable for a key circuit board and a receiving circuit board, characterized in that it comprises the following steps:步骤1)按键电路板测试,将按键电路板与测试装置的输入接口模块连接,并根据按键电路板中按键的数量而选择相应的接口通道,电源模块向按键电路板提供测试电压,根据设定的按键按压顺序,使用适当的力度轻触每个按键,第一检测模块对每个按键的电压进行检测,若电压正常则为标记合格品并进入下一道工序;若电压异常,蜂鸣器会响起,可根据相应的灯光指示进行判断并标记为不良品,送至维修工位进行维修;Step 1) Button circuit board test, connect the button circuit board with the input interface module of the test device, and select the corresponding interface channel according to the number of buttons in the button circuit board, the power module provides the test voltage to the button circuit board, according to the setting Press the button according to the order of pressing the buttons, touch each button with an appropriate force, the first detection module will detect the voltage of each button, if the voltage is normal, it will mark the qualified product and enter the next process; if the voltage is abnormal, the buzzer will When it sounds, it can be judged and marked as defective products according to the corresponding light instructions, and sent to the maintenance station for maintenance;步骤2)接收电路板测试,首先将接收电路板与测试装置连接,并启动红外发送模块,使红外发送模块以一定的频率向测试装置发送红外信号,红外接收模块接收该红外信号,并通过第二检测模块对接收电路板是否能够正常接收该红外测试信号进行检测,若接收电路板能够正常接收红外测试信号,再根据LED测试结果判断并标记为合格品,送至下一道工序;若接收电路板不能正常接收红外测试信号则为不良品,对不良品进行标记并送至维修工位进行维修;Step 2) Test the receiving circuit board, first connect the receiving circuit board with the test device, and start the infrared sending module, so that the infrared sending module sends an infrared signal to the test device at a certain frequency, and the infrared receiving module receives the infrared signal and passes the first. The second detection module detects whether the receiving circuit board can normally receive the infrared test signal. If the receiving circuit board can receive the infrared test signal normally, it will be judged and marked as a qualified product according to the LED test result, and sent to the next process; If the board cannot receive the infrared test signal normally, it is a defective product, and the defective product is marked and sent to the maintenance station for maintenance;以上步骤1和步骤2可同时执行。The above steps 1 and 2 can be performed simultaneously.
CN202011326314.2A2020-11-242020-11-24Testing device and testing method suitable for key circuit board and receiving circuit boardPendingCN112462232A (en)

Priority Applications (1)

Application NumberPriority DateFiling DateTitle
CN202011326314.2ACN112462232A (en)2020-11-242020-11-24Testing device and testing method suitable for key circuit board and receiving circuit board

Applications Claiming Priority (1)

Application NumberPriority DateFiling DateTitle
CN202011326314.2ACN112462232A (en)2020-11-242020-11-24Testing device and testing method suitable for key circuit board and receiving circuit board

Publications (1)

Publication NumberPublication Date
CN112462232Atrue CN112462232A (en)2021-03-09

Family

ID=74798557

Family Applications (1)

Application NumberTitlePriority DateFiling Date
CN202011326314.2APendingCN112462232A (en)2020-11-242020-11-24Testing device and testing method suitable for key circuit board and receiving circuit board

Country Status (1)

CountryLink
CN (1)CN112462232A (en)

Citations (11)

* Cited by examiner, † Cited by third party
Publication numberPriority datePublication dateAssigneeTitle
US20020140360A1 (en)*1998-10-302002-10-03Crenshaw David B.Remote control test apparatus
CN101644743A (en)*2009-08-222010-02-10福建捷联电子有限公司Method for testing button circuit board and device thereof
CN102565699A (en)*2012-03-132012-07-11深圳市九洲电器有限公司Method and device for detecting front panel of set-top box
CN103647967A (en)*2013-12-252014-03-19青岛乾程电子科技有限公司Method for automatically testing front control panels of television set top boxes
CN104459530A (en)*2014-12-222015-03-25广州创维平面显示科技有限公司Keying board tester and keying board test device
CN105530511A (en)*2015-12-042016-04-27深圳创维-Rgb电子有限公司 A test device, test system and method for a remote control receiving board
CN107680369A (en)*2017-11-102018-02-09Tcl空调器(中山)有限公司Automatic test system for infrared remote controller
CN207200894U (en)*2017-09-202018-04-06广州视源电子科技股份有限公司Tooling plate and test system
CN207965051U (en)*2018-01-162018-10-12深圳创维-Rgb电子有限公司A kind of keypad test fixture
CN110470927A (en)*2019-07-152019-11-19深圳市金锐显数码科技有限公司A kind of key-press test method and button testing device
CN214097704U (en)*2020-11-242021-08-31博森电子(东莞)有限公司Testing device suitable for key circuit board and receiving circuit board

Patent Citations (11)

* Cited by examiner, † Cited by third party
Publication numberPriority datePublication dateAssigneeTitle
US20020140360A1 (en)*1998-10-302002-10-03Crenshaw David B.Remote control test apparatus
CN101644743A (en)*2009-08-222010-02-10福建捷联电子有限公司Method for testing button circuit board and device thereof
CN102565699A (en)*2012-03-132012-07-11深圳市九洲电器有限公司Method and device for detecting front panel of set-top box
CN103647967A (en)*2013-12-252014-03-19青岛乾程电子科技有限公司Method for automatically testing front control panels of television set top boxes
CN104459530A (en)*2014-12-222015-03-25广州创维平面显示科技有限公司Keying board tester and keying board test device
CN105530511A (en)*2015-12-042016-04-27深圳创维-Rgb电子有限公司 A test device, test system and method for a remote control receiving board
CN207200894U (en)*2017-09-202018-04-06广州视源电子科技股份有限公司Tooling plate and test system
CN107680369A (en)*2017-11-102018-02-09Tcl空调器(中山)有限公司Automatic test system for infrared remote controller
CN207965051U (en)*2018-01-162018-10-12深圳创维-Rgb电子有限公司A kind of keypad test fixture
CN110470927A (en)*2019-07-152019-11-19深圳市金锐显数码科技有限公司A kind of key-press test method and button testing device
CN214097704U (en)*2020-11-242021-08-31博森电子(东莞)有限公司Testing device suitable for key circuit board and receiving circuit board

Similar Documents

PublicationPublication DateTitle
CN202735841U (en)Automatic detection device for air conditioner indoor unit control board
CN101201377A (en) A remote control testing device and method
CN110207744A (en)A kind of Meter Test system and method
WO2018227795A1 (en)Test system for indicator light control drive circuit
CN214097704U (en)Testing device suitable for key circuit board and receiving circuit board
CN112462232A (en)Testing device and testing method suitable for key circuit board and receiving circuit board
CN209280869U (en) A PCBA function automatic test device
CN214097746U (en)Automatic detection device for high-voltage wire harness
JP3018647B2 (en) Air conditioner failure diagnosis device
CN113985157A (en)Automatic test method and system of air purifier
CN210159995U (en) A device for preventing the unqualified product of vehicle temperature sensor from pulling out
CN112393763A (en)Testing device and testing method suitable for air conditioner display panel
CN104614667A (en)Switching power supply jointed board automatic tester and method
CN209765017U (en)Relay detection device and tobacco sheet production system
CN114871118B (en)Project parameter display method of PCBA board multi-item visual inspection equipment
CN111208465A (en) Self-checking circuit for fault arc detection device and fault arc self-checking method
CN113984364A (en) Pressure switch detection method and device
CN217521280U (en)Automatic testing equipment for small household appliances
CN109522170B (en) Front shell display module detection device and system
CN219496605U (en)Traceable battery pack detection device
KR100833374B1 (en) PD-TV's A / V board recognition display device and method
CN112964987A (en)Portable platform door system motor state detection device and method
CN110201914A (en)It is a kind of to prevent pulling out wrong method and apparatus for temperature sensor for vehicle rejected product
CN204272308U (en)For detecting the integrated form detection system of camera and accessory lamp
KR20060008829A (en) Metal dome inspection device and method

Legal Events

DateCodeTitleDescription
PB01Publication
PB01Publication
SE01Entry into force of request for substantive examination
SE01Entry into force of request for substantive examination

[8]ページ先頭

©2009-2025 Movatter.jp