Movatterモバイル変換


[0]ホーム

URL:


CN112303583A - Vehicle lamp - Google Patents

Vehicle lamp
Download PDF

Info

Publication number
CN112303583A
CN112303583ACN201910705293.6ACN201910705293ACN112303583ACN 112303583 ACN112303583 ACN 112303583ACN 201910705293 ACN201910705293 ACN 201910705293ACN 112303583 ACN112303583 ACN 112303583A
Authority
CN
China
Prior art keywords
light source
transparent substrate
focal point
light
reflective film
Prior art date
Legal status (The legal status is an assumption and is not a legal conclusion. Google has not performed a legal analysis and makes no representation as to the accuracy of the status listed.)
Pending
Application number
CN201910705293.6A
Other languages
Chinese (zh)
Inventor
蔡宗翰
蔡直佑
林士凯
陈正健
Current Assignee (The listed assignees may be inaccurate. Google has not performed a legal analysis and makes no representation or warranty as to the accuracy of the list.)
Zhuzhou Torch Auto Lamp Co ltd
Original Assignee
Zhuzhou Torch Auto Lamp Co ltd
Priority date (The priority date is an assumption and is not a legal conclusion. Google has not performed a legal analysis and makes no representation as to the accuracy of the date listed.)
Filing date
Publication date
Application filed by Zhuzhou Torch Auto Lamp Co ltdfiledCriticalZhuzhou Torch Auto Lamp Co ltd
Priority to CN201910705293.6ApriorityCriticalpatent/CN112303583A/en
Publication of CN112303583ApublicationCriticalpatent/CN112303583A/en
Pendinglegal-statusCriticalCurrent

Links

Images

Classifications

Landscapes

Abstract

The invention discloses a vehicle lamp, which comprises a light source module, a lens, a transparent substrate and a reflecting film. The light source module comprises a bearing plate, a first light source, a first reflecting plate, a second light source and a second reflecting plate. The first light source is arranged on one side of the bearing plate. The first reflecting plate is arranged corresponding to the first light source. The second light source is arranged on the other side of the bearing plate. The second reflecting plate is arranged corresponding to the second light source. The transparent substrate is arranged between the light source module and the lens. The reflecting film is arranged on one end face of the transparent substrate. A first light ray emitted by the first light source is reflected to a top surface of the reflecting film through the first reflecting plate and then reflected to the lens through the top surface; a second light ray emitted by the second light source is reflected to a bottom surface of the reflecting film through the second reflecting plate and then reflected to the lens through the bottom surface.

Description

Vehicle lamp
Technical Field
The present invention relates to a vehicle lamp, and more particularly, to a vehicle lamp capable of eliminating a dark band between a low beam type and a high beam type.
Background
In order to make a single car light have functions of both a dipped headlight and a high beam, the car light on the market is designed into a dual-optical module with an electric control switching function. The double-light module is provided with a reflector plate, a near-light source, a high-light source, a low-light reflector, a high-light reflector and a lens. The light emitted by the low beam light source is reflected to the reflecting sheet through the low beam reflecting plate, and then is reflected to the lens from the reflecting sheet and is emitted to the outside to form a low beam light type. The light emitted by the high beam light source is reflected to the reflector plate through the high beam reflector plate, and then is reflected to the lens from the reflector plate and emitted to the outside to form a high beam light type. Therefore, the user can selectively activate the low beam light source or the high beam light source to irradiate the low beam light type or the high beam light type.
However, because of certain thickness (usually 0.3mm) of reflector plate body, consequently when low beam light source and distance beam light source light simultaneously, the light of low beam light source and distance beam light source can be blocked to the thickness of reflector plate for can produce obvious dark zone between low beam light type and the distance beam light type, also for the dead angle that can't be shined by light, it can cause the influence and endanger driving safety to user's sight.
Therefore, it is necessary to provide a vehicle lamp to eliminate a dark band between the low beam type and the high beam type.
Disclosure of Invention
The main object of the present invention is to provide a vehicle lamp capable of eliminating a dark band between a low beam type and a high beam type.
To achieve the above object, the present invention provides a vehicular lamp including a light source module, a lens, a transparent substrate and a reflective film. The light source module comprises a bearing plate, a first light source, a first reflecting plate, a second light source and a second reflecting plate. The first light source is arranged on one side of the bearing plate. The first reflecting plate is arranged corresponding to the first light source. The second light source is arranged on the other side of the bearing plate. The second reflecting plate is arranged corresponding to the second light source. The transparent substrate is arranged between the light source module and the lens. The reflecting film is arranged on one end face of the transparent substrate. A first light ray emitted by the first light source is reflected to the top surface of the reflecting film through the first reflecting plate and then reflected to the lens through the top surface of the reflecting film; a second light ray emitted by the second light source is reflected to a bottom surface of the reflecting film through the second reflecting plate and then reflected to the lens through the bottom surface of the reflecting film.
According to an embodiment of the invention, the top surface of the reflective film is connected to a bottom end of the transparent substrate, and a portion of the first light enters the transparent substrate, is reflected by the top surface of the reflective film, and passes through the transparent substrate to be emitted to the lens.
According to an embodiment of the invention, the bottom surface of the reflective film is connected to a top end of the transparent substrate, and a portion of the second light enters the transparent substrate, is reflected by the bottom surface of the reflective film, and then passes through the transparent substrate to be emitted to the lens.
According to an embodiment of the present invention, the transparent substrate is connected to the carrier.
According to an embodiment of the present invention, the first reflective plate has a first focal point and a second focal point, the first light source is located at or near the first focal point, and the top surface of the reflective film and the second focal point are adjacent or overlap.
According to an embodiment of the present invention, the second reflective plate has a third focal point and a fourth focal point, the second light source is located at or near the third focal point, and the bottom surface of the reflective film and the fourth focal point are adjacent or overlap.
According to an embodiment of the present invention, the second focal point or/and the fourth focal point is located in the transparent substrate.
According to an embodiment of the present invention, the second focal point or/and the fourth focal point is located outside the transparent substrate.
According to an embodiment of the present invention, the reflective film is a thin film with optical reflection effect formed by surface treatment.
According to an embodiment of the present invention, the thickness of the reflective film is less than 0.1 mm.
Drawings
Fig. 1 is a schematic view of an internal structure of a vehicular lamp according to a first embodiment of the present invention.
Fig. 2 is a sectional view of the vehicular lamp of the first embodiment of the invention.
Fig. 3 is a schematic view illustrating the reflection film of the first embodiment of the present invention reflecting a first light ray and a second light ray.
Fig. 4 is a schematic diagram of a low beam type, a high beam type and a bonding area illuminated by the vehicle lamp according to the first embodiment of the present invention.
Fig. 5 is a sectional view of a vehicular lamp according to a second embodiment of the invention.
Fig. 6 is a sectional view of a vehicular lamp according to a third embodiment of the invention.
Fig. 7 is a sectional view of a vehicular lamp according to a fourth embodiment of the invention.
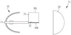
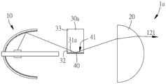
Wherein, the reference numbers:
light source module 10 forvehicle lamp 1, 1a, 1b, 1c
Loadingboard 11first light source 12
First light ray 121 andfirst reflection plate 13
First focus 131 andsecond focus 132
Second light 141 ofsecond light source 14
Thirdfocal point 151 ofsecond reflection plate 15
Fourthfocal point 152lens 20
End faces 31, 31a oftransparent substrates 30, 30a, 30b, 30c
Bottom end 32 andtop end 33
Reflective film 40, 40a, 40btop surface 41
Bottom surface 42 low beam pattern A
High beam type B laminating area C
Detailed Description
To better understand the technical content of the present invention, preferred embodiments are specifically illustrated as follows.
Referring to fig. 1 to 4, the following description relates to a vehicular lamp according to a first embodiment of the present invention. Fig. 1 is a schematic view of an internal structure of a vehicular lamp according to a first embodiment of the present invention; fig. 2 is a sectional view of a vehicular lamp according to a first embodiment of the invention; FIG. 3 is a schematic diagram of a first light ray and a second light ray reflected by a reflective film according to a first embodiment of the present invention; fig. 4 is a schematic diagram of a low beam type, a high beam type and a bonding area illuminated by the vehicle lamp according to the first embodiment of the present invention.
As shown in fig. 1, 2, and 4, in the first embodiment of the present invention, thevehicle lamp 1 can provide the low beam pattern a and the high beam pattern B, and can eliminate a dark zone between the low beam pattern a and the high beam pattern B to make illumination clearer and improve driving safety. Thevehicular lamp 1 includes alight source module 10, alens 20, atransparent substrate 30, and areflective film 40.
As shown in fig. 1 to 3, in the first embodiment of the present invention, thelight source module 10 is used for providing light beams of low beam and high beam. Thelight source module 10 includes a supportingplate 11, afirst light source 12, a firstreflective plate 13, asecond light source 14 and a secondreflective plate 15. Thecarrier plate 11 is used to connect and carry afirst light source 12, a firstreflective plate 13, asecond light source 14 and a secondreflective plate 15.
Thefirst light source 12 is used for emitting afirst light 121, and thefirst light source 12 is disposed on one side of the supportingplate 11. Thefirst reflection plate 13 is disposed corresponding to thefirst light source 12. Thefirst reflection plate 13 has afirst focus 131 and asecond focus 132. Thefirst focus 131 is, for example, within an oval dotted line on the upward side of thecarrier plate 11 in fig. 2, and thefirst light source 12 is located on thefirst focus 131. The range of the secondfocal point 132 is, for example, within the dotted oval line of fig. 3, and the specific position of the secondfocal point 132 may be located inside, outside, or overlapping thereflective film 40 of thetransparent substrate 30. The firstreflective plate 13 is used for reflecting thefirst light 121 emitted from thefirst light source 12 at the firstfocal point 131, so that thefirst light 121 is reflected to the secondfocal point 132. However, the number of thefirst light sources 12 is not limited to one, and may be changed to three according to the lighting requirement, and the three arc-shaped reflection shells are respectively arranged corresponding to thefirst reflection plate 13. However, the position of thefirst light source 12 is not limited to being located on the firstfocal point 131, and thefirst light source 12 may be located near the firstfocal point 131.
The secondlight source 14 is used for emitting asecond light 141, and the secondlight source 14 is disposed on the other side of thecarrier plate 11. Thesecond reflection plate 15 is disposed corresponding to the secondlight source 14. Thesecond reflection plate 15 has a thirdfocal point 151 and a fourthfocal point 152. Thethird focus 151 is, for example, within the oval dotted line on the downward side of thecarrier plate 11 in fig. 2, and the secondlight source 14 is located on thethird focus 151. The range of the fourthfocal point 152 is, for example, within the dotted oval line of fig. 3, and the specific position of the fourthfocal point 152 may be located inside, outside, or overlapping thereflective film 40 of thetransparent substrate 30. The secondreflective plate 15 is used for reflecting thesecond light 141 emitted from the secondlight source 14 on the thirdfocal point 151, so that thesecond light 141 is reflected to the fourthfocal point 152. However, the number of the secondlight sources 14 is not limited to one, and may be changed to a plurality according to the lighting requirements. However, the position of the secondlight source 14 is not limited to being located on the thirdfocal point 151, and the secondlight source 14 may be located near the thirdfocal point 151.
As shown in fig. 1, 2 and 4, in the first embodiment of the present invention, thelens 20 is configured to project the receivedfirst light ray 121 and secondlight ray 141 to the outside to form a low beam pattern a and a high beam pattern B. Thetransparent substrate 30 is disposed between thelight source module 10 and thelens 20, thetransparent substrate 30 is used for supporting thereflective film 40, and the transparent property of thetransparent substrate 30 allows light to pass through, so that a dark band caused by light shielding can be avoided. Thetransparent substrate 30 includes anend surface 31, abottom end 32, and atop end 33. Thebottom end 32 and thetop end 33 are opposite ends, and thebottom end 32 is connected to a bottom housing (not shown) of thevehicle lamp 1. Theend surface 31 has atip 33 facing upward.
As shown in fig. 1 to 4, in the first embodiment of the present invention, thereflective film 40 is a thin film having an optical reflection effect formed by surface treatment, and thereflective film 40 is disposed on theend surface 31 of thetransparent substrate 30. The thickness of thereflective film 40 is less than 0.1mm, and more preferably thereflective film 40 has a thickness in the range of less than 0.05 mm. Thereflective film 40 includes atop surface 41 and abottom surface 42. Thetop surface 41 of thereflective film 40 overlaps the secondfocal point 132, or thetop surface 41 is adjacent to the second focal point 132 (e.g., the area not in direct contact with thetop surface 41 in the range of the dotted line of the secondfocal point 132 in fig. 3). Thebottom surface 42 of thereflective film 40 is connected to theend surface 31 of thetransparent substrate 30. Thebottom surface 42 of thereflective film 40 overlaps the fourthfocal point 152, or thebottom surface 42 is adjacent to the fourth focal point 152 (e.g., in the area of thebottom surface 42 not directly contacting the bottom surface in the dotted line of the fourthfocal point 152 in fig. 3). It should be noted that the positions of the secondfocal point 132 and the fourthfocal point 152 are not limited to the above, for example, the positions of the secondfocal point 132 and the fourthfocal point 152 may be designed to be coincident with each other and located within the range of the dotted line.
As shown in fig. 2 to 4, when thefirst light source 12 emits thefirst light ray 121, a part of thefirst light ray 121 is reflected to thetop surface 41 of thereflective film 40 through the firstreflective plate 13, and then reflected to thelens 20 through thetop surface 41 of thereflective film 40; another part of thefirst light 121 is reflected by the firstreflective plate 13, and then is not reflected to thetop surface 41, but directly emitted to thelens 20. Thelens 20 projects all the received first light rays 121 to the outside to form a low beam type a.
In addition, when the secondlight source 14 emits thesecond light 141, a part of thesecond light 141 is reflected by the secondreflective plate 15 to enter thetransparent substrate 30 and irradiate thebottom surface 42 of thereflective film 40, and is reflected by thebottom surface 42 of thereflective film 40 to pass through thetransparent substrate 30 and irradiate thelens 20. Another part of thesecond light 141, after being reflected by thesecond reflection plate 15 and entering thetransparent substrate 30, does not strike thebottom surface 42, but passes through thetransparent substrate 30 and directly strikes thelens 20. Thelens 20 projects all the receivedsecond light 141 to the outside to form a high beam pattern B. In addition, thefirst light 121 and thesecond light 141 which are not reflected by thereflective film 40 and directly irradiate thelens 20 are mutually bonded to form a bonding region C after being projected to the outside by thelens 20, and the bonding region C is located between the low beam type a and the high beam type B.
Because the thickness of the electroplated metal film of thereflective film 40 is extremely thin, thefirst light 121 and thesecond light 141 are not shielded, so the low beam type a and the high beam type B generated by thefirst light 121 and thesecond light 141 respectively can be attached to each other, and a dark band cannot be generated between the low beam type a and the high beam type B. In addition, the attaching area C formed by thefirst light 121 and thesecond light 141 directly emitted to thelens 20 without being reflected by thereflective film 40 is located between the low beam type a and the high beam type B, i.e. on a dark band caused by a conventional vehicle lamp, so that the light on the attaching area C can further provide an illumination effect to solve the problem of the dark band.
Referring to fig. 5, the following description relates to a vehicular lamp according to a second embodiment of the present invention. Fig. 5 is a sectional view of a vehicular lamp according to a second embodiment of the invention.
As shown in fig. 5, the second embodiment differs from the first embodiment in that, in the lamp 1a of the second embodiment, thetop end 33 of thetransparent base material 30a is attached to the top case (not shown) of the lamp 1a, and theend face 31a is a face with thebottom end 32 facing downward. Thetop surface 41 of thereflective film 40 is connected to theend surface 31a of thetransparent substrate 30 a. After entering thetransparent substrate 30a, a portion of thefirst light 121 is reflected by thetop surface 41 of thereflective film 40 and passes out of thetransparent substrate 30a to be emitted toward thelens 20.
Referring to fig. 6, the following description relates to a vehicular lamp according to a third embodiment of the present invention. Fig. 6 is a sectional view of a vehicular lamp according to a third embodiment of the invention.
As shown in fig. 6, the difference between the third embodiment and the first embodiment is that in thevehicular lamp 1b of the third embodiment, thetransparent substrate 30b is designed to have a longer width for connecting with thecarrier plate 11, thetransparent substrate 30b can be designed to have a fastening structure for stably combining with thecarrier plate 11, or thetransparent substrate 30b can be a structure integrally formed with thecarrier plate 11 by injection molding. Thereflective film 40a is also in a wide form corresponding to thetransparent base 30 b.
Referring to fig. 7, the following description relates to a vehicular lamp according to a fourth embodiment of the present invention. Fig. 7 is a sectional view of a vehicular lamp according to a fourth embodiment of the invention.
As shown in FIG. 7, the difference between the fourth embodiment and the second embodiment is that in thevehicular lamp 1c of the fourth embodiment, thetransparent substrate 30c is designed to have a longer width for connecting with thecarrier plate 11, thetransparent substrate 30c can be designed to have a fastening structure for stably combining with thecarrier plate 11, or thetransparent substrate 30c can be a structure integrally formed with thecarrier plate 11 by injection molding. Thereflective film 40b is also in a wide form corresponding to thetransparent base 30 c.
Through the design of thevehicle lamps 1, 1a, 1b and 1c, the low beam light type and the high beam light type can be attached to each other, and no dark band can be generated between the low beam light type and the high beam light type; the bonding area formed by the first light and the second light which are not reflected by the reflecting film and directly irradiate the lens is positioned on a dark band caused by the traditional vehicle lamp, so that the light on the bonding area can further provide the illumination effect to solve the problem of the dark band, and therefore, the illumination is clearer and the driving safety is improved.
The present invention may be embodied in other specific forms without departing from the spirit or essential attributes thereof, and it should be understood that various changes and modifications can be effected therein by one skilled in the art without departing from the spirit and scope of the invention as defined in the appended claims.

Claims (11)

CN201910705293.6A2019-07-312019-07-31Vehicle lampPendingCN112303583A (en)

Priority Applications (1)

Application NumberPriority DateFiling DateTitle
CN201910705293.6ACN112303583A (en)2019-07-312019-07-31Vehicle lamp

Applications Claiming Priority (1)

Application NumberPriority DateFiling DateTitle
CN201910705293.6ACN112303583A (en)2019-07-312019-07-31Vehicle lamp

Publications (1)

Publication NumberPublication Date
CN112303583Atrue CN112303583A (en)2021-02-02

Family

ID=74486431

Family Applications (1)

Application NumberTitlePriority DateFiling Date
CN201910705293.6APendingCN112303583A (en)2019-07-312019-07-31Vehicle lamp

Country Status (1)

CountryLink
CN (1)CN112303583A (en)

Cited By (1)

* Cited by examiner, † Cited by third party
Publication numberPriority datePublication dateAssigneeTitle
CN113237035A (en)*2021-04-232021-08-10深圳市希尔光学技术有限公司Polarized lens capable of gathering light

Citations (5)

* Cited by examiner, † Cited by third party
Publication numberPriority datePublication dateAssigneeTitle
CN105090855A (en)*2014-05-232015-11-25株式会社小糸制作所Vehicular headlamp
CN105588061A (en)*2016-02-292016-05-18上海小糸车灯有限公司Low-high beam integrated light-emitting diode PES unit of automotive headlamp
CN109668112A (en)*2019-03-012019-04-23苏州晶清光电科技有限公司A kind of laser lighting lamp
CN109737354A (en)*2019-03-012019-05-10苏州晶清光电科技有限公司The headlamp of distance-light one
CN209130767U (en)*2018-12-172019-07-19诚益光电科技股份有限公司Light projection device with high light utilization rate

Patent Citations (5)

* Cited by examiner, † Cited by third party
Publication numberPriority datePublication dateAssigneeTitle
CN105090855A (en)*2014-05-232015-11-25株式会社小糸制作所Vehicular headlamp
CN105588061A (en)*2016-02-292016-05-18上海小糸车灯有限公司Low-high beam integrated light-emitting diode PES unit of automotive headlamp
CN209130767U (en)*2018-12-172019-07-19诚益光电科技股份有限公司Light projection device with high light utilization rate
CN109668112A (en)*2019-03-012019-04-23苏州晶清光电科技有限公司A kind of laser lighting lamp
CN109737354A (en)*2019-03-012019-05-10苏州晶清光电科技有限公司The headlamp of distance-light one

Cited By (1)

* Cited by examiner, † Cited by third party
Publication numberPriority datePublication dateAssigneeTitle
CN113237035A (en)*2021-04-232021-08-10深圳市希尔光学技术有限公司Polarized lens capable of gathering light

Similar Documents

PublicationPublication DateTitle
US9039261B2 (en)Vehicular lamp
US7635206B2 (en)Light emitting diode lighting device having a lens connected to a hood
US7736039B2 (en)Vehicle lamp
JP3195294B2 (en) Vehicle lighting
JP5563209B2 (en) Lamp
JP4930787B2 (en) VEHICLE LIGHT AND LIGHT GUIDE LENS USED FOR VEHICLE LIGHT
US6543923B2 (en)Vehicle lamp
EP3885644B1 (en)Low-beam optical module, low-beam illumination module, vehicle lamp and vehicle
US7207703B2 (en)Headlamp unit for vehicle and headlamp unit assembly
JP2018092883A (en)Vehicular lighting fixture
US10612743B2 (en)Vehicle lamp
US11346516B2 (en)Light emitting module for vehicle and lamp device including the same
JP2020205147A (en) Light guide and vehicle lamps
US20250277569A1 (en)Vehicle lamp
CN210107261U (en) light projection device
CN112393195A (en)Light projection device
CN112303583A (en)Vehicle lamp
TWI698613B (en)High efficiency light-projecting device
JP2019061905A (en) Mobile body lighting device and mobile body
CN112393198A (en)Miniaturized light projection device
JP2019185993A (en)Light source unit and illuminating device
JP2014102941A (en)Vehicle headlamp
US10281104B2 (en)Light-projecting device
CN216383992U (en)Side direction reflection of light cup system
CN108916810B (en)Light reflector for an optical module of a vehicle lamp, vehicle lamp and motor vehicle

Legal Events

DateCodeTitleDescription
PB01Publication
PB01Publication
SE01Entry into force of request for substantive examination
SE01Entry into force of request for substantive examination
RJ01Rejection of invention patent application after publication
RJ01Rejection of invention patent application after publication

Application publication date:20210202


[8]ページ先頭

©2009-2025 Movatter.jp