Movatterモバイル変換


[0]ホーム

URL:


CN112271945A - Energy storage converter and charge-discharge control method thereof - Google Patents

Energy storage converter and charge-discharge control method thereof
Download PDF

Info

Publication number
CN112271945A
CN112271945ACN202011206701.2ACN202011206701ACN112271945ACN 112271945 ACN112271945 ACN 112271945ACN 202011206701 ACN202011206701 ACN 202011206701ACN 112271945 ACN112271945 ACN 112271945A
Authority
CN
China
Prior art keywords
battery module
capacitor
converter
energy storage
conversion module
Prior art date
Legal status (The legal status is an assumption and is not a legal conclusion. Google has not performed a legal analysis and makes no representation as to the accuracy of the status listed.)
Pending
Application number
CN202011206701.2A
Other languages
Chinese (zh)
Inventor
吴越
陈满
雷博
李勇琦
郑耀东
史尤杰
胡振恺
许树楷
Current Assignee (The listed assignees may be inaccurate. Google has not performed a legal analysis and makes no representation or warranty as to the accuracy of the list.)
China South Power Grid International Co ltd
Peak and Frequency Regulation Power Generation Co of China Southern Power Grid Co Ltd
Original Assignee
China South Power Grid International Co ltd
Peak and Frequency Regulation Power Generation Co of China Southern Power Grid Co Ltd
Priority date (The priority date is an assumption and is not a legal conclusion. Google has not performed a legal analysis and makes no representation as to the accuracy of the date listed.)
Filing date
Publication date
Application filed by China South Power Grid International Co ltd, Peak and Frequency Regulation Power Generation Co of China Southern Power Grid Co LtdfiledCriticalChina South Power Grid International Co ltd
Priority to CN202011206701.2ApriorityCriticalpatent/CN112271945A/en
Publication of CN112271945ApublicationCriticalpatent/CN112271945A/en
Pendinglegal-statusCriticalCurrent

Links

Images

Classifications

Landscapes

Abstract

Translated fromChinese

本发明公开了一种储能变流器及其充放电控制方法,该储能变流器包括AC/DC变换模块和DC/DC变换模块,所述AC/DC变换模块的交流侧通过滤波器与交流电网连接,所述AC/DC变换模块的直流侧与所述DC/DC变换模块连接,所述DC/DC变换模块包括若干个串联的反激变换器,每个所述反激变换器的负载处连接有一个电池模块。本发明通过采用反激变换器作为DC/DC变换模块,使得储能变流器高压侧与低压侧隔离,保证电池更换时操作人员的人身安全,另外,通过控制反激变换器的开关工作状态,避免电池模块的过充和过放,有效解决电池充放电均衡问题。

Figure 202011206701

The invention discloses an energy storage converter and a charging and discharging control method thereof. The energy storage converter includes an AC/DC conversion module and a DC/DC conversion module, and an AC side of the AC/DC conversion module passes a filter Connected to the AC power grid, the DC side of the AC/DC conversion module is connected to the DC/DC conversion module, the DC/DC conversion module includes several series-connected flyback converters, each of the flyback converters A battery module is connected to the load. By using the flyback converter as the DC/DC conversion module, the present invention isolates the high-voltage side and the low-voltage side of the energy storage converter to ensure the personal safety of the operator when the battery is replaced. In addition, by controlling the switching state of the flyback converter , to avoid overcharge and overdischarge of the battery module, and effectively solve the problem of battery charge and discharge balance.

Figure 202011206701

Description

Energy storage converter and charge-discharge control method thereof
Technical Field
The invention relates to the technical field of electronic circuits, in particular to an energy storage converter and a charge and discharge control method thereof.
Background
In recent years, with the continuous progress of battery manufacturing technology and power electronic technology, battery energy storage technology has been developed to some extent. Aiming at the problems that the voltage grades of the applied battery modules are not consistent, the grid-connected voltage is far higher than the voltage of a single battery module and the like, a two-stage topology (namely an AC/DC converter and a DC/DC converter) gradually becomes one of the mainstream solutions. In a two-stage topology, a DC/DC converter is responsible for boosting the battery module voltage, and an AC/DC converter is responsible for converting the high DC voltage to high AC voltage suitable for network access. When the battery connected with a certain group of DC/DC converters has a fault, the group of DC/DC converters only needs to be stopped, and the whole system does not need to be stopped. The two-tier topology has greater redundancy and flexibility than a single-tier topology.
However, in the conventional two-stage energy storage converter structure with the parallel connection at the DC, an equalization circuit needs to be added in the battery cluster, and the charging and discharging equalization control cannot be directly performed on all the battery modules. Although the energy storage converter structure that the switch group is connected in series on the DC side can solve the problem of charge-discharge balance of the battery module, there is no isolation structure on the low-voltage DC side, and certain danger is generated to an operator when the battery module is replaced.
Disclosure of Invention
The invention aims to provide an energy storage converter and a charge and discharge control method thereof.
In order to achieve the above object, an embodiment of the present invention provides an energy storage converter, including an AC/DC conversion module and a DC/DC conversion module, where an AC side of the AC/DC conversion module is connected to an AC power grid through a filter, a DC side of the AC/DC conversion module is connected to the DC/DC conversion module, the DC/DC conversion module includes a plurality of flyback converters connected in series, and a load of each flyback converter is connected to a battery module.
Preferably, the flyback converter includes a first capacitor, a second capacitor, a first switch tube, a second switch tube and a transformer; the input side of the transformer is connected with the first capacitor in parallel, and the first switching tube is connected on the input side of the transformer in series; the output side of the transformer is connected with the second capacitor in parallel, and the second switching tube is connected on the output side of the transformer in series; the second capacitor is connected in parallel with the battery module.
Preferably, the first capacitors of the flyback converters are connected in series to form a first capacitor branch of the DC/DC conversion module, a second capacitor branch is disposed on the DC side of the AC/DC conversion module, and the first capacitor branch is connected in parallel with the second capacitor branch.
Preferably, the filter is an LCL filter, the LCL filter includes three-phase filtering branches, one end of each three-phase filtering branch is correspondingly connected to three phases of the AC power grid, and the other end of each three-phase filtering branch is connected to an AC side of the AC/DC conversion module; each phase of filtering branch circuit comprises a first inductor, a second inductor, a third capacitor, a fourth capacitor and a resistor; the fourth capacitor and the resistor are connected in series to form a damping branch circuit, the damping branch circuit and the third capacitor are connected in parallel to form a parallel branch circuit, and the parallel branch circuit is connected between the first inductor and the second inductor.
Preferably, the resistance value of the resistor has a value range of
Figure BDA0002755827460000021
Wherein R isdaIs the resistance value of the resistor, omega is the resonance frequency of the LCL filter, CdaIs the capacitance value of the fourth capacitor, CfaIs the capacitance value of the third capacitor, LgaIs an inductance value of the first inductor, LcaIs the inductance value of the second inductor.
Preferably, the AC/DC conversion module is a two-level bridge converter, a T-type three-level converter or a diode-clamped type three-level converter.
Another embodiment of the present invention further provides a charge and discharge control method for an energy storage converter, including the following steps:
acquiring charge and discharge state information of a battery module at a load of the energy storage converter;
when the battery module is in a charging state, acquiring the charging voltage of the battery module;
if the charging voltage of the battery module exceeds a preset first voltage threshold, controlling the flyback converter to enter a preset switch working state so as to enable the battery module to enter a balance control state; or keeping the battery module in a charging state;
when the battery module is in a discharging state, acquiring the discharging voltage of the battery module;
if the discharge voltage of the battery module exceeds a preset second voltage threshold, controlling the flyback converter to enter the switch working state so as to enable the battery module to enter a balance control state; or to maintain the battery module in a discharged state.
Preferably, the controlling the flyback converter to enter a preset switch operating state so that the battery module enters a balanced control state specifically includes:
and controlling a primary side switch tube of the flyback converter to be in a normally open state, and controlling a secondary side switch tube of the flyback converter to be in a normally closed state, so that the battery module enters a balanced control state.
Preferably, after the battery module enters the equalization control state, the method further comprises:
and when detecting that the number of the battery modules in the energy storage converter is greater than a preset number threshold value, taking out the battery modules and replacing the battery modules with new battery modules.
Compared with the prior art, the energy storage converter and the charge-discharge control method thereof provided by the embodiment of the invention have the advantages that the flyback converter is adopted as the DC/DC conversion module, so that the high-voltage side and the low-voltage side of the energy storage converter are isolated, the personal safety of operators during battery replacement is ensured, and the LCL filter is additionally arranged on the alternating current side of the AC/DC converter, so that the suppression effect of the converter on the high-frequency harmonic waves of the network-connected current is greatly improved; in addition, by controlling the switch working state of the flyback converter, the overcharge and the overdischarge of the battery module are avoided, and the problem of battery charge and discharge balance is effectively solved.
Drawings
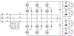
Fig. 1 is a schematic structural diagram of a first embodiment of an energy storage converter provided by the invention;
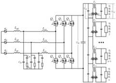
fig. 2 is a schematic structural diagram of a second embodiment of an energy storage converter provided in the present invention;
fig. 3 is a schematic structural diagram of a third embodiment of an energy storage converter provided by the invention;
fig. 4 is a schematic flow chart of a charging and discharging control method for an energy storage converter according to a first embodiment of the present invention;
fig. 5 is an equivalent schematic diagram of an embodiment of thebattery module 1 of the energy storage converter provided by the invention, which cuts out a circuit at the end of charging/discharging;
fig. 6 is a schematic flow chart of a charging and discharging control method for an energy storage converter according to a second embodiment of the present invention.
Detailed Description
The technical solutions in the embodiments of the present invention will be clearly and completely described below with reference to the drawings in the embodiments of the present invention, and it is obvious that the described embodiments are only a part of the embodiments of the present invention, and not all of the embodiments. All other embodiments, which can be derived by a person skilled in the art from the embodiments given herein without making any creative effort, shall fall within the protection scope of the present invention.
Referring to fig. 1, the energy storage converter according to an embodiment of the present invention includes an AC/DC conversion module and a DC/DC conversion module, an AC side of the AC/DC conversion module is connected to an AC power grid through a filter, a DC side of the AC/DC conversion module is connected to the DC/DC conversion module, the DC/DC conversion module includes a plurality of flyback converters connected in series, and a battery module is connected to a load of each flyback converter.
Specifically, the energy storage converter comprises an AC/DC conversion module and a DC/DC conversion module, wherein the AC side of the AC/DC conversion module is connected with an AC power grid through a filter, and the DC side of the AC/DC conversion module is connected with the DC/DC conversion module. The filter functions to suppress high frequency harmonics of the network-in current. The DC/DC conversion module comprises a plurality of flyback converters which are connected in series, namely the input sides of the flyback converters are connected in series to form a branch circuit, and the branch circuit is connected with the direct current side of the AC/DC conversion module in parallel. And a battery module is connected to the load of each flyback converter. That is to say, the first flyback converter is connected with the first battery module, the second flyback converter is connected with the second battery module, … …, the nth flyback converter is connected with the nth battery module, and n is larger than or equal to 1. Preferably, the switching tube of the AC/DC conversion module is a Metal-Oxide-Semiconductor Field-Effect Transistor (MOSFET) or an Insulated Gate Bipolar Transistor (IGBT); and the switching tube in the DC/DC conversion module is a MOSFET.
According to the energy storage converter provided by the embodiment of the invention, the flyback converter is adopted as the DC/DC conversion module, so that the high-voltage side and the low-voltage side of the energy storage converter are isolated, and the personal safety of an operator during battery replacement is ensured.
As an improvement of the above scheme, the flyback converter includes a first capacitor, a second capacitor, a first switch tube, a second switch tube and a transformer; the input side of the transformer is connected with the first capacitor in parallel, and the first switching tube is connected on the input side of the transformer in series; the output side of the transformer is connected with the second capacitor in parallel, and the second switching tube is connected on the output side of the transformer in series; the second capacitor is connected in parallel with the battery module.
Specifically, the flyback converter comprises a first capacitor, a second capacitor and a first switch tube Q1pA second switch tube Q1nAnd a transformer; wherein, the input side of the transformer is connected with a first capacitor in parallel, and a first switching tube Q1pConnected in series on the input side of the transformer, i.e. the input side of the transformer and the first switching tube Q1pAre connected in series to form a branch circuit, and the branch circuit is connected with the first capacitor in parallel. The output side of the transformer is connected with a second capacitor in parallel, and a second switching tube Q1nConnected in series on the output side of the transformer. Similarly, the output side of the transformer and the second switch tube Q1nAre connected in series to form a branch circuit, and the branch circuit is connected with the second capacitor in parallel. The second capacitor is connected in parallel with the battery module.
When the three-phase AC network charges the battery module through the energy storage converter, the primary side switching tube Q1pIs a main switch tube, i.e. by controlling a first switch tube Q1pThereby realizing the function of voltage chopping. Secondary side switch tube Q1nActing as synchronous rectifiers, i.e. as the first switching tube Q1pSecond switch tube Q when switching on1nTurning off; first switch tube Q1pSecond switch tube Q when turning off1nAnd (4) opening.
When the battery module discharges to the three-phase alternating current network through the energy storage converter, the secondary side switch tube Q1nIs a main switch tube, i.e. by controlling a second switch tube Q1nThereby implementing the function of voltage chopping. Primary side switch tube Q1pActing as a synchronous rectifier, i.e. as the second switching tube Q1nFirst switch tube Q when switching on1pTurning off; second switch tube Q1nFirst switch tube Q when turning off1pAnd (4) opening.
As an improvement of the above scheme, the first capacitors of the flyback converters are connected in series to form a first capacitor branch of the DC/DC conversion module, a second capacitor branch is disposed on the DC side of the AC/DC conversion module, and the first capacitor branch is connected in parallel with the second capacitor branch.
Specifically, the first capacitor of each flyback converter is connected in series to form a first capacitor branch of the DC/DC conversion module, that is, the first capacitor of the first flyback converter is connected to the first capacitor of the second flyback converter, the first capacitor of the second flyback converter is connected to the second capacitor of the third flyback converter, … …, and the first capacitor of the (n-1) th flyback converter is connected to the second capacitor of the nth flyback converter. And a second capacitor branch is arranged on the direct current side of the AC/DC conversion module, and the first capacitor branch is connected with the second capacitor branch in parallel.
As an improvement of the above scheme, the filter is an LCL filter, the LCL filter includes three-phase filtering branches, one end of each of the three-phase filtering branches is correspondingly connected to three phases of the AC power grid, and the other end of each of the three-phase filtering branches is connected to an AC side of the AC/DC conversion module; each phase of filtering branch circuit comprises a first inductor, a second inductor, a third capacitor, a fourth capacitor and a resistor; the fourth capacitor and the resistor are connected in series to form a damping branch circuit, the damping branch circuit and the third capacitor are connected in parallel to form a parallel branch circuit, and the parallel branch circuit is connected between the first inductor and the second inductor.
Specifically, the filter is an LCL filter which comprises a three-phase filtering branch and a three-phase filtering branchOne end of the circuit is correspondingly connected with three phases of an alternating current power grid respectively, and the other end of the circuit is connected with the alternating current side of the AC/DC conversion module; each phase of filtering branch circuit comprises a first inductor, a second inductor, a third capacitor, a fourth capacitor and a resistor; the fourth capacitor and the resistor are connected in series to form a damping branch circuit, the damping branch circuit and the third capacitor are connected in parallel to form a parallel branch circuit, and the parallel branch circuit is connected between the first inductor and the second inductor. One end of the first inductor is connected with one end of the alternating current power grid, and the other end of the first inductor is connected with the parallel branch circuit. One end of the second inductor is connected with one alternating current side of the AC/DC conversion module, and the other end of the second inductor is connected with the parallel branch circuit. In fig. 1, the first inductance includes Lga、LgbAnd LgcThe second inductor comprises Lca、LcbAnd LccThe third capacitor comprises CfaThe fourth capacitor comprises CdaThe resistor includes Rda
As an improvement of the scheme, the value range of the resistance value of the resistor is
Figure BDA0002755827460000071
Wherein R isdaIs the resistance value of the resistor, omega is the resonance frequency of the LCL filter, CdaIs the capacitance value of the fourth capacitor, CfaIs the capacitance value of the third capacitor, LgaIs an inductance value of the first inductor, LcaIs the inductance value of the second inductor.
It should be noted that, at present, the parameter design method of the LCL filter is mature, but in Rd-CdIn the design of damping structure parameters, the current method for taking the value of the damping resistor is more complex, and the invention provides a simpler damping resistor RdThe method of (3).
Specifically, taking the damping resistor of phase a in fig. 1 as an example, the damping resistor resistance may be designed in an angle that the damping branch circuit effectively charges and discharges the resonant voltage component in the resonant capacitor. The LCL filter shown in FIG. 1 is analyzed in two parts, namely by Lga、Lca、CfaFormed filter part and Rda、CdaForming a charging and discharging branch. Rda-CdaThe branch may form a low pass filter to filter out spurious components. According to the above analysis, the time corresponding to the resonance frequency can be set to Rda-CdaThe time constant of the branch is three times to five times, the best filtering effect is achieved at the moment
Figure BDA0002755827460000072
The resistance value of the resistor is in the range of
Figure BDA0002755827460000073
Wherein R isdaIs the resistance value of the resistor, omega is the resonance frequency of the LCL filter, CdaIs the capacitance value of the fourth capacitor, CfaIs the capacitance value of the third capacitor, LgaIs the inductance value of the first inductor, LcaIs the inductance value of the second inductor.
As an improvement of the above scheme, the AC/DC conversion module is a two-level bridge converter, a T-type three-level converter, or a diode-clamped three-level converter.
Specifically, the AC/DC conversion module is a two-level bridge converter, a T-type three-level converter, or a diode-clamped three-level converter. When the AC/DC conversion module employs a two-level bridge converter, the energy storage converter is as shown in fig. 1, when the AC/DC conversion module employs a T-type three-level converter, the energy storage converter is as shown in fig. 2, and when the AC/DC conversion module employs a diode-clamped three-level converter, the energy storage converter is as shown in fig. 3.
Referring to fig. 4, a schematic flow chart of a charging and discharging control method of an energy storage converter according to an embodiment of the present invention is shown, where the method includes the following steps:
acquiring charge and discharge state information of a battery module at a load of the energy storage converter;
when the battery module is in a charging state, acquiring the charging voltage of the battery module;
if the charging voltage of the battery module exceeds a preset first voltage threshold, controlling the flyback converter to enter a preset switch working state so as to enable the battery module to enter a balance control state; or keeping the battery module in a charging state;
when the battery module is in a discharging state, acquiring the discharging voltage of the battery module;
if the discharge voltage of the battery module exceeds a preset second voltage threshold, controlling the flyback converter to enter the switch working state so as to enable the battery module to enter a balance control state; or to maintain the battery module in a discharged state.
It should be noted that the charging and discharging control method of each battery module is the same, and only one of the battery modules is taken as an example for description. As for the flyback converter, it is referred to a flyback converter to which the battery module as an example is correspondingly connected, and not a flyback converter to which other battery modules are correspondingly connected.
Specifically, charge and discharge state information of a battery module at the load of the energy storage converter is obtained;
when the battery module is in a charging state, acquiring the charging voltage of the battery module;
if the charging voltage of the battery module exceeds a preset first voltage threshold, the charging voltage of the battery module approaches the set upper limit value of the charging voltage, and at the moment, the flyback converter needs to be controlled to enter a preset switch working state, so that the battery module enters a balance control state; or continue to maintain the battery module in a charged state. When the battery module enters the equalization control state, namely the battery module is not charged and is not discharged outwards, the battery module can be switched out of the charging circuit at the moment, and the battery module to be charged is replaced. When the battery module is kept in a charging state, because the battery module is close to the end of charging, the flyback converter needs to be controlled to be in a constant voltage output state, so that the battery module is not powered down.
When the battery module is in a discharging state, acquiring the discharging voltage of the battery module;
if the discharge voltage of the battery module exceeds a preset second voltage threshold, the discharge voltage of the battery module approaches a lower limit value of the discharge voltage, and at the moment, the flyback converter needs to be controlled to enter a preset switch working state, so that the battery module enters a balance control state; or to continue to maintain the battery module in a discharged state. When the battery module enters the balance control state, the battery module can be switched out of a charging circuit to replace the battery module to be discharged. When the battery module is in a discharge state, the flyback converter needs to be controlled to be in a constant voltage output state because the battery module is close to the end of discharge, so that the direct current side of the flyback converter maintains a stable output voltage. As an improvement of the above scheme, the controlling the flyback converter to enter a preset switch operating state so as to enable the battery module to enter a balanced control state specifically includes:
and controlling a primary side switch tube of the flyback converter to be in a normally open state, and controlling a secondary side switch tube of the flyback converter to be in a normally closed state, so that the battery module enters a balanced control state.
Specifically, a primary side switch tube of the flyback converter is controlled to be in a normally open state, and a secondary side switch tube of the flyback converter is controlled to be in a normally closed state, so that the battery module enters a balanced control state.
It is worth reminding that, keeping the battery module in the charging state, the primary side switch of the flyback converter needs to be continuously controlled to be turned on or off, and the secondary side switch tube of the flyback converter is synchronously controlled to be correspondingly turned off or on, so that the battery module is kept in the charging state. That is, the primary side switching tube Q of the flyback converter is controlled1pIs a main switch tube and is controlled by a control Q1pThe high frequency of the tube turns on/off to thereby achieve the function of voltage chopping. Secondary side switch tube Q1nActing as a synchronous rectifier, i.e. when Q is1pQ when the tube is opened1nThe tube is shut off; q1pQ at tube turn-off1nThe tube is opened.
And keeping the battery module in a discharging state, continuously controlling the secondary side switch of the flyback converter to be switched on or switched off, and synchronously controlling the primary side switch tube of the flyback converter to be correspondingly switched off or switched on so as to keep the battery module in the discharging state. That is, the secondary side switching tube Q of the flyback converter is controlled1nIs a main switch tube and is controlled by a control Q1nThe on/off time of the tube is thereby obtainedThe function of voltage chopping is now present. Primary side switch tube Q1pActing as a synchronous rectifier, i.e. when Q is1nQ when the tube is opened1pThe tube is shut off; q1nQ at tube turn-off1pThe tube is opened.
As an improvement of the above scheme, after the battery module enters the equalization control state, the method further includes:
and when detecting that the number of the battery modules in the energy storage converter is greater than a preset number threshold value, taking out the battery modules and replacing the battery modules with new battery modules.
Specifically, after the battery module enters the equalization control state, the battery module can be switched out of the energy storage converter, but before the battery module is switched out, the number of the battery modules in the energy storage converter needs to be detected, and since a certain number of batteries are always required on the direct current side of the circuit to support the direct current voltage, a number threshold value can be preset.
When the number of the battery modules in the energy storage converter is detected to be larger than a preset number threshold, if the battery modules need to be replaced, the battery modules can be taken out, and new battery modules can be replaced. Referring to fig. 5, it is an equivalent schematic diagram of a circuit cut-out of thebattery module 1 of the energy storage converter at the end of charging/discharging according to the embodiment of the present invention. And when the taken out battery module is fully charged, the battery module to be charged is replaced, and after the battery module is replaced, the switching working state of the flyback converter is changed, so that the flyback converter enters the charging state again. And when the taken out battery module is discharged, replacing the battery module to be discharged, and changing the switch working state of the flyback converter after replacing the battery module so as to enable the flyback converter to enter the discharging state again.
In order to deepen understanding of the charging and discharging control method of the energy storage converter, the embodiment of the invention further provides a simple flow diagram of the charging and discharging control method of the energy storage converter, and the diagram is shown in fig. 6.
In summary, according to the energy storage converter and the charge and discharge control method thereof provided by the embodiments of the present invention, the LCL filter is additionally installed on the AC side of the AC/DC converter, so that the high-frequency harmonic suppression effect of the converter on the network access current is greatly increased. The LCL filter is used, the size of the filter is reduced, and meanwhile, the practicability of the LCL filter is improved by the provided simple calculation method of the damping resistance. In addition, the DC/DC converter adopts the bidirectional flyback converter with isolation and a plurality of modules with primary sides connected in series, so that the low-voltage side is isolated from the high-voltage side, and the system safety is improved; the turn ratio of the transformer of the flyback converter can be adjusted according to different rated voltages of the connected module batteries, so that the application range of the energy storage converter to various module batteries is enlarged; the high-voltage side and the low-voltage side of the energy storage converter are isolated, so that the transmission path of electromagnetic noise in a circuit can be cut off, and the current-voltage waveform quality is improved. According to the charge and discharge control method of the energy storage converter, disclosed by the invention, the overcharge and the overdischarge of the module battery are avoided to a certain extent, and the service life of the battery module is prolonged; meanwhile, the DC/DC converter has an isolation function, so that the battery module can be replaced more safely when the converter is switched out of the battery, and certain flexibility is realized.
While the foregoing is directed to the preferred embodiment of the present invention, it will be understood by those skilled in the art that various changes and modifications may be made without departing from the spirit and scope of the invention.

Claims (9)

1. The energy storage converter is characterized by comprising an AC/DC conversion module and a DC/DC conversion module, wherein the AC side of the AC/DC conversion module is connected with an AC power grid through a filter, the DC side of the AC/DC conversion module is connected with the DC/DC conversion module, the DC/DC conversion module comprises a plurality of flyback converters which are connected in series, and a battery module is connected to the load of each flyback converter.
2. The energy storage converter according to claim 1, wherein the flyback converter comprises a first capacitor, a second capacitor, a first switch tube, a second switch tube and a transformer; the input side of the transformer is connected with the first capacitor in parallel, and the first switching tube is connected on the input side of the transformer in series; the output side of the transformer is connected with the second capacitor in parallel, and the second switching tube is connected on the output side of the transformer in series; the second capacitor is connected in parallel with the battery module.
3. The energy storage converter as claimed in claim 2, wherein said first capacitor of each said flyback converter is connected in series to constitute a first capacitor branch of said DC/DC conversion module, and a second capacitor branch is provided on a DC side of said AC/DC conversion module, and said first capacitor branch is connected in parallel with said second capacitor branch.
4. The energy storage converter according to claim 1, wherein the filter is an LCL filter, the LCL filter includes three-phase filter branches, one end of each of the three-phase filter branches is correspondingly connected to three phases of the AC power grid, and the other end of each of the three-phase filter branches is connected to an AC side of the AC/DC conversion module; each phase of filtering branch circuit comprises a first inductor, a second inductor, a third capacitor, a fourth capacitor and a resistor; the fourth capacitor and the resistor are connected in series to form a damping branch circuit, the damping branch circuit and the third capacitor are connected in parallel to form a parallel branch circuit, and the parallel branch circuit is connected between the first inductor and the second inductor.
5. The energy storing converter as claimed in claim 4, wherein the resistance value of said resistor is in the range of
Figure FDA0002755827450000021
Wherein R isdaIs the resistance value of the resistor, omega is the resonance frequency of the LCL filter, CdaIs the capacitance value of the fourth capacitor, CfaIs the capacitance value of the third capacitor, LgaIs an inductance value of the first inductor, LcaIs the inductance value of the second inductor.
6. An energy storing converter as claimed in any one of claims 1 to 5, wherein said AC/DC conversion module is a two-level bridge converter, a T-type three-level converter or a diode-clamped three-level converter.
7. A method for controlling charging and discharging of a power converter according to any of claims 1 to 6, characterized in that it comprises the following steps:
acquiring charge and discharge state information of a battery module at a load of the energy storage converter;
when the battery module is in a charging state, acquiring the charging voltage of the battery module;
if the charging voltage of the battery module exceeds a preset first voltage threshold, controlling the flyback converter to enter a preset switch working state so as to enable the battery module to enter a balance control state; or keeping the battery module in a charging state;
when the battery module is in a discharging state, acquiring the discharging voltage of the battery module;
if the discharge voltage of the battery module exceeds a preset second voltage threshold, controlling the flyback converter to enter the switch working state so as to enable the battery module to enter a balance control state; or to maintain the battery module in a discharged state.
8. The charging and discharging control method of the energy storage converter according to claim 7, wherein the step of controlling the flyback converter to enter a preset switching operation state so as to enable the battery module to enter a balance control state specifically comprises the steps of:
and controlling a primary side switch tube of the flyback converter to be in a normally open state, and controlling a secondary side switch tube of the flyback converter to be in a normally closed state, so that the battery module enters a balanced control state.
9. The charging and discharging control method of the energy storage converter according to claim 7, further comprising, after the battery module enters the balancing control state:
and when detecting that the number of the battery modules in the energy storage converter is greater than a preset number threshold value, taking out the battery modules and replacing the battery modules with new battery modules.
CN202011206701.2A2020-11-022020-11-02Energy storage converter and charge-discharge control method thereofPendingCN112271945A (en)

Priority Applications (1)

Application NumberPriority DateFiling DateTitle
CN202011206701.2ACN112271945A (en)2020-11-022020-11-02Energy storage converter and charge-discharge control method thereof

Applications Claiming Priority (1)

Application NumberPriority DateFiling DateTitle
CN202011206701.2ACN112271945A (en)2020-11-022020-11-02Energy storage converter and charge-discharge control method thereof

Publications (1)

Publication NumberPublication Date
CN112271945Atrue CN112271945A (en)2021-01-26

Family

ID=74345046

Family Applications (1)

Application NumberTitlePriority DateFiling Date
CN202011206701.2APendingCN112271945A (en)2020-11-022020-11-02Energy storage converter and charge-discharge control method thereof

Country Status (1)

CountryLink
CN (1)CN112271945A (en)

Cited By (4)

* Cited by examiner, † Cited by third party
Publication numberPriority datePublication dateAssigneeTitle
CN113555932A (en)*2021-07-222021-10-26国网山东省电力公司济南供电公司Battery unit integrated circuit, power battery pack, electric vehicle and method
CN114069789A (en)*2021-11-202022-02-18傲普(上海)新能源有限公司Battery cluster parallel circulating current transformer control circuit
CN117394414A (en)*2023-12-122024-01-12江苏国传电气有限公司Battery and voltage stabilizing module, multi-level conversion energy storage device, control method and system
CN118157182A (en)*2024-03-202024-06-07中国电力工程顾问集团有限公司 Optimization device and method for parallel energy storage system

Citations (8)

* Cited by examiner, † Cited by third party
Publication numberPriority datePublication dateAssigneeTitle
CN102222957A (en)*2011-06-212011-10-19清华大学深圳研究生院Automatic battery capacity equalization circuit and implementing method thereof
CN102969877A (en)*2012-11-162013-03-13上海交通大学LCL (Less Container Load) filter with serially-connected splitting capacitor and damping resistor and design method of LCL filter
CN103956801A (en)*2014-05-222014-07-30山东大学Pack to Cell equalization circuit based on LC resonant converter and implementation method thereof
CN107769389A (en)*2017-10-242018-03-06华南理工大学A kind of battery energy storage system for isolating symmetrical expression series connection circuit of reversed excitation
CN108155657A (en)*2018-01-022018-06-12许继电源有限公司Energy accumulation current converter and its main circuit topological structure and balance control method
CN109638863A (en)*2018-12-292019-04-16南京工程学院Multifunction energy storage current transformer design method based on dual deviation compensation control algolithm
CN111509808A (en)*2020-05-112020-08-07浙江科技学院 A lithium battery pack battery management system and management method
CN213846557U (en)*2020-11-022021-07-30南方电网科学研究院有限责任公司 An energy storage converter

Patent Citations (8)

* Cited by examiner, † Cited by third party
Publication numberPriority datePublication dateAssigneeTitle
CN102222957A (en)*2011-06-212011-10-19清华大学深圳研究生院Automatic battery capacity equalization circuit and implementing method thereof
CN102969877A (en)*2012-11-162013-03-13上海交通大学LCL (Less Container Load) filter with serially-connected splitting capacitor and damping resistor and design method of LCL filter
CN103956801A (en)*2014-05-222014-07-30山东大学Pack to Cell equalization circuit based on LC resonant converter and implementation method thereof
CN107769389A (en)*2017-10-242018-03-06华南理工大学A kind of battery energy storage system for isolating symmetrical expression series connection circuit of reversed excitation
CN108155657A (en)*2018-01-022018-06-12许继电源有限公司Energy accumulation current converter and its main circuit topological structure and balance control method
CN109638863A (en)*2018-12-292019-04-16南京工程学院Multifunction energy storage current transformer design method based on dual deviation compensation control algolithm
CN111509808A (en)*2020-05-112020-08-07浙江科技学院 A lithium battery pack battery management system and management method
CN213846557U (en)*2020-11-022021-07-30南方电网科学研究院有限责任公司 An energy storage converter

Cited By (7)

* Cited by examiner, † Cited by third party
Publication numberPriority datePublication dateAssigneeTitle
CN113555932A (en)*2021-07-222021-10-26国网山东省电力公司济南供电公司Battery unit integrated circuit, power battery pack, electric vehicle and method
CN113555932B (en)*2021-07-222025-04-25国网山东省电力公司济南供电公司 Battery cell integrated circuit, power battery pack, electric vehicle and method
CN114069789A (en)*2021-11-202022-02-18傲普(上海)新能源有限公司Battery cluster parallel circulating current transformer control circuit
CN114069789B (en)*2021-11-202023-09-22傲普(上海)新能源有限公司Control circuit of battery cluster parallel circulation transformer
CN117394414A (en)*2023-12-122024-01-12江苏国传电气有限公司Battery and voltage stabilizing module, multi-level conversion energy storage device, control method and system
CN117394414B (en)*2023-12-122024-03-12江苏国传电气有限公司Battery and voltage stabilizing module, multi-level conversion energy storage device, control method and system
CN118157182A (en)*2024-03-202024-06-07中国电力工程顾问集团有限公司 Optimization device and method for parallel energy storage system

Similar Documents

PublicationPublication DateTitle
CN112271945A (en)Energy storage converter and charge-discharge control method thereof
Shi et al.Isolated modular multilevel DC–DC converter with DC fault current control capability based on current-fed dual active bridge for MVDC application
CN108832825B (en) A High Power Density Multiport Power Electronic Transformer Topology
CN113726136B (en)conversion device
US10270328B2 (en)Multilevel converter with energy storage
Xie et al.Modular multilevel DAB (M 2 DAB) converter for shipboard MVDC system with fault protection and ride-through capability
US12212221B2 (en)Power electronic transformer and power supply system
US20240186908A1 (en)Power supply apparatus, three-phase transformer circuit, and charging pile
Mishra et al.Comparison of total harmonic distortion of modular multilevel converter and parallel hybrid modular multilevel converter
CN213846557U (en) An energy storage converter
Vozikis et al.An improved alternate arm converter for HVDC applications
CN112531711A (en)Medium-voltage power supply quality comprehensive adjusting system
Dong et al.Hybrid Si+ SiC neutral-point-clamped dual-active-bridge converter for high-voltage battery energy storage systems
CN1303738C (en)A uniform electric energy quality regulator using DC energy-storage to proceed electric isolation
Sahoo et al.Review and comparison of modular power converter architectures for ev fast chargers
Yuvaraja et al.Performance and analysis of modular multilevel converter
Amirabadi et al.A highly reliable converter for wind power generation application
CN112436534A (en)Cascade H bridge energy storage system direct current side filter circuit
Jin et al.Control of a four-level active neutral point clamped converter with neutral point voltage balance
Takuma et al.Isolated DC to three-phase AC converter using indirect matrix converter with ZVS applied to all switches
Bajestan et al.Extended boost trans-Z-source inverter
CN116232037A (en)Method and system for starting power electronic converter
Adam et al.Compact mixed cell modular multilevel converter
Abbasi et al.A multimode bridge-less sic-based ac/dc step-up converter with a dual active auxiliary circuit for wind energy conversion systems with mvdc grid
Croston et al.Comparison of 2-Level and Quasi-2-Level Topologies in a Bidirectional Isolated DC-DC Converter for MVDC Networks

Legal Events

DateCodeTitleDescription
PB01Publication
PB01Publication
SE01Entry into force of request for substantive examination
SE01Entry into force of request for substantive examination

[8]ページ先頭

©2009-2025 Movatter.jp