Movatterモバイル変換


[0]ホーム

URL:


CN112185839A - Passivation layer test structure - Google Patents

Passivation layer test structure
Download PDF

Info

Publication number
CN112185839A
CN112185839ACN202011177837.5ACN202011177837ACN112185839ACN 112185839 ACN112185839 ACN 112185839ACN 202011177837 ACN202011177837 ACN 202011177837ACN 112185839 ACN112185839 ACN 112185839A
Authority
CN
China
Prior art keywords
passivation layer
test structure
test
layer test
passivation
Prior art date
Legal status (The legal status is an assumption and is not a legal conclusion. Google has not performed a legal analysis and makes no representation as to the accuracy of the status listed.)
Granted
Application number
CN202011177837.5A
Other languages
Chinese (zh)
Other versions
CN112185839B (en
Inventor
蒙飞
Current Assignee (The listed assignees may be inaccurate. Google has not performed a legal analysis and makes no representation or warranty as to the accuracy of the list.)
Shanghai Huahong Grace Semiconductor Manufacturing Corp
Original Assignee
Shanghai Huahong Grace Semiconductor Manufacturing Corp
Priority date (The priority date is an assumption and is not a legal conclusion. Google has not performed a legal analysis and makes no representation as to the accuracy of the date listed.)
Filing date
Publication date
Application filed by Shanghai Huahong Grace Semiconductor Manufacturing CorpfiledCriticalShanghai Huahong Grace Semiconductor Manufacturing Corp
Priority to CN202011177837.5ApriorityCriticalpatent/CN112185839B/en
Publication of CN112185839ApublicationCriticalpatent/CN112185839A/en
Application grantedgrantedCritical
Publication of CN112185839BpublicationCriticalpatent/CN112185839B/en
Activelegal-statusCriticalCurrent
Anticipated expirationlegal-statusCritical

Links

Images

Classifications

Landscapes

Abstract

The invention provides a passivation layer test structure. The passivation layer test structure includes: the structure layer comprises a plurality of conductive wires, and the conductive wires comprise at least one step-type structure; and passivation layers are formed on the surfaces of the substrate and the structural layer. According to the passivation layer test result provided by the invention, the stepped passivation layer test structure is provided, so that whether defects exist in a special position of the passivation layer, particularly in a corner area of the passivation layer is effectively detected, and the integrity of the passivation layer in a semiconductor device is checked. Compared with the existing passivation layer test structure, the test result of the passivation layer integrity test by adopting the passivation layer test structure provided by the invention has higher reliability.

Description

Passivation layer test structure
Technical Field
The invention relates to the technical field of semiconductors, in particular to a passivation layer test structure.
Background
Passivation of the chip surface has become one of the essential process steps for high performance and high reliability integrated circuits. The passivation layer is mainly used for electrically isolating the semiconductor devices and the wires from each other and isolating the semiconductor devices from the surrounding atmosphere, so as to enhance the blocking capability of the semiconductor devices against foreign ion contamination, protect the interconnections inside the semiconductor devices, and prevent the semiconductor devices from mechanical damage and chemical damage.
The kind and structure of the passivation layer have a great influence on the stress formed inside the interconnect line and the speed of the stress release. In the preparation process of an integrated circuit, the processes of deposition, polishing, photoetching and the like are accompanied by the change of temperature, and the internal stress of the passivation layer is changed in the process of the change of temperature, so that defects such as pinholes, cracks, falling off and the like are formed. The occurrence of such defects may cause deformation inside the chip and short or open circuit of the interconnection wires, thereby causing failure of the semiconductor device. In order to avoid this, it is necessary to perform integrity testing of the passivation layer on the semiconductor device to ensure that the semiconductor device can be used properly.
In order to check whether the passivation layer of the semiconductor device has the defect, the integrity test of the passivation layer is generally performed by using the passivation layer of an S-type (i.e., the structure shown in fig. 1), an interdigital type (i.e., the structure shown in fig. 2), or a ring type structure in the prior art. However, the S-shaped, interdigitated, or ring-shaped passivation layer test structure cannot accurately measure the integrity of the passivation layer having a specific structure (e.g., corner region) in the conventional process, and thus a new passivation layer test structure is required to better detect the integrity of the passivation layer.
Disclosure of Invention
The invention aims to provide a passivation layer test structure, which can effectively detect whether a special position of a passivation layer, particularly a corner region of the passivation layer has a defect or not by providing a step-type passivation layer test structure, thereby checking the integrity of the passivation layer in a semiconductor device.
In order to achieve the above object, the present invention provides a passivation layer test structure for testing integrity of a passivation layer, the passivation layer test structure comprising:
the structure layer comprises a plurality of conductive wires, and the conductive wires comprise at least one step-type structure; and passivation layers are formed on the surfaces of the substrate and the structural layer.
Optionally, the conductive wire includes a plurality of step structures arranged repeatedly in succession or a plurality of step structures arranged in a mirror image.
Optionally, the stepped structure includes a first bottom edge and a second bottom edge connected to each other, and the length of the first bottom edgeL1Is greater than the length L of the second bottom edge2
Optionally, the length L of the first base edge1And minimum design rule X1Has a relationship of L1≥5X1
Optionally, the length L of the second base line2And minimum design rule X2Has a relationship of X2≤L2≤3X2
Optionally, the included angle between the first bottom edge and the second bottom edge is 70-110 °.
Optionally, the number of the conductive wires is N, N is greater than or equal to 3 and less than or equal to 8, and the conductive wires are parallel to each other.
Optionally, the integrity test of the passivation layer is performed on the passivation layer test structure through an electrical test or a chemical test.
Optionally, the step of testing the electrical property includes: and forming a conductive material layer on the surface of the passivation layer, and judging whether the passivation layer is complete or not by detecting the resistance between the structural layer and the conductive material layer.
Optionally, in the chemical test, the passivation layer test structure is etched by using a chemical solution, and whether the passivation layer is complete or not is judged by observing the etched appearance of the passivation layer test structure.
In summary, the present invention provides a passivation layer testing structure for testing the integrity of a passivation layer. The passivation layer test structure includes: the structure layer comprises a plurality of conductive wires, and the conductive wires comprise at least one step-type structure; and passivation layers are formed on the surfaces of the substrate and the structural layer. According to the passivation layer test result provided by the invention, the stepped passivation layer test structure is provided, so that whether defects exist in a special position of the passivation layer, particularly in a corner area of the passivation layer is effectively detected, and the integrity of the passivation layer in a semiconductor device is checked. Compared with the existing passivation layer test structure, the test result of the passivation layer integrity test by adopting the passivation layer test structure provided by the invention has higher reliability.
Drawings
FIG. 1 is a schematic diagram of a defect structure of an S-type passivation layer test structure after chemical testing in the prior art;
FIG. 2 is a schematic diagram of a defect structure after a chemical test is performed on an interdigital passivation layer test structure in the prior art;
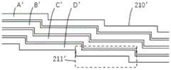
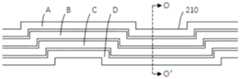
FIG. 3 is a top view of a passivation layer test structure according to an embodiment of the invention;
FIG. 4 is a cross-sectional view of the passivation layer test structure depicted in FIG. 3 along the OO' axis;
FIG. 5 is an enlarged view of a step-type structure in the passivation layer test structure illustrated in FIG. 3;
FIG. 6 is a schematic structural diagram of another passivation layer test structure according to an embodiment of the present invention;
FIG. 7 is a schematic view of a defect structure after chemical testing of the passivation layer test structure shown in FIG. 3;
wherein the reference numbers are as follows:
100-a substrate; 200-structural layer; 210. 210' -a conductive line; 211. 211' -a stepped structure;
300-passivation layer.
Detailed Description
The following describes in more detail embodiments of the present invention with reference to the schematic drawings. The advantages and features of the present invention will become more apparent from the following description. It is to be noted that the drawings are in a very simplified form and are not to precise scale, which is merely for the purpose of facilitating and distinctly claiming the embodiments of the present invention.
Fig. 3 is a top view of a passivation layer test structure provided in the present embodiment, and fig. 4 is a cross-sectional view of the passivation layer test structure shown in fig. 3 along an OO' axis. As can be seen from fig. 3 and 4, the passivation layer test structure of the present embodiment includes asubstrate 100, astructural layer 200 is formed on at least a portion of a surface of thesubstrate 100, thestructural layer 200 includes a plurality ofconductive lines 210, and theconductive lines 210 include at least one step-type structure 211; apassivation layer 300 is formed on the surfaces of thesubstrate 100 and thestructural layer 200.
The passivation layer test structure provided in this embodiment is described in detail below with reference to fig. 3 to 7.
Referring first to fig. 3, theconductive lines 210 include A, B, C and D four conductive lines, and the conductive lines A, B, C and D are parallel to each other. In other embodiments of the present invention, the number of theconductive wires 210 may be plural, which is not limited by the present invention, and it is preferable that the number of theconductive wires 210 is between 3 and 8 in consideration of the test cost and the test accuracy. Fig. 5 is an enlarged view of astep type structure 211 in the passivation layer test structure illustrated in fig. 3. Referring to fig. 5, thestepped structure 211 includes a first bottom edge and a second bottom edge connected to each other, and a length L of the first bottom edge1Is greater than the length L of the second bottom edge2. Specifically, the length L of the first bottom edge1And minimum design rule X1Has a relationship of L1≥5X1. The length L of the second bottom edge2And minimum design rule X2Has a relationship of X2≤L2≤3X2. In this embodiment, the minimum design rule X1And X2All are the minimum length units in the passivation layer test structure, and the minimum design rule X1And X2Are equal. In other embodiments of the present invention, the minimum design rule X1And X2May not be equal, and the invention is not limited in this regard. In this embodiment, the included angle between the first base line and the second base line is 90 °, and in other embodiments of the present invention, the included angle between the first base line and the second base line comprises 70 ° to 110 °.
Referring to fig. 3 and 6, a plurality ofstep structures 211 may be arranged on the conductive line in a mirror image manner or a plurality of step structures 211' may be arranged in a continuous and repeated manner. In this embodiment, thestructural layer 200 is made of a conductive material, including aluminum, copper or gold, and thestructural layer 200 may also be made of an alloy or other conductive materials, which is not limited in the present invention. Optionally, a functional region or other regions of the semiconductor device may be further included between thesubstrate 100 and thestructural layer 200, which is common knowledge of those skilled in the art and is not described herein.
The passivation layer test structure provided by the embodiment is used for testing the integrity of the passivation layer in the semiconductor device, and the integrity test of the passivation layer comprises an electrical test or a chemical test. It should be noted that there are various methods for testing the integrity of the passivation layer in the semiconductor device, and in other embodiments of the present invention, other passivation layer integrity test methods may be used to perform integrity test on the passivation layer test structure provided by the present invention.
The electrical property testing step comprises: a conductive material layer (not shown in the drawings) is formed on the surface of thepassivation layer 300, and whether thepassivation layer 300 is complete or not is determined by detecting the resistance between thestructural layer 200 and the conductive material layer. In this embodiment, the conductive material layer is formed on the surface of thepassivation layer 300 by a deposition process. When thepassivation layer 300 has defects such as pinholes, cracks, and the like, the defects expose a portion of thestructural layer 200, and therefore, in the process of depositing and forming the conductive material layer, the conductive material layer is deposited on the surface of thestructural layer 200 where the defects are exposed, resulting in the conductive material layer being in communication with thestructural layer 200, and the resistance between the conductive material layer and thestructural layer 200 is very low. When thepassivation layer 300 is not defective, the conductive material layer and thestructural layer 200 are separated by thepassivation layer 300, and the resistance between the conductive material layer and thestructural layer 200 is very high. Therefore, it is only necessary to measure the resistance between thestructural layer 200 and the conductive material layer to determine whether thepassivation layer 300 is complete. It should be noted that the specific method for electrical testing and the specific external circuit are both in the prior art, and the present invention will not be described in detail.
The chemical test uses a chemical solution to etch the passivation layer test structure, and whether thepassivation layer 300 is complete is judged by observing the etched appearance of the passivation layer test structure. Specifically, since the size of a part of defects in thepassivation layer 300 is too small to be directly observed, the passivation layer test structure needs to be processed by using a chemical solution. First, the passivation layer test structure is immersed in the passivation layer test structureA chemical solution entering thestructural layer 200 through defects in thepassivation layer 300, thestructural layer 200 forming an etch cavity under the etching of the chemical solution; and then, observing the passivation layer test structure by using an optical microscope, wherein the corrosion holes are black under the optical microscope, and thepassivation layer 300 is in a transparent state under the optical microscope, so that whether thepassivation layer 300 is complete or not can be judged by observing whether the corrosion holes appear in the passivation layer test structure or not. Alternatively, the chemical solution may be a potassium hydroxide (KOH) solution; phosphorous acid (H)3PO3) Nitric acid (HNO)3) And acetaldehyde (CH)3CHO); ammonium fluoride (NH)4F) And acetaldehyde (CH)3CHO); ammonium monohydrate (NH)4OH), hydrogen peroxide (H)2O2) And Ultra Pure Water (UPW). In other embodiments of the present invention, the chemical solution may be other solutions having a corrosive effect, and the present invention is not limited thereto.
In order to verify the integrity test effect of the passivation layer test structure provided by this embodiment, a chemical test is performed on the passivation layer test structure provided by this embodiment. Fig. 7 is a schematic view of a defect structure of the passivation layer test structure after chemical testing. Referring to fig. 7, in the passivation layer test structure provided in this embodiment, defects (i.e., areas indicated by circles in fig. 7) are prone to occur on the inner sides of the corners of the two outermost conductive lines of the structure layer. Similarly, the S-type passivation layer test structure and the interdigital passivation layer test structure are chemically tested under the same test conditions, so as to obtain a defect structure schematic diagram of the S-type passivation layer test structure (i.e., fig. 1) and a defect structure schematic diagram of the interdigital passivation layer test structure (i.e., fig. 2). As can be seen by comparing fig. 1, 2 and 7, no significant defect is detected at a specific position of the passivation layer (e.g., a corner region of the passivation layer) in the S-type passivation layer test structure and the interdigitated passivation layer test structure; in the stepped passivation layer test structure provided in this embodiment, a distinct corrosion hole can be detected at a specific position of the passivation layer (e.g., a corner region of the passivation layer, i.e., a region indicated by a circle in fig. 7), which indicates that a defect exists at the specific position of the passivation layer (i.e., the corner region of the passivation layer). Compared with the S-type passivation layer test structure and the interdigital passivation layer test structure, the passivation layer test structure provided by the embodiment can effectively detect whether defects occur at a special position of the passivation layer in the semiconductor device, especially in a corner region of the passivation layer.
In summary, the present invention provides a passivation layer testing structure for testing the integrity of a passivation layer. The passivation layer test structure includes: the structure layer comprises a plurality of conductive wires, and the conductive wires comprise at least one step-type structure; and passivation layers are formed on the surfaces of the substrate and the structural layer. According to the passivation layer test result provided by the invention, the stepped passivation layer test structure is provided, so that whether defects exist in a special position of the passivation layer, particularly in a corner area of the passivation layer is effectively detected, and the integrity of the passivation layer in a semiconductor device is checked. Compared with the existing passivation layer test structure, the test result of the passivation layer integrity test by adopting the passivation layer test structure provided by the invention has higher reliability.
The above description is only a preferred embodiment of the present invention, and does not limit the present invention in any way. It will be understood by those skilled in the art that various changes, substitutions and alterations can be made herein without departing from the spirit and scope of the invention as defined by the appended claims.

Claims (10)

CN202011177837.5A2020-10-272020-10-27Passivation layer test structureActiveCN112185839B (en)

Priority Applications (1)

Application NumberPriority DateFiling DateTitle
CN202011177837.5ACN112185839B (en)2020-10-272020-10-27Passivation layer test structure

Applications Claiming Priority (1)

Application NumberPriority DateFiling DateTitle
CN202011177837.5ACN112185839B (en)2020-10-272020-10-27Passivation layer test structure

Publications (2)

Publication NumberPublication Date
CN112185839Atrue CN112185839A (en)2021-01-05
CN112185839B CN112185839B (en)2022-11-18

Family

ID=73917475

Family Applications (1)

Application NumberTitlePriority DateFiling Date
CN202011177837.5AActiveCN112185839B (en)2020-10-272020-10-27Passivation layer test structure

Country Status (1)

CountryLink
CN (1)CN112185839B (en)

Citations (8)

* Cited by examiner, † Cited by third party
Publication numberPriority datePublication dateAssigneeTitle
JPS5946042A (en)*1982-09-091984-03-15Mitsubishi Electric Corp Method for observing pinholes, cracks, and coverage in semiconductor devices
JP2004119460A (en)*2002-09-242004-04-15Denso CorpSemiconductor device
CN1953173A (en)*2005-10-192007-04-25国际商业机器公司Wiring test structures for determining open and short circuits in semiconductor devices and forming method of the same
CN101896827A (en)*2007-12-172010-11-24Nxp股份有限公司Embedded structure for passivation integrity testing
CN107481976A (en)*2016-06-082017-12-15中芯国际集成电路制造(上海)有限公司A kind of semiconductor devices and preparation method thereof and electronic installation
CN111341683A (en)*2020-03-032020-06-26胜科纳米(苏州)有限公司Method for detecting pinhole defect on passivation layer of semiconductor wafer
CN111354783A (en)*2018-12-212020-06-30苏州捷芯威半导体有限公司 A kind of semiconductor device and preparation method thereof
CN111599707A (en)*2020-05-272020-08-28广州粤芯半导体技术有限公司Method for detecting micro-cracks of passivation layer

Patent Citations (8)

* Cited by examiner, † Cited by third party
Publication numberPriority datePublication dateAssigneeTitle
JPS5946042A (en)*1982-09-091984-03-15Mitsubishi Electric Corp Method for observing pinholes, cracks, and coverage in semiconductor devices
JP2004119460A (en)*2002-09-242004-04-15Denso CorpSemiconductor device
CN1953173A (en)*2005-10-192007-04-25国际商业机器公司Wiring test structures for determining open and short circuits in semiconductor devices and forming method of the same
CN101896827A (en)*2007-12-172010-11-24Nxp股份有限公司Embedded structure for passivation integrity testing
CN107481976A (en)*2016-06-082017-12-15中芯国际集成电路制造(上海)有限公司A kind of semiconductor devices and preparation method thereof and electronic installation
CN111354783A (en)*2018-12-212020-06-30苏州捷芯威半导体有限公司 A kind of semiconductor device and preparation method thereof
CN111341683A (en)*2020-03-032020-06-26胜科纳米(苏州)有限公司Method for detecting pinhole defect on passivation layer of semiconductor wafer
CN111599707A (en)*2020-05-272020-08-28广州粤芯半导体技术有限公司Method for detecting micro-cracks of passivation layer

Also Published As

Publication numberPublication date
CN112185839B (en)2022-11-18

Similar Documents

PublicationPublication DateTitle
JP3910406B2 (en) Inspection method of semiconductor device
US5721619A (en)Misregistration detecting marks for pattern formed on semiconductor substrate
CN1912637A (en)Donut-type parallel probe card and method of testing semiconductor wafer using same
JP2006140276A (en)Semiconductor wafer and semiconductor device using the same and chip size package, and semiconductor wafer manufacturing method and semiconductor wafer testing method
JP4592634B2 (en) Semiconductor device
CN205609515U (en)Reliability testing structure
CN112185839B (en)Passivation layer test structure
US6623995B1 (en)Optimized monitor method for a metal patterning process
CN101943623B (en)Pressure sensor
US20030060985A1 (en)Computer-implemented method of defect analysis
US20070134598A1 (en)Manufacturing method of semiconductor device, and wafer and manufacturing method thereof
EP0345924A2 (en)Testing IC devices
CN201281719Y (en)Probe structure and test board with same
CN103187402B (en)The washing time decision method of test structure and forming method thereof, developing technique
CN113097088A (en)Method for detecting pin hole defects of chip
US20250081668A1 (en)Chip package and manufacturing method thereof
JP2007242862A (en) Transfer pattern defect inspection substrate and transfer pattern defect inspection method
CN115332099B (en) Detection structure, preparation and detection method for pad overetching
CN115602561B (en)Structure size measuring method and reference pattern for wafer manufacturing process
WO2006098023A1 (en)Semiconductor device and method for manufacturing same
US8405416B2 (en)Probe and method fabricating the same
JP3070543B2 (en) Method for manufacturing semiconductor device
JP2003051521A (en) Connection hole monitor and semiconductor device
US20250183102A1 (en)Manufacturing method of multiple-level interconnect structure
JP4087289B2 (en) Semiconductor device and inspection method thereof

Legal Events

DateCodeTitleDescription
PB01Publication
PB01Publication
SE01Entry into force of request for substantive examination
SE01Entry into force of request for substantive examination
GR01Patent grant
GR01Patent grant

[8]ページ先頭

©2009-2025 Movatter.jp