


















技术领域technical field
本发明涉及存储技术领域,特别涉及一种静态随机存取存储器及其制造方法。The present invention relates to the technical field of storage, and in particular, to a static random access memory and a manufacturing method thereof.
背景技术Background technique
随机存取存储器元件主要可以分为动态随机存取存储器(Dynamic RandomAccess Memory,DRAM)及静态随机存取存储器(SRAM)。静态随机存取存储器的优点在于快速操作及低耗电,且相较于动态随机存取存储器,静态随机存取存储器不须进行周期性充电更新,在设计及制造上较为简单。因此,静态随机存取存储器被广泛的应用于信息电子产品中。Random access memory elements can be mainly divided into dynamic random access memory (Dynamic Random Access Memory, DRAM) and static random access memory (SRAM). The advantages of the SRAM are fast operation and low power consumption. Compared with the dynamic random access memory, the static random access memory does not require periodic charging and updating, and is simpler in design and manufacture. Therefore, SRAM is widely used in information electronic products.
对于低功率/低电压的静态随机存取存储器而言,以六个晶体管(6T)为一个存储器单元(memory cell)的静态随机存取存储器具有较高的稳定性(Stability)。6T SRAM例如是全互补式金属氧化物半导体晶体管静态随机存取存储器(Full CMOS SRAM),由两个通道栅晶体管、两个下拉晶体管及两个上拉晶体管构成静态随机存取存储器的存储单元。两个上拉晶体管通常连接起来,但是在连接两个上拉晶体管时,可能会造成上拉晶体管漏电。For a low-power/low-voltage SRAM, a SRAM with six transistors (6T) as a memory cell has high stability. The 6T SRAM is, for example, a full complementary metal-oxide-semiconductor transistor static random access memory (Full CMOS SRAM). Two pull-up transistors are usually connected, but when two pull-up transistors are connected, it may cause leakage of the pull-up transistor.
发明内容SUMMARY OF THE INVENTION
鉴于上述现有技术的缺陷,本发明提出一种静态随机存取存储器及其制造方法,以改善上拉晶体管的漏电情况,提高静态随机存取存储器的良率。In view of the above-mentioned defects of the prior art, the present invention provides a static random access memory and a manufacturing method thereof, so as to improve the leakage of the pull-up transistor and improve the yield of the static random access memory.
为实现上述目的及其他目的,本发明提出一种静态随机存取存储器,包括:In order to achieve the above object and other objects, the present invention proposes a static random access memory, comprising:
衬底,所述衬底中包括多个隔离结构,所述隔离结构在所述衬底中隔离出间隔分布的有源区;a substrate, the substrate includes a plurality of isolation structures, and the isolation structures isolate active regions distributed at intervals in the substrate;
第一栅极结构,位于所述有源区上;a first gate structure, located on the active region;
第二栅极结构,位于所述隔离结构上,且所述第二栅极结构在所述衬底方向上的投影区位于所述隔离结构内;a second gate structure is located on the isolation structure, and a projection area of the second gate structure in the direction of the substrate is located in the isolation structure;
掺杂区,位于所述有源区中的所述衬底中,且位于所述第一栅极结构的两侧;a doped region located in the substrate in the active region and located on both sides of the first gate structure;
层间介质层,位于所述衬底上,覆盖所述第一栅极结构和所述第二栅极结构;an interlayer dielectric layer, located on the substrate, covering the first gate structure and the second gate structure;
接触电极,位于所述层间介质层中,所述接触电极的底部与部分所述第二栅极结构、部分所述隔离结构连接;a contact electrode, located in the interlayer dielectric layer, the bottom of the contact electrode is connected to part of the second gate structure and part of the isolation structure;
其中,所述接触电极与所述隔离结构连接的长度大于或等于所述掺杂区的长度。Wherein, the length of the connection between the contact electrode and the isolation structure is greater than or equal to the length of the doped region.
进一步地,还包括源极和漏极,所述源极和漏极位于所述有源区中,且位于所述第一栅极结构的两侧。Further, a source electrode and a drain electrode are also included, and the source electrode and the drain electrode are located in the active region and located on both sides of the first gate structure.
进一步地,还包括硅化物层,所述硅化物层分别位于所述源极,所述漏极,所述第一栅极结构和所述第二栅极结构的顶部。Further, a silicide layer is also included, and the silicide layer is located on the top of the source electrode, the drain electrode, the first gate structure and the second gate structure, respectively.
进一步地,所述接触电极还连接所述源极或所述漏极。Further, the contact electrode is also connected to the source electrode or the drain electrode.
进一步地,所述第一栅极结构,所述第二栅极结构的两侧还包括侧墙结构,所述侧墙结构位于所述掺杂区上。Further, both sides of the first gate structure and the second gate structure further include spacer structures, and the spacer structures are located on the doped regions.
进一步地,本发明还提出一种静态随机存取存储器的制造方法,包括:Further, the present invention also provides a method for manufacturing a static random access memory, comprising:
提供一衬底,所述衬底中包括多个隔离结构,所述隔离结构在所述衬底中隔离出间隔分布的有源区;A substrate is provided, the substrate includes a plurality of isolation structures, the isolation structures isolate spaced active regions in the substrate;
形成第一栅极结构和第二栅极结构于所述衬底上;其中,所述第一栅极结构位于所述有源区上,所述第二栅极结构位于所述隔离结构上,且所述第二栅极结构在所述衬底方向上的投影区位于所述隔离结构内;forming a first gate structure and a second gate structure on the substrate; wherein the first gate structure is located on the active region, the second gate structure is located on the isolation structure, and the projection area of the second gate structure in the direction of the substrate is located in the isolation structure;
形成掺杂区于所述有源区的所述衬底中,且位于所述第一栅极结构的两侧;forming doped regions in the substrate of the active region and located on both sides of the first gate structure;
形成侧墙结构于所述第一栅极结构、所述第二栅极结构的两侧;forming spacer structures on both sides of the first gate structure and the second gate structure;
形成层间介质层于所述衬底上,所述层间介质层覆盖所述第一栅极结构和所述第二栅极结构;forming an interlayer dielectric layer on the substrate, the interlayer dielectric layer covering the first gate structure and the second gate structure;
形成接触孔于所述层间介质层中,所述接触孔暴露出所述第二栅极结构的部分顶端,以及部分所述隔离结构的顶端,其中,所述第二栅极结构靠近所述第一栅极结构的一侧还具有残留的侧墙;A contact hole is formed in the interlayer dielectric layer, and the contact hole exposes a part of the top of the second gate structure and a part of the top of the isolation structure, wherein the second gate structure is close to the One side of the first gate structure also has residual spacers;
形成接触电极于所述接触孔中,所述接触电极的底部与部分所述第二栅极结构、部分所述隔离结构连接;且所述接触电极与所述隔离结构连接的长度大于或等于所述掺杂区的长度。A contact electrode is formed in the contact hole, and the bottom of the contact electrode is connected to part of the second gate structure and part of the isolation structure; and the length of the connection between the contact electrode and the isolation structure is greater than or equal to the the length of the doped region.
进一步地,形成所述侧墙结构的步骤包括:Further, the step of forming the side wall structure includes:
形成氮化层于所述衬底上,所述氮化层覆盖所述第一栅极结构和所述第二栅极结构;forming a nitride layer on the substrate, the nitride layer covering the first gate structure and the second gate structure;
通过干法刻蚀移除位于所述第一栅极结构和所述第二栅极结构顶部的部分所述氮化层,以形成侧墙结构;removing part of the nitride layer on top of the first gate structure and the second gate structure by dry etching to form a spacer structure;
其中,在所述干法刻蚀之后,在所述衬底、所述第一栅极结构的顶部和所述第二栅极结构的顶部还残留有所述氮化层。Wherein, after the dry etching, the nitride layer remains on the substrate, the top of the first gate structure and the top of the second gate structure.
进一步地,在形成层间介质层之前,还在所述第一栅极结构的两侧形成源极和漏极,形成所述源极和所述漏极的步骤包括:Further, before forming the interlayer dielectric layer, a source electrode and a drain electrode are also formed on both sides of the first gate structure, and the step of forming the source electrode and the drain electrode includes:
对位于所述第一栅极结构两侧的所述衬底进行离子掺杂,以在所述衬底中形成所述源极和所述漏极;ion doping the substrate on both sides of the first gate structure to form the source and the drain in the substrate;
其中,所述源极或所述漏极靠近所述第二栅极结构。Wherein, the source electrode or the drain electrode is close to the second gate structure.
进一步地,在所述第一栅极结构,所述第二栅极结构,所述源极和所述漏极的顶部还形成硅化物层,形成所述硅化物层的步骤包括:Further, a silicide layer is further formed on top of the first gate structure, the second gate structure, the source electrode and the drain electrode, and the step of forming the silicide layer includes:
在所述第一栅极结构,所述第二栅极结构,所述源极和所述漏极的顶部形成金属层;A metal layer is formed on top of the first gate structure, the second gate structure, the source electrode and the drain electrode;
进行第一次退火,以使所述金属层中的金属原子与硅原子反应,形成中间硅化物层;performing a first annealing to make metal atoms in the metal layer react with silicon atoms to form an intermediate silicide layer;
进行第二次退火,以使所述中间硅化物层转化成所述硅化物层;performing a second anneal to convert the intermediate silicide layer to the silicide layer;
其中,所述第二次退火的温度大于所述第一次退火的温度。Wherein, the temperature of the second annealing is greater than the temperature of the first annealing.
进一步地,形成所述掺杂区的步骤包括:Further, the step of forming the doped region includes:
对所述第一栅极结构的两侧进行离子掺杂,形成第一掺杂区;performing ion doping on both sides of the first gate structure to form a first doping region;
对所述第一掺杂区进行离子掺杂,以在所述第一掺杂区内形成第二掺杂区;performing ion doping on the first doping region to form a second doping region in the first doping region;
其中,所述第一掺杂区的离子掺杂类型不同于所述第二掺杂区的离子掺杂类型。Wherein, the ion doping type of the first doping region is different from the ion doping type of the second doping region.
综上所述,本发明提出一种静态随机存取存储器及其制造方法,通过将第一栅极结构形成在有源区上,将第二栅极结构形成在隔离结构上,且第二栅极结构在衬底方向上的投影区完全位于隔离结构中,因此在第二栅极结构两侧具有隔离结构,且隔离结构的长度大于或等于掺杂区的长度,因此无法在第二栅极结构的两侧形成掺杂区,因此当形成接触孔时,也就不会破坏掺杂区的结构,同时在第二栅极结构靠近第一栅极结构的一侧还具有残留的侧墙,残留的侧墙位于隔离结构上,残留的侧墙可以保护第二栅极结构;因此形成接触孔时,不会造成第二栅极结构的漏电现象,当在接触孔内形成接触电极时,可以提高静态随机存取存储器的良率。In summary, the present invention provides a static random access memory and a method for manufacturing the same. The first gate structure is formed on the active region, the second gate structure is formed on the isolation structure, and the second gate structure is formed on the isolation structure. The projection area of the pole structure in the direction of the substrate is completely located in the isolation structure, so there are isolation structures on both sides of the second gate structure, and the length of the isolation structure is greater than or equal to the length of the doping area, so it cannot be used in the second gate structure. Doping regions are formed on both sides of the structure, so when the contact holes are formed, the structure of the doping regions will not be destroyed, and at the same time, there are residual sidewalls on the side of the second gate structure close to the first gate structure, The remaining sidewall spacers are located on the isolation structure, and the remaining sidewall spacers can protect the second gate structure; therefore, when the contact hole is formed, the leakage phenomenon of the second gate structure will not be caused, and when the contact electrode is formed in the contact hole, it can be Improve the yield of static random access memory.
附图说明Description of drawings
图1:本实施例中静态随机存取存储器的电路图。Figure 1: The circuit diagram of the static random access memory in this embodiment.
图2:本实施例中静态随机存取存储器的局部版图。Figure 2: A partial layout of the SRAM in this embodiment.
图3:本实施例中静态随机存取存储器的制造方法流程图。FIG. 3 is a flowchart of the manufacturing method of the static random access memory in this embodiment.
图4:步骤S1对应的结构示意图。Fig. 4 is a schematic structural diagram corresponding to step S1.
图5:形成多晶硅层的的结构示意图。FIG. 5: Schematic diagram of the structure of forming the polysilicon layer.
图6:步骤S2对应的结构示意图。Fig. 6 is a schematic structural diagram corresponding to step S2.
图7:步骤S3对应的结构示意图。Fig. 7 is a schematic structural diagram corresponding to step S3.
图8:形成硅化物层流程示意图。FIG. 8: A schematic diagram of the process of forming a silicide layer.
图9:形成掺杂区流程示意图。Figure 9: A schematic diagram of the process of forming doped regions.
图10:形成氮化层的结构示意图。Figure 10: Schematic diagram of the structure of forming the nitrided layer.
图11:步骤S4对应的结构示意图。Fig. 11 is a schematic structural diagram corresponding to step S4.
图12:形成源极和漏极的结构示意图。Figure 12: Schematic diagram of the structure for forming the source and drain electrodes.
图13:步骤S5对应的结构示意图。Fig. 13 is a schematic structural diagram corresponding to step S5.
图14:层间介质层的减薄的示意图。Figure 14: Schematic illustration of thinning of the interlayer dielectric layer.
图15:层间介质层的增厚的示意图。Figure 15: Schematic illustration of the thickening of the interlayer dielectric layer.
图16:形成先进图案化层和覆盖层的结构示意图。Figure 16: Schematic diagram of the structure for forming the advanced patterning layer and capping layer.
图17:形成图案化的光阻层的结构示意图。Figure 17: Schematic diagram of the structure of forming a patterned photoresist layer.
图18:步骤S6对应的结构示意图。Fig. 18 is a schematic structural diagram corresponding to step S6.
图19:步骤S7对应的结构示意图。Fig. 19 is a schematic structural diagram corresponding to step S7.
符号说明Symbol Description
101:衬底;102:浅沟槽隔离结构;1021:有源区;103:多晶硅层;104:第一栅极结构;105:第二栅极结构;105:第二栅极结构;106:掺杂区;107:氮化层;108:侧墙;109a:源极;109b:漏极;110:层间介质层;111:先进图案化层;112:覆盖层;113:抗反射层;114:图案化的光阻层;115:残留的侧墙;116:接触孔;117:接触电极;1041:硅化物层;104a:镍层;104b:Ni2Si层;1061:第一掺杂区;1062:第二掺杂区;PU1:第一上拉晶体管;PU2:第二上拉晶体管;PD1:第一下拉晶体管;PD2:第二下拉晶体管;PG1:第一通道栅晶体管;PG2:第二通道栅晶体管;INV1:第一反相器;INV2:第二反相器;Q1,Q2:输出端;BL,BLB:位线;WL:字线。101: substrate; 102: shallow trench isolation structure; 1021: active region; 103: polysilicon layer; 104: first gate structure; 105: second gate structure; 105: second gate structure; 106: 107: nitride layer; 108: spacer; 109a: source electrode; 109b: drain electrode; 110: interlayer dielectric layer; 111: advanced patterning layer; 112: capping layer; 113: anti-reflection layer; 114: patterned photoresist layer; 115: residual spacer; 116: contact hole; 117: contact electrode; 1041: silicide layer; 104a: nickel layer; 104b: Ni2 Si layer; 1061: first doping region; 1062: second doped region; PU1: first pull-up transistor; PU2: second pull-up transistor; PD1: first pull-down transistor; PD2: second pull-down transistor; PG1: first pass-gate transistor; PG2 : second pass gate transistor; INV1: first inverter; INV2: second inverter; Q1, Q2: output terminal; BL, BLB: bit line; WL: word line.
具体实施方式Detailed ways
以下通过特定的具体实例说明本发明的实施方式,本领域技术人员可由本说明书所揭露的内容轻易地了解本发明的其他优点与功效。本发明还可以通过另外不同的具体实施方式加以实施或应用,本说明书中的各项细节也可以基于不同观点与应用,在没有背离本发明的精神下进行各种修饰或改变。The embodiments of the present invention are described below through specific specific examples, and those skilled in the art can easily understand other advantages and effects of the present invention from the contents disclosed in this specification. The present invention can also be implemented or applied through other different specific embodiments, and various details in this specification can also be modified or changed based on different viewpoints and applications without departing from the spirit of the present invention.
需要说明的是,本实施例中所提供的图示仅以示意方式说明本发明的基本构想,遂图式中仅显示与本发明中有关的组件而非按照实际实施时的组件数目、形状及尺寸绘制,其实际实施时各组件的型态、数量及比例可为一种随意的改变,且其组件布局型态也可能更为复杂。It should be noted that the drawings provided in this embodiment are only to illustrate the basic concept of the present invention in a schematic way, so the drawings only show the components related to the present invention rather than the number, shape and the number of components in actual implementation. For dimension drawing, the type, quantity and proportion of each component can be changed at will in actual implementation, and the component layout may also be more complicated.
如图1所示,图1显示为静态随机存取存储器的电路图。该静态随机存取存储器包括第一上拉晶体管(Pull-Up transistor)PU1、第二上拉晶体管PU2、第一下拉晶体管(Pull-Down transistor)PD1、第二下拉晶体管PD2、第一通道栅晶体管(Pass Gatetransistor)PG1和第二通道栅晶体管PG2。第一上拉晶体管PU1和第一下拉晶体管PD1形成第一反相器INV1,第二上拉晶体管PU2和第二下拉晶体管PD2形成第二反相器INV2。第一反相器INV1因应于第二通道栅晶体管PG2的运作而选择性启动。第二反相器INV2因应于第一通道栅晶体管PG1的运作而选择性启动。第一反相器INV1和第二反相器INV2呈交互耦合连接,即第一反相器INV1的输出端Q1连接至第二反相器INV2的输入端,而第二反相器INV2的输出端Q2则连接至第一反相器INV1的输入端。As shown in FIG. 1, FIG. 1 shows a circuit diagram of a static random access memory. The SRAM includes a first pull-up transistor PU1, a second pull-up transistor PU2, a first pull-down transistor PD1, a second pull-down transistor PD2, and a first channel gate Transistor (Pass Gate transistor) PG1 and second pass gate transistor PG2. The first pull-up transistor PU1 and the first pull-down transistor PD1 form a first inverter INV1, and the second pull-up transistor PU2 and the second pull-down transistor PD2 form a second inverter INV2. The first inverter INV1 is selectively activated in response to the operation of the second pass gate transistor PG2. The second inverter INV2 is selectively activated in response to the operation of the first pass gate transistor PG1. The first inverter INV1 and the second inverter INV2 are alternately coupled, that is, the output Q1 of the first inverter INV1 is connected to the input of the second inverter INV2, and the output of the second inverter INV2 The terminal Q2 is connected to the input terminal of the first inverter INV1.
如图1所示,第一通道栅晶体管PG1的漏极耦接于第一反相器的输出端Q1,第一通道栅晶体管PG1的源极耦接于位线BL。第二通道栅晶体管PG2的漏极耦接于第二反相器的输出端Q2,第二通道栅晶体管 PG2的源极耦接于位线BLB。第一通道栅晶体管PG1与第二通道栅晶体管PG2耦接于字符线WL。As shown in FIG. 1 , the drain of the first pass-gate transistor PG1 is coupled to the output terminal Q1 of the first inverter, and the source of the first pass-gate transistor PG1 is coupled to the bit line BL. The drain of the second pass-gate transistor PG2 is coupled to the output terminal Q2 of the second inverter, and the source of the second pass-gate transistor PG2 is coupled to the bit line BLB. The first pass gate transistor PG1 and the second pass gate transistor PG2 are coupled to the word line WL.
如图1所示,第一上拉晶体管PU1与第二上拉晶体管PU2的源极耦接至电压端VDD。第一下拉晶体管PD1与第二下拉晶体管PD2的源极耦接至电压端GND。第一通道栅晶体管PG1与第二通道栅晶体管PG2例如是N型金属氧化物半导体晶体管,而第一上拉晶体管PU1与第二上拉晶体管PU2例如是P型金属氧化物半导体晶体管。第一下拉晶体管PD1与第二下拉晶体管PD2例如是N型金属氧化物半导体晶体管;也就是说第一反相器与第二反相器可以是互补式金属氧化物半导体晶体管。所述P型金属氧化物半导体晶体管和所述N型金属氧化物半导体晶体管可以采用鳍式场效应晶体管。As shown in FIG. 1 , the sources of the first pull-up transistor PU1 and the second pull-up transistor PU2 are coupled to the voltage terminal VDD. Sources of the first pull-down transistor PD1 and the second pull-down transistor PD2 are coupled to the voltage terminal GND. The first pass-gate transistor PG1 and the second pass-gate transistor PG2 are, for example, N-type metal-oxide-semiconductor transistors, and the first pull-up transistor PU1 and the second pull-up transistor PU2 are, for example, P-type metal-oxide-semiconductor transistors. The first pull-down transistor PD1 and the second pull-down transistor PD2 are, for example, N-type metal-oxide-semiconductor transistors; that is, the first inverter and the second inverter may be complementary metal-oxide-semiconductor transistors. The P-type metal-oxide-semiconductor transistor and the N-type metal-oxide-semiconductor transistor may use fin field effect transistors.
如图2所示,图2显示为静态随机存取存储器的局部版图。第一上拉晶体管PU1通过输出端Q1与第二上拉晶体管PU2连接。输出端Q1也可以称为接触电极,也就是说接触电极将第一上拉晶体管PU1的栅极和第二上拉晶体管PU2的源极连接起来。第一上拉晶体管PU1和第二上拉晶体管PU2均位于衬底上。As shown in FIG. 2, FIG. 2 shows a partial layout of a static random access memory. The first pull-up transistor PU1 is connected to the second pull-up transistor PU2 through the output terminal Q1. The output terminal Q1 may also be called a contact electrode, that is to say, the contact electrode connects the gate of the first pull-up transistor PU1 and the source of the second pull-up transistor PU2. Both the first pull-up transistor PU1 and the second pull-up transistor PU2 are located on the substrate.
如图3所示,本实施例还提出一种静态随机存取存储器的制造方法,包括:As shown in FIG. 3 , this embodiment also provides a method for manufacturing a static random access memory, including:
S1:提供一衬底,所述衬底中包括多个隔离结构,所述隔离结构在所述衬底中隔离出间隔分布的有源区;S1: Provide a substrate, the substrate includes a plurality of isolation structures, and the isolation structures isolate active regions distributed at intervals in the substrate;
S2:形成第一栅极结构和第二栅极结构于所述衬底上;其中,所述第一栅极结构位于所述有源区上,所述第二栅极结构位于所述隔离结构上,且第二栅极结构在所述衬底方向上的投影区位于所述隔离结构内;S2: forming a first gate structure and a second gate structure on the substrate; wherein the first gate structure is located on the active region, and the second gate structure is located on the isolation structure on, and the projection area of the second gate structure in the direction of the substrate is located in the isolation structure;
S3:形成掺杂区于所述有源区的所述衬底中,且位于所述第一栅极结构的两侧;S3: forming doped regions in the substrate of the active region and located on both sides of the first gate structure;
S4:形成侧墙结构于所述第一栅极结构,以及于所述第二栅极结构的两侧;S4: forming spacer structures on the first gate structure and on both sides of the second gate structure;
S5:形成层间介质层于所述衬底上,所述层间介质层覆盖所述第一栅极结构和所述第二栅极结构;S5: forming an interlayer dielectric layer on the substrate, the interlayer dielectric layer covering the first gate structure and the second gate structure;
S6:形成接触孔于所述层间介质层中,所述接触孔位暴露出所述第二栅极结构的部分顶端,以及暴露出部分所述隔离结构的顶端,其中,所述第二栅极结构靠近所述第一栅极结构的一侧还具有残留的侧墙;S6: Form a contact hole in the interlayer dielectric layer, the contact hole exposes a part of the top of the second gate structure, and exposes a part of the top of the isolation structure, wherein the second gate The side of the pole structure close to the first gate structure also has a residual spacer;
S7:形成接触电极于所述接触孔中,所述接触电极的底部与部分所述第二栅极结构、部分所述隔离结构连接;且所述接触电极与所述隔离结构连接的长度大于或等于所述掺杂区的长度。S7: forming a contact electrode in the contact hole, the bottom of the contact electrode is connected to part of the second gate structure and part of the isolation structure; and the length of the connection between the contact electrode and the isolation structure is greater than or equal to the length of the doped region.
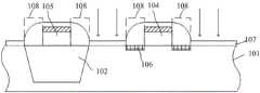
以下将以图4-图19为例,阐述静态随机存取存储器的制造流程。图4-图19所示的剖面图是以图2在A-A方向的剖面图。The following will take FIG. 4 to FIG. 19 as examples to illustrate the manufacturing process of the SRAM. The cross-sectional views shown in FIGS. 4 to 19 are cross-sectional views taken along the direction A-A in FIG. 2 .
如图4所示,在步骤S1中,首先提供一衬底101,然后在衬底101内形成若干个浅沟槽隔离结构102,所述浅沟槽隔离结构102在衬底101内隔离出若干个间隔排布的有源区1021。所述衬底101的材料可以包括但不仅限于单晶或多晶半导体材料,衬底101还可以包括本征单晶硅衬底或掺杂的硅衬底;衬底101包括第一掺杂类型的衬底,所述第一掺杂类型可以为P型,也可以为N型,本实施例中仅以所述第一掺杂类型为P型作为示例,即本实施例中,所述衬底101仅以P型衬底作为示例。在本实施例中,还可以对衬底101进行掺杂,形成N阱区。As shown in FIG. 4 , in step S1 , a
如图4所示,在本实施例中,所述浅沟槽隔离结构102可以通过在衬底101内形成沟槽(未示出)后,再在所述沟槽内填充隔离材料层而形成。所述浅沟槽隔离结构102的材料可以包括氮化硅、氧化硅或氮氧化硅等,所述浅沟槽隔离结构102的材料包括氧化硅。所述浅沟槽隔离结构102纵截面的形状可以根据实际需要进行设定,图4中以浅沟槽隔离结构102纵截面的形状包括倒梯形作为示例;当然,在一些实施例中,所述浅沟槽隔离结构102纵截面的形状还可以为U形等等。As shown in FIG. 4 , in this embodiment, the shallow
需要说明的是,衬底101内由浅沟槽隔离结构102隔离出的有源区1021的具体数量可以根据实际需要进行设定,此处不做限定。图4中仅以示意出衬底101内的两个有源区1021作为示例。若干个所述有源区1021可以平行间隔排布,也可以根据实际需要任意排布。It should be noted that, the specific number of the
如图5所示,在步骤S2中,在衬底101上形成多晶硅层103,多晶硅层103可以为第二掺杂类型的多晶硅层,即所述多晶硅层103的掺杂类型与所述衬底101的掺杂类型不同;所述第二掺杂类型可以为P型,也可以为N型,当所述第一掺杂类型为P型时,所述第二掺杂类型为N型,当所述第一掺杂类型为N型时,所述第二掺杂类型为P型;所述多晶硅层103的厚度可以根据实际需要进行设定,所述多晶硅层103的厚度可以介于200nm~500nm之间。需要说明的是,在形成多晶硅层103之前,还在衬底101上形成一介电层(图中未显示),介电层的材料可以包括但不仅限于氧化硅或氮氧化硅。介电层可经由炉管氧化工艺,化学气相沉积工艺旋转式玻璃法工艺或者其他合适的方法形成。As shown in FIG. 5, in step S2, a
如图5-图6所示,在形成多晶硅层103之后,在多晶硅层103上形成光刻胶,然后对光刻胶进行图案化处理,形成图案化的光阻层。图案化的光阻层暴露出需要刻蚀的多晶硅层103的表面,然后以图案化的光阻层为掩膜,对多晶硅层103进行刻蚀,形成第一栅极结构104和第二栅极结构105。可以采用干法刻蚀工艺、湿法刻蚀工艺或干法刻蚀工艺与湿法刻蚀工艺相结合来刻蚀多晶硅层103,例如,采用干法刻蚀工艺各向异性刻蚀多晶硅层103。需要说明的是,第一栅极结构104和第二栅极结构105的结构一致。第一栅极结构104可以包括栅介电层和位于栅介电层上的栅电极。As shown in FIG. 5-FIG. 6, after the
如图6所示,第一栅极结构104位于有源区1021上,第二栅极结构105位于浅沟槽隔离结构102上。第二栅极结构105在衬底101方向上的投影完全落入在浅沟槽隔离结构102内。在本实施例中,该第一栅极结构104例如用于形成第一晶体管,第二栅极结构105例如用于形成第二晶体管,第一晶体管和第二晶体管可以定义为第一上拉晶体管。从图6中可以看出,浅沟槽隔离结构102顶部的宽度大于第二栅极结构105的宽度,且由于第二栅极结构105在衬底101方向上的投影完全落入在浅沟槽隔离结构102内,因此第二栅极结构105的两侧均具有一定长度的浅沟槽隔离结构102。当然,在一些实施例中,第一栅极结构104可以位于浅沟槽隔离结构102上,第二栅极结构105位于有源区1021上。As shown in FIG. 6 , the
如图7-图8所示,在本实施例中,在形成第一栅极结构104和第二栅极结构105之后,然后在第一栅极结构104和第二栅极结构105的顶部形成硅化物层1041。硅化物层1041位于第一栅极结构104和第二栅极结构105的顶部。硅化物层1041例如为硅化钴,硅化钛或硅化镍等具有低电阻且与硅材料附着能力好的金属硅化物。所述硅化物层1041可作为晶体管的接触结构。本实施例以在第一栅极结构104内形成硅化物层1041为例进行说明,并以硅化物层1041为硅化镍为例进行说明。形成硅化物层1041的步骤可以包括,首先通过溅射技术在第一栅极结构104上形成镍层104a,然后对镍层104a进行第一退火工艺,所述第一退火工艺约在300-380℃的温度下进行,通过所述第一退火工艺,位于第一栅极结构104内的硅原子与镍层104a内的镍原子反应,形成Ni2Si层104b,Ni2Si层104b也可以称为中间硅化物层。所述 Ni2Si层104b的厚度例如为 150-400 埃。具体地,所述第一退火工艺可以利用溅射装置进行,当利用溅射装置沉积镍时,沉积镍后可以利用原位 (in-situ) 工艺进行第一退火工艺,或者采用非原位工艺进行第一退火工艺。在形成Ni2Si层104b之后,选择性去除未反应的镍层104a,对所述Ni2Si层104b进行第二退火工艺。所述第二退火温度比第一退火温度高。具体地,所述第二退火温度例如为400-500℃。经过第二退火工艺后,所述Ni2Si层104b转化为硅化物层1041,所述硅化物层1041具有热稳定性。硅化物层1041可以减少第一栅极结构104和第二栅极结构105的电阻,提高器件的性能。在一些实施例中,还可以在第一栅极结构104上形成其他金属,例如钴,钨,铂,锰,钛,钽中的至少一种。As shown in FIG. 7 to FIG. 8 , in this embodiment, after the
如图7和图9所示,在步骤S3中,在第一栅极结构104和第二栅极结构105的顶部形成硅化物层1041之后,对第一栅极结构104,第二栅极结构105两侧的衬底101进行掺杂,以形成掺杂区106。该掺杂区106可以包括第一掺杂区1061和第二掺杂区1062。第一掺杂区1061和第二掺杂区1062均位于衬底101中。在形成掺杂区106时,首先形成第一掺杂区1061,然后在第一掺杂区1061内形成第二掺杂区1062。第一掺杂区1061的离子掺杂类型和第二掺杂区1062的离子掺杂类型不同。第一掺杂区1061的掺杂离子可以为P或As。第二掺杂区1062的掺杂离子可以为B。形成第一掺杂区1061的步骤可以包括采用N型杂质例如砷离子作为杂质,注入能量可以为60-80KeV,例如为70-75KeV,注入剂量可以为1013atmos/cm2,在第一栅极结构104的两侧的衬底101中形成第一掺杂区1061,第一掺杂区1061可以为N型袋状掺杂区。然后进行快速退火工艺,以活化第一掺杂区1061内的杂质,并抑制瞬态增强扩散效应。然后利用P型杂质例如硼或氟化硼(BF2+)作为杂质,注入能量可以为2-3KeV,注入剂量可以为1.5´1015atmos/cm2,以在第一栅极结构104两侧的第一掺杂区1061中形成第二掺杂区1062,然后进行快速退火工艺,以活化第二掺杂区1061内的杂质。第二掺杂区1062可以为PLDD掺杂区。需要说明的是,在形成掺杂区106之前,还需要对衬底101进行掺杂,形成N阱区,注入的离子可以为N型离子,例如为磷。As shown in FIG. 7 and FIG. 9 , in step S3 , after the
如图7所示,当对第一栅极结构104的两侧的衬底101进行掺杂时,同时对第二栅极结构105两侧的衬底101进行掺杂,由于第二栅极结构105两侧具有一定长度的浅沟槽隔离结构102,且位于第二栅极结构105两侧的浅沟槽隔离结构102的长度大于或等于掺杂区106的长度,因此当对第二栅极结构105的两侧进行掺杂时,掺杂区106位于浅沟槽隔离结构102中,由于浅沟槽隔离结构102中的填充材料为绝缘材料,因此在浅沟槽隔离结构102中的掺杂区106无法形成导电区域,因此可以认为在第二栅极结构105的两侧不存在掺杂区106。As shown in FIG. 7 , when the
如图10-图11所示,在步骤S4中,在形成掺杂区106之后,在衬底101上形成氮化层107,氮化层107可以为氮化硅。氮化层107覆盖第一栅极结构104和第二栅极结构105。然后通过等离子刻蚀工艺,刻蚀所述氮化层107,由于等离子刻蚀工艺具有很好的刻蚀方向性,因此第一栅极结构104和第二栅极结构105表面上的氮化层107被刻蚀掉,保留了第一栅极结构104和第二栅极结构105两侧的氮化层107,从而在第一栅极结构104,第二栅极结构105的两侧形成了侧墙(offset spacer)108。在本实施例中,位于第一栅极结构104两侧的侧墙108位于掺杂区106上,位于第二栅极结构105两侧的侧墙108位于浅沟槽隔离结构102上。在形成侧墙108的同时,刻蚀工艺还对位于浅沟槽隔离结构102和掺杂区106之间的氮化层107进行刻蚀,从而减薄了氮化层107的厚度;同时位于第一栅极结构104和第二栅极结构105上的氮化层107的厚度也被减薄。从图11中可以看出,经过刻蚀工艺之后,氮化层107仍然覆盖第一栅极结构104和第二栅极结构105,且覆盖衬底101的其他区域,也就是说氮化层107覆盖整个衬底101。从图11中可以看出,侧墙108的斜面可以为弧面,侧墙108的宽度从顶部至底部逐渐增大。当然,在一些实施例中,侧墙108的斜面也可以为直面,侧墙108还可以定义为侧墙结构。在一些实施例中,该侧墙108的材料还可以为氮化层和氧化层的组合,例如采用低压化学气相沉积工艺或等离子体增强化学气相沉积工艺等沉积氮化层,采用常压化学气相沉积工艺、低压化学气相沉积工艺或等离子体增强化学气相沉积工艺等沉积氧化层。As shown in FIGS. 10-11 , in step S4, after forming the doped
如图12所示,在形成侧墙108之后,对侧墙108的两侧的区域进行离子掺杂,以在衬底101中形成源极109a和漏极109b。形成源极109a和漏极109b的方法可以包括,首先以第一栅极结构104和侧墙108为掩膜,对侧墙108两侧的衬底101进行离子注入,从而在衬底101中形成离子掺杂区,所述离子掺杂的类型可以为N型或P型。在本实施例中,源极109a和漏极109b位于有源区1021内。As shown in FIG. 12 , after the
如图12所示,本实施例中,源极109a和漏极109b分别位于第一栅极结构104的两侧,源极109a靠近浅沟槽隔离结构102,或者说源极109a靠近第二栅极结构105,漏极109b远离浅沟槽隔离结构102,或者说漏极109b靠近第二栅极结构105。当然,还可以定义出漏极109b靠近第二栅极结构102,源极109a远离第二栅极结构105。As shown in FIG. 12, in this embodiment, the
如图12所示,在形成源极109a和漏极109b之后,还可以在源极109a和漏极109b上形成硅化物层1041,硅化物层1041的形成过程可以参阅上述描述。硅化物层1041可以防止源极109a或漏极109b被击穿或漏电,从而可以提高器件的稳定性。As shown in FIG. 12, after the
如图13所示,在步骤S5中,在形成源极109a和漏极109b之后,然后在氮化层107上形成层间介质层110。层间介质层110覆盖氮化层107,也就是层间介质层110覆盖第一栅极结构104和第二栅极结构105。在本实施例中,可以例如通过高密度等离子体化学气相沉积法在氮化层107上形成层间介质层110,层间介质层110完全覆盖第一栅极结构104和第二栅极结构105。层间介质层110的厚度可以为6000-8000埃。层间介质层110的材料可以为二氧化硅。As shown in FIG. 13 , in step S5 , after the
如图14所示,在形成层间介质层110后,由于层间介质层110的表面不平整,因此对层间介质层110的表面进行平坦化处理。平坦化处理之后,层间介质层110的厚度可以为1500-2000埃。同时经过平坦化处理之后,层间介质层110仍然覆盖第一栅极结构104和第二栅极结构105。As shown in FIG. 14 , after the
如图15所示,经过平坦化处理之后,在层间介质层110上再次沉积层间介质层110,以增加层间介质层110的厚度,此时层间介质层110的厚度可以为3000-4000埃。As shown in FIG. 15 , after the planarization process, the
在一些实施例中,第一次形成的层间介质层110的材料可以为磷硅酸玻璃,第二次形成的层间介质层110的材料为未掺杂硅玻璃,未掺杂硅玻璃的硬度高。第二次形成的层间介质层110比第一次形成的层间介质层110的致密性高,第二次形成的层间介质层110的表面均匀性好,可以提高器件的性能。In some embodiments, the material of the
如图16所示,通过共形化学气相沉积工艺在层间介质层110上形成先进图案化层(Advanced Patterning Film,APF)111,然后在先进图案化层111上形成覆盖层112,覆盖层112可以包括氮氧化硅层和氧化硅层。先进图案化层111的厚度可以为1500-2000埃,例如为1900埃。覆盖层112的厚度可以为300-400埃;氮氧化硅层的厚度可以为320埃,氧化硅层的厚度可以为50埃。As shown in FIG. 16 , an advanced patterning layer (Advanced Patterning Film, APF) 111 is formed on the
如图17所示,在覆盖层112上依次形成抗反射层113和图案化的光阻层114,图案化的光阻层114暴露出需要刻蚀的抗反射层113,从而对抗反射层113进行刻蚀。As shown in FIG. 17 , an
如图17-图18所示,在步骤S6中,以图案化的光阻层114为掩膜层,依次刻蚀抗反射层113,覆盖层112和先进图案化层111,从而在衬底101上形成一接触孔116,接触孔116位于第一栅极结构104和第二栅极结构105之间。接触孔116暴露出源极109a,第二栅极结构105靠近第一栅极结构104的侧墙108,同时还暴露出第二栅极结构105的部分顶部,同时还暴露出部分浅沟槽隔离结构102。经过刻蚀之后,在第二栅极结构105靠近第一栅极结构104的一侧上还具有残留的侧墙115,残留的侧墙115位于暴露出的浅沟槽隔离结构102上,残留的侧墙115还与第二栅极结构105接触,残留的侧墙115可以保护第二栅极结构105的底部不被刻蚀。残留的侧墙115未完全覆盖位于第二栅极结构105一侧的浅沟槽隔离结构102,也就是说经过刻蚀工艺之后,还暴露出位于第二栅极结构105靠近第一栅极结构104一侧的部分浅沟槽隔离结构102,且暴露出的部分浅沟槽隔离结构102的长度可以大于或等于掺杂区106的长度。由于第二栅极结构105的两侧未形成掺杂区106,因此形成该接触孔116时,不会造成第二栅极结构105的漏电。在本实施例中,该接触孔116未暴露出第一栅极结构104的一侧的掺杂区106。As shown in FIGS. 17-18 , in step S6 , using the patterned
如图18-图19所示,在步骤S7中,在形成接触孔116之后,然后在接触孔116内形成接触电极117,该接触电极117用于连接第一上拉晶体管和第二上拉晶体管。本实施例将第一栅极结构104,位于第一栅极结构104两侧的掺杂区106,位于第一栅极结构104两侧的源极109a,漏极109b,位于第一栅极结构104两侧的侧墙108,以及位于第一栅极结构104上的层间介质层110定义为第一晶体管。将第二栅极结构105定义为第二晶体管,并将第一晶体管和第二晶体管定义为第一上拉晶体管。该第一上拉晶体管的栅极可以和第二上拉晶体管的源极连接。也就是说第一上拉晶体管的栅极通过接触电极117与第二上拉晶体管的源极连接,也就是第二栅极结构105通过接触电极117与第二上拉晶体管的源极连接。由于接触孔116暴露出的部分浅沟槽隔离结构102的长度大于或等于掺杂区106的长度,因此接触电极117与浅沟槽隔离结构102连接的长度大于或等于掺杂区106的长度。同时由于第二栅极结构105的两侧未形成掺杂区106,因此不会造成第二栅极结构105的漏电,也就是第一上拉晶体管不会漏电,因此可以提高器件的良率。该接触电极117的材料可以为金属材料,例如铜或钨。As shown in FIGS. 18-19 , in step S7, after the
如图19所示,本实施例还提出一种静态随机存取存储器,该存储器包括一衬底101,衬底101中具有一浅沟槽隔离结构102,通过该浅沟槽隔离结构102将衬底101隔离成有源区1021。衬底101上形成有第一栅极结构104和第二栅极结构105,第一栅极结构104位于有源区1021上,第二栅极结构105位于浅沟槽隔离结构102上,且第二栅极结构105在衬底101方向上的投影区完全位于浅沟槽隔离结构102内。As shown in FIG. 19 , the present embodiment also provides a static random access memory, the memory includes a
如图19所示,在本实施例中,在衬底101的有源区1021内还形成有掺杂区106,掺杂区106位于第一栅极结构104的两侧。在衬底101的有源区1021内还形成有源极109a和漏极109b,源极109a和漏极109b位于第一栅极结构104的两侧,且源极109a位于靠近第二栅极结构105的一侧,漏极109b位于远离第二栅极结构105的一侧。掺杂区106位于源极109a/漏极109b和第一栅极结构104之间。源极109a的顶部和漏极109b的顶部内还具有硅化物层1041,该硅化物层1041可以提高器件的性能。该硅化物层1041金属硅化物(Metal Silicide),例如硅化钴,硅化钛或硅化镍。在一些实施例中,还可以将源极109a设置在位于远离第二栅极结构105的一侧,漏极109b设置在位于靠近第二栅极结构105的一侧。As shown in FIG. 19 , in this embodiment,
如图19所示,在本实施例中,第一栅极结构104和第二栅极结构105的顶部具有硅化物层1041,同时在第一栅极结构104的两侧均具有侧墙108,侧墙108位于掺杂区106上。在第二栅极结构105远离第一栅极结构104的一侧具有侧墙108,在第二栅极结构105靠近第一栅极结构104的一侧具有残留的侧墙115,残留的侧墙115可以保护第二栅极结构115的底部不被刻蚀。在衬底101上还具有氮化层107,该氮化层107位于漏极109b上。在第一栅极结构104的顶部还具有氮化层107,在第二栅极结构105的顶部同样具有部分氮化层107。As shown in FIG. 19 , in this embodiment, the tops of the
如图19所示,在本实施例中,在第一栅极结构104和第二栅极结构105上还形成有层间介质层110,层间介质层110覆盖第一栅极结构104和第二栅极结构105,在层间介质层110上还形成有接触孔116。接触孔116位于第一栅极结构104和第二栅极结构105之间,接触孔暴露出第二栅极结构105靠近第一栅极结构104的一侧,同样也暴露出部分浅沟槽隔离结构102,且暴露出的浅沟槽隔离结构102的长度大于或等于掺杂区106的长度。接触孔116内形成有接触电极117,接触电极117与浅沟槽隔离结构102接触的长度可以大于或等于掺杂区106的长度。接触电极117接触第二栅极结构105和源极109a。在本实施例中,将第一栅极结构104,位于第一栅极结构104两侧的掺杂区106,源极109a和漏极109b,侧墙108定义为第一晶体管,将第二栅极结构105定义为第二晶体管,第一晶体管和第二晶体管可以定义为第一上拉晶体管。As shown in FIG. 19 , in this embodiment, an
如图1-图2,图18-图19所示,在本实施例中,第一上拉晶体管PU1的栅极通过输出端Q1连接第二上拉晶体管PU2的源极,接触电极117相当于输出端Q1,第二栅极结构105相当于第一上拉晶体管PU1的栅极,因此第二栅极结构105通过接触电极117与第二上拉晶体管PU2连接。在本实施例中,由于在第二栅极结构105的两侧未形成掺杂区106,因此在形成接触孔116时,无法对掺杂区106进行刻蚀,因此不会造成第一上拉晶体管PU1的漏电。As shown in FIGS. 1-2, 18-19, in this embodiment, the gate of the first pull-up transistor PU1 is connected to the source of the second pull-up transistor PU2 through the output terminal Q1, and the
综上所述,本发明提出一种静态随机存取存储器及其制造方法,通过将第一栅极结构形成在有源区上,将第二栅极结构形成在隔离结构上,且第二栅极结构在衬底方向上的投影区完全位于隔离结构中,因此在第二栅极结构两侧具有隔离结构,且隔离结构的长度大于或等于掺杂区的长度,因此无法在第二栅极结构的两侧形成掺杂区,因此当形成接触孔时,也就不会破坏掺杂区的结构,同时在第二栅极结构靠近第一栅极结构的一侧还具有残留的侧墙,残留的侧墙位于隔离结构上,残留的侧墙可以保护第二栅极结构;因此形成接触孔时,不会造成第二栅极结构的漏电现象,当在接触孔内形成接触电极时,可以提高静态随机存取存储器的良率。In summary, the present invention provides a static random access memory and a method for manufacturing the same. The first gate structure is formed on the active region, the second gate structure is formed on the isolation structure, and the second gate structure is formed on the isolation structure. The projection area of the pole structure in the direction of the substrate is completely located in the isolation structure, so there are isolation structures on both sides of the second gate structure, and the length of the isolation structure is greater than or equal to the length of the doping area, so it cannot be used in the second gate structure. Doping regions are formed on both sides of the structure, so when the contact holes are formed, the structure of the doping regions will not be destroyed, and at the same time, there are residual sidewalls on the side of the second gate structure close to the first gate structure, The remaining sidewall spacers are located on the isolation structure, and the remaining sidewall spacers can protect the second gate structure; therefore, when the contact hole is formed, the leakage phenomenon of the second gate structure will not be caused, and when the contact electrode is formed in the contact hole, it can be Improve the yield of static random access memory.
在整篇说明书中提到“一个实施例(one embodiment)”、“实施例(anembodiment)”或“具体实施例(a specific embodiment)”意指与结合实施例描述的特定特征、结构或特性包括在本发明的至少一个实施例中,并且不一定在所有实施例中。因而,在整篇说明书中不同地方的短语“在一个实施例中(in one embodiment)”、“在实施例中(inan embodiment)”或“在具体实施例中(in a specific embodiment)”的各个表象不一定是指相同的实施例。此外,本发明的任何具体实施例的特定特征、结构或特性可以按任何合适的方式与一个或多个其他实施例结合。应当理解本文所述和所示的发明实施例的其他变型和修改可能是根据本文教导的,并将被视作本发明精神和范围的一部分。Reference throughout this specification to "one embodiment," "anembodiment," or "a specific embodiment" means that a particular feature, structure, or characteristic described in connection with the embodiment includes In at least one embodiment of the invention, and not necessarily in all embodiments. Thus, the phrases "in one embodiment", "in an embodiment" or "in a specific embodiment" are used in various places throughout the specification. Appearances are not necessarily referring to the same embodiment. Furthermore, the particular features, structures, or characteristics of any particular embodiment of the present invention may be combined in any suitable manner with one or more other embodiments. It should be understood that other variations and modifications of the embodiments of the invention described and illustrated herein are possible in light of the teachings herein and are to be considered part of the spirit and scope of the invention.
还应当理解还可以以更分离或更整合的方式实施附图所示元件中的一个或多个,或者甚至因为在某些情况下不能操作而被移除或因为可以根据特定应用是有用的而被提供。It should also be understood that one or more of the elements shown in the figures may also be implemented in a more discrete or integrated manner, or even removed as inoperable in certain circumstances or as may be useful according to a particular application. Provided.
另外,除非另外明确指明,附图中的任何标志箭头应当仅被视为示例性的,而并非限制。此外,除非另外指明,本文所用的术语“或”一般意在表示“和/或”。在术语因提供分离或组合能力是不清楚的而被预见的情况下,部件或步骤的组合也将视为已被指明。Additionally, any identifying arrows in the accompanying drawings should be regarded as illustrative only and not restrictive unless expressly indicated otherwise. In addition, the term "or" as used herein is generally intended to mean "and/or" unless stated otherwise. Combinations of components or steps will also be considered to have been specified where the term is foreseen because the ability to provide separation or combination is unclear.
如在本文的描述和在下面整篇权利要求书中所用,除非另外指明,“一个(a)”、“一个(an)”和“该(the)”包括复数参考物。同样,如在本文的描述和在下面整篇权利要求书中所用,除非另外指明,“在…中(in)”的意思包括“在…中(in)”和“在…上(on)”。As used in the description herein and throughout the claims below, "a (a)," "an (an)," and "the (the)" include plural references unless otherwise indicated. Likewise, as used in the description herein and throughout the claims below, unless otherwise specified, the meaning of "in" includes "in" and "on" .
本发明所示实施例的上述描述(包括在说明书摘要中所述的内容)并非意在详尽列举或将本发明限制到本文所公开的精确形式。尽管在本文仅为说明的目的而描述了本发明的具体实施例和本发明的实例,但是正如本领域技术人员将认识和理解的,各种等效修改是可以在本发明的精神和范围内的。如所指出的,可以按照本发明所述实施例的上述描述来对本发明进行这些修改,并且这些修改将在本发明的精神和范围内。The above description of illustrated embodiments of the present invention, including what is described in the Abstract, is not intended to be exhaustive or to limit the invention to the precise form disclosed herein. While specific embodiments of, and examples for, the invention are described herein for illustrative purposes only, various equivalent modifications are possible within the spirit and scope of the invention, as those skilled in the art will recognize and appreciate of. As indicated, these modifications may be made to the present invention in light of the foregoing description of the described embodiments of the present invention and are intended to be within the spirit and scope of the present invention.
本文已经在总体上将系统和方法描述为有助于理解本发明的细节。此外,已经给出了各种具体细节以提供本发明实施例的总体理解。然而,相关领域的技术人员将会认识到,本发明的实施例可以在没有一个或多个具体细节的情况下进行实践,或者利用其它装置、系统、配件、方法、组件、材料、部分等进行实践。在其它情况下,并未特别示出或详细描述公知结构、材料和/或操作以避免对本发明实施例的各方面造成混淆。The systems and methods have generally been described herein with details that are helpful in understanding the invention. Furthermore, various specific details have been set forth in order to provide a general understanding of embodiments of the present invention. One skilled in the relevant art will recognize, however, that embodiments of the invention may be practiced without one or more of the specific details, or with other devices, systems, accessories, methods, components, materials, parts, etc. practice. In other instances, well-known structures, materials and/or operations have not been specifically shown or described in detail to avoid obscuring aspects of the embodiments of the invention.
因而,尽管本发明在本文已参照其具体实施例进行描述,但是修改自由、各种改变和替换意在上述公开内,并且应当理解,在某些情况下,在未背离所提出发明的范围和精神的前提下,在没有对应使用其他特征的情况下将采用本发明的一些特征。因此,可以进行许多修改,以使特定环境或材料适应本发明的实质范围和精神。本发明并非意在限制到在下面权利要求书中使用的特定术语和/或作为设想用以执行本发明的最佳方式公开的具体实施例,但是本发明将包括落入所附权利要求书范围内的任何和所有实施例及等同物。因而,本发明的范围将只由所附的权利要求书进行确定。Thus, although the invention has been described herein with reference to specific embodiments thereof, freedom of modification, various changes and substitutions are intended to be within the above disclosure, and it should be understood that, in certain circumstances, without departing from the scope and scope of the proposed invention, Some features of the present invention will be employed without the corresponding use of other features in the spirit of the present invention. Therefore, many modifications may be made to adapt a particular environment or material to the essential scope and spirit of the invention. It is not intended that the invention be limited to the specific terms used in the following claims and/or the specific embodiments disclosed as the best modes contemplated for carrying out the invention, but the invention is to be included within the scope of the appended claims any and all embodiments and equivalents within. Accordingly, the scope of the present invention should be determined only by the appended claims.
| Application Number | Priority Date | Filing Date | Title |
|---|---|---|---|
| CN202011235571.5ACN112103332B (en) | 2020-11-09 | 2020-11-09 | A kind of static random access memory and its manufacturing method |
| Application Number | Priority Date | Filing Date | Title |
|---|---|---|---|
| CN202011235571.5ACN112103332B (en) | 2020-11-09 | 2020-11-09 | A kind of static random access memory and its manufacturing method |
| Publication Number | Publication Date |
|---|---|
| CN112103332Atrue CN112103332A (en) | 2020-12-18 |
| CN112103332B CN112103332B (en) | 2021-04-27 |
| Application Number | Title | Priority Date | Filing Date |
|---|---|---|---|
| CN202011235571.5AActiveCN112103332B (en) | 2020-11-09 | 2020-11-09 | A kind of static random access memory and its manufacturing method |
| Country | Link |
|---|---|
| CN (1) | CN112103332B (en) |
| Publication number | Priority date | Publication date | Assignee | Title |
|---|---|---|---|---|
| CN114758986A (en)* | 2022-06-14 | 2022-07-15 | 晶芯成(北京)科技有限公司 | Preparation method of semiconductor device |
| CN114783947A (en)* | 2022-06-20 | 2022-07-22 | 晶芯成(北京)科技有限公司 | Semiconductor device and method of making the same |
| WO2023165000A1 (en)* | 2022-03-02 | 2023-09-07 | 长鑫存储技术有限公司 | Semiconductor structure and method for manufacturing semiconductor structure |
| US12363951B2 (en) | 2022-03-02 | 2025-07-15 | Changxin Memory Technologies, Inc. | Semiconductor structure and method for fabricating semiconductor structure |
| Publication number | Priority date | Publication date | Assignee | Title |
|---|---|---|---|---|
| CN101106131A (en)* | 2005-12-27 | 2008-01-16 | 台湾积体电路制造股份有限公司 | Semiconductor structure and forming method thereof |
| US20130119469A1 (en)* | 2011-11-16 | 2013-05-16 | Renesas Electronics Corporation | Semiconductor device |
| CN103515433A (en)* | 2012-06-26 | 2014-01-15 | 中芯国际集成电路制造(上海)有限公司 | NMOS transistor and formation method thereof, and SRAM memory cell circuit |
| CN105378935A (en)* | 2013-07-16 | 2016-03-02 | 德克萨斯仪器股份有限公司 | Integrated circuit and method of forming the same |
| CN106257672A (en)* | 2015-06-18 | 2016-12-28 | 中芯国际集成电路制造(上海)有限公司 | Manufacturing method of semiconductor device, semiconductor device and electronic installation |
| CN107424998A (en)* | 2016-05-24 | 2017-12-01 | 瑞萨电子株式会社 | The manufacture method of semiconductor devices and semiconductor devices |
| Publication number | Priority date | Publication date | Assignee | Title |
|---|---|---|---|---|
| CN101106131A (en)* | 2005-12-27 | 2008-01-16 | 台湾积体电路制造股份有限公司 | Semiconductor structure and forming method thereof |
| US20130119469A1 (en)* | 2011-11-16 | 2013-05-16 | Renesas Electronics Corporation | Semiconductor device |
| CN103515433A (en)* | 2012-06-26 | 2014-01-15 | 中芯国际集成电路制造(上海)有限公司 | NMOS transistor and formation method thereof, and SRAM memory cell circuit |
| CN105378935A (en)* | 2013-07-16 | 2016-03-02 | 德克萨斯仪器股份有限公司 | Integrated circuit and method of forming the same |
| CN106257672A (en)* | 2015-06-18 | 2016-12-28 | 中芯国际集成电路制造(上海)有限公司 | Manufacturing method of semiconductor device, semiconductor device and electronic installation |
| CN107424998A (en)* | 2016-05-24 | 2017-12-01 | 瑞萨电子株式会社 | The manufacture method of semiconductor devices and semiconductor devices |
| Publication number | Priority date | Publication date | Assignee | Title |
|---|---|---|---|---|
| WO2023165000A1 (en)* | 2022-03-02 | 2023-09-07 | 长鑫存储技术有限公司 | Semiconductor structure and method for manufacturing semiconductor structure |
| US12363951B2 (en) | 2022-03-02 | 2025-07-15 | Changxin Memory Technologies, Inc. | Semiconductor structure and method for fabricating semiconductor structure |
| CN114758986A (en)* | 2022-06-14 | 2022-07-15 | 晶芯成(北京)科技有限公司 | Preparation method of semiconductor device |
| CN114758986B (en)* | 2022-06-14 | 2022-09-16 | 晶芯成(北京)科技有限公司 | Method for manufacturing semiconductor device |
| CN114783947A (en)* | 2022-06-20 | 2022-07-22 | 晶芯成(北京)科技有限公司 | Semiconductor device and method of making the same |
| CN114783947B (en)* | 2022-06-20 | 2022-10-11 | 晶芯成(北京)科技有限公司 | Semiconductor device and method of making the same |
| Publication number | Publication date |
|---|---|
| CN112103332B (en) | 2021-04-27 |
| Publication | Publication Date | Title |
|---|---|---|
| CN112103332B (en) | A kind of static random access memory and its manufacturing method | |
| US7566620B2 (en) | DRAM including a vertical surround gate transistor | |
| CN109427677B (en) | Semiconductor structure and method of forming the same | |
| US6242809B1 (en) | Integrated circuit memory devices including titanium nitride bit lines | |
| US20220352365A1 (en) | Semiconductor Device and Method | |
| CN102148199A (en) | Method for manufacturing Static Random Access Memory and method for manufacturing semiconductor device | |
| CN110660673B (en) | Semiconductor structures and methods of forming them | |
| CN115295494B (en) | Manufacturing method of semiconductor structure | |
| CN108305876A (en) | Semiconductor device and method for fabricating the same | |
| CN112038294A (en) | Semiconductor device and manufacturing method thereof | |
| CN110310926B (en) | Method for Solving the Formation of Metal Silicide Defects in SRAM Cell Devices | |
| WO2023060796A1 (en) | Semiconductor structure and manufacturing method therefor | |
| TW201417245A (en) | Semiconductor structure and its forming method, SRAM storage unit, SRAM storage | |
| JP5432379B2 (en) | Semiconductor device | |
| KR100309799B1 (en) | method for manufacturing of semiconductor device | |
| TWI794055B (en) | Memory device having word lines with improved resistance and manufacturing method thereof | |
| CN116471832A (en) | Method for manufacturing memory element | |
| JP5861196B2 (en) | Semiconductor device | |
| US10847520B2 (en) | Static random access memory and fabrication methods thereof | |
| CN101136364A (en) | Semiconductor device and method for manufacturing dynamic random access memory | |
| KR100495858B1 (en) | Method of manufacturing a semiconductor device | |
| TW202504111A (en) | Semiconductor device and method for manufacturing the same | |
| JP2000323480A (en) | Method of manufacturing semiconductor integrated circuit device and semiconductor integrated circuit device | |
| CN115332181A (en) | Semiconductor structure and preparation method thereof | |
| CN120166694A (en) | Method for manufacturing a semiconductor device |
| Date | Code | Title | Description |
|---|---|---|---|
| PB01 | Publication | ||
| PB01 | Publication | ||
| SE01 | Entry into force of request for substantive examination | ||
| SE01 | Entry into force of request for substantive examination | ||
| GR01 | Patent grant | ||
| GR01 | Patent grant |