





技术领域technical field
本发明属于医疗器材技术领域,特别涉及一种阴茎海绵体灌洗装置及其使用方法。The invention belongs to the technical field of medical equipment, and particularly relates to a penis cavernous body irrigation device and a using method thereof.
背景技术Background technique
阴茎异常勃起是泌尿男科常见的急症之一,根据其血流动力学特点临床上将其分为低流量性 (缺血性或静脉性) 和高流量性 (非缺血性或动脉性),其中以低流量性最为常见, 约占总发病率的95%。由于高流量性阴茎异常勃起仍有一定的血供,因此阴茎短时间内不易坏死,而低流量性阴茎持续缺血血氧,如不能得到及时处理,将导致阴茎海绵体组织缺血坏死、海绵体纤维化、继发勃起功能障碍等不可逆性的病理生理变化。因此,针对低流量性阴茎异常勃起,需要快速准确的诊断和急诊手术处理。Priapism is one of the common emergencies in urology andrology. It is clinically divided into low-flow (ischemic or venous) and high-flow (non-ischemic or arterial) according to its hemodynamic characteristics. Among them, low flow is the most common, accounting for about 95% of the total incidence. Because high-flow priapism still has a certain blood supply, the penis is not prone to necrosis in a short period of time, while low-flow penis continues to be ischemia and blood oxygen. Irreversible pathophysiological changes such as body fibrosis and secondary erectile dysfunction. Therefore, rapid and accurate diagnosis and emergency surgical management are required for low-flow priapism.
临床上鉴别高流量性和低流量性的阴茎异常勃起的要点是:皮温、勃起硬度、疼痛程度和血气分析,低流量性阴茎异常勃起的皮温冰凉、硬度高(4度)、疼痛程度重,阴茎海绵体内的血气分析结果接近静脉血。The main points to clinically distinguish high-flow and low-flow priapism are: skin temperature, erection hardness, pain degree and blood gas analysis, low-flow priapism skin temperature is cold, high hardness (4 degrees), pain degree Heavy, blood gas analysis results in the corpus cavernosum are close to venous blood.
一旦诊断为低流量性阴茎异常勃起需进行阴茎海绵体灌洗治疗,灌洗治疗操作为:用两根注射器16号针头分别穿刺两侧阴茎海绵体远端,然后反复抽吸阴茎海绵体淤血;于阴茎两侧海绵体根部再穿刺两支16号针头予肝素化生理盐水反复冲洗,直到阴茎海绵体冲洗液转为淡红色。治疗过程中需关注出血量并监测生命体征以防出现出血性休克,如阴茎恢复疲软,观察30min未再次勃起表示治疗成功,如再次勃起则需进行再次灌洗。由上述灌洗操作可见,目前临床上灌洗治疗时操作繁琐常常需要两名医生配合,大大浪费了人力资源甚至在人力缺乏时会延误患者的治疗。因此,亟需一种阴茎海绵体灌洗装置及其使用方法,提高灌洗治疗的操作简便性。Once diagnosed as low-flow priapism, lavage of the corpus cavernosum should be performed. The lavage treatment operation is as follows: use two 16-gauge needles of two syringes to puncture the distal ends of the corpus cavernosum respectively, and then repeatedly suction the corpus cavernosum for congestion; Two 16-gauge needles were punctured at the root of the corpus cavernosum on both sides of the penis and washed repeatedly with heparinized saline until the corpus cavernosum irrigation fluid turned pale red. During the treatment, it is necessary to pay attention to the amount of bleeding and monitor the vital signs to prevent hemorrhagic shock. If the penis recovers to weakness, the treatment is successful if the penis is not erected again after 30 minutes. It can be seen from the above lavage operation that the current clinical lavage treatment is cumbersome and often requires the cooperation of two doctors, which greatly wastes human resources and even delays the treatment of patients when there is a lack of manpower. Therefore, there is an urgent need for a penis corpus cavernosum irrigation device and a method for using the same, which can improve the ease of operation of the irrigation treatment.
发明内容SUMMARY OF THE INVENTION
本发明的技术目的在于针对上述现有技术的不足,提供一种结构简单、可单人操作的阴茎海绵体灌洗装置及其使用方法。The technical purpose of the present invention is to aim at the above-mentioned deficiencies of the prior art, and to provide a penis cavernous lavage device with a simple structure and can be operated by a single person and a method of using the same.
为实现上述技术目的,本发明采取的技术方案为:一种阴茎海绵体灌洗装置,包括透明阴茎固定罩、灌洗装置和抽吸检测装置,透明阴茎固定罩与人体阴茎套设连接,透明阴茎固定罩的上下部分别开设有上针孔和下针孔,灌洗装置通过灌洗针头与上针孔或下针孔插嵌连接,用于刺入阴茎海绵体灌注冲洗液,相对于灌洗装置,抽吸检测装置通过抽吸针头与下针孔或上针孔插嵌连接,用于抽吸并检测阴茎海绵体冲洗液。In order to achieve the above-mentioned technical purpose, the technical scheme adopted by the present invention is: a penis cavernous body irrigation device, comprising a transparent penis fixing cover, a lavage device and a suction detection device, the transparent penis fixing cover is connected with the human penis sleeve, and the transparent penis fixing cover is connected with the human condom. The upper and lower parts of the penis fixation cover are respectively provided with an upper pinhole and a lower pinhole, and the lavage device is inserted and connected to the upper pinhole or the lower pinhole through the lavage needle, and is used to pierce the corpus cavernosum to perfuse the irrigation liquid. Washing device, the suction detection device is inserted and connected to the lower needle hole or the upper needle hole through the suction needle, and is used for suction and detection of the irrigation fluid of the corpus cavernosum of the penis.
进一步地,所述透明阴茎固定罩包括可伸缩透明阴茎外罩和阴阜罩,所述透明阴茎固定罩固接在阴阜罩顶部,且透明阴茎固定罩与阴阜罩内部连通,所述阴阜罩与阴阜粘结连接。Further, the transparent penis fixing cover includes a retractable transparent penis outer cover and a mons pubis cover. The cover is bonded to the mons pubis.
进一步地,所述可伸缩透明阴茎外罩包括上空心半球壳、下空心圆柱壳和可伸缩连接管,所述上空心半球壳和下空心圆柱壳通过可伸缩连接管相连接,在压缩状态下,所述可伸缩连接管内径大于等于下空心圆柱壳内径,所述下空心圆柱壳内径与上空心半球壳内径相同,所述上针孔和下针孔分别开设于下空心圆柱壳的侧壁上下端且针孔横向贯穿下空心圆柱壳内外侧。Further, the retractable transparent penis cover comprises an upper hollow hemispherical shell, a lower hollow cylindrical shell and a telescopic connecting pipe, and the upper hollow hemispherical shell and the lower hollow cylindrical shell are connected by the telescopic connecting pipe, and in a compressed state, The inner diameter of the telescopic connecting pipe is greater than or equal to the inner diameter of the lower hollow cylindrical shell, the inner diameter of the lower hollow cylindrical shell is the same as the inner diameter of the upper hollow hemispherical shell, and the upper pinhole and the lower pinhole are respectively opened on the upper and lower sides of the side wall of the lower hollow cylindrical shell. and the pinhole transversely penetrates the inner and outer sides of the lower hollow cylindrical shell.
进一步地,所述下空心圆柱壳为双层空心圆柱壳,所述上空心半球壳和双层空心圆柱壳的外层采用透明硬塑料,双层空心圆柱壳的内层采用软硅胶,所述可伸缩连接管采用透明塑料软管,所述阴阜罩采用乳胶材质,阴阜罩内侧设有自粘胶,所述自粘胶上覆有一层薄膜,揭开薄膜,所述阴阜罩通过自粘胶贴附于阴阜上。Further, the lower hollow cylindrical shell is a double-layer hollow cylindrical shell, the outer layers of the upper hollow hemispherical shell and the double-layered hollow cylindrical shell are made of transparent hard plastic, and the inner layer of the double-layered hollow cylindrical shell is made of soft silica gel. The retractable connecting tube adopts a transparent plastic hose, the mons pubis cover is made of latex material, and the inner side of the mons pubis cover is provided with self-adhesive glue, the self-adhesive glue is covered with a layer of film, and the film is uncovered, and the mons pubis cover passes through. The self-adhesive is attached to the mons pubis.
进一步地,所述上针孔和下针孔横向开设于双层空心圆柱壳侧壁上下部,且上针孔和下针孔均横向贯穿双层空心圆柱壳的内外侧壁,并与双层空心圆柱壳的内外侧壁之间注水层相密封隔离,所述双层空心圆柱壳的外层侧壁还开设有注水口,外部冷水通过注水口以向注水层注水,并通过密封水孔盖密封,注水后双层空心圆柱壳内层可紧贴皮肤。Further, the upper pinhole and the lower pinhole are laterally opened on the upper and lower parts of the sidewall of the double-layer hollow cylindrical shell, and the upper and lower pinholes both penetrate the inner and outer sidewalls of the double-layer hollow cylindrical shell laterally, and are connected with the double-layer hollow cylindrical shell. The water injection layer is sealed and isolated between the inner and outer side walls of the hollow cylindrical shell, the outer side wall of the double-layer hollow cylindrical shell is also provided with a water injection port, and the external cold water passes through the water injection port to inject water into the water injection layer, and passes through the sealing water hole cover. Sealed, the inner layer of the double-layer hollow cylindrical shell can be close to the skin after water injection.
进一步地,所述灌洗装置包括灌洗注射器、药液灌注器、第一输液用三通和灌洗针头,所述第一输液用三通包括T型塑料三通管和T型调节阀,所述T型调节阀的T型转板底部设有内圆柱管,且内圆柱管上开设有T型分布的三个通孔,所述T型塑料三通管包括外圆柱管和T型分布的A接口、B接口和C接口,且A接口和C接口同轴线,所述T型调节阀通过内圆柱管可转动安装在T型塑料三通管的外圆柱管中,所述灌洗注射器、药液灌注器和灌洗针头分别连接第一输液用三通的A接口、B接口和C接口,并通过T型调节阀控制接口通断,所述灌洗针头的尺寸与上针孔相匹配,所述灌洗针头穿设上针孔插入阴茎海绵体中。Further, the lavage device includes a lavage syringe, a medicinal solution injector, a first tee for infusion, and a lavage needle, and the first tee for infusion includes a T-shaped plastic tee tube and a T-shaped regulating valve, The bottom of the T-shaped turning plate of the T-shaped regulating valve is provided with an inner cylindrical tube, and the inner cylindrical tube is provided with three through holes with a T-shaped distribution. The T-shaped plastic three-way tube includes an outer cylindrical tube and a T-shaped distribution. A port, B port and C port, and the A port and C port are coaxial, the T-type regulating valve is rotatably installed in the outer cylindrical pipe of the T-type plastic three-way pipe through the inner cylindrical pipe, and the irrigation The syringe, the liquid medicine syringe and the lavage needle are respectively connected to the A port, the B port and the C port of the first infusion three-way, and the on-off of the port is controlled by the T-shaped regulating valve. The size of the lavage needle is the same as the upper needle hole. Matchingly, the lavage needle is inserted into the corpus cavernosum through an upper needle hole.
进一步地,所述灌洗注射器采用规格为50mL的注射器,所述药液灌注器采用规格为5mL的注射器。Further, the lavage syringe adopts a syringe with a specification of 50 mL, and the medicinal liquid injector adopts a syringe with a specification of 5 mL.
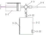
进一步地,所述抽吸检测装置包括抽吸注射器、透明储液瓶、第二输液用三通和抽吸针头,所述第二输液用三通与第一输液用三通结构相同,所述抽吸注射器、透明储液瓶和抽吸针头分别连接第二输液用三通的A接口、B接口和C接口,并通过T型调节阀控制接口通断,所述抽吸针头的尺寸与下针孔相匹配,所述抽吸针头穿设下针孔插入阴茎海绵体中,所述透明储液瓶上设置有体积刻度标和比色条, 所述灌洗针头和抽吸针头还分别配设有无菌针帽,所述上针孔和下针孔上分别配设有上密封孔盖和下密封孔盖。Further, the suction detection device includes a suction syringe, a transparent liquid storage bottle, a second infusion tee and a suction needle, and the second infusion tee has the same structure as the first infusion tee. The suction syringe, the transparent liquid storage bottle and the suction needle are respectively connected to the A interface, B interface and C interface of the second infusion tee, and the on-off of the interface is controlled by a T-shaped regulating valve. The size of the suction needle is the same as the lower one. The pinholes are matched, the suction needle is inserted through the lower pinhole and inserted into the corpus cavernosum, the transparent liquid storage bottle is provided with a volume scale and a colorimetric bar, and the lavage needle and the suction needle are also equipped with A sterile needle cap is provided, and an upper sealing hole cover and a lower sealing hole cover are respectively arranged on the upper needle hole and the lower needle hole.
本发明还提供了上述阴茎海绵体灌洗装置的使用方法,包括以下步骤:The present invention also provides the using method of the above-mentioned corpus cavernosum irrigation device, comprising the following steps:
S1、打开注水口,外部冷水通过水管连接注水口,将冷水注入注水层中,注水结束后,通过密封水孔盖密封注水口;S1. Open the water injection port, the external cold water is connected to the water injection port through the water pipe, and the cold water is injected into the water injection layer. After the water injection is completed, the water injection port is sealed by the sealing water hole cover;
S2、透明阴茎固定罩固定人体阴茎:将阴茎由阴阜罩下侧向上穿入可伸缩透明阴茎外罩中,并将阴阜罩粘结在阴阜上,根据阴茎勃起高度,拉伸可伸缩连接管以调节透明阴茎固定罩至适宜高度;S2. Fixing the human penis with the transparent penis fixing cover: insert the penis from the lower side of the mons pubis cover into the retractable transparent penis cover, and bond the mons pubis cover on the mons pubis, and stretch and retract the connection according to the erection height of the penis. tube to adjust the transparent penis fixation cover to the appropriate height;
S3、配置冲洗液:旋转T型调节阀至T型塑料三通管的内圆柱管无通孔侧朝向灌洗针头,此时第一输液用三通的C接口堵住,A接口和B接口接通,利用药液灌注器和灌洗注射器的推拉配合将冲洗液或配置的药液混合均匀并存储在灌洗注射器中;S3. Configure flushing fluid: Rotate the T-shaped regulating valve until the inner cylindrical tube of the T-shaped plastic tee has no through-hole side facing the irrigating needle. At this time, the first infusion is blocked with the C interface of the tee, the A interface and the B interface Turn on, use the push-pull cooperation of the liquid medicine injector and the irrigation syringe to mix the irrigation liquid or the configured liquid medicine evenly and store it in the irrigation syringe;
S4、灌洗装置连接透明阴茎固定罩:冲洗液配置完成后,将灌洗装置的灌洗针头通过上针孔刺入人体阴茎海绵体中,旋转T型调节阀至T型塑料三通管的内圆柱管无通孔侧朝向药液灌注器,此时第一输液用三通的A接口和C接口接通,B接口堵住;S4. The lavage device is connected to the transparent penis fixing cover: after the irrigant liquid configuration is completed, the lavage needle of the lavage device is inserted into the corpus cavernosum of the human penis through the upper needle hole, and the T-shaped regulating valve is rotated to the end of the T-shaped plastic three-way pipe. The non-through hole side of the inner cylindrical tube faces the liquid medicine infuser. At this time, the A interface and the C interface of the first infusion tee are connected, and the B interface is blocked;
S5、抽吸检测装置连接透明阴茎固定罩:将旋转T型调节阀至T型塑料三通管的内圆柱管无通孔侧朝向抽吸注射器,此时第二输液用三通的A接口堵住,第二输液用三通的B接口和C接口连通,第二输液用三通发挥引流作用,将抽吸检测装置的抽吸针头通过下针孔刺入人体阴茎海绵体中,透明储液瓶支撑于水平台面上;S5. The suction detection device is connected to the transparent penis fixing cover: turn the T-shaped regulating valve to the inner cylindrical tube of the T-shaped plastic tee without a through-hole side facing the suction syringe. At this time, the second infusion is blocked by the A port of the tee. Hold, the B interface and C interface of the tee for the second infusion are connected, and the tee for the second infusion plays the role of drainage, and the suction needle of the suction detection device is pierced into the corpus cavernosum of the human penis through the lower needle hole, and the liquid is transparently stored. The bottle is supported on the water platform;
S6、灌洗装置联动抽吸检测装置灌洗检测人体阴茎海绵体:内推灌洗装置的灌洗注射器使冲洗液注入人体阴茎海绵体中,人体阴茎海绵体中的冲洗液和血液混合液通过抽吸针头和第二输液用三通引流至透明储液瓶中,在混合液引流过程中,通过比色条和体积刻度标,可以评估混合液引流量和颜色,如此反复,直至混合液转为淡红色;S6. The lavage device is linked with the suction detection device to lavage and detect the corpus cavernosum of the human penis: the irrigation syringe of the lavage device is pushed inward to inject the irrigation fluid into the corpus cavernosum of the human penis, and the irrigation fluid and the blood mixture in the corpus cavernosum of the human penis pass through The suction needle and the tee for the second infusion are drained into the transparent storage bottle. During the drainage of the mixed solution, the drainage volume and color of the mixed solution can be evaluated through the colorimetric bar and volume scale. Repeat this until the mixed solution turns. light red;
S7、灌洗结束后,将灌洗针头和抽吸针头分别从透明阴茎固定罩上拔出,并将透明阴茎固定罩从阴茎上撕下,然后用止血棉按压阴茎海绵体上针孔至不出血。S7. After lavage is completed, pull out the lavage needle and the suction needle from the transparent penis fixing cover respectively, tear off the transparent penis fixing cover from the penis, and then press the pinhole on the corpus cavernosum with a hemostatic cotton until no more bleeding.
进一步地,所述灌洗装置和抽吸检测装置上下位置可调,即灌洗装置通过灌洗针头连接下针孔,抽吸检测装置通过抽吸针头连接上针头,则冲洗液从阴茎海绵体下端冲入,并由上端引流至透明储液瓶中。Further, the upper and lower positions of the irrigation device and the suction detection device can be adjusted, that is, the irrigation device is connected to the lower needle hole through the irrigation needle, and the suction detection device is connected to the needle through the suction needle, so that the irrigation fluid is removed from the corpus cavernosum. The lower end is flushed in, and the upper end is drained into the transparent storage bottle.
本发明的有益效果:Beneficial effects of the present invention:
1)本发明提供的阴茎海绵体灌洗装置结构简单,通过透明阴茎固定罩固定人体阴茎,通过灌洗装置和抽吸检测装置上下联动配合以灌洗阴茎海绵体,而且抽吸检测装置的透明储液瓶上设有比色条和体积刻度标,可实时观测阴茎海绵体中流出液的颜色和流出量,便于评估出血量,判断灌洗操作的结束时间,操作简单,功能完善,而且灌洗过程可单人操作,节省人力;1) The penis corpus cavernosum irrigation device provided by the present invention has a simple structure, the human penis is fixed by a transparent penis fixing cover, and the lavage device and the suction detection device are linked up and down to irrigate the penis cavernous body, and the suction detection device is transparent. The liquid storage bottle is provided with a colorimetric bar and a volume scale, which can observe the color and outflow volume of the effusion in the corpus cavernosum in real time, which is convenient for evaluating the amount of bleeding and judging the end time of the lavage operation. The washing process can be operated by one person, saving manpower;
2)透明阴茎固定罩由可伸缩透明阴茎外罩和阴阜罩组成,通过拉伸可伸缩连接管可调节可伸缩透明阴茎外罩的高度,进而适用于不同勃起高度阴茎的稳定固定,设计合理,适用范围广;2) The transparent penis fixing cover is composed of a retractable transparent penis cover and a mons pubis cover. The height of the retractable transparent penis cover can be adjusted by stretching the retractable connecting tube, which is suitable for the stable fixation of the penis with different erection heights. The design is reasonable and suitable for wide range;
3)透明阴茎固定罩的下空心圆柱壳设计含中间注水层的双层结构,且双层下空心圆柱壳的外层侧壁开设注水孔,灌洗前外部冷水通过注水口注入注水层后密封,下空心圆柱壳内层采用软硅胶,注水后可紧贴皮肤,对阴茎固定更牢靠,灌洗时,注水层中灌注的冰水与人体阴茎海绵体接触可发挥冷敷作用,减缓血流,抑制勃起,减少出血,减轻疼痛。3) The lower hollow cylindrical shell of the transparent penis fixing cover is designed with a double-layer structure with a middle water injection layer, and the outer side wall of the double-layer lower hollow cylindrical shell is provided with water injection holes. Before lavage, the external cold water is injected into the water injection layer through the water injection port and then sealed. , The inner layer of the lower hollow cylindrical shell is made of soft silica gel, which can be close to the skin after water injection, and can be more firmly fixed to the penis. During lavage, the ice water perfused in the water injection layer contacts the cavernous body of the human penis, which can play a cold compress effect and slow down blood flow. Suppresses erection, reduces bleeding and relieves pain.
附图说明Description of drawings
图1是本发明实施例1的阴茎海绵体灌洗装置结构示意图;Fig. 1 is the structural representation of the corpus cavernosum lavage device of the embodiment of the present invention 1;
图2是图1的灌洗装置配药状态示意图;Fig. 2 is the schematic diagram of the dispensing state of the irrigation device of Fig. 1;
图3是图1的抽吸装置直接引流状态示意图;Fig. 3 is the schematic diagram of the direct drainage state of the suction device of Fig. 1;
图4是图1的可伸缩透明阴茎外罩结构示意图;Fig. 4 is the structural representation of the retractable transparent penis cover of Fig. 1;
图5是本发明实施例1的阴茎海绵体灌洗装置使用状态图;Fig. 5 is the use state diagram of the corpus cavernosum lavage device of the embodiment of the present invention 1;
图6是本发明实施例2的阴茎海绵体灌洗装置使用状态图。Fig. 6 is a state diagram of the use state of the penis corpus cavernosum irrigation device according to the second embodiment of the present invention.
其中的附图标记为:透明阴茎固定罩1、可伸缩透明阴茎外罩1-1、上空心半球壳1-11、下空心圆柱壳1-12、上针孔1-121、下针孔1-122、注水层1-123、注水口1-124、上密封孔盖1-125、下密封孔盖1-126、可伸缩连接管1-13、阴阜罩1-2、灌洗装置2、灌洗注射器2-1、药液灌注器2-2、第一输液用三通2-3、T型塑料三通管2-31、T型调节阀2-32、灌洗针头2-4、抽吸检测装置3、抽吸注射器3-1、透明储液瓶3-2、体积刻度标3-21、比色条3-22、第二输液用三通3-3、抽吸针头3-4。The reference signs are: transparent penis fixing cover 1, retractable transparent penis outer cover 1-1, upper hollow hemispherical shell 1-11, lower hollow cylindrical shell 1-12, upper pinhole 1-121, lower pinhole 1- 122. Water injection layer 1-123, water injection port 1-124, upper sealing hole cover 1-125, lower sealing hole cover 1-126, retractable connecting pipe 1-13, mons mons hood 1-2,
具体实施方式Detailed ways
为了使本领域技术人员更好地理解本发明的技术方案,下面结合附图对本发明作进一步说明。In order to make those skilled in the art better understand the technical solutions of the present invention, the present invention is further described below with reference to the accompanying drawings.
如图1~4所示,本发明的一种阴茎海绵体灌洗装置,包括透明阴茎固定罩1、灌洗装置2和抽吸检测装置3,透明阴茎固定罩1包括可伸缩透明阴茎外罩1-1和阴阜罩1-2,透明阴茎固定罩1固接在阴阜罩1-2顶部,且透明阴茎固定罩1与阴阜罩1-2内部连通,可伸缩透明阴茎外罩1-1包括上空心半球壳1-11、下空心圆柱壳1-12和可伸缩连接管1-13,上空心半球壳1-11和下空心圆柱壳1-12通过可伸缩连接管1-13相连接,在压缩状态下,可伸缩连接管1-13内径大于等于下空心圆柱壳1-12内径,下空心圆柱壳1-11内径与上空心半球壳1-11内径相同,下空心圆柱壳1-12为双层空心圆柱壳,上空心半球壳1-11和双层空心圆柱壳的外层采用透明硬塑料,双层空心圆柱壳的内层采用软硅胶,可伸缩连接管1-13采用透明塑料软管,阴阜罩1-2采用乳胶材质,阴阜罩1-2内侧设有自粘胶,自粘胶上覆有一层薄膜,使用时阴茎从阴阜罩1-2下侧向上穿入可伸缩透明阴茎外罩1-1中,揭开薄膜,阴阜罩1-2通过自粘胶粘结在阴阜上,上针孔1-121和下针孔1-122横向开设于双层空心圆柱壳侧壁上下部,且上针孔1-121和下针孔1-122均横向贯穿双层空心圆柱壳的内外侧壁,并与双层空心圆柱壳的内外侧壁之间注水层1-123相密封隔离,保证灌洗针头2-4和抽吸针头3-4分别由上针孔1-121和下针孔1-122穿入下空心圆柱壳1-12内壁内侧的空腔中而不穿设注水层1-123,双层空心圆柱壳的外层侧壁还开设有注水口1-124,外部流水通过水管连接注水口1-124以向注水层1-123注水,并通过密封水孔盖密封,上针孔1-121和下针孔1-122上分别配设有上密封孔盖1-125和下密封孔盖1-126,灌洗装置2通过灌洗针头2-4与上针孔1-121插嵌连接,用于刺入阴茎海绵体灌注冲洗液,抽吸检测装置3通过抽吸针头3-4与下针孔1-122插嵌连接,用于抽吸并检测阴茎海绵体冲洗液。As shown in Figures 1 to 4, a penis cavernous body irrigation device of the present invention includes a transparent penis fixing cover 1, an irrigation device 2 and a suction detection device 3, and the transparent penis fixing cover 1 includes a retractable transparent penis outer cover 1 -1 and the mons pubis cover 1-2, the transparent penis fixing cover 1 is fixed on the top of the mons pubis cover 1-2, and the transparent penis fixing cover 1 is communicated with the inside of the mons pubis cover 1-2, the retractable transparent penis cover 1-1 Including the upper hollow hemispherical shell 1-11, the lower hollow cylindrical shell 1-12 and the telescopic connecting pipe 1-13, the upper hollow hemispherical shell 1-11 and the lower hollow cylindrical shell 1-12 are connected by the telescopic connecting pipe 1-13 , In the compressed state, the inner diameter of the retractable connecting pipe 1-13 is greater than or equal to the inner diameter of the lower hollow cylindrical shell 1-12, the inner diameter of the lower hollow cylindrical shell 1-11 is the same as the inner diameter of the upper hollow hemispherical shell 1-11, and the lower hollow cylindrical shell 1- 12 is a double-layer hollow cylindrical shell, the upper hollow hemispherical shell 1-11 and the outer layer of the double-layer hollow cylindrical shell are made of transparent hard plastic, the inner layer of the double-layer hollow cylindrical shell is made of soft silica gel, and the retractable connecting pipe 1-13 is made of transparent Plastic hose, the mons pubis cover 1-2 is made of latex material, the inner side of the mons mons cover 1-2 is provided with self-adhesive, and the self-adhesive is covered with a layer of film. Enter the retractable transparent penis cover 1-1, uncover the film, the mons pubis cover 1-2 is bonded on the mons pubis by self-adhesive glue, and the upper pinhole 1-121 and the lower pinhole 1-122 are horizontally opened in the double layer. The upper and lower parts of the side walls of the hollow cylindrical shell, and the upper pinholes 1-121 and the lower pinholes 1-122 both transversely penetrate the inner and outer side walls of the double-layer hollow cylindrical shell, and a water injection layer is formed between the inner and outer side walls of the double-layer hollow cylindrical shell. 1-123 are sealed and isolated to ensure that the lavage needle 2-4 and the suction needle 3-4 respectively penetrate the cavity inside the inner wall of the lower hollow cylindrical shell 1-12 through the upper needle hole 1-121 and the lower needle hole 1-122. The water injection layer 1-123 is not penetrated in the middle, and the water injection port 1-124 is also opened on the outer side wall of the double-layer hollow cylindrical shell. It is sealed by the sealing water hole cover. The upper pinhole 1-121 and the lower pinhole 1-122 are respectively equipped with an upper sealing hole cover 1-125 and a lower sealing hole cover 1-126. The
如图2所示,灌洗装置2包括灌洗注射器2-1、药液灌注器2-2、第一输液用三通2-3和灌洗针头2-4,灌洗注射器2-1采用规格为50mL的注射器,药液灌注器2-2采用规格为5mL的注射器,第一输液用三通2-3包括T型塑料三通管2-31和T型调节阀2-32,T型调节阀2-32的T型转板底部设有内圆柱管,且内圆柱管上开设有T型分布的三个通孔,T型塑料三通管2-31包括外圆柱管和T型分布的A接口、B接口和C接口,且A接口和C接口同轴线,T型调节阀2-32通过内圆柱管可转动安装在T型塑料三通管2-31的外圆柱管中,灌洗注射器2-1、药液灌注器2-2和灌洗针头2-4分别连接第一输液用三通2-3的A接口、B接口和C接口,并通过T型调节阀2-32控制接口通断,灌洗针头2-4的尺寸与上针孔1-121相匹配,灌洗针头2-4穿设上针孔1-121插入阴茎海绵体中。As shown in FIG. 2 , the
如图3所示,抽吸检测装置3包括抽吸注射器3-1、透明储液瓶3-2、第二输液用三通3-3和抽吸针头3-4,第二输液用三通3-3与第一输液用三通2-3结构相同,抽吸注射器3-1、透明储液瓶3-2和抽吸针头3-4分别连接第二输液用三通3-3的A接口、B接口和C接口,并通过T型调节阀2-32控制接口通断,抽吸针头3-4的尺寸与下针孔1-122相匹配,抽吸针头3-4穿设下针孔1-122插入阴茎海绵体中,透明储液瓶3-2上设置有体积刻度标3-21和比色条3-22。As shown in FIG. 3 , the
其中,灌洗针头2-4和抽吸针头3-4还分别配设有无菌针帽。Wherein, the lavage needles 2-4 and the suction needles 3-4 are respectively equipped with sterile needle caps.
本实施例中,第二输液用三通3-3与第一输液用三通2-3结构相同,且可直接由市场购买得到,如海氏海诺品牌的输液用三通。In this embodiment, the second infusion tee 3-3 has the same structure as the first infusion tee 2-3, and can be purchased directly from the market, such as the infusion tee of the Heinuo brand.
进一步地,为更清楚的观测从阴茎海绵体中流出的冲洗液和血液混合液颜色,可在透明储液瓶3-2的瓶口侧壁上也标注比色条3-22。Further, in order to more clearly observe the color of the mixture of flushing liquid and blood flowing out of the corpus cavernosum, a colorimetric bar 3-22 can also be marked on the side wall of the bottle mouth of the transparent liquid storage bottle 3-2.
参阅图5,本实施例的阴茎海绵体灌洗装置灌洗阴茎海绵体的方法,包括以下步骤:Referring to Fig. 5, the method for lavage of the corpus cavernosum of the penis lavage device of the present embodiment comprises the following steps:
S1、打开注水口1-124,外部冷水通过水管连接注水口1-124,将冷水注入注水层1-123中,注水结束后,通过密封水孔盖密封注水口1-124;其中,外部冷水可通过水管或注射器连接注水口1-124以向注水层1-123注水;S1. Open the water injection port 1-124, the external cold water is connected to the water injection port 1-124 through a water pipe, and the cold water is injected into the water injection layer 1-123. After the water injection is completed, the water injection port 1-124 is sealed through the sealing water hole cover; among them, the external cold water The water injection port 1-124 can be connected to the water injection layer 1-123 by a water pipe or a syringe;
S2、透明阴茎固定罩1固定人体阴茎:将阴茎由阴阜罩1-2下侧向上穿入可伸缩透明阴茎外罩1-1中,并将阴阜罩1-2粘结在阴阜上,根据阴茎勃起高度,拉伸可伸缩连接管1-13以调节透明阴茎固定罩1至适宜高度;S2, the transparent penis fixing cover 1 fixes the human penis: the penis is inserted into the retractable transparent penis cover 1-1 from the lower side of the mons pubis cover 1-2 upward, and the mons pubis cover 1-2 is bonded on the mons pubis, According to the erection height of the penis, stretch the retractable connecting tube 1-13 to adjust the transparent penis fixing cover 1 to a suitable height;
S3、配置冲洗液:旋转T型调节阀2-32至T型塑料三通管2-31的内圆柱管无通孔侧朝向灌洗针头2-4,此时第一输液用三通2-3的C接口堵住(图2所示状态),A接口和B接口接通,利用药液灌注器2-2和灌洗注射器2-1的推拉配合将冲洗液或配置的药液混合均匀并存储在灌洗注射器2-1中;S3. Configure flushing fluid: Rotate the T-shaped regulating valve 2-32 to the inner cylindrical tube of the T-shaped plastic three-way tube 2-31. The non-through hole side faces the irrigation needle 2-4. At this time, the first infusion uses the three-way 2- 3. The C port of 3 is blocked (the state shown in Figure 2), and the A port and the B port are connected. Use the push-pull cooperation of the liquid medicine injector 2-2 and the lavage syringe 2-1 to mix the flushing liquid or the configured liquid evenly. and stored in the lavage syringe 2-1;
S4、灌洗装置2连接透明阴茎固定罩1:冲洗液配置完成后,将灌洗装置2的灌洗针头2-4通过上针孔1-121刺入人体阴茎海绵体中,旋转T型调节阀2-32至T型塑料三通管2-31的内圆柱管无通孔侧朝向药液灌注器2-2,此时第一输液用三通2-3的A接口和C接口接通,B接口堵住;S4. The
S5、抽吸检测装置3连接透明阴茎固定罩1:将旋转T型调节阀2-32至T型塑料三通管2-31的内圆柱管无通孔侧朝向抽吸注射器3-1,此时第二输液用三通3-3的A接口堵住,第二输液用三通3-3的B接口和C接口连通,第二输液用三通3-3发挥引流作用,将抽吸检测装置3的抽吸针头3-4通过下针孔1-122刺入人体阴茎海绵体中,透明储液瓶3-2支撑于台面上;S5. The
S6、灌洗装置2联动抽吸检测装置3灌洗检测人体阴茎海绵体:内推灌洗装置2的灌洗注射器2-1使冲洗液注入人体阴茎海绵体中,人体阴茎海绵体中的冲洗液和血液混合液通过抽吸针头3-4和第二输液用三通3-3引流至透明储液瓶3-2中,在混合液引流过程中,通过比色条3-22和体积刻度标3-21,可以评估混合液引流量和颜色,如此反复,直至混合液转为淡红色;S6, the
S7、灌洗结束后,将灌洗针头2-4和抽吸针头3-4分别从透明阴茎固定罩1上拔出,并将透明阴茎固定罩1从阴茎上撕下,然后用止血棉按压阴茎海绵体上针孔至不出血。S7. After the lavage is completed, pull out the lavage needles 2-4 and the suction needles 3-4 from the transparent penis fixing cover 1 respectively, tear off the transparent penis fixing cover 1 from the penis, and then press with a hemostatic cotton The pinhole on the cavernous body of the penis does not bleed.
其中,抽吸注射器3-1作为备用注射器,可替换灌洗注射器2-1使用;在透明储液瓶3-2需要更换时,旋转第二输液用三通3-3以堵住C接口,第二输液用三通3-3的A接口和B接口连通,混合液可通过抽吸注射器3-1抽吸临时存储至抽吸注射器3-1中,在透明储液瓶3-2更换完成后再旋转第二输液用三通3-3至A接口连通,第二输液用三通3-3发挥引流作用,混合液再引流至透明储液瓶3-2中。Among them, the suction syringe 3-1 is used as a spare syringe and can be used as a replacement for the irrigation syringe 2-1; when the transparent liquid storage bottle 3-2 needs to be replaced, rotate the second infusion tee 3-3 to block the C interface, The A port and B port of the tee 3-3 for the second infusion are connected, and the mixed liquid can be temporarily stored in the suction syringe 3-1 through the suction syringe 3-1, and the replacement is completed in the transparent liquid storage bottle 3-2 Then rotate the tee 3-3 for the second infusion to connect to the A port, the tee 3-3 for the second infusion plays the role of drainage, and the mixed liquid is then drained into the transparent liquid storage bottle 3-2.
实施例2Example 2
如图6所示,本实施例与实施例1的区别在于,灌洗装置2通过灌洗针头2-4与下针孔1-122插嵌连接,用于刺入阴茎海绵体灌注冲洗液,抽吸检测装置3通过抽吸针头3-4与上针孔1-121插嵌连接,用于抽吸并检测阴茎海绵体冲洗液,从而冲洗液由下端冲入阴茎海绵体并由上端引流至透明储液瓶3-2中,实现灌洗装置2和抽吸检测装置3的上下配合联动灌洗,使用灵活。As shown in FIG. 6 , the difference between this embodiment and Embodiment 1 is that the
以上仅是本发明的优选实施方式,本发明的保护范围并不仅局限于上述实施例,凡属于本发明思路下的技术方案均属于本发明的保护范围。应当指出,对于本技术领域的普通技术人员来说,在不脱离本发明原理前提下的若干改进和润饰,应视为本发明的保护范围。The above are only preferred embodiments of the present invention, and the protection scope of the present invention is not limited to the above embodiments, and all technical solutions that belong to the idea of the present invention belong to the protection scope of the present invention. It should be pointed out that for those skilled in the art, some improvements and modifications without departing from the principle of the present invention should be regarded as the protection scope of the present invention.
| Application Number | Priority Date | Filing Date | Title |
|---|---|---|---|
| CN202011055395.7ACN112043890A (en) | 2020-09-30 | 2020-09-30 | Penis cavernous body lavage device and using method thereof |
| Application Number | Priority Date | Filing Date | Title |
|---|---|---|---|
| CN202011055395.7ACN112043890A (en) | 2020-09-30 | 2020-09-30 | Penis cavernous body lavage device and using method thereof |
| Publication Number | Publication Date |
|---|---|
| CN112043890Atrue CN112043890A (en) | 2020-12-08 |
| Application Number | Title | Priority Date | Filing Date |
|---|---|---|---|
| CN202011055395.7APendingCN112043890A (en) | 2020-09-30 | 2020-09-30 | Penis cavernous body lavage device and using method thereof |
| Country | Link |
|---|---|
| CN (1) | CN112043890A (en) |
| Publication number | Priority date | Publication date | Assignee | Title |
|---|---|---|---|---|
| CN112604056A (en)* | 2020-12-16 | 2021-04-06 | 王永 | External auxiliary inspection device for genitals |
| Publication number | Priority date | Publication date | Assignee | Title |
|---|---|---|---|---|
| US4842581A (en)* | 1987-09-11 | 1989-06-27 | Davis Richard C | Medical lavage apparatus |
| CN2251367Y (en)* | 1996-04-03 | 1997-04-09 | 柯永奇 | Vacuum recovery suction apparatus |
| CN2295493Y (en)* | 1997-03-25 | 1998-10-28 | 吴永强 | Suction and injection irrigator |
| US5957883A (en)* | 1997-09-30 | 1999-09-28 | Lin; Po-Kang | Synchronous vitreous lavage device for ophthalmology and an ophthalmologic lavaging system using the same |
| CN2897273Y (en)* | 2006-05-12 | 2007-05-09 | 威海村松医用制品有限公司 | Multifunctional body fluid respirator |
| CN202173572U (en)* | 2011-07-19 | 2012-03-28 | 宋明星 | Comprehensive multi-efficient penis enlargement and extension device |
| CN202223611U (en)* | 2011-09-14 | 2012-05-23 | 陈彤 | Drainage lavaging device |
| CN203001114U (en)* | 2012-11-21 | 2013-06-19 | 重庆市南川区人民医院 | Glans penis protection device for expansion of cavernous body during penile implantation |
| CN210785612U (en)* | 2019-07-05 | 2020-06-19 | 成都市龙泉驿区第一人民医院 | A new type of neonatal gastrointestinal decompression device |
| CN212235459U (en)* | 2020-09-30 | 2020-12-29 | 南京鼓楼医院 | A penis cavernous body irrigation device |
| Publication number | Priority date | Publication date | Assignee | Title |
|---|---|---|---|---|
| US4842581A (en)* | 1987-09-11 | 1989-06-27 | Davis Richard C | Medical lavage apparatus |
| CN2251367Y (en)* | 1996-04-03 | 1997-04-09 | 柯永奇 | Vacuum recovery suction apparatus |
| CN2295493Y (en)* | 1997-03-25 | 1998-10-28 | 吴永强 | Suction and injection irrigator |
| US5957883A (en)* | 1997-09-30 | 1999-09-28 | Lin; Po-Kang | Synchronous vitreous lavage device for ophthalmology and an ophthalmologic lavaging system using the same |
| CN2897273Y (en)* | 2006-05-12 | 2007-05-09 | 威海村松医用制品有限公司 | Multifunctional body fluid respirator |
| CN202173572U (en)* | 2011-07-19 | 2012-03-28 | 宋明星 | Comprehensive multi-efficient penis enlargement and extension device |
| CN202223611U (en)* | 2011-09-14 | 2012-05-23 | 陈彤 | Drainage lavaging device |
| CN203001114U (en)* | 2012-11-21 | 2013-06-19 | 重庆市南川区人民医院 | Glans penis protection device for expansion of cavernous body during penile implantation |
| CN210785612U (en)* | 2019-07-05 | 2020-06-19 | 成都市龙泉驿区第一人民医院 | A new type of neonatal gastrointestinal decompression device |
| CN212235459U (en)* | 2020-09-30 | 2020-12-29 | 南京鼓楼医院 | A penis cavernous body irrigation device |
| Publication number | Priority date | Publication date | Assignee | Title |
|---|---|---|---|---|
| CN112604056A (en)* | 2020-12-16 | 2021-04-06 | 王永 | External auxiliary inspection device for genitals |
| Publication | Publication Date | Title |
|---|---|---|
| JP2013521954A (en) | Medical vacuum seal drainage device | |
| CN102107029B (en) | Medical vacuum sealing drainage device | |
| CN204864352U (en) | Prevent embolism vein and keep somewhere needle | |
| CN212235459U (en) | A penis cavernous body irrigation device | |
| CN112043890A (en) | Penis cavernous body lavage device and using method thereof | |
| CN208958893U (en) | Disposable flushable drainage bag | |
| CN105250076B (en) | A kind of infection of abdominal incision, which is split, merges the applicator of gallbladder leakage | |
| CN220002517U (en) | Urethral catheterization device with bladder perfusion function | |
| CN207186907U (en) | Drainage tube | |
| CN203694204U (en) | Sutureless dual-cavity drainage tube | |
| CN211705424U (en) | Negative pressure drainage ball and assembly thereof | |
| CN205163387U (en) | Belly infection of incisional wound is split and is merged dressing device that courage leaks | |
| CN212490400U (en) | Wound Negative Pressure Drainage Device for Orthopedic Nursing | |
| CN211535834U (en) | Abdominocentesis drainage device | |
| CN211434381U (en) | Anti-blocking thoracic drainage tube for quick puncture and intubation | |
| CN208274819U (en) | A kind of Novel urethral catheter | |
| CN215460628U (en) | Subcutaneous drainage device | |
| CN204582260U (en) | A kind of catheter being convenient to administration | |
| CN201664462U (en) | Negative-pressure enclosed drainage device for body surface wound tissues | |
| CN215023183U (en) | Novel closed negative pressure double-cavity drainage system | |
| CN217697626U (en) | Conveniently wash latex two-chamber ureter of notes medicine | |
| CN210932956U (en) | Peritoneal drainage tube orifice exudate collection device | |
| CN110755698A (en) | Abdominocentesis drainage device | |
| CN221981268U (en) | Bladder drainage medication device | |
| CN221384598U (en) | A peritoneal dialysis tube flushing and drainage device |
| Date | Code | Title | Description |
|---|---|---|---|
| PB01 | Publication | ||
| PB01 | Publication | ||
| SE01 | Entry into force of request for substantive examination | ||
| SE01 | Entry into force of request for substantive examination |