Movatterモバイル変換


[0]ホーム

URL:


CN112039355A - Series-parallel switching circuit and switching method for transformer winding - Google Patents

Series-parallel switching circuit and switching method for transformer winding
Download PDF

Info

Publication number
CN112039355A
CN112039355ACN202011221738.2ACN202011221738ACN112039355ACN 112039355 ACN112039355 ACN 112039355ACN 202011221738 ACN202011221738 ACN 202011221738ACN 112039355 ACN112039355 ACN 112039355A
Authority
CN
China
Prior art keywords
transformer
secondary windings
full
series
diode
Prior art date
Legal status (The legal status is an assumption and is not a legal conclusion. Google has not performed a legal analysis and makes no representation as to the accuracy of the status listed.)
Pending
Application number
CN202011221738.2A
Other languages
Chinese (zh)
Inventor
黄刚
柳树渡
王红涛
Current Assignee (The listed assignees may be inaccurate. Google has not performed a legal analysis and makes no representation or warranty as to the accuracy of the list.)
Shenzhen Infy Power Co ltd
Original Assignee
Shenzhen Infy Power Co ltd
Priority date (The priority date is an assumption and is not a legal conclusion. Google has not performed a legal analysis and makes no representation as to the accuracy of the date listed.)
Filing date
Publication date
Application filed by Shenzhen Infy Power Co ltdfiledCriticalShenzhen Infy Power Co ltd
Priority to CN202011221738.2ApriorityCriticalpatent/CN112039355A/en
Publication of CN112039355ApublicationCriticalpatent/CN112039355A/en
Pendinglegal-statusCriticalCurrent

Links

Images

Classifications

Landscapes

Abstract

The invention provides a series-parallel switching circuit and a switching method for transformer windings, wherein the series-parallel switching circuit for the transformer windings comprises a transformer, a switching switch and a full-bridge rectifying unit, the transformer is provided with a primary winding and at least one group of secondary windings, the group of secondary windings comprises two secondary windings, the secondary windings are independent of each other, the total number of the secondary windings is equal to the number of the full-bridge rectifying units, the number of the switching switches is equal to half of the total number of the secondary windings, the full-bridge rectifying units are connected in parallel, the secondary windings are respectively and electrically connected to the full-bridge rectifying units, and different name ends of any two secondary windings are electrically connected through the switching switch. The invention can realize the free series-parallel connection switching among the secondary windings of the transformer on the premise of not interrupting the output voltage and current of the converter, improve the utilization rate of the secondary windings of the transformer and the full-bridge rectifying unit, realize the output in a wider voltage and current range, reduce the number of the used switching devices and reduce the cost.

Description

Series-parallel switching circuit and switching method for transformer winding
Technical Field
The present invention relates to a switching circuit, and more particularly, to a series-parallel switching circuit and a switching method for a transformer winding.
Background
In the field of industrial power supply application, there is a great demand for a wide constant power range of a dc-dc power converter, for example, in order to meet a longer driving range, the charging voltage of a power battery of an electric vehicle has a tendency to gradually increase under the premise of safe insulation, and in order to take into account the level range of the charging voltage of the electric vehicle on the market at present, a wider range (e.g. 50V-1000V) of the voltage output range of a charging module of the electric vehicle is required to be met. In addition, while meeting the output in a wide voltage range, it is also necessary to meet the requirement of full power output in an adjustable voltage range.
At present, circuits for realizing full power output within an adjustable range of output voltage can be roughly divided into two types, one is to control a gating switch to switch the number of turns of a secondary side of a transformer, and the function of outputting low-voltage large current is realized by reducing the number of turns of the secondary side of the transformer while realizing high-voltage full power output, so that the current of a primary side of the transformer is reduced, the loss is reduced, and the purpose of improving the efficiency is achieved; the second is to control the switch, and the switch is matched with two bypass diodes to realize the flexible connection of the series-parallel connection of two full-bridge rectifier modules on the secondary side of the transformer, so that the transformer has a wider voltage output range, and meanwhile, the current stress of the rectifier diodes is reduced, and the efficiency is improved. For the first implementation scheme, the voltage output range is not wide enough, too many switching devices are used, and to implement a wider voltage output range, multiple groups of windings of the transformer need to be switched, more switching devices need to be used, so that the cost is high, the efficiency is low, and meanwhile, when the windings on the secondary side of the transformer work in a low-voltage section, idle windings exist, extra loss is caused, and the utilization rate of the windings of the transformer is not high; for the second implementation scheme, the series-parallel switching uses an extra bypass diode (i.e. an extra set of power device losses is added), and under the condition of high power, more switching devices need to be used, the cost is higher, and the power density is low.
Therefore, there is a need for an improved structure of the above circuit for achieving full power output within the adjustable range of output voltage.
Disclosure of Invention
The technical problem to be solved by the invention is as follows: the utility model provides a series-parallel switching circuit and a switching method for transformer windings, aiming at solving the problems of excessive devices and high cost in the prior art.
In order to solve the technical problems, the invention adopts the technical scheme that:
a first aspect of an embodiment of the present invention provides a series-parallel switching circuit for a transformer winding, including: the transformer is provided with a primary winding and at least one group of secondary windings, each group of secondary windings comprise two secondary windings, the secondary windings are mutually independent, the total number of the secondary windings is equal to the number of the full-bridge rectification units, the number of the change-over switches is equal to half of the total number of the secondary windings, the full-bridge rectification units are connected in parallel, the secondary windings are respectively and electrically connected with the full-bridge rectification units, and the synonym ends of any two secondary windings are electrically connected through the change-over switches.
In some embodiments, the full-bridge rectification unit includes: the first diode and the second diode are connected in series to form a first series branch circuit, the third diode and the fourth diode are connected in series to form a second series branch circuit, and the first series branch circuit and the second series branch circuit are connected in parallel.
In some embodiments, the dotted end of one of the two secondary windings electrically connected to the switch is electrically connected between the first diode and the second diode of one full-bridge rectification unit, the dotted end is electrically connected between the third diode and the fourth diode, the dotted end of the other secondary winding is electrically connected between the third diode and the fourth diode of the other full-bridge rectification unit, and the dotted end is electrically connected between the first diode and the second diode.
In some embodiments, a common junction between the different-name end of one of the two secondary windings electrically connected to the switch and the fourth diode of one full-bridge rectification unit is electrically connected to one end of the switch, and a common junction between the different-name end of the other secondary winding and the first diode of the other full-bridge rectification unit is electrically connected to the other end of the switch.
In some embodiments, the switch is at least one of a MOS transistor, an IGBT, and a relay;
when the change-over switch is two or more than two of MOS tube, IGBT and relay, the MOS tube, IGBT and relay are combined in parallel.
In some embodiments, the full-bridge rectification unit includes a first full-bridge rectification unit to an nth full-bridge rectification unit, the first full-bridge rectification unit to the nth full-bridge rectification unit are sequentially connected in parallel along a direction away from the secondary winding, where n is an even number greater than 1, and the transformer winding series-parallel switching circuit further includes: the inductor is electrically connected between the capacitor and the cathode of the fourth diode of the nth full-bridge rectification unit.
In some embodiments, the primary circuit of the transformer is a phase-shifted full-bridge topology circuit or a phase-shifted half-bridge topology circuit.
In some embodiments, the primary side circuit of the transformer is a single-phase LLC full-bridge topology circuit or a single-phase LLC half-bridge topology circuit.
A second aspect of an embodiment of the present invention provides another series-parallel switching circuit for transformer windings, including: the transformer comprises two or more transformers, when the number of the transformers is odd, the transformer is provided with a primary winding and at least one group of secondary windings, when the number of the transformers is even, the transformer is provided with a primary winding and a secondary winding or at least one group of secondary windings, the group of secondary windings comprise two secondary windings, the secondary windings are mutually independent, the total number of the secondary windings is equal to the number of the full-bridge rectifying units, the number of the change-over switches is equal to half of the total number of the secondary windings, the full-bridge rectifying units are connected in parallel, the secondary windings are respectively and electrically connected with the full-bridge rectifying units, and different name ends of any two secondary windings are electrically connected through the change-over switches.
A third aspect of the embodiments of the present invention provides a method for switching a series winding and a parallel winding of a transformer, including:
acquiring the output voltage of the converter;
judging the magnitude relation between the output voltage and a preset switching value;
and controlling the on-off of each change-over switch according to the judgment result.
From the above description, compared with the prior art, the invention has the following beneficial effects:
when the output voltage of the converter rises or falls to a preset voltage switching value, the controller adjusts the control quantity of the converter and the on-off of each selector switch to realize the free series-parallel switching between the secondary windings of the transformer, in other words, the invention can realize the free series-parallel switching between the secondary windings of the transformer through each group of switch circuits on the premise of not interrupting the output voltage and current of the converter, thereby improving the utilization rate of the secondary windings of the transformer and the full-bridge rectifying unit, realizing the output in a wider voltage and current range, reducing the number of used switching devices, lowering the cost and improving the power density of the converter.
Drawings
In order to more clearly illustrate the embodiments of the present invention or the technical solutions in the prior art, the drawings used in the description of the embodiments or the prior art will be briefly described below. It is to be understood that the drawings in the following description are of some, but not all, embodiments of the invention. For a person skilled in the art, other figures can also be obtained from the provided figures without inventive effort.
Fig. 1 is a circuit diagram of a series-parallel switching circuit for transformer windings according to an embodiment of the present invention;
fig. 2 is another circuit diagram of a series-parallel switching circuit of transformer windings according to an embodiment of the present invention;
fig. 3 is another circuit diagram of a series-parallel switching circuit of transformer windings according to an embodiment of the present invention;
fig. 4 is another circuit diagram of a series-parallel switching circuit of transformer windings according to an embodiment of the present invention;
fig. 5 is another circuit diagram of a series-parallel switching circuit of transformer windings according to an embodiment of the present invention;
fig. 6 is a flowchart illustrating a handover method according to an embodiment of the present invention.
Detailed Description
For purposes of promoting a clear understanding of the objects, aspects and advantages of the invention, reference will now be made in detail to the present embodiments of the invention, examples of which are illustrated in the accompanying drawings, wherein like reference numerals refer to the same or similar elements throughout. It should be understood that the specific embodiments described herein are merely illustrative of the invention and are not intended to limit the invention. In addition, the technical features involved in the embodiments of the present invention described below may be combined with each other as long as they do not conflict with each other.
Example one
Referring to fig. 1, fig. 1 is a circuit diagram of a transformer winding series-parallel switching circuit according to an embodiment of the present invention.
The invention provides a series-parallel switching circuit of transformer windings, which comprises a transformer, a switch and full-bridge rectifying units, wherein the transformer is provided with a primary winding and at least one group of secondary windings, the group of secondary windings comprises two secondary windings, the secondary windings are independent from each other, the total number of the secondary windings is equal to the number of the full-bridge rectifying units, the number of the switch is equal to half of the total number of the secondary windings, the full-bridge rectifying units are connected in parallel, the secondary windings are respectively and electrically connected with the full-bridge rectifying units, and different-name ends of any two secondary windings are electrically connected through the switch. It should be noted that the different-name ends of the two secondary windings in the same group of secondary windings may be electrically connected through a switch, and the secondary windings in different groups of secondary windings may also be electrically connected through a switch, which is not limited in this embodiment.
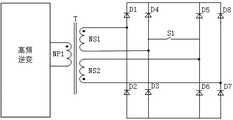
As shown in fig. 1, the transformer winding series-parallel switching circuit is described by taking a transformer having a set of secondary windings as an example, and in this case, the transformer winding series-parallel switching circuit includes a transformer, a switch S1 and two full-bridge rectifying units, wherein the two full-bridge rectifying units are connected in parallel, the secondary side of the transformer has two independent secondary windings (designated as NS1 and NS2), the two secondary windings are electrically connected to the two full-bridge rectifying units, respectively, and the different-name end of one secondary winding (designated as NS2) is electrically connected to the different-name end of the other secondary winding (designated as NS 1) through the switch S1. It should be noted that when the switch S1 is turned off, the two secondary windings of the transformer operate in parallel, the turn ratio of the transformer becomes NP1: NS1 (or NP1: NS2), and the two secondary windings of the transformer can be fully utilized to realize large current output; when the change-over switch S1 is switched on, the different-name end of a certain secondary winding (NS 2) on the secondary side of the transformer is electrically connected with the different-name end of another secondary winding (NS 1), so that the two secondary windings on the secondary side of the transformer are connected in series to work, the turn ratio of the transformer is changed into NP1:2NS1 (or NP1:2NS2), and the two secondary windings of the transformer can be fully utilized to realize high-voltage output. It is simply considered that, when the output voltage is in the high-voltage section, the changeover switch S1 is closed; when the output voltage is in the low voltage section, the switch S1 is turned off.
Specifically, the switch S1 is a MOS transistor. In some embodiments, the switch S1 may be any one of an IGBT and a relay. In other embodiments, the switch S1 can be two or more of MOS transistor, IGBT and relay, and in this case, a parallel combination of MOS transistor, IGBT and relay is required.
In the transformer winding series-parallel switching circuit provided in this embodiment, when the output voltage of the converter rises or falls to the preset voltage switching value (here, the preset voltage value is half of the highest output voltage of the converter or the lowest voltage of the converter at full power output), the controller adjusts the control quantity of the converter and the on-off of each change-over switch to realize the free series-parallel connection switching between each secondary winding of the transformer, in other words, on the premise of not interrupting the output voltage and current of the converter, the series-parallel connection free switching among the secondary windings of the transformer can be realized through each group of switching circuits, the utilization rate of the secondary windings of the transformer and the full-bridge rectifying unit is improved, the output within wider voltage and current ranges is realized, the number of used switching devices is reduced, the cost is reduced, and the power density of the converter is improved. The transformer is easier to design, simple in structure and smaller in size.
Example two
Referring to fig. 2, fig. 2 is another circuit diagram of a transformer winding series-parallel switching circuit according to an embodiment of the invention.
Compared with the series-parallel switching circuit of the transformer winding provided by the first embodiment of the invention, the second embodiment of the invention has two or more transformers.
A second embodiment of the present invention provides another series-parallel switching circuit for transformer windings, including two or more transformers, a switch and a full-bridge rectification unit, where the number of the transformers is odd, the transformers have a primary winding and at least one set of secondary windings when the number of the transformers is even, and the transformers have a primary winding and a secondary winding or at least one set of secondary windings when the number of the transformers is even.
It should be noted that the set of secondary windings includes two secondary windings, each secondary winding is independent of the other secondary winding, the total number of the secondary windings is equal to the number of the full-bridge rectifier units, the number of the switches is equal to half of the total number of the secondary windings, the full-bridge rectifier units are connected in parallel, each secondary winding is electrically connected to each full-bridge rectifier unit, and the different name ends of any two secondary windings are electrically connected through the switches.
As shown in fig. 2, taking two transformers each having a primary winding and a secondary winding as an example (the primary winding and the secondary winding of the same transformer are coupled), the series-parallel switching circuit of the transformer windings is described, and at this time, the series-parallel switching circuit of the transformer windings includes two transformers, a switch S1 and two full-bridge rectifying units, wherein the two full-bridge rectifying units are connected in parallel, the two secondary windings (refer to NS1 and NS2, wherein NS1 corresponds to one transformer TR1, and NS2 corresponds to the other transformer TR 2) of the two transformers are respectively electrically connected to the two full-bridge rectifying units, and the different-name end of one secondary winding (refer to NS2) is electrically connected to the different-name end of the other secondary winding (refer to NS 1) through the switch S1.
It can be easily found by comparing the first embodiment with the second embodiment that the series-parallel switching circuit of the transformer winding provided by the first embodiment of the present invention uses an independent transformer having a primary winding and a plurality of secondary windings, and the series-parallel switching circuit of the transformer winding provided by the second embodiment of the present invention uses a plurality of transformers having a primary winding and a secondary winding or a plurality of secondary windings.
In addition, the series-parallel switching circuit of the transformer winding with the plurality of transformers provided by the embodiment can be matched with some control algorithms, such as a staggering algorithm, so as to further reduce input and output ripple current, reduce the volumes of the magnetic core device and the filter capacitor, and improve power density.
EXAMPLE III
Referring to fig. 3, fig. 3 is another circuit diagram of a transformer winding series-parallel switching circuit according to an embodiment of the invention.
Compared with the series-parallel switching circuit of the transformer winding provided in the first embodiment and/or the second embodiment of the present invention, the third embodiment of the present invention provides a specific circuit structure, and adds a resistor, an inductor, and a capacitor.
In this embodiment, the full-bridge rectification unit includes a first diode, a second diode, a third diode and a fourth diode, wherein the first diode and the second diode are connected in series to form a first series branch, the third diode and the fourth diode are connected in series to form a second series branch, and the first series branch is connected in parallel with the second series branch. It should be noted that the dotted end of one of the two secondary windings electrically connected to the switch is electrically connected between the first diode and the second diode of one full-bridge rectification unit, the dotted end is electrically connected between the third diode and the fourth diode, the dotted end of the other secondary winding is electrically connected between the third diode and the fourth diode of the other full-bridge rectification unit, and the dotted end is electrically connected between the first diode and the second diode. It should be further noted that a common connection point between the different-name end of one of the two secondary windings electrically connected by the change-over switch and the fourth diode of one of the full-bridge rectification units is electrically connected to one end of the change-over switch, and a common connection point between the different-name end of the other secondary winding and the first diode of the other full-bridge rectification unit is electrically connected to the other end of the change-over switch.
Specifically, the full-bridge rectification unit includes first full-bridge rectification unit to nth full-bridge rectification unit, and first full-bridge rectification unit to nth full-bridge rectification unit connect in proper order along keeping away from the secondary winding direction of transformer and connect in parallel, wherein, n is the even number that is greater than 1, then the transformer winding series-parallel switching circuit that this embodiment provided, still include inductance, resistance and electric capacity, wherein, electric capacity and resistance connect in parallel in order to constitute the parallel branch road, this parallel branch road connects in parallel with nth full-bridge rectification unit and connects, and the inductance electricity is connected between the negative pole of the fourth diode of electric capacity and nth full-bridge rectification unit.
As shown in fig. 3, taking a transformer having a primary winding and two secondary windings as an example, the transformer winding series-parallel switching circuit provided in this embodiment is described, at this time, the full-bridge rectification units are a first full-bridge rectification unit and a second full-bridge rectification unit, respectively, where the first full-bridge rectification unit includes a first diode D1, a second diode D2, a third diode D3 and a fourth diode D4, the first diode D1 and the second diode D2 are connected in series to form a first series branch, the third diode D3 and the fourth diode D4 are connected in series to form a second series branch, and the first series branch is connected in parallel with the second series branch; the second full-bridge rectifying unit comprises a fifth diode D5, a sixth diode D6, a seventh diode D7 and an eighth diode D8, the fifth diode D5 and the sixth diode D6 are connected in series to form a third series branch, the seventh diode D7 and the eighth diode D8 are connected in series to form a fourth series branch, and the third series branch is connected in parallel with the fourth series branch.
Further, two secondary windings of the transformer are a first secondary winding NS1 and a second secondary winding NS2, respectively, wherein a dotted terminal of the first secondary winding NS1 is electrically connected between the first diode D1 and the second diode D2 of the first full-bridge rectification unit, a different terminal is electrically connected between the third diode D3 and the fourth diode D4, a different terminal of the second winding NS2 is electrically connected between the fifth diode D5 and the sixth diode D6 of the second full-bridge rectification unit, and the different terminal is electrically connected between the seventh diode D7 and the eighth diode D8.
Further, one end of the switch S1 is electrically connected between the different-name end of the first winding NS1 and the fourth diode D4 of the first full-bridge rectification unit, and the other end is electrically connected between the different-name end of the second winding NS2 and the fifth diode D5 of the second full-bridge rectification unit.
It should be noted that the switch S1 in the present embodiment is electrically connected between the first secondary winding NS1 and the second secondary winding NS2, so that the series-parallel connection between the first secondary winding NS1 and the second secondary winding NS2 can be switched at will without power failure in switching under the premise of using only one switch S1.
It should be appreciated that the mode of operation of the secondary winding of the transformer will vary with the position to which the switch S1 is connected. In practical applications, when the first secondary winding NS1 is connected in series with the second secondary winding NS2 (hereinafter referred to as series mode), the switch S1 is electrically connected between the first secondary winding NS1 and the second secondary winding NS2, so that the third diode D3, the fourth diode D4, the fifth diode D5, and the sixth diode D6 do not operate substantially, and a majority of current flows through the first diode D1, the second diode D2, the seventh diode D7, and the eighth diode D8, thereby reducing series mode losses; when the first secondary winding NS1 is connected in parallel with the second secondary winding NS2 (hereinafter referred to as a parallel mode), since the switch S1 is electrically connected between the first secondary winding NS1 and the second secondary winding NS2, all the diodes (i.e., the first diode D1 to the eighth diode D8) are involved in the operation, so that the diodes on the secondary side of the transformer are fully utilized, and the efficiency is higher. As can be easily seen from the above-mentioned series mode, electrically connecting the switch S1 between the first secondary winding NS1 and the second secondary winding NS2 can ensure that the same current does not flow through two different diodes and the voltage drop is smaller.
In addition, the capacitor C1 is connected in parallel with the resistor R to form a parallel branch, the parallel branch is connected in parallel with the second full-bridge rectification unit, and the inductor L1 is electrically connected between the capacitor C1 and the cathode of the eighth diode D8.
Example four
Referring to fig. 4, fig. 4 is another circuit diagram of a series-parallel switching circuit of transformer windings according to an embodiment of the invention.
As shown in fig. 4, compared with the series-parallel switching circuit of the transformer winding provided in any one of the first to third embodiments of the present invention, in the fourth embodiment of the present invention, the primary circuit of the transformer adopts a phase-shifted full-bridge topology circuit. It is understood that in some embodiments, the primary circuit of the transformer uses a phase-shifted half-bridge topology circuit or other circuits with the same function, and this embodiment is not limited thereto.
EXAMPLE five
Referring to fig. 5, fig. 5 is another circuit diagram of a series-parallel switching circuit of transformer windings according to an embodiment of the invention.
As shown in fig. 5, compared with the series-parallel switching circuit of the transformer winding provided in any one of the first to fourth embodiments of the present invention, in the fifth embodiment of the present invention, the primary circuit of the transformer adopts a single-phase LLC full-bridge topology circuit. It is understood that in some embodiments, the primary circuit of the transformer uses a single-phase LLC half-bridge topology circuit or other circuits with the same function, which is not limited in this embodiment.
EXAMPLE six
Referring to fig. 6, fig. 6 is a flowchart illustrating a handover method according to an embodiment of the present invention.
As shown in fig. 6, a sixth embodiment of the present invention provides a method for switching a series-parallel connection of transformer windings, which is applied to a circuit for switching a series-parallel connection of transformer windings provided in any one of the first to fifth embodiments of the present invention, and includes the following steps a to c.
Step a, acquiring output voltage of a converter;
step b, judging the magnitude relation between the output voltage and a preset switching value;
here, the preset voltage value is half of the highest output voltage of the converter or the lowest voltage when the converter is outputting full power.
C, controlling the on-off of each selector switch according to the judgment result;
specifically, when the output voltage is greater than the preset switching value, the output voltage is a high-voltage section, and each switch needs to be selectively closed; when the output voltage is smaller than the preset switching value, the output voltage is in a low-voltage section, and each switch needs to be selectively switched off.
The steps of a method or algorithm described in connection with the embodiments disclosed herein may be embodied directly in hardware, in a software module executed by a controller, or in a combination of the two. A software module may reside in Random Access Memory (RAM), memory, Read Only Memory (ROM), electrically programmable ROM, electrically erasable programmable ROM, registers, hard disk, a removable disk, a CD-ROM, or any other form of storage medium known in the art. The controller may be a DSP, ARM, FPGA, or any other form of controller known in the art.
In the above embodiments, the implementation may be wholly or partially realized by software, hardware, firmware, or any combination thereof. When implemented in software, may be implemented in whole or in part in the form of a computer program product. The computer program product includes one or more computer instructions. When loaded and executed on a computer, cause the processes or functions described in accordance with the invention to occur, in whole or in part. The computer may be a general purpose computer, a special purpose computer, a network of computers, or other programmable device. The computer instructions may be stored on a computer readable storage medium or transmitted from one computer readable storage medium to another, for example, the computer instructions may be transmitted from one website, computer, server, or data center to another website, computer, server, or data center by wire (e.g., coaxial cable, fiber optic, digital subscriber line) or wirelessly (e.g., infrared, wireless, microwave, etc.). The computer-readable storage medium can be any available medium that can be accessed by a computer or a data storage device, such as a server, a data center, etc., that incorporates one or more of the available media. The usable medium may be a magnetic medium (e.g., floppy Disk, hard Disk, magnetic tape), an optical medium (e.g., DVD), or a semiconductor medium (e.g., Solid State Disk), among others.
It should be noted that, in the summary of the present invention, each embodiment is described in a progressive manner, each embodiment focuses on differences from other embodiments, and the same and similar parts among the embodiments may be referred to each other. For the method class embodiment, since it is similar to the product class embodiment, the description is simple, and the relevant points can be referred to the partial description of the product class embodiment.
It is further noted that, in the present disclosure, relational terms such as first and second, and the like may be used solely to distinguish one entity or action from another entity or action without necessarily requiring or implying any actual such relationship or order between such entities or actions. Also, the terms "comprises," "comprising," or any other variation thereof, are intended to cover a non-exclusive inclusion, such that a process, method, article, or apparatus that comprises a list of elements does not include only those elements but may include other elements not expressly listed or inherent to such process, method, article, or apparatus. Without further limitation, an element defined by the phrase "comprising an … …" does not exclude the presence of other identical elements in a process, method, article, or apparatus that comprises the element.
The previous description of the disclosed embodiments is provided to enable any person skilled in the art to make or use the present disclosure. Various modifications to these embodiments will be readily apparent to those skilled in the art, and the generic principles defined in this disclosure may be applied to other embodiments without departing from the spirit or scope of the disclosure. Thus, the present disclosure is not intended to be limited to the embodiments shown herein but is to be accorded the widest scope consistent with the principles and novel features disclosed herein.

Claims (10)

9. A transformer winding series-parallel switching circuit, comprising: the transformer comprises two or more transformers, when the number of the transformers is odd, the transformer is provided with a primary winding and at least one group of secondary windings, when the number of the transformers is even, the transformer is provided with a primary winding and a secondary winding or at least one group of secondary windings, the group of secondary windings comprise two secondary windings, the secondary windings are mutually independent, the total number of the secondary windings is equal to the number of the full-bridge rectifying units, the number of the change-over switches is equal to half of the total number of the secondary windings, the full-bridge rectifying units are connected in parallel, the secondary windings are respectively and electrically connected with the full-bridge rectifying units, and different name ends of any two secondary windings are electrically connected through the change-over switches.
CN202011221738.2A2020-11-052020-11-05Series-parallel switching circuit and switching method for transformer windingPendingCN112039355A (en)

Priority Applications (1)

Application NumberPriority DateFiling DateTitle
CN202011221738.2ACN112039355A (en)2020-11-052020-11-05Series-parallel switching circuit and switching method for transformer winding

Applications Claiming Priority (1)

Application NumberPriority DateFiling DateTitle
CN202011221738.2ACN112039355A (en)2020-11-052020-11-05Series-parallel switching circuit and switching method for transformer winding

Publications (1)

Publication NumberPublication Date
CN112039355Atrue CN112039355A (en)2020-12-04

Family

ID=73573569

Family Applications (1)

Application NumberTitlePriority DateFiling Date
CN202011221738.2APendingCN112039355A (en)2020-11-052020-11-05Series-parallel switching circuit and switching method for transformer winding

Country Status (1)

CountryLink
CN (1)CN112039355A (en)

Cited By (7)

* Cited by examiner, † Cited by third party
Publication numberPriority datePublication dateAssigneeTitle
CN112701918A (en)*2020-12-182021-04-23国创新能源汽车智慧能源装备创新中心(江苏)有限公司Control circuit for wide-range output of LLC converter
CN113751832A (en)*2021-08-202021-12-07深圳市佳士科技股份有限公司Current direction switching circuit, welding machine driving circuit and welding machine equipment
CN114079384A (en)*2021-11-022022-02-22西安交通大学Variable-structure LLC converter with wide output voltage range and method
CN114244122A (en)*2021-11-242022-03-25北京动力源科技股份有限公司Half-bridge LLC constant-power wide-range converter topology and circuit
CN114244123A (en)*2021-11-242022-03-25北京动力源科技股份有限公司Full-bridge LLC constant-power wide-range converter topology and circuit
CN114285285A (en)*2021-05-102022-04-05华北电力大学(保定) A Novel Wide Voltage Gain DC Transformer Based on T-Bridge and Double Transformers
CN115580151A (en)*2022-09-212023-01-06蔚来汽车科技(安徽)有限公司Bidirectional isolation type direct-current power supply converter, charging pile and vehicle

Citations (7)

* Cited by examiner, † Cited by third party
Publication numberPriority datePublication dateAssigneeTitle
CN1874127A (en)*2005-06-012006-12-06中国科学院电工研究所Asymmetry type curent regulator, and ambipolar control method
CN102437741A (en)*2011-12-282012-05-02南京航空航天大学Double-input direct-current converter using non-isolation type pulse voltage source unit
JP2013211988A (en)*2012-03-302013-10-10D & M Holdings IncPower supply circuit
CN105529933A (en)*2016-03-072016-04-27深圳晶福源科技股份有限公司DSP controller, three-level full-bridge LLC converter comprising same, and control method
CN209299157U (en)*2019-02-152019-08-23广州视源电子科技股份有限公司 Power output circuits, power circuits, display circuits, circuit boards and displays
CN110880871A (en)*2019-09-122020-03-13厦门大学 An Interleaved Parallel LLC Resonant Converter with Enhanced Derating and Fault Tolerant Operation
US10742123B1 (en)*2019-03-052020-08-11Astec International LimitedLow common mode noise transformers and switch-mode DC-DC power converters

Patent Citations (7)

* Cited by examiner, † Cited by third party
Publication numberPriority datePublication dateAssigneeTitle
CN1874127A (en)*2005-06-012006-12-06中国科学院电工研究所Asymmetry type curent regulator, and ambipolar control method
CN102437741A (en)*2011-12-282012-05-02南京航空航天大学Double-input direct-current converter using non-isolation type pulse voltage source unit
JP2013211988A (en)*2012-03-302013-10-10D & M Holdings IncPower supply circuit
CN105529933A (en)*2016-03-072016-04-27深圳晶福源科技股份有限公司DSP controller, three-level full-bridge LLC converter comprising same, and control method
CN209299157U (en)*2019-02-152019-08-23广州视源电子科技股份有限公司 Power output circuits, power circuits, display circuits, circuit boards and displays
US10742123B1 (en)*2019-03-052020-08-11Astec International LimitedLow common mode noise transformers and switch-mode DC-DC power converters
CN110880871A (en)*2019-09-122020-03-13厦门大学 An Interleaved Parallel LLC Resonant Converter with Enhanced Derating and Fault Tolerant Operation

Cited By (9)

* Cited by examiner, † Cited by third party
Publication numberPriority datePublication dateAssigneeTitle
CN112701918A (en)*2020-12-182021-04-23国创新能源汽车智慧能源装备创新中心(江苏)有限公司Control circuit for wide-range output of LLC converter
CN114285285A (en)*2021-05-102022-04-05华北电力大学(保定) A Novel Wide Voltage Gain DC Transformer Based on T-Bridge and Double Transformers
CN113751832A (en)*2021-08-202021-12-07深圳市佳士科技股份有限公司Current direction switching circuit, welding machine driving circuit and welding machine equipment
CN113751832B (en)*2021-08-202024-03-22深圳市佳士科技股份有限公司Current direction switching circuit, welding machine driving circuit and welding machine equipment
CN114079384A (en)*2021-11-022022-02-22西安交通大学Variable-structure LLC converter with wide output voltage range and method
CN114079384B (en)*2021-11-022024-05-07西安交通大学Variable structure LLC converter with wide output voltage range and method
CN114244122A (en)*2021-11-242022-03-25北京动力源科技股份有限公司Half-bridge LLC constant-power wide-range converter topology and circuit
CN114244123A (en)*2021-11-242022-03-25北京动力源科技股份有限公司Full-bridge LLC constant-power wide-range converter topology and circuit
CN115580151A (en)*2022-09-212023-01-06蔚来汽车科技(安徽)有限公司Bidirectional isolation type direct-current power supply converter, charging pile and vehicle

Similar Documents

PublicationPublication DateTitle
CN112039355A (en)Series-parallel switching circuit and switching method for transformer winding
US9923476B2 (en)Switching power supply and method for controlling switching power supply
CN102007677A (en)Bidirectional dc/dc converter and power conditioner
CN103944397A (en) Boost type isolated DC/DC converter and its control method
US11894765B2 (en)Power conversion device
CN108964469A (en)The double LLC resonant converters of a kind of and cascaded structure full-bridge
CN102403906B (en)Booster converter
CN112994449B (en)Three-state resonant switch capacitor power converter and control method thereof
CN202135056U (en)Equalization circuit used in power supply converter
CN215934730U (en)DC-DC converter with high step-up ratio
CN107104600B (en)Modular multilevel converter and electric power electric transformer
CN114785151B (en) A high-gain boost converter for photovoltaic power generation
CN110635692A (en)Direct current converter, charging module and charging pile
CN106961220A (en)A kind of efficient LLC resonant converter in parallel with equal properties of flow
CN109818494B (en)High-gain voltage type quasi-Y source direct current-direct current converter
CN208337415U (en)The double LLC resonant converters of a kind of and cascaded structure full-bridge
CN114884365A (en)Three-phase converter
CN111555614A (en) Interleaved DC-DC converter for automobile dual power supply system and its control method
CN108023484B (en)A kind of multi-modal high-frequency resonant charging circuit
CN114301274B (en) A DC/DC conversion circuit and charging pile
CN113131742B (en)Wide voltage input four-tube Buck-Boost circuit
CN214674901U (en)Bidirectional double-transformer resonant converter
CN111682779B (en) Secondary-side Series LCD Excitation Energy Transfer Forward Converter Suppressing Backflow of Output Energy
CN110118903B (en) Equivalent full power test circuit and control method of DC port of power electronic transformer
KR20220170730A (en)Dc-dc converter

Legal Events

DateCodeTitleDescription
PB01Publication
PB01Publication
SE01Entry into force of request for substantive examination
SE01Entry into force of request for substantive examination
RJ01Rejection of invention patent application after publication

Application publication date:20201204

RJ01Rejection of invention patent application after publication

[8]ページ先頭

©2009-2025 Movatter.jp