Movatterモバイル変換


[0]ホーム

URL:


CN112039336A - Vehicle-mounted DC-DC conversion device and method and automobile - Google Patents

Vehicle-mounted DC-DC conversion device and method and automobile
Download PDF

Info

Publication number
CN112039336A
CN112039336ACN202010750275.2ACN202010750275ACN112039336ACN 112039336 ACN112039336 ACN 112039336ACN 202010750275 ACN202010750275 ACN 202010750275ACN 112039336 ACN112039336 ACN 112039336A
Authority
CN
China
Prior art keywords
voltage
stage
unit
output
circuit
Prior art date
Legal status (The legal status is an assumption and is not a legal conclusion. Google has not performed a legal analysis and makes no representation as to the accuracy of the status listed.)
Pending
Application number
CN202010750275.2A
Other languages
Chinese (zh)
Inventor
雷龙
宋泽琳
方明占
翟志伟
郭岩
瞿浩
Current Assignee (The listed assignees may be inaccurate. Google has not performed a legal analysis and makes no representation or warranty as to the accuracy of the list.)
Gree Electric Appliances Inc of Zhuhai
Original Assignee
Gree Electric Appliances Inc of Zhuhai
Priority date (The priority date is an assumption and is not a legal conclusion. Google has not performed a legal analysis and makes no representation as to the accuracy of the date listed.)
Filing date
Publication date
Application filed by Gree Electric Appliances Inc of ZhuhaifiledCriticalGree Electric Appliances Inc of Zhuhai
Priority to CN202010750275.2ApriorityCriticalpatent/CN112039336A/en
Publication of CN112039336ApublicationCriticalpatent/CN112039336A/en
Pendinglegal-statusCriticalCurrent

Links

Images

Classifications

Landscapes

Abstract

The invention discloses a vehicle-mounted DC-DC conversion device, a method and an automobile, wherein the device comprises: the first-stage conversion unit is used for performing first-stage voltage reduction conversion processing on the input voltage by taking the output voltage of a high-voltage storage battery of the automobile as the input voltage to obtain an intermediate voltage; and the second-stage conversion unit is used for carrying out second-stage voltage reduction conversion processing on the intermediate voltage to obtain low-voltage so as to supply the low-voltage load of the automobile to work. According to the scheme provided by the invention, the problem of low power supply efficiency of the vehicle-mounted power supply can be solved, and the effect of improving the power supply efficiency of the vehicle-mounted power supply is achieved.

Description

Vehicle-mounted DC-DC conversion device and method and automobile
Technical Field
The invention belongs to the technical field of vehicle-mounted power supplies, and particularly relates to a vehicle-mounted DC-DC conversion device, a vehicle-mounted DC-DC conversion method and an automobile, in particular to a vehicle-mounted DC-DC converter, an automobile with the vehicle-mounted DC-DC converter and a vehicle-mounted DC-DC conversion method.
Background
Electric vehicles have attracted much attention by virtue of their advantages of environmental protection, high efficiency, etc., and as the popularity of electric vehicles increases, research on their power systems has become a focus. The power source of the electric automobile comes from a high-voltage storage battery; the load is mainly divided into two parts, one part drives the motor and directly provides power for the electric automobile; the other part supplies power for low-voltage auxiliary loads, and comprises a head lamp, a wiper motor, an air conditioning fan, a sound device and the like. With the increasing intellectualization of electric automobiles, the power of low-voltage loads is also increased, but the power efficiency of the vehicle-mounted power supply is lower.
The above is only for the purpose of assisting understanding of the technical aspects of the present invention, and does not represent an admission that the above is prior art.
Disclosure of Invention
The invention aims to provide a vehicle-mounted DC-DC conversion device, a vehicle-mounted DC-DC conversion method and an automobile, which are used for solving the problem of low power efficiency of a vehicle-mounted power supply and achieving the effect of improving the power efficiency of the vehicle-mounted power supply.
The invention provides a vehicle-mounted DC-DC conversion device, comprising: a first-stage transformation unit and a second-stage transformation unit; the first-stage conversion unit and the second-stage conversion unit are sequentially arranged between the output end of a high-voltage storage battery of the automobile and the power supply end of a low-voltage load of the automobile; the first-stage conversion unit is used for performing first-stage voltage reduction conversion processing on an input voltage by taking the output voltage of a high-voltage storage battery of an automobile as the input voltage to obtain an intermediate voltage; and the second-stage conversion unit is used for carrying out second-stage voltage reduction conversion processing on the intermediate voltage to obtain low-voltage so as to supply the low-voltage load of the automobile to work.
Optionally, the method further comprises: a filtering unit; the filtering unit is arranged between the output end of a high-voltage storage battery of the automobile and the first-stage conversion unit; the filtering unit is used for taking the output voltage of a high-voltage storage battery of the automobile as an input voltage, filtering the input voltage and then outputting the filtered input voltage to the first-stage conversion unit.
Optionally, the filter circuit includes: the first inductor and the first capacitor form an LC filter.
Optionally, the first-stage transformation unit includes: the first-stage BUCK circuit and the first-stage filtering voltage stabilizing circuit; the second-stage transformation unit comprises: the second-stage BUCK circuit and the second-stage filtering voltage stabilizing circuit; the first-stage BUCK circuit is used for performing first-stage voltage reduction processing on input voltage by taking output voltage of a high-voltage storage battery of an automobile as the input voltage to obtain first voltage; the first-stage filtering voltage stabilizing circuit is used for carrying out first-stage filtering voltage stabilizing processing on the first voltage to obtain the intermediate voltage; the second-stage BUCK circuit is used for carrying out second-stage voltage reduction processing on the intermediate voltage to obtain a second voltage; and the second-stage filtering voltage stabilizing circuit is used for carrying out second-stage filtering voltage stabilizing treatment on the second voltage to obtain the low-voltage.
Optionally, the first stage BUCK circuit includes: the first switch tube, the second inductor, the third inductor, the first diode and the second diode; the first connection end of the first switch tube and the first connection end of the second switch tube are used as the first connection ends of the input end of the first-stage BUCK circuit; the second connection end of the first switch tube and the second connection end of the second switch tube are respectively used as the first connection end of the output end of the first-stage BUCK circuit after passing through the second inductor and the third inductor; the second connecting end of the first switch tube and the second connecting end of the second switch tube are respectively connected to the cathode of the first diode and the cathode of the second diode, and the anode of the first diode and the anode of the second diode are used as the second connecting end of the output end of the first-stage BUCK circuit.
Optionally, the second stage BUCK circuit includes: the third switching tube, the fourth switching tube, the fifth switching tube, the fourth inductor and the fifth inductor; the first connection end of the third switching tube and the first connection end of the fourth switching tube are used as the first connection ends of the input end of the second-stage BUCK circuit; the second connection end of the third switching tube and the second connection end of the fourth switching tube are respectively used as the first connection end of the output end of the second-stage BUCK circuit after passing through the fourth inductor and the fifth inductor; the second connection end of the third switch tube and the second connection end of the fourth switch tube are respectively connected to the source electrode of the fifth switch tube and the source electrode of the sixth switch tube, and the drain electrode of the fifth switch tube and the drain electrode of the sixth switch tube are used as the second connection end of the output end of the second-stage BUCK circuit.
Optionally, the method further comprises: the device comprises a first-stage conditioning unit, a second-stage conditioning unit, a driving unit and a control unit; the first-stage conditioning unit is used for generating a first control signal according to the input voltage, a first current at the output side of the first-stage conversion unit and the intermediate voltage; the control unit is used for controlling the drive circuit to work according to the first control signal so as to adjust the first-stage conversion unit and stabilize the intermediate voltage output by the first-stage conversion unit within a first set voltage range after adjustment; the second-stage conditioning unit is used for generating a second control signal according to the intermediate voltage, the second current at the output side of the second-stage conversion unit and the low-voltage; the control unit is further configured to control the driving circuit to operate according to the second control signal to adjust the second-stage conversion unit, and stabilize the low-voltage output by the second-stage conversion unit within a second set voltage range after adjustment.
In accordance with the above apparatus, a further aspect of the present invention provides an automobile comprising: the vehicle-mounted DC-DC converter described above.
In accordance with the above vehicle, a further aspect of the present invention provides an onboard DC-DC conversion method for a vehicle, including: performing first-stage voltage reduction conversion processing on the input voltage through a first-stage conversion unit to obtain an intermediate voltage; and performing second-stage voltage reduction conversion processing on the intermediate voltage through a second-stage conversion unit to obtain low-voltage for the low-voltage load of the automobile to work.
Optionally, the method further comprises: and by using the filtering unit, the output voltage of a high-voltage storage battery of the automobile is taken as the input voltage, and the input voltage is output to the first-stage conversion unit after being subjected to filtering processing.
Optionally, wherein, by the first-stage conversion unit, performing a first-stage buck conversion process on the input voltage to obtain an intermediate voltage, includes: the first-stage BUCK circuit is used for performing first-stage voltage reduction processing on the input voltage by taking the output voltage of a high-voltage storage battery of the automobile as the input voltage to obtain a first voltage; the first-stage filtering voltage stabilizing circuit is used for carrying out first-stage filtering voltage stabilizing processing on the first voltage to obtain the intermediate voltage; and performing second-stage buck conversion processing on the intermediate voltage through a second-stage conversion unit, wherein the second-stage buck conversion processing comprises the following steps: the second-stage BUCK circuit is used for carrying out second-stage voltage reduction processing on the intermediate voltage to obtain a second voltage; and the second-stage filtering voltage stabilizing circuit is used for carrying out second-stage filtering voltage stabilizing treatment on the second voltage to obtain the low-voltage.
Optionally, the method further comprises: generating a first control signal according to the input voltage, the first current at the output side of the first stage conversion unit and the intermediate voltage through a first stage conditioning unit; controlling the driving circuit to work according to the first control signal through a control unit so as to adjust the first-stage conversion unit and stabilize the intermediate voltage output by the first-stage conversion unit within a first set voltage range after adjustment; generating a second control signal according to the intermediate voltage, a second current at the output side of the second-stage conversion unit and the low-voltage through a second-stage conditioning unit; and the control unit is used for controlling the drive circuit to work according to the second control signal so as to adjust the second-stage conversion unit and stabilize the low-voltage output by the second-stage conversion unit within a second set voltage range after adjustment.
Therefore, according to the scheme of the invention, the output voltage of the high-voltage storage battery is subjected to primary filtering by the aid of the primary filter circuit, the two-stage BUCK circuit and the one-stage two-stage filtering and voltage stabilizing circuit, then two-stage voltage reduction and filtering and voltage stabilizing processing are performed, and the low-voltage power supply is output without arranging a transformer and a resonant inductor, so that the problem of low power efficiency of the vehicle-mounted power supply can be solved, and the effect of improving the power efficiency of the vehicle-mounted power supply is achieved; meanwhile, the problems of large volume and small power density of the vehicle-mounted power supply can be solved, and the effects of reducing the volume of the vehicle-mounted power supply and improving the power density of the vehicle-mounted power supply are achieved.
Additional features and advantages of the invention will be set forth in the description which follows, and in part will be obvious from the description, or may be learned by practice of the invention.
The technical solution of the present invention is further described in detail by the accompanying drawings and embodiments.
Drawings
Fig. 1 is a schematic structural diagram of an embodiment of an on-vehicle DC-DC conversion device according to the present invention;
FIG. 2 is a schematic structural diagram of an embodiment of a vehicle-mounted DC-DC conversion circuit;
FIG. 3 is a schematic diagram of an embodiment of a control system for a vehicle-mounted DC-DC converter circuit;
FIG. 4 is a schematic diagram of another embodiment of a control system for a vehicle-mounted DC-DC converter circuit;
FIG. 5 is a schematic flow chart diagram illustrating an embodiment of an on-board DC-DC conversion method of the present invention;
FIG. 6 is a schematic flow chart illustrating an embodiment of a first step-down process performed on the input voltage according to the method of the present invention;
FIG. 7 is a schematic flow chart illustrating one embodiment of a second step-down conversion process on the intermediate voltage according to the present invention;
FIG. 8 is a schematic flow chart diagram illustrating one embodiment of adjusting a first stage transform unit in the method of the present invention;
FIG. 9 is a flow chart illustrating an embodiment of adjusting the second stage transform unit in the method of the present invention.
Detailed Description
In order to make the objects, technical solutions and advantages of the present invention more apparent, the technical solutions of the present invention will be clearly and completely described below with reference to the specific embodiments of the present invention and the accompanying drawings. It is to be understood that the described embodiments are merely exemplary of the invention, and not restrictive of the full scope of the invention. All other embodiments, which can be derived by a person skilled in the art from the embodiments given herein without making any creative effort, shall fall within the protection scope of the present invention.
According to an embodiment of the present invention, there is provided a vehicle-mounted DC-DC conversion device. Referring to fig. 1, a schematic diagram of an embodiment of the apparatus of the present invention is shown. The on-vehicle DC-DC conversion device may include: a first-stage transformation unit and a second-stage transformation unit. The first-stage conversion unit and the second-stage conversion unit are sequentially arranged between the output end of a high-voltage storage battery of the automobile and the power supply end of a low-voltage load of the automobile.
In an optional example, the first-stage conversion unit may be configured to perform a first-stage step-down conversion process on an input voltage, which is an output voltage of a high-voltage battery of an automobile, to obtain an intermediate voltage.
Optionally, the first-stage transformation unit may include: the first-stage BUCK circuit and the first-stage filtering voltage stabilizing circuit.
Specifically, the first-stage BUCK circuit may be configured to perform a first-stage voltage reduction process on an input voltage, which is an output voltage of a high-voltage battery of an automobile, to obtain a first voltage.
Specifically, the first-stage filtering and voltage-stabilizing circuit may be configured to perform a first-stage filtering and voltage-stabilizing process on the first voltage to obtain the intermediate voltage.
More optionally, the first stage BUCK circuit may include: the circuit comprises a first switch tube (such as a switch tube G1), a second switch tube (such as a switch tube G2), a second inductor (such as an inductor L2), a third inductor (such as an inductor L3), a first diode (such as a diode D1) and a second diode (such as a diode D2).
A first connection end (for example, a collector of the switch tube G1) of the first switch tube and a first connection end (for example, a collector of the switch tube G2) of the second switch tube are used as a first connection end of an input end of the first-stage BUCK circuit, that is, a first end of a capacitor C1, and a second connection end of the input end of the first-stage BUCK circuit is a second end of a capacitor C1; the second connection end of the first switch tube (for example, the emitter of the switch tube G1) and the second connection end of the second switch tube (for example, the emitter of the switch tube G2) pass through the second inductor and the third inductor respectively and then are used as the first connection end of the output end of the first-stage BUCK circuit. The second connection terminal of the first switch tube (for example, the emitter of the switch tube G1), and the second connection terminal of the second switch tube (for example, the emitter of the switch tube G2) are further connected to the cathode of the first diode and the cathode of the second diode, respectively, and the anode of the first diode and the anode of the second diode serve as the second connection terminal of the output terminal of the first-stage BUCK circuit.
For example: after passing through the filter circuit LC, the input voltage Vin is reduced to Vm through the first-stage interactive BUCK circuit, and the switching tubes G1 and G2 adopt IGBTs or field effect transistors; d1 and D2 adopt high-voltage fast recovery diodes; l2, L3 use high frequency low power inductors; the C2 plays a role in voltage stabilization and filtering, the C2 can use a metallized polypropylene film capacitor, and the direct current filtering effect is good; the interactive BUCK circuit can effectively reduce the inductance of the inductor and the output current ripple, further effectively reduce the volumes of the inductor and the capacitor and increase the power density of the converter.
In an optional example, the second-stage conversion unit may be configured to perform a second-stage voltage reduction conversion process on the intermediate voltage to obtain a low-voltage, so as to be used by a low-voltage load of an automobile.
Therefore, by arranging the two-stage conversion unit, a transformer and a resonance inductor are omitted, the size is reduced, and the power consumption is reduced.
Optionally, the second-stage transformation unit may include: the second-stage BUCK circuit and the second-stage filtering voltage stabilizing circuit.
Specifically, the second-stage BUCK circuit may be configured to perform a second-stage BUCK process on the intermediate voltage to obtain a second voltage.
Specifically, the second-stage filtering and voltage stabilizing circuit may be configured to perform a second-stage filtering and voltage stabilizing process on the second voltage to obtain the low-voltage.
For example: an on-board DC-DC converter may include: the filter circuit, the first-stage BUCK circuit, the first filtering voltage stabilizing circuit, the second-stage BUCUK circuit and the second filtering voltage stabilizing circuit. The output voltage of the high-voltage storage battery is used as the input voltage Vin of the DC-DC converter, after the output voltage passes through the filter circuit, the first-stage BUCK circuit reduces the voltage to the intermediate voltage Vm, after the output voltage passes through the first filtering and voltage stabilizing circuit, the second-stage BUCK circuit reduces the voltage again and stably outputs the low voltage Vo after the output voltage passes through the second filtering and voltage stabilizing circuit.
Therefore, the transformer and the resonance inductor are not arranged through the first-stage BUCK circuit, the first-stage filtering voltage stabilizing circuit, the second-stage BUCK circuit and the second-stage filtering voltage stabilizing circuit, the size is reduced, and the power consumption is reduced.
More optionally, the second stage BUCK circuit may include: a third switching tube (for example, switching tube G3), a fourth switching tube (for example, switching tube G4), a fifth switching tube (for example, switching tube G5), a fifth switching tube (for example, switching tube G6), a fourth inductor (for example, inductor L4), and a fifth inductor (for example, inductor L5).
The first connection end of the third switching tube (for example, the drain of the switching tube G3) and the first connection end of the fourth switching tube (for example, the drain of the switching tube G4) are used as the first connection end of the input end of the second-stage BUCK circuit, that is, the first end of the capacitor C2, and the second connection end of the input end of the second-stage BUCK circuit is the second end of the capacitor C2; and a second connection end of the third switching tube (for example, a source electrode of the switching tube G3) and a second connection end of the fourth switching tube (for example, a source electrode of the switching tube G4) pass through the fourth inductor and the fifth inductor respectively and then are used as first connection ends of output ends of the second-stage BUCK circuit. The second connection end of the third switching tube (for example, the source electrode of the switching tube G3), and the second connection end of the fourth switching tube (for example, the source electrode of the switching tube G4) are further connected to the source electrode of the fifth switching tube and the source electrode of the sixth switching tube, respectively, and the drain electrode of the fifth switching tube and the drain electrode of the sixth switching tube serve as the second connection end of the output end of the second-stage BUCK circuit.
For example: the G5 and G6 use switching transistors, the field effect transistors are the best, the functions can be realized by using diodes, and under the condition that the current of the second stage is large, if the G5 and G6 use diodes, the power loss is large, and the heat generation is serious. And by using the switching tube, the voltage drop is far smaller than the conduction voltage drop of the diode when the field effect transistor is conducted, so that the power consumption can be effectively reduced, and the overall heat management effect of the converter is better.
In an alternative embodiment, the method may further include: a filtering unit (e.g., a filtering circuit). And the filtering unit is arranged between the output end of the high-voltage storage battery of the automobile and the first-stage conversion unit.
The filtering unit can be used for filtering the input voltage by taking the output voltage of a high-voltage storage battery of an automobile as the input voltage and then outputting the filtered input voltage to the first-stage conversion unit.
For example: the output voltage of the high-voltage storage battery is used as the input voltage Vin of the DC-DC converter, and is output to the first-stage conversion unit after being filtered by the filter circuit.
Therefore, after the output voltage of the high-voltage storage battery of the automobile is subjected to filtering processing through the filtering unit, the output voltage is output to the first-stage conversion unit, and the stability of the first-stage conversion unit for performing first-stage voltage reduction processing on the output voltage of the high-voltage storage battery is favorably improved.
In an alternative example, the filter circuit may include: a first inductor (e.g., inductor L1) and a first capacitor (e.g., capacitor C1) that form an LC filter (i.e., inductor L1 and capacitor C1 form an LC filter).
Therefore, primary filtering is performed by using the LC filter, the structure is simple, and the filtering effect is good.
In an alternative embodiment, the method may further include: the device comprises a first-stage conditioning unit, a second-stage conditioning unit, a driving unit and a control unit so as to execute the process of adjusting the first-stage conversion unit and the second-stage conversion unit.
In an optional example, the first stage conditioning unit may be configured to generate a first control signal according to the input voltage, a first current at an output side of the first stage conversion unit, and the intermediate voltage.
In an optional example, the control unit may be configured to control the driving circuit to operate according to the first control signal, so as to adjust the first-stage conversion unit, and stabilize an intermediate voltage output by the first-stage conversion unit after adjustment within a first set voltage range.
In an optional example, the second stage conditioning unit may be configured to generate a second control signal according to the intermediate voltage, a second current at an output side of the second stage conversion unit, and the low voltage.
In an optional example, the control unit may be further configured to control the driving circuit to operate according to the second control signal, so as to adjust the second-stage conversion unit, and stabilize a low-voltage output by the second-stage conversion unit within a second set voltage range after the adjustment.
Specifically, the first stage conditioning unit may be configured to generate a first control signal according to the input voltage, a first current at an output side of the first stage BUCK circuit, and the intermediate voltage; the control unit may be configured to control the driving circuit to operate according to the first control signal, so as to adjust the first-stage BUCK circuit, and stabilize an intermediate voltage output by the first-stage BUCK circuit within a first set voltage range after adjustment.
The second stage conditioning unit may be configured to generate a second control signal according to the intermediate voltage, a second current at an output side of the second stage BUCK circuit, and the low-voltage; the control unit can be further configured to control the driving circuit to operate according to the second control signal, so as to adjust the second-stage BUCK circuit, and stabilize the low-voltage output by the second-stage BUCK circuit within a second set voltage range after adjustment.
For example: the first-stage BUCK circuit samples an input voltage Vin, a first-stage current I1 and an intermediate voltage Vm, generates a pulse control signal according to a feedback voltage value and a feedback current value, and enables a switching control quantity to accurately follow a control reference in a switching period by adjusting the duty ratio of a switching device so as to stabilize the intermediate voltage at Vm. Similarly, the second-stage BUCK circuit samples the intermediate voltage Vm, the second-stage current I2 and the output voltage Vo, generates a pulse control signal according to the fed-back voltage value and current value, and enables the switching control quantity to accurately follow the control reference in a switching period by adjusting the duty ratio of the switching device, so that the output voltage is stabilized at Vo.
Therefore, the first-stage BUCK circuit and the second-stage BUCK circuit are adjusted through feedback values of output currents and output voltages of the first-stage BUCK circuit and the second-stage BUCK circuit, so that the output voltages of the corresponding BUCK circuits after adjustment can be stabilized within corresponding set voltage ranges, and the output voltages of the DC-DC converter are more stable and reliable.
Through a large number of tests, the technical scheme of the invention is adopted, and the output voltage of the high-voltage storage battery is subjected to primary filtering by arranging the primary filter circuit, the two-stage BUCK circuit and the primary two-stage filtering and voltage stabilizing circuit, and then two-stage voltage reduction and filtering and voltage stabilization processing are carried out to output the low-voltage power supply without arranging a transformer and a resonance inductor, so that the size and the power are smaller, and the power efficiency of the vehicle-mounted power supply can be improved.
According to the embodiment of the invention, the automobile corresponding to the vehicle-mounted DC-DC conversion device is also provided. The automobile may include: the vehicle-mounted DC-DC converter described above.
At present, a low-voltage large-current direct-current power supply based on a high-power semiconductor switch has become a hot point of domestic and foreign research, and a plurality of new topologies and control technologies are generated, so that the direct-current power supply has the advantages of high power density, high efficiency, energy conservation, environmental protection, light weight, small volume, good dynamic performance and strong adaptability, and is an inevitable requirement for the development of a DC-DC converter.
Before the advent of switching power supplies, electronic devices generally supplied with power from a linear power supply, the ac power is stepped down by a power frequency transformer, and then rectified and filtered to obtain a relatively stable dc voltage, but it varies with the fluctuation of the ac power supply and the variation of the load, and a voltage stabilizing circuit is also required in order to stably output the dc voltage. The voltage stabilizing circuit of the linear power supply is a high-power transistor which is connected in series in an output circuit and is called as an adjusting tube, under the regulation of a control circuit, the voltage of the transistor changes at any time according to the change condition of the output voltage, and the voltage of the adjusting tube is changed to stabilize the load voltage within a required numerical range. The linear power supply has two serious defects, one is that a power frequency transformer is needed, so that the volume and the weight of the whole power supply are difficult to reduce, and the miniaturization cannot be realized; the second is that the adjusting tube is connected in series in the circuit, the current of the adjusting tube is equal to or greater than the load current, the voltage at two ends of the adjusting tube is the difference between the rectified output and the load voltage, a large amount of power can be consumed unnecessarily, and the efficiency of the linear power supply is very low, generally only about 45%.
The traditional analog power supply has the problems of low power density, low efficiency, large volume, poor adjustment adaptability and the like. Digital control is becoming the mainstream of switching power supply design.
In an alternative embodiment, the scheme of the invention provides a novel vehicle-mounted DC-DC converter topology which is simple in structure, easy to control and high in efficiency; small volume, light weight and good dynamic performance. The vehicle-mounted power supply has limited space, the vehicle-mounted power supply has higher requirement on the volume, the volume cannot be too large, the switching power supply is a voltage-stabilized power supply taking a power electronic switching device as a core, the miniaturization and low power consumption of power supply equipment can be realized, the alternating current power supply is allowed to have a wider voltage fluctuation range, and meanwhile, the efficiency of the switching power supply can reach 85% -95%.
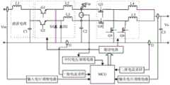
Fig. 2 is a circuit topology of a new on-board DC-DC converter. The vehicle-mounted DC-DC converter shown in fig. 2 may include: the filter circuit, the first-stage BUCK circuit, the first filtering voltage stabilizing circuit, the second-stage BUCUK circuit and the second filtering voltage stabilizing circuit. The output voltage of the high-voltage storage battery is used as the input voltage Vin of the DC-DC converter, after the output voltage passes through the filter circuit, the first-stage BUCK circuit reduces the voltage to the intermediate voltage Vm, after the output voltage passes through the first filtering and voltage stabilizing circuit, the second-stage BUCK circuit reduces the voltage again and stably outputs the low voltage Vo after the output voltage passes through the second filtering and voltage stabilizing circuit. A common on-board DC/DC power supply topology is an LLC resonant or phase-shifted full bridge. In fig. 2, a two-stage BUCK circuit is provided, without a transformer and a resonant inductor, so that the size and the power consumption are reduced.
Fig. 3 is a block diagram of a control system of the DC-DC converter. The control system of the DC-DC converter shown in fig. 3 may include: the device comprises a control unit (MCU), an input voltage conditioning circuit, an intermediate voltage conditioning circuit, an output voltage conditioning circuit, a primary current sampling circuit, a secondary current sampling circuit and a driving circuit. The control unit (MCU) can be a digital signal processing chip or other high-speed processors. The output voltage of the high-voltage storage battery is used as the input voltage Vin of the DC-DC converter, the input voltage Vin is reduced to an intermediate voltage Vm through the first-stage BUCK circuit after passing through the filter circuit, subjected to secondary voltage reduction through the first-stage BUCK circuit after passing through the first filter voltage stabilizing circuit, and subjected to low-voltage stabilizing output Vo through the second filter voltage stabilizing circuit.
The first-stage BUCK circuit samples an input voltage Vin, a first-stage current I1 and an intermediate voltage Vm, generates a pulse control signal according to a feedback voltage value and a feedback current value, and enables a switching control quantity to accurately follow a control reference in a switching period by adjusting the duty ratio of a switching device so as to stabilize the intermediate voltage at Vm. Similarly, the second-stage BUCK circuit samples the intermediate voltage Vm, the second-stage current I2 and the output voltage Vo, generates a pulse control signal according to the fed-back voltage value and current value, and enables the switching control quantity to accurately follow the control reference in a switching period by adjusting the duty ratio of the switching device, so that the output voltage is stabilized at Vo.
For example: the main chip generates a pulse control signal according to the input voltage, the output voltage and the input current by adopting a BOOST type PFC algorithm similar to a single period. The conditioning circuit amplifies or reduces, filters and inputs the sampling signal into the main chip for processing.
The common vehicle-mounted DC/DC power supply topology is an LLC resonance or phase-shifted full-bridge full-analog circuit, and the transformer output and resonance inductance part have large current, serious heating and large loss. In fig. 3, the two-stage BUCK circuit has no transformer and no resonant inductor, so that the size and the power consumption are reduced.
Fig. 4 is a preferred embodiment of the DC-DC converter, and the control unit (MCU) may be a digital signal processing chip or other high speed processor. Fig. 4 shows the preferred embodiment of fig. 3, wherein G5 and G6 use switching transistors, which are preferably field effect transistors, and can also function as diodes, and G5 and G6 use diodes, which have large power loss and generate heat more seriously under the condition of large secondary current. And by using the switching tube, the voltage drop is far smaller than the conduction voltage drop of the diode when the field effect transistor is conducted, so that the power consumption can be effectively reduced, and the overall heat management effect of the converter is better.
The first-stage BUCK circuit samples an input voltage Vin, a first-stage current I1 and an intermediate voltage Vm, generates a pulse control signal according to a feedback voltage value and a feedback current value, and enables a switching control quantity to accurately follow a control reference in a switching period by adjusting the duty ratio of a switching device so as to stabilize the intermediate voltage at Vm. Similarly, the second-stage BUCK circuit samples the intermediate voltage Vm, the second-stage current I2 and the output voltage Vo, generates a pulse control signal according to the fed-back voltage value and current value, and enables the switching control quantity to accurately follow the control reference in a switching period by adjusting the duty ratio of the switching device, so that the output voltage is stabilized at Vo.
After passing through the filter circuit LC, the input voltage Vin is reduced to Vm through the first-stage interactive BUCK circuit, and the switching tubes G1 and G2 adopt IGBTs or field effect transistors; d1 and D2 adopt high-voltage fast recovery diodes; l2, L3 use high frequency low power inductors; the C2 plays a role in voltage stabilization and filtering, the C2 can use a metallized polypropylene film capacitor, and the direct current filtering effect is good; the interactive BUCK circuit can effectively reduce the inductance of the inductor and the output current ripple, further effectively reduce the volumes of the inductor and the capacitor and increase the power density of the converter.
In the field of electric vehicles, the output voltage Vo of a DC-DC converter is mainly 24V or 48V. The mainstream of the input voltage Vin is 400V-800V, and the power of the vehicle-mounted DC-DC converter is in KW level, so that the current of the second-stage interactive BUCK circuit is large. If the inductors L4 and L5 need to be controlled to be small in size, the working frequencies of G3 and G4 need to be high, so that field effect transistors are selected; in order to reduce power loss, the G5 and G6 use switching transistors, preferably field effect transistors, and also use diodes to achieve functions, and under the condition that the current of the second stage is large, if the G5 and G6 use diodes, the power loss is large, and heat generation is serious. When the switching tube is used, the voltage drop is far smaller than the conduction voltage drop of the diode when the field effect transistor is conducted, and when the current in the circuit is larger, the power consumption can be effectively reduced, so that the overall heat management effect of the converter is better; the C3 capacitor has voltage stabilizing effect on the output voltage, ensures the stability of the output voltage and can use a metallized polypropylene film capacitor.
Among them, G1, G2, G3, G4, G5, and G6 are switching transistors, and MOS transistors, IGBTs, or other semiconductor switching transistors can be used. D1 and D2 can be replaced by MOS transistors or IGBTs integrated with body diodes.
For example: the diode is conducted in a single direction, and the control switch tube is conducted when the diode is conducted. The conduction voltage drop of the MOS tube is far smaller than that of the diode, and the MOS tube replaces the diode for rectification in the synchronous rectification circuit.
The invention discloses a DE FANG AN, which takes a vehicle-mounted DC converter as AN object and provides a new circuit topology and a corresponding new control system, wherein the scheme of a two-stage interactive DC buck chopper circuit and a second stage using a switching tube to replace a diode is obviously different from the existing DC converter, the circuit topology has obvious innovation, and the corresponding control system is also different.
Since the processing and functions of the automobile of this embodiment are basically corresponding to the embodiment, principle and example of the device shown in fig. 1, the description of this embodiment is not given in detail, and reference may be made to the related description in the foregoing embodiment, which is not described herein again.
Through a large number of tests, the technical scheme of the invention is adopted, the output voltage of the high-voltage storage battery is subjected to first-stage filtering by arranging the first-stage filter circuit, the two-stage BUCK circuit and the first-stage two-stage filtering and voltage stabilizing circuit, then two-stage voltage reduction and filtering and voltage stabilization processing are carried out, the low-voltage power supply is output, a pulse control signal is generated according to a feedback voltage value and a feedback current value in the two-stage voltage stabilization processing process, the switching control quantity accurately follows a control reference in a switching period by adjusting the duty ratio of a switching device, the intermediate voltage is stabilized at the voltage reduction position of the corresponding voltage reduction stage, and the stability and reliability of the output voltage can be improved.
According to the embodiment of the invention, an on-board DC-DC conversion method for an automobile corresponding to the automobile is also provided, as shown in fig. 5, which is a schematic flow chart of an embodiment of the method of the invention. The vehicle-mounted DC-DC conversion method of the automobile can comprise the following steps: step S110 and step S120.
In step S110, a first step-down conversion process is performed on an input voltage by a first step conversion unit using an output voltage of a high-voltage battery of the automobile as the input voltage, to obtain an intermediate voltage.
Optionally, in step S110, the output voltage of the high-voltage battery of the automobile is used as the input voltage by the first-stage conversion unit, and the first-stage step-down conversion processing is performed on the input voltage to obtain the intermediate voltage, which may be referred to in the following exemplary description.
With reference to the flowchart of fig. 6, a specific process of performing the first-stage voltage reduction processing on the input voltage in step S110 is further described, where the specific process includes: step S210 and step S220.
Step S210, the first-stage BUCK circuit may be configured to perform a first-stage voltage reduction process on an input voltage using an output voltage of a high-voltage battery of the automobile as the input voltage, so as to obtain a first voltage.
In step S220, the first filtering and voltage stabilizing circuit may be configured to perform a first filtering and voltage stabilizing process on the first voltage to obtain the intermediate voltage.
In step S120, a second step-down conversion process is performed on the intermediate voltage through a second step-down conversion unit to obtain a low-voltage for the low-voltage load of the vehicle to work.
Therefore, by arranging the two-stage conversion unit, a transformer and a resonance inductor are omitted, the size is reduced, and the power consumption is reduced.
Optionally, in step S120, a specific process of performing a second-stage step-down conversion process on the intermediate voltage by using a second-stage conversion unit may be referred to as the following exemplary description.
The following further describes a specific process of performing the second-stage buck conversion processing on the intermediate voltage in step S120 with reference to a flowchart of an embodiment of performing the second-stage buck conversion processing on the intermediate voltage in the method of the present invention shown in fig. 7, where the specific process may include: step S310 and step S320.
In step S310, the second stage BUCK circuit may be configured to perform a second stage voltage reduction process on the intermediate voltage to obtain a second voltage.
In step S320, the second filtering voltage stabilizing circuit may be configured to perform a second filtering voltage stabilizing process on the second voltage to obtain the low voltage.
For example: an on-board DC-DC converter may include: the filter circuit, the first-stage BUCK circuit, the first filtering voltage stabilizing circuit, the second-stage BUCUK circuit and the second filtering voltage stabilizing circuit. The output voltage of the high-voltage storage battery is used as the input voltage Vin of the DC-DC converter, after the output voltage passes through the filter circuit, the first-stage BUCK circuit reduces the voltage to the intermediate voltage Vm, after the output voltage passes through the first filtering and voltage stabilizing circuit, the second-stage BUCK circuit reduces the voltage again and stably outputs the low voltage Vo after the output voltage passes through the second filtering and voltage stabilizing circuit.
Therefore, the transformer and the resonance inductor are not arranged through the first-stage BUCK circuit, the first-stage filtering voltage stabilizing circuit, the second-stage BUCK circuit and the second-stage filtering voltage stabilizing circuit, the size is reduced, and the power consumption is reduced.
In an alternative embodiment, the method may further include: and by using the filtering unit, the output voltage of a high-voltage storage battery of the automobile is taken as the input voltage, and the input voltage is output to the first-stage conversion unit after being subjected to filtering processing.
For example: the output voltage of the high-voltage storage battery is used as the input voltage Vin of the DC-DC converter, and is output to the first-stage conversion unit after being filtered by the filter circuit.
Therefore, after the output voltage of the high-voltage storage battery of the automobile is subjected to filtering processing through the filtering unit, the output voltage is output to the first-stage conversion unit, and the stability of the first-stage conversion unit for performing first-stage voltage reduction processing on the output voltage of the high-voltage storage battery is favorably improved.
In an alternative embodiment, the method may further include: and adjusting the first-stage conversion unit and the second-stage conversion unit.
Optionally, a specific process of adjusting the first-stage transformation unit may be further described with reference to a flowchart of an embodiment of adjusting the first-stage transformation unit in the method of the present invention shown in fig. 8, where the specific process may include: step S410 and step S420.
Step S410, generating a first control signal according to the input voltage, the first current at the output side of the first stage conversion unit, and the intermediate voltage by a first stage conditioning unit.
Step S420, controlling, by the control unit, the driving circuit to operate according to the first control signal, so as to adjust the first-stage conversion unit, and stabilize the intermediate voltage output by the adjusted first-stage conversion unit within a first set voltage range.
Optionally, a specific process of adjusting the second-stage transformation unit may be further described with reference to a flowchart of an embodiment of adjusting the second-stage transformation unit in the method of the present invention shown in fig. 9, where the specific process may include: step S510 and step S520.
Step S510, generating, by a second stage conditioning unit, a second control signal according to the intermediate voltage, a second current at an output side of the second stage conversion unit, and the low voltage.
And step S520, controlling the driving circuit to work according to the second control signal through the control unit so as to adjust the second-stage conversion unit and stabilize the low-voltage output by the second-stage conversion unit within a second set voltage range after adjustment.
Specifically, the first stage conditioning unit may be configured to generate a first control signal according to the input voltage, a first current at an output side of the first stage BUCK circuit, and the intermediate voltage; the control unit may be configured to control the driving circuit to operate according to the first control signal, so as to adjust the first-stage BUCK circuit, and stabilize an intermediate voltage output by the first-stage BUCK circuit within a first set voltage range after adjustment.
The second stage conditioning unit may be configured to generate a second control signal according to the intermediate voltage, a second current at an output side of the second stage BUCK circuit, and the low-voltage; the control unit can be further configured to control the driving circuit to operate according to the second control signal, so as to adjust the second-stage BUCK circuit, and stabilize the low-voltage output by the second-stage BUCK circuit within a second set voltage range after adjustment.
For example: the first-stage BUCK circuit samples an input voltage Vin, a first-stage current I1 and an intermediate voltage Vm, generates a pulse control signal according to a feedback voltage value and a feedback current value, and enables a switching control quantity to accurately follow a control reference in a switching period by adjusting the duty ratio of a switching device so as to stabilize the intermediate voltage at Vm. Similarly, the second-stage BUCK circuit samples the intermediate voltage Vm, the second-stage current I2 and the output voltage Vo, generates a pulse control signal according to the fed-back voltage value and current value, and enables the switching control quantity to accurately follow the control reference in a switching period by adjusting the duty ratio of the switching device, so that the output voltage is stabilized at Vo.
Therefore, the first-stage BUCK circuit and the second-stage BUCK circuit are adjusted through feedback values of output currents and output voltages of the first-stage BUCK circuit and the second-stage BUCK circuit, so that the output voltages of the corresponding BUCK circuits after adjustment can be stabilized within corresponding set voltage ranges, and the output voltages of the DC-DC converter are more stable and reliable.
Since the processing and functions implemented by the method of this embodiment substantially correspond to the embodiments, principles and examples of the automobile, reference may be made to the related descriptions in the foregoing embodiments without being detailed in the description of this embodiment, which is not described herein.
Through a large number of tests, the technical scheme of the embodiment is adopted, and the one-level filter circuit, the two-level BUCK circuit and the one-level two-level filter voltage stabilizing circuit are arranged, so that the output voltage of the high-voltage storage battery is subjected to one-level filtering, then two-level voltage reduction and filtering voltage stabilization processing are carried out, a low-voltage power supply is output, and the switching tube is adopted for control in voltage stabilization processing, so that the power consumption can be effectively reduced, and the overall heat management effect of the converter is improved.
In summary, it is readily understood by those skilled in the art that the advantageous modes described above can be freely combined and superimposed without conflict.
The above description is only an example of the present invention, and is not intended to limit the present invention, and it is obvious to those skilled in the art that various modifications and variations can be made in the present invention. Any modification, equivalent replacement, or improvement made within the spirit and principle of the present invention should be included in the scope of the claims of the present invention.

Claims (12)

CN202010750275.2A2020-07-302020-07-30Vehicle-mounted DC-DC conversion device and method and automobilePendingCN112039336A (en)

Priority Applications (1)

Application NumberPriority DateFiling DateTitle
CN202010750275.2ACN112039336A (en)2020-07-302020-07-30Vehicle-mounted DC-DC conversion device and method and automobile

Applications Claiming Priority (1)

Application NumberPriority DateFiling DateTitle
CN202010750275.2ACN112039336A (en)2020-07-302020-07-30Vehicle-mounted DC-DC conversion device and method and automobile

Publications (1)

Publication NumberPublication Date
CN112039336Atrue CN112039336A (en)2020-12-04

Family

ID=73583546

Family Applications (1)

Application NumberTitlePriority DateFiling Date
CN202010750275.2APendingCN112039336A (en)2020-07-302020-07-30Vehicle-mounted DC-DC conversion device and method and automobile

Country Status (1)

CountryLink
CN (1)CN112039336A (en)

Cited By (1)

* Cited by examiner, † Cited by third party
Publication numberPriority datePublication dateAssigneeTitle
CN115842387A (en)*2022-08-192023-03-24宁德时代新能源科技股份有限公司Regulating circuit, energy storage system and control method of regulating circuit

Citations (6)

* Cited by examiner, † Cited by third party
Publication numberPriority datePublication dateAssigneeTitle
CN101626212A (en)*2009-07-312010-01-13东南大学Auxiliary power supply device of hybrid-power electric vehicle based on waste heat and photovoltaic generation
CN102904444A (en)*2012-08-072013-01-30上海交通大学 DC/DC Conversion and Control System Based on Proton Exchange Membrane Fuel Cell
CN107947575A (en)*2017-12-142018-04-20东北电力大学Modularization can the double Buck tandem cell charger main circuit topologies of connection in series-parallel
CN107994772A (en)*2017-12-292018-05-04华中科技大学A kind of DC-DC converter
JP6380623B1 (en)*2017-07-112018-08-29オムロン株式会社 DC / DC converter, power conditioner, and power supply system
CN109067174A (en)*2018-08-212018-12-21广州金升阳科技有限公司A kind of switch converters

Patent Citations (6)

* Cited by examiner, † Cited by third party
Publication numberPriority datePublication dateAssigneeTitle
CN101626212A (en)*2009-07-312010-01-13东南大学Auxiliary power supply device of hybrid-power electric vehicle based on waste heat and photovoltaic generation
CN102904444A (en)*2012-08-072013-01-30上海交通大学 DC/DC Conversion and Control System Based on Proton Exchange Membrane Fuel Cell
JP6380623B1 (en)*2017-07-112018-08-29オムロン株式会社 DC / DC converter, power conditioner, and power supply system
CN107947575A (en)*2017-12-142018-04-20东北电力大学Modularization can the double Buck tandem cell charger main circuit topologies of connection in series-parallel
CN107994772A (en)*2017-12-292018-05-04华中科技大学A kind of DC-DC converter
CN109067174A (en)*2018-08-212018-12-21广州金升阳科技有限公司A kind of switch converters

Cited By (1)

* Cited by examiner, † Cited by third party
Publication numberPriority datePublication dateAssigneeTitle
CN115842387A (en)*2022-08-192023-03-24宁德时代新能源科技股份有限公司Regulating circuit, energy storage system and control method of regulating circuit

Similar Documents

PublicationPublication DateTitle
CN102801329B (en)High-efficiency and low-loss AC/DC (Alternating Current/Direct Current) power supply circuit and control method thereof
CN111181408B (en) A kind of resonant converter and control method based on hybrid rectifier structure
Bodur et al.A new ZVT snubber cell for PWM-PFC boost converter
CN108512256B (en)Multifunctional vehicle-mounted charge-discharge integrated system
Moo et al.Twin-buck converter with zero-voltage transition
Chen et al.Design and implementation of a transformerless single-stage single-switch double-buck converter with low DC-link voltage, high step-down, and constant input power factor features
Liu et al.A multi-frequency PCCM ZVS modulation scheme for optimizing overall efficiency of four-switch buck–boost converter with wide input and output voltage ranges
Wang et al.A Dynamic Control Method for Buck+ $ LLC $ Cascaded Converter With a Wide Input Voltage Range
KR102371910B1 (en)Dc-dc converter
CN110768538B (en) Vehicle auxiliary power supply DC-DC converter and control method thereof
CN112039336A (en)Vehicle-mounted DC-DC conversion device and method and automobile
Naidu et al.A novel single switched high gain isolated dc-dc converter for electrical vehicles and charging applications
Nadeem et al.EV Battery Charging Converters with Wide Output DC Voltage Range
Wang et al.High-efficiency high-power bridgeless integrated AC-DC converter for on-board vehicle battery charger
CN105846674A (en)Non-isolation and high-transformation-ratio bidirectional direct-current converter
Zhu et al.LLC resonant converter with partial-power auxiliary DC/DC module for wide-range output applications
Singh et al.Implementation of an e-bike charger using Cuk converter and resonant LLC converter
Nagabalan et al.An improved single stage phase shifted control based AC–DC PFC converter for wireless applications
CN210693773U (en) Vehicle Auxiliary Power DC-DC Converter
Kajiwara et al.Performance Mechanism of Active Clamp Resonant SEPIC Converter in Renewable Energy Systems
CN113630009A (en)High-performance non-isolated bidirectional direct current converter and control method thereof
CN113726150A (en)Bidirectional converter with boosting and reducing functions and method
CN117922334B (en)Charging and distribution control system and charging and distribution system
CN118611427B (en) DC converter and circuit breaker
NK et al.Bridgeless Buck-Boost Converter for Power Factor Correction in an Isolated Cuk Converter Driven EV Charger

Legal Events

DateCodeTitleDescription
PB01Publication
PB01Publication
SE01Entry into force of request for substantive examination
SE01Entry into force of request for substantive examination
RJ01Rejection of invention patent application after publication
RJ01Rejection of invention patent application after publication

Application publication date:20201204


[8]ページ先頭

©2009-2025 Movatter.jp