





技术领域technical field
本发明涉及一种试验区域周界报警及越限断电装置及方法,属于变电试验设备技术领域。The invention relates to a device and method for alarming and power-off at the perimeter of a test area, belonging to the technical field of substation test equipment.
背景技术Background technique
依据变电安全规范,在进行高压试验的专用场所,应设置常设遮拦或围栏,试验过程中任何人不得进出试验场所。而由于某些人员安全意识薄弱,习惯性违章的现象时有发生。在试验过程中,存在其他人员打开或翻越常设围栏的情况,违规进入试验场地后误碰带电设备导致人身伤亡;或在试验过程中,监护人临时离开现场,操作人独自进行试验项目,极易误操作,严重违反安全规程。According to the substation safety regulations, in the special place for high-voltage test, a permanent screen or fence should be set up, and no one is allowed to enter or leave the test site during the test. However, due to the weak safety awareness of some personnel, habitual violations occur from time to time. During the test, there are situations where other personnel open or climb over the permanent fence, and enter the test site illegally and accidentally touch the live equipment, resulting in personal injury or death; or during the test process, the guardian temporarily leaves the site, and the operator conducts the test project alone, which is very easy to mistake. operation, a serious violation of safety regulations.
发明内容SUMMARY OF THE INVENTION
本发明目的是提供一种试验区域周界报警及越限断电装置及方法,通过在常设围栏及其前端试验区域的边界设置报警和断电装置,在进行高压试验时,打开围栏门会进行报警,且无论进/出试验场地均会触发红外传感器,届时试验电源会自动断电,强行终止试验,直到按下复归按钮方能恢复供电,保证现场人员的安全;若进行高压试验,本系统自动带电运行,无需单独进行启动,进一步提高了试验的安全性;成本低,安全性高,也可用于其他类似生产试验场所,具有普适性,有效地解决了背景技术中存在的上述问题。The purpose of the present invention is to provide a device and method for alarming and power-off at the perimeter of the test area. Alarm, and the infrared sensor will be triggered regardless of entering/exiting the test site. At that time, the test power supply will be automatically cut off and the test will be forcibly terminated. The power supply can be restored until the reset button is pressed to ensure the safety of on-site personnel; if a high-voltage test is performed, the system will The automatic live operation does not need to be started separately, which further improves the safety of the test; the cost is low and the safety is high, and it can also be used in other similar production test sites, which is universal and effectively solves the above problems in the background technology.
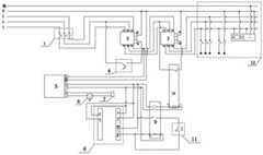
本发明的技术方案是:一种试验区域周界报警及越限断电装置,包含总空开、交流接触器一、交流接触器二、旋钮开关、开关电源、行程开关、蜂鸣器、红外光栅对射探测器、中间继电器一、中间继电器二、复归按钮、试验电源和常设围栏,所述总空开通过交流接触器一和旋钮开关连接组成启动电路,并与试验电源连接;开关电源、行程开关和蜂鸣器连接组成报警电路,安装在常设围栏的围栏门连接处;红外光栅对射探测器、中间继电器一、中间继电器二和交流接触器二依次连接组成断电电路,红外光栅对射探测器安装在常设围栏前端试验区域的边界;红外光栅对射探测器、中间继电器一和复归按钮依次连接组成断电保持电路;启动电路分别与报警电路、断电电路和断电保持电路连接,开关电源分别为报警电路、断电电路和断电保持电路供电。The technical scheme of the present invention is: a perimeter alarm and limit power-off device in a test area, comprising a total air circuit breaker, an AC contactor, a second AC contactor, a knob switch, a switching power supply, a travel switch, a buzzer, an infrared Grating beam detector,
所述行程开关型号为D4V-8108SZ-N,蜂鸣器为低功率的小型蜂鸣器。The model of the travel switch is D4V-8108SZ-N, and the buzzer is a small buzzer with low power.
所述红外光栅对射探测器由发射杆及接收杆配对组成。The infrared grating on-beam detector is composed of a pair of transmitting rods and receiving rods.
所述试验电源包含空开及插座,空开及插座的数量为一个以上。The test power supply includes air switches and sockets, and the number of air switches and sockets is more than one.
还设有试验电源箱,总空开、交流接触器一、交流接触器二、开关电源、中间继电器一、中间继电器二和试验电源安装在试验电源箱的内部,旋钮开关和复归按钮安装在试验电源箱的外表面。There is also a test power box. The main air circuit breaker,
一种试验区域周界报警及越限断电方法,采用上述装置,包含如下步骤:A method for alarming and power-off at the perimeter of a test area, using the above-mentioned device, comprising the following steps:
①在进行高压试验前的准备工作结束后,关闭常设围栏的围栏门,开始试验;① After the preparatory work before the high-voltage test is completed, close the fence gate of the permanent fence and start the test;
②试验时先合上总空开,报警电路、断电电路以及试验电源同时带电,此时可开始进行试验;② During the test, first close the main air circuit breaker, the alarm circuit, the power-off circuit and the test power supply are charged at the same time, and the test can be started at this time;
③若试验过程中有人试图进入试验区域,打开常设围栏的围栏门会带动行程开关的转臂,行程开关的触点动作导通报警电路,蜂鸣器报警,提醒此人违规进入试验区域;③ If someone tries to enter the test area during the test, opening the fence door of the permanent fence will drive the arm of the travel switch, the contact action of the travel switch will turn on the alarm circuit, and the buzzer will alarm, reminding the person to enter the test area in violation of regulations;
④若此人不理会报警并走进试验区域,会经过红外光栅对射探测器,红外光栅对射探测器的常开触点会先闭合然后分开,闭合时导通断电电路,此时中间继电器一的导磁体(线圈)带电,衔铁被吸向导磁体,同时衔铁压动触点弹片,使其三个常开触点闭合,其中一个触点导通断电保持电路,在红外光栅对射探测器的常开触点分开后可继续为中间继电器一供电;其余两个触点闭合后为中间继电器二供电,中间继电器二导磁体(线圈)带电后,其常闭触点断开,致使交流接触器二断电,试验电源失电,试验被强制中断;④If the person ignores the alarm and walks into the test area, he will pass the infrared grating opposite-beam detector. The normally open contact of the infrared grating opposite-beam detector will be closed first and then separated. When closed, the power-off circuit will be turned on. The magnet guide (coil) of
⑤断电保持电路会将此状态一直保持下去,直到按下复归按钮,中间继电器一失电,常开触点复位,继而中间继电器二失电,常闭触点复位,而后交流接触器二导通,恢复对试验电源的供电;⑤ The power-off hold circuit will keep this state until the reset button is pressed, once the intermediate relay is de-energized, the normally open contact is reset, and then the second intermediate relay is de-energized, the normally closed contact is reset, and then the second AC contactor leads Turn on, restore the power supply to the test power supply;
⑥若试验过程中,任何试验人员离开试验区域,也会经过红外光栅对射探测器,继而试验被强制中断,从而避免不良后果的产生。⑥ If any test personnel leave the test area during the test, they will also pass through the infrared grating to reflect the detector, and then the test is forcibly interrupted, thereby avoiding adverse consequences.
本发明的有益效果是:通过在常设围栏及其前端试验区域的边界设置报警和断电装置,在进行高压试验时,打开围栏门会进行报警,且无论进/出试验场地均会触发红外传感器,届时试验电源会自动断电,强行终止试验,直到按下复归按钮方能恢复供电,保证现场人员的安全;若进行高压试验,本系统自动带电运行,无需单独进行启动,进一步提高了试验的安全性;成本低,安全性高,也可用于其他类似生产试验场所,具有普适性。The beneficial effects of the present invention are: by setting the alarm and power-off device at the boundary of the permanent fence and its front-end test area, when the high-voltage test is performed, the fence door will be opened to give an alarm, and the infrared sensor will be triggered regardless of entering/exiting the test site. At that time, the test power supply will be automatically cut off, the test will be forcibly terminated, and the power supply will be restored until the reset button is pressed to ensure the safety of the on-site personnel; if the high-voltage test is performed, the system will automatically run with power on, and there is no need to start it separately, which further improves the test performance. Safety; low cost, high safety, can also be used in other similar production test sites, with universality.
附图说明Description of drawings
图1是本发明的总电路图;Fig. 1 is the general circuit diagram of the present invention;
图2是本发明的启动电路图;Fig. 2 is the starting circuit diagram of the present invention;
图3是本发明的报警电路图;Fig. 3 is the alarm circuit diagram of the present invention;
图4是本发明的断电电路图;Fig. 4 is the power-off circuit diagram of the present invention;
图5是本发明的断电保持电路图;Fig. 5 is the power-off holding circuit diagram of the present invention;
图6是本发明的结构示意图;Fig. 6 is the structural representation of the present invention;
图中:总空开1、交流接触器一2、交流接触器二3、旋钮开关4、开关电源5、行程开关6、蜂鸣器7、红外光栅对射探测器8、中间继电器一9、中间继电器二10、复归按钮11、试验电源12、常设围栏13、试验电源箱14、绝缘垫15。In the figure:
具体实施方式Detailed ways
下面结合附图与实施例对本发明技术方案作进一步详细的说明。The technical solutions of the present invention will be described in further detail below with reference to the accompanying drawings and embodiments.
一种试验区域周界报警及越限断电装置,包含总空开1、交流接触器一2、交流接触器二3、旋钮开关4、开关电源5、行程开关6、蜂鸣器7、红外光栅对射探测器8、中间继电器一9、中间继电器二10、复归按钮11、试验电源12和常设围栏13,所述总空开1通过交流接触器一2和旋钮开关4连接组成启动电路,并与试验电源12连接;开关电源5、行程开关6和蜂鸣器7连接组成报警电路,安装在常设围栏13的围栏门连接处;红外光栅对射探测器8、中间继电器一9、中间继电器二10和交流接触器二3依次连接组成断电电路,红外光栅对射探测器8安装在常设围栏13前端试验区域的边界;红外光栅对射探测器8、中间继电器一9和复归按钮11依次连接组成断电保持电路;启动电路分别与报警电路、断电电路和断电保持电路连接,开关电源5分别为报警电路、断电电路和断电保持电路供电。A test area perimeter alarm and limit power-off device, including a
所述行程开关6型号为D4V-8108SZ-N,蜂鸣器7为低功率的小型蜂鸣器。The model of the
所述红外光栅对射探测器8由发射杆及接收杆配对组成。The infrared grating on-
所述试验电源12包含空开及插座,空开及插座的数量为一个以上,满足试验用电要求。The
还设有试验电源箱14,将总空开1、交流接触器一2、交流接触器二3、开关电源5、中间继电器一9、中间继电器二10和试验电源12安装在试验电源箱14的内部,旋钮开关4和复归按钮11安装在试验电源箱14的外表面。There is also a test
一种试验区域周界报警及越限断电方法,采用上述装置,包含如下步骤:A method for alarming and power-off at the perimeter of a test area, using the above-mentioned device, comprising the following steps:
①在进行高压试验前的准备工作结束后,关闭常设围栏13的围栏门,开始试验;① After the preparatory work before the high-voltage test is completed, close the fence gate of the
②试验时先合上总空开1,报警电路、断电电路以及试验电源12同时带电,此时可开始进行试验;② During the test, first close the
③若试验过程中有人试图进入试验区域,打开常设围栏13的围栏门会带动行程开关6的转臂,行程开关6的触点动作导通报警电路,蜂鸣器7报警,提醒此人违规进入试验区域;③ If someone tries to enter the test area during the test, opening the fence door of the
④若此人不理会报警并走进试验区域,会经过红外光栅对射探测器8,红外光栅对射探测器8的常开触点会先闭合然后分开,闭合时导通断电电路,此时中间继电器一9的导磁体(线圈)带电,衔铁被吸向导磁体,同时衔铁压动触点弹片,使其三个常开触点闭合,其中一个触点导通断电保持电路,在红外光栅对射探测器8的常开触点分开后可继续为中间继电器一9供电;其余两个触点闭合后为中间继电器二10供电,中间继电器二10导磁体(线圈)带电后,其常闭触点断开,致使交流接触器二3断电,试验电源12失电,试验被强制中断;④If the person ignores the alarm and walks into the test area, he will pass through the infrared grating opposite-
⑤断电保持电路会将此状态一直保持下去,直到按下复归按钮11,中间继电器一9失电,常开触点复位,继而中间继电器二10失电,常闭触点复位,而后交流接触器二3导通,恢复对试验电源12的供电;⑤ The power-off holding circuit will keep this state until the
⑥若试验过程中,任何试验人员离开试验区域,也会经过红外光栅对射探测器8,继而试验被强制中断,从而避免不良后果的产生。⑥ If any test personnel leave the test area during the test, they will also pass through the infrared
| Application Number | Priority Date | Filing Date | Title |
|---|---|---|---|
| CN202010865176.9ACN111987694B (en) | 2020-08-25 | 2020-08-25 | Test area perimeter alarm and out-of-limit power-off device and method |
| Application Number | Priority Date | Filing Date | Title |
|---|---|---|---|
| CN202010865176.9ACN111987694B (en) | 2020-08-25 | 2020-08-25 | Test area perimeter alarm and out-of-limit power-off device and method |
| Publication Number | Publication Date |
|---|---|
| CN111987694Atrue CN111987694A (en) | 2020-11-24 |
| CN111987694B CN111987694B (en) | 2022-07-08 |
| Application Number | Title | Priority Date | Filing Date |
|---|---|---|---|
| CN202010865176.9AActiveCN111987694B (en) | 2020-08-25 | 2020-08-25 | Test area perimeter alarm and out-of-limit power-off device and method |
| Country | Link |
|---|---|
| CN (1) | CN111987694B (en) |
| Publication number | Priority date | Publication date | Assignee | Title |
|---|---|---|---|---|
| CN113470286A (en)* | 2021-06-21 | 2021-10-01 | 广东韶钢松山股份有限公司 | Safety warning device and safety warning method |
| CN115051464A (en)* | 2021-10-25 | 2022-09-13 | 国网浙江省电力有限公司衢州供电公司 | Wireless electronic fence intelligent test power box |
| CN115372774A (en)* | 2022-09-20 | 2022-11-22 | 华拓电力装备集团有限公司 | A high-voltage test safety protection device with face recognition and infrared detection |
| Publication number | Priority date | Publication date | Assignee | Title |
|---|---|---|---|---|
| US20060087773A1 (en)* | 2004-10-08 | 2006-04-27 | Papenbreer Rudolf L | Configurable modular safety system |
| CA2648972A1 (en)* | 2007-12-24 | 2009-06-24 | Yaron Mayer | System and method for improved electric cars and/or electric car batteries and/or improved infrastructures for recharging electric cars |
| CN202183589U (en)* | 2011-08-18 | 2012-04-04 | 陕西航空电气有限责任公司 | Over-voltage protection device in test platform of electrical product |
| CN203039348U (en)* | 2013-01-17 | 2013-07-03 | 天津市电力公司 | Circuit used to unkeep test field active infrared safe fence |
| CN103310573A (en)* | 2013-05-24 | 2013-09-18 | 国家电网公司 | High-voltage test area alarming device |
| CN104574810A (en)* | 2015-01-14 | 2015-04-29 | 国网冀北电力有限公司廊坊供电公司 | Infrared safety monitoring device and device for safety protection during high-voltage test |
| CN205541279U (en)* | 2015-10-02 | 2016-08-31 | 中国大唐集团科学技术研究院有限公司西北分公司 | High -voltage testing alarm device |
| US20170243455A1 (en)* | 2013-03-15 | 2017-08-24 | August Home, Inc. | Door lock system with one or more virtual fences |
| CN212649091U (en)* | 2020-08-25 | 2021-03-02 | 国网冀北电力有限公司唐山供电公司 | A test area perimeter alarm and over-limit power-off device |
| Publication number | Priority date | Publication date | Assignee | Title |
|---|---|---|---|---|
| US20060087773A1 (en)* | 2004-10-08 | 2006-04-27 | Papenbreer Rudolf L | Configurable modular safety system |
| CA2648972A1 (en)* | 2007-12-24 | 2009-06-24 | Yaron Mayer | System and method for improved electric cars and/or electric car batteries and/or improved infrastructures for recharging electric cars |
| CN202183589U (en)* | 2011-08-18 | 2012-04-04 | 陕西航空电气有限责任公司 | Over-voltage protection device in test platform of electrical product |
| CN203039348U (en)* | 2013-01-17 | 2013-07-03 | 天津市电力公司 | Circuit used to unkeep test field active infrared safe fence |
| US20170243455A1 (en)* | 2013-03-15 | 2017-08-24 | August Home, Inc. | Door lock system with one or more virtual fences |
| CN103310573A (en)* | 2013-05-24 | 2013-09-18 | 国家电网公司 | High-voltage test area alarming device |
| CN104574810A (en)* | 2015-01-14 | 2015-04-29 | 国网冀北电力有限公司廊坊供电公司 | Infrared safety monitoring device and device for safety protection during high-voltage test |
| CN205541279U (en)* | 2015-10-02 | 2016-08-31 | 中国大唐集团科学技术研究院有限公司西北分公司 | High -voltage testing alarm device |
| CN212649091U (en)* | 2020-08-25 | 2021-03-02 | 国网冀北电力有限公司唐山供电公司 | A test area perimeter alarm and over-limit power-off device |
| Title |
|---|
| 魏斌: "一种新型热释电红外感应冲床安全保护器设计", 《信息化研究》* |
| Publication number | Priority date | Publication date | Assignee | Title |
|---|---|---|---|---|
| CN113470286A (en)* | 2021-06-21 | 2021-10-01 | 广东韶钢松山股份有限公司 | Safety warning device and safety warning method |
| CN115051464A (en)* | 2021-10-25 | 2022-09-13 | 国网浙江省电力有限公司衢州供电公司 | Wireless electronic fence intelligent test power box |
| CN115372774A (en)* | 2022-09-20 | 2022-11-22 | 华拓电力装备集团有限公司 | A high-voltage test safety protection device with face recognition and infrared detection |
| Publication number | Publication date |
|---|---|
| CN111987694B (en) | 2022-07-08 |
| Publication | Publication Date | Title |
|---|---|---|
| CN111987694B (en) | Test area perimeter alarm and out-of-limit power-off device and method | |
| CN108418270B (en) | An intelligent power supply control system for charging equipment | |
| CN102903580B (en) | Normally-closed type power supply main switch device and automatic power off method of automatic short circuit | |
| CN106098439A (en) | Circuit-breaker switching on-off electric magnet intelligent control module | |
| CN212649091U (en) | A test area perimeter alarm and over-limit power-off device | |
| CN107819325B (en) | Three-phase inconsistent protection device capable of starting failure protection of circuit breaker | |
| CN103762544B (en) | Automatic switching-on controller | |
| CN104297675A (en) | All-state monitoring apparatus for opening and closing of circuit breaker | |
| CN205540123U (en) | Zero-power-consumption standby circuit and washing machine | |
| CN210806325U (en) | High tension switchgear interlock with electric shock prevention function | |
| CN104319731A (en) | Power supply control device capable of detecting external electric leakage voltage | |
| CN203481578U (en) | Remote-control type power switching device | |
| CN204298764U (en) | A kind of banister | |
| CN113078034B (en) | Household air switch device and control method for automatic closing after tripping | |
| CN205665555U (en) | Regulator cubicle door fault indication device | |
| CN201444469U (en) | Automatic air switch with temperature protection function | |
| CN203800558U (en) | Automatic switch-on controller | |
| CN209419279U (en) | Time and temperature dual control intelligent monitoring charging safety companion | |
| CN102931007A (en) | Normal open type power main switch device and automatic power off method for automobile load short circuit | |
| CN209433668U (en) | A ring network cabinet simulation device | |
| CN202042004U (en) | Platform shielding door passing command simulation device for urban railway traffic | |
| CN205693343U (en) | A kind of on/off switch coil protector | |
| CN206865127U (en) | A kind of new type electric leakageproof device | |
| CN206293387U (en) | A kind of SF6 circuit-breaker-motors energy storage control circuit | |
| CN220989458U (en) | Fill electric pile fire prevention case |
| Date | Code | Title | Description |
|---|---|---|---|
| PB01 | Publication | ||
| PB01 | Publication | ||
| SE01 | Entry into force of request for substantive examination | ||
| SE01 | Entry into force of request for substantive examination | ||
| GR01 | Patent grant | ||
| GR01 | Patent grant |