
















































技术领域technical field
本申请涉及无线通信领域,尤其涉及包括无线耳机盒及系统。The present application relates to the field of wireless communication, and in particular, to a wireless earphone box and a system.
背景技术Background technique
随着用户对便携性要求的提高,无线耳机得到越来越多的用户的青睐。无线耳机可以与 手机等电子设备建立无线连接,从而配合电子设备为用户播放音乐或接/打电话等。As users' requirements for portability increase, wireless earphones are favored by more and more users. Wireless earphones can establish a wireless connection with electronic devices such as mobile phones, so as to cooperate with the electronic devices to play music or answer/call for users.
为了方便工作和生活,用户通常需要使用多个电子设备,例如手机、笔记本电脑和电视 等电子设备。然而,笔记本电脑和电视等电子设备不方便与无线耳机进行无线连接,并且一 副无线耳机无法有效地处理多个电子设备的业务,影响无线耳机的便捷性及使用范围。In order to facilitate work and life, users usually need to use multiple electronic devices, such as mobile phones, laptops, and TVs. However, it is inconvenient for electronic devices such as notebook computers and TVs to be wirelessly connected to wireless headphones, and a pair of wireless headphones cannot effectively handle the business of multiple electronic devices, which affects the convenience and range of wireless headphones.
发明内容SUMMARY OF THE INVENTION
本申请提供一种无线耳机盒及系统,通过无线耳机盒,无线耳机可以方便地播放音频播 放设备的音频,并可以无缝切换的处理多个电子设备的音频。The present application provides a wireless earphone box and a system. Through the wireless earphone box, the wireless earphone can conveniently play the audio of an audio playback device, and can seamlessly switch to process the audio of multiple electronic devices.
为达到上述目的,本申请采用如下实施例:To achieve the above object, the application adopts the following embodiments:
第一方面,本申请实施例提供一种无线耳机盒,该无线耳机盒包括盒体、充电电路和 音频转换电路。其中,该盒体具有容纳无线耳机的空间,以容纳该无线耳机。该无线耳机容 纳于该盒体时,充电电路为该无线耳机充电;音频转换电路在检测到该无线耳机盒与音频播 放设备建立有线连接,请求与该无线耳机建立无线连接,在该无线连接建立成功后,经该有 线连接接收该音频播放设备的音频,并经该无线连接发送给该无线耳机播放。In a first aspect, an embodiment of the present application provides a wireless earphone box, the wireless earphone box includes a box body, a charging circuit and an audio conversion circuit. Wherein, the box body has a space for accommodating the wireless earphone, so as to accommodate the wireless earphone. When the wireless earphone is accommodated in the box, the charging circuit charges the wireless earphone; the audio conversion circuit detects that the wireless earphone box establishes a wired connection with the audio playback device, requests to establish a wireless connection with the wireless earphone, and when the wireless connection is established After success, the audio of the audio playback device is received via the wired connection, and is sent to the wireless headset for playback via the wireless connection.
无线耳机盒不但可以容纳无线耳机、对无线耳机进行充电,还可以作为音频转换电路的 无线收发器,使得音频转换电路的音频可以方便地在无线耳机上播放。此外,音频转换电路 在检测到该无线耳机盒与音频播放设备建立有线连接,请求与该无线耳机建立无线连接,可 以提高无线耳机盒的自动化和智能化,无线耳机盒地使用更加便捷。The wireless earphone box can not only accommodate and charge wireless earphones, but also serve as a wireless transceiver of the audio conversion circuit, so that the audio of the audio conversion circuit can be conveniently played on the wireless earphones. In addition, when the audio conversion circuit detects that the wireless earphone box establishes a wired connection with the audio playback device, and requests to establish a wireless connection with the wireless earphone, the automation and intelligence of the wireless earphone box can be improved, and the use of the wireless earphone box is more convenient.
示例性的,该无线耳机盒还包括第一接口,该第一接口用于与该音频播放设备建立该有 线连接。该音频转换电路包括接口管理电路和控制器,接口管理电路与该第一接口耦合,该 接口管理电路检测该第一接口与该音频播放设备的有线连接状态,并发送检测信号,该检测 信号用于检测该无线耳机盒与音频播放设备建立有线连接。该控制器接收该检测信号,在该 第一接口与该音频播放设备建立有线连接时,向该无线耳机发送无线连接请求,以请求与该 无线耳机建立无线连接。通过该接口管理电路接收该音频播放设备的音频,该控制器将该音 频发送给该无线耳机。Exemplarily, the wireless earphone box further includes a first interface for establishing the wired connection with the audio playback device. The audio conversion circuit includes an interface management circuit and a controller. The interface management circuit is coupled to the first interface. The interface management circuit detects the wired connection state between the first interface and the audio playback device, and sends a detection signal. The detection signal uses It is used to detect that the wireless earphone box establishes a wired connection with the audio playback device. The controller receives the detection signal, and when the first interface establishes a wired connection with the audio playback device, sends a wireless connection request to the wireless headset to request to establish a wireless connection with the wireless headset. The audio of the audio playback device is received by the interface management circuit, and the controller sends the audio to the wireless earphone.
结合第一方面,在一种可能的实现方式中,在另一种可能的实现方式中,该控制器检测与该无线耳机的无线连接状态,并向该接口管理电路发送控制信号。该接口管理电路基 于该控制信号,导通或断开该第一接口与该控制器之间的音频数据通信链路。通过控制该音 频数据通信链路的导通状态,可以控制该音频播放设备是否将音频数据传送给控制器。当该 控制器与该无线耳机未建立或断开无线连接,该该接口管理电路断开该第一接口与该控制器 之间的音频数据通信链路,该音频播放设备可以通过自身的外放设备对音频数据进行外放, 该音频播放设备的音频可以在外放和使用无线耳机播放之间自动切换。With reference to the first aspect, in a possible implementation manner, in another possible implementation manner, the controller detects a wireless connection state with the wireless headset, and sends a control signal to the interface management circuit. The interface management circuit turns on or off the audio data communication link between the first interface and the controller based on the control signal. By controlling the conduction state of the audio data communication link, it is possible to control whether the audio playback device transmits audio data to the controller. When the controller and the wireless headset do not establish or disconnect a wireless connection, the interface management circuit disconnects the audio data communication link between the first interface and the controller, and the audio playback device can The device broadcasts the audio data, and the audio of the audio playback device can automatically switch between the broadcast and the wireless earphone.
示例性的,该音频数据通信链路包括第一音频数据通信链路,该接口管理电路包括至少 一个开关,该至少一个开关耦合在该第一接口和控制器之间,该至少一个开关基于该控制信 号,导通或断开该第一接口和该控制器之间的第一音频数据通信链路,使得该音频播放设备 的模拟音频数据可以在外放和使用无线耳机播放之间自动切换。Exemplarily, the audio data communication link includes a first audio data communication link, the interface management circuit includes at least one switch, the at least one switch is coupled between the first interface and the controller, the at least one switch is based on the The control signal turns on or off the first audio data communication link between the first interface and the controller, so that the analog audio data of the audio playback device can be automatically switched between external playback and wireless earphone playback.
示例性的,该音频数据通信链路包括第二音频数据通信链路,该接口管理电路包括邻近 该第一接口的逻辑配置电路,该逻辑配置电路基于该控制信号,改变电阻值;该第一接口基 于该逻辑配置电路的电阻值,导通或断开该第一接口和控制器之间的第二音频数据通信链路, 使得该音频播放设备的数字音频数据可以在外放和使用无线耳机播放之间自动切换。Exemplarily, the audio data communication link includes a second audio data communication link, the interface management circuit includes a logic configuration circuit adjacent to the first interface, the logic configuration circuit changes the resistance value based on the control signal; the first interface The interface turns on or off the second audio data communication link between the first interface and the controller based on the resistance value of the logic configuration circuit, so that the digital audio data of the audio playback device can be played externally and by using wireless headphones automatically switch between.
结合第一方面,在一种可能的实现方式中,在另一种可能的实现方式中,该无线耳机盒还包括第二接口,第二接口与该充电电路耦合,用于该无线耳机容纳于该盒体时,连接该充电电路和该无线耳机。其中,该第二接口还与该控制器耦合。该控制器还被配置为,检测到该第二接口与该无线耳机连接,且该第一接口与该音频播放设备连接,通过该第二接口 配置该无线耳机与无线耳机盒建立无线连接的优先级高于该无线耳机与其他设备的优先级, 可以方便地更新无线耳机的优先级。In combination with the first aspect, in a possible implementation manner, in another possible implementation manner, the wireless earphone box further includes a second interface, which is coupled to the charging circuit for the wireless earphone to be accommodated in the When the box body is connected, the charging circuit and the wireless earphone are connected. Wherein, the second interface is also coupled with the controller. The controller is further configured to detect that the second interface is connected to the wireless earphone and the first interface is connected to the audio playback device, and configure the priority of establishing a wireless connection between the wireless earphone and the wireless earphone box through the second interface The priority is higher than the priority of the wireless headset and other devices, and the priority of the wireless headset can be easily updated.
第二方面,本申请实施例提供一种系统,系统,其特征在于,包括:无线耳机和第一方面的无线耳机盒;其中,该无线耳机被配置为,在与该无线耳机盒建立该无线连接,且该无线连接建立成功后,该无线耳机播放该音频播放设备的音频。In a second aspect, an embodiment of the present application provides a system. The system is characterized by comprising: a wireless earphone and the wireless earphone box of the first aspect; wherein the wireless earphone is configured to establish the wireless earphone box with the wireless earphone box. After the connection is established and the wireless connection is successfully established, the wireless headset plays the audio of the audio playback device.
第三方面,本申请实施例提供一种系统,包括:无线耳机、第一方面的无线耳机盒和 电子设备。该电子设备包括:处理器、存储器,显示屏和移动通信模块;该处理器、该通信模块,该显示屏和该存储器耦合,该存储器用于存储计算机程序代码,该计算机程序代码包括计算机指令,当该计算机指令被该电子设备执行时,使得该电子设备执行如下动作:接收进行音频业务的请求;显示第一界面,该第一界面中包括与该无线耳机对应的第一界面元素; 接收对该第一界面元素的第一输入,该第一输入用于确认使用该无线耳机处理该音频业务; 响应于该第一输入,向该无线耳机发送电子设备连接请求,以请求与该无线耳机建立无线连 接;该无线耳机被配置为:在与该无线耳机盒进行无线连接时,接收到该电子设备连接请求; 响应于该无线连接请求,断开与该无线耳机盒建立的该无线连接,与该电子设备建立无线连 接,并播放该电子设备的音频。In a third aspect, an embodiment of the present application provides a system, including: a wireless earphone, the wireless earphone box of the first aspect, and an electronic device. The electronic device includes: a processor, a memory, a display screen and a mobile communication module; the processor, the communication module, the display screen is coupled with the memory, the memory is used for storing computer program code, the computer program code includes computer instructions, When the computer instruction is executed by the electronic device, the electronic device is caused to perform the following actions: receiving a request for performing an audio service; displaying a first interface, the first interface including a first interface element corresponding to the wireless headset; receiving a pair of the first input of the first interface element, the first input is used to confirm the use of the wireless headset to process the audio service; in response to the first input, send an electronic device connection request to the wireless headset to request establishment with the wireless headset Wireless connection; the wireless earphone is configured to: when performing a wireless connection with the wireless earphone box, receive the electronic device connection request; in response to the wireless connection request, disconnect the wireless connection established with the wireless earphone box, and connect with the wireless earphone box. The electronic device establishes a wireless connection and plays audio from the electronic device.
系统所能达到的有益效果可参考上文所提供的对应的无线通信系统中的有益效果,此处 不再赘述。For the beneficial effects that can be achieved by the system, reference may be made to the beneficial effects in the corresponding wireless communication system provided above, which will not be repeated here.
附图说明Description of drawings
图1为本申请实施例提供的一种通信系统的结构示意图;FIG. 1 is a schematic structural diagram of a communication system according to an embodiment of the present application;
图2A至图2B为本申请实施例提供的一种转接器的结构示意图;2A to 2B are schematic structural diagrams of an adapter according to an embodiment of the present application;
图3为本申请实施例提供的一种转接器的方框图一;FIG. 3 is a block diagram 1 of an adapter provided by an embodiment of the present application;
图4为本申请实施例提供的一种转接线的方框图一;4 is a block diagram 1 of a patch cord provided by an embodiment of the present application;
图5为本申请实施例提供的一种转接器的方框图二;FIG. 5 is a block diagram 2 of an adapter provided by an embodiment of the present application;
图6为本申请实施例提供的一种转接线的方框图二;6 is a block diagram 2 of a patch cord provided by an embodiment of the present application;
图7为本申请实施例提供的一种转接器的方框图三;FIG. 7 is a block diagram 3 of an adapter provided by an embodiment of the present application;
图8为本申请实施例提供的一种转接器与转接线连接时的结构示意图一;FIG. 8 is a schematic structural diagram 1 of an adapter provided in an embodiment of the present application when it is connected to an adapter cable;
图9为本申请实施例提供的一种转接器与转接线连接时的结构示意图二;FIG. 9 is a second schematic structural diagram of an adapter provided in an embodiment of the present application when it is connected to an adapter cable;
图10A为本申请实施例提供的一种蓝牙设备的结构示意图;FIG. 10A is a schematic structural diagram of a Bluetooth device according to an embodiment of the application;
图10B为本申请实施例提供的一种蓝牙设备的方框图;10B is a block diagram of a Bluetooth device provided by an embodiment of the application;
图10C为本申请实施例提供的一种转接器与蓝牙设备进行有线连接时的结构示意图;FIG. 10C is a schematic structural diagram of an adapter provided by an embodiment of the application when a Bluetooth device is wiredly connected;
图11为本申请实施例提供的一种电子设备的结构示意图;FIG. 11 is a schematic structural diagram of an electronic device according to an embodiment of the application;
图12A为本申请实施例提供的一种蓝牙协议框架示意图;12A is a schematic diagram of a Bluetooth protocol framework provided by an embodiment of the present application;
图12B为本申请实施例提供的一种软件结构框图;12B is a block diagram of a software structure provided by an embodiment of the present application;
图13A至图13H为本申请实施例提供的一组界面示意图一;13A to 13H are schematic diagrams one of a group of interfaces provided by an embodiment of the present application;
图14A至图14E为本申请实施例提供的一组界面示意图二;14A to 14E are a second set of interface schematic diagrams provided by the embodiment of the present application;
图15为本申请实施例提供的一个界面示意图三;FIG. 15 is a schematic diagram three of an interface provided by this embodiment of the application;
图16为本申请实施例提供的一种通信方法流程图一;FIG. 16 is a
图17A至图17F为本申请实施例中的一种无线通信方法中各设备的示意图一;17A to 17F are schematic diagrams 1 of each device in a wireless communication method according to an embodiment of the present application;
图18A至图18B为本申请实施例中的一种转接器与耳机的连接示意图一;18A to 18B are schematic diagrams 1 of connection between an adapter and an earphone according to an embodiment of the present application;
图19为本申请实施例提供的一种通信方法流程图一;FIG. 19 is a
图20A至图20G为本申请实施例中的一种无线通信方法中各设备的示意图一;20A to 20G are schematic diagrams 1 of each device in a wireless communication method according to an embodiment of the present application;
图21为本申请实施例中的一种转接器与耳机的连接示意图一;21 is a schematic diagram 1 of the connection between an adapter and an earphone according to an embodiment of the application;
图22为本申请实施例中的一种转接器作为无线接收器的示意图。FIG. 22 is a schematic diagram of an adapter serving as a wireless receiver in an embodiment of the present application.
具体实施方式Detailed ways
下面将结合本申请实施例中的附图,对本申请实施例中的实施例进行描述。在本申请实 施例中,“示例性的”或者“例如”等词用于表示作例子、例证或说明。本申请实施例中被描 述为“示例性的”或者“例如”的任何实施例或设计方案不应被解释为比其它实施例或设计 方案更优选或更具优势。确切而言,使用“示例性的”或者“例如”等词旨在以具体方式呈 现相关概念。应当理解,在本申请实施例的描述中,“耦合”包括直接耦合或间接耦合,“连 接”包括直接连接或间接连接。The embodiments in the embodiments of the present application will be described below with reference to the accompanying drawings in the embodiments of the present application. In the embodiments of the present application, words such as "exemplary" or "such as" are used to represent examples, illustrations or illustrations. Any embodiment or design described in the embodiments herein as "exemplary" or "such as" should not be construed as preferred or advantageous over other embodiments or designs. Rather, the use of words such as "exemplary" or "such as" is intended to present the related concepts in a specific manner. It should be understood that, in the description of the embodiments of the present application, "coupling" includes direct coupling or indirect coupling, and "connection" includes direct connection or indirect connection.
在本申请实施例的描述中,除非另有说明,“/”表示或的意思,例如,A/B可以表示A或 B;本文中的“和/或”仅仅是一种描述关联对象的关联关系,表示可以存在三种关系,例如,A 和/或B,可以表示:单独存在A,同时存在A和B,单独存在B这三种情况。另外,在本申请实施例的描述中,“多个”是指两个或多于两个。In the description of the embodiments of the present application, unless otherwise specified, "/" means or means, for example, A/B can mean A or B; "and/or" in this document is only an association that describes an associated object Relationship, it means that there can be three kinds of relationships, for example, A and/or B can mean that A exists alone, A and B exist at the same time, and B exists alone. In addition, in the description of the embodiments of the present application, "plurality" refers to two or more than two.
如图1所示,本申请实施例提供了一种转接器01,该转接器01可以用于图1所示的通 信系统10。该通信系统10包括转接器01、无线设备02、第二电子设备04、第一电子设备03,该转接器01可以与第一电子设备03进行有线连接,并可以与无线设备02进行无线连接,无线设备02与第二电子设备04进行无线连接。该无线设备02可以为如图1所示的无线耳机、无线音箱、无线手环、无线车载、无线智能眼镜无线手表、增强现实(augmented reality,AR)/ 虚拟现实(virtual reality,VR)设备、手机、媒体播放器(例如MP3、MP4等)、平板电脑、笔记 本电脑、超级移动个人计算机(ultra-mobile personal computer,UMPC)、个人数字助理(personal digital assistant,PDA)、无线智能家居、智慧屏、电视、助听器或智能手表等等设备。该第一 电子设备03可以为台式电脑、笔记本电脑、有线音频播放器(例如有线音箱、飞机坐上的音 频播放设备)电视、智能汽车、智能家居等不能或不方便与该无线设备02进行无线通信的设 备。该第二电子设备04可以为手机、平板电脑、无线智能家居、无线车载等方便与该无线设 备02进行无线通信的设备。本申请实施例对无线设备02、第一电子设备03、第二电子设备 04的设备类型不予具体限定。As shown in FIG. 1 , an embodiment of the present application provides an
无线设备02可以通过无线通信技术与转接器11或第二电子设备04保持无线连接。该无 线连接可以为基于物理链路的连接。例如,该无线通信技术可以是蓝牙(bluetooth,BT),可 以是传统蓝牙或者低功耗BLE蓝牙,无线局域网(wireless local area networks,WLAN)(如无 线保真(wireless fidelity,Wi-Fi)网络),Zigbee,调频(frequencymodulation,FM),近距离无线 通信技术(near field communication,NFC),红外技术(infrared,IR),或通用2.4G/5G频段无 线通信技术通信技术等。无线连接为利用该无线通信技术建立的连接。本申请实施例对无线 通信技术的类型不予具体限定。The
第一电子设备03(即音频播放设备,如图1所示的笔记本)不能或不方便与该无线设备 02(如图1所示的无线耳机)进行无线通信,便捷性较差。转接器01(如图1所示的无线耳 机的盒子)可以作为第一电子设备03的外置无线收发装置,转接器01与第一电子设备03进 行有线连接,转接器01与无线设备02进行无线连接,则无线设备02可以基于该无线连接自 动处理第一电子设备03的音频业务;从而实现第一电子设备03与无线设备02的无线通信, 不受数据线的束缚,提高设备间通信的便捷性。The first electronic device 03 (that is, the audio playback device, such as the notebook shown in Fig. 1 ) cannot or is inconvenient to perform wireless communication with the wireless device 02 (the wireless earphone shown in Fig. 1 ), and the convenience is poor. The adapter 01 (the box of the wireless headset as shown in FIG. 1 ) can be used as an external wireless transceiver device of the first
若转接器01与无线设备02进行无线连接,则当第二电子设备04(如图1所示的手机) 需要与无线设备02进行无线通信时,则可以将无线设备02的无线连接切换为无线设备02与 第二电子设备04之间的无线连接,从而无线设备02与第二电子设备04进行无线通信,使得 无线设备02的无线连接可以根据当前的场景自动的实现无缝切换,提高设备使用的便捷性。If the
若第二电子设备04与无线设备02进行无线连接,则当第一电子设备03需要与无线设备 02进行无线通信时,则可以将无线连接切换为无线设备02与转接器01之间的无线连接,从 而无线设备02与转接器01进行无线通信,转接器01与第一电子设备03进行有线通信,实 现无线设备02与第一电子设备03的通信,使得无线设备02的无线连接可以根据当前的场景 自动的实现无缝切换,提高设备使用的便捷性。If the second
本申请实施例以无线设备为无线耳机为例进行说明。该无线耳机可以有多种类型,例如 可以是耳塞式、入耳式、头戴式、耳罩式或挂耳式无线耳机等。无线耳机可以包括分别佩戴 于用户左耳和右耳的第一部分和第二部分,可以通过连接线相连,例如颈带式无线耳机;也 可以是相互独立的两部分,例如真无线立体声(true wireless stereo,TWS)耳机。示例性的,当 无线耳机为TWS耳机时,如图1所示,第一部分021和第二部分022可以为分别佩戴于用户 左耳和右耳的左耳塞和右耳塞。当无线耳机为TWS耳机时,转接器可以为收纳该无线耳机的 盒子(即无线耳机盒),该盒子还可以为无线耳机充电,该盒子集成多种功能,只需携带便可 实现多种应用场景。在一些实施例中,当无线设备为头戴式无线耳机、耳罩式无线耳机或挂 脖式无线耳机时,可以在头戴式无线耳机、耳罩式无线耳机或挂脖式无线耳机上设置一容纳 腔,转接器不使用时,可以放入该容纳腔;或者,头戴式无线耳机、耳罩式无线耳机或挂脖 式无线耳机在不使用时可以放入袋子等收纳器中,转接器可以与收纳器整合在一起,使得转 接器可以方便携带。在以下实施例中,以无线设备为TWS耳机,转接器为TWS耳机的盒子 为例进行说明。The embodiments of the present application are described by taking the wireless device as a wireless headset as an example. The wireless earphones can be of various types, such as earbuds, in-ears, over-ears, over-ears, or over-ear wireless earphones. The wireless headset can include a first part and a second part that are worn on the user's left ear and right ear respectively, and can be connected by a connecting line, such as a neckband wireless headset; or can be two independent parts, such as true wireless stereo (true wireless stereo). stereo, TWS) headphones. Exemplarily, when the wireless earphone is a TWS earphone, as shown in FIG. 1 , the
当上述通信系统中的第二电子设备或第一电子设备有音频业务时,若第二电子设备或第 一电子设备与无线设备之间建立有无线连接,则无线设备可以基于无线连接自动处理第二电 子设备或第一电子设备的音频业务;若无线设备当前与第二电子设备或第一电子设备中的一 个电子设备建立有无线连接,则可以将无线连接切换为无线设备与另一个电子设备之间的无 线连接,从而基于该无线连接处理另一个电子设备的音频业务。因而,通过切换无线连接, 可以使得无线设备切换处理多个(可以大于2个)电子设备的音频业务,提高无线设备使用的 便捷性。When the second electronic device or the first electronic device in the above communication system has an audio service, if a wireless connection is established between the second electronic device or the first electronic device and the wireless device, the wireless device can automatically process the first electronic device based on the wireless connection. The audio service of the second electronic device or the first electronic device; if the wireless device currently establishes a wireless connection with one of the second electronic device or the first electronic device, the wireless connection can be switched to the wireless device and another electronic device. A wireless connection between the two, thereby processing the audio service of another electronic device based on the wireless connection. Therefore, by switching the wireless connection, the wireless device can be switched to process audio services of multiple (may be more than two) electronic devices, thereby improving the convenience of using the wireless device.
上述该音频业务可以包括多种类型。例如可以包括媒体业务,通话业务等。其中,媒体 业务可以包括为用户播放音乐、录音、视频文件中的声音、游戏中的背景音乐、来电提示音 等音频业务。该通话业务可以包括在电话、微信语音消息、音频通话、视频通话、游戏、语 音助手等场景下,为用户播放对端的语音数据,或采集用户的语音数据发送给对端等。The above-mentioned audio service may include various types. For example, it may include media services, call services, and the like. Among them, the media service may include audio services such as playing music, recording, sound in video files, background music in games, and incoming call prompts for users. The call service may include playing the peer's voice data for the user, or collecting the user's voice data and sending it to the peer in scenarios such as phone calls, WeChat voice messages, audio calls, video calls, games, and voice assistants.
示例性的,图2A示出了一种盒子100的结构示意图。该盒子100可以包括盒体101、至 少一个第一接口102和至少一个触摸控件103,该第一接口102和触摸控件103位于该盒体 101上。该第一接口102可以作为输入/输出接口,用于与第一电子设备进行有线连接。例如, 在一些实施例中,同一第一接口102即可以与第一电子设备进行有线连接,又可以为盒子100 中的电池和/或无线耳机中的电池充电。在另一些实施例中,该第一接口102可以仅用于与第 一电子设备进行有线连接,第一接口102不用于对盒子100中的电池和/或无线耳机中的电池 充电,盒子100设置有专用的充电接口。此外,当该盒子100包括多个第一接口102时,一 部分第一接口102可以支持模拟信号的传输,另一部分第一接口102可以支持数字信号(即数 据)的传输。第一接口102的类型可以包括USB TYPE-A接口(A类型USB接口,USB为 Universal Serial Bus(通用串行总线))、USB TYPE-C接口(C类型USB接口)、MicroUSB 接口(微型USB接口)、Lightning@接口(闪电接口)、3.5mm音频接口(指直径为3.5mm 的同轴音频接口)、HDMI接口(High Definition Multimedia Interface(高清多媒体接口)接口) 或DP接口(DisplayPort,中文为显示接口)等。其中,支持模拟信号的接口包括3.5mm音频接口或DP接口等,支持数字信号的接口包括USB TYPE-A接口、USB TYPE-C接口、MicroUSB接口、HDMI接口或Lightning@接口等,同时支持模拟信号和数字信号的接口为USBTYPE-C接口等。该触摸控件103可以用于触发切换盒子100与无线耳机等设备的无线连接、无线耳机进行配对复位或对无线耳机进行充电等功能。Exemplarily, FIG. 2A shows a schematic structural diagram of a
此外,在一些实施例中,盒子100内部可以包括一个或多个磁体,以将耳机本体吸引到 盒子100内的腔体(即空间)中。盒子100还可以设置有一个或多个电量指示灯,以向用户 提示盒子100中电池的电量大小,以及盒子100中每个耳机本体中电池的电量大小。Additionally, in some embodiments, one or more magnets may be included inside the
示例性的,该盒体101内包括收纳无线耳机110的腔体(为了清楚显示,该腔体未在图2A 中示出),如图2A所示,无线耳机110可以放置于该盒子100(的腔体)内。该无线耳机110可 以包括分别佩戴于用于左耳的耳机本体111(也称左耳塞,或第一部分)和佩戴于右耳的耳机本 体112(也称右耳塞,或第二部分)。Exemplarily, the
示例性的,如图2B所示,该盒子100通过一转接线120接至第一电子设备,转接线120 包括第一转接线接口121、第二转接线接口122以及连接线123,连接线123用于连接第一转 接线接口121和第二转接线接口122。该第一转接线接口121与第一接口102的类型相匹配, 第一转接线接口121和第一接口102中的任一个为公口,另一个为母口。该第二转接线接口 122用于插入第一电子设备上对应的接口。在图2B中示出的第二转接线接口122的类型为 3.5mm音频接口,此外,第二转接线接口122的类型还可以为USB TYPE-A接口、USBTYPE-C 接口、Micro USB接口、Lightning@接口或DP接口等接口。另外,第二转接线接口122可 以传输模拟信号或数字信号,第二转接线接口122和第一电子设备上对应的接口中的任一个 为公口,另一个为母口。当第一转接线接口121插入第一接口102,且第二转接线接口122 插入第一电子设备上对应的接口时,盒子100可配置为第一电子设备的无线接收器和/或无线 发送器,实现第一电子设备与无线设备进行无线通信。Exemplarily, as shown in FIG. 2B , the
在一些实施例中,第一接口102还可以直接与第一电子设备上对应的接口进行有线连接, 不需要转接线。例如,第一接口102为可移动接口,第一接口102可以移出该盒体101,或 将第一接口102移入盒体101进行隐藏。当盒子100需要与第一电子设备进行有线连接时, 可移动插头被移出,并被插入第一电子设备上对应的接口。当将可移动插头从第一电子设备 上对应的接口拔出后,可以将可移动插头移入该第一接口102进行隐藏,方便携带。In some embodiments, the
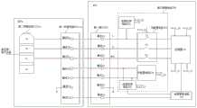
示例性的,图3示出了一个实施例中盒子200的方框图。该盒子200可以包括至少一个 控制器230、第一接口202和至少一个天线270等等。控制器230耦合至第一接口202,以接收从第一接口202发送的信号,或向第一接口202发送信号。Illustratively, FIG. 3 shows a block diagram of
控制器230可以包括处理器、存储器、无线通信电路等,其中,控制器230的存储器可 以用于存储程序代码以及已经配对过的信息,如用于转接器与已配对过的无线设备(如无线耳 机)或第二电子设备之间进行无线连接,切换与无线耳机或第二电子设备之间的无线连接,处 理电子设备的音频业务(例如音乐播放、接/打电话等),以及用于转接器进行充电,对无线耳 机进行充电,转接器与其他电子设备进行无线配对连接的程序代码等。控制器230的处理器 可以用于执行上述应用程序代码,调用相关模块以实现本申请实施例中转接器的功能。例如, 实现转接器与无线设备或第二电子设备之间进行无线连接,音频播放,数据传输。再例如, 支持业务抢占功能或设备抢占。The controller 230 may include a processor, memory, wireless communication circuits, etc., wherein the memory of the controller 230 may be used to store program codes and paired information, such as for the adapter and the paired wireless device (such as a paired wireless device). wireless headset) or a second electronic device, switch the wireless connection with the wireless headset or the second electronic device, process audio services (such as music playback, answer/call, etc.) of the electronic device, and use The adapter is used for charging, the wireless headset is charged, and the program code for wireless pairing and connection between the adapter and other electronic devices, etc. The processor of the controller 230 may be configured to execute the above-mentioned application program code, and call relevant modules to implement the function of the adapter in the embodiment of the present application. For example, wireless connection, audio playback, and data transmission between the adapter and the wireless device or the second electronic device are implemented. For another example, a service preemption function or device preemption is supported.
控制器230的无线通信电路可以用于支持转接器与其他电子设备或无线设备之间包括BT, WLAN(如Wi-Fi),Zigbee,FM,NFC,IR,或通用2.4G/5G无线通信技术等无线通信的数据 交换。在一些实施例中,该无线通信电路可以为蓝牙电路。转接器可以通过该蓝牙电路,与 其他电子设备或无线设备的蓝牙电路之间进行配对并建立无线连接,以通过该无线连接实现 转接器和其他电子设备或无线设备之间的无线通信和业务处理。通常,蓝牙电路可以支持基 础速率(basic rate,BR)/增强速率(enhanced data rate,EDR)蓝牙和BLE,例如可以收/发寻呼 (page)信息,收/发BLE广播消息等。The wireless communication circuit of the controller 230 can be used to support BT, WLAN (eg Wi-Fi), Zigbee, FM, NFC, IR, or general 2.4G/5G wireless communication between the adapter and other electronic devices or wireless devices Data exchange for wireless communication such as technology. In some embodiments, the wireless communication circuit may be a Bluetooth circuit. The adapter can pair and establish a wireless connection with the Bluetooth circuit of other electronic devices or wireless devices through the Bluetooth circuit, so as to realize wireless communication and communication between the adapter and other electronic devices or wireless devices through the wireless connection. business processing. Generally, the Bluetooth circuit can support basic rate (BR)/enhanced data rate (EDR) Bluetooth and BLE, for example, it can receive/send page information, receive/send BLE broadcast messages, and so on.
控制器230中的部分或全部可以集成在一个集成电路(IC)中,并且,控制器230中的部 分或全部可以封装在一起。例如在一个实施例中,处理器、存储器、无线通信电路分别位于 不同的集成电路的裸芯,处理器、存储器、无线通信电路采用系统级封装(SIP)的方式封装为 系统级芯片(SOC)。Some or all of the controller 230 may be integrated in an integrated circuit (IC), and some or all of the controller 230 may be packaged together. For example, in one embodiment, the processor, the memory, and the wireless communication circuit are respectively located on the bare cores of different integrated circuits, and the processor, the memory, and the wireless communication circuit are packaged as a system-on-chip (SOC) in a system-in-package (SIP) manner. .
控制器230经由天线270接收电磁波,将电磁波信号调频以及滤波等处理。控制器230 将待发送的信号进行调频,放大,经天线270转为电磁波辐射出去。The controller 230 receives the electromagnetic wave via the antenna 270, and processes the electromagnetic wave signal such as frequency modulation and filtering. The controller 230 performs frequency modulation on the signal to be sent, amplifies it, and converts it into electromagnetic waves for radiation through the antenna 270 .
在一些实施例中,盒子200还可以包括接口管理电路250,接口管理电路250耦合在第 一接口202和控制器230之间,用于在第一电子设备与控制器230之间传输信号。此外,接口管理电路250检测第一接口202是否连接到第一电子设备,并向控制器230发送控制信号Vctl_1,其中,接口管理电路250可以检测第一接口202的电压或检测流经第一接口的电流。例如,当第一接口202未连接到第一电子设备时,接口管理电路250检测到的电压为零,或接口管理电路250检测到的电流为零。当接口管理电路250检测到的电压大于一基准电压,或接口管理电路250检测到的电流大于一基准电流时,可以判断第一接口202连接到第一电子设备。示例性的,该基准电压的电压值大于零,例如,基准电压的电压值为1.3V、2.3V、3.3V或5V等。示例性的,该基准电流的电流值大于零,例如,该基准电流为30mA、38mA、100mA、500mA或1A等。控制器230根据控制信号Vctl_1判断第一接口202是否连接到第 一电子设备,以触发与无线设备进行配对、与无线设备进行无线连接、抢占与无线设备的无 线连接等,使盒子200更加自动化和智能化。In some embodiments, the
另外,控制器230根据与无线耳机的无线连接状态发出控制信号Vctl_2,控制器230可 以检测与无线耳机的无线连接状态。接口管理电路250还可以根据控制器230发出的控制信 号Vctl_2,接口管理电路250可以配置与第一接口202的连接状态,从而配置第一电子设备 与转接器之间的通信状态。例如,当控制信号Vctl_2包含一种信息时,接口管理电路250可 以配置与第一接口202为一种连接状态,导通所述第一接口与控制器之间的音频数据通信链 路,即第一接口和控制器230之间可以传输音频数据(包括音频信息),则第一电子设备与转 接器配置为可以通信;当控制信号Vctl_2包含另一种信息时,接口管理电路250可以配置与 第一接口202为另一种连接状态,断开所述第一接口与控制器之间的音频数据通信链路,即 第一接口和控制器230之间不可以传输音频数据(包括音频信息),则第一电子设备与转接器 配置为不可以通信。其中,该一种连接状态为断开全部或部分接口管理电路250与第一接口 202的连接路径,该另一种连接状态为导通接口管理电路250与第一接口202全部或部分的 连接路径;和/或,该一种连接状态为第一接口202处包括第一电阻值,另一种连接状态为第 一接口202处包括第二电阻值。In addition, the controller 230 sends a control signal Vctl_2 according to the wireless connection state with the wireless earphone, and the controller 230 can detect the wireless connection state with the wireless earphone. The interface management circuit 250 can also configure the connection state with the
在一些实施例中,控制器230默认输出第一信息的控制信号Vctl_2,只有当转接器与无 线设备的无线连接被抢占时,控制器230才输出第二信息的控制信号Vctl_2;一旦转接器与 无线设备重新建立无线连接,控制器230又输出第一信息的控制信号Vctl_2。在另一些实施 例中,通过触摸控件控制控制信号Vctl_2的状态,当控制器230输出第一信息的控制信号 Vctl_2时,按下触摸控件203,控制器230输出第二信息的控制信号Vctl_2;当控制器230 输出第二信息的控制信号Vctl_2时,按下触摸控件203,控制器230输出第一信息的控制信 号Vctl_2。In some embodiments, the controller 230 outputs the control signal Vctl_2 of the first information by default, and only when the wireless connection between the adapter and the wireless device is preempted, the controller 230 outputs the control signal Vctl_2 of the second information; The controller 230 re-establishes the wireless connection with the wireless device, and the controller 230 outputs the control signal Vctl_2 of the first information again. In other embodiments, the state of the control signal Vctl_2 is controlled by the touch control, when the controller 230 outputs the control signal Vctl_2 of the first information, and the
控制器230和接口管理电路250形成音频转换电路(音频转换电路还可以包括其它电路), 用于在检测到所述无线耳机盒与音频播放设备建立有线连接,请求与所述无线耳机建立无线 连接,在所述无线连接建立成功后,经所述有线连接接收音频播放设备播放的音频,并经所 述无线连接发送给所述无线耳机播放,使得音频播放设备的音频可以自动的在无线耳机播放。The controller 230 and the interface management circuit 250 form an audio conversion circuit (the audio conversion circuit may also include other circuits), which is used to request to establish a wireless connection with the wireless earphone when it is detected that the wireless earphone box establishes a wired connection with the audio playback device , after the wireless connection is successfully established, the audio played by the audio playback device is received via the wired connection, and sent to the wireless headset for playback via the wireless connection, so that the audio of the audio playback device can be automatically played on the wireless headset .
在一些实施例中,盒子200还可以包括第二接口204、电源管理电路240和电池241等, 以用于为无线耳机进行充电、对无线耳机的软件进行升级等。电源管理电路240分别与第一 接口202、第二接口204、电池241以及控制器230耦合。In some embodiments, the
示例性的,第二接口204可以用于与无线耳机的某些部件相连。例如,第二接口204可 以用于对无线耳机进行充电、与无线耳机通过有线方式进行信息交换等。第二接口204可以 包括多个用于与无线耳机连接的互连件,左耳的耳机本体和右耳的耳机本体可以各对应多个 互连件。例如,在一些实施例中,左耳的耳机本体和右耳的耳机本体可以各对应两个互连件, 一个互连件耦合至电源管理电路240以用于向耳机本体提供充电电压,另一个互连件用于提 供接地电压,其中,一个互连件还耦合至控制器230以用于控制器230进行有线通信。在另 一些实施例中,左耳的耳机本体和右耳的耳机本体可以各对应三个互连件,第一个互连件耦 合至电源管理电路240以用于向耳机本体提供充电电压,第二个互连件用于提供接地电压, 第三个互连件耦合至控制器230以用于控制器230进行有线通信。其中,该互连件可以为Pogo Pin等探针。Exemplarily, the
示例性的,电源管理电路240可以将第一接口202提供的电源为电池241充电,电池241 的电能为控制器230供电。电源管理电路240还可以将电池241存储的电能提供给第二接口 204,以用于当无线耳机放置于盒子100内时为无线耳机充电。此外,当无线耳机放置于盒子 100内时,电源管理电路240还可以将第一接口202的电能提供给第二接口204,以为无线耳 机充电。电源管理电路240可以包括充电电路、低压差线性稳压器(low dropoutregulator,简 称LDO)和升压电路(为清楚显示,充电电路、低压差线性稳压器和升压电路未在图3中示出)。 其中,充电电路用于将第一接口202提供的电能进行提供给电池241,低压差线性稳压器用 于将电池241的电能提供给控制器230,升压电路用于将电池241的电能提供给第二接口204。 其中,电源管理电路240中的全部或部分电路可以集成在一个集成电路(IC)中。电源管理电 路240和电池241形成充电电路(充电电路还可以包括其它电路),当盒子200与第一电子设 备进行有线连接时,充电电路用于自充电(即对盒子进行充电);当无线耳机放入盒子200时, 充电电路用于对无线耳机进行充电。Exemplarily, the
在一些实施例中,盒子200还可以包括声音传感器(为在图3中示出)、指示灯、显示屏 等器件,声音传感器可以获取环境中的声音信号,解析出语音信号,实现语音功能,从而接 收用户的语音指令,以控制转接器蓝牙功能的开启或配置接口管理电路的连接状态等。所述 指示灯可以与所述控制器或/和电池相耦合,用于指示自充电状态(对盒子进行充电)、为所 述无线耳机充电状态(盒子对无线耳机进行充电)、音频有线转无线播放状态(无线耳机播放 盒子发送的音频是为有线的状态,无线耳机播放第二电子设备发送的音频是为无线的状态)。 所述显示屏可以与所述控制器或/和电池相耦合,用于指示自充电状态、为所述无线耳机充电 状态、音频有线转无线播放状态。In some embodiments, the
在一些实施例中,盒子200还可以包括耳机检测器290,用于检测无线耳机是否放入或 取出盒子200,其中,耳机检测器290检测左耳塞或右耳塞中的一者或两者何时被从所述盒 子200中取出。在一个实施例中,耳机检测器290可以检测第二接口204以确定左耳塞或右 耳塞是否被放入盒子200中,例如,耳机检测器290可以检测第二接口204处的电阻值(具 体的,可以检测互连件的电阻),以确定左耳塞或右耳塞是否被放入盒子200中。在另一些实 施方案中,耳塞检测器290可为各种传感器,例如光学传感器、红外传感器、开关、距离传 感器等。In some embodiments, the
响应于检测到无线耳机从盒子200内取出,耳塞检测器215可生成耳机检测信号,该检 测信号可被发送到200内的其他电路(例如控制器230)并由其处理,以打开盒子200的蓝 牙功能,或触发控制器230与无线耳机进行无线连接。在一个实施例中,当盒子200与第一 电子设备进行有线连接,且无线耳机从盒子200中取出时,触发控制器230与无线耳机进行 无线连接。当耳塞检测器290包括分别能够检测左耳塞和右耳塞的插入或取出时,每个耳塞 检测器可生成能够发起仅对检测到的耳塞的充电的独立耳机检测信号。In response to detecting the removal of the wireless earphones from within the
在盒子200中,全部或部分的电路或器件可以集成在一个IC中。例如,控制器230、接 口管理电路250、开关电路260、电源管理电路240中的全部或部分的电路或器件可以集成在 一个IC中,或者控制器230、接口管理电路250和开关电路260可以集成在一个IC中。In
示例性的,图4示出了一个实施例中转接线220的方框图。该转接线220可以包括至少 一个第一转接线接口221、至少一个第二转接线接口222和处理电路223等等。第一转接线 接口221用于接至转接器的第一接口,第二转接线接口222用于接至第一电子设备上对应的 接口。处理电路223耦合在第一转接线接口221和第二转接线接口222之间,用于对转接线 220上传输的信号进行处理。Illustratively, FIG. 4 shows a block diagram of
在一个实施例中,处理电路223包括模数检测电路224、切换电路225、音频编解码器 227、缓冲器228和切换电路226。模数检测电路224用于检测第一电子设备输出的信号是数 字信号还是模拟信号,并根据检测结果将控制信号Vctl_3输出给切换电路225和切换电路226。 例如,模数检测电路224可以检测第二转接线接口222处的信号,以判断第一电子设备输出 的信号(音频信号)是数字信号还是模拟信号。音频编解码器227用于将第二转接线接口222 发送的模拟信号转化为数字信号,并将转化后的数字信号通过第一转接线接口221发送给转 接器。缓冲器228用于将第二转接线接口222发送的数字信号进行缓冲、整形等处理,并将 处理后的数字信号通过第一转接线接口221发送给转接器。In one embodiment, the processing circuit 223 includes an analog-to-digital detection circuit 224, a switching circuit 225, an audio codec 227, a buffer 228, and a switching circuit 226. The analog-to-digital detection circuit 224 is used to detect whether the signal output by the first electronic device is a digital signal or an analog signal, and output the control signal Vctl_3 to the switching circuit 225 and the switching circuit 226 according to the detection result. For example, the analog-to-digital detection circuit 224 can detect the signal at the second patch cord interface 222 to determine whether the signal (audio signal) output by the first electronic device is a digital signal or an analog signal. The audio codec 227 is used to convert the analog signal sent by the second patch cord interface 222 into a digital signal, and send the converted digital signal to the adaptor through the first patch cord interface 221. The buffer 228 is used for buffering and shaping the digital signal sent by the second patch cord interface 222, and sending the processed digital signal to the adaptor through the first patch cord interface 221.
切换电路225的第一端耦合至第二转接线接口222,切换电路225的第二端耦合至音频 编解码器227,切换电路225的第三端耦合至缓冲器228。当模数检测电路224检测到第一电 子设备输出的信号是模拟信号时,控制信号Vctl_3控制切换电路225导通第二转接线接口222 与音频编解码器227之间的路径,并断开第二转接线接口222与缓冲器228之间的路径,以 将第一电子设备输出的模拟信号发送给音频编解码器227。当模数检测电路224检测到第一 电子设备输出的信号是数字信号时,控制信号Vctl_3控制切换电路225导通第二转接线接口 222与缓冲器228之间的路径,并断开第二转接线接口222与音频编解码器227之间的路径, 以将第一电子设备输出的模拟信号发送给缓冲器228。The first terminal of the switching circuit 225 is coupled to the second patch cord interface 222, the second terminal of the switching circuit 225 is coupled to the audio codec 227, and the third terminal of the switching circuit 225 is coupled to the buffer 228. When the analog-to-digital detection circuit 224 detects that the signal output by the first electronic device is an analog signal, the control signal Vctl_3 controls the switching circuit 225 to conduct the path between the second patch cord interface 222 and the audio codec 227, and disconnect the first The path between the two patch cord interface 222 and the buffer 228 is used to send the analog signal output by the first electronic device to the audio codec 227 . When the analog-to-digital detection circuit 224 detects that the signal output by the first electronic device is a digital signal, the control signal Vctl_3 controls the switching circuit 225 to conduct the path between the second patch cord interface 222 and the buffer 228, and disconnect the second patch cord The path between the wiring interface 222 and the audio codec 227 to send the analog signal output by the first electronic device to the buffer 228 .
切换电路226的第一端耦合至第一转接线接口221,切换电路226的第二端耦合至音频 编解码器227,切换电路225的第三端耦合至缓冲器228。当模数检测电路224检测到第一电 子设备输出的信号是模拟信号时,控制信号Vctl_3控制切换电路226导通第一转接线接口221 与音频编解码器227之间的路径,并断开第一转接线接口221与缓冲器228之间的路径,以 将经音频编解码器227转化后的数字信号发送给第一转接线接口221。当模数检测电路224 检测到第一电子设备输出的信号是数字信号时,控制信号Vctl_3控制切换电路225导通第一 转接线接口221与缓冲器228之间的路径,并断开第一转接线接口221与音频编解码器227 之间的路径,以将经缓冲器228处理后的数字信号发送给第一转接线接口221。The first terminal of the switching circuit 226 is coupled to the first patch cord interface 221, the second terminal of the switching circuit 226 is coupled to the audio codec 227, and the third terminal of the switching circuit 225 is coupled to the buffer 228. When the analog-to-digital detection circuit 224 detects that the signal output by the first electronic device is an analog signal, the control signal Vctl_3 controls the switching circuit 226 to conduct the path between the first patch cord interface 221 and the audio codec 227, and disconnect the first patch cord interface 221 and the audio codec 227. A path between the patch cord interface 221 and the buffer 228 to send the digital signal converted by the audio codec 227 to the first patch cord interface 221 . When the analog-to-digital detection circuit 224 detects that the signal output by the first electronic device is a digital signal, the control signal Vctl_3 controls the switching circuit 225 to conduct the path between the first patch cord interface 221 and the buffer 228, and disconnect the first patch cord interface 221 and the buffer 228. A path between the patch cord interface 221 and the audio codec 227 to send the digital signal processed by the buffer 228 to the first patch cord interface 221 .
在另一个实施例中,模数检测电路224还可以用于检测转接器输出的信号是数字信号还 是模拟信号,并根据检测结果将控制信号Vctl_3输出给切换电路225和切换电路226。例如, 模数检测电路224可以检测第一转接线接口221处的信号(未在图4中示出),以判断转接器 输出的信号是数字信号还是模拟信号。音频编解码器227用于将第一转接线接口221发送的 模拟信号转化为数字信号,并将转化后的数字信号通过第二转接线接口222发送给第一电子 设备。缓冲器228用于将第一转接线接口221发送的数字信号进行缓冲、整形等处理,并将 处理后的数字信号通过第二转接线接口222发送给第一电子设备。此外,转接线220还可以 进行双向通信。In another embodiment, the analog-to-digital detection circuit 224 can also be used to detect whether the signal output by the adapter is a digital signal or an analog signal, and output the control signal Vct1_3 to the switching circuit 225 and the switching circuit 226 according to the detection result. For example, the analog-to-digital detection circuit 224 may detect a signal at the first patch cord interface 221 (not shown in FIG. 4 ) to determine whether the signal output by the patcher is a digital signal or an analog signal. The audio codec 227 is used to convert the analog signal sent by the first patch cord interface 221 into a digital signal, and send the converted digital signal to the first electronic device through the second patch cord interface 222. The buffer 228 is used for buffering and shaping the digital signal sent by the first patch cord interface 221, and sending the processed digital signal to the first electronic device through the second patch cord interface 222. In addition,
在一实施例中,第一转接线接口221为支持数字信号的接口,第二转接线接口222为支 持模拟信号和数字信号的接口。当第一电子设备中与第二转接线接口222对应的接口内设有 音频编解码器,则第一电子设备与第二转接线接口222之间传输数字信号,切换电路225导 通第二转接线接口222与缓冲器228之间的连接,切换电路226导通第一转接线接口221与 缓冲器228之间的连接,信号在第二转接线接口222、缓冲器228和第一转接线接口221之 间传输;当第一电子设备未内设音频编解码器,则第一电子设备与第二转接线接口222之间 传输模拟信号,切换电路225导通第二转接线接口222与音频编解码器227之间的连接,切 换电路226导通第一转接线接口221与音频编解码器227之间的连接,信号在第二转接线接 口222、音频编解码器227和第一转接线接口221之间传输。在转接线220中设置有处理电 路223,转接线和转接器可以与更多类型的第一电子设备进行信号传输,增加转接线和转接 器的适用性。In one embodiment, the first patch cord interface 221 is an interface that supports digital signals, and the second patch cord interface 222 is an interface that supports analog signals and digital signals. When the interface corresponding to the second patch cord interface 222 in the first electronic device is provided with an audio codec, digital signals are transmitted between the first electronic device and the second patch cord interface 222, and the switching circuit 225 turns on the second patch cord interface 222. The connection between the wiring interface 222 and the buffer 228, the switching circuit 226 conducts the connection between the first wiring interface 221 and the buffer 228, and the signal is connected between the second wiring interface 222, the buffer 228 and the first wiring interface 228. 221; when the first electronic device does not have a built-in audio codec, the analog signal is transmitted between the first electronic device and the second patch cord interface 222, and the switching circuit 225 turns on the second patch cord interface 222 and the audio encoder. The connection between the decoders 227, the switching circuit 226 conducts the connection between the first patch cord interface 221 and the audio codec 227, the signal is in the second patch cord interface 222, the audio codec 227 and the first patch cord interface 221 transfer between. A processing circuit 223 is provided in the
示例性的,盒子200和转接线220可以配合使用,即转接器使用盒子200,转接线使用 转接线220,第一转接线接口221插入第一接口202,则转接器和转接线形成的转接系统可以 方便地将第一电子设备的数字信号或模拟信号转化为无线信号,与无线设备(如无线耳机)进 行无线通信,可以使得无线设备(如无线耳机)与更多的设备方便地进行无线通信。盒子200 可以使用如图2A所示盒子的结构,转接线220可以如图2B所示转接线的结构。Exemplarily, the
图5示出了另一个实施例中盒子300的方框图。图5与图3相同的标号表示相同的结构 或信号,在图5中,盒子300还可以包括信号处理电路280,信号处理电路280耦合在接口管理电路250和控制器230之间,用于对转接器上传输的信号进行处理,以增加转接器的适用性。在另一种实现方式中,信号处理电路280可以临近第一接口202,接口管理电路250 设置在信号处理电路280和控制器230之间。Figure 5 shows a block diagram of a
在一个实施例中,信号处理电路280包括模数检测电路281、切换电路282、音频编解码 器283和缓冲器284。模数检测电路281用于检测第一接口202输出的信号是数字信号还是 模拟信号,并根据检测结果将控制信号Vctl_4输出给切换电路282。例如,模数检测电路224 可以检测节点C的信号,以判断第一电子设备输出的信号是数字信号还是模拟信号,示例性 的,节点C位于接口管理电路250与切换电路282之间。音频编解码器283用于将第一接口 202发送的模拟信号转化为数字信号,并将转化后的数字信号发送给控制器230。缓冲器228 用于将第一接口202发送的数字信号进行缓冲、整形等处理,并将处理后的数字信号发送给 控制器230。In one embodiment, the signal processing circuit 280 includes an analog-to-digital detection circuit 281, a
切换电路282的第一端耦合至节点C,切换电路282的第二端耦合至音频编解码器283, 切换电路282的第三端耦合至缓冲器284。当模数检测电路281检测到第一接口202发送的 信号是模拟信号时,控制信号Vctl_4控制切换电路282导通第一接口202与音频编解码器283 之间的路径,并断开第一接口202与缓冲器284之间的路径,以将第一接口202发送的模拟 信号发送给音频编解码器283。当模数检测电路281检测到第一接口202发送的信号是数字 信号时,控制信号Vctl_4控制切换电路282导通第一接口202与缓冲器284之间的路径,并 断开第一接口202与音频编解码器283之间的路径,以将第一接口202发送的模拟信号发送 给缓冲器284。A first end of switching
在另一个实施例中,控制器230还可以输出控制信号Vctl_5,以控制切换电路282得导 通状态。例如,当控制器230向音频编解码器283发送数字信号时,音频编解码器283将数 字信号转化为模拟信号,控制信号Vctl_5控制切换电路282导通第一接口202与音频编解码 器283之间的路径,并断开第一接口202与缓冲器284之间的路径,以将转化的模拟信号发 送给第一接口202。当控制器230向缓冲器281发送数字信号时,缓冲器281将数字信号进 行缓冲、整形等处理,控制信号Vctl_5控制切换电路282断开第一接口202与音频编解码器 283之间的路径,并导通第一接口202与缓冲器284之间的路径,以将处理的数字信号发送 给第一接口202。此外,盒子300还可以进行双向通信。图6示出了另一个实施例中转接线320的示意图。该转接线320可以包括至少一个第一转接线接口221和至少一个第二转接线接口222等,不包含处理电路223。第一转接线接口221与第二转接线接口222耦合,以在 第一转接线接口221和第二转接线接口222之间传输数字信号或模拟信号。In another embodiment, the controller 230 can also output the control signal Vctl_5 to control the
示例性的,盒子300可以和转接线320配合使用,即转接器使用盒子300,转接线使用 转接线320,第一转接线接口221插入第一接口202,则盒子和转接线形成的转接系统可以方 便地将第一电子设备的数字信号或模拟信号转化为无线信号,与无线设备(如无线耳机)进行 无线通信,使用方便,避免有线的束缚,提高设备使用的便捷性。第一转接线接口221和第 二转接线接口222的类型可以任意选择,以匹配第一电子设备和转接器的接口。并且,第一 电子设备、转接线和转接器之间可以传输数字信号或模拟信号。例如,当第一转接线接口221 支持数字信号,第二转接线接口222支持数字信号或支持模拟信号和数字信号时,第一电子 设备、转接线和转接器之间传输数字信号;当第一转接线接口221支持模拟信号,第二转接 线接口222支持模拟信号或支持模拟信号和数字信号时,第一电子设备、转接线和转接器之 间传输模拟信号;或者,当第一转接线接口221支持模拟信号和数字信号,第二转接线接口 222支持模拟信号和数字信号时,第一电子设备、转接线和转接器之间传输模拟信号和数字 信号;等等。Exemplarily, the
在另一些实施例中,盒子200还可以和转接线320配合使用,转接线和转接器形成的转 接系统可以传输数字信号,第一电子设备可以通过该转接系统,实现与无线设备的无线通信; 另外,盒子300还可以和转接线220配合使用,转接线和转接器形成的转接系统可以传输模 拟信号和数字信号,第一电子设备可以通过该转接系统,实现与无线设备的无线通信,可以 使得无线设备(如无线耳机)与更多的设备方便地进行无线通信。盒子300可以使用如图2A所 示盒子的结构,转接线320可以如图2B所示转接线的结构。In other embodiments, the
示例性的,图7示出了一种盒子400的方框图。盒子400包括第一接口222、接口管理电路250、控制器230和电源管理电路240。此外,盒子400还可以包括天线、触摸控件、第 二接口、电源管理电路、信号处理电路和电池等部件,为清楚显示,未在图7中示出,其中, 盒子400的结构可以使用如图2A所示盒子的结构,盒子400中第一接口222、接口管理电路250、控制器230、电源管理电路240、天线、触摸控件、第二接口、电源管理电路、信号处 理电路和电池等部件可以与图3或图5所示盒子的部件相同。Illustratively, FIG. 7 shows a block diagram of a
在图7中示出的第一接口202为USB TYPE-C接口,第一接口202包括触点1a、触点1b、 触点1c、触点1d、触点1e、触点1f和触点1g,这些触点可以分别为USB TYPE-C接口的引脚D+、引脚D-、引脚SBU、引脚CC1、引脚CC2、引脚GND、和引脚VBUS,引脚CC1、 引脚CC2为信号引脚,即引脚CC1、引脚CC2主要用于功能协商,是Type-C接口中的两个 关键引脚。引脚CC1和引脚CC2上的信号可以确定接口插入方向,并可用于协商接口上的 连接建立与管理等。此外,第一接口202还可以包括触点SSTx1、触点SSTx2、触点SSRx1 和触点SSRx2等触点,为清楚显示,未在图7中示出。The
接口管理电路250可以包括连接检测电路251和可配置电路252,连接检测电路251用 于检测第一接口202是否连接到第一电子设备,可配置电路252用于配置第一接口202与第 一电子设备的通信状态,无需更改第一电子设备侧的软件、硬件设置,便可以实现多种连接 状态。在一个实施例中,连接检测电路251耦合至触点1a、触点1b、触点1c和触点1g中的 任意一个或多个,以检测第一接口202是否连接到第一电子设备。例如,如图9所示,连接检测电路251耦合至触点1a,以检测触点1a是否连接到第一电子设备。其中,连接检测电路251可以检测触点1a处的电压或检测流经触点1a处的电流。例如,当第一接口202未连接到第一电子设备时,连接检测电路251检测到触点1a处的电压为零,或连接检测电路251检测到触点1a处的电流为零。当连接检测电路251检测到的电压大于一第一基准电压,或连接检测电路251检测到的电流大于一第一基准电流时,可以判断第一接口202连接到第一电子设备。示例性的,该第一基准电压的电压值大于零,例如,第一基准电压的电压值为1.3V、2.3V、 3.3V或5V等。示例性的,该第一基准电流的电流值大于零,例如,该第一基准电流为30mA、 38mA、100mA、500mA或1A等。连接检测电路251根据检测结果向控制器230发送控制信号Vctl_11,控制器230根据控制信号Vctl_11判断第一接口202是否连接到第一电子设备, 以触发与无线设备进行配对、与无线设备进行无线连接、抢占与无线设备的无线连接等。The interface management circuit 250 may include a connection detection circuit 251 and a configurable circuit 252, the connection detection circuit 251 is used to detect whether the
示例性的,可配置电路252耦合至触点1a、触点1b和触点1c,以用于配置第一接口202 与第一电子设备的通信状态。可配置电路252可以包括开关S1、开关S2和开关S3,开关S1、 开关S2和开关S3分别耦合在触点1a与控制器230之间、触点1b与控制器230之间和触点1c与控制器230之间。控制器230向可配置电路252发送的控制信号Vctl_21,可以配置开 关S1、开关S2和开关S3中任意一个或多个的连接或导通状态。当控制信号Vctl_2包含第一 信息时,接口管理电路250可以配置与第一接口202为第一连接状态,开关S1、开关S2和 开关S3中任意一个或多个为连接状态,触点1a、触点1b和触点1c中任意一个或多个与控 制器230导通,即第一音频数据通信链路(可以用于传输模拟音频数据,模拟音频数据为模 拟信号)导通。则第一电子设备可以通过扫描对应的接口处的电阻,判断第一电子设备可以 与转接器进行通信。当控制信号Vctl_2包含第二信息时,接口管理电路250可以配置与第一接口202为第二连接状态,开关S1、开关S2和开关S3中任意一个或多个为断开状态,触点1a、触点1b和触点1c中任意一个或多个与控制器230断开,即第一音频数据通信链路断开。则第一电子设备可以通过检测对应的接口处的电阻,判断第一电子设备与转接器不进行通信。Illustratively, a configurable circuit 252 is coupled to the contacts 1a, 1b, and 1c for configuring the communication state of the
示例性的,图8示意出盒子与转接线连接时的示意图。转接线420a包括第一转接线接口 221a和第二转接线接口222a。在一些实施例中,第二转接线接口222a为模拟音频接口,支 持模拟信号,例如第二转接线接口222a为如图8所示的3.5mm音频接口,第二转接线接口 222a包括4个端,分别为左声道端3a、右声道端3b、MIC(麦克)端3c和GND(接地)端3d。第一转接线接口221a为USB TYPE-C接口,触点2a、触点2b、触点2c、触点2d、触点2e、 触点2f和触点2g,这些触点可以分别为USB TYPE-C接口的触点D+、触点D-、触点SBU、 触点CC1、触点CC2、触点GND、和触点VBUS,此外,第一转接线接口221a还可以包括 触点SSTx1、触点SSTx2、触点SSRx1和触点SSRx2等,为清楚显示,未在图8中示出。其 中,左声道端3a耦合至触点2a,右声道端3b耦合至触点2b,MIC端3c耦合至触点2c。当 盒子400与转接线420a连接时,左声道端3a耦合至触点1a,右声道端3b耦合至触点1b, MIC端3c耦合至触点1c,触点1a可以传输左声道信号L,触点2a可以传输右声道信号R, 触点3a可以传输麦克信号MIC。Exemplarily, FIG. 8 shows a schematic diagram when the box is connected with the patch cord. Patch cord 420a includes a first patch cord interface 221a and a second patch cord interface 222a. In some embodiments, the second patch cord interface 222a is an analog audio interface that supports analog signals. For example, the second patch cord interface 222a is a 3.5mm audio interface as shown in FIG. 8 , and the second patch cord interface 222a includes four terminals. , which are the left channel end 3a, the
当第二转接线接口222a连接到第一电子设备上时,连接检测电路251可以检测到第一接 口202处的电压或电流。此时,控制器230发出的控制信号Vctl_21包含第一信息,接口管 理电路250配置与第一接口202为第一连接状态,控制开关S3的导通控制器230与触点1c 的连接,第一电子设备可以扫描到MIC端3c的电阻较高,第一电子设备认为连接到了有线 耳机或有线外放设备,从而实现第一电子设备与控制器230的有线通信;控制器230发出的 控制信号Vctl_21包含第二信息时,接口管理电路250配置与第一接口202为第二连接状态, 开关S3的导断开控制器230与触点1c的连接,第一电子设备可以扫描到MIC端3c的电阻较低,第一电子设备认为没有连接到了有线耳机或有线外放设备,从而断开第一电子设备与 控制器230的有线通信。When the second patch cord interface 222a is connected to the first electronic device, the connection detection circuit 251 can detect the voltage or current at the
在图7中,接口管理电路250还可以包括连接检测电路253和可配置电路(即逻辑配置 电路)254,连接检测电路253用于检测第一接口202是否连接到第一电子设备,可配置电路 254用于配置第一接口202与第一电子设备的通信状态,无需更改第一电子设备侧的软件、 硬件设置,便可以实现多种连接状态。在一个实施例中,连接检测电路253耦合至触点1d、 触点1e和触点1g中的任意一个或多个,以检测第一接口202是否连接到第一电子设备。在 一个实施例中,如图9所示,连接检测电路251耦合至触点1d和触点1e,按照USB TYPE-C协议检测第一接口202与第一电子设备的功能以及连接状态。例如,连接检测电路251可以对转接器的DFP(Down Facing Port,向下端口)、UFP(Up Facing Port,向上端口)和DFP(Dual Role Port,双角色端口)功能进行识别,同时,连接检测电路251还可以识别连接状态。In FIG. 7, the interface management circuit 250 may further include a connection detection circuit 253 and a configurable circuit (ie, a logic configuration circuit) 254. The connection detection circuit 253 is used to detect whether the
可配置电路254用于按照USB TYPE-C协议配置触点1d和触点1e处的电阻,以配置第 一接口202和第一连接线接口221a的连接状态。例如,DFP通过检测三种不同形式的UFP端下拉电阻(悬空、下拉电阻Ra=0.8-1.2K、下拉电阻Rd=5.1K)来识别各种配置模式。当转接 器被配置为UFP功能时,通过配置触点1d(引脚CC1)或触点1e(引脚CC2)为悬空、连接下拉 电阻Rd或连接下拉电阻Ra,可以设置第一接口202和第一连接线接口221a的连接状态为: 无任何连接、UFP已连接(仅上行链路连接)、供电电缆/UFP未连接(仅电源连接,但无上行 链路连接)、供电电缆/UFP已连接(电源连接,且上行链路连接)、调试附件模式已连接、音频 适配器模式已连接。第一连接线接口221a的可以通过检测触点1d(引脚CC1)和触点1e(引脚 CC2)的负载来判断连接状态。表1概述了转接器(UFP功能)被配置为不同下拉电阻时的各连 接状态。The configurable circuit 254 is used to configure the resistances at the contact 1d and the contact 1e according to the USB TYPE-C protocol, so as to configure the connection state of the
表1Table 1
示例性的,图9示意出盒子400与转接线420b的连接示意图。转接线420b包括第一转 接线接口221a和第二转接线接口222b。在一些实施例中,第二转接线接口222b支持模拟信 号,例如第二转接线接口222b为如图9所示的USB TYPE-C接口,第二转接线接口222b包括触点4a、触点4b、触点4c、触点4d、触点4e、触点4f和触点4g,这些触点可以分别为 USBTYPE-C接口的触点D+、触点D-、触点SBU、触点CC1、触点CC2、触点GND、和触 点VBUS,此外,第一转接线接口221b还可以包括触点SSTx1、触点SSTx2、触点SSRx1 和触点SSRx2等,为清楚显示,未在图9中示出。Exemplarily, FIG. 9 shows a schematic diagram of the connection between the
当第二转接线接口222b连接到第一电子设备上时,连接检测电路253可以检测到第一接 口202处的电压或电流。此时,控制器230发出的控制信号Vctl_22包含第三信息,接口管 理电路250配置与第一接口202为第三连接状态,控制可配置电路254在触点1d、触点1e 处的电阻,使第一电子设备(DFP)与连接器(UFP)的连接状态为供电电缆/UFP已连接,第一电 子设备为转接器供电,同时第一电子设备(DFP)与连接器(UFP)进行有线通信,即第二音频数 据通信链路(可以用于传输数字音频数据,数字音频数据为数字信号)导通。其中,第一接 口202可以通过触点D+、触点D-来通信,或通过触点SSTx1、触点SSTx2、触点SSRx1和触点SSRx2来通信。第一接口202可以支持数据信号或模拟信号。当控制器230发出的控制信号Vctl_22包含第四信息,接口管理电路250配置与第一接口202为第四连接状态,控制可配置电路254在触点1d、触点1e处的电阻,使第一电子设备(DFP)与连接器(UFP)的连接状态为供电电缆/UFP未连接时,第一电子设备认为没有连接到了有线耳机或有线外放设备, 从而断开第一电子设备与控制器230的有线通信,即第二音频数据通信链路断开,同时,第 一电子设备还可以为连接器供电。When the second patch cord interface 222b is connected to the first electronic device, the connection detection circuit 253 can detect the voltage or current at the
在图7中,第一接口202还可以为Micro USB接口、USB TYPE-A接口、HDMI接口或Lightning@接口等。例如,第一接口202为Micro USB接口,第一接口202可以包括触点 1a、触点1b、触点1c、触点1f和触点1g,这些触点可以分别为Micro USB接口接口的触点 D+、触点D-、触点ID、触点GND、和触点VBUS,同样可以通过连接检测电路251和可配 置电路252对第一接口202的连接状态进行检测和配置。例如,连接检测电路251可以耦合 至触点1a或触点1b,并且还可以耦合至触点1c和触点1g,以检测第一接口202是否连接到 第一电子设备。可配置电路252可以根据控制信号Vctl_21,配置触点1a、触点1b和触点1c 中的一个或多个与控制电路230之间是否导通。第一接口202可以传输模拟信号,例如,触 点1a、触点1b和触点1c可以分别传输左声道信号L、右声道信号R和麦克信号MIC。控制 器230发出的控制信号Vctl_21包含第一信息,接口管理电路250配置与第一接口202为第 一连接状态,控制开关S3的导通控制器230与触点1c的连接,第一电子设备可以扫描到MIC 端3c的电阻较高,第一电子设备认为连接到了有线耳机或有线外放设备,从而实现第一电子 设备与控制器230的有线通信;控制器230发出的控制信号Vctl_21包含第二信息时,接口 管理电路250配置与第一接口202为第二连接状态,开关S3的导断开控制器230与触点1c 的连接,第一电子设备可以扫描到MIC端3c的电阻较低,第一电子设备认为没有连接到了 有线耳机或有线外放设备,从而断开第一电子设备与控制器230的有线通信。第一接口202 还可以传输数据信号,例如,触点1a和触点1b可以分别传输数据D+和数据D-。控制器230 发出的控制信号Vctl_21包含第三信息,接口管理电路250配置与第一接口202为第三连接 状态,控制开关S1、开关S2分别导通触点1a、触点1b与控制器230的连接,第一电子设备 可以扫描到触点1a、触点1b的电阻或电压,第一电子设备认为连接到了有线耳机或有线外 放设备,从而实现第一电子设备与控制器230的有线通信;控制器230发出的控制信号Vctl_21 包含第四信息时,接口管理电路250配置与第一接口202为第四连接状态,控制开关S1、开 关S2分别断开触点1a、触点1b与控制器230的连接,第一电子设备无法扫描到触点1a、触 点1b的电阻或电压,第一电子设备认为没有连接到了有线耳机或有线外放设备,从而断开第 一电子设备与控制器230的有线通信。In FIG. 7 , the
在图8所示的转接线420a还可以包括音频编解码器,则第一转接线接口221a传输的为 数字信号。并且,转接线420a中还可以包括接口管理电路或接口管理芯片(例如CC逻辑检测 与控制芯片等),以配置各触点的输入和输出。在图9所示的转接线420b可以采用如图4所 示的处理电路223,此外,并且,转接线420b中还可以包括接口管理电路或接口管理芯片(例 如CC逻辑检测与控制芯片等),以配置各触点的输入和输出。The patch cord 420a shown in FIG. 8 may further include an audio codec, and the first patch cord interface 221a transmits digital signals. In addition, the patch cord 420a may further include an interface management circuit or an interface management chip (such as a CC logic detection and control chip, etc.) to configure the input and output of each contact. In the patch cord 420b shown in FIG. 9, the processing circuit 223 as shown in FIG. 4 may be used. In addition, the patch cord 420b may also include an interface management circuit or an interface management chip (such as a CC logic detection and control chip, etc.), to configure the input and output of each contact.
示例性的,图10A示出了一种无线耳机110的结构示意图。耳机本体111和耳机本体112 上均具有触点113、出声孔114以及传感器115。触点113用于对耳机里的电池充电、与盒子 进行有线通信(例如耳机与盒子交换信息、对耳机进行升级等)。每个耳机本体可以具有两个 以上的触点113,例如每个耳机本体可以包括两个或三个触点113。出声孔114用于将扬声器 的声音播放出来,传感器115可以是距离传感器或接近光传感器,可以用于确定无线耳机是 否被用户佩戴。Exemplarily, FIG. 10A shows a schematic structural diagram of a
示例性的,图10B示出了一种无线耳机210的方框图,无线耳机210可以使用如图10A 所示耳机的结构。该无线耳机210可以包括至少一个控制器211、耳机接口212、电源管理电 路213、电池214、天线215以及音频电路216。控制器211可以包括处理器、存储器、无线通信电路等,其中,控制器211的存储器可以用于存储程序代码以及已经配对过的信息,如用于无线耳机与已配对过的转接器或第二电子设备之间进行无线连接,切换与转接器或第二 电子设备之间的无线连接,处理电子设备的音频业务(例如音乐播放、接/打电话等),以及用 于无线耳机进行充电,无线耳机与其他电子设备进行无线配对连接的程序代码等。控制器211 的处理器可以用于执行上述应用程序代码,调用相关模块以实现本申请实施例中转接器的功 能。例如,实现转接器与无线设备或第二电子设备之间进行无线连接,音频播放,数据传输。 再例如,支持业务抢占功能。Exemplarily, FIG. 10B shows a block diagram of a
控制器211的无线通信电路可以用于支持转接器与其他电子设备或无线设备之间包括BT, WLAN(如Wi-Fi),Zigbee,FM,NFC,IR,或通用2.4G/5G无线通信技术等无线通信的数据 交换。在一些实施例中,该无线通信电路可以为蓝牙电路。转接器可以通过该蓝牙电路,与 其他电子设备或无线设备的蓝牙电路之间进行配对并建立无线连接,以通过该无线连接实现 转接器和其他电子设备或无线设备之间的无线通信和业务处理。该无线连接可以是无线连接。 通常,蓝牙电路可以支持基础速率(basic rate,BR)/增强速率(enhanceddata rate,EDR)蓝牙 和BLE,例如可以收/发寻呼(page)信息,收/发BLE广播消息等。控制器211经由天线215 接收电磁波,将电磁波信号调频以及滤波等处理。控制器211将待发送的信号进行调频,放 大,经天线215转为电磁波辐射出去。The wireless communication circuit of the controller 211 can be used to support BT, WLAN (eg Wi-Fi), Zigbee, FM, NFC, IR, or general 2.4G/5G wireless communication between the adapter and other electronic devices or wireless devices Data exchange for wireless communication such as technology. In some embodiments, the wireless communication circuit may be a Bluetooth circuit. The adapter can pair and establish a wireless connection with the Bluetooth circuit of other electronic devices or wireless devices through the Bluetooth circuit, so as to realize wireless communication and communication between the adapter and other electronic devices or wireless devices through the wireless connection. business processing. The wireless connection may be a wireless connection. Generally, the Bluetooth circuit can support basic rate (BR)/enhanced data rate (EDR) Bluetooth and BLE, for example, it can receive/send page information, receive/send BLE broadcast messages and so on. The controller 211 receives the electromagnetic wave via the antenna 215, and performs processing such as frequency modulation and filtering of the electromagnetic wave signal. The controller 211 performs frequency modulation on the signal to be sent, amplifies it, and converts it into electromagnetic waves for radiation through the antenna 215.
控制器211中的部分或全部可以集成在一个集成电路(IC)中,并且,控制器211中的部分 或全部可以封装在一起。例如在一个实施例中,处理器、存储器、无线通信电路分别位于不 同的集成电路的裸芯,处理器、存储器、无线通信电路采用系统级封装(SIP)的方式封装为系 统级芯片(SOC)。Some or all of the controller 211 may be integrated in one integrated circuit (IC), and some or all of the controller 211 may be packaged together. For example, in one embodiment, the processor, the memory, and the wireless communication circuit are respectively located on the bare cores of different integrated circuits, and the processor, the memory, and the wireless communication circuit are packaged as a system-on-chip (SOC) in a system-in-package (SIP) manner. .
耳机接口212可以用于提供无线耳机与转接器之间进行充电或通信的有线连接。在一些 实施例中,耳机接口106可以为耳机电连接器,当无线耳机放置于转接器中时,无线耳机可 以通过耳机电连接器与转接器中的电连接器建立电连接,从而为无线耳机中的电池214充电。 在另一些实施例中,在该电连接建立后,无线耳机还可以与耳机盒进行数据通信,例如可以 接收来自转接器的配对指令。示例性的,当无线耳机与转接器需要配对时,将无线耳机放入 转接器内,如图10C所示,耳机接口212与转接器的第二接口204连接;使转接器和无线耳 机处于工作状态,转接器和无线耳机均关闭无线功能;触发转接器进入配对流程,例如将转 接线分别插入转接器和第一电子设备以触发配对,或按下触摸控件203以触发配对;判断转 接器和无线耳机是否配对过,如果配对过,则退出配对流程;如果没有配对过,则转接器与 耳机通过第二接口进行通信,例如,转接器通过第二接口获取无线耳机的信息,其中,该信 息可以包括生产商信息、产品信息、MAC地址等配对信息;转接器与无线耳机建立通信信道; 打开转接器和无线耳机的无线功能,转接器和无线耳机进入配对模式,并按照正常的无线设 备的配对模式进行配对;配对完成后,退出配对状态。除此之外,无线设备与转接器之间还 可以通过手机等电子设备进行无线连接。The
电源管理电路213可以用于提供无线耳机的系统电源,为无线耳机的各模块供电;支持 无线耳机接收充电输入等。电源管理电路213可以接收外部的充电输入;将充电路输入的电 信号变压后提供给电池充电,还可以将电池提供的电信号变压后提供给控制器211等其他模 块;以及防止电池过充、过放、短路或过流等。在一些实施例中,电源管理电路213还可以 包括无线充电线圈,用于对无线耳机进行无线充电。另外,电源管理电路213还可以用于监 测电池容量,电池循环次数,电池健康状态(漏电,阻抗)等参数。The
音频电路216可以用于管理音频数据,实现无线耳机输入和输出音频信号。例如,音频 电路216可以从控制器211获取音频信号,或者向控制器211传递音频信号,实现通过无线 耳机接打电话、播放音乐、启动/关闭与耳机连接的电子设备的语音助手、接收/发送用户的语 音数据等功能。音频电路216可以包括用于输出音频信号的扬声器(或称听筒、受话器)组件, 麦克风(或称话筒,传声器),与麦克风相配合的麦克收音电路等。扬声器可以用于将音频电 信号转换成声音信号并播放。麦克风可以用于将声音信号转换为音频电信号。The
另外,无线耳机210还可以包括传感器217。例如,该传感器217可以是距离传感器或 接近光传感器,可以用于确定无线耳机是否被用户佩戴。示例性的,无线耳机可以利用距离 传感器来检测无线耳机附近是否有物体,从而确定无线耳机是否被用户佩戴。在确定无线耳 机被佩戴时,无线耳机可以打开扬声器。Additionally, the
再例如,该传感器217还可以包括骨传导传感器,结合成骨传导耳机。利用该骨传导传 感器,无线耳机可以获取人体声部振动骨块的振动信号,解析出语音信号,实现语音功能, 从而接收用户的语音指令。无线耳机还可以根据骨传导耳机获取的用户语音信号进行语音鉴 权,以在支付交易等业务场景中对用户身份进行认证等。For another example, the
再例如,该传感器217还可以包括:触摸传感器,用于检测用户的触摸操作;指纹传感 器,用于检测用户指纹,识别用户身份等;环境光传感器,可以根据感知的环境光的亮度, 自适应调节一些参数(如音量大小);以及其他一些传感器。For another example, the
在一些实施例中,触摸传感器可以检测用户的单击、双击、多次点击、长按、重压等触 摸操作,还可以进行用户指纹识别,以在支付交易等业务场景中对用户身份进行鉴权。In some embodiments, the touch sensor can detect the user's single-click, double-click, multiple-click, long-press, heavy pressure and other touch operations, and can also perform user fingerprint recognition to authenticate the user's identity in business scenarios such as payment transactions. right.
当无线耳机为TWS耳机时,用户可以在双耳模式或单耳模式下使用TWS耳机。在单耳 模式下,用户佩戴左耳塞,或者佩戴右耳塞,进行听音乐或接/打电话等音频业务。在双耳模 式下,用户可以佩戴两个耳塞欣赏音乐或进行其他音频业务。在双耳模式下,两个耳塞有主 耳塞和副耳塞之分。并且,在TWS耳机的使用过程中,两个耳塞的主、副角色还可以进行切 换。在一些实施例中,TWS耳机可以通过主耳塞与电子设备交互控制信息,例如连接控制信 息、业务控制信息等。从而,可以根据连接控制信息建立或断开与电子设备之间的无线连接; 根据业务控制信息进行业务动作控制(例如暂停、播放、上一首等)等操作。When the wireless earphone is a TWS earphone, the user can use the TWS earphone in binaural mode or monaural mode. In the single-ear mode, the user wears the left earbud or the right earbud to perform audio services such as listening to music or answering/calling. In binaural mode, users can wear two earbuds to listen to music or conduct other audio services. In binaural mode, the two earbuds are divided into primary earbuds and secondary earbuds. In addition, during the use of the TWS earphones, the primary and secondary roles of the two earbuds can also be switched. In some embodiments, the TWS headset can exchange control information, such as connection control information, service control information, etc., with the electronic device through the main earbud. Therefore, the wireless connection with the electronic device can be established or disconnected according to the connection control information; and operations such as service action control (eg pause, play, previous song, etc.) can be performed according to the service control information.
可以理解的是,本申请实施例示意的结构并不构成对无线耳机的具体限定。其可以具有 比图10A和图10B示出的更多的或者更少的部件,可以组合两个或更多的部件,或者可以具 有不同的部件配置。例如,在无线耳机的外表面还可以包括按键、指示灯(可以指示无线耳机 的电量、呼入/呼出、配对模式等状态)、显示屏(可以提示用户相关信息,例如无线耳机当前 无线连接的情况、可用于进行无线连接的所有电子设备的信息、无线耳机的电量、呼入/呼出、 配对模式等信息)、防尘网(可以配合听筒使用)等部件。其中,该按键可以是物理按键或触摸 按键(与触摸传感器配合使用)等,用于触发开机、关机、暂停、播放、录音、开始配对、重 置等操作。It can be understood that the structures illustrated in the embodiments of the present application do not constitute a specific limitation on the wireless earphone. It may have more or fewer components than shown in Figures 10A and 10B, may combine two or more components, or may have a different configuration of components. For example, the outer surface of the wireless headset may also include buttons, indicator lights (which can indicate the status of the wireless headset's power, incoming/outgoing calls, pairing mode, etc.), and a display screen (which can prompt the user for relevant information, such as the current wireless connection status of the wireless headset. conditions, information of all electronic devices that can be used for wireless connection, power of wireless headsets, incoming/outgoing calls, pairing mode, etc.), dust filter (can be used with the handset) and other components. Among them, the button can be a physical button or a touch button (used in conjunction with a touch sensor), etc., and is used to trigger operations such as power on, power off, pause, play, record, start pairing, and reset.
示例性的,图11示出了一种电子设备500的方框图。电子设备500可以包括处理器510, 外部存储器接口520,内部存储器521,通用串行总线(universal serial bus,USB)接口530,充 电管理模块540,电源管理单元541,电池542,天线551,天线561,移动通信模块550,无 线通信模块560,音频模块570,扬声器570A,受话器570B,麦克风570C,耳机接口570D, 传感器模块580,按键590,马达591,指示器592,摄像头593,显示屏594,以及用户标识模块(subscriber identification module,SIM)卡接口595等。其中传感器模块580可以包括 压力传感器580A,陀螺仪传感器580B,气压传感器580C,磁传感器580D,加速度传感器580E,距离传感器580F,接近光传感器580G,指纹传感器580H,温度传感器580J,触摸传 感器580K,环境光传感器580L,骨传导传感器580M等。Exemplarily, FIG. 11 shows a block diagram of an electronic device 500 . The electronic device 500 may include a
可以理解的是,本申请实施例示意的结构并不构成对电子设备500的具体限定。在本申 请另一些实施例中,电子设备500可以包括比图示更多或更少的部件,或者组合某些部件, 或者拆分某些部件,或者不同的部件布置。图示的部件可以以硬件,软件或软件和硬件的组 合实现。It can be understood that the structures illustrated in the embodiments of the present application do not constitute a specific limitation on the electronic device 500 . In other embodiments of the present application, the electronic device 500 may include more or less components than shown, or some components may be combined, or some components may be separated, or different component arrangements. The illustrated components may be implemented in hardware, software or a combination of software and hardware.
处理器510可以包括一个或多个处理单元,例如:处理器510可以包括应用处理器(application processor,AP),调制解调处理器,图形处理器(graphics processingunit,GPU), 图像信号处理器(image signal processor,ISP),控制器,存储器,视频编解码器,数字信号处 理器(digital signal processor,DSP),基带处理器,和/或神经网络处理器(neural-network processing unit,NPU)等。其中,不同的处理单元可以是独立的器件,也可以集成在一个或多 个处理器中。The
其中,控制器可以是电子设备500的神经中枢和指挥中心。控制器可以根据指令操作码 和时序信号,产生操作控制信号,完成取指令和执行指令的控制。The controller may be the nerve center and command center of the electronic device 500 . The controller can generate operation control signals according to the instruction opcode and timing signal, and complete the control of fetching and executing instructions.
处理器510中还可以设置存储器,用于存储指令和数据。在一些实施例中,处理器510 中的存储器为高速缓冲存储器。该存储器可以保存处理器510刚用过或循环使用的指令或数 据。如果处理器510需要再次使用该指令或数据,可从存储器中直接调用。避免了重复存取, 减少了处理器510的等待时间,因而提高了系统的效率。A memory may also be provided in the
在一些实施例中,处理器510可以包括一个或多个接口。该接口可以包括集成电路(inter-integrated circuit,I2C)接口,集成电路内置音频(inter-integrated circuitsound,I2S)接口, 脉冲编码调制(pulse code modulation,PCM)接口,通用异步收发传输器(universal asynchronous receiver/transmitter,UART)接口,移动产业处理器接口(mobile industry processor interface, MIPI),通用输入输出(general-purposeinput/output,GPIO)接口,用户标识模块(subscriber identity module,SIM)接口,和/或通用串行总线(universal serial bus,USB)接口等。In some embodiments, the
其中,I2S接口可以用于音频通信。在一些实施例中,处理器510可以包含多组I2S总线。 处理器510可以通过I2S总线与音频模块570耦合,实现处理器510与音频模块570之间的 通信。在一些实施例中,音频模块570可以通过I2S接口向无线通信模块560传递音频信号, 实现通过蓝牙耳机接听电话的功能。Among them, the I2S interface can be used for audio communication. In some embodiments, the
PCM接口也可以用于音频通信,将模拟信号抽样,量化和编码。在一些实施例中,音频 模块570与无线通信模块560可以通过PCM总线接口耦合。在一些实施例中,音频模块570也可以通过PCM接口向无线通信模块560传递音频信号,实现通过蓝牙耳机接听电话的功能。 I2S接口和PCM接口都可以用于音频通信。The PCM interface can also be used for audio communications, sampling, quantizing and encoding analog signals. In some embodiments,
UART接口是一种通用串行数据总线,用于异步通信。该总线可以为双向通信总线。它 将要传输的数据在串行通信与并行通信之间转换。在一些实施例中,UART接口通常被用于 连接处理器510与无线通信模块560。例如:处理器510通过UART接口与无线通信模块560中的蓝牙模块通信,实现蓝牙功能。在一些实施例中,音频模块570可以通过UART接口向 无线通信模块560传递音频信号,实现通过蓝牙耳机播放音乐的功能。The UART interface is a universal serial data bus used for asynchronous communication. The bus may be a bidirectional communication bus. It converts the data to be transmitted between serial communication and parallel communication. In some embodiments, a UART interface is typically used to connect the
可以理解的是,本申请实施例示意的各模块间的接口连接关系,只是示意性说明,并不 构成对电子设备500的结构限定。在本申请另一些实施例中,电子设备500也可以采用上述 实施例中不同的接口连接方式,或多种接口连接方式的组合。It can be understood that the interface connection relationship between the modules illustrated in the embodiments of the present application is only a schematic illustration, and does not constitute a structural limitation of the electronic device 500. In other embodiments of the present application, the electronic device 500 may also adopt different interface connection manners in the foregoing embodiments, or a combination of multiple interface connection manners.
充电管理模块540用于从充电器接收充电输入。其中,充电器可以是无线充电器,也可 以是有线充电器。在一些有线充电的实施例中,充电管理模块540可以通过USB接口530接 收有线充电器的充电输入。在一些无线充电的实施例中,充电管理模块540可以通过电子设 备500的无线充电线圈接收无线充电输入。充电管理模块540为电池542充电的同时,还可 以通过电源管理单元541为电子设备供电。The charging management module 540 is used to receive charging input from the charger. Among them, the charger can be a wireless charger or a wired charger. In some wired charging embodiments, the charging management module 540 may receive charging input from the wired charger through the USB interface 530. In some wireless charging embodiments, the charging management module 540 may receive wireless charging input through a wireless charging coil of the electronic device 500. While charging the battery 542, the charging management module 540 can also supply power to the electronic device through the
电源管理单元541用于连接电池542,充电管理模块540与处理器510。电源管理单元 541接收电池542和/或充电管理模块540的输入,为处理器510,内部存储器521,外部存储 器,显示屏594,摄像头593,和无线通信模块560等供电。电源管理单元541还可以用于监测电池容量,电池循环次数,电池健康状态(漏电,阻抗)等参数。在其他一些实施例中,电源管理单元541也可以设置于处理器510中。在另一些实施例中,电源管理单元541和充电管理模块540也可以设置于同一个器件中。The
电子设备500的无线通信功能可以通过天线551,天线561,移动通信模块550,无线通 信模块560,调制解调处理器以及基带处理器等实现。The wireless communication function of the electronic device 500 can be realized by the antenna 551, the antenna 561, the
天线551和天线561用于发射和接收电磁波信号。电子设备500中的每个天线可用于覆 盖单个或多个通信频带。不同的天线还可以复用,以提高天线的利用率。例如:可以将天线 551复用为无线局域网的分集天线。在另外一些实施例中,天线可以和调谐开关结合使用。The antenna 551 and the antenna 561 are used to transmit and receive electromagnetic wave signals. Each antenna in electronic device 500 may be used to cover a single or multiple communication frequency bands. Different antennas can also be reused to improve antenna utilization. For example, the antenna 551 can be multiplexed as a diversity antenna of the wireless local area network. In other embodiments, the antenna may be used in conjunction with a tuning switch.
移动通信模块550可以提供应用在电子设备500上的包括2G/3G/4G/5G等无线通信的解 决方案。移动通信模块550可以包括至少一个滤波器,开关,功率放大器,低噪声放大器(low noise amplifier,LNA)等。移动通信模块550可以由天线551接收电磁波,并对接收的电磁波 进行滤波,放大等处理,传送至调制解调处理器进行解调。移动通信模块550还可以对经调 制解调处理器调制后的信号放大,经天线551转为电磁波辐射出去。在一些实施例中,移动 通信模块550的至少部分功能模块可以被设置于处理器510中。在一些实施例中,移动通信 模块550的至少部分功能模块可以与处理器510的至少部分模块被设置在同一个器件中。The
调制解调处理器可以包括调制器和解调器。其中,调制器用于将待发送的低频基带信号 调制成中高频信号。解调器用于将接收的电磁波信号解调为低频基带信号。随后解调器将解 调得到的低频基带信号传送至基带处理器处理。低频基带信号经基带处理器处理后,被传递 给应用处理器。应用处理器通过音频设备(不限于扬声器570A,受话器570B等)输出声音信 号,或通过显示屏594显示图像或视频。在一些实施例中,调制解调处理器可以是独立的器 件。在另一些实施例中,调制解调处理器可以独立于处理器510,与移动通信模块550或其 他功能模块设置在同一个器件中。The modem processor may include a modulator and a demodulator. Among them, the modulator is used to modulate the low frequency baseband signal to be sent into a medium and high frequency signal. The demodulator is used to demodulate the received electromagnetic wave signal into a low frequency baseband signal. The demodulator then transmits the demodulated low-frequency baseband signal to the baseband processor for processing. The low frequency baseband signal is processed by the baseband processor and passed to the application processor. The application processor outputs sound signals through audio devices (not limited to
无线通信模块560可以提供应用在电子设备500上的包括WLAN(如Wi-Fi),BT,全球导航卫星系统(global navigation satellite system,GNSS),FM,NFC,IR或通用2.4G/5G无线 通信技术等无线通信的解决方案。无线通信模块560可以是集成至少一个通信处理模块的一 个或多个器件。无线通信模块560经由天线561接收电磁波,将电磁波信号调频以及滤波处 理,将处理后的信号发送到处理器510。无线通信模块560还可以从处理器510接收待发送 的信号,对其进行调频,放大,经天线561转为电磁波辐射出去。The
在一些实施例中,该无线通信模块560可以为蓝牙芯片。电子设备500可以通过该蓝牙 芯片,与无线耳机等电子设备的蓝牙芯片之间进行配对并建立无线连接,以通过该无线连接 实现电子设备500和其他电子设备之间的无线通信和业务处理。该无线连接可以是无线连接。 蓝牙芯片通常可以支持BR/EDR蓝牙和BLE。In some embodiments, the
在一些实施例中,电子设备500的天线551和移动通信模块550耦合,天线561和无线 通信模块560耦合,使得电子设备500可以通过无线通信技术与网络以及其他设备通信。无 线通信技术可以包括全球移动通讯系统(global system for mobilecommunications,GSM),通 用分组无线服务(general packet radio service,GPRS),码分多址接入(code division multiple access,CDMA),宽带码分多址(wideband codedivision multiple access,WCDMA),时分码分 多址(time-division code divisionmultiple access,TD-SCDMA),长期演进(long term evolution,LTE),BT,GNSS,WLAN,NFC,FM,和/或IR技术等。GNSS可以包括全球卫星定位系 统(global positioning system,GPS),全球导航卫星系统(global navigation satellite system, GLONASS),北斗卫星导航系统(beidou navigation satellite system,BDS),准天顶卫星系统 (quasi-zenithsatellite system,QZSS)和/或星基增强系统(satellite based augmentation systems,SBAS)。In some embodiments, the antenna 551 of the electronic device 500 is coupled with the
电子设备500通过GPU,显示屏594,以及应用处理器等实现显示功能。GPU为图像处理的微处理器,连接显示屏594和应用处理器。GPU用于执行数学和几何计算,用于图形渲染。处理器510可包括一个或多个GPU,其执行程序指令以生成或改变显示信息。The electronic device 500 implements a display function through a GPU, a display screen 594, an application processor, and the like. The GPU is a microprocessor for image processing, and is connected to the display screen 594 and the application processor. The GPU is used to perform mathematical and geometric calculations for graphics rendering.
显示屏594用于显示图像,视频等。显示屏594包括显示面板。显示面板可以采用液晶 显示屏(liquid crystal display,LCD),有机发光二极管(organic light-emittingdiode,OLED),有 源矩阵有机发光二极体或主动矩阵有机发光二极体(active-matrixorganic light emitting diode的, AMOLED),柔性发光二极管(flex light-emittingdiode,FLED),Miniled,MicroLed,Micro-oLed, 量子点发光二极管(quantum dot lightemitting diodes,QLED)等。在一些实施例中,电子设备 500可以包括1个或N个显示屏594,N为大于1的正整数。Display screen 594 is used to display images, videos, and the like. Display screen 594 includes a display panel. The display panel can be a liquid crystal display (LCD), an organic light-emitting diode (OLED), an active-matrix organic light-emitting diode or an active-matrix organic light-emitting diode (active-matrix organic light-emitting diode). , AMOLED), flexible light-emitting diode (flex light-emitting diode, FLED), Miniled, MicroLed, Micro-oLed, quantum dot light-emitting diodes (quantum dot light emitting diodes, QLED) and so on. In some embodiments, electronic device 500 may include 1 or N display screens 594, where N is a positive integer greater than 1.
电子设备500可以通过ISP,摄像头593,视频编解码器,GPU,显示屏594以及应用处理器等实现拍摄功能。The electronic device 500 may implement a shooting function through an ISP, a camera 593, a video codec, a GPU, a display screen 594, an application processor, and the like.
ISP用于处理摄像头593反馈的数据。例如,拍照时,打开快门,光线通过镜头被传递 到摄像头感光元件上,光信号转换为电信号,摄像头感光元件将电信号传递给ISP处理,转 化为肉眼可见的图像。ISP还可以对图像的噪点,亮度,肤色进行算法优化。ISP还可以对拍 摄场景的曝光,色温等参数优化。在一些实施例中,ISP可以设置在摄像头593中。The ISP is used to process the data fed back by the camera 593 . For example, when taking a photo, the shutter is opened, the light is transmitted to the camera sensor through the lens, the light signal is converted into an electrical signal, and the camera sensor transmits the electrical signal to the ISP for processing, converting it into an image visible to the naked eye. ISP can also perform algorithm optimization on image noise, brightness, and skin tone. ISP can also optimize the exposure, color temperature and other parameters of the shooting scene. In some embodiments, the ISP may be provided in the camera 593 .
摄像头593用于捕获静态图像或视频。物体通过镜头生成光学图像投射到感光元件。感 光元件可以是电荷耦合器件(charge coupled device,CCD)或互补金属氧化物半导体 (complementary metal-oxide-semiconductor,CMOS)光电晶体管。感光元件把光信号转换成电 信号,之后将电信号传递给ISP转换成数字图像信号。ISP将数字图像信号输出到DSP加工 处理。DSP将数字图像信号转换成标准的RGB,YUV等格式的图像信号。在一些实施例中, 电子设备500可以包括1个或N个摄像头593,N为大于1的正整数。Camera 593 is used to capture still images or video. The object is projected through the lens to generate an optical image onto the photosensitive element. The photosensitive element may be a charge coupled device (CCD) or a complementary metal-oxide-semiconductor (CMOS) phototransistor. The photosensitive element converts the optical signal into an electrical signal, and then transmits the electrical signal to the ISP to convert it into a digital image signal. The ISP outputs the digital image signal to the DSP for processing. DSP converts digital image signals into standard RGB, YUV and other formats of image signals. In some embodiments, the electronic device 500 may include one or N cameras 593 , where N is a positive integer greater than one.
数字信号处理器用于处理数字信号,除了可以处理数字图像信号,还可以处理其他数字 信号。例如,当电子设备500在频点选择时,数字信号处理器用于对频点能量进行傅里叶变 换等。A digital signal processor is used to process digital signals, in addition to processing digital image signals, it can also process other digital signals. For example, when the electronic device 500 selects a frequency point, the digital signal processor is used to perform Fourier transform on the frequency point energy, and the like.
视频编解码器用于对数字视频压缩或解压缩。电子设备500可以支持一种或多种视频编 解码器。这样,电子设备500可以播放或录制多种编码格式的视频,例如:动态图像专家组 (moving picture experts group,MPEG)1,MPEG2,MPEG3,MPEG4等。Video codecs are used to compress or decompress digital video. Electronic device 500 may support one or more video codecs. In this way, the electronic device 500 can play or record videos in various encoding formats, such as: Moving Picture Experts Group (MPEG) 1, MPEG2, MPEG3, MPEG4 and so on.
NPU为神经网络(neural-network,NN)计算处理器,通过借鉴生物神经网络结构,例如借 鉴人脑神经元之间传递模式,对输入信息快速处理,还可以不断的自学习。通过NPU可以实 现电子设备500的智能认知等应用,例如:图像识别,人脸识别,语音指令识别,文本理解 等。NPU is a neural-network (NN) computing processor. By borrowing the structure of biological neural network, such as the transmission mode between neurons in the human brain, it can quickly process the input information and can continuously learn by itself. Applications such as intelligent cognition of the electronic device 500 can be implemented through the NPU, such as image recognition, face recognition, voice command recognition, text understanding, and the like.
外部存储器接口520可以用于连接外部存储卡,例如Micro SD卡,实现扩展电子设备 500的存储能力。外部存储卡通过外部存储器接口520与处理器510通信,实现数据存储功 能。例如将音乐,视频等文件保存在外部存储卡中。The
内部存储器521可以用于存储计算机可执行程序代码,可执行程序代码包括指令。处理 器510通过运行存储在内部存储器521的指令,从而执行电子设备500的各种功能应用以及 数据处理。内部存储器521可以包括存储程序区和存储数据区。其中,存储程序区可存储操 作系统,至少一个功能所需的应用程序(比如声音播放功能,图像播放功能等)等。存储数据 区可存储电子设备500使用过程中所创建的数据(比如音频数据,电话本等)等。此外,内部 存储器521可以包括高速随机存取存储器,还可以包括非易失性存储器,例如至少一个磁盘 存储器件,闪存器件,通用闪存存储器(universal flash storage,UFS)等。Internal memory 521 may be used to store computer executable program code, which includes instructions. The
处理器510可以用于执行上述程序代码,调用相关模块以实现本申请实施例中电子设备 的功能。例如,与无线耳机进行配对;在有音频业务时,根据音频业务的优先级向无线耳机 发送电子设备连接请求;建立/断开与无线耳机之间的无线连接等功能。The
电子设备500可以通过音频模块570,扬声器570A,受话器570B,麦克风570C,耳机接口570D,以及应用处理器等实现音频功能。例如音乐播放,录音等。The electronic device 500 may implement audio functions through an
音频模块570用于将数字音频信息转换成模拟音频信号输出,也用于将模拟音频输入转 换为数字音频信号。音频模块570还可以用于对音频信号编码和解码。在一些实施例中,音 频模块570可以设置于处理器510中,或将音频模块570的部分功能模块设置于处理器510 中。
扬声器570A,也称“喇叭”,用于将音频电信号转换为声音信号。电子设备500可以通过 扬声器570A收听音乐,或收听免提通话。
受话器570B,也称“听筒”,用于将音频电信号转换成声音信号。当电子设备500接听电 话或语音信息时,可以通过将受话器570B靠近人耳接听语音。The
麦克风570C,也称“话筒”,“传声器”,用于将声音信号转换为电信号。当拨打电话或发 送语音信息时,用户可以通过人嘴靠近麦克风570C发声,将声音信号输入到麦克风570C。 电子设备500可以设置至少一个麦克风570C。在另一些实施例中,电子设备500可以设置两 个麦克风570C,除了采集声音信号,还可以实现降噪功能。在另一些实施例中,电子设备 500还可以设置三个,四个或更多麦克风570C,实现采集声音信号,降噪,还可以识别声音 来源,实现定向录音功能等。The
耳机接口570D用于连接有线耳机。耳机接口570D可以是USB接口530,也可以是3.5mm 的开放移动电子设备平台(open mobile terminal platform,OMTP)标准接口,美国蜂窝电信工 业协会(cellular telecommunications industry association of theUSA,CTIA)标准接口。The
压力传感器580A用于感受压力信号,可以将压力信号转换成电信号。在一些实施例中, 压力传感器580A可以设置于显示屏594。压力传感器580A的种类很多,如电阻式压力传感 器,电感式压力传感器,电容式压力传感器等。电容式压力传感器可以是包括至少两个具有 导电材料的平行板。当有力作用于压力传感器580A,电极之间的电容改变。电子设备500根 据电容的变化确定压力的强度。当有触摸操作作用于显示屏594,电子设备500根据压力传 感器580A检测触摸操作强度。电子设备500也可以根据压力传感器580A的检测信号计算触 摸的位置。在一些实施例中,作用于相同触摸位置,但不同触摸操作强度的触摸操作,可以 对应不同的操作指令。例如:当有触摸操作强度小于第一压力阈值的触摸操作作用于短消息 应用图标时,执行查看短消息的指令。当有触摸操作强度大于或等于第一压力阈值的触摸操 作作用于短消息应用图标时,执行新建短消息的指令。The pressure sensor 580A is used to sense pressure signals, and can convert the pressure signals into electrical signals. In some embodiments, pressure sensor 580A may be provided on display screen 594 . There are many types of pressure sensor 580A, such as resistive pressure sensor, inductive pressure sensor, capacitive pressure sensor and so on. The capacitive pressure sensor may be comprised of at least two parallel plates of conductive material. When a force is applied to pressure sensor 580A, the capacitance between the electrodes changes. The electronic device 500 determines the intensity of the pressure based on the change in capacitance. When a touch operation acts on the display screen 594, the electronic device 500 detects the intensity of the touch operation according to the pressure sensor 580A. The electronic device 500 can also calculate the touched position according to the detection signal of the pressure sensor 580A. In some embodiments, touch operations acting on the same touch position but with different touch operation intensities may correspond to different operation instructions. For example: when a touch operation with a touch operation intensity less than the first pressure threshold acts on the short message application icon, the instruction to view the short message is executed. When a touch operation whose intensity is greater than or equal to the first pressure threshold acts on the short message application icon, the instruction to create a new short message is executed.
陀螺仪传感器580B可以用于确定电子设备500的运动姿态。在一些实施例中,可以通 过陀螺仪传感器580B确定电子设备500围绕三个轴(即,x,y和z轴)的角速度。陀螺仪传感 器580B可以用于拍摄防抖。示例性的,当按下快门,陀螺仪传感器580B检测电子设备500抖动的角度,根据角度计算出镜头模组需要补偿的距离,让镜头通过反向运动抵消电子设备500的抖动,实现防抖。陀螺仪传感器580B还可以用于导航,体感游戏场景。The gyro sensor 580B can be used to determine the motion attitude of the electronic device 500 . In some embodiments, the angular velocity of electronic device 500 about three axes (i.e., x, y, and z axes) may be determined by gyro sensor 580B. The gyro sensor 580B can be used for image stabilization. Exemplarily, when the shutter is pressed, the gyro sensor 580B detects the shaking angle of the electronic device 500, calculates the distance that the lens module needs to compensate according to the angle, and allows the lens to counteract the shaking of the electronic device 500 through reverse motion to achieve anti-shake. The gyro sensor 580B can also be used for navigation and somatosensory game scenarios.
气压传感器580C用于测量气压。在一些实施例中,电子设备500通过气压传感器580C 测得的气压值计算海拔高度,辅助定位和导航。Air pressure sensor 580C is used to measure air pressure. In some embodiments, the electronic device 500 calculates the altitude through the air pressure value measured by the air pressure sensor 580C to assist in positioning and navigation.
磁传感器580D包括霍尔传感器。电子设备500可以利用磁传感器580D检测翻盖皮套的 开合。在一些实施例中,当电子设备500是翻盖机时,电子设备500可以根据磁传感器580D 检测翻盖的开合。进而根据检测到的皮套的开合状态或翻盖的开合状态,设置翻盖自动解锁 等特性。Magnetic sensor 580D includes a Hall sensor. The electronic device 500 can detect the opening and closing of the flip holster using the magnetic sensor 580D. In some embodiments, when the electronic device 500 is a flip machine, the electronic device 500 can detect the opening and closing of the flip according to the magnetic sensor 580D. Further, according to the detected opening and closing state of the holster or the opening and closing state of the flip cover, features such as automatic unlocking of the flip cover are set.
加速度传感器580E可检测电子设备500在各个方向上(一般为三轴)加速度的大小。当电 子设备500静止时可检测出重力的大小及方向。还可以用于识别电子设备姿态,应用于横竖 屏切换,计步器等应用。The acceleration sensor 580E can detect the magnitude of the acceleration of the electronic device 500 in various directions (generally three axes). The magnitude and direction of gravity can be detected when the electronic device 500 is stationary. It can also be used to identify the posture of electronic devices, and can be used in horizontal and vertical screen switching, pedometers and other applications.
距离传感器580F,用于测量距离。电子设备500可以通过红外或激光测量距离。在一些 实施例中,拍摄场景,电子设备500可以利用距离传感器580F测距以实现快速对焦。Distance sensor 580F, used to measure distance. The electronic device 500 can measure the distance through infrared or laser. In some embodiments, when shooting a scene, the electronic device 500 can use the distance sensor 580F to measure the distance to achieve fast focusing.
接近光传感器580G可以包括例如发光二极管(LED)和光检测器,例如光电二极管。发光 二极管可以是红外发光二极管。电子设备500通过发光二极管向外发射红外光。电子设备500 使用光电二极管检测来自附近物体的红外反射光。当检测到充分的反射光时,可以确定电子 设备500附近有物体。当检测到不充分的反射光时,电子设备500可以确定电子设备500附 近没有物体。电子设备500可以利用接近光传感器580G检测用户手持电子设备500贴近耳 朵通话,以便自动熄灭屏幕达到省电的目的。接近光传感器580G也可用于皮套模式,口袋 模式自动解锁与锁屏。Proximity light sensor 580G may include, for example, light emitting diodes (LEDs) and light detectors, such as photodiodes. The light emitting diodes may be infrared light emitting diodes. The electronic device 500 emits infrared light to the outside through the light emitting diode. Electronic device 500 uses photodiodes to detect infrared reflected light from nearby objects. When sufficient reflected light is detected, it can be determined that there is an object near the electronic device 500. When insufficient reflected light is detected, the electronic device 500 may determine that there is no object near the electronic device 500. The electronic device 500 can use the proximity light sensor 580G to detect that the user holds the electronic device 500 close to the ear for a call, so as to automatically turn off the screen to save power. Proximity light sensor 580G can also be used in holster mode, pocket mode automatically unlock and lock screen.
环境光传感器580L用于感知环境光亮度。电子设备500可以根据感知的环境光亮度自适 应调节显示屏594亮度。环境光传感器580L也可用于拍照时自动调节白平衡。环境光传感器 580L还可以与接近光传感器580G配合,检测电子设备500是否在口袋里,以防误触。The ambient light sensor 580L is used to sense ambient light brightness. The electronic device 500 can adaptively adjust the brightness of the display screen 594 according to the perceived brightness of the ambient light. The ambient light sensor 580L can also be used to automatically adjust the white balance when taking pictures. The ambient light sensor 580L can also cooperate with the proximity light sensor 580G to detect whether the electronic device 500 is in the pocket to prevent accidental touch.
指纹传感器580H用于采集指纹。电子设备500可以利用采集的指纹特性实现指纹解锁, 访问应用锁,指纹拍照,指纹接听来电等。The fingerprint sensor 580H is used to collect fingerprints. The electronic device 500 can use the collected fingerprint characteristics to realize fingerprint unlocking, accessing application locks, taking photos with fingerprints, answering incoming calls with fingerprints, and the like.
温度传感器580J用于检测温度。在一些实施例中,电子设备500利用温度传感器580J 检测的温度,执行温度处理策略。例如,当温度传感器580J上报的温度超过阈值,电子设备 500执行降低位于温度传感器580J附近的处理器的性能,以便降低功耗实施热保护。在另一 些实施例中,当温度低于另一阈值时,电子设备500对电池542加热,以避免低温导致电子 设备500异常关机。在其他一些实施例中,当温度低于又一阈值时,电子设备500对电池542 的输出电压执行升压,以避免低温导致的异常关机。The temperature sensor 580J is used to detect the temperature. In some embodiments, the electronic device 500 utilizes the temperature detected by the temperature sensor 580J to execute a temperature processing strategy. For example, when the temperature reported by the temperature sensor 580J exceeds a threshold value, the electronic device 500 performs a reduction in the performance of the processor located near the temperature sensor 580J in order to reduce power consumption and implement thermal protection. In other embodiments, when the temperature is lower than another threshold, the electronic device 500 heats the battery 542 to avoid abnormal shutdown of the electronic device 500 due to the low temperature. In some other embodiments, when the temperature is lower than another threshold, the electronic device 500 boosts the output voltage of the battery 542 to avoid abnormal shutdown caused by low temperature.
触摸传感器580K,也称“触控面板”。触摸传感器580K可以设置于显示屏594,由触摸 传感器580K与显示屏594组成触摸屏,也称“触控屏”。触摸传感器580K用于检测作用于其 上或附近的触摸操作。触摸传感器可以将检测到的触摸操作传递给应用处理器,以确定触摸 事件类型。可以通过显示屏594提供与触摸操作相关的视觉输出。在另一些实施例中,触摸 传感器580K也可以设置于电子设备500的表面,与显示屏594所处的位置不同。Touch sensor 580K, also called "touch panel". The touch sensor 580K can be arranged on the display screen 594, and the touch sensor 580K and the display screen 594 form a touch screen, also called "touch screen". The touch sensor 580K is used to detect a touch operation on or near it. The touch sensor can pass the detected touch operation to the application processor to determine the type of touch event. Visual output related to touch operations may be provided through display screen 594 . In other embodiments, the touch sensor 580K may also be disposed on the surface of the electronic device 500 at a different location than the display screen 594.
骨传导传感器580M可以获取振动信号。在一些实施例中,骨传导传感器580M可以获 取人体声部振动骨块的振动信号。骨传导传感器580M也可以接触人体脉搏,接收血压跳动 信号。在一些实施例中,骨传导传感器580M也可以设置于耳机中,结合成骨传导耳机。音频模块570可以基于骨传导传感器580M获取的声部振动骨块的振动信号,解析出语音信号,实现语音功能。应用处理器可以基于骨传导传感器580M获取的血压跳动信号解析心率信息, 实现心率检测功能。The
按键590包括开机键,音量键等。按键590可以是机械按键。也可以是触摸式按键。电 子设备500可以接收按键输入,产生与电子设备500的用户设置以及功能控制有关的键信号 输入。The keys 590 include a power-on key, a volume key, and the like. Keys 590 may be mechanical keys. It can also be a touch key. The electronic device 500 may receive key inputs and generate key signal inputs related to user settings and function control of the electronic device 500.
马达591可以产生振动提示。马达591可以用于来电振动提示,也可以用于触摸振动反 馈。例如,作用于不同应用(例如拍照,音频播放等)的触摸操作,可以对应不同的振动反馈 效果。作用于显示屏594不同区域的触摸操作,马达591也可对应不同的振动反馈效果。不 同的应用场景(例如:时间提醒,接收信息,闹钟,游戏等)也可以对应不同的振动反馈效果。 触摸振动反馈效果还可以支持自定义。Motor 591 can generate vibrating cues. The motor 591 can be used for vibrating alerts for incoming calls, and can also be used for touch vibration feedback. For example, touch operations acting on different applications (such as taking pictures, playing audio, etc.) can correspond to different vibration feedback effects. The motor 591 can also correspond to different vibration feedback effects for touch operations on different areas of the display screen 594 . Different application scenarios (for example: time reminder, receiving information, alarm clock, games, etc.) can also correspond to different vibration feedback effects. The touch vibration feedback effect can also support customization.
指示器592可以是指示灯,可以用于指示充电状态,电量变化,也可以用于指示消息, 未接来电,通知等。The indicator 592 can be an indicator light, which can be used to indicate a charging state, a change in power, and can also be used to indicate a message, a missed call, a notification, and the like.
SIM卡接口595用于连接SIM卡。SIM卡可以通过插入SIM卡接口595,或从SIM卡接口595拔出,实现和电子设备500的接触和分离。电子设备500可以支持1个或N个SIM卡 接口,N为大于1的正整数。SIM卡接口595可以支持Nano SIM卡,Micro SIM卡,SIM卡 等。同一个SIM卡接口595可以同时插入多张卡。多张卡的类型可以相同,也可以不同。SIM 卡接口595也可以兼容不同类型的SIM卡。SIM卡接口595也可以兼容外部存储卡。电子设 备500通过SIM卡和网络交互,实现通话以及数据通信等功能。在一些实施例中,电子设备 500采用eSIM,即:嵌入式SIM卡。eSIM卡可以嵌在电子设备500中,不能和电子设备500 分离。The
在一些实施例中,第二电子设备可以采用如图11所示的电子设备500的结构。第一电子 设备可以采用如图11所示的电子设备500的类似结构,但第一电子设备可以不包括无线通信 模块560和天线561等结构。In some embodiments, the second electronic device may adopt the structure of the electronic device 500 shown in FIG. 11 . The first electronic device may adopt a structure similar to that of the electronic device 500 shown in FIG. 11, but the first electronic device may not include structures such as the
蓝牙协议架构Bluetooth protocol architecture
本申请实施例以转接器、无线设备和第一电子设备包括蓝牙模块,转接器、无线设备和 第一电子设备通过蓝牙进行无线连接为例进行说明。The embodiments of the present application are described by taking the adapter, the wireless device, and the first electronic device including a Bluetooth module as an example, and the adapter, the wireless device, and the first electronic device are wirelessly connected through Bluetooth.
如图12A所示,本申请实施例提供一种电子设备的蓝牙协议框架,包括但不限于蓝牙服 务Service、主机(host)协议栈、主机控制器接口(host controller interface,HCI)、控制器(controller) 等。As shown in FIG. 12A , an embodiment of the present application provides a Bluetooth protocol framework for an electronic device, including but not limited to a Bluetooth service, a host (host) protocol stack, a host controller interface (HCI), a controller ( controller) etc.
其中,蓝牙服务Service定义了各自相应的消息格式与应用规则。为了实现不同平台下的 不同设备的互联互通,蓝牙协议为各种可能的、有通用意义的应用场景,都制定的了规范, 如包括蓝牙音频传输模型协议(advanced audio distribution profile,A2DP)、耳机规格 (headsetpro-file,HSP)以及免提规格(hands-free profile,HFP)等。Among them, the Bluetooth service service defines the corresponding message format and application rules. In order to realize the interconnection and intercommunication of different devices under different platforms, the Bluetooth protocol has formulated specifications for various possible and general application scenarios, such as the Bluetooth audio distribution profile (A2DP), earphones Specifications (headsetpro-file, HSP) and hands-free specifications (hands-free profile, HFP) and so on.
host协议栈定义了核心协议(protocol),包括但不限于蓝牙基本的服务协议(service discover protocol,SDP)、逻辑链路控制和适配协议(logical link controland adaptation protocol,L2CAP) 等。核心协议是蓝牙协议栈中必不可少的。The host protocol stack defines core protocols (protocols), including but not limited to Bluetooth basic service protocol (service discover protocol, SDP), logical link control and adaptation protocol (logical link control and adaptation protocol, L2CAP) and so on. The core protocol is essential in the Bluetooth protocol stack.
其中,HCI为上层协议提供了进入链路管理器的统一接口和进入基带的统一方式,在主 机核心协议栈和控制器之间会存在若干传输层,这些传输层是透明的,完成传输数据的任务, 蓝牙技术联盟(bluetooth special interest group,SIG)规定了四种与硬件连接的物理总线方式, 即四种HCI传输层:USB、RS232、UART和PC卡。Among them, HCI provides a unified interface for the upper layer protocol to enter the link manager and a unified way to enter the baseband. There are several transport layers between the host core protocol stack and the controller. These transport layers are transparent and complete the transmission of data. Task, the Bluetooth Special Interest Group (bluetooth special interest group, SIG) stipulates four physical bus ways to connect with hardware, that is, four HCI transport layers: USB, RS232, UART and PC card.
其中,controller定义了底层硬件部分,包括无线射频(radio,frequency,RF)、基带(baseband, BB)、链路管理(link manager,LM)和链路控制(link control,LC)等。RF层通过2.4GHz无需 授权的ISM频段的微波,实现数据位流的过滤和传输,主要定义了蓝牙收发器在此频带正常 工作所需要满足的条件。基带负责跳频以及蓝牙数据和信息帧的传输。链路管理负责连接、 建立和拆除链路并进行安全控制。LM层是蓝牙协议栈的链路管理层协议,负责将上层HCI 命令翻译成基带能接收的操作,建立ACL和同步链路(synchronousconnection-oriented/extended,SCO)以及使蓝牙设备进入节能状态的工作模式等。LC层负责 在一批数据包传送期间,响应上层LM命令(如执行建立数据包的传输链路,维持链路等功能 的LM命令)。The controller defines the underlying hardware part, including radio frequency (radio, frequency, RF), baseband (baseband, BB), link manager (link manager, LM), link control (link control, LC) and the like. The RF layer realizes the filtering and transmission of the data bit stream through the microwave of the 2.4GHz unlicensed ISM frequency band, which mainly defines the conditions that the Bluetooth transceiver needs to meet to work normally in this frequency band. The baseband is responsible for frequency hopping and the transmission of Bluetooth data and information frames. Link management is responsible for connecting, establishing and tearing down links and for security control. The LM layer is the link management layer protocol of the Bluetooth protocol stack. It is responsible for translating the upper-layer HCI commands into operations that can be received by the baseband, establishing ACLs and synchronous connections (synchronous connection-oriented/extended, SCO), and making Bluetooth devices enter the energy-saving state. mode, etc. The LC layer is responsible for responding to upper layer LM commands (such as LM commands for establishing a transmission link of data packets, maintaining a link, etc.) during the transmission of a batch of data packets.
本申请实施例使用的蓝牙框架协议,可以对现有蓝牙协议的蓝牙服务Service或蓝牙主机 进行适应性修改,以实现本申请实施例提供的连接方法。The Bluetooth framework protocol used in the embodiment of the present application can be adapted to modify the Bluetooth service or the Bluetooth host of the existing Bluetooth protocol, so as to realize the connection method provided by the embodiment of the present application.
在其他一些实施例中,蓝牙服务Service和主机(host)协议栈也可以配置在同一个模块内。 本申请实施例使用的蓝牙框架协议可以对该模块进行修改,以实现本申请实施例提供的连接 方法。In some other embodiments, the Bluetooth service and the host (host) protocol stack can also be configured in the same module. The Bluetooth framework protocol used in the embodiments of the present application can be modified to implement the connection method provided by the embodiments of the present application.
操作系统架构operating system architecture
电子设备500的软件系统可以采用分层架构,事件驱动架构,微核架构,微服务架构, 或云架构。本申请实施例以分层架构的安卓Android系统为例,示例性说明电子设备500的 软件结构。The software system of the electronic device 500 may adopt a layered architecture, an event-driven architecture, a microkernel architecture, a microservice architecture, or a cloud architecture. The embodiments of the present application take the Android system with a layered architecture as an example to illustrate the software structure of the electronic device 500 as an example.
图12B是本申请实施例的电子设备500的软件结构框图。分层架构将软件分成若干个层, 每一层都有清晰的角色和分工。层与层之间通过软件接口通信。在一些实施例中,将Android 系统分为四层,从上至下分别为应用程序层,应用程序框架层,本地服务Native层,硬件抽 象层(hardware abstract layer,HAL)以及物理层。FIG. 12B is a block diagram of the software structure of the electronic device 500 according to the embodiment of the present application. The layered architecture divides the software into several layers, and each layer has a clear role and division of labor. Layers communicate with each other through software interfaces. In some embodiments, the Android system is divided into four layers, which are, from top to bottom, an application layer, an application framework layer, a native service layer, a hardware abstraction layer (HAL), and a physical layer.
其中,应用程序层可以包括一系列应用程序包。应用程序包可以包括相机,图库,日历, 通话,地图,导航,WLAN,蓝牙,音乐,视频,短信息等应用程序。Among them, the application layer may include a series of application packages. The application package can include applications such as camera, gallery, calendar, calling, maps, navigation, WLAN, Bluetooth, music, video, SMS, etc.
框架层为应用程序层的应用程序提供应用编程接口(application programminginterface, API)和编程框架。应用程序框架层包括一些预先定义的函数。其中,框架层可以包括蓝牙服 务Service。在一些实施例中,可以通过在框架层中对蓝牙服务Service进行适应性修改,以 实现本申请实施例提供的连接方法。The framework layer provides an application programming interface (application programming interface, API) and a programming framework for the applications of the application layer. The application framework layer includes some predefined functions. Among them, the framework layer may include the Bluetooth service Service. In some embodiments, the connection method provided by the embodiments of the present application may be implemented by adaptively modifying the Bluetooth service in the framework layer.
Native层,可以提高一些本地服务和链接库等。其中,Native层可以包括蓝牙主机。在 另一些实施例中,也可以通过在Native层中对蓝牙host进行适应性修改,以实现本申请实施 例提供的连接方法。The Native layer can improve some local services and link libraries, etc. The Native layer may include a Bluetooth host. In other embodiments, the connection method provided by the embodiments of the present application may also be implemented by adaptively modifying the Bluetooth host in the Native layer.
HAL层为位于操作系统内核与硬件电路之间的接口层,可以将硬件抽象化。物理层提供 了底层硬件驱动接口。The HAL layer is an interface layer between the operating system kernel and the hardware circuit, which can abstract the hardware. The physical layer provides the underlying hardware driver interface.
可以理解的是,电子设备500也可以是其他操作系统,本申请实施例不予限定。在其他 一些操作系统中,框架层与Native层也可以设置为一层。因而,在其他一些实施例中,也可 以通过在该层中对现有蓝牙协议进行应性修改,以实现本申请实施例提供的连接方法。It can be understood that the electronic device 500 may also be other operating systems, which are not limited in this embodiment of the present application. In some other operating systems, the framework layer and the native layer can also be set as one layer. Therefore, in some other embodiments, the connection method provided by the embodiments of the present application can also be implemented by adapting the existing Bluetooth protocol in this layer.
以对框架层中的蓝牙服务Service进行修改为例进行说明。在本申请实施例所基于的蓝牙 协议中,电子设备框架层中的蓝牙服务Service在确定与蓝牙耳机已配对,并接收到蓝牙耳机 发送的BLE广播消息时,向上层蓝牙应用(例如蓝牙设置(setting)应用)上报已与蓝牙耳机连接。 例如,框架层中的蓝牙服务Service,具体可以通过安卓广播消息机制向蓝牙setting应用通知 已与蓝牙耳机连接。上层蓝牙应用在相关界面上(例如在显示界面的状态栏中,或者在通知栏 中,或者在蓝牙管理界面上,或者在负1屏上等)显示已连接的蓝牙耳机的相关信息,例如电 量、佩戴状态、业务状态、连接状态、设备名称、设备型号、设备图标、连接标识等已连接 信息。其中,BLE广播消息可以包括蓝牙耳机的设备名称、设备类型、设备型号、电池电量、 佩戴状态、连接状态或业务状态等工作状态信息中的一种。其中,连接状态信息可以表示是 否已与电子设备建立无线连接。业务状态信息可以表示蓝牙耳机当前是否为空闲态,或者蓝 牙耳机正在处理的音频业务。并且,BLE广播消息是周期性发送的,蓝牙应用可以根据实时 获取的BLE广播消息中蓝牙耳机的状态信息。The modification of the Bluetooth service in the framework layer is taken as an example for description. In the Bluetooth protocol on which the embodiments of the present application are based, the Bluetooth service service in the framework layer of the electronic device determines that it has been paired with the Bluetooth headset and receives the BLE broadcast message sent by the Bluetooth headset, and sends the upper-layer Bluetooth application (for example, Bluetooth settings ( setting) application) to report that it has been connected to the Bluetooth headset. For example, the Bluetooth service Service in the framework layer can specifically notify the Bluetooth setting application that it has been connected to the Bluetooth headset through the Android broadcast message mechanism. The upper-layer Bluetooth application displays the related information of the connected Bluetooth headset on the relevant interface (for example, in the status bar of the display interface, or in the notification bar, or on the Bluetooth management interface, or on the negative 1 screen, etc.) , wearing status, business status, connection status, device name, device model, device icon, connection logo and other connected information. The BLE broadcast message may include one of the working status information such as the device name, device type, device model, battery power, wearing status, connection status or service status of the Bluetooth headset. The connection status information may indicate whether a wireless connection has been established with the electronic device. The service status information can indicate whether the Bluetooth headset is currently in an idle state, or the audio service being processed by the Bluetooth headset. In addition, the BLE broadcast message is sent periodically, and the Bluetooth application can obtain the status information of the Bluetooth headset in the BLE broadcast message in real time.
在一些实施例中,若电子设备的框架层接收到已配对的蓝牙耳机发送的BLE广播消息, 则可以表明电子设备在已配对过的蓝牙耳机的附近,在蓝牙耳机的蓝牙通信距离的范围内。In some embodiments, if the framework layer of the electronic device receives the BLE broadcast message sent by the paired Bluetooth headset, it may indicate that the electronic device is in the vicinity of the paired Bluetooth headset and within the range of the Bluetooth communication distance of the Bluetooth headset .
在另一些实施例中,在电子设备与蓝牙耳机通过BLE广播消息,或基于SDP协议等方 式进行应答交互(或进行握手)后,可以表明电子设备已开启蓝牙功能且在蓝牙耳机附近,可 以与蓝牙耳机进行蓝牙通信。In other embodiments, after the electronic device and the Bluetooth headset broadcast a message through BLE, or respond and interact (or perform a handshake) based on the SDP protocol, etc., it may indicate that the electronic device has turned on the Bluetooth function and is near the Bluetooth headset, and can communicate with the Bluetooth headset. Bluetooth headset for Bluetooth communication.
在另一些实施例中,电子设备框架层中的蓝牙服务Service在与蓝牙耳机建立无线连接后, 若接收到蓝牙耳机发送的断开无线连接的指示信息,则框架层不向上层立即上报断开连接的 信息。其中,该无线连接可以包括ACL连接,或低功耗异步连接链路(lowenergy asynchronous connection link/logical transport,LE ACL)连接。若电子设备在预设时长1内未接收到BLE广 播消息,则蓝牙信号可能被遮挡或电子设备可能被带离蓝牙耳机附近,框架层确定与蓝牙耳 机断开连接,并向上层蓝牙应用上报断开连接的信息。上层蓝牙应用根据框架层上报的信息 停止显示蓝牙耳机的状态信息,或者显示与蓝牙耳机断开的信息。In other embodiments, after the Bluetooth service in the framework layer of the electronic device establishes a wireless connection with the Bluetooth headset, if it receives the indication information of disconnecting the wireless connection sent by the Bluetooth headset, the framework layer does not immediately report the disconnection to the upper layer connection information. The wireless connection may include an ACL connection or a low energy asynchronous connection link/logical transport (LE ACL) connection. If the electronic device does not receive the BLE broadcast message within the
需要注意的是,与现有蓝牙协议相比,本申请实施例所基于的蓝牙协议主要修改了上层 框架层中的蓝牙服务Service,而对底层相关协议基本没有变动,因而容易兼容现有的蓝牙设 备。It should be noted that, compared with the existing Bluetooth protocol, the Bluetooth protocol on which the embodiments of the present application are based mainly modifies the Bluetooth service service in the upper framework layer, but basically does not change the underlying related protocols, so it is easy to be compatible with the existing Bluetooth. equipment.
蓝牙耳机(等无线设备)和盒子(等转接器)也可以有类似于图12A所示的蓝牙协议架构和 类似于图12B所示的软件系统架构。蓝牙耳机和转接器的框架层支持业务抢占功能以及设备 抢占。例如,在蓝牙耳机与转接器建立无线连接且正在处理第一电子设备的音频业务1(例如 播放音乐)的情况下,若蓝牙耳机接收到第二电子设备的电子设备连接请求,则框架层可以切 换为与第二电子设备建立无线连接,基于切换后的无线连接处理第二电子设备的音频业务 2(例如接/打电话),以实现业务抢占功能;并且,蓝牙耳机断开与第一电子设备之间的无线连 接。又如,在蓝牙耳机与第二电子设备建立无线连接且正在处理第二电子设备的音频业务的 情况下,若蓝牙耳机接收到转接器的无线连接请求,则框架层可以切换为与转接器建立无线 连接,基于切换后的无线连接处理第一电子设备的音频业务,以实现设备抢占功能;并且, 蓝牙耳机断开与第二电子设备之间的无线连接。Bluetooth headsets (wireless devices, etc.) and boxes (adapters, etc.) can also have a Bluetooth protocol architecture similar to that shown in Figure 12A and a software system architecture similar to that shown in Figure 12B. The framework layer of the Bluetooth headset and adapter supports service preemption and device preemption. For example, when the Bluetooth headset establishes a wireless connection with the adapter and is processing the audio service 1 (eg, playing music) of the first electronic device, if the Bluetooth headset receives an electronic device connection request from the second electronic device, the framework layer It can be switched to establish a wireless connection with the second electronic device, and based on the switched wireless connection, the audio service 2 (such as answering/calling) of the second electronic device is processed to realize the service preemption function; and the Bluetooth headset is disconnected from the first electronic device. Wireless connection between electronic devices. For another example, when the Bluetooth headset establishes a wireless connection with the second electronic device and is processing the audio service of the second electronic device, if the Bluetooth headset receives a wireless connection request from the adapter, the framework layer can switch to and the adapter The device establishes a wireless connection, and processes the audio service of the first electronic device based on the switched wireless connection, so as to realize the device preemption function; and the Bluetooth headset disconnects the wireless connection with the second electronic device.
以下将以转接器为蓝牙耳机的盒子,无线设备为蓝牙耳机,用户使用的第一电子设备为 笔记本电脑,第二电子设备为手机,盒子通过转接线与第一电子设备进行有线连接,通过蓝 牙耳机处理手机、笔记本电脑的音频业务为例进行说明。The following will take the adapter as the box of the Bluetooth headset, the wireless device as the Bluetooth headset, the first electronic device used by the user is the laptop computer, the second electronic device is the mobile phone, and the box is wired with the first electronic device through the adapter cable. The Bluetooth headset handles audio services of mobile phones and notebook computers as an example to illustrate.
在使用蓝牙耳机时,蓝牙耳机可以分别与手机和盒子进行配对。配对之后,蓝牙耳机与 手机和盒子之间可以进行无线连接。其中,配对可以在两个蓝牙设备之间创建共享链路密钥 (link key)。该链路密钥可以用于相互认证蓝牙设备并加密交换的数据。例如,蓝牙设备的配 对方式可以包括PIN码配对(PIN code pairing)和安全简易配对(securesimple pairing,SSP)。该 共享密钥可以用于后续将两个蓝牙设备重新认证。当重新连接时,蓝牙设备通过交换从该链 路密钥派生的字符来快速验证是否具有匹配的链路密钥。若链路密钥匹配,则可以继续创建 会话密钥,进而进行蓝牙通信。When using a Bluetooth headset, the Bluetooth headset can be paired with the phone and the box respectively. After pairing, a wireless connection can be made between the Bluetooth headset and the phone and the box. Among other things, pairing creates a shared link key between two Bluetooth devices. This link key can be used to mutually authenticate Bluetooth devices and encrypt the data exchanged. For example, the pairing method of the Bluetooth device may include PIN code pairing (PIN code pairing) and secure simple pairing (secure simple pairing, SSP). This shared key can be used to subsequently re-authenticate the two Bluetooth devices. When reconnecting, the Bluetooth device quickly verifies that it has a matching link key by exchanging characters derived from this link key. If the link keys match, you can continue to create session keys for Bluetooth communication.
连接优先级设置Connection priority settings
在一些实施例中,电子设备的不同音频业务可以对应不同的连接优先级,优先级较高的 音频业务可以被蓝牙耳机优先处理。该种方案可以称为音频优先级的方案。例如,通话业务 的优先级可以高于媒体业务的优先级。在另一些实施例中,不同的蓝牙设备可以对应不同的 优先级,优先级较高的蓝牙设备可以被蓝牙耳机优先处理。该种方案可以称为设备优先级的 方案。例如,盒子的优先级可以高于手机的优先级。此外,蓝牙耳机可以兼具音频优先级和 设备优先级的方案。In some embodiments, different audio services of the electronic device may correspond to different connection priorities, and audio services with higher priorities may be preferentially processed by the Bluetooth headset. Such a scheme may be referred to as an audio priority scheme. For example, the priority of the call service may be higher than that of the media service. In other embodiments, different Bluetooth devices may correspond to different priorities, and Bluetooth devices with higher priorities may be preferentially processed by the Bluetooth headset. This kind of scheme can be called the scheme of device priority. For example, a box can have a higher priority than a phone. In addition, Bluetooth headsets can have both audio priority and device priority schemes.
在一些实施例中,优先级仲裁在手机侧或盒子侧进行。例如,手机或盒子在有音频业务 时,可以根据蓝牙耳机发送的BLE广播消息中的业务状态,确定蓝牙耳机当前正在处理的音 频业务1与手机或盒子当前的音频业务2的优先级关系,从而确定是否请求蓝牙耳机优先处 理手机或盒子当前的音频业务2。在另一些实施例中,优先级仲裁在蓝牙耳机侧进行。例如, 手机或盒子在有音频业务时,蓝牙耳机可以根据接收的寻呼请求中的设备信息,确定蓝牙耳 机当前正在处理的蓝牙设备与手机或盒子的优先级关系,从而确定是否处理手机或盒子当前 的音频业务。In some embodiments, priority arbitration is performed on the handset side or the box side. For example, when the mobile phone or box has an audio service, it can determine the priority relationship between the
其中,优先级可以是预先设置的,也可以是用户主动设置的。为了便于理解,下面以在 手机侧设置优先级为例进行说明。The priority may be preset or set actively by the user. For ease of understanding, the following takes setting the priority on the mobile phone side as an example for description.
图13A至图13H为本申请实施例提供的一种应用场景下的手机界面示意图。示例性的, 如图13A所示,在手机设置界面中选择“蓝牙”进入蓝牙设置界面,蓝牙设置界面如图13B 所示。参见图13B,一些场景中,手机打开蓝牙功能后,能够发现附近可配对的蓝牙设备, 并将扫描到的蓝牙设备显示在“已配对的设备”列表中。示例性的,图13B示例的是当前手 机设备Mate 20扫描到已配对过得蓝牙耳机FreeBuds,并自动与蓝牙耳机FreeBuds进行连接 的情况。一些场景中,如图13B所示,手机检测到用户点击“已配对的设备”列表中蓝牙耳 机FreeBuds的设置图标时,进入如图13C所示的蓝牙耳机FreeBuds的设置界面。示例性的,图13B示例的蓝牙耳机FreeBuds可以设置“连接优先级”。一些场景中,如图13C 所示,手机检测到用户点击“连接优先级”的设置图标“>”时,进入如图13D所示的蓝牙 耳机FreeBuds的连接优先级设置界面。在图13D示出了两种优先级设置的方案,分别为“音 频优先级”和“设备优先级”的方案。在图13D中,“音频优先级”和“设备优先级”的 方案均处于关闭状态,蓝牙耳机FreeBuds并不根据音频优先级或设备优先级进行抢占。13A to 13H are schematic diagrams of mobile phone interfaces in an application scenario provided by an embodiment of the present application. Exemplarily, as shown in FIG. 13A , in the mobile phone setting interface, select “Bluetooth” to enter the Bluetooth setting interface, and the Bluetooth setting interface is shown in FIG. 13B . Referring to FIG. 13B , in some scenarios, after the mobile phone turns on the Bluetooth function, it can discover nearby Bluetooth devices that can be paired, and display the scanned Bluetooth devices in the "paired devices" list. Exemplarily, FIG. 13B illustrates the situation that the current mobile
一些场景中,如图13D所示,手机检测到用户点击“音频优先级”的设置图标“>”时, 进入如图13E所示的蓝牙耳机FreeBuds的音频优先级设置界面。参见图13E,当手机接收到 用户操作音频优先级开启选项对应的指令时,手机打开音频优先级功能。示例性的,图13E 中示出了两种音频业务,分别为“媒体业务”和“通话业务”。还可以在音频优先级设置界面 按住目标业务右侧的调整图标“=”,将需设置的业务拖到需要的优先级顺序。例如,按住“通 话业务”右侧的调整图标“=”,将“通话业务”拖到优先级为“1”的位置,设为如图13G 所示“通话业务”的优先级为“1”,“媒体业务”的优先级为“2”。当手机检测到用户点击音 频优先级设置界面的返回图标“←”时,返回连接优先级设置界面。如13H所示,此时优先 级设置界面显示“音频优先级”已开启,“设备优先级”已关闭,此时,蓝牙耳机FreeBuds优先处理音频优先级较高的通话业务。例如,当蓝牙耳机FreeBuds正在处理盒子的媒体业务, 此时手机来电话,则蓝牙耳机FreeBuds优先处理手机的通话业务。In some scenarios, as shown in Figure 13D, when the mobile phone detects that the user clicks the setting icon ">" of "Audio Priority", it enters the audio priority setting interface of the Bluetooth headset FreeBuds as shown in Figure 13E. Referring to FIG. 13E, when the mobile phone receives an instruction corresponding to the user operating the audio priority on option, the mobile phone enables the audio priority function. Exemplarily, FIG. 13E shows two audio services, namely "media service" and "call service". You can also press and hold the adjustment icon "=" on the right side of the target service on the audio priority setting interface, and drag the service to be set to the desired priority order. For example, press and hold the adjustment icon "=" on the right side of "Call Service", drag "Call Service" to the position where the priority is "1", and set the priority of "Call Service" as "1" as shown in Figure 13G ", and the priority of "Media Service" is "2". When the mobile phone detects that the user clicks the return icon "←" on the audio priority setting interface, it returns to the connection priority setting interface. As shown in 13H, at this time, the priority setting interface shows that "Audio Priority" is turned on and "Device Priority" is turned off. At this time, the Bluetooth headset FreeBuds prioritizes the call business with higher audio priority. For example, when the bluetooth headset FreeBuds is processing the media service of the box, and the mobile phone calls at this time, the bluetooth headset FreeBuds preferentially handles the call service of the mobile phone.
一些场景中,如图14A至图14E所示,可以设置蓝牙耳机FreeBuds的设备优先级的方 案。如图14A所示,在连接优先级设置界面,手机检测到用户点击“设备优先级”的设置图标“>”时,进入如图14B所示的蓝牙耳机FreeBuds的设备优先级设置界面。参见图14B, 当手机接收到用户操作设备优先级开启选项对应的指令时,手机打开设备优先级功能。此外,设备优先级设置界面还显示已经与蓝牙耳机FreeBuds配对过的设备,例如图14C所示的手机 “Mate 20”、“盒子”和手机“P30”。可以在设备优先级设置界面按住目标设备右侧的调整图 标“=”,将需设置的设备拖到需要的优先级顺序。例如,按住“Mate 20””右侧的调整图标 “=”,将“Mate 20””拖到优先级为“2”的位置,设为如图14D所示“盒子”的优先级为“1”,“Mate 20”的优先级为“2”,“P30”的优先级为“3”。当手机检测到用户点击设备优先级设 置界面的返回图标“←”时,返回连接优先级设置界面。如14E所示,此时优先级设置界面 显示“设备优先级”已开启,“音频优先级”已关闭,并自动将“设备优先级”的优先级顺序 为“1”。此时,当手机Mate 20、盒子和手机P30均处于蓝牙耳机FreeBuds的可连接距离内, 且手机Mate 20、盒子和手机P30均请求与蓝牙耳机FreeBuds进行连接时,蓝牙耳机FreeBuds 优先处理设备优先级较高的盒子的音频业务,其次处理手机Mate 20的音频业务,最后处理 手机P30的音频业务。In some scenarios, as shown in Figure 14A to Figure 14E, a scheme of setting the device priority of the Bluetooth headset FreeBuds can be used. As shown in Figure 14A, in the connection priority setting interface, when the mobile phone detects that the user clicks the setting icon ">" of "device priority", it enters the device priority setting interface of the Bluetooth headset FreeBuds as shown in Figure 14B. Referring to FIG. 14B , when the mobile phone receives an instruction corresponding to the user operating the device priority enabling option, the mobile phone enables the device priority function. In addition, the device priority setting interface also displays the devices that have been paired with the Bluetooth headset FreeBuds, such as the mobile phone "
一些场景中,可以蓝牙耳机FreeBuds设置“音频优先级”和“设备优先级”两种优先级 方案。例如,根据如图13D至图13H所示设置“音频优先级”,根据如图14A至图14E所示 设置“设备优先级”,并返回连接优先级设置界面。如14E所示,此时连接优先级设置界面显 示“音频优先级”和“设备优先级”均已开启。可以在连接优先级设置界面按住目标优先级 左侧的调整图标“=”,将需设置的优先级方案拖到需要的顺序。例如,可以按住“音频优先级”左侧的调整图标“=”,将“音频优先级”拖到顺序为“1”的位置,“设备优先级”调为 顺序为“2”的位置。此时,当手机Mate 20和盒子均处于蓝牙耳机FreeBuds的可连接距离内, 且手机Mate 20和盒子均请求与蓝牙耳机FreeBuds进行连接时,首先判断手机Mate 20和盒子的音频业务的优先级,如果手机Mate 20的音频业务(如为通话业务)的优先级比较高,则蓝 牙耳机FreeBuds优先处理手机Mate 20的音频业务;如果手机Mate 20和盒子的音频业务的 优先级相同(如均为媒体业务),则判断手机Mate 20和盒子的设备优先级,盒子的设备优先级 高于手机Mate 20的设备优先级,则蓝牙耳机FreeBuds优先处理盒子的媒体业务。In some scenarios, two priority schemes, "Audio Priority" and "Device Priority" can be set for the Bluetooth headset FreeBuds. For example, set "Audio Priority" as shown in Figure 13D to Figure 13H, set "Device Priority" according to Figure 14A to Figure 14E, and return to the connection priority setting interface. As shown in 14E, the connection priority setting interface shows that both "Audio Priority" and "Device Priority" are enabled. You can press and hold the adjustment icon "=" on the left side of the target priority on the connection priority setting interface, and drag the priority scheme to be set to the required order. For example, you can press and hold the adjustment icon "=" on the left side of "Audio Priority", drag "Audio Priority" to the position of "1", and adjust "Device Priority" to the position of "2". At this time, when both the
需要说明的是,图13A至图15示例的手机界面的示意图仅为一种示例。不同的手机设 备对应的设置界面以及操作方式可能有所不同。或者,优先级设置还可以在蓝牙耳机的应用 程序(Application,APP)中进行设置。It should be noted that the schematic diagrams of the mobile phone interface illustrated in FIGS. 13A to 15 are only an example. The setting interface and operation methods corresponding to different mobile devices may be different. Alternatively, the priority setting can also be set in the application (Application, APP) of the Bluetooth headset.
下面介绍本申请实施例提供的无线通信的示例。分别介绍以下场景下的业务处理的示例: (1)蓝牙耳机处理手机的音频业务,笔记本抢占与蓝牙耳机的连接;(2)蓝牙耳机处理笔记本的 音频业务,手机抢占与蓝牙耳机的连接。The following introduces examples of wireless communication provided by the embodiments of the present application. Examples of service processing in the following scenarios are respectively introduced: (1) The Bluetooth headset processes the audio service of the mobile phone, and the laptop preempts the connection with the Bluetooth headset; (2) The Bluetooth headset processes the audio service of the laptop, and the mobile phone preempts the connection with the Bluetooth headset.
(1)蓝牙耳机处理手机的音频业务,笔记本抢占与蓝牙耳机的连接。(1) The Bluetooth headset handles the audio service of the mobile phone, and the notebook preempts the connection with the Bluetooth headset.
请参考图16、图17A至图17F以及18A至图18B,图16本申请实施例中的一种通信方法流程图,图17A至图17F为本申请实施例中的一种无线通信方法中各设备的示意图,图18A至图18B为本申请实施例中的一种转接线与耳机的连接示意图。16 , FIGS. 17A to 17F , and 18A to 18B , FIG. 16 is a flowchart of a communication method in an embodiment of the present application, and FIGS. 17A to 17F are each of a wireless communication method in an embodiment of the present application. Schematic diagrams of the device, FIGS. 18A to 18B are schematic diagrams of connection between an adapter cable and an earphone in an embodiment of the present application.
在蓝牙耳机110使用之前,蓝牙耳机110已经与盒子100和手机140配对成功。参考图 17A,蓝牙耳机110放置于盒子100中。此时,蓝牙耳机110与盒子100或手机104未建立无线连接。Before the
步骤S101、参考图17B,将蓝牙耳机110从盒子100中取出,开启蓝牙耳机110的蓝牙功能,拉起蓝牙服务。在一种实现方式中,蓝牙耳机110从盒子100中取出时,蓝牙耳机110的传感器等检测组件检测到蓝牙耳机110被取出,检测组件向蓝牙耳机100的控制器发送检测信号,蓝牙耳机100的操作系统自动拉起蓝牙服务,蓝牙耳机110的蓝牙功能自动打开;在另一种实现方式中,可以通过蓝牙耳机110上的触控传感器打开蓝牙耳机110的蓝牙功能, 当触控传感器被触发时,触控传感器向蓝牙耳机100的控制器发送触发信号,蓝牙耳机100 的操作系统拉起蓝牙服务,蓝牙耳机110的蓝牙功能自动打开;此外,当蓝牙耳机110位于 盒子100内时,可以通过盒子100上的触摸控件打开蓝牙耳机110的蓝牙功能,当触控传感 器被触发时,触控传感器向蓝牙耳机100的控制器发送触发信号,蓝牙耳机100的操作系统 拉起蓝牙服务拉起蓝牙服务,蓝牙耳机110的蓝牙功能自动打开。Step S101 , referring to FIG. 17B , take out the
步骤S102、参考图17C,蓝牙耳机110与手机104建立无线连接,蓝牙耳机110可以处理手机104的通话业务或媒体业务等音频业务。Step S102 , referring to FIG. 17C , the
在一种实现方式中,蓝牙耳机110可以根据保存的本次回连之前,与蓝牙耳机110建立 过无线连接的电子设备的历史连接信息,优先与最近建立过无线连接的电子设备尝试建立无 线连接,从而建立与其中一个电子设备之间的无线连接。例如,在本次回连之前,蓝牙耳机 110先后与盒子100和手机104建立过无线连接。在本次回连过程中,蓝牙耳机110首先尝 试与手机104建立无线连接。比如,蓝牙耳机110可以向手机104发送耳机连接请求(例如可 以为蓝牙协议规定的寻呼请求Page request消息)。若手机104已开启蓝牙功能,且在蓝牙通 信距离的范围内,则手机104可以接收到该耳机连接请求,从而可以自动或在检测到用户指 示连接的操作后,向蓝牙耳机104发送连接响应信息(例如可以为蓝牙协议规定的寻呼响应 Page response消息)。蓝牙耳机110与手机104建立无线连接。In an implementation manner, the
在另一种实现方式中,蓝牙耳机110向盒子100和手机104发送BLE广播消息(蓝牙耳 机110发送的广播消息并不限于BLE广播消息)。由于盒子100的蓝牙功能未开启,盒子100 不会响应该BLE广播消息。手机104开启蓝牙功能,响应该BLE广播消息,向蓝牙耳机110发送电子设备连接请求(例如可以为蓝牙协议规定的寻呼请求Page request消息)。则蓝牙耳机 110可以接收到该电子设备连接请求,从而可以自动或在检测到用户指示连接的操作后,向 手机104发送连接响应信息(例如可以为蓝牙协议规定的寻呼响应Page response消息)。蓝牙 耳机110与手机104建立无线连接。In another implementation manner, the
步骤S103、参考图17D,盒子100与笔记本103进行有线连接。示例性的,盒子100与笔记本103通过转接线120进行有线连接。Step S103 , referring to FIG. 17D , the
在一种实现方式中,当盒子100与笔记本103通过转接线120进行有线连接,参考图18A, 接口管理电路250可以检测第一接口202连接到笔记本103,并向控制器230发送控制信号 Vctl_1。其中,接口管理电路250可以采用如图7所示的连接检测电路251或连接检测电路 253来检测第一接口202是否连接到笔记本103,在此不做赘述。控制器230接收到控制信号 Vctl_1,控制器230开启蓝牙功能,控制器230中的处理器拉起蓝牙服务,调用相应的程序 (用于无线连接请求),并向蓝牙耳机110发送无线连接请求(例如可以为蓝牙协议规定的寻 呼请求Page request消息)。In one implementation, when the
在一种实现方式中,可以通过触控按键203或语音指令控制触发控制器230开启蓝牙功 能。例如,当按下触控按键203时,或控制器230接收到预设的语音指令时,控制器230开 启蓝牙功能,并向蓝牙耳机110发送无线连接请求(例如可以为蓝牙协议规定的寻呼请求Page request消息)。In an implementation manner, the trigger controller 230 can be controlled to turn on the Bluetooth function through the
在一种实现方式中,当盒子100与笔记本103连接时,可以将蓝牙耳机110放入盒子100 内,第二接口204与耳机接口212进行有线连接,蓝牙耳机110和盒子100可以通过图10C所示的方法,实现控制器230与控制器211之间的有线通信,从而将蓝牙耳机110对盒子100的设备优先级设置为最高,并可以建立蓝牙耳机110与盒子100之间的无线连接。In one implementation, when the
步骤S104、参考图17E,蓝牙耳机110与盒子100建立无线连接,蓝牙耳机110可以处理笔记本103的媒体业务等音频业务。其中,盒子100和手机104都是主设备,蓝牙耳机110时从设备,通过步骤S103和步骤S104,实现盒子100和手机104两个主设备之间的无缝切换,蓝牙耳机110作为从设备自由无感的在盒子100和手机104之间切换。Step S104 , referring to FIG. 17E , the
在一种实现方式中,当蓝牙耳机110收到盒子100发送的无线连接请求时,蓝牙耳机110 可以根据预设的设备优先级的方案,触发控制器211向盒子100发送连接响应信息(例如可以 为蓝牙协议规定的寻呼响应Page response消息)。或者,通过传感器217(例如触摸传感器), 触发控制器211向盒子100发送连接响应信息(例如可以为蓝牙协议规定的寻呼响应Page response消息)。蓝牙耳机110可以与盒子100成功建立蓝牙连接。In an implementation manner, when the
在一种实现方式中,当蓝牙耳机110收到盒子100发送的无线连接请求,且当传感器 217(例如该传感器217为距离传感器或接近光传感器)检测到蓝牙耳机110被用户佩戴,才触 发控制器211向盒子100发送连接响应信息,建立蓝牙耳机110与盒子100之间的蓝牙连接。In an implementation manner, when the
在一种场景中,当蓝牙耳机110收到盒子100发送的无线连接请求,如果蓝牙耳机110 正在处理更高优先级的音频业务,或者蓝牙耳机110正在与更高优先级的设备建立无线连接 时,蓝牙耳机发送的拒绝连接响应信息。例如,蓝牙耳机110正在处理手机的通话业务时, 蓝牙耳机110收到盒子100发送的无线连接请求(笔记本电脑的音频业务为音乐播放),蓝牙 耳机110发送的拒绝连接响应信息,以拒绝与盒子100建立无线连接,并保持与耳机的无线 连接。或者,在其它实施例中,当蓝牙耳机110收到盒子100发送的无线连接请求,如果蓝 牙耳机110正在处理更高优先级的音频业务,或者蓝牙耳机110正在与更高优先级的设备建 立无线连接时,蓝牙耳机不对无线连接请求作出回应,并保持与手机的无线连接。盒子100 在第一时间(可以为一个预设的时间)内未接收到蓝牙耳机110发送的连接响应信息,则在 第二时间(可以为一个预设的时间)后,再次向蓝牙耳机110发送所述无线连接请求。如果 手机的通话已经结束,则蓝牙耳机110向盒子100发送连接响应信息,蓝牙耳机110与盒子 100建立无线连接。In one scenario, when the
在一种实现方式中,当蓝牙耳机110与盒子100建立无线连接后,盒子100与笔记本103 通过转接线120进行有线通信。例如,参考图18B,当蓝牙耳机110可以与盒子100成功建立蓝牙连接时,控制器230发送的控制信号Vctl_2配置接口管理电路250与第一接口202之间的连接关系,接口管理电路250与第一接口202之间可以进行有线通信,接口管理电路250与第一接口202之间可以互相发送通信信号(用于传递模拟音频或数字音频)。其中,接口管理电路250可以采用如图7所示的可配置电路252或可配置电路254用于配置第一接口202与第一电子设备的通信状态,在此不做赘述。当接口管理电路250与第一接口202之间可以进行有线通信时,控制器230可以与笔记本103进行有线通信。同时,控制器230通过天线270与蓝牙耳机110建立蓝牙通信,盒子100作为蓝牙收发装置,实现笔记本与蓝牙耳机110之间的蓝牙通信。In an implementation manner, after the
当盒子100与笔记本103未建立有线通信时,笔记本103通过自身的扩音器播放音频业 务(开启笔记本的外放功能);当盒子100与笔记本103建立有线通信后,笔记本103通过蓝 牙耳机110播放音频业务。无论盒子100与笔记本103之间是否建立有线通信时,笔记本103 的音频业务可以通过有效地方式被用户感知到。When the
在一种实现方式中,当手机104与蓝牙耳机110建立无线连接时,如果另一电子设备(例 如盒子100)的蓝牙功能已经开启,且另一电子设备在蓝牙耳机110的蓝牙通信距离的范围 内,则手机104的操作系统拉起通知服务,手机104的显示屏跳出通知窗口,通知窗口中具 有快捷入口,用户点击快捷入口,可以建立蓝牙耳机110与盒子100的蓝牙连接,并断开蓝 牙耳机110与手机104的蓝牙连接。例如,当手机104与蓝牙耳机110建立无线连接时,盒 子100与笔记本103进行有线连接,且盒子100开启蓝牙功能,盒子100向蓝牙耳机110发 送无线连接请求(例如可以为蓝牙协议规定的寻呼请求Page request消息)。蓝牙耳机110接收 到盒子100发送的连接响应信息后,向手机104发送一通知信息(通知信息可以包括盒子100 发送的连接响应信息)。手机104接收到通知信息后,拉起通知服务,并跳出通知窗口。例如, 如图17F所示,图17F为一实施例中通知窗口的示意图,通知窗口1045可以显示蓝牙耳机可 以连接至盒子,通知窗口1045还包括一快捷入口1045a。当用户点击快捷入口1045a后,手 机104响应用户的操作,手机104的操作系统调用相应的程序(用于发送反馈消息),并向蓝 牙耳机110发送一反馈消息(通知信息可以包括用户选择将蓝牙耳机连接至盒子的信息)。蓝 牙耳机110接收到该反馈消息后,蓝牙耳机110的操作系统调用相应的程序(用于发送连接 响应信息),向盒子100发送连接响应信息(例如可以为蓝牙协议规定的寻呼响应Page response 消息),从而建立蓝牙耳机110与盒子100的无线连接如图17E所示。In one implementation, when the
(2)蓝牙耳机处理笔记本的音频业务,手机抢占与蓝牙耳机的连接。(2) The Bluetooth headset handles the audio service of the notebook, and the mobile phone preempts the connection with the Bluetooth headset.
请参考图19、图20A至图20G以及图21,图19为本申请实施例提供的一种通信方法流 程图;图20A至图20G为本申请实施例中的一种无线通信方法中各设备的示意图;图21为本申请实施例中的一种转接线与耳机的连接示意图。Please refer to FIG. 19 , FIG. 20A to FIG. 20G , and FIG. 21 , FIG. 19 is a flowchart of a communication method provided by an embodiment of the application; FIGS. 20A to 20G are each device in a wireless communication method in an embodiment of the application 21 is a schematic diagram of the connection between an adapter cable and an earphone according to an embodiment of the present application.
在蓝牙耳机110使用之前,蓝牙耳机110已经与盒子100和手机140配对成功。参考图 20A,蓝牙耳机110放置于盒子100中,盒子100通过转接线120连接到笔记本103上。当 转接线120的第一转接线接口121和第二转接线接口122均为支持数字信号的接口时,笔记 本103可以通过转接线120为蓝牙耳机和/或盒子100中的电池进行充电。Before the
在一种实现方式中,可以将蓝牙耳机110放入盒子100内,第二接口204与耳机接口212 进行有线连接,蓝牙耳机110和盒子100可以通过图10C所示的方法,实现控制器230与控 制器211之间的有线通信,从而将蓝牙耳机110对盒子100的设备优先级设置为最高。In an implementation manner, the
步骤S201、参考图20B,将蓝牙耳机110从盒子100中取出,开启蓝牙耳机110的蓝牙功能。在一种实现方式中,蓝牙耳机110从盒子100中取出时,蓝牙耳机110的蓝牙功能自 动打开;在一种实现方式中,可以通过蓝牙耳机110上的触控传感器打开蓝牙耳机110的蓝 牙功能;此外,当蓝牙耳机110位于盒子100内时,可以通过盒子100上的触摸控件打开蓝 牙耳机110的蓝牙功能。Step S201 , referring to FIG. 20B , take out the
在一种实现方式中,盒子100与笔记本103通过转接线120进行有线连接,参考图18A, 接口管理电路250可以检测第一接口202连接到笔记本103,并向控制器230发送控制信号 Vctl_1。其中,接口管理电路250可以采用如图7所示的连接检测电路251或连接检测电路 253来检测第一接口202是否连接到笔记本103,在此不做赘述。控制器230接收到控制信号 Vctl_1,控制器230开启蓝牙功能,并向蓝牙耳机110发送无线连接请求(例如可以为蓝牙协 议规定的寻呼请求Page request消息)。In an implementation manner, the
在一种实现方式中,可以通过触控按键203或语音指令控制触发控制器230开启蓝牙功 能。例如,当按下触控按键203时,或控制器230接收到预设的语音指令时,控制器230开 启蓝牙功能,并向蓝牙耳机110发送无线连接请求(例如可以为蓝牙协议规定的寻呼请求Page request消息)。In an implementation manner, the trigger controller 230 can be controlled to turn on the Bluetooth function through the
步骤S202、参考图20C,蓝牙耳机110与盒子100建立无线连接。Step S202 , referring to FIG. 20C , the
在一种实现方式中,蓝牙耳机110可以根据保存的本次回连之前,与蓝牙耳机110建立 过无线连接的电子设备的历史连接信息,优先与最近建立过无线连接的电子设备尝试建立无 线连接,从而建立与其中一个电子设备之间的无线连接。例如,在本次回连之前,蓝牙耳机 110先后与手机104和盒子100建立过无线连接。在本次回连过程中,蓝牙耳机110首先尝 试与盒子100建立无线连接。比如,蓝牙耳机110可以向盒子100发送耳机连接请求(例如可 以为蓝牙协议规定的寻呼请求Page request消息)。若盒子100已开启蓝牙功能,且在蓝牙通 信距离的范围内,则盒子100可以接收到该耳机连接请求,从而可以自动或在检测到用户指 示连接的操作后,向蓝牙耳机110发送连接响应信息(例如可以为蓝牙协议规定的寻呼响应 Page response消息)。蓝牙耳机110与盒子100建立无线连接。In an implementation manner, the
在一种实现方式中,盒子100和手机104均开启蓝牙功能,蓝牙耳机110向盒子100和 手机104发送BLE广播消息。盒子100和手机104分别向蓝牙耳机110发送无线连接请求和电子设备连接请求,无线连接请求和电子设备连接请求可以分别包括盒子100和手机104的音频业务。蓝牙耳机110接收到无线连接请求和电子设备连接请求后,蓝牙耳机110可以根据预设的连接优先级的方案,选择向盒子100或手机104发送连接响应信息(例如可以为蓝牙 协议规定的寻呼响应Page response消息)。例如,预设的连接优先级包括音频优先级方案和设 备优先级方案,蓝牙耳机110先判断盒子100的音频业务和手机104的音频业务的优先级。 其中,盒子100的音频业务1和手机104的音频业务1的优先级相同,蓝牙耳机110判断盒 子100的设备优先级高于手机104的设备优先级,蓝牙耳机110选择向盒子100发送连接响 应信息,蓝牙耳机110与盒子100建立无线连接。又如,当盒子100和手机104都没有音频业务时,判断盒子100的设备优先级高于手机104的设备优先级,蓝牙耳机110选择向盒子100发送连接响应信息,蓝牙耳机110与盒子100建立无线连接。In an implementation manner, both the
步骤S203、蓝牙耳机110可以处理盒子100的音频业务1,音频业务1可以为播放音乐 等媒体业务。Step S203, the
在一种实现方式中,当蓝牙耳机110与盒子100建立无线连接后,盒子100与笔记本103 通过转接线120进行有线通信。例如,参考图18B,当蓝牙耳机110可以与盒子100成功建立蓝牙连接时,控制器230发送的控制信号Vctl_2配置接口管理电路250与第一接口202之间的连接关系,接口管理电路250与第一接口202之间可以进行有线通信。其中,接口管理电路250可以采用如图7所示的可配置电路252或可配置电路254用于配置第一接口202与第一电子设备的通信状态,在此不做赘述。当接口管理电路250与第一接口202之间可以进行有线通信时,控制器230可以与笔记本103进行有线通信。同时,控制器230通过天线270与蓝牙耳机110建立蓝牙通信,盒子100作为蓝牙收发装置,实现笔记本与蓝牙耳机110之间的蓝牙通信。从而,笔记本103的音频信息经过第一接口202、接口管理电路250传递给 控制器230,控制器230通过盒子的天线,将笔记本103的音频信息发送给蓝牙耳机110,使 得蓝牙耳机110可以播放笔记本103的音频。In an implementation manner, after the
当盒子100与笔记本103未建立有线通信时,笔记本103通过自身的扩音器播放音频业 务;当盒子100与笔记本103建立有线通信后,笔记本103通过蓝牙耳机110播放音频业务。 无论盒子100与笔记本103之间是否建立有线通信时,笔记本103的音频业务可以通过有效 地方式被用户感知到。When the
步骤S204、参考图20D,手机104有音频业务2,例如接/打电话等通话业务。Step S204 , referring to FIG. 20D , the
步骤S205、手机104进行业务抢占,与蓝牙耳机110建立无线连接,蓝牙耳机110可以 处理手机104的音频业务2。其中,盒子100和手机104都是主设备,蓝牙耳机110时从设备,通过步骤S205,实现盒子100和手机104两个主设备之间的无缝切换,蓝牙耳机110作 为从设备自由无感的在盒子100和手机104之间切换。In step S205, the
在一种实现方式中,手机104只要有音频业务2的请求时,手机104便向蓝牙耳机110 发送电子设备连接请求(例如可以为蓝牙协议规定的寻呼请求Page request消息),电子设备连 接请求可以包括手机104的音频业务2的类型。蓝牙耳机110接收到电子设备连接请求后, 蓝牙耳机110可以根据预设的连接优先级的方案,向手机104发送连接响应信息(例如可以为 蓝牙协议规定的寻呼响应Page response消息)。例如,预设的连接优先级包括音频优先级方案 和设备优先级方案,蓝牙耳机110先判断盒子100的音频业务1和手机104的音频业务2的 优先级。其中,手机104的音频业务2的优先级较高,蓝牙耳机110选择向手机104发送连 接响应信息,蓝牙耳机110与手机104建立无线连接。蓝牙耳机110暂停处理盒子100的音 频业务1,处理手机104的音频业务2。In an implementation manner, as long as the
在一种实现方式中,手机104有音频业务2,当用户在手机104上选择接听通话或通话 接通时,手机104再向蓝牙耳机110发送电子设备连接请求,电子设备连接请求可以包括手 机104的音频业务2的类型。蓝牙耳机110接收到电子设备连接请求后,蓝牙耳机110可以根据预设的连接优先级的方案,向手机104发送连接响应信息,蓝牙耳机110与手机104建立无线连接。蓝牙耳机110暂停处理盒子100的音频业务1,处理手机104的音频业务2。In an implementation manner, the
在一种实现方式中,手机104有音频业务2时,可以通过手机104的传感器217(例如触 摸传感器),触发控制器211向盒子100发送连接响应信息,蓝牙耳机110可以与盒子100成 功建立无线连接。蓝牙耳机110暂停处理盒子100的音频业务1,处理手机104的音频业务2。In an implementation manner, when the
在一种实现方式中,当蓝牙耳机110与盒子100的无线连接断开后,参考图21,当蓝牙 耳机110可以与盒子100成功建立蓝牙连接时,控制器230发送的控制信号Vctl_2配置接口 管理电路250与第一接口202之间的连接关系,接口管理电路250与第一接口202之间可以 不进行有线通信。其中,接口管理电路250可以采用如图7所示的可配置电路252或可配置 电路254用于配置第一接口202与第一电子设备的通信状态,在此不做赘述。当接口管理电 路250与第一接口202之间可以不进行有线通信时,笔记本103无法扫描到盒子100,笔记本103笔通过自身的扩音器播放音频业务(开启笔记本的外放功能)。当转接线120的第一转接线接口121和第二转接线接口122均为支持数字信号的接口时,笔记本103可以通过转接线120为盒子100中的电池进行充电。在此期间,蓝牙耳机110还可以发送BLE广播,盒子 100可以向蓝牙耳机110发送无线连接请求。In an implementation manner, after the wireless connection between the
在一种实现方式中,当处理手机104有音频业务2时,手机104会自动搜索附近的蓝牙 音频设备(例如蓝牙耳机),如果蓝牙音频设备已开启蓝牙功能,且在蓝牙通信距离的范围内, 则手机104的界面上出现使用蓝牙耳机播放音频业务2的入口。例如,蓝牙耳机110与盒子 100(或其它电子设备)进行蓝牙连接,手机104可以收到蓝牙耳机110发送的BLE广播。当手机104来电话时,手机104的操作系统拉起通知服务,当如图20E所示,手机104的来 电界面出现三个入口,分别为:“耳机接听”的入口1041(即第一界面元素)、“手机接听” 的入口1042、“拒绝接听”的入口1043。当用户选择“耳机接听”的入口1041时,手机104 便向蓝牙耳机110发送电子设备连接请求,电子设备连接请求可以包括手机104的音频业务 2的类型。蓝牙耳机110接收到电子设备连接请求后,蓝牙耳机110可将手机104的优先级 设置为最高,并向手机104发送连接响应信息;或者,蓝牙耳机110还可以根据预设的连接 优先级的方案,向手机104发送连接响应信息。例如,预设的连接优先级包括音频优先级方 案和设备优先级方案,蓝牙耳机110先判断盒子100的音频业务1和手机104的音频业务2 的优先级。其中,手机104的音频业务2的优先级较高,蓝牙耳机110选择向手机104发送 连接响应信息,蓝牙耳机110与手机104建立无线连接。蓝牙耳机110暂停处理盒子100的 音频业务1,处理手机104的音频业务2。当用户选择“手机接听”的入口1042时,手机104 使用自身的音频模块、扬声器和麦克风等组件,处理音频业务2,蓝牙耳机110保持与盒子 100的无线连接。当用户选择“拒绝接听”的入口1043时,手机104和蓝牙耳机110均不处 理音频业务2。In one implementation, when the
步骤S206、蓝牙耳机110处理手机104的音频业务2。Step S206 , the
步骤S207、参考图20F,手机104的音频业务2结束,以断开与蓝牙耳机110之间的无线连接。Step S207 , referring to FIG. 20F , the
在一种实现方式中,手机104的音频业务2结束,手机104自动向蓝牙耳机110发送断 开无线连接指示信息(例如蓝牙协议规定的Disconnect消息),以断开与蓝牙耳机110之间的无 线连接。In an implementation manner, when the
在一种实现方式中,手机104的音频业务2结束,手机104的显示界面显示将蓝牙耳机 的连接切回到上一次连接状态的界面元素(即第二界面元素,例如按钮或图标等元素),当手 机104检测到用户点击该界面元素(例如按钮或图标等元素)后,手机104断开与蓝牙耳机 110的连接,蓝牙耳机110建立与盒子100的连接。例如,图20G为一个实施例中显示界面 的示意图,当手机104的音频业务2结束,手机104的显示界面显示窗口1044,窗口1044中包括用于蓝牙耳机的连接切回盒子的界面元素(例如按钮或图标等元素)1044b。当用户点 击界面元素(例如按钮或图标等元素)1044b,手机104检测到用户点击界面元素(例如按钮 或图标等元素)1044b,手机104向蓝牙耳机110发送断开无线连接指示信息(例如蓝牙协议 规定的Disconnect消息),以断开与蓝牙耳机110之间的无线连接。蓝牙耳机110存储有连接 记录,蓝牙耳机110与上一次进行连接的盒子100建立无线连接。In an implementation manner, the
步骤S208、蓝牙耳机110收到手机104发送的断开无线连接指示信息,断开与蓝牙耳机 110之间的无线连接,并重新与盒子100建立无线连接。其中,盒子100和手机104都是主 设备,蓝牙耳机110时从设备,通过步骤S208,实现盒子100和手机104两个主设备之间的无缝切换,蓝牙耳机110作为从设备自由无感的在盒子100和手机104之间切换。Step S208, the
在一种实现方式中,当蓝牙耳机110收到手机104发送的断开无线连接指示信息时,蓝 牙耳机110可以根据预设的设备优先级的方案或通过传感器217(例如触摸传感器),触发控制 器211向盒子100发送连接响应信息(例如可以为蓝牙协议规定的寻呼响应Pageresponse消息)。 或者,当蓝牙耳机110收到手机104发送的断开无线连接指示信息时,蓝牙耳机110直接与 上一次进行无线连接的盒子100进行回连。蓝牙耳机110可以与盒子100成功建立蓝牙连接。In an implementation manner, when the
在一种实现方式中,手机104的音频业务2结束,手机104直接断开与蓝牙耳机110的 无线连接。此时,盒子100在间隔性(间隔时间为第二时间)的发送无线连接请求。蓝牙耳机110再次收到来自盒子100无线连接请求,则蓝牙耳机110向盒子100发送连接响应信息,蓝牙耳机110与盒子100再次建立无线连接。In an implementation manner, the
在一种实现方式中,当蓝牙耳机110与盒子100建立无线连接后,盒子100与笔记本103 通过转接线120进行有线通信。例如,参考图18B,当蓝牙耳机110可以与盒子100成功建立蓝牙连接时,控制器230发送的控制信号Vctl_2配置接口管理电路250与第一接口202之间的连接关系,接口管理电路250与第一接口202之间可以进行有线通信。其中,接口管理电路250可以采用如图7所示的可配置电路252或可配置电路254用于配置第一接口202与第一电子设备的通信状态,在此不做赘述。当接口管理电路250与第一接口202之间可以进行有线通信时,控制器230可以与笔记本103进行有线通信。同时,控制器230通过天线270与蓝牙耳机110建立蓝牙通信,盒子100作为蓝牙收发装置,实现笔记本与蓝牙耳机110之间的蓝牙通信。In an implementation manner, after the
步骤S209、蓝牙耳机110继续处理盒子100的音频业务1。Step S209 , the
在一种实现方式中,当盒子100与笔记本103未建立有线通信时,笔记本103通过自身 的扩音器播放音频业务1(开启笔记本的外放功能);当盒子100与笔记本103建立有线通信后, 笔记本103通过蓝牙耳机110播放音频业务1。无论盒子100与笔记本103之间是否建立有 线通信时,笔记本103的音频业务1可以通过有效地方式被用户感知到。In an implementation manner, when the
在一种场景中,本申请的盒子100还可以作为蓝牙接收器。例如,参考图22所示,当盒 子100的第一接口通过转接线120连接至音响203时,盒子100与手机104进行蓝牙连接,音响203作为第一电子设备,手机104作为第二电子设备。当手机104播放音乐时,手机104通过蓝牙信号将音乐发送给盒子100,盒子100通过有线连接,将音乐传递给音响203,从而音响203可以对播放手机104的音乐。In one scenario, the
在一种场景中,当盒子100的第一接口接至充电器时,接口管理电路检测到第一接口与 充电器连接,充电器可以通过电源管理电路对盒子的电池和/或对耳机的电池供电。In one scenario, when the first interface of the
本申请另一实施例提供了一种蓝牙耳机,包括:一个或多个处理器;存储器;其中存储 器中存储有计算机程序指令,当该指令被一个或多个处理器执行时,使得蓝牙耳机执行上述 实施例中描述的处理方法。Another embodiment of the present application provides a Bluetooth headset, including: one or more processors; a memory; wherein the memory stores computer program instructions, and when the instructions are executed by the one or more processors, the Bluetooth headset is made to execute The processing method described in the above embodiment.
示例性的,当蓝牙耳机为如图10B的设备时,该电子设备中的处理器可以为10B控制器 211中的处理器,该电子设备中的存储器可以为图10B控制器211中的存储器,一个或多个 计算机程序被存储在存储器中,一个或多个计算机程序包括指令;当该指令被处理器执行时, 使得蓝牙耳机可以执行上述实施例中的处理方法。Exemplarily, when the Bluetooth headset is the device shown in FIG. 10B , the processor in the electronic device may be the processor in the 10B controller 211, and the memory in the electronic device may be the memory in the controller 211 in FIG. 10B , One or more computer programs are stored in the memory, and the one or more computer programs include instructions; when the instructions are executed by the processor, the Bluetooth headset can perform the processing methods in the above embodiments.
本申请另一实施例提供了一种转接器,包括:一个或多个处理器;存储器;其中存储器 中存储有计算机程序指令,当该指令被一个或多个处理器执行时,使得蓝牙耳机执行上述实 施例中描述的处理方法。Another embodiment of the present application provides an adapter, including: one or more processors; a memory; wherein the memory stores computer program instructions, when the instructions are executed by the one or more processors, the Bluetooth headset The processing method described in the above embodiment is performed.
示例性的,当转接器为如图3的设备时,该电子设备中的处理器可以为图3控制器230 中的处理器,该电子设备中的存储器可以为图3控制器230中的存储器,一个或多个计算机 程序被存储在存储器中,一个或多个计算机程序包括指令;当该指令被处理器执行时,使得 转接器可以执行上述实施例中的处理方法。Exemplarily, when the adapter is the device as shown in FIG. 3 , the processor in the electronic device may be the processor in the controller 230 in FIG. 3 , and the memory in the electronic device may be the processor in the controller 230 in FIG. 3 . A memory, one or more computer programs are stored in the memory, and the one or more computer programs include instructions; when executed by the processor, the instructions enable the adapter to perform the processing methods in the above-described embodiments.
本申请另一实施例提供了一种电子设备,包括:一个或多个处理器;一个或多个存储器; 其中一个或多个存储器中存储有计算机程序指令,当指令被一个或多个处理器执行时,使得 电子设备执行上述实施例中描述的处理方法。Another embodiment of the present application provides an electronic device, including: one or more processors; one or more memories; wherein the one or more memories store computer program instructions, when the instructions are processed by the one or more processors When executed, the electronic device is caused to execute the processing method described in the above embodiment.
示例性的,当电子设备为如图11所示的手机时,该电子设备中的处理器可以为图11中 的处理器510,该电子设备中的存储器可以为图11中的存储器521,一个或多个计算机程序 被存储在存储器521中,一个或多个计算机程序包括指令;当该指令被处理器510执行时, 使得手机可以执行上述实施例中的处理方法。Exemplarily, when the electronic device is a mobile phone as shown in FIG. 11 , the processor in the electronic device may be the
本申请实施例还提供一种计算机存储介质,该计算机存储介质中存储有计算机指令,当 该计算机指令在蓝牙耳机上运行时,使得蓝牙耳机执行上述相关步骤实现上述实施例中的处 理方法。Embodiments of the present application further provide a computer storage medium, where computer instructions are stored in the computer storage medium, and when the computer instructions are executed on the Bluetooth headset, the Bluetooth headset is caused to perform the above-mentioned relevant steps to implement the processing methods in the above-mentioned embodiments.
本申请实施例还提供一种计算机存储介质,该计算机存储介质中存储有计算机指令,当 该计算机指令在电子设备上运行时,使得电子设备(例如第二电子设备)执行上述相关步骤 实现上述实施例中的处理方法。Embodiments of the present application further provide a computer storage medium, where computer instructions are stored in the computer storage medium, and when the computer instructions are executed on an electronic device, the electronic device (for example, a second electronic device) executes the above-mentioned relevant steps to realize the above-mentioned implementation. processing method in the example.
本申请实施例还提供一种计算机程序产品,当该计算机程序产品在计算机上运行时,使 得计算机执行上述相关步骤,以实现上述实施例中的处理方法。The embodiment of the present application further provides a computer program product, when the computer program product runs on the computer, the computer executes the above-mentioned relevant steps, so as to realize the processing method in the above-mentioned embodiment.
另外,本申请的实施例还提供一种装置,这个装置具体可以是芯片,组件或模块,该装 置可包括相连的处理器和存储器;其中,存储器用于存储计算机执行指令,当装置运行时, 处理器可执行存储器存储的计算机执行指令,以使装置执行上述各方法实施例中的蓝牙连接 方法。In addition, the embodiments of the present application also provide an apparatus, which may specifically be a chip, a component or a module, and the apparatus may include a connected processor and a memory; wherein, the memory is used for storing computer execution instructions, and when the apparatus is running, The processor can execute the computer-executed instructions stored in the memory, so that the device executes the Bluetooth connection method in the above method embodiments.
其中,本申请实施例提供的设备、装置、计算机存储介质、计算机程序产品或芯片均用 于执行上文所提供的相关方法,因此,其所能达到的有益效果可参考上文所提供的对应的方 法中的有益效果,此处不再赘述。The equipment, device, computer storage medium, computer program product or chip provided in the embodiments of the present application are all used to execute the relevant methods provided above. Therefore, for the beneficial effects that can be achieved, reference may be made to the corresponding provided above. The beneficial effects of the method are not repeated here.
本申请实施例还提供了一种通信系统,该通信系统可以包括蓝牙耳机和多个电子设备, 该蓝牙耳机和多个电子设备可以执行上述各方法实施例中的蓝牙连接方法。示例性的,该系 统的示意图可以参见图1。Embodiments of the present application further provide a communication system, where the communication system may include a Bluetooth headset and multiple electronic devices, and the Bluetooth headset and multiple electronic devices may execute the Bluetooth connection methods in the above method embodiments. Illustratively, a schematic diagram of the system can be seen in FIG. 1 .
通过以上实施方式的描述,所属领域的技术人员可以了解到,为描述的方便和简洁,仅 以上述各功能模块的划分进行举例说明,实际应用中,可以根据需要而将上述功能分配由不 同的功能模块完成,即将装置的内部结构划分成不同的功能模块,以完成以上描述的全部或 者部分功能。From the description of the above embodiments, those skilled in the art can understand that for the convenience and brevity of the description, only the division of the above functional modules is used as an example for illustration. In practical applications, the above functions can be allocated by different The function module is completed, that is, the internal structure of the device is divided into different function modules, so as to complete all or part of the functions described above.
在本申请所提供的几个实施例中,应该理解到,所揭露的装置和方法,可以通过其它的 方式实现。例如,以上所描述的装置实施例仅仅是示意性的,例如,模块或单元的划分,仅 仅为一种逻辑功能划分,实际实现时可以有另外的划分方式,例如多个单元或组件可以结合 或者可以集成到另一个装置,或一些特征可以忽略,或不执行。另一点,所显示或讨论的相 互之间的耦合或直接耦合或通信连接可以是通过一些接口,装置或单元的间接耦合或通信连 接,可以是电性,机械或其它的形式。In the several embodiments provided in this application, it should be understood that the disclosed apparatus and method may be implemented in other manners. For example, the apparatus embodiments described above are only illustrative. For example, the division of modules or units is only a logical function division. In actual implementation, there may be other division methods. For example, multiple units or components may be combined or May be integrated into another device, or some features may be omitted, or not implemented. On the other hand, the shown or discussed mutual coupling or direct coupling or communication connection may be through some interfaces, indirect coupling or communication connection of devices or units, and may be in electrical, mechanical or other forms.
作为分离部件说明的单元可以是或者也可以不是物理上分开的,作为单元显示的部件可 以是一个物理单元或多个物理单元,即可以位于一个地方,或者也可以分布到多个不同地方。 可以根据实际的需要选择其中的部分或者全部单元来实现本实施例方案的目的。Units illustrated as separate components may or may not be physically separate, and components shown as units may be one physical unit or multiple physical units, that is, may be located in one place, or may be distributed in multiple different places. Some or all of the units may be selected according to actual needs to achieve the purpose of the solution in this embodiment.
另外,在本申请各个实施例中的各功能单元可以集成在一个处理单元中,也可以是各个 单元单独物理存在,也可以两个或两个以上单元集成在一个单元中。上述集成的单元既可以 采用硬件的形式实现,也可以采用软件功能单元的形式实现。In addition, each functional unit in each embodiment of the present application may be integrated into one processing unit, or each unit may exist physically alone, or two or more units may be integrated into one unit. The above-mentioned integrated units can be implemented in the form of hardware, and can also be implemented in the form of software functional units.
集成的单元如果以软件功能单元的形式实现并作为独立的产品销售或使用时,可以存储 在一个可读取存储介质中。基于这样的理解,本申请实施例的技术方案本质上或者说对现有 技术做出贡献的部分或者该技术方案的全部或部分可以以软件产品的形式体现出来,该软件 产品存储在一个存储介质中,包括若干指令用以使得一个设备(可以是单片机,芯片等)或 处理器(processor)执行本申请各个实施例方法的全部或部分步骤。而前述的存储介质包括: U盘、移动硬盘、只读存储器(read only memory,ROM)、随机存取存储器(random access memory,RAM)、磁碟或者光盘等各种可以存储程序代码的介质。The integrated unit, if implemented as a software functional unit and sold or used as a stand-alone product, may be stored in a readable storage medium. Based on such understanding, the technical solutions of the embodiments of the present application can be embodied in the form of software products in essence, or the parts that contribute to the prior art, or all or part of the technical solutions, which are stored in a storage medium , including several instructions to make a device (which may be a single chip microcomputer, a chip, etc.) or a processor (processor) to execute all or part of the steps of the methods in the various embodiments of the present application. The aforementioned storage medium includes: U disk, removable hard disk, read only memory (ROM), random access memory (RAM), magnetic disk or optical disk and other media that can store program codes.
本说明书中的各个实施例均采用递进的方式描述,各个实施例之间相同相似的部分互相 参见即可,每个实施例重点说明的都是与其他实施例的不同之处。以上所描述的实施例仅仅 是示意性的,可以根据实际的需要选择其中的部分或者全部部件、模块或步骤来实现本实施 例方案的目的。本领域普通技术人员在不付出创造性劳动的情况下,即可以理解并实施。The various embodiments in this specification are described in a progressive manner, and the same and similar parts between the various embodiments may be referred to each other, and each embodiment focuses on the differences from other embodiments. The above-described embodiments are only illustrative, and some or all of the components, modules or steps may be selected according to actual needs to achieve the purpose of the solution in this embodiment. Those of ordinary skill in the art can understand and implement it without creative effort.
以上所述仅是本申请示例性的实施方式,并非用于限定本申请的保护范围。The above descriptions are only exemplary embodiments of the present application, and are not intended to limit the protection scope of the present application.
实施例1、一种无线耳机盒,所述无线耳机盒包括:
盒体,所述盒体具有容纳无线耳机的空间;a box body, the box body has a space for accommodating a wireless earphone;
充电电路,被配置为,所述无线耳机容纳于所述盒体时,为所述无线耳机充电;a charging circuit configured to charge the wireless earphone when the wireless earphone is accommodated in the box body;
音频转换电路,被配置为,在检测到所述无线耳机盒与音频播放设备建立有线连接,请 求与所述无线耳机建立无线连接,在所述无线连接建立成功后,经所述有线连接接收所述音 频播放设备的音频,并经所述无线连接发送给所述无线耳机播放。The audio conversion circuit is configured to, after detecting that the wireless earphone box establishes a wired connection with the audio playback device, request to establish a wireless connection with the wireless earphone, and after the wireless connection is successfully established, receive the received audio through the wired connection. The audio of the audio playback device is sent to the wireless headset for playback via the wireless connection.
实施例2、根据实施例1所述的无线耳机盒,所述无线耳机盒还包括:
第一接口,用于与所述音频播放设备建立所述有线连接;a first interface for establishing the wired connection with the audio playback device;
所述音频转换电路包括:The audio conversion circuit includes:
接口管理电路,与所述第一接口耦合,所述接口管理电路被配置为,检测所述第一接口 与所述音频播放设备的有线连接状态,发送检测信号,所述检测信号用于检测所述无线耳机 盒与音频播放设备建立有线连接;以及An interface management circuit, coupled to the first interface, the interface management circuit is configured to detect a wired connection state between the first interface and the audio playback device, and send a detection signal, where the detection signal is used to detect all establishing a wired connection between the wireless earphone box and the audio playback device; and
控制器,被配置为,接收所述检测信号,在所述第一接口与所述音频播放设备建立有线 连接时,向所述无线耳机发送无线连接请求,以请求与所述无线耳机建立无线连接;a controller, configured to receive the detection signal, and when the first interface establishes a wired connection with the audio playback device, send a wireless connection request to the wireless headset to request to establish a wireless connection with the wireless headset ;
所述控制器,还被配置为,通过所述接口管理电路接收所述音频播放设备的音频,将所 述音频发送给所述无线耳机。The controller is further configured to receive audio from the audio playback device through the interface management circuit, and send the audio to the wireless headset.
实施例3、根据实施例2所述的无线耳机盒,所述控制器还被配置为,接收到所述无线 耳机发送的连接响应信息,与所述无线耳机建立无线连接。
实施例4、根据实施例2或3所述的无线耳机盒,所述控制器还被配置为,所述第一接 口与所述音频播放设备建立有线连接后,接收到所述无线耳机发送的拒绝连接响应信息或在 第一时间内未接收到所述无线耳机发送的连接响应信息后,经过第二时间后,再次发送所述 无线连接请求。
实施例5、根据实施例2至4中任一项所述的无线耳机盒,Embodiment 5. The wireless earphone box according to any one of
所述控制器还被配置为,检测与所述无线耳机的无线连接状态,向所述接口管理电路发 送控制信号;The controller is further configured to detect a wireless connection state with the wireless headset, and send a control signal to the interface management circuit;
所述接口管理电路还被配置为,基于所述控制信号,导通或断开所述第一接口与所述控 制器之间的音频数据通信链路。The interface management circuit is further configured to, based on the control signal, turn on or off an audio data communication link between the first interface and the controller.
实施例6、根据实施例5所述的无线耳机盒,Embodiment 6. The wireless earphone box according to Embodiment 5,
所述控制器与所述无线耳机未建立或断开无线连接,所述所述接口管理电路断开所述第 一接口与所述控制器之间的音频数据通信链路;或,The controller and the wireless headset do not establish or disconnect a wireless connection, and the interface management circuit disconnects the audio data communication link between the first interface and the controller; or,
所述控制器与所述无线耳机建立无线连接,所述所述接口管理电路导通所述第一接口与 控制器之间的音频数据通信链路。The controller establishes a wireless connection with the wireless headset, and the interface management circuit conducts an audio data communication link between the first interface and the controller.
实施例7、根据实施例6所述的无线耳机盒,所述音频数据通信链路包括第一音频数据 通信链路,所述接口管理电路包括至少一个开关,所述至少一个开关耦合在所述第一接口和 控制器之间,所述至少一个开关基于所述控制信号,导通或断开所述第一接口和所述控制器 之间的第一音频数据通信链路。Embodiment 7. The wireless earphone box according to Embodiment 6, wherein the audio data communication link includes a first audio data communication link, and the interface management circuit includes at least one switch, and the at least one switch is coupled to the Between the first interface and the controller, the at least one switch switches on or off the first audio data communication link between the first interface and the controller based on the control signal.
实施例8、根据实施例7所述的无线耳机盒,所述第一音频数据通信链路用于传输模拟 音频数据。Embodiment 8. The wireless earphone box according to Embodiment 7, wherein the first audio data communication link is used to transmit analog audio data.
实施例9、根据实施例7所述的无线耳机盒,所述第一接口为3.5mm音频接口、显示接 口、USB TYPE-A接口、USB TYPE-C接口、Micro USB接口或HDMI接口。Embodiment 9. The wireless earphone box according to Embodiment 7, wherein the first interface is a 3.5mm audio interface, a display interface, a USB TYPE-A interface, a USB TYPE-C interface, a Micro USB interface or an HDMI interface.
实施例10、根据实施例6或7所述的无线耳机盒,所述音频数据通信链路包括第二音频 数据通信链路,所述接口管理电路包括邻近所述第一接口的逻辑配置电路,所述逻辑配置电 路基于所述控制信号,改变电阻值;
所述第一接口基于所述逻辑配置电路的电阻值,导通或断开所述第一接口和控制器之间 的第二音频数据通信链路。The first interface turns on or off a second audio data communication link between the first interface and the controller based on the resistance value of the logic configuration circuit.
实施例11、根据实施例10所述的无线耳机盒,所述第一接口包括USB TYPE-A接口、USB TYPE-C接口、Micro USB接口或HDMI接口。Embodiment 11. The wireless earphone box according to
实施例12、根据实施例10中任一所述的无线耳机盒,所述第二音频数据通信链路用于 传输数字音频数据。Embodiment 12. The wireless earphone box according to any one of
实施例13、根据实施例2至12中任一项所述的无线耳机盒,所述接口管理电路被配置 为,检测所述第一接口处的电阻值或电压值,生成所述检测信号。Embodiment 13. The wireless earphone box according to any one of
实施例14、根据实施例2至13中任一项所述的无线耳机盒,其 特征在于,所述第一接口与所述充电电路耦合,所述充电电路还被配置为,与所述音频 播放设备连接时,接收所述音频播放设备的充电。Embodiment 14. The wireless earphone box according to any one of
实施例15、根据实施例2至14中任一项所述的无线耳机盒,所述无线耳机盒还包括第 二接口,与所述充电电路耦合,用于所述无线耳机容纳于所述盒体时,连接所述充电电路和 所述无线耳机;其中,Embodiment 15. The wireless earphone box according to any one of
所述第二接口还与所述控制器耦合;the second interface is also coupled to the controller;
所述控制器还被配置为,检测到所述第二接口与所述无线耳机连接,且所述第一接口与 所述音频播放设备连接,通过所述第二接口配置所述无线耳机与无线耳机盒建立无线连接的 优先级高于所述无线耳机与其他设备的优先级。The controller is further configured to detect that the second interface is connected with the wireless headset, and the first interface is connected with the audio playback device, and configure the wireless headset and the wireless headset through the second interface. The priority of the headset box to establish a wireless connection is higher than the priority of the wireless headset and other devices.
实施例16、根据实施例2至15中任一项所述的无线耳机盒,音频转换电路包括耳机检 测电路,用于检测所述无线耳机是否放入所述无线耳机盒,所述耳机检测器与所述控制器耦 合;Embodiment 16. The wireless earphone box according to any one of
所述控制器被配置为,在检测到所述无线耳机盒与音频播放设备建立有线连接,且所述 无线耳机从无线耳机盒中取出,向所述无线耳机发送所述无线连接请求。The controller is configured to send the wireless connection request to the wireless earphone after detecting that the wireless earphone box has established a wired connection with the audio playback device, and the wireless earphone is taken out from the wireless earphone box.
实施例17、根据实施例1至16中任一项所述的无线耳机盒,所述无线耳机盒上还具有 指示灯或显示屏,用于指示所述无线耳机盒的指示状态,所述指示状态包括:自充电状态、 为所述无线耳机充电状态、音频有线转无线播放状态。Embodiment 17. The wireless earphone box according to any one of
实施例18、根据实施例1至16中任一项所述的无线耳机盒,所述音频播放设备为电脑、 电视或智慧屏。Embodiment 18. The wireless earphone box according to any one of
实施例19、一种系统,包括:无线耳机和如实施例1至18中任一项所述无线耳机盒;其中,所述无线耳机被配置为,在与所述无线耳机盒建立所述无线连接,且所述无线连接建立成功后,所述无线耳机播放所述音频播放设备的音频。Embodiment 19, a system, comprising: a wireless headset and the wireless headset box according to any one of
实施例20、一种系统,包括:无线耳机、如实施例1至18中任一项所述无线耳机盒和电子设备;
所述电子设备包括:处理器、存储器,显示屏和移动通信模块;所述处理器、所述通信 模块,所述显示屏和所述存储器耦合,所述存储器用于存储计算机程序代码,所述计算机程 序代码包括计算机指令,当所述计算机指令被所述电子设备执行时,使得所述电子设备执行 如下动作:The electronic device includes: a processor, a memory, a display screen and a mobile communication module; the processor, the communication module, the display screen and the memory are coupled, the memory is used for storing computer program codes, the The computer program code includes computer instructions that, when executed by the electronic device, cause the electronic device to perform the following actions:
接收进行音频业务的请求;Receive requests for audio services;
显示第一界面,所述第一界面中包括与所述无线耳机对应的第一界面元素;displaying a first interface, where the first interface includes a first interface element corresponding to the wireless headset;
接收对所述第一界面元素的第一输入,所述第一输入用于确认使用所述无线耳机处理所 述音频业务;receiving a first input to the first interface element, the first input being used to confirm processing of the audio service using the wireless headset;
响应于所述第一输入,向所述无线耳机发送电子设备连接请求,以请求与所述无线耳机 建立无线连接;In response to the first input, sending an electronic device connection request to the wireless headset to request to establish a wireless connection with the wireless headset;
所述无线耳机被配置为:The wireless headset is configured to:
在与所述无线耳机盒进行无线连接时,接收到所述电子设备连接请求;When the wireless earphone box is wirelessly connected, the electronic device connection request is received;
响应于所述无线连接请求,断开与所述无线耳机盒建立的所述无线连接,与所述电子设 备建立无线连接,并播放所述电子设备的音频。In response to the wireless connection request, the wireless connection established with the wireless earphone box is disconnected, a wireless connection is established with the electronic device, and audio of the electronic device is played.
实施例21、根据实施例20所述的系统,当所述计算机指令被所述电子设备执行时,还 使得所述电子设备执行如下操作:Embodiment 21. According to the system of
所述音频业务结束,断开与所述无线耳机的无线连接。The audio service ends, and the wireless connection with the wireless headset is disconnected.
实施例22、根据实施例21所述的系统,所述向所述无线耳机发送切换连接请求,具体 包括:Embodiment 22, the system according to Embodiment 21, the sending a handover connection request to the wireless headset specifically includes:
所述音频业务结束时,显示第二界面,所述第二界面包括第二界面元素;When the audio service ends, a second interface is displayed, and the second interface includes a second interface element;
接收对所述第二界面元素的第二输入,所述第二输入用于请求所述无线耳机与所述无线 耳机盒建立无线连接;receiving a second input to the second interface element, the second input being used to request the wireless headset to establish a wireless connection with the wireless headset box;
响应于所述第二输入,断开与所述无线耳机的所述另一无线连接。In response to the second input, the further wireless connection to the wireless headset is disconnected.
实施例23、根据实施例21或22所述的系统,所述另一无线连接断开后,在所述无线耳 机盒再次发送所述无线连接请求时,所述无线耳机响应于所述无线连接请求,与所述无线耳 机盒再次建立所述无线连接。Embodiment 23. The system according to Embodiment 21 or 22, after the other wireless connection is disconnected, when the wireless earphone box sends the wireless connection request again, the wireless earphone responds to the wireless connection request, and establish the wireless connection with the wireless earphone box again.
| Application Number | Priority Date | Filing Date | Title |
|---|---|---|---|
| CN202010097763.8ACN111601199A (en) | 2020-02-17 | 2020-02-17 | Wireless earphone box and system |
| PCT/CN2021/075153WO2021164556A1 (en) | 2020-02-17 | 2021-02-04 | Wireless earphone case and system |
| Application Number | Priority Date | Filing Date | Title |
|---|---|---|---|
| CN202010097763.8ACN111601199A (en) | 2020-02-17 | 2020-02-17 | Wireless earphone box and system |
| Publication Number | Publication Date |
|---|---|
| CN111601199Atrue CN111601199A (en) | 2020-08-28 |
| Application Number | Title | Priority Date | Filing Date |
|---|---|---|---|
| CN202010097763.8APendingCN111601199A (en) | 2020-02-17 | 2020-02-17 | Wireless earphone box and system |
| Country | Link |
|---|---|
| CN (1) | CN111601199A (en) |
| WO (1) | WO2021164556A1 (en) |
| Publication number | Priority date | Publication date | Assignee | Title |
|---|---|---|---|---|
| CN112566003A (en)* | 2020-12-23 | 2021-03-26 | 深圳市卓翼科技股份有限公司 | Earphone testing method, system, testing terminal and storage medium |
| CN112702673A (en)* | 2020-12-23 | 2021-04-23 | 深圳市沃莱特电子有限公司 | Electronic assembly |
| WO2021164556A1 (en)* | 2020-02-17 | 2021-08-26 | 华为技术有限公司 | Wireless earphone case and system |
| CN113329293A (en)* | 2021-05-27 | 2021-08-31 | 深圳市悦尔声学有限公司 | TWS earphone with bluetooth emission function storehouse of charging |
| CN113825126A (en)* | 2021-09-30 | 2021-12-21 | 联想(北京)有限公司 | Control method and device |
| CN113949959A (en)* | 2021-10-14 | 2022-01-18 | 维沃移动通信有限公司 | Wireless earphone and audio signal processing method |
| CN114449395A (en)* | 2020-11-05 | 2022-05-06 | 盛微先进科技股份有限公司 | Wireless receiving device and wireless transmission system |
| CN114582109A (en)* | 2020-11-30 | 2022-06-03 | 深圳富桂精密工业有限公司 | Terminal device |
| CN114584171A (en)* | 2020-11-30 | 2022-06-03 | 深圳市创成微电子有限公司 | Audio equipment and its control method, studio system |
| CN114615600A (en)* | 2020-12-04 | 2022-06-10 | 同响科技股份有限公司 | Audio signal playback control system and method |
| CN114866998A (en)* | 2022-07-06 | 2022-08-05 | 荣耀终端有限公司 | Bluetooth connection method and Bluetooth device |
| CN114885251A (en)* | 2021-02-05 | 2022-08-09 | 深圳市三诺数字科技有限公司 | TWS earphone system low-delay transmission method, device, equipment and storage medium |
| CN114915957A (en)* | 2022-07-13 | 2022-08-16 | 荣耀终端有限公司 | Bluetooth headset reconnection control method and control device |
| CN114916093A (en)* | 2021-02-07 | 2022-08-16 | 华为技术有限公司 | Communication method, first electronic device and second electronic device |
| CN115119109A (en)* | 2022-06-24 | 2022-09-27 | 哲库科技(上海)有限公司 | Headphone assembly, audio playback device and method |
| CN115250401A (en)* | 2021-04-28 | 2022-10-28 | 深圳市韶音科技有限公司 | Headphone assembly and Bluetooth connection method of headphone assembly |
| CN115315025A (en)* | 2021-05-08 | 2022-11-08 | 广州视源电子科技股份有限公司 | Equipment connection method, device, equipment and storage medium |
| CN115412387A (en)* | 2021-05-27 | 2022-11-29 | 华为技术有限公司 | A kind of audio playing method, system and electronic equipment |
| CN115882205A (en)* | 2022-12-15 | 2023-03-31 | 东莞市猎声电子科技有限公司 | Electronic equipment shared by antenna and touch |
| CN115967889A (en)* | 2022-12-19 | 2023-04-14 | Oppo广东移动通信有限公司 | Wireless communication module control method and device and wireless earphone |
| CN116132870A (en)* | 2023-02-10 | 2023-05-16 | 歌尔股份有限公司 | Dynamic mode switching method and device, earphone device and readable storage medium |
| CN117119614A (en)* | 2023-01-28 | 2023-11-24 | 荣耀终端有限公司 | Bluetooth connection method, device and system |
| WO2024036602A1 (en)* | 2022-08-19 | 2024-02-22 | Harman International Industries, Incorporated | System for wireless control of headphones |
| EP4228117A4 (en)* | 2020-10-16 | 2024-05-08 | Guangdong Oppo Mobile Telecommunications Corp., Ltd. | WIRELESS HEADPHONE CHARGING CASE, CHARGING CASE AND WIRELESS CHARGING SYSTEM |
| WO2024114202A1 (en)* | 2022-11-30 | 2024-06-06 | 华为技术有限公司 | Communication method and related device |
| CN119907139A (en)* | 2023-10-26 | 2025-04-29 | 北京小米移动软件有限公司 | Audio processing method, device, electronic device and storage medium |
| Publication number | Priority date | Publication date | Assignee | Title |
|---|---|---|---|---|
| CN115884326B (en)* | 2021-09-27 | 2025-08-26 | Oppo广东移动通信有限公司 | Method, device, equipment and storage medium for broadcasting device information |
| CN114093367A (en)* | 2021-10-28 | 2022-02-25 | 歌尔科技有限公司 | Remote control system and method based on Bluetooth headset |
| JP2023102074A (en)* | 2022-01-11 | 2023-07-24 | パナソニックIpマネジメント株式会社 | Wireless headphones and how to control wireless headphones |
| CN114679651A (en)* | 2022-03-24 | 2022-06-28 | 肇庆德庆冠旭电子有限公司 | Earphone in-out bin detection method, electronic equipment, storage medium and system |
| CN114786082A (en)* | 2022-03-26 | 2022-07-22 | 东莞市库珀电子有限公司 | Earphone charging box with display screen and convenient to wear |
| CN115016759A (en)* | 2022-04-19 | 2022-09-06 | 中国银行股份有限公司 | Mobile banking voice playback control method, mobile banking and Bluetooth headset charging bin |
| CN114630230B (en)* | 2022-05-12 | 2022-10-14 | 荣耀终端有限公司 | Electronic equipment, pull-up circuit and method for suppressing earphone POP sound |
| CN115105829B (en)* | 2022-05-19 | 2024-12-24 | 元境生生(北京)科技有限公司 | Game controller and receiver matching method, device, equipment and program product |
| CN115208076B (en)* | 2022-07-21 | 2025-08-19 | Oppo广东移动通信有限公司 | Wireless charging control method and device, electronic equipment and storage medium |
| CN116744215B (en)* | 2022-09-02 | 2024-04-19 | 荣耀终端有限公司 | Audio processing method and device |
| Publication number | Priority date | Publication date | Assignee | Title |
|---|---|---|---|---|
| CN107770663A (en)* | 2016-08-23 | 2018-03-06 | 深圳市三诺数字科技有限公司 | A kind of In-Ear wireless headset and its automatic charging and the implementation method of switching on and shutting down |
| CN207518810U (en)* | 2017-11-20 | 2018-06-19 | 深圳市胜兴旺精密科技有限公司 | Charging box |
| US20180248414A1 (en)* | 2017-02-24 | 2018-08-30 | Beijing Xiaoniao Tingting Technology Co., Ltd | Data processing method, charging device and mobile terminal |
| CN109379663A (en)* | 2018-12-25 | 2019-02-22 | 歌尔科技有限公司 | Earphone box and headset assembly |
| CN109600694A (en)* | 2019-01-16 | 2019-04-09 | 歌尔科技有限公司 | A kind of matching method of wireless headset, device, terminal and charging box |
| CN109803210A (en)* | 2019-02-22 | 2019-05-24 | 广东虹勤通讯技术有限公司 | Audio output switching method of electronic equipment, electronic equipment and readable storage medium |
| CN109891761A (en)* | 2019-01-31 | 2019-06-14 | 深圳市汇顶科技股份有限公司 | Transmit method, communication device, portable device and the communication system of information |
| CN209072693U (en)* | 2018-12-14 | 2019-07-05 | 歌尔科技有限公司 | A kind of charging box of true wireless headset |
| CN110166877A (en)* | 2019-06-21 | 2019-08-23 | 歌尔科技有限公司 | A kind of audio frequency playing method, device and the charging box of TWS earphone |
| CN110191442A (en)* | 2019-04-18 | 2019-08-30 | 华为技术有限公司 | Bluetooth connection method, equipment and system |
| CN110198503A (en)* | 2019-04-25 | 2019-09-03 | 华为技术有限公司 | A kind of wireless headset |
| CN209375876U (en)* | 2019-01-25 | 2019-09-10 | 深圳市蓝禾技术有限公司 | Headphone boxes and audio devices |
| CN110691294A (en)* | 2019-09-29 | 2020-01-14 | 歌尔科技有限公司 | Audio control method, charging box and wireless earphone device |
| Publication number | Priority date | Publication date | Assignee | Title |
|---|---|---|---|---|
| KR100755823B1 (en)* | 2006-07-28 | 2007-09-05 | 주식회사 에스엘오디오랩 | Hand Strap Type Wireless Mono Headset |
| CN111601199A (en)* | 2020-02-17 | 2020-08-28 | 华为技术有限公司 | Wireless earphone box and system |
| Publication number | Priority date | Publication date | Assignee | Title |
|---|---|---|---|---|
| CN107770663A (en)* | 2016-08-23 | 2018-03-06 | 深圳市三诺数字科技有限公司 | A kind of In-Ear wireless headset and its automatic charging and the implementation method of switching on and shutting down |
| US20180248414A1 (en)* | 2017-02-24 | 2018-08-30 | Beijing Xiaoniao Tingting Technology Co., Ltd | Data processing method, charging device and mobile terminal |
| CN207518810U (en)* | 2017-11-20 | 2018-06-19 | 深圳市胜兴旺精密科技有限公司 | Charging box |
| CN209072693U (en)* | 2018-12-14 | 2019-07-05 | 歌尔科技有限公司 | A kind of charging box of true wireless headset |
| CN109379663A (en)* | 2018-12-25 | 2019-02-22 | 歌尔科技有限公司 | Earphone box and headset assembly |
| CN109600694A (en)* | 2019-01-16 | 2019-04-09 | 歌尔科技有限公司 | A kind of matching method of wireless headset, device, terminal and charging box |
| CN209375876U (en)* | 2019-01-25 | 2019-09-10 | 深圳市蓝禾技术有限公司 | Headphone boxes and audio devices |
| CN109891761A (en)* | 2019-01-31 | 2019-06-14 | 深圳市汇顶科技股份有限公司 | Transmit method, communication device, portable device and the communication system of information |
| CN109803210A (en)* | 2019-02-22 | 2019-05-24 | 广东虹勤通讯技术有限公司 | Audio output switching method of electronic equipment, electronic equipment and readable storage medium |
| CN110191442A (en)* | 2019-04-18 | 2019-08-30 | 华为技术有限公司 | Bluetooth connection method, equipment and system |
| CN110198503A (en)* | 2019-04-25 | 2019-09-03 | 华为技术有限公司 | A kind of wireless headset |
| CN110166877A (en)* | 2019-06-21 | 2019-08-23 | 歌尔科技有限公司 | A kind of audio frequency playing method, device and the charging box of TWS earphone |
| CN110691294A (en)* | 2019-09-29 | 2020-01-14 | 歌尔科技有限公司 | Audio control method, charging box and wireless earphone device |
| Publication number | Priority date | Publication date | Assignee | Title |
|---|---|---|---|---|
| WO2021164556A1 (en)* | 2020-02-17 | 2021-08-26 | 华为技术有限公司 | Wireless earphone case and system |
| EP4228117A4 (en)* | 2020-10-16 | 2024-05-08 | Guangdong Oppo Mobile Telecommunications Corp., Ltd. | WIRELESS HEADPHONE CHARGING CASE, CHARGING CASE AND WIRELESS CHARGING SYSTEM |
| CN114449395A (en)* | 2020-11-05 | 2022-05-06 | 盛微先进科技股份有限公司 | Wireless receiving device and wireless transmission system |
| CN114584171A (en)* | 2020-11-30 | 2022-06-03 | 深圳市创成微电子有限公司 | Audio equipment and its control method, studio system |
| CN114582109A (en)* | 2020-11-30 | 2022-06-03 | 深圳富桂精密工业有限公司 | Terminal device |
| CN114615600A (en)* | 2020-12-04 | 2022-06-10 | 同响科技股份有限公司 | Audio signal playback control system and method |
| CN112566003A (en)* | 2020-12-23 | 2021-03-26 | 深圳市卓翼科技股份有限公司 | Earphone testing method, system, testing terminal and storage medium |
| CN112702673A (en)* | 2020-12-23 | 2021-04-23 | 深圳市沃莱特电子有限公司 | Electronic assembly |
| CN114885251A (en)* | 2021-02-05 | 2022-08-09 | 深圳市三诺数字科技有限公司 | TWS earphone system low-delay transmission method, device, equipment and storage medium |
| CN114916093A (en)* | 2021-02-07 | 2022-08-16 | 华为技术有限公司 | Communication method, first electronic device and second electronic device |
| CN115250401A (en)* | 2021-04-28 | 2022-10-28 | 深圳市韶音科技有限公司 | Headphone assembly and Bluetooth connection method of headphone assembly |
| EP4322693A4 (en)* | 2021-05-08 | 2024-09-11 | Guangzhou Shiyuan Electronics Co., Ltd. | DEVICE CONNECTION METHOD AND DEVICE AND DEVICE AND STORAGE MEDIUM |
| CN115315025A (en)* | 2021-05-08 | 2022-11-08 | 广州视源电子科技股份有限公司 | Equipment connection method, device, equipment and storage medium |
| CN115412387A (en)* | 2021-05-27 | 2022-11-29 | 华为技术有限公司 | A kind of audio playing method, system and electronic equipment |
| CN113329293A (en)* | 2021-05-27 | 2021-08-31 | 深圳市悦尔声学有限公司 | TWS earphone with bluetooth emission function storehouse of charging |
| CN113825126A (en)* | 2021-09-30 | 2021-12-21 | 联想(北京)有限公司 | Control method and device |
| CN113949959A (en)* | 2021-10-14 | 2022-01-18 | 维沃移动通信有限公司 | Wireless earphone and audio signal processing method |
| CN115119109A (en)* | 2022-06-24 | 2022-09-27 | 哲库科技(上海)有限公司 | Headphone assembly, audio playback device and method |
| CN114866998B (en)* | 2022-07-06 | 2022-11-11 | 荣耀终端有限公司 | Bluetooth connection method and Bluetooth device |
| CN114866998A (en)* | 2022-07-06 | 2022-08-05 | 荣耀终端有限公司 | Bluetooth connection method and Bluetooth device |
| CN114915957B (en)* | 2022-07-13 | 2022-11-29 | 荣耀终端有限公司 | Bluetooth headset reconnection control method and control device |
| CN114915957A (en)* | 2022-07-13 | 2022-08-16 | 荣耀终端有限公司 | Bluetooth headset reconnection control method and control device |
| WO2024036602A1 (en)* | 2022-08-19 | 2024-02-22 | Harman International Industries, Incorporated | System for wireless control of headphones |
| WO2024114202A1 (en)* | 2022-11-30 | 2024-06-06 | 华为技术有限公司 | Communication method and related device |
| CN115882205B (en)* | 2022-12-15 | 2023-12-05 | 东莞市猎声电子科技有限公司 | Electronic equipment shared by antenna and touch piece |
| CN115882205A (en)* | 2022-12-15 | 2023-03-31 | 东莞市猎声电子科技有限公司 | Electronic equipment shared by antenna and touch |
| CN115967889A (en)* | 2022-12-19 | 2023-04-14 | Oppo广东移动通信有限公司 | Wireless communication module control method and device and wireless earphone |
| CN117119614A (en)* | 2023-01-28 | 2023-11-24 | 荣耀终端有限公司 | Bluetooth connection method, device and system |
| CN117119614B (en)* | 2023-01-28 | 2025-03-21 | 荣耀终端股份有限公司 | A Bluetooth connection method, device and system |
| CN116132870A (en)* | 2023-02-10 | 2023-05-16 | 歌尔股份有限公司 | Dynamic mode switching method and device, earphone device and readable storage medium |
| CN119907139A (en)* | 2023-10-26 | 2025-04-29 | 北京小米移动软件有限公司 | Audio processing method, device, electronic device and storage medium |
| Publication number | Publication date |
|---|---|
| WO2021164556A1 (en) | 2021-08-26 |
| Publication | Publication Date | Title |
|---|---|---|
| CN111601199A (en) | Wireless earphone box and system | |
| CN113225693B (en) | A Bluetooth connection method, device and system | |
| CN114710768B (en) | A bluetooth connection back method and related device | |
| CN112789867B (en) | Bluetooth connection method and equipment | |
| CN112771900B (en) | Data transmission method and electronic equipment | |
| EP4024917B1 (en) | Bluetooth connection method and electronic device | |
| CN112312366B (en) | Method, electronic equipment and system for realizing functions through NFC (near field communication) tag | |
| CN114610193B (en) | Content sharing method, electronic device and storage medium | |
| WO2020133183A1 (en) | Audio data synchronization method and device | |
| CN110401767B (en) | Information processing method and device | |
| CN112806092B (en) | A microphone MIC switching method and device | |
| CN115119336B (en) | Earphone connection system, earphone connection method, earphone, electronic device and readable storage medium | |
| WO2022267917A1 (en) | Bluetooth communication method and system | |
| CN115703006A (en) | Equipment connection method, device and system | |
| CN115134402A (en) | Device connection method and electronic device |
| Date | Code | Title | Description |
|---|---|---|---|
| PB01 | Publication | ||
| PB01 | Publication | ||
| SE01 | Entry into force of request for substantive examination | ||
| SE01 | Entry into force of request for substantive examination | ||
| RJ01 | Rejection of invention patent application after publication | Application publication date:20200828 | |
| RJ01 | Rejection of invention patent application after publication |