Movatterモバイル変換


[0]ホーム

URL:


CN111588955A - Breathing machine shows accuse terminal - Google Patents

Breathing machine shows accuse terminal
Download PDF

Info

Publication number
CN111588955A
CN111588955ACN202010461748.7ACN202010461748ACN111588955ACN 111588955 ACN111588955 ACN 111588955ACN 202010461748 ACN202010461748 ACN 202010461748ACN 111588955 ACN111588955 ACN 111588955A
Authority
CN
China
Prior art keywords
resistor
interface
interface circuit
pin
microprocessor
Prior art date
Legal status (The legal status is an assumption and is not a legal conclusion. Google has not performed a legal analysis and makes no representation as to the accuracy of the status listed.)
Pending
Application number
CN202010461748.7A
Other languages
Chinese (zh)
Inventor
李剑波
邬剑鸣
高云飞
Current Assignee (The listed assignees may be inaccurate. Google has not performed a legal analysis and makes no representation or warranty as to the accuracy of the list.)
Beijing Institute of Radio Measurement
Original Assignee
Beijing Institute of Radio Measurement
Priority date (The priority date is an assumption and is not a legal conclusion. Google has not performed a legal analysis and makes no representation as to the accuracy of the date listed.)
Filing date
Publication date
Application filed by Beijing Institute of Radio MeasurementfiledCriticalBeijing Institute of Radio Measurement
Priority to CN202010461748.7ApriorityCriticalpatent/CN111588955A/en
Publication of CN111588955ApublicationCriticalpatent/CN111588955A/en
Pendinglegal-statusCriticalCurrent

Links

Images

Classifications

Landscapes

Abstract

The invention relates to a display control terminal of a breathing machine, which comprises: the GPIO interface and the AD interface of the microprocessor are respectively connected with the first flying shuttle knob and the second flying shuttle knob through the first flying shuttle knob interface circuit and the second flying shuttle knob interface circuit; the GPIO interface and the AD interface of the microprocessor are connected with a first touch screen through a first touch screen interface circuit, and the SPI interface of the microprocessor is connected with a second touch screen through a second touch screen interface circuit; the UART interface of the microprocessor is connected with the first display screen through the first display screen interface circuit, and the IIC interface and the DSI interface of the microprocessor are connected with the second display screen through the second display screen interface circuit. The embodiment of the invention provides a plurality of interface circuits which are connected with different interfaces of a microprocessor, double man-machine interaction interfaces are realized, single-machine double control can be realized, one device can complete the functions of two devices in the original design, and the whole function expansion and upgrading of the breathing machine are facilitated.

Description

Breathing machine shows accuse terminal
Technical Field
The invention relates to the technical field of electronic products, in particular to a display and control terminal of a breathing machine.
Background
The respirator is used as an important medical device for preventing and treating respiratory failure, reducing complications and saving and prolonging the life of patients, and is widely applied to intensive care units of various hospitals.
The breathing machine display and control terminal is an important component of the breathing machine and is responsible for information display, fault warning, function setting and other human-computer interaction functions in the using process of the breathing machine, and the breathing machine display and control terminal is communicated with a lower breathing machine computer and controls other parts of the breathing machine through the lower breathing machine computer to complete the functions of the whole breathing machine.
The design of the display control terminal of the existing breathing machine is limited by the performance and the interface design of a main processor chip selected by the display control terminal, and basically no space for function upgrading and optimization exists. Meanwhile, one respirator is provided with a set of human-computer interaction system, so that the use of the respirator is limited, and if the respirator is used in an isolation ward, medical personnel outside the ward need to operate the respirator and must enter the isolation ward, so that great inconvenience is caused.
Disclosure of Invention
The invention aims to solve the technical problem in the prior art and provides a display and control terminal of a breathing machine.
In order to solve the above technical problem, an embodiment of the present invention provides a display and control terminal for a ventilator, including: the system comprises a microprocessor, a first shuttle flying knob interface circuit, a second shuttle flying knob interface circuit, a first touch screen interface circuit, a second touch screen interface circuit, a first display screen interface circuit, a second display screen interface circuit, a first shuttle flying knob, a second shuttle flying knob, a first touch screen, a second touch screen, a first display screen and a second display screen;
the GPIO interface and the AD interface of the processor are respectively connected with the first flying shuttle knob and the second flying shuttle knob through the first flying shuttle knob interface circuit and the second flying shuttle knob interface circuit; the GPIO interface and the AD interface of the microprocessor are connected with a first touch screen through a first touch screen interface circuit, and the SPI interface of the microprocessor is connected with a second touch screen through a second touch screen interface circuit; the UART interface of the microprocessor is connected with the first display screen through the first display screen interface circuit, and the IIC interface and the DSI interface of the microprocessor are connected with the second display screen through the second display screen interface circuit.
The invention has the beneficial effects that: the embodiment of the invention provides a plurality of interface circuits which are connected with different interfaces of a microprocessor, thereby effectively solving the problem of the quantity limitation of the same type of interfaces of the microprocessor, realizing double man-machine interaction interfaces, realizing single-machine double control, completing the functions of two devices in the original design by one device, and facilitating the integral function expansion and upgrading of the respirator.
Additional aspects of the invention and its advantages will be set forth in part in the description which follows, and in part will be obvious from the description, or may be learned by practice of the invention.
Drawings
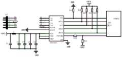
Fig. 1 is a circuit structure diagram of a display control terminal of a breathing machine according to an embodiment of the present invention;
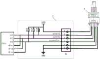
fig. 2 is a circuit configuration diagram of a first flying shuttle knob interface circuit and a second flying shuttle knob interface circuit according to an embodiment of the present invention;
fig. 3 is a circuit structure diagram of a first touch screen interface circuit according to an embodiment of the invention;
fig. 4 is a circuit structure diagram of a second touch screen interface circuit according to an embodiment of the invention;
fig. 5 is a circuit diagram of a first display interface circuit according to an embodiment of the present invention;
fig. 6 is a circuit structure diagram of a second display interface circuit according to an embodiment of the present invention.
Detailed Description
The principles and features of this invention are described below in conjunction with the following drawings, which are set forth by way of illustration only and are not intended to limit the scope of the invention.
The breathing machine display and control terminal is used for completing the setting of the working mode, the alarm parameters, the display parameters and the like of the breathing machine, realizing the functions of monitoring and displaying the physical sign state data of a patient and the state information of the breathing machine in real time, alarming and the like, and is a core external interface of man-machine interaction in breathing machine equipment. The breathing machine display control terminal comprises a terminal shell, a touch screen, a display screen, a shuttle flying knob, an alarm buzzer, an LED lamp, a communication interface with a lower computer and the like. The embodiment of the invention provides a double human-computer interaction interface, which can realize single-machine double control, and one device can complete the functions of two devices in the original design, thereby being convenient for the integral function expansion and upgrade of the respirator.
Fig. 1 is a circuit configuration diagram of a display control terminal of a breathing machine according to an embodiment of the present invention. As shown in fig. 1, the display and control terminal of the breathing machine comprises: the device comprises a microprocessor, a first shuttle flying knob interface circuit, a second shuttle flying knob interface circuit, a first touch screen interface circuit, a second touch screen interface circuit, a first display screen interface circuit, a second display screen interface circuit, a first shuttle flying knob, a second shuttle flying knob, a first touch screen, a second touch screen, a first display screen and a second display screen.
The GPIO interface and the AD interface of the processor are respectively connected with the first flying shuttle knob and the second flying shuttle knob through the first flying shuttle knob interface circuit and the second flying shuttle knob interface circuit; the GPIO interface and the AD interface of the microprocessor are connected with a first touch screen through a first touch screen interface circuit, and the SPI interface of the microprocessor is connected with a second touch screen through a second touch screen interface circuit; the UART interface of the microprocessor is connected with the first display screen through the first display screen interface circuit, and the IIC interface and the DSI interface of the microprocessor are connected with the second display screen through the second display screen interface circuit.
In this embodiment, the microprocessor 300 may employ STM 32. The STM32 is a 32-bit microcontroller and microprocessor product based on ARM Cortex kernel, which integrates high performance, real-time performance, digital signal processing, low power consumption and low voltage, and maintains the characteristics of high integration level and simple development. Based on an industrial standard processor and a large number of software and hardware development tools, the system becomes a solution for various small and medium-sized projects and complete platforms. An STM32 is used as a core processor of the STM 32-based embedded software platform, hardware control and information interaction are completed by connecting various hardware peripherals, and man-machine interaction of the embedded platform is realized by processing a signal processing program in STM 32. stm32 is an embedded development platform, and is interconnected with the two touch screens and the two display screens through different hardware interfaces, and embedded software runs on the embedded development platform to control the two shuttle knobs, the two touch screens and the display screens. The operation of a user can be expanded to double content, the processing performance of the STM32 chip is high, the product can be expanded to a machine with double functions, and a single device realizes the functions of two devices in the prior art; the various interface types in the embodiment of the invention also enrich the selection for the design of a hardware circuit.
The respirator display and control terminal of the embodiment provides various interface circuits, the various interface circuits are connected with different interfaces of the microprocessor, the problem of quantity limitation of the same type of interfaces of the microprocessor is effectively solved, double man-machine interaction interfaces are realized, single-machine double control can be realized, one device can complete the functions of two devices in the original design, and the whole function expansion and upgrading of the respirator are facilitated.
Optionally, as shown in fig. 2, the first flying shuttleknob interface circuit 2 and the second flying shuttleknob interface circuit 2 have the same circuit structure, and include a first plug connector X1 and a current limiting protection circuit, the first plug connector X1 includes six pins, the six pins are respectively connected with the six pins of the flying shuttle knob 1, and the first pin and the second pin of the first plug connector X1 are grounded; the third pin, the fourth pin and the fifth pin are respectively connected with a group of GPIO interfaces of the microprocessor and a combined interface of an AD interface; the sixth pin is connected with a power supply end; one end of the current-limiting protection circuit is connected with a power supply end, and the other end of the current-limiting protection circuit is connected with a connecting line between the microprocessor and the first plug connector X1.
The current-limiting protection circuit comprises a resistor R100, a resistor R200 and a resistor R300, the third pin is connected with the power supply end through the resistor R100, the fourth pin is connected with the power supply end through the resistor R200, and the fifth pin is connected with the power supply end through the resistor R300. Wherein, the resistor R100, the resistor R200 and the resistor R300 can be selected to be a large resistor of 2.2k Ω.
During initialization, the microprocessor reads pin information acquired by the GPIO interface and pin information of the same pin acquired by the AD interface at regular time, compares the pin information acquired by the GPIO interface with the pin information of the same pin acquired by the AD interface, and determines that the pin information of the pin is acquired through the GPIO interface or the AD interface when the shuttle flying knob is used according to a comparison result.
In the above embodiment, the GPIO interface and the AD interface are used to obtain pin information of the same pin of the shuttle knob at the same time, the pin information obtained by the AD interface is used to determine whether the pin information obtained by the GPIO interface is correct, and it is determined according to the determination result whether to obtain the output state of the shuttle knob by using the GPIO interface or obtain the output state of the shuttle knob by using the AD interface. The technical problem that in the prior art, the output voltage value changes due to different types and specifications of the shuttle flying knob or the deterioration of hardware, so that program misjudgment is caused is solved, the reliability of the hardware is improved, and the service life is prolonged.
Specifically, during initialization, the microprocessor reads pin information acquired by the GPIO interface and pin information of the same pin acquired by the AD interface at regular time, compares the pin information acquired by the GPIO interface with the pin information of the same pin acquired by the AD interface, and determines that the pin information of the pin is acquired through the GPIO interface when the shuttle flying knob 100 is used if the comparison result indicates that the pin information acquired by the GPIO interface and the pin information acquired by the AD interface are the same for the preset number of times, or else acquires the pin information of the pin through the AD interface.
In the embodiment, whether the pin states (0 and 1) of the shuttle flying knob can be correctly read by the GPIO is judged by using the pin information acquired by the AD interface, if the GPIO is correct, the GPIO is used to close the AD interface, and the GPIO interface is fast to read and has low power consumption, so that the time of a main program and the power consumption can be reduced. And if the GPIO interface is incorrect, the AD interface is used to close the GPIO interface. The output state of the shuttle knob is judged by reading the AD value. Therefore, the problem that in the prior art, the output voltage value changes due to different types and specifications of the shuttle flying knob or the deterioration of hardware, so that program misjudgment is caused can be solved. The reliability and the service life of hardware are improved.
When the pin information of the pin is acquired through the AD interface, comparing a voltage value corresponding to the pin information of the pin acquired through the AD interface with a threshold voltage, and when the voltage value is higher than the threshold voltage value, determining that the output of the shuttle flying knob is a high level, otherwise, determining that the output is a low level. The voltage value of the threshold voltage may be one half of the power supply voltage. In this embodiment, the power supply voltage is 3.3V, and the threshold voltage is set to 3.3V/2 — 1.65V.
And the microprocessor judges whether the shuttle flying knob is in a pressing state according to the pin information of the third pin, and judges the rotating direction and the rotating speed of the shuttle flying knob according to the pin information of the fourth pin and the pin information of the fifth pin.
During initialization, the microprocessor regularly acquires third pin information through a first GPIO (GPIO1) and a first AD (analog-to-digital) interface (AD1), compares the third pin information acquired by the first GPIO interface with the third pin information acquired by the first AD interface, determines that the pin information of the third pin is acquired through the first GPIO interface when the shuttle flying knob is used if the pin information acquired by the first GPIO interface and the third pin information acquired by the first AD interface are the same for a preset number of times, and closes the first AD interface, otherwise, acquires the pin information of the third pin through the first AD interface and closes the first GPIO interface;
during initialization, the microprocessor acquires fourth pin information at regular time through a second GPIO interface (GPIO2) and a second AD interface (AD2), compares the fourth pin information acquired through the second GPIO interface with the fourth pin information acquired through the second AD interface, determines that the pin information of the fourth pin is acquired through the second GPIO interface when the flying shuttle knob is used if the pin information acquired through the second GPIO interface and the fourth pin information acquired through the second AD interface are the same for a preset number of times, and closes the second AD interface, otherwise, acquires the pin information of the fourth pin through the second AD interface and closes the second GPIO interface.
During initialization, the microprocessor acquires fifth pin information at regular time through a third GPIO interface (GPIO3) and a third AD interface (AD3), compares the fifth pin information acquired by the third GPIO interface with the fifth pin information acquired by the third AD interface, determines that the pin information of the fifth pin is acquired through the third GPIO interface when the shuttle flying knob is used if the pin information acquired by the third GPIO interface and the pin information acquired by the third AD interface are the same for a preset number of times, and closes the third AD interface, otherwise, acquires the pin information of the fifth pin through the third AD interface and closes the third GPIO interface.
Specifically, as shown in fig. 2, three GPIO interfaces of STM32 are used to connect pins 3(PUSHBUTTON), 4(OUTPUT a), and 5(OUTPUT B) of the shuttle knob, respectively; and meanwhile, three AD interfaces of the STM32 are used for connecting threepins 3, 4 and 5 of the shuttle flying knob and performing pull-up protection. Namely, one GPIO and one AD interface are simultaneously connected with one pin of the shuttle flying knob, and the total number of the pins is three. And determining the threshold voltage of the AD interface, namely judging that the output of the shuttle flying knob is high level when the AD value exceeds the threshold voltage, and otherwise, judging that the output of the shuttle flying knob is low level. In this embodiment, a 3.3V power supply is used, and a large-resistance resistor is used for dividing, and it is approximately considered that all the voltage is divided equally on the interface, so the threshold voltage is set to 3.3V/2-1.65V, which is half of the maximum voltage value of the actual interface, determined according to the power supply voltage and the dividing manner of the actual circuit.
The flying shuttle knob key interface is realized as follows:
a) the pin information of the 3 Pin (PUSHBUTTON) is read at regular time through the GPIO interface of STM32 to know whether the user presses the knob at the moment. The state is not pressed when the high level is high, the state is pressed when the low level is low, and the state of the recording interface isGPIO 3;
b) the voltage of the 3 Pin (PUSHBUTTON) is read in a timing mode through an AD interface of the STM32, and whether a user presses a knob at the moment is known. When the voltage exceeds the threshold voltage, no pressing is carried out, when the voltage is lower than the threshold voltage, the threshold voltage is in a pressing state, and the state of the recording interface isAD 3.
The above procedure is timed to be the same timer, a) and b) are performed once per timer trigger, andGPIOs 3 and AD3 are recorded.
By comparing the two recorded values GPIO3 and AD3, if the two recorded values are the same for 100 times continuously, the GPIO interface is correct, the GPIO interface is used, the AD interface is closed, namely the GPIO interface is subsequently used to acquire 3-pin information; if the two are different in 100 continuous times, the GPIO interface is wrong, the AD interface is used, the GPIO interface is closed, and the 3-pin information is acquired by the AD interface subsequently.
The flying shuttle knob rotary interface is realized as follows:
a) the pin information of the 4 pin (OUTPUT a) and the 5 pin (OUTPUT B) is read at regular time through the GPIO interface of the STM32, and the position information of the knob at that time is judged and recorded. The rotation direction of the knob by the user is obtained by comparing the change of the external information twice. The speed of the user rotation is known by the time interval of the position change. The recording interface states are GPIO4 andGPIO 5.
b) Through the AD interface of STM32, the voltage values of the 4 pin (OUTPUT A) and the 5 pin (OUTPUT B) are read at regular time and time, compared with the threshold voltage, and the position information of the knob at the moment is judged and recorded. The rotation direction of the knob by the user is obtained by comparing the change of the external information twice. The speed of the user rotation is known by the time interval of the position change. The recording interface states are AD4,AD 5.
The above procedure is timed to be the same timer, a) and b) are performed once for each timer trigger, and GPIO4, GPIO5 and AD4, AD5 are recorded.
Comparing two recorded values, namely GPIO4, GPIO5, AD4 and AD5, wherein if the two recorded values are the same for 100 times (GPIO4 is AD4, and GPIO5 is AD5), the GPIO interface is free of errors, the AD interface is closed by using the GPIO interface, namely the pin information of 4 pins and 5 pins is acquired by using the GPIO interface subsequently; if the two are different in 100 continuous times, the GPIO interface is wrong, the AD interface is used, the GPIO interface is closed, and therefore pin information of the 4 pins and the 5 pins is obtained through the AD interface subsequently.
When the button is pressed, the voltage of the 3 pin is also pulled to be low because the 2 pin is grounded. That is,pin 3 is high when not pressed and low when pressed.
The embedded software program in STM32 would periodically (e.g., 5ms period) read output a and output B of the shuttle knob.
And recording the current position code, comparing the current position code with the last position code, and rotating the shuttle if the position code changes.
If the change is: one of the codes 0- >1- >3- >2- >0, namely, the shuttle rotates one lattice clockwise (increment).
The time taken for the shuttle to rotate clockwise one grid (timing times 5ms) is calculated, the larger the value, the slower the shuttle rotates, and the smaller the value, the faster the shuttle rotates.
If the change is: one of the codes 0- >2- >3- >1- >0, namely, the shuttle rotates counterclockwise (increment) by one lattice. The velocity is calculated in the same manner as in the clockwise case.
The embedded software in the STM32 main processor reads the information of the shuttle knob at regular time through the above-mentioned key interface 3(PUSHBUTTON) and the rotary interfaces 4(OUTPUT a) and 5(OUTPUT B), completes the information processing in the main processing program, and obtains whether the user presses a key, rotates direction and rotates speed. Through deburring processing, optimize user's single button information to according to the rotation speed of difference, provide the numerical value change of equidimension not, make the user change and control numerical value class information conveniently.
In the embodiment of the invention, the first touch screen and the second touch screen can adopt a five-wire touch screen, and the control principle of the five-wire touch screen is as follows.
Five lines of the five-line touch screen are respectively connected with four corners (1, 2, 4 and 5) and a central position (3) of the touch screen. The voltages of the four corners are controlled to be high level or low level, when the touch screen is pressed, a voltage value can be obtained from the central position, and the voltage value changes along with the change of the pressing position.
For example, two corners (4, 5) on the left side of the screen are grounded, two corners (1, 2) on the right side are high voltage, and the voltage value obtained by the center position (3) can represent the abscissa (X) of the pressing position. And setting two corners (1, 4) on the upper side of the screen as grounding, setting two corners (2, 5) on the lower side of the screen as high voltage, wherein the voltage value obtained by the central position (3) can represent the ordinate (Y) of the pressing position. The pressed position coordinates X, Y can be obtained.
The microprocessor controls the state controlled by the first touch screen through a GPIO interface, reads the voltage value of the first touch screen through an AD interface, and specifically comprises:
the microprocessor configures a measurement mode for the first touch screen interface circuit through a GPIO interface, so that the first touch screen is in a corresponding measurement state; the measurement mode comprises an X measurement mode and a Y measurement mode; and in the corresponding measurement state, the microprocessor respectively reads the voltage value of the first touch screen in the corresponding measurement state through an AD interface, and determines the X coordinate and the Y coordinate of the touch point according to the voltage value in the corresponding state.
In the above embodiment, the GPIO interface of the microprocessor is operated to completely control the first touch screen via the first touch screen interface circuit, and the voltage output value of the first touch screen can be obtained in real time by reading the AD interface, and both the interfaces have fast response speeds, so that the microprocessor has good real-time performance and fast response speed in human-computer interaction with the touch screen, and occupies few resources of the microprocessor.
The microprocessor controls the state of the second touch screen and reads the voltage value of the second touch screen through an SPI interface, and the method specifically comprises the following steps: the microprocessor carries out measurement mode configuration on the second touch screen interface circuit through the SPI interface, so that the second touch screen is in a corresponding measurement state; the measurement mode comprises an X measurement mode and a Y measurement mode; and in the corresponding measurement state, the microprocessor respectively reads the voltage value of the second touch screen in the corresponding measurement state through an SPI (serial peripheral interface), and determines the X coordinate and the Y coordinate of the touch point according to the voltage value in the corresponding state.
In the above embodiment, the microprocessor directly controls the first touch screen interface circuit through the SPI interface to indirectly control the second touch screen, so that the circuit design related to the microprocessor is simplified, the program logic of the microprocessor in the human-computer interaction of the touch screen is simplified, and the integration and development of software and hardware are facilitated.
The microprocessor also controls the first touch screen and the second touch screen to be in a screen calibration mode through the first touch screen interface circuit and the second touch screen interface circuit respectively, obtains screen voltage values when a user touches three preset fixed points of the screen, calculates a correction coefficient of the touch screen through a correction algorithm according to the screen voltage values, and calibrates the touch screen according to the correction coefficient.
In the above embodiment, through the screen calibration mode, the user touches three preset fixed points of the screen, and the touch screen calibration coefficient is calculated through the calibration algorithm to calibrate the touch screen. The subsequent measured values are corrected by the correction coefficient, so that the microprocessor obtains more accurate position information of the user touch point.
The first touch screen interface circuit comprises a GPIO interface circuit, an AD interface circuit and a second plug-in connector; the GPIO interface of the microprocessor is connected with the GPIO interface circuit, the AD interface of the microprocessor is connected with the AD interface circuit, the GPIO interface circuit and the AD interface circuit are both connected with the first plug connector, and the second plug connector is connected with the first touch screen.
In the above embodiment, the GPIO interface of the microprocessor is connected to the GPIO interface circuit to control the first touch screen, and the AD interface of the microprocessor is connected to the AD interface circuit to read the voltage value of the first touch screen.
Alternatively, in one embodiment, the first touch screen may be a five-wire touch screen. As shown in fig. 3, the GPIO interface circuits include a first GPIO interface circuit, a second GPIO interface circuit, a third GPIO interface circuit, a fourth GPIO interface circuit, and a fifth GPIO interface circuit; the first GPIO interface circuit, the second GPIO interface circuit, the fourth GPIO interface circuit and the fifth GPIO interface circuit have the same circuit structure and are respectively connected with the first pin, the second pin, the fourth pin and the fifth pin of the second plug-in connector; the third GPIO interface circuit is connected with a third pin of the first plug-in connector; and five pins of the second plug-in connector are respectively connected with corresponding pins of the first touch screen.
The circuit structures of the first GPIO interface circuit, the second GPIO interface circuit, the fourth GPIO interface circuit and the fifth GPIO interface circuit comprise: the circuit comprises a first resistor R1, a second resistor R2, a third resistor R3, a fourth resistor R4, a fifth resistor R5, a sixth resistor R6, a first triode T1 and a second triode T2; one end of the first resistor R1 is connected with a GPIO interface of the microprocessor, and the other end of the first resistor R1 is connected with a base electrode of the first triode T1; one end of the second resistor R2 is connected with a GPIO interface of the microprocessor, and the other end of the second resistor R2 is connected with a base electrode of the second triode T2; one end of the third resistor R3 is grounded, the other end of the third resistor R3 is connected with the base electrode of the second triode T2, the emitter electrode of the second triode T2 is grounded, the collector electrode of the second triode T2 is connected with the collector electrode of the first triode T1 through a fourth resistor R4 and a fifth resistor R5 which are connected in series, and the emitter electrode of the first triode T1 is connected with a power supply end; the base electrode of the first triode T1 is connected with a power supply end through the sixth resistor R6; the common end of the fourth resistor R4 and the fifth resistor R5 is connected with a GPIO interface of the microprocessor and is connected with a corresponding pin of the second connector X2.
The third GPIO interface circuit comprises: a seventh resistor R7, an eighth resistor R8, a ninth resistor R9, a tenth resistor R10 and a third triode T3; one end of the seventh resistor R7 is connected to a GPIO interface of the microprocessor, the other end of the seventh resistor R7 is connected to a base of the third transistor T3, a collector of the third transistor T3 is connected to a power supply terminal through an eighth resistor R8 and a ninth resistor R9 which are connected in series, an emitter of the third transistor T3 is connected to the power supply terminal, and the base is connected to the power supply terminal through the tenth resistor R10; the common end of the eighth resistor R8 and the ninth resistor R9 is connected with a GPIO interface of the microprocessor and is connected with the third pin of the second connector X2.
Optionally, in an embodiment, as shown in fig. 3, the AD interface circuit includes a first AD interface circuit and a second AD interface circuit, the first AD interface circuit is connected to the third pin of the first jack, and the second AD interface circuit is connected to the fifth pin of the second jack.
The first AD interface circuit includes: a first operational amplifier U1, an eleventh resistor R11, a twelfth resistor R12, a thirteenth resistor R13 and a first unidirectional diode D1; a positive input end of the first operational amplifier U1 is connected to the third pin of the second connector X2, a negative input end thereof is connected to an output end, an output end thereof is connected to one end of the eleventh resistor R11, the other end of the eleventh resistor R11 is connected to a negative electrode of the first unidirectional diode D1, an anode of the first unidirectional diode D1 is grounded, and the other end of the eleventh resistor R11 is grounded through a twelfth resistor R12 and a thirteenth resistor R13 which are connected in series; and the common end of the twelfth resistor R12 and the thirteenth resistor R13 is connected with the AD interface of the microprocessor.
The second interface circuit includes: a second operational amplifier U2, a fourteenth resistor R14, a fifteenth resistor R15, a sixteenth resistor R16, a seventeenth resistor R17, an eighteenth resistor R18 and a second unidirectional diode D2; the positive input end of the second operational amplifier U2 is connected to the fifth pin of the second connector X2, the negative input end of the second operational amplifier U2 is grounded through the fourteenth resistor R14, the fifteenth resistor R15 is connected to the output end of the second operational amplifier U8925, the output end of the second operational amplifier U2 is connected to one end of the sixteenth resistor R16, the other end of the sixteenth resistor R16 is connected to the negative electrode of the second unidirectional diode D2, the positive electrode of the second unidirectional diode D2 is grounded, the other end of the sixteenth resistor R16 is grounded through the seventeenth resistor R17 and the eighteenth resistor R18 which are connected in series, and the common end of the seventeenth resistor R17 and the eighteenth resistor R18 is connected to the AD interface of the.
In fig. 3, the GPIO interface is as follows:
TCH-/RTH _5, TCH-RTL _5 and TCH-RT are all connected with GPIO pins of the STM32, the STM32 controls a1 pin of the second plug-in connector X2 by simultaneously controlling the TCH-/RTH _5, the TCH-RTL _5 and the TCH-RT, and the 1 pin of the second plug-in connector X2 is connected with the 1 line of the first touch screen.
TCH-/RLH _5, TCH-RLL _5 and TCH-RL are all connected with GPIO pins of the STM32, the STM32 controls 2 pins of the second plug-in connector X2 by controlling the TCH-/RLH _5, the TCH-RLL _5 and the TCH-RL simultaneously, and the 2 pins of the second plug-in connector X2 are connected with 2 lines of the first touch screen.
TCH-/SGH _5, TCH-SG are both connected with GPIO pins of STM32, STM32 controls 3 pins of a second plug-in connector X2 by controlling the two simultaneously, and 3 pins of a second plug-in connector X2 are connected with 3 lines of the first touch screen.
TCH-/LTH _5, TCH-LTL _5 and TCH-LT are all connected with GPIO pins of the STM32, the STM32 controls 4 pins of the second plug-in connector X2 by controlling the TCH-/LTH _5, the TCH-LTL _5 and the TCH-LT simultaneously, and the 4 pins of the second plug-in connector X2 are connected with 4 lines of the first touch screen.
TCH-/LLH _5, TCH-LLL _5 and TCH-LL are all connected with GPIO pins of the STM32, the STM32 controls 5 pins of the second plug-in connector X2 by simultaneously controlling the three pins, and the 5 pin of the second plug-in connector X2 is connected with 5 lines of the first touch screen.
Optionally, in an embodiment, as shown in fig. 4, the second touch screen interface circuit includes an ADS7845 touch screen control chip, a current limiting protection circuit, a voltage stabilizing filter circuit, a voltage dividing protection circuit, and a third connector; the SPI interface of the microprocessor is connected with the ADS7845 touch screen control chip, the ADS7845 touch screen control chip is connected with the third plug-in connector X3, and the third plug-in connector X3 is connected with the second touch screen; the ADS7845 touch screen control chip is connected with a voltage stabilizing and filtering circuit between power supply ends, and the current limiting protection circuit is connected with the ADS7845 touch screen control chip; and an interrupt signal pin of the ADS7845 touch screen control chip is connected with an interrupt signal receiving pin of the microprocessor through the voltage division protection circuit.
The voltage stabilizing filter circuit comprises an inductor L, a first capacitor C1, a second capacitor C2, a third capacitor C3, a fourth capacitor C4 and a fifth capacitor C5, one end of the inductor is connected with a power supply end, the other end of the inductor is connected with a power supply input pin of an ADS7845 touch screen control chip, one end of the first capacitor C1 is connected with the power supply end, the other end of the first capacitor C1 is grounded, the second capacitor C2, the third capacitor C3, the fourth capacitor C4 and the fifth capacitor C5 are connected in parallel, a first common end is connected with the power supply input pin of the ADS7845 touch screen control chip, and a second common end is grounded.
The current-limiting protection circuit comprises a nineteenth resistor R19, a twentieth resistor R20, a twenty-first resistor R21, a twenty-second resistor R22 and a twenty-third resistor R23, wherein one ends of the nineteenth resistor R19, the twentieth resistor R20, the twenty-first resistor R21 and the twenty-second resistor R22 are connected with a power supply end, and the other ends of the nineteenth resistor R19, the twentieth resistor R20, the twenty-first resistor R21 and the twenty-second resistor R22 are respectively connected with connecting lines between pins of the ADS 7845; and one end of the twenty-third resistor R23 is grounded, the other end of the twenty-third resistor R23 is connected with an enabling pin of the ADS7845 touch screen control chip, and the enabling pin is connected with the SPI interface of the microprocessing.
Specifically, the nineteenth resistor R19 is connected to a DCLK pin of the ADS7845 touch screen control chip, and the DCLK pin is connected to an SPI interface of the microprocessor; the twentieth resistor R20 is connected with a DIN pin of the ADS7845 touch screen control chip, and the DIN pin is connected with an SPI interface of the microprocessor; the twenty-first resistor R21 is connected with a DOUT pin of the ADS7845 touch screen control chip, and the DOUT pin is connected with an SPI interface of the microprocessor; twenty-second resistor R22 is connected with ADS7845 touch screen control chip's BUSY pin, and the SPI interface of microprocessor is connected to the BUSY pin.
The voltage division protection circuit comprises a twenty-fourth resistor R24 and a twenty-fifth resistor R25, an interrupt signal pin of the ADS7845 touch screen control chip is connected with an interrupt signal receiving pin of the microprocessor through a twenty-fourth resistor R24, one end of the twenty-fifth resistor R25 is connected with a power supply end, and the other end of the twenty-fifth resistor R25 is connected with the interrupt signal receiving pin of the microprocessor.
In the above embodiment, the ADS7845 touch screen control chip is configured to implement control and information interaction of the microprocessor chip on the second touch screen.
The display and control terminal of the breathing machine provided by the embodiment of the invention realizes the function based on double-screen touch, can be matched with double display screens for use, and can quickly and flexibly realize multifunctional expansion and perfect upgrading. The market application range of the embedded software platform double touch screens is expanded, and the embedded software platform double touch screens have good social and economic effects.
Optionally, in an embodiment, the microprocessor controls the first display screen through an IIC interface and controls the second display screen through a UART interface, including:
the microprocessor configures a first display screen interface circuit through an IIC interface according to the parameters of the first display screen, so that the microprocessor controls the first display screen through the first display screen interface circuit; and the microprocessor configures the second display screen interface circuit through the UART interface according to the parameters of the second display screen, so that the microprocessor controls the second display screen through the second display screen interface circuit.
Specifically, the microprocessor may include parameters such as screen size (e.g., 800X600), refresh rate (e.g., 60Hz), line synchronization, field synchronization, etc., according to the configuration of the first display screen interface circuit via the IIC interface.
In the embodiment, microprocessor independently controls two display screens respectively through two kinds of hardware control interfaces, has effectively avoided the quantity restriction problem of the same type interface of STM32 chip, and the function extension and the upgrading of software in the STM32 of being convenient for can effectively support a tractor serves two-purpose simultaneously completely independent control mode simultaneously.
Optionally, in an embodiment, the microprocessor performs data interaction with the first display screen through the DSI interface and performs data interaction with the second display screen through the UART interface, and the method includes:
a first display memory area and a second display memory area are divided in the microprocessor; transmitting data in the first display memory to a first display screen through a first display screen interface circuit in real time by using a DSI (digital subscriber interface); transmitting data in a second display memory to a second display screen through a second display screen interface circuit in real time by utilizing a UART interface; and the main program in the microprocessor updates the display pictures of the first display screen and the second display screen in real time in a memory writing and displaying mode.
In the embodiment, the data interfaces of the two display screens are different in type and completely independent, so that the problem of limitation of the number of the interfaces of the same type of the STM32 chip is effectively solved; the storage area of the display content is divided independently, so that software in STM32 can independently control display pictures in two display screens, the two display screens can display completely different contents simultaneously, the function expansion and the upgrading of the software in STM32 are facilitated, and a machine dual-purpose function can be effectively supported.
Optionally, in an embodiment, as shown in fig. 5 and fig. 6, the first display screen interface circuit employs an SN65DSI display control chip, and the SN65DSI display control chip is connected to the first display screen through an LVDS interface; the second display screen interface circuit adopts an H600 display control chip, and the H600 display control chip is connected with the second display screen through an LVDS interface.
Specifically, as shown in fig. 5, the DSI interface of STM32 is connected to the DAOP pin, DAON pin, DA1P pin, DA1N pin, DACP pin, DACN pin, and EN pin of the SN65DSI display control chip, respectively; the IIC interface of the STM32 is respectively connected with the SCL pin and the SDA pin of the SN65DSI display control chip. The REFCLK pin of the SN65DSI display control chip is grounded through a first resistor R1, the ADDR pin is grounded through a second resistor R2, the VCORE pin is grounded through a first capacitor C1, the A _ YOP pin, the A _ YON pin, the A _ Y1P pin, the A _ Y1N pin, the A _ Y2P pin, the A _ Y2N pin, the A _ Y3P pin, the A _ Y3N pin, the A _ CLKP pin and the A _ CLKN pin are respectively connected with corresponding pins of the first display screen.
Specifically, as shown in fig. 6, the UART interface of the STM32 is connected to the TXD0 pin, RXD0 pin, BUSY pin, and BAUDRATE pin of the H600 display control chip, and the YOP pin, YON pin, Y1P pin, Y1N pin, Y2P pin, Y2N pin, Y3P pin, Y3N pin, CLKOUTP pin, and CLKOUTN pin of the H600 display control chip are connected to corresponding pins of the second display screen, respectively.
The respirator display and control terminal provided by the embodiment of the invention realizes the double-screen display function, can quickly and flexibly realize the expansion and upgrade perfection of multifunctional display, expands the market application range of embedded software platform double display, and has good social and economic effects.
Optionally, in an embodiment, as shown in fig. 1, the microprocessor is connected to the LED lamp set through a GPIO interface, connected to the buzzer through a PWM interface, and connected to the lower computer through a UART interface and the GPIO interface. The LED lamp group is controlled by the STM32 chip through a group of GPIO interfaces, and necessary indication information is provided through modes of flickering, normally on or normally off and the like of different LED lamps. The buzzer is controlled by an STM32 chip through a PWM interface, and different alarm information is provided through the switching of the buzzer and the sound frequency. The lower computer is connected with the lower computer through the UART interface and the GPIO interface, the lower computer is a control terminal of the breathing machine, transmits the operation information of the user to the lower computer and receives the relevant information of the whole breathing machine collected by the lower computer. And finally, the information is provided for users in modes of display, LED lamp indication or buzzer alarm and the like.
In the above embodiment, the microprocessor receives the hardware interface information of the shuttle knob, and acquires the direction and the rotation speed of the shuttle knob rotated by the user, and information such as whether to press a key; and receiving hardware interface information of the touch screen, and acquiring information such as whether the user clicks the touch screen, a clicking position, clicking times and the like. And packaging all the interface driving software into a function library, and embedding the function library into control software of a display control terminal of the breathing machine. And encapsulating hardware control and information interaction software into a hardware interface driving function library. The software interface is provided for external control and receiving information of all hardware interfaces and internal connection with the main processing program in the mode of register or memory. The microprocessor of the display and control terminal of the respirator is embedded with software, an interface drive function library formed by packaging is used for controlling and interacting information of all hardware interfaces, the man-machine interaction function is completed in a main processing program, the main processing program is communicated with a lower computer of the respirator, and other parts of the respirator are controlled through the lower computer of the respirator, so that the function of the whole respirator is completed.
In the embodiment of the invention, an STM32 chip is adopted, the peripheral interfaces of the display control terminal of the breathing machine are designed, a first touch screen interface circuit adopts a five-wire control circuit, a second touch screen interface circuit adopts an ADS7845 chip, a first display screen interface circuit adopts an SN65DSI chip, a second display screen interface circuit adopts an H600 chip, and various interface circuits are connected with different interfaces of a microprocessor, so that the problem of limitation of the number of the same type of interfaces of the microprocessor is effectively solved, two complete and independent human-computer interaction systems of the display control terminal are formed, the limitation of the application scene of the breathing machine is solved, and the user experience and the economic value of the breathing machine are improved.
The above description is only for the purpose of illustrating the preferred embodiments of the present invention and is not to be construed as limiting the invention, and any modifications, equivalents, improvements and the like that fall within the spirit and principle of the present invention are intended to be included therein.

Claims (10)

2. The display and control terminal of the breathing machine as claimed in claim 1, wherein the first flying shuttle knob interface circuit and the second flying shuttle knob interface circuit have the same circuit structure, and comprise a first plug-in connector and a current-limiting protection circuit, the first plug-in connector comprises six pins, the six pins are respectively connected with the six pins of the flying shuttle knob, and the first pin and the second pin of the first plug-in connector are grounded; the third pin, the fourth pin and the fifth pin are respectively connected with a group of GPIO interfaces of the microprocessor and a combined interface of an AD interface; the sixth pin is connected with a power supply end; one end of the current-limiting protection circuit is connected with a power supply end, and the other end of the current-limiting protection circuit is connected with a connecting line between the microprocessor and the first plug-in connector.
5. The display and control terminal of claim 4, wherein the circuit structures of the first GPIO interface circuit, the second GPIO interface circuit, the fourth GPIO interface circuit and the fifth GPIO interface circuit comprise: the circuit comprises a first resistor, a second resistor, a third resistor, a fourth resistor, a fifth resistor, a sixth resistor, a first triode and a second triode; one end of the first resistor is connected with a GPIO interface of the microprocessor, and the other end of the first resistor is connected with a base electrode of the first triode; one end of the second resistor is connected with the GPIO interface of the microprocessor, and the other end of the second resistor is connected with the base electrode of the second triode; one end of the third resistor is grounded, the other end of the third resistor is connected with the base electrode of the second triode, the emitting electrode of the second triode is grounded, the collecting electrode of the second triode is connected with the collecting electrode of the first triode through a fourth resistor and a fifth resistor which are connected in series, and the emitting electrode of the first triode is connected with a power supply end; the base electrode of the first triode is connected with a power supply end through the sixth resistor; and the common end of the fourth resistor and the fifth resistor is connected with a GPIO interface of the microprocessor and is connected with a corresponding pin of the second plug-in connector.
6. The display and control terminal of claim 4, wherein the third GPIO interface circuit comprises: a seventh resistor, an eighth resistor, a ninth resistor, a tenth resistor and a third triode; one end of the seventh resistor is connected with the GPIO interface of the microprocessor, the other end of the seventh resistor is connected with the base electrode of the third triode, the collector electrode of the third triode is connected with a power supply end through an eighth resistor and a ninth resistor which are connected in series, the emitter electrode of the third triode is connected with the power supply end, and the base electrode of the third triode is connected with the power supply end through the tenth resistor; and the common end of the eighth resistor and the ninth resistor is connected with the GPIO interface of the microprocessor and is connected with the third pin of the second plug-in connector.
the first AD interface circuit includes: the circuit comprises a first operational amplifier, an eleventh resistor, a twelfth resistor, a thirteenth resistor and a first one-way diode; the positive input end of the first operational amplifier is connected with the third pin of the second connector, the negative input end of the first operational amplifier is connected with the output end, the output end of the first operational amplifier is connected with one end of the eleventh resistor, the other end of the eleventh resistor is connected with the negative electrode of the first unidirectional diode, the positive electrode of the first unidirectional diode is grounded, and the other end of the eleventh resistor is grounded through the twelfth resistor and the thirteenth resistor which are connected in series; the common end of the twelfth resistor and the thirteenth resistor is connected with the AD interface of the microprocessor;
the second interface circuit includes: the second operational amplifier, a fourteenth resistor, a fifteenth resistor, a sixteenth resistor, a seventeenth resistor, an eighteenth resistor and a second unidirectional diode; the positive input end of the second operational amplifier is connected with the fifth pin of the second connector, the negative input end of the second operational amplifier is connected with the ground of the fourteenth resistor and is connected with the output end of the fifteenth resistor, the output end of the second operational amplifier is connected with one end of the sixteenth resistor, the other end of the sixteenth resistor is connected with the negative electrode of the second one-way diode, the negative electrode of the second one-way diode is connected with the ground of the second one-way diode, the other end of the sixteenth resistor is connected with the ground of the seventeenth resistor and the eighteenth resistor which are connected in series, and the common end of the seventeenth resistor and the eighteenth resistor.
CN202010461748.7A2020-05-272020-05-27Breathing machine shows accuse terminalPendingCN111588955A (en)

Priority Applications (1)

Application NumberPriority DateFiling DateTitle
CN202010461748.7ACN111588955A (en)2020-05-272020-05-27Breathing machine shows accuse terminal

Applications Claiming Priority (1)

Application NumberPriority DateFiling DateTitle
CN202010461748.7ACN111588955A (en)2020-05-272020-05-27Breathing machine shows accuse terminal

Publications (1)

Publication NumberPublication Date
CN111588955Atrue CN111588955A (en)2020-08-28

Family

ID=72187835

Family Applications (1)

Application NumberTitlePriority DateFiling Date
CN202010461748.7APendingCN111588955A (en)2020-05-272020-05-27Breathing machine shows accuse terminal

Country Status (1)

CountryLink
CN (1)CN111588955A (en)

Citations (7)

* Cited by examiner, † Cited by third party
Publication numberPriority datePublication dateAssigneeTitle
CN1035245A (en)*1989-02-241989-09-06航天工业部第二研究院第四总体设计部The microcomputerized controller of respirator
CN201519339U (en)*2009-03-102010-07-07中山大学 Critical care and infusion control diagnosis and treatment integrated system
WO2012068811A1 (en)*2010-11-232012-05-31中兴通讯股份有限公司Online terminal
CN102782459A (en)*2009-09-112012-11-14诺沃迪吉特公司Method and system for controlling a user interface of a device using human breath
CN203710499U (en)*2014-01-262014-07-16郜向阳Pneumatic respirator special for infants
CN207946676U (en)*2018-03-152018-10-09顾金国The weightless scale control system of high integration
CN208591038U (en)*2017-12-292019-03-12天津市普瑞仪器有限公司A kind of cross-platform medical aid unit

Patent Citations (7)

* Cited by examiner, † Cited by third party
Publication numberPriority datePublication dateAssigneeTitle
CN1035245A (en)*1989-02-241989-09-06航天工业部第二研究院第四总体设计部The microcomputerized controller of respirator
CN201519339U (en)*2009-03-102010-07-07中山大学 Critical care and infusion control diagnosis and treatment integrated system
CN102782459A (en)*2009-09-112012-11-14诺沃迪吉特公司Method and system for controlling a user interface of a device using human breath
WO2012068811A1 (en)*2010-11-232012-05-31中兴通讯股份有限公司Online terminal
CN203710499U (en)*2014-01-262014-07-16郜向阳Pneumatic respirator special for infants
CN208591038U (en)*2017-12-292019-03-12天津市普瑞仪器有限公司A kind of cross-platform medical aid unit
CN207946676U (en)*2018-03-152018-10-09顾金国The weightless scale control system of high integration

Similar Documents

PublicationPublication DateTitle
US7577776B2 (en)Multiple virtual USB devices with virtual HUB implemented using one USB device controller
US6098146A (en)Intelligent backplane for collecting and reporting information in an SSA system
CN103092115B (en)Sensor transfer measurement and control system based on miniature universal serial bus (USB)
CN107576930B (en)power supply and relay status detection circuit and method
CN103453985A (en)Distribution type wireless luminous intensity measurement instrument
WO2019205201A1 (en)Method, apparatus and device for centralized collection of configurable data
US7127531B2 (en)System and method for processing computer I/O port post codes
CN114124071A (en)Open circuit detection method, circuit, device, electronic equipment and storage medium
CN105717833B (en)Intelligent environment protection number adopts instrument mainboard and working method
WO2021218403A1 (en)Data display method and apparatus, terminal device and storage medium
CN111588955A (en)Breathing machine shows accuse terminal
CN118605359A (en) Method and circuit for parameter setting and query of single-chip microcomputer controller with MODBUS-RTU slave protocol
CN109739677B (en)System for testing power-off protection based on NVME protocol
TW201327426A (en)Counter
CN111625146B (en)Electronic product with double touch screens
CN115885186B (en) Sensors, autonomous sensors, and related systems, methods, and devices
EP0303288B1 (en)Peripheral repeater box
CN212322079U (en)Parameter simulator
CN212322080U (en)Logging parameter simulator
CN208984106U (en)The serial absolute type encoder of servo drive system detects debugging apparatus
CN2643330Y (en)Digital cell with liquid crystal display
CN101082895A (en)Complicated circuit system universal bus
CN109560688A (en)Frequency converter keyboard universal processing method
CN222169784U (en)Multi-chip reset protection circuit
TW202125171A (en)Stylus, method and system for updating stylus setting

Legal Events

DateCodeTitleDescription
PB01Publication
PB01Publication
SE01Entry into force of request for substantive examination
SE01Entry into force of request for substantive examination
RJ01Rejection of invention patent application after publication

Application publication date:20200828

RJ01Rejection of invention patent application after publication

[8]ページ先頭

©2009-2025 Movatter.jp