
技术领域technical field
本发明涉及电路设计技术领域,尤其涉及一种接触器异常检测电路。The invention relates to the technical field of circuit design, in particular to a contactor abnormality detection circuit.
背景技术Background technique
随着新能源电动车不断涌现和推进,车上各个部件都需要有自己的保护手段,并且不能对其他设备造成损坏,从而保证整车的可靠性。其中高压电池部件的预充电路作为常见的限流保护电路,其可靠性直接影响到整车的可靠性。With the continuous emergence and advancement of new energy electric vehicles, each component on the vehicle needs to have its own means of protection, and cannot cause damage to other equipment, so as to ensure the reliability of the vehicle. Among them, the pre-charging circuit of high-voltage battery components is a common current-limiting protection circuit, and its reliability directly affects the reliability of the whole vehicle.
预充电路一般针对高压电池和用电设备,用电设备以电机控制器为例。高压电池系统通过自身的接触器给电机控制器供电,电机控制器在高压输入口放置预充回路,预充回路后端接有储能电容,该电容是为后端开关逆变电路提供缓冲电源。由于电容的存在,预充限流电路必须有效并且控制合理,否则在电池接触器闭合的瞬间,电池后端瞬间为短路状态,将产生很大的冲击电流,可能造成电池接触器粘连、烧保险等其他更严重的风险。The precharge circuit is generally aimed at high-voltage batteries and electrical equipment, and the electrical equipment takes the motor controller as an example. The high-voltage battery system supplies power to the motor controller through its own contactor. The motor controller places a pre-charge circuit at the high-voltage input port. The back end of the pre-charge circuit is connected with an energy storage capacitor, which provides buffer power for the back-end switching inverter circuit. . Due to the existence of the capacitor, the precharge current limiting circuit must be effective and reasonably controlled. Otherwise, at the moment when the battery contactor is closed, the back end of the battery will be in a short-circuit state, which will generate a large inrush current, which may cause the battery contactor to stick and burn the fuse. other more serious risks.
发明内容SUMMARY OF THE INVENTION
本发明所要解决的技术问题是:提供一种接触器异常检测电路,通过检测接触器异常,解决预充回路中接触器异常故障所导致的行车异常,提高电池系统的可靠性。The technical problem to be solved by the present invention is to provide a contactor abnormality detection circuit, which can solve the abnormal driving caused by the abnormal contactor failure in the precharge circuit by detecting the abnormality of the contactor, and improve the reliability of the battery system.
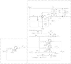
为了解决上述技术问题,本发明采用的技术方案为:一种接触器异常检测电路,设置于电动车的供电系统中,所述供电系统包括依次连接的供电电源、主接触器Re1和负载,所述接触器异常检测电路设置在主接触器Re1和负载之间,所述接触器异常检测电路包括控制器和相互并联连接的光耦U2、光耦U3、接触器Re2和接触器Re3,所述主接触器Re1的控制端、接触器Re2的控制端和接触器Re3的控制端分别受控于所述控制器,所述控制器的输入端分别与光耦U2的输出信号和光耦U3的输出信号电连接;In order to solve the above technical problems, the technical solution adopted in the present invention is as follows: a contactor abnormality detection circuit is arranged in a power supply system of an electric vehicle, and the power supply system includes a power supply, a main contactor Re1 and a load connected in sequence, so The contactor abnormality detection circuit is arranged between the main contactor Re1 and the load, and the contactor abnormality detection circuit includes a controller and an optocoupler U2, an optocoupler U3, a contactor Re2 and a contactor Re3 connected in parallel with each other. The control terminal of the main contactor Re1, the control terminal of the contactor Re2 and the control terminal of the contactor Re3 are controlled by the controller respectively, and the input terminals of the controller are respectively connected with the output signal of the optocoupler U2 and the output of the optocoupler U3. signal electrical connection;
所述控制器被配置为根据光耦U2的输出信号和光耦U3的输出信号,控制主接触器Re1、接触器Re2和接触器Re3的开合状态。The controller is configured to control the opening and closing states of the main contactor Re1, the contactor Re2 and the contactor Re3 according to the output signal of the optocoupler U2 and the output signal of the optocoupler U3.
本发明的有益效果在于:本发明提供的一种接触器异常检测电路,通过变压器产生3路隔离电源给接触器异常检测电路供电,控制器在预充回路工作过程中,实时采集接触器通断状态并反馈给电池系统和整车系统,一旦检测到接触器触点粘连或者异常不受控,则停止预充工作,确保整个系统不会因接触器异常而导致其他并发故障。The beneficial effects of the present invention are as follows: in the contactor abnormality detection circuit provided by the present invention, three isolated power sources are generated by the transformer to supply power to the contactor abnormality detection circuit, and the controller collects the on-off of the contactor in real time during the operation of the pre-charging circuit. The status is fed back to the battery system and the entire vehicle system. Once it is detected that the contactor contacts are stuck or abnormally out of control, the precharge work will be stopped to ensure that the entire system will not cause other concurrent failures due to the abnormal contactor.
附图说明Description of drawings
图1为本发明的一种接触器异常检测电路的电路连接示意图。FIG. 1 is a schematic diagram of circuit connection of a contactor abnormality detection circuit according to the present invention.
具体实施方式Detailed ways
为详细说明本发明的技术内容、所实现目的及效果,以下结合实施方式并配合附图予以说明。In order to describe in detail the technical content, achieved objects and effects of the present invention, the following descriptions are given with reference to the embodiments and the accompanying drawings.
请参照图1,本发明提供的一种接触器异常检测电路,设置于电动车的供电系统中,所述供电系统包括依次连接的供电电源、主接触器Re1和负载,所述接触器异常检测电路设置在主接触器Re1和负载之间,所述接触器异常检测电路包括控制器和相互并联连接的光耦U2、光耦U3、接触器Re2和接触器Re3,所述主接触器Re1的控制端、接触器Re2的控制端和接触器Re3的控制端分别受控于所述控制器,所述控制器的输入端分别与光耦U2的输出信号和光耦U3的输出信号电连接;Please refer to FIG. 1 , a contactor abnormality detection circuit provided by the present invention is provided in a power supply system of an electric vehicle. The power supply system includes a power supply, a main contactor Re1 and a load connected in sequence. The contactor abnormality detection circuit The circuit is arranged between the main contactor Re1 and the load, and the contactor abnormality detection circuit includes a controller and an optocoupler U2, an optocoupler U3, a contactor Re2 and a contactor Re3 connected in parallel with each other. The control terminal, the control terminal of the contactor Re2 and the control terminal of the contactor Re3 are controlled by the controller respectively, and the input terminals of the controller are respectively electrically connected with the output signal of the optocoupler U2 and the output signal of the optocoupler U3;
所述控制器被配置为根据光耦U2的输出信号和光耦U3的输出信号,控制主接触器Re1、接触器Re2和接触器Re3的开合状态。The controller is configured to control the opening and closing states of the main contactor Re1, the contactor Re2 and the contactor Re3 according to the output signal of the optocoupler U2 and the output signal of the optocoupler U3.
从上述描述可知,本发明的有益效果在于:控制器实时采集光耦U2和光耦U3的输出信号,根据采集的信号识别接触器的异常状况,从而检测预充回路故障,并通过控制主接触器Re1、接触器Re2和接触器Re3的通断状态,实时调整高压供电的通断和预充回路的通断,确保整个系统不会因预充回路中的接触器Re2和接触器Re3通断异常而导致其他并发故障。As can be seen from the above description, the beneficial effect of the present invention is that the controller collects the output signals of the optocoupler U2 and the optocoupler U3 in real time, identifies the abnormal condition of the contactor according to the collected signals, thereby detects the fault of the precharge circuit, and controls the main contactor by controlling The on-off status of Re1, contactor Re2 and contactor Re3, adjust the on-off of high-voltage power supply and the on-off of pre-charge circuit in real time, to ensure that the whole system will not be abnormal due to the on-off of contactor Re2 and contactor Re3 in the pre-charge circuit and cause other concurrent failures.
进一步的,所述光耦U2的第六引脚与5V电源电连接且所述光耦U2的第六引脚用于输出信号,所述光耦U2的第四引脚接地,所述光耦U2的第一引脚分别与第一路15V电源的正极、接触器Re2的第四引脚、接触器Re3的第四引脚、光耦U3的第一引脚、主接触器Re1的第三引脚以及第二路15V电源的正极电连接,所述光耦U2的第三引脚分别与第一路15V电源的负极、接触器Re2的第三引脚、接触器Re3的第三引脚、光耦U3的第三引脚以及第二路15V电源的负极电连接,所述光耦U3的第六引脚与第二路5V电源电连接且所述光耦U3的第六引脚用于输出信号,所述光耦U3的第四引脚接地。Further, the sixth pin of the optocoupler U2 is electrically connected to the 5V power supply, the sixth pin of the optocoupler U2 is used for outputting signals, the fourth pin of the optocoupler U2 is grounded, and the optocoupler U2 is grounded. The first pin of U2 is respectively connected with the positive pole of the first 15V power supply, the fourth pin of the contactor Re2, the fourth pin of the contactor Re3, the first pin of the optocoupler U3, and the third pin of the main contactor Re1. The pin and the positive pole of the second 15V power supply are electrically connected, and the third pin of the optocoupler U2 is respectively connected with the negative pole of the first 15V power supply, the third pin of the contactor Re2, and the third pin of the contactor Re3 , the third pin of the optocoupler U3 and the negative pole of the second 15V power supply are electrically connected, the sixth pin of the optocoupler U3 is electrically connected to the second 5V power supply and the sixth pin of the optocoupler U3 is used for For the output signal, the fourth pin of the optocoupler U3 is grounded.
从上述描述可知,光耦U2的第六引脚与第四引脚为光耦的副边,光耦U2的副边一端连接第一路5V电源并输出第一信号到控制器,光耦U2的副边另一端接地。光耦U2的第一引脚与第三引脚为光耦的主边,光耦U2的主边两端分别与第一路15V电源的正负极连接,并与接触器Re2、接触器Re3、光耦U3并联连接。光耦U3的第六引脚与第四引脚为光耦的副边,光耦U3的副边一端连接第二路5V电源并输出第二信号到控制器,光耦U3的副边另一端接地。光耦U3的第一引脚与第三引脚为光耦的主边,光耦U3的主边两端分别与第二路15V电源的正负极连接,并与接触器Re2、接触器Re3、光耦U2并联连接。It can be seen from the above description that the sixth pin and the fourth pin of the optocoupler U2 are the secondary side of the optocoupler. One end of the secondary side of the optocoupler U2 is connected to the first 5V power supply and outputs the first signal to the controller. The optocoupler U2 The other end of the secondary side is grounded. The first pin and the third pin of the optocoupler U2 are the main side of the optocoupler. The two ends of the main side of the optocoupler U2 are respectively connected to the positive and negative poles of the first 15V power supply, and are connected to the contactor Re2 and the contactor Re3. , The optocoupler U3 is connected in parallel. The sixth pin and the fourth pin of the optocoupler U3 are the secondary side of the optocoupler. One end of the secondary side of the optocoupler U3 is connected to the second 5V power supply and outputs the second signal to the controller. The other end of the secondary side of the optocoupler U3 ground. The first pin and the third pin of the optocoupler U3 are the main side of the optocoupler. The two ends of the main side of the optocoupler U3 are respectively connected to the positive and negative poles of the second 15V power supply, and are connected to the contactor Re2 and the contactor Re3. , The optocoupler U2 is connected in parallel.
进一步的,还包括电阻R5,所述接触器Re2的第三引脚通过电阻R5与所述接触器Re3的第三引脚电连接。Further, a resistor R5 is also included, and the third pin of the contactor Re2 is electrically connected to the third pin of the contactor Re3 through the resistor R5.
由上述描述可知,通过接触器Re2、接触器Re3和电阻R5之间的电连接组成了预充电路,电阻R5作为预充电阻作用在回路中,对预充电流的大小进行限制,避免后端电容C4瞬间短路,造成接触器粘连、烧保险等。It can be seen from the above description that the electrical connection between the contactor Re2, the contactor Re3 and the resistor R5 constitutes a precharge circuit, and the resistor R5 acts as a precharge resistor in the circuit to limit the size of the precharge current and avoid the back end. The capacitor C4 is short-circuited instantaneously, causing the contactor to stick and burn the fuse.
进一步的,还包括电容C4,所述光耦U2的第三引脚通过电容C4与供电电源的负极电连接。Further, a capacitor C4 is also included, and the third pin of the optocoupler U2 is electrically connected to the negative electrode of the power supply through the capacitor C4.
由上述描述可知,电容C4用作储能电容,该电容是为后端开关逆变电路提供缓冲电源。It can be seen from the above description that the capacitor C4 is used as an energy storage capacitor, and the capacitor is to provide a buffer power supply for the back-end switching inverter circuit.
进一步的,还包括熔断器F1,所述主接触器Re1的第三引脚通过熔断器F1分别与光耦U2的第一引脚、接触器Re2的第四引脚、接触器Re3的第四引脚和光耦U3的第一引脚电连接。Further, it also includes a fuse F1, and the third pin of the main contactor Re1 is respectively connected with the first pin of the optocoupler U2, the fourth pin of the contactor Re2, and the fourth pin of the contactor Re3 through the fuse F1. The pin is electrically connected to the first pin of the optocoupler U3.
由上述描述可知,熔断器通过主接触器Re1连接在供电电源的后端,防止供电电源输出的电流过大时,可能对电路上的器件造成损坏,从而及时断开电路,保护电源电路安全。It can be seen from the above description that the fuse is connected to the rear end of the power supply through the main contactor Re1 to prevent the device on the circuit from being damaged when the current output by the power supply is too large, so as to disconnect the circuit in time to protect the safety of the power supply circuit.
进一步的,还包括电阻R3、电阻R4、电阻R6和电阻R7;Further, it also includes resistor R3, resistor R4, resistor R6 and resistor R7;
所述光耦U2的第六引脚与电阻R3一端电连接,所述电阻R3另一端与5V电源电连接;The sixth pin of the optocoupler U2 is electrically connected to one end of the resistor R3, and the other end of the resistor R3 is electrically connected to the 5V power supply;
所述光耦U2的第一引脚与电阻R4一端电连接,所述电阻R4另一端与第一路15V电源的正极电连接;The first pin of the optocoupler U2 is electrically connected to one end of the resistor R4, and the other end of the resistor R4 is electrically connected to the positive electrode of the first 15V power supply;
所述光耦U3的第六引脚与电阻R7一端电连接,所述电阻R7另一端与5V电源电连接;The sixth pin of the optocoupler U3 is electrically connected to one end of the resistor R7, and the other end of the resistor R7 is electrically connected to the 5V power supply;
所述光耦U3的第一引脚与电阻R6一端电连接,所述电阻R6另一端与第二路15V电源的正极电连接。The first pin of the optocoupler U3 is electrically connected to one end of the resistor R6, and the other end of the resistor R6 is electrically connected to the positive electrode of the second 15V power supply.
由上述描述可知,电阻R4、电阻R3分别连接在光耦U2的主副边上,电阻R6、电阻R7分别连接在光耦U3的主副边上,并分别用于对光耦U2、光耦U3的供电进行限流。光耦U2、光耦U3通过检测电阻R3和电阻R7一端上的电压分别作为第一信号和第二信号输出。It can be seen from the above description that the resistor R4 and the resistor R3 are respectively connected to the main and secondary sides of the optocoupler U2, and the resistor R6 and the resistor R7 are respectively connected to the main and secondary sides of the optocoupler U3, and are used to connect the optocoupler U2 and the optocoupler respectively. The power supply of U3 is current-limited. The optocoupler U2 and the optocoupler U3 are respectively output as the first signal and the second signal by detecting the voltage on one end of the resistor R3 and the resistor R7.
进一步的,还包括隔离电源电路;Further, it also includes an isolated power supply circuit;
所述隔离电源电路包括芯片U1、mos管M1、变压器T1、第一交直流转换电路、第二交直流转换电路和第三交直流转换电路;The isolated power supply circuit includes a chip U1, a mos tube M1, a transformer T1, a first AC/DC conversion circuit, a second AC/DC conversion circuit and a third AC/DC conversion circuit;
外设的24V电源分别与变压器T1的主边绕组一端和芯片U1的第一引脚电连接,变压器T1的主边绕组另一端与mos管M1的漏极电连接,所述M1的栅极与芯片U1的第八引脚电连接,所述mos管M1的源极、芯片U1的第四引脚和芯片U1的第五引脚均接地;The 24V power supply of the peripheral is electrically connected to one end of the main side winding of the transformer T1 and the first pin of the chip U1 respectively, and the other end of the main side winding of the transformer T1 is electrically connected to the drain of the mos tube M1, and the gate of the M1 is electrically connected to the The eighth pin of the chip U1 is electrically connected, and the source of the mos tube M1, the fourth pin of the chip U1 and the fifth pin of the chip U1 are all grounded;
所述变压器T1上设有第一副边绕组、第并且二副边绕组和第三副边绕组且所述第一副边绕组、第二副边绕组和第三副边绕组的匝数比为1:3:3,所述第一副边绕组通过第一交直流转换电路分别与芯片U1的第六引脚、所述电阻R3另一端和所述电阻R7另一端电连接,所述第二副边绕组通过第二交直流转换电路后的两端分别与所述电阻R4另一端和所述光耦U2的第三引脚电连接,所述第三副边绕组通过第三交直流转换电路后的两端分别与所述电阻R6另一端和所述光耦U3的第三引脚电连接。The transformer T1 is provided with a first secondary winding, a second secondary winding and a third secondary winding, and the turns ratio of the first secondary winding, the second secondary winding and the third secondary winding is: 1:3:3, the first secondary winding is electrically connected to the sixth pin of the chip U1, the other end of the resistor R3 and the other end of the resistor R7 through the first AC-DC conversion circuit, and the second The two ends of the secondary winding after passing through the second AC-DC conversion circuit are respectively electrically connected to the other end of the resistor R4 and the third pin of the optocoupler U2, and the third secondary winding passes through the third AC-DC conversion circuit. The latter two ends are respectively electrically connected to the other end of the resistor R6 and the third pin of the optocoupler U3.
由上述描述可知,变压器T1上设有第一副边绕组、第二副边绕组和第三副边绕组且匝数分别比为1:3:3,从而将外设的24V电源分为三路隔离电源电路,分别为第一交直流转换电路、第二交直流转换电路和第三交直流转换电路。并将第一交直流转换电路、第二交直流转换电路和第三交直流转换电路的电压按匝数比分别为5V、15V1、15V2。并且将5V的第一交直流转换电路连接到光耦U2和光耦U3的副边为其所在检测电路供电,并将15V1的第二交直流转换电路、15V2的第三交直流转换电路分别连接到光耦U2和光耦U3的主边用于为其所在的检测电路供电。It can be seen from the above description that the transformer T1 is provided with the first secondary winding, the second secondary winding and the third secondary winding, and the turns ratio is 1:3:3 respectively, so that the 24V power supply of the peripheral is divided into three channels The isolated power supply circuits are respectively a first AC-DC conversion circuit, a second AC-DC conversion circuit and a third AC-DC conversion circuit. The voltages of the first AC-DC converting circuit, the second AC-DC converting circuit and the third AC-DC converting circuit are respectively 5V, 15V1 and 15V2 according to the turns ratio. And connect the 5V first AC-DC conversion circuit to the secondary side of the optocoupler U2 and the optocoupler U3 to supply power to the detection circuit where it is located, and connect the 15V1 second AC-DC conversion circuit and the 15V2 third AC-DC conversion circuit to the The main sides of optocoupler U2 and optocoupler U3 are used to supply power to the detection circuit where they are located.
进一步的,所述第一交直流转换电路包括整流二极管D1和滤波电容C1,所述第一副边绕组的一端接地,所述第一副边绕组的另一端与整流二极管D1的正极电连接,所述整流二极管D1的负极分别与所述电阻R3另一端和滤波电容C1的一端电连接,所述滤波电容C1的另一端接地;Further, the first AC-DC conversion circuit includes a rectifier diode D1 and a filter capacitor C1, one end of the first secondary winding is grounded, and the other end of the first secondary winding is electrically connected to the positive electrode of the rectifier diode D1, The negative electrode of the rectifier diode D1 is respectively electrically connected to the other end of the resistor R3 and one end of the filter capacitor C1, and the other end of the filter capacitor C1 is grounded;
所述第二交直流转换电路包括整流二极管D2和滤波电容C2,所述第二副边绕组的一端分别与滤波电容C2的一端和所述光耦U2的第三引脚电连接,所述第二副边绕组的另一端与整流二极管D2的正极电连接,所述整流二极管D2的负极分别与滤波电容C2的另一端和所述电阻R4另一端电连接;The second AC-DC conversion circuit includes a rectifier diode D2 and a filter capacitor C2. One end of the second secondary winding is electrically connected to one end of the filter capacitor C2 and the third pin of the optocoupler U2. The other end of the secondary winding is electrically connected to the positive electrode of the rectifier diode D2, and the negative electrode of the rectifier diode D2 is electrically connected to the other end of the filter capacitor C2 and the other end of the resistor R4 respectively;
所述第三交直流转换电路包括整流二极管D3和滤波电容C3,所述第三副边绕组的一端分别与滤波电容C3的一端和所述光耦U3的第三引脚电连接,所述第三副边绕组的另一端与整流二极管D3的正极电连接,所述整流二极管D3的负极分别与滤波电容C3的另一端和所述电阻R6另一端电连接。The third AC-DC conversion circuit includes a rectifier diode D3 and a filter capacitor C3. One end of the third secondary winding is electrically connected to one end of the filter capacitor C3 and the third pin of the optocoupler U3, respectively. The other end of the three secondary windings is electrically connected to the positive electrode of the rectifier diode D3, and the negative electrode of the rectifier diode D3 is electrically connected to the other end of the filter capacitor C3 and the other end of the resistor R6, respectively.
由上述描述可知,第一交直流转换电路通过整流二极管D1和滤波电容C1将交流电转成直流电,并将转换后的直流电源输出到光耦U2和光耦U3的副边电路;第二交直流转换电路通过整流二极管D2和滤波电容C2将交流电转成直流电,并将转换后的直流电源输出到光耦U2的主边电路;第三交直流转换电路通过整流二极管D3和滤波电容C3将交流电转成直流电,并将转换后的直流电源输出到光耦U3的主边电路。It can be seen from the above description that the first AC-DC conversion circuit converts the AC power into DC power through the rectifier diode D1 and the filter capacitor C1, and outputs the converted DC power to the secondary side circuit of the optocoupler U2 and the optocoupler U3; the second AC-DC converter The circuit converts AC power into DC power through rectifier diode D2 and filter capacitor C2, and outputs the converted DC power to the main side circuit of optocoupler U2; the third AC-DC conversion circuit converts AC power into DC power through rectifier diode D3 and filter capacitor C3. DC power, and output the converted DC power to the main side circuit of the optocoupler U3.
进一步的,还包括电阻R1和电阻R2,所述整流二极管D1的负极与电阻R1的一端电连接,所述电阻R1的另一端分别与芯片U1的第六引脚和电阻R2的一端电连接,所述电阻R2的另一端接地。Further, it also includes a resistor R1 and a resistor R2, the negative electrode of the rectifier diode D1 is electrically connected to one end of the resistor R1, and the other end of the resistor R1 is electrically connected to the sixth pin of the chip U1 and one end of the resistor R2, respectively, The other end of the resistor R2 is grounded.
由上述描述可知,第一交直流转换电路通过整流二极管D1和滤波电容C1将交流电转成直流电,该直流电通过电阻R1和电阻R2把电压信号反馈到芯片U1的第六引脚,芯片U1根据第六引脚反馈的电压信号调整其第八引脚的占空比,直到将第一交直流转换电路的输出电压调整到5V。It can be seen from the above description that the first AC-DC conversion circuit converts the AC power into DC power through the rectifier diode D1 and the filter capacitor C1, and the DC power feeds back the voltage signal to the sixth pin of the chip U1 through the resistor R1 and the resistor R2. The voltage signal fed back by the six-pin adjusts the duty ratio of the eighth pin until the output voltage of the first AC-DC conversion circuit is adjusted to 5V.
进一步的,所述供电电源的正极与主接触器Re1的第四引脚电连接。Further, the positive pole of the power supply is electrically connected to the fourth pin of the main contactor Re1.
由上述描述可知,接触器Re1与供电电源电连接用于控制供电电路的通断。It can be known from the above description that the contactor Re1 is electrically connected to the power supply for controlling the on-off of the power supply circuit.
请参照图1,本发明的实施例一为:Please refer to FIG. 1, the first embodiment of the present invention is:
本发明提供的一种接触器异常检测电路,设置于电动车的供电系统中,所述供电系统包括依次连接的供电电源、主接触器Re1和负载。所述接触器异常检测电路设置在主接触器Re1和负载之间,所述接触器异常检测电路包括控制器和相互并联连接的光耦U2、光耦U3、接触器Re2和接触器Re3。A contactor abnormality detection circuit provided by the present invention is arranged in a power supply system of an electric vehicle, and the power supply system includes a power supply source, a main contactor Re1 and a load connected in sequence. The contactor abnormality detection circuit is arranged between the main contactor Re1 and the load, and the contactor abnormality detection circuit includes a controller, an optocoupler U2, an optocoupler U3, a contactor Re2 and a contactor Re3 connected in parallel with each other.
供电电源为一高压电池,其中,供电电源的正极与主接触器Re1的第四引脚(图1中接触器Re1上标注为4的引脚)电连接,主接触器Re1的第三引脚(图1中接触器Re1上标注为3的引脚)与熔断器F1的一端连接组成供电电路为负载提供高压供电,所述负载为新能源电动车上的电机控制器。所述主接触器Re1的第一引脚(图1中主接触器Re1上标注为1的引脚)与主接触器Re1的控制端(con1)电连接,主接触器Re1的线圈第二引脚(图1中主接触器Re1上标注为2的引脚)接地(GND)。接触器Re2的线圈第一引脚(图1中接触器Re2上标注为1的引脚)与接触器Re2的控制端(con2)电连接,接触器Re2的线圈第二引脚(图1中接触器Re2上标注为2的引脚)接地(GND)。接触器Re3的线圈第一引脚(图1中接触器Re3上标注为1的引脚)与接触器Re3的控制端(con3)电连接,接触器Re3的线圈第二引脚(图1中接触器Re3上标注为2的引脚)接地(GND)。The power supply is a high-voltage battery, wherein the positive pole of the power supply is electrically connected to the fourth pin of the main contactor Re1 (the pin marked as 4 on the contactor Re1 in FIG. 1 ), and the third pin of the main contactor Re1 (The pin marked 3 on the contactor Re1 in Figure 1) is connected with one end of the fuse F1 to form a power supply circuit to provide high-voltage power supply for the load, which is the motor controller on the new energy electric vehicle. The first pin of the main contactor Re1 (the pin marked 1 on the main contactor Re1 in FIG. 1 ) is electrically connected to the control terminal (con1) of the main contactor Re1, and the second lead of the coil of the main contactor Re1 is electrically connected. The pin (pin marked 2 on the main contactor Re1 in Figure 1) is grounded (GND). The first pin of the coil of the contactor Re2 (the pin marked 1 on the contactor Re2 in Figure 1) is electrically connected to the control terminal (con2) of the contactor Re2, and the second pin of the coil of the contactor Re2 (in Figure 1) The pin labeled 2 on the contactor Re2) is grounded (GND). The first pin of the coil of the contactor Re3 (the pin marked as 1 on the contactor Re3 in Figure 1) is electrically connected to the control terminal (con3) of the contactor Re3, and the second pin of the coil of the contactor Re3 (in Figure 1) The pin labeled 2 on the contactor Re3) is grounded (GND).
光耦U2的副边第六引脚(图1中光耦U2上标注为6的引脚)与5V电源电连接且所述光耦U2的副边第六引脚用于输出信号(Con1St),所述光耦U2的副边第四引脚(图1中光耦U2上标注为4的引脚)接地,所述光耦U2的主边第一引脚(图1中光耦U2上标注为1的引脚)分别与第一路15V电源的正极、接触器Re2的第四引脚(图1中接触器Re2上标注为4的引脚)、接触器Re3的第四引脚(图1中接触器Re3上标注为4的引脚)、光耦U3的主边第一引脚(图1中光耦U3上标注为1的引脚)、主接触器Re1的第三引脚(图1中接触器Re1上标注为3的引脚)以及第二路15V电源的正极电连接,所述光耦U2的主边第三引脚(图1中光耦U3上标注为3的引脚)分别与第一路15V电源的负极、接触器Re2的第三引脚(图1中接触器Re2上标注为3的引脚)、接触器Re3的第三引脚(图1中接触器Re3上标注为3的引脚)、光耦U3的主边第三引脚(图1中光耦U3上标注为3的引脚)以及第二路15V电源的负极电连接,所述光耦U3的副边第六引脚(图1中光耦U3上标注为6的引脚)与第二路5V电源电连接且所述光耦U3的副边第六引脚用于输出信号(Con2St),所述光耦U3的副边第四引脚(图1中光耦U3上标注为4的引脚)接地。The sixth pin of the secondary side of the optocoupler U2 (the pin marked as 6 on the optocoupler U2 in Figure 1) is electrically connected to the 5V power supply, and the sixth pin of the secondary side of the optocoupler U2 is used to output the signal (Con1St) , the fourth pin of the secondary side of the optocoupler U2 (the pin marked as 4 on the optocoupler U2 in FIG. 1 ) is grounded, and the first pin of the main side of the optocoupler U2 (the pin on the optocoupler U2 in FIG. 1 ) is grounded The pin marked 1) is respectively connected with the positive pole of the first 15V power supply, the fourth pin of the contactor Re2 (the pin marked 4 on the contactor Re2 in Figure 1), and the fourth pin of the contactor Re3 ( The pin marked 4 on the contactor Re3 in Figure 1), the first pin of the main side of the optocoupler U3 (the pin marked 1 on the optocoupler U3 in Figure 1), the third pin of the main contactor Re1 (The pin marked 3 on the contactor Re1 in Figure 1) and the positive electrode of the second 15V power supply are electrically connected, and the third pin of the main side of the optocoupler U2 (the one marked 3 on the optocoupler U3 in Figure 1) is electrically connected. pin) are respectively connected with the negative pole of the first 15V power supply, the third pin of the contactor Re2 (the pin marked as 3 on the contactor Re2 in Figure 1), and the third pin of the contactor Re3 (contact in Figure 1). The pin labeled 3 on the device Re3), the third pin of the main side of the optocoupler U3 (the pin labeled 3 on the optocoupler U3 in Figure 1) and the negative electrode of the second 15V power supply are electrically connected. The sixth pin of the secondary side of the coupler U3 (the pin marked as 6 on the optocoupler U3 in Figure 1) is electrically connected to the second 5V power supply, and the sixth pin of the secondary side of the optocoupler U3 is used to output the signal ( Con2St), the fourth pin of the secondary side of the optocoupler U3 (the pin marked as 4 on the optocoupler U3 in FIG. 1 ) is grounded.
本实施例中,还包括控制器,所述主接触器Re1的控制端(con1)、接触器Re2的控制端(con2)和接触器Re3的控制端(con3)分别与控制器输出端电连接并受控于所述控制器,所述控制器的输入端分别与光耦U2的输出信号(Con1St)和光耦U3的输出信号(Con2St)电连接;In this embodiment, a controller is also included, and the control terminal (con1) of the main contactor Re1, the control terminal (con2) of the contactor Re2 and the control terminal (con3) of the contactor Re3 are respectively electrically connected to the output terminal of the controller. and controlled by the controller, the input ends of the controller are respectively electrically connected with the output signal (Con1St) of the optocoupler U2 and the output signal (Con2St) of the optocoupler U3;
控制器被配置为根据光耦U2的输出信号和光耦U3的输出信号,控制主接触器Re1、接触器Re2和接触器Re3的开合状态。控制器通过can通信接口与电池系统及整车系统连接,并将检测到的光耦U2的输出信号和光耦U3的输出信号上报给电池系统及整车系统。The controller is configured to control the opening and closing states of the main contactor Re1, the contactor Re2 and the contactor Re3 according to the output signal of the optocoupler U2 and the output signal of the optocoupler U3. The controller is connected to the battery system and the vehicle system through the can communication interface, and reports the detected output signal of the optocoupler U2 and the output signal of the optocoupler U3 to the battery system and the vehicle system.
本实施例中,还包括电阻R5,所述接触器Re2的第三引脚(图1中接触器Re2上标注为3的引脚)通过电阻R5与所述接触器Re3的第三引脚电连接(图1中接触器Re3上标注为3的引脚)。接触器Re2、接触器Re3和电阻R5之间的电连接组成了预充回路,通过电阻R5的一端与电容C4的正极电连接,并且光耦U2的第三引脚(图1中光耦U2上标注为3的引脚)通过电容C4与供电电源的负极电连接。In this embodiment, a resistor R5 is also included, and the third pin of the contactor Re2 (the pin marked as 3 on the contactor Re2 in FIG. 1 ) is electrically connected to the third pin of the contactor Re3 through the resistor R5 Connect (pin labeled 3 on contactor Re3 in Figure 1). The electrical connection between the contactor Re2, the contactor Re3 and the resistor R5 constitutes a precharge circuit, which is electrically connected to the positive electrode of the capacitor C4 through one end of the resistor R5, and the third pin of the optocoupler U2 (the optocoupler U2 in Figure 1) The pin marked as 3 above) is electrically connected to the negative pole of the power supply through the capacitor C4.
本实施例中,还包括隔离电源电路;In this embodiment, an isolated power supply circuit is also included;
所述隔离电源电路包括芯片U1、mos管M1、变压器T1、第一交直流转换电路、第二交直流转换电路和第三交直流转换电路;The isolated power supply circuit includes a chip U1, a mos tube M1, a transformer T1, a first AC/DC conversion circuit, a second AC/DC conversion circuit and a third AC/DC conversion circuit;
外设的24V电源分别与变压器T1的主边绕组一端和芯片U1的第一引脚电(图1中芯片U1上标注为1的引脚)连接,变压器T1的主边绕组另一端与mos管M1的漏极电连接,所述mos管M1的栅极与芯片U1的第八引脚(图1中芯片U1上标注为8的引脚)电连接,所述mos管M1的源极、芯片U1的第四引脚(图1中芯片U1上标注为4的引脚)和芯片U1的第五引脚(图1中芯片U1上标注为5的引脚)均接地;The 24V power supply of the peripheral is respectively connected to one end of the main winding of the transformer T1 and the first pin of the chip U1 (the pin marked as 1 on the chip U1 in Figure 1), and the other end of the main winding of the transformer T1 is connected to the mos tube. The drain of M1 is electrically connected, the gate of the mos tube M1 is electrically connected to the eighth pin of the chip U1 (the pin marked as 8 on the chip U1 in FIG. 1 ), the source of the mos tube M1, the chip The fourth pin of U1 (the pin marked 4 on the chip U1 in Figure 1) and the fifth pin of the chip U1 (the pin marked 5 on the chip U1 in Figure 1) are both grounded;
U1芯片的第八引脚通过输出一定占空比的开关信号控制mos管M1的开和关从而在变压器T1的主边绕组上产生交变电源,变压器T1的第二引脚(图1中变压器T1上标注为2的引脚)和第九引脚(图1中变压器T1上标注为9的引脚)上的副边绕组、第四引脚(图1中变压器T1上标注为4的引脚)和第五引脚(图1中变压器T1上标注为5的引脚)上的副边绕组和第六引脚(图1中变压器T1上标注为6的引脚)和第七引脚上(图1中变压器T1上标注为7的引脚)的副边绕组感应到交变电压后,产生3路交变电压。The eighth pin of the U1 chip controls the on and off of the mos tube M1 by outputting a switching signal with a certain duty ratio, thereby generating an alternating power supply on the main winding of the transformer T1. The second pin of the transformer T1 (the transformer in Figure 1 The secondary winding on the pin marked 2 on T1) and the ninth pin (the pin marked 9 on the transformer T1 in Figure 1), the fourth pin (the lead marked 4 on the transformer T1 in Figure 1) pin) and the fifth pin (pin marked 5 on transformer T1 in Figure 1) and the sixth pin (pin marked 6 on transformer T1 in Figure 1) and the seventh pin After the secondary winding on the upper side (pin marked 7 on the transformer T1 in Fig. 1) induces the alternating voltage, three alternating voltages are generated.
变压器T1上设有第一副边绕组、第二副边绕组和第三副边绕组且所述第一副边绕组、第二副边绕组和第三副边绕组的匝数比为1:3:3,所述第一副边绕组通过第一交直流转换电路分别与芯片U1的第六引脚(图1中芯片U1上标注为6的引脚)、所述电阻R3另一端和所述电阻R7另一端电连接,所述第二副边绕组通过第二交直流转换电路后的两端分别与所述电阻R4另一端和所述光耦U2的第三引脚电连接,所述第三副边绕组通过第三交直流转换电路后的两端分别与所述电阻R6另一端和所述光耦U3的第三引脚电连接。The transformer T1 is provided with a first secondary winding, a second secondary winding and a third secondary winding, and the turns ratio of the first secondary winding, the second secondary winding and the third secondary winding is 1:3 3, the first secondary winding is respectively connected with the sixth pin of the chip U1 (the pin marked as 6 on the chip U1 in FIG. 1 ), the other end of the resistance R3 and the described The other end of the resistor R7 is electrically connected, and the two ends of the second secondary winding are respectively electrically connected to the other end of the resistor R4 and the third pin of the optocoupler U2 after passing through the second AC-DC conversion circuit. The two ends of the three secondary windings after passing through the third AC-DC conversion circuit are respectively electrically connected to the other end of the resistor R6 and the third pin of the optocoupler U3.
因为变压器T1的第一副边绕组、第二副边绕组和第三副边绕组分别对应变压器T1的第二引脚和第九引脚上的副边绕组、第四引脚和第五引脚上的副边绕组和第六引脚和第七引脚,因为第一副边绕组、第二副边绕组和第三副边绕组的匝数比为1:3:3,所以第一副边绕组、第二副边绕组和第三副边绕组上产生的交变电压比为1:3:3。Because the first secondary winding, the second secondary winding and the third secondary winding of the transformer T1 correspond to the secondary winding, the fourth pin and the fifth pin on the second pin and the ninth pin of the transformer T1 respectively On the secondary winding and the sixth and seventh pins, because the turns ratio of the first secondary winding, the second secondary winding and the third secondary winding is 1:3:3, so the first secondary winding The ratio of alternating voltages generated on the winding, the second secondary winding and the third secondary winding is 1:3:3.
本实施例中,第一交直流转换电路包括整流二极管D1和滤波电容C1,所述第一副边绕组的一端接地,所述第一副边绕组的另一端与整流二极管D1的正极电连接,所述整流二极管D1的负极分别与所述电阻R3另一端和滤波电容C1的一端电连接,所述滤波电容C1的另一端接地;第一交直流转换电路通过整流二极管D1和滤波电容C1将变压器T1的第一副边绕组产生的交变电压整流成直流电压。该直流电压又通过电阻R1和电阻R2把电压信号反馈到芯片U1的第六引脚,芯片U1根据其第六引脚反馈的电压信号不断地调整其第八引脚的占空比,直到将第一交直流转换电路输出的直流电压调整到5V(5V+)。In this embodiment, the first AC-DC conversion circuit includes a rectifier diode D1 and a filter capacitor C1, one end of the first secondary winding is grounded, and the other end of the first secondary winding is electrically connected to the positive electrode of the rectifier diode D1, The negative pole of the rectifier diode D1 is electrically connected to the other end of the resistor R3 and one end of the filter capacitor C1 respectively, and the other end of the filter capacitor C1 is grounded; the first AC-DC conversion circuit connects the transformer to the transformer through the rectifier diode D1 and the filter capacitor C1. The alternating voltage generated by the first secondary winding of T1 is rectified into a direct current voltage. The DC voltage feeds back the voltage signal to the sixth pin of the chip U1 through the resistor R1 and the resistor R2, and the chip U1 continuously adjusts the duty cycle of the eighth pin according to the voltage signal fed back by the sixth pin, until the The DC voltage output by the first AC-DC conversion circuit is adjusted to 5V (5V+).
第二交直流转换电路包括整流二极管D2和滤波电容C2,所述第二副边绕组的一端分别与滤波电容C2的一端和所述光耦U2的第三引脚电连接,所述第二副边绕组的另一端与整流二极管D2的正极电连接,所述整流二极管D2的负极分别与滤波电容C2的另一端和所述电阻R4另一端电连接;第二交直流转换电路通过整流二极管D2和滤波电容C2将第二副边绕组上产生的交变电压整流成直流电压,并且跟第一绕组的匝数比得到,第二副边绕组上转换的直流电压为15V。并且该15V直流电压作为第一路15V电源(15V1)输出到光耦U2的主边上,为光耦U2所在的检测电路供电。The second AC-DC conversion circuit includes a rectifier diode D2 and a filter capacitor C2. One end of the second secondary winding is electrically connected to one end of the filter capacitor C2 and the third pin of the optocoupler U2, respectively. The other end of the side winding is electrically connected to the positive electrode of the rectifier diode D2, and the negative electrode of the rectifier diode D2 is electrically connected to the other end of the filter capacitor C2 and the other end of the resistor R4; The filter capacitor C2 rectifies the alternating voltage generated on the second secondary winding into a DC voltage, which is obtained by the ratio of the turns of the first winding, and the DC voltage converted on the second secondary winding is 15V. And the 15V DC voltage is output to the main side of the optocoupler U2 as the first 15V power supply (15V1) to supply power to the detection circuit where the optocoupler U2 is located.
第三交直流转换电路包括整流二极管D3和滤波电容C3,所述第三副边绕组的一端分别与滤波电容C3的一端和所述光耦U3的第三引脚电连接,所述第三副边绕组的另一端与整流二极管D3的正极电连接,所述整流二极管D3的负极分别与滤波电容C3的另一端和所述电阻R6另一端电连接。第三交直流转换电路通过整流二极管D3和滤波电容C3将第三副边绕组上产生的交变电压整流成直流电压,并且跟第一绕组的匝数比得到,第三副边绕组上转换的直流电压为15V。并且该15V直流电压作为第二路15V电源(15V2)输出到光耦U3的主边上,为光耦U3所在的检测电路供电。The third AC-DC conversion circuit includes a rectifier diode D3 and a filter capacitor C3. One end of the third secondary winding is electrically connected to one end of the filter capacitor C3 and the third pin of the optocoupler U3, respectively. The other end of the side winding is electrically connected to the positive electrode of the rectifier diode D3, and the negative electrode of the rectifier diode D3 is electrically connected to the other end of the filter capacitor C3 and the other end of the resistor R6, respectively. The third AC-DC conversion circuit rectifies the AC voltage generated on the third secondary winding into a DC voltage through the rectifier diode D3 and the filter capacitor C3, and is obtained from the turns ratio of the first winding. The DC voltage is 15V. And the 15V DC voltage is output to the main side of the optocoupler U3 as the second 15V power supply (15V2) to supply power to the detection circuit where the optocoupler U3 is located.
本实施例中,还包括熔断器F1,所述主接触器Re1的第三引脚通过熔断器F1分别与光耦U2的第一引脚、接触器Re2的第四引脚、接触器Re3的第四引脚和光耦U3的第一引脚电连接。熔断器通过主接触器Re1连接在供电电源的后端,防止供电电源输出的电流过大时,可能对电路上的器件造成损坏,从而及时断开电路,保护电源电路安全。In this embodiment, a fuse F1 is also included, and the third pin of the main contactor Re1 is respectively connected with the first pin of the optocoupler U2, the fourth pin of the contactor Re2, and the contactor Re3 through the fuse F1. The fourth pin is electrically connected to the first pin of the optocoupler U3. The fuse is connected to the rear end of the power supply through the main contactor Re1 to prevent the device on the circuit from being damaged when the current output by the power supply is too large, so as to disconnect the circuit in time to protect the safety of the power supply circuit.
上述的接触器异常检测电路的工作原理为:The working principle of the above contactor abnormality detection circuit is as follows:
1.供电电源所在的供电电路闭合主接触器Re1后将输出的电压连接到两路回路,一路通过接触器Re2的触点接到电容C4的正极,一路通过接触器Re3的触点和电阻R5接到电容C4的正极。1. The power supply circuit where the power supply is located closes the main contactor Re1, and then connects the output voltage to two circuits, one through the contact of the contactor Re2 to the positive pole of the capacitor C4, and the other through the contact of the contactor Re3 and the resistor R5 Connect to the positive terminal of capacitor C4.
2.外设的24V电源供电后,主接触器Re1的控制端(con1)、接触器Re2的控制端(con2)和接触器Re3的控制端(con3)收到控制器输出的电压信号为0V,并控制主接触器Re1、接触器Re2和接触器Re3断开。2. After the 24V power supply of the peripherals is powered, the control terminal (con1) of the main contactor Re1, the control terminal (con2) of the contactor Re2 and the control terminal (con3) of the contactor Re3 receive the voltage signal output by the controller as 0V , and control the main contactor Re1, contactor Re2 and contactor Re3 to disconnect.
3.检测预充回路上光耦U2的输出信号(Con1St)和光耦U3的输出信号(Con2St):3. Detect the output signal (Con1St) of optocoupler U2 and the output signal (Con2St) of optocoupler U3 on the precharge circuit:
当接触器Re2的触点正常分开时,则光耦U2的主边导通,副边也同样导通,光耦U2的输出信号(Con1St)为0V,如果接触器Re2的触点是异常接通的,则光耦U2的主边不导通,副边也同样不导通,光耦U2的输出信号(Con1St)5V;When the contacts of the contactor Re2 are normally separated, the main side of the optocoupler U2 is turned on, and the secondary side is also turned on. The output signal (Con1St) of the optocoupler U2 is 0V. If the contact of the contactor Re2 is abnormally connected If it is on, the main side of the optocoupler U2 is not conducting, and the secondary side is also not conducting, and the output signal (Con1St) of the optocoupler U2 is 5V;
当接触器Re3的触点正常分开时,则光耦U3的主边导通,副边也同样导通,光耦U3的输出信号(Con2St)为0V,如果接触器Re3的触点是异常接通的,则光耦U3的主边不导通,副边也同样不导通,光耦U3的输出信号(Con2St)为5V。When the contacts of the contactor Re3 are normally separated, the main side of the optocoupler U3 is turned on, and the secondary side is also turned on. The output signal (Con2St) of the optocoupler U3 is 0V. If the contact of the contactor Re3 is abnormally connected If it is on, the main side of the optocoupler U3 is not conducting, and the secondary side is also not conducting. The output signal (Con2St) of the optocoupler U3 is 5V.
控制器检测光耦U2的输出信号(Con1St)和光耦U3的输出信号(Con2St)后,通过can通信实时上报给电池系统及整车系统。整车系统读到光耦U2的输出信号(Con1St)为5V时,整车报严重故障,车辆不允许运行;整车系统读到光耦U2的输出信号(Con1St)为0V但光耦U3的输出信号(Con2St)为5V时,整车报轻微故障,车辆允许运行,并提醒需要检修。After the controller detects the output signal (Con1St) of the optocoupler U2 and the output signal (Con2St) of the optocoupler U3, it reports to the battery system and the vehicle system in real time through can communication. When the vehicle system reads that the output signal (Con1St) of the optocoupler U2 is 5V, the vehicle reports a serious fault and the vehicle is not allowed to run; the vehicle system reads that the output signal (Con1St) of the optocoupler U2 is 0V but the optocoupler U3 When the output signal (Con2St) is 5V, the whole vehicle reports a minor fault, the vehicle is allowed to run, and a reminder is required for maintenance.
4.当电池系统读到光耦U2的输出信号(Con1St)为0V时,说明电池后端回路不是短路状态,电池系统控制主接触器Re1的控制端(con1)使主接触器Re1闭合并给后端输出电压。当电池系统读到光耦U2的输出信号(Con1St)为5V时,说明电池后端回路是短路状态,电池系统控制主接触器Re1的控制端(con1)使主接触器Re1保持断开,防止对后端产生冲击电流。4. When the battery system reads that the output signal (Con1St) of the optocoupler U2 is 0V, it means that the back-end circuit of the battery is not in a short-circuit state, and the battery system controls the control terminal (con1) of the main contactor Re1 to close the main contactor Re1 and give Back-end output voltage. When the battery system reads that the output signal (Con1St) of the optocoupler U2 is 5V, it indicates that the back-end circuit of the battery is in a short-circuit state, and the battery system controls the control terminal (con1) of the main contactor Re1 to keep the main contactor Re1 disconnected to prevent Inrush current is generated to the rear end.
5.当预充回路输入端检测到高压后,控制器控制接触器Re3的控制端(con3)让预充接触器Re3闭合,再通过电阻R5进行预充;预充过程中当接触器Re2触点两端的电压一致时,说明预充完成,控制器控制接触器Re2的控制端(con2)让接触器Re2闭合,这时不产生冲击电流;接触器Re2闭合之后再控制接触器Re3的控制端(con3)让预充接触器Re3断开,以防车辆行驶过程中接触器Re2异常断开而烧坏电阻R5。5. When high voltage is detected at the input terminal of the precharge circuit, the controller controls the control terminal (con3) of the contactor Re3 to close the precharge contactor Re3, and then precharges through the resistor R5; during the precharge process, when the contactor Re2 touches When the voltages at both ends of the point are the same, it means that the precharge is completed, the controller controls the control terminal (con2) of the contactor Re2 to close the contactor Re2, and no inrush current is generated at this time; after the contactor Re2 is closed, it controls the control terminal of the contactor Re3. (con3) Disconnect the pre-charge contactor Re3 to prevent the contactor Re2 from being abnormally disconnected during the driving of the vehicle and burning out the resistor R5.
6.控制器控制接触器Re2的控制端(con2)使接触器Re2闭合之后,控制器检测光耦U2的输出信号(Con1St),如果光耦U2的输出信号(Con1St)为0V,说明接触器Re2异常未闭合,则通知电池系统断开主接触器Re1,整车系统报严重故障,车辆不允许运行;如果光耦U2的输出信号(Con1St)5V,说明接触器Re2已正常闭合,并完成整个预充过程。6. After the controller controls the control terminal (con2) of the contactor Re2 to close the contactor Re2, the controller detects the output signal (Con1St) of the optocoupler U2, if the output signal (Con1St) of the optocoupler U2 is 0V, the contactor If Re2 is not closed abnormally, the battery system will be notified to disconnect the main contactor Re1, the whole vehicle system will report a serious failure, and the vehicle will not be allowed to run; if the output signal (Con1St) of the optocoupler U2 is 5V, it means that the contactor Re2 has been closed normally and completed. the entire pre-charging process.
综上所述,本发明提供的一种接触器异常检测电路,通过变压器产生3路隔离电源给光耦U2和光耦U3上的接触器异常检测电路供电,控制器在预充回路在工作过程中,实时采集接触器断开和闭合的状态并反馈给电池系统和整车系统,一旦检测到接触器触点粘连或者异常不受控,则停止预充工作,确保整个系统不会因接触器通断异常而导致其他并发故障。To sum up, the present invention provides a contactor abnormality detection circuit, which generates 3 isolated power supplies through a transformer to supply power to the contactor abnormality detection circuit on the optocoupler U2 and the optocoupler U3. , collect the open and closed status of the contactor in real time and feed it back to the battery system and the vehicle system. Once the contactor contact is detected to be stuck or abnormally out of control, the pre-charging work will be stopped to ensure that the entire system will not be caused by the contactor being switched on. interrupt exception and cause other concurrent failures.
以上所述仅为本发明的实施例,并非因此限制本发明的专利范围,凡是利用本发明说明书及附图内容所作的等同变换,或直接或间接运用在相关的技术领域,均同理包括在本发明的专利保护范围内。The above descriptions are only examples of the present invention, and are not intended to limit the scope of the present invention. Any equivalent transformations made by using the contents of the description and drawings of the present invention, or directly or indirectly applied in related technical fields, are similarly included in the within the scope of patent protection of the present invention.
| Application Number | Priority Date | Filing Date | Title | 
|---|---|---|---|
| CN202010488747.1ACN111474472B (en) | 2020-06-02 | 2020-06-02 | A contactor abnormality detection circuit | 
| Application Number | Priority Date | Filing Date | Title | 
|---|---|---|---|
| CN202010488747.1ACN111474472B (en) | 2020-06-02 | 2020-06-02 | A contactor abnormality detection circuit | 
| Publication Number | Publication Date | 
|---|---|
| CN111474472Atrue CN111474472A (en) | 2020-07-31 | 
| CN111474472B CN111474472B (en) | 2025-06-17 | 
| Application Number | Title | Priority Date | Filing Date | 
|---|---|---|---|
| CN202010488747.1AActiveCN111474472B (en) | 2020-06-02 | 2020-06-02 | A contactor abnormality detection circuit | 
| Country | Link | 
|---|---|
| CN (1) | CN111474472B (en) | 
| Publication number | Priority date | Publication date | Assignee | Title | 
|---|---|---|---|---|
| CN113419167A (en)* | 2021-08-05 | 2021-09-21 | 中国华能集团清洁能源技术研究院有限公司 | A contactor adhesion detection circuit | 
| Publication number | Priority date | Publication date | Assignee | Title | 
|---|---|---|---|---|
| CN205787014U (en)* | 2016-05-24 | 2016-12-07 | 深圳市沃特玛电池有限公司 | A kind of D.C. contactor main contacts testing circuit | 
| US20170254852A1 (en)* | 2016-03-01 | 2017-09-07 | Eaton Corporation | Apparatus and methods for monitoring auxiliary contact status | 
| US20180164378A1 (en)* | 2016-12-12 | 2018-06-14 | Vanguard Instruments Company, Inc. | Dual ground breaker testing system | 
| CN110824351A (en)* | 2019-11-20 | 2020-02-21 | 天津津航计算技术研究所 | Relay redundancy fault detection circuit and detection method thereof | 
| CN212301777U (en)* | 2020-06-02 | 2021-01-05 | 厦门市福工动力技术有限公司 | Contactor abnormity detection circuit | 
| CN112255539A (en)* | 2020-10-26 | 2021-01-22 | 力神动力电池系统有限公司 | A sticking fault detection circuit for high-side contactor | 
| CN113419167A (en)* | 2021-08-05 | 2021-09-21 | 中国华能集团清洁能源技术研究院有限公司 | A contactor adhesion detection circuit | 
| CN117200468A (en)* | 2023-08-18 | 2023-12-08 | 南方电网数字电网研究院有限公司 | Sensor wide-range energy-taking conditioning method and circuit based on optocoupler automatic control | 
| Publication number | Priority date | Publication date | Assignee | Title | 
|---|---|---|---|---|
| US20170254852A1 (en)* | 2016-03-01 | 2017-09-07 | Eaton Corporation | Apparatus and methods for monitoring auxiliary contact status | 
| CN205787014U (en)* | 2016-05-24 | 2016-12-07 | 深圳市沃特玛电池有限公司 | A kind of D.C. contactor main contacts testing circuit | 
| US20180164378A1 (en)* | 2016-12-12 | 2018-06-14 | Vanguard Instruments Company, Inc. | Dual ground breaker testing system | 
| CN110824351A (en)* | 2019-11-20 | 2020-02-21 | 天津津航计算技术研究所 | Relay redundancy fault detection circuit and detection method thereof | 
| CN212301777U (en)* | 2020-06-02 | 2021-01-05 | 厦门市福工动力技术有限公司 | Contactor abnormity detection circuit | 
| CN112255539A (en)* | 2020-10-26 | 2021-01-22 | 力神动力电池系统有限公司 | A sticking fault detection circuit for high-side contactor | 
| CN113419167A (en)* | 2021-08-05 | 2021-09-21 | 中国华能集团清洁能源技术研究院有限公司 | A contactor adhesion detection circuit | 
| CN117200468A (en)* | 2023-08-18 | 2023-12-08 | 南方电网数字电网研究院有限公司 | Sensor wide-range energy-taking conditioning method and circuit based on optocoupler automatic control | 
| Title | 
|---|
| 边朝朝等: "接触器的应用及故障处理方法", 《机床电器》, 31 May 2010 (2010-05-31), pages 55 - 60* | 
| Publication number | Priority date | Publication date | Assignee | Title | 
|---|---|---|---|---|
| CN113419167A (en)* | 2021-08-05 | 2021-09-21 | 中国华能集团清洁能源技术研究院有限公司 | A contactor adhesion detection circuit | 
| Publication number | Publication date | 
|---|---|
| CN111474472B (en) | 2025-06-17 | 
| Publication | Publication Date | Title | 
|---|---|---|
| CN108028547B (en) | Power supply device and switch control method thereof | |
| CN115298056B (en) | Electric vehicle charging controller and electric vehicle charger including the electric vehicle charging controller | |
| CN105305388B (en) | device and method for monitoring and switching load circuit | |
| CN209454592U (en) | Protection control circuit of battery pack | |
| CN102095921A (en) | Surging current test circuit | |
| CN111913129A (en) | Power-on self-test detection circuit and method | |
| CN103746570A (en) | Rectifier and electric power equipment | |
| CN105034841A (en) | Strong electricity charging and discharging control method of hybrid electric vehicle and apparatus thereof | |
| CN115912909A (en) | Switch drive circuit, battery management system, battery pack and electric device | |
| CN111474472A (en) | A contactor abnormality detection circuit | |
| CN204696641U (en) | A kind of equipment for the protection of high-tension battery using electricity system and the vehicle with this equipment | |
| CN212301777U (en) | Contactor abnormity detection circuit | |
| CN101136547A (en) | Short circuit protection circuit of DC power supply | |
| CN108808834B (en) | On-line uninterrupted power supply and control method thereof | |
| RU2620128C2 (en) | Improved system of hard precharging for parallel inverters | |
| CN118528846A (en) | Discharging and pre-charging device of low-power direct-current charger and control method | |
| CN208226558U (en) | A kind of motor protective circuit | |
| TW201806289A (en) | Smart switch system and controlling method for switch box | |
| CN119998161A (en) | Method and device for interrupting a charging process of an energy source of an electric drive | |
| CN113422352B (en) | A strong current switch circuit for automatic detection of short-circuit faults | |
| US20040201278A1 (en) | Charging circuit in uninterruptible power supply system | |
| CN115104170A (en) | Relay device and electric vehicle charging controller including the same | |
| CN111952129B (en) | Circuit breaker, power distribution system and signal detection system | |
| TWI808871B (en) | Trip circuit of circuit breaker using power converter and rechargeable battery | |
| CN103645413B (en) | Testing circuit and automobile-used inversion system thereof | 
| Date | Code | Title | Description | 
|---|---|---|---|
| PB01 | Publication | ||
| PB01 | Publication | ||
| SE01 | Entry into force of request for substantive examination | ||
| SE01 | Entry into force of request for substantive examination | ||
| GR01 | Patent grant | ||
| GR01 | Patent grant |