Movatterモバイル変換


[0]ホーム

URL:


CN111318547B - Biomass low-temperature anaerobic cracking treatment device and treatment method - Google Patents

Biomass low-temperature anaerobic cracking treatment device and treatment method
Download PDF

Info

Publication number
CN111318547B
CN111318547BCN202010192055.2ACN202010192055ACN111318547BCN 111318547 BCN111318547 BCN 111318547BCN 202010192055 ACN202010192055 ACN 202010192055ACN 111318547 BCN111318547 BCN 111318547B
Authority
CN
China
Prior art keywords
cracking
carbon
reaction kettle
cracking reaction
biomass
Prior art date
Legal status (The legal status is an assumption and is not a legal conclusion. Google has not performed a legal analysis and makes no representation as to the accuracy of the status listed.)
Active
Application number
CN202010192055.2A
Other languages
Chinese (zh)
Other versions
CN111318547A (en
Inventor
陶旭庆
Current Assignee (The listed assignees may be inaccurate. Google has not performed a legal analysis and makes no representation or warranty as to the accuracy of the list.)
Individual
Original Assignee
Individual
Priority date (The priority date is an assumption and is not a legal conclusion. Google has not performed a legal analysis and makes no representation as to the accuracy of the date listed.)
Filing date
Publication date
Application filed by IndividualfiledCriticalIndividual
Priority to CN202010192055.2ApriorityCriticalpatent/CN111318547B/en
Publication of CN111318547ApublicationCriticalpatent/CN111318547A/en
Application grantedgrantedCritical
Publication of CN111318547BpublicationCriticalpatent/CN111318547B/en
Activelegal-statusCriticalCurrent
Anticipated expirationlegal-statusCritical

Links

Images

Classifications

Landscapes

Abstract

The invention discloses a low-temperature anaerobic biomass cracking treatment device and a treatment method, and relates to the technical field of biomass treatment. This living beings low temperature anaerobic cracking processing apparatus includes living beings preprocessing device, drying device, the screw extruder, the pyrolysis treatment device, a heating device, tail gas processing apparatus, living beings schizolysis gaseous processing apparatus and play carbon device, drying device connects living beings preprocessing device and schizolysis treatment device through the screw extruder respectively, tail gas processing apparatus is still connected in drying device's export, pyrolysis treatment device connects heating device, pyrolysis treatment device's gaseous exit linkage living beings schizolysis gaseous processing apparatus, pyrolysis treatment device's solid material exit linkage goes out the carbon device. The treatment method utilizing the device can completely crack all the biomass, completely treat harmful substances in the biomass, and recover and recycle oil, gas and carbon discharged after cracking treatment to reach the national emission standard, thereby maximizing benefits.

Description

Biomass low-temperature anaerobic cracking treatment device and treatment method
Technical Field
The invention relates to the technical field of biomass treatment, in particular to a low-temperature anaerobic cracking treatment device and a treatment method for biomass.
Background
The existing municipal solid waste treatment mainly comprises treatment methods such as incineration, landfill, high-temperature gasification and the like, and the treatment methods can cause serious secondary pollution to the environment and cause great harm to the health of human beings. The conversion of biomass (including domestic garbage) waste into resources is the best way to solve the waste at present, but an effective device and method are lacked at present.
The biomass cracking conversion method mainly obtains a small amount of energy products such as biological oil and the like from biomass wastes with single characteristics such as straw powder, wood chips and the like through cracking conversion.
Disclosure of Invention
Therefore, the invention provides a biomass low-temperature anaerobic cracking treatment device and a treatment method, which aim to solve the problems that the biomass pyrolysis method in the prior art is high in energy consumption and difficult in treatment of harmful substances, and a device for realizing large-scale application of a biomass cracking conversion method is lacked.
In order to achieve the above purpose, the invention provides the following technical scheme:
this living beings low temperature anaerobic cracking processing apparatus includes living beings preprocessing device, drying device, the screw extruder, the pyrolysis treatment device, a heating device, tail gas processing apparatus, living beings schizolysis gaseous processing apparatus and play carbon device, drying device connects living beings preprocessing device and schizolysis treatment device through the screw extruder respectively, tail gas processing apparatus is still connected to drying device's tail gas outlet, pyrolysis treatment device connects heating device, pyrolysis treatment device's gaseous exit linkage living beings schizolysis gaseous processing apparatus, pyrolysis treatment device's solid material exit linkage goes out carbon device.
Further, the biomass pretreatment device is arranged in a pretreatment workshop, and the pretreatment workshop is connected with the tail gas treatment device through a fan;
biomass preprocessing device includes the living beings collecting pit, elementary breaker, living beings metal magnet separator, living beings cylinder sieve separator, secondary crusher and spiral wringing machine, be equipped with between living beings collecting pit and the elementary breaker and grab the material machine, elementary breaker, living beings metal magnet separator and living beings cylinder sieve separator connect gradually, the coarse fodder export of living beings cylinder sieve separator passes through secondary crusher and connects spiral wringing machine, the thin material exit linkage spiral wringing machine of living beings cylinder sieve separator, the exit linkage material hold up tank of spiral wringing machine, the material hold up tank is through grabbing material machine connection weighing machine. The tail gas treatment device comprises a desulfurizing tower, tail gas generated by the drying device is discharged from a tail gas exhaust port at one end above the drying device, the tail gas enters the desulfurizing tower from a gas inlet at the bottom of the desulfurizing tower through a pipeline by a high-temperature draught fan, a liquid storage area is arranged at the bottom of the desulfurizing tower, a side stirrer is installed, a three-layer spraying water distribution device, a two-layer demister and a three-layer backwashing device are installed in the middle of the tower body of the desulfurizing tower, multiple layers of nozzles are installed in each layer of the desulfurizing tower, alkaline water mist is sprayed without dead angles, the contact area of the tail gas with the alkaline water mist is greatly increased by the spraying devices after the tail gas enters the desulfurizing tower, residual particles in the tail gas can be thoroughly removed, sulfur contained in the tail gas meets alkali and changes, and the tail gas passes through the three-level spraying devices and is discharged after reaching the standard after passing through the alkaline water mist spray device from top, The foam and the tail gas are fully mixed and are subjected to chemical reaction for many times, and residual particles and sulfur in the tail gas are completely purified and then pass through a plasma deodorization device to reach the requirement of a discharge standard.
Furthermore, the cracking treatment device comprises a plurality of cracking reaction kettles which are arranged in series, the barrel body of each cracking reaction kettle is a concentric horizontal double-layer double-barrel hollow cylinder body with different diameters, the outer barrel body of each cracking reaction kettle is communicated with the outer barrel body, the inner barrel body of each cracking reaction kettle is communicated with the inner barrel body, the inner barrel body and the inner barrel body are communicated and connected in series, each barrel body and the end sockets are fixed at two ends of each barrel body, and the corrugated metal expansion joints are arranged between every two adjacent cracking reaction kettles and between the barrel body and the end sockets of the cracking reaction kettles.
Further, go out the carbon device including going out carbon case, heat conduction carbon case and auger carbon cooling device, go out the carbon case and connect the heat conduction carbon case through first carbon auger that goes out, the heat conduction carbon case goes out the carbon auger through the second and connects auger carbon cooling device, auger carbon cooling device connects the sieve separator, the sieve separator still has connected gradually living beings metal magnet separator and non ferrous metal warehouse, be equipped with heat transfer device between heat conduction carbon case and the drying device, carbon warehouse is connected to the sieve separator, living beings metal magnet separator connects the carbon sediment warehouse.
Further, the drying device include stoving auger and drying drum, the stoving auger sets up in drying drum entry one side, hot gas inlet has been seted up to the living beings feed inlet one end of stoving auger, steam gets into in the stoving auger and impels forward along with the material and follow the discharge gate and discharge and continue to dry until discharging from the tail gas outlet to the material in directly getting into drying drum, tail gas processing apparatus is connected to the tail gas outlet, auger piece and the auger barrel in the stoving auger have the interval to set up, hot gas inlet passes through heat transfer device and connects out the carbon device, drying drum's intermediate layer hot gas entry connection schizolysis processing apparatus.
Further, the biomass pretreatment device is also connected with a sewage treatment device; sewage treatment plant is including the preprocessing device who connects gradually and biological activated carbon purification treatment and carbon filtration device, first reverse osmosis unit, degasser and second reverse osmosis unit, and first reverse osmosis unit is DTRO dish tubular processing apparatus, and the concentrate after sewage treatment is sent into the schizolysis reation kettle and is carried out the schizolysis and handle.
Further, the biomass pyrolysis gas treatment device comprises a three-phase separator, a condenser, an oil-water separator, a desulfurization and dehydrogenation device, a sewage purification device and a water circulation pool which are sequentially connected, wherein the three-phase separator is connected with a heavy oil storage tank, the condenser is respectively connected with a light oil storage tank and a heavy oil storage tank, the oil-water separator is respectively connected with the light oil storage tank and a gas bag, and the gas bag is connected with a heating mechanism of the pyrolysis treatment device.
The treatment method of the biomass low-temperature anaerobic cracking treatment device comprises the following steps:
1) the utility model discloses a biomass storage pond, biomass pretreatment device, the living beings are collected the living beings raw materials of treating the schizolysis processing, carry out broken and non ferrous metal to the living beings raw materials and select separately, and the non ferrous metal that the sorting was come out directly sends into non ferrous metal and stores the storehouse, and the living beings raw materials after the sorting is selected separately through the sieve separator, and the fine material that the sorting was come out directly sends into spiral wringing machine, directly sends into the material storage pond after wringing. Sending the sorted coarse materials into a secondary crusher for crushing, then sending the crushed coarse materials into a spiral wringing machine for wringing, arranging a material grabbing machine between a material storage pool and a belt electronic scale, connecting the belt electronic scale with a spiral extruder, and sending the biomass raw materials into a drying device by the spiral extruder;
2) the drying device dries the biomass raw material and sends the biomass raw material into the cracking treatment device through the screw extruder;
3) the dried biomass raw material is subjected to cracking reaction in the cracking treatment device, the cracking gas is sent into the biomass cracking gas treatment device for treatment, the material is changed into carbon after the cracking treatment and directly enters the carbon outlet device, and the fuel required by the heating of the cracking treatment device is taken from the combustible gas after the purification treatment of the biomass cracking gas treatment device.
Further, the drying device comprises a drying auger and a drying roller, the drying auger is arranged on one side of an inlet of the drying roller, the temperature in the drying auger is 100-150 ℃, the rotating speed of an auger shaft is 30-150 revolutions per minute, the temperature in the drying roller is 80-120 ℃, the rotating speed of the roller body is 20-120 revolutions per minute, and the retention time of materials in the roller body is 30-60 minutes.
Furthermore, the cracking treatment device comprises a plurality of cracking reaction kettles, the barrel of each cracking reaction kettle comprises an inner barrel and an outer barrel, a reaction kettle interlayer is formed between the inner barrel and the outer barrel, and a hollow shaft and a propeller blade arranged on the hollow shaft are arranged in each cracking reaction kettle; the shaft head of the hollow shaft extends out of the outer cylinder body, the outer side of the end socket of the cracking reaction kettle is provided with a bearing seat, the shaft head is connected with the bearing seat through a bearing, and the shaft head and the bearing seat are connected with a water cooling device;
the plurality of cracking reaction kettles comprise a first cracking reaction kettle, a second cracking reaction kettle, a third cracking reaction kettle and a fourth cracking reaction kettle which are sequentially connected in series from bottom to top; the first cracking reaction kettle is connected with a heating mechanism, and hot gas generated by the heating mechanism sequentially flows through the first cracking reaction kettle, the second cracking reaction kettle, the third cracking reaction kettle and the fourth cracking reaction kettle and passes through the reaction kettle interlayers; hot gas is discharged from a hot gas outlet of the interlayer of the reaction kettle and enters the drying roller;
the temperature in the fourth cracking reaction kettle is 200-300 ℃, the rotating speed of a hollow shaft and a propeller blade in the kettle is 30-80 rpm, and the retention time of materials in the kettle is as follows: after the materials are dried and cracked by the fourth cracking reaction kettle for 1-1.5 hours, the materials are discharged from a discharge port at one end of the bottom of the kettle and directly enter a feed port at one end above the third cracking reaction kettle to enter the kettle for continuous cracking treatment;
the temperature in the third cracking reaction kettle is 300-400 ℃, the rotating speed of a hollow shaft and a propeller blade in the kettle is 30-80 rpm, and the retention time of materials in the kettle is as follows: after the materials are cracked in the third cracking reaction kettle for 1.5-2 hours, the materials are discharged from a discharge hole at one end of the bottom of the kettle and directly enter a feed hole at one end above the second cracking reaction kettle to enter the kettle for continuous cracking treatment;
the temperature in the second cracking reaction kettle is 400-500 ℃, the rotating speed of a hollow shaft and a propeller blade in the kettle is 30-80 rpm, and the retention time of materials in the kettle is as follows: after the materials are cracked in the second cracking reaction kettle for 2-2.5 hours, the materials are discharged from a discharge hole at one end of the bottom of the kettle and directly enter a feed hole at one end above the first cracking reaction kettle to continue cracking treatment;
the temperature in the first cracking reaction kettle is 500-600 ℃, the rotating speed of a hollow shaft and a propeller blade in the kettle is 30-80 rpm, and the retention time of materials in the kettle is as follows: 2.5 to 3 hours. After the materials are cracked and carbonized by the first cracking reaction kettle, the materials are discharged from a carbon outlet at one end of the bottom of the kettle and directly enter a carbon outlet device.
The invention has the following advantages:
according to the low-temperature anaerobic biomass cracking treatment device and the treatment method, the screw extruders are respectively designed and installed in front of the drying device and behind the drying device, the screw extruders are used for carrying out secondary extrusion on materials, so that the compactness of the materials is increased, and the secondary oxygen isolation sealing effect is achieved. The whole drying and cracking process is carried out in a fully-closed anaerobic state, the safety, environmental protection and no secondary pollution of the whole drying and cracking process are ensured, the energy consumption is reduced, and the device can be used for realizing continuous treatment of biomass raw materials and realizing large-scale application of a biomass cracking conversion method.
The device runs under the fully-closed negative pressure state, a plurality of exhaust gas discharge ports are installed above a workshop for the waste gas generated in the pretreatment process of biomass, and the waste gas absorbed by the pretreatment workshop is sent to a tail gas treatment device by a high-pressure draught fan through a pipeline and is discharged after reaching the standard after deodorization and purification.
The cracking treatment device is technically designed to connect a plurality of reaction kettles in series and use, and the inner and outer cylinders are communicated up and down, so that the device can continuously run for 24 hours to carry out cracking treatment, and the yield and the quality of the cracking treatment are improved. And the wave-shaped metal expansion is utilized to save energy and effectively eliminate the attraction generated by the cracking treatment device when the cracking treatment device works at high temperature and is expanded with heat and contracted with cold, thereby prolonging the service life of the equipment.
The biomass low-temperature anaerobic cracking treatment method can completely crack all biomass, treat harmful substances in the biomass completely, and recover and recycle oil, gas and carbon discharged after cracking treatment to reach the national emission standard, thereby maximizing benefits.
Drawings
In order to more clearly illustrate the embodiments of the present invention or the technical solutions in the prior art, the drawings used in the description of the embodiments or the prior art will be briefly described below. It should be apparent that the drawings in the following description are merely exemplary, and that other embodiments can be derived from the drawings provided by those of ordinary skill in the art without inventive effort.
The structures, ratios, sizes, and the like shown in the present specification are only used for matching with the contents disclosed in the specification, so that those skilled in the art can understand and read the present invention, and do not limit the conditions for implementing the present invention, so that the present invention has no technical significance, and any structural modifications, changes in the ratio relationship, or adjustments of the sizes, without affecting the functions and purposes of the present invention, should still fall within the scope of the present invention.
Fig. 1 is a schematic view of a low-temperature anaerobic biomass pyrolysis treatment device provided in embodiment 1 of the present invention;
FIG. 2 is a schematic view of a screw extruder according to example 1 of the present invention;
FIG. 3 is a schematic view of a drying apparatus;
FIG. 4 is a schematic view of a cracking apparatus according to example 1 of the present invention;
FIG. 5 is a schematic structural view of a first cleavage reaction vessel in example 1 of the present invention;
FIG. 6 is a schematic structural view of a second cleavage reaction vessel in example 1 of the present invention;
FIG. 7 is a schematic structural view of a third cleavage reaction vessel in example 1 of the present invention;
FIG. 8 is a schematic structural view of a fourth cleavage reaction vessel in example 1 of the present invention;
FIG. 9 is a schematic view of a carbon discharge apparatus according to embodiment 1 of the present invention;
in the figure: 1-biomass collection pool 2-material grabbing machine 3-fan 4-primary crusher 5-biomass metal magnetic separator 6-biomass roller screening machine 7-secondary crusher 8-screw wringing machine 9-material storage pool 10-belt electronic scale 11-screw extruder 12-drying auger 13-drying roller 14-tail gas exhaust port 15-tail gas treatment device 16-first cracking reaction kettle 17-second cracking reaction kettle 18-third cracking reaction kettle 19-fourth cracking reaction kettle 20-waveform metal expansion joint 21-heating mechanism 22-three-phase separator 23-condenser 24-oil-water separator 25-desulfurization and dehydrogenation device 26-sewage purification device 27-water circulation pool 28-heat exchange device 29-heavy oil storage tank 30-light oil storage tank 31-gas bag 32-Gas generator 33,sewage collection tank 34,sewage pretreatment mechanism 35,sewage filtering device 36, activated carbonpurification treatment device 37,carbon filtering device 38, firstreverse osmosis device 39,degassing tower 40, secondreverse osmosis device 41,carbon box 42, firstcarbon discharge auger 43, heatconduction carbon box 44, second carbon dischargeauger cooling device 45, carbonroller screening machine 46, carbon slag metalmagnetic separator 47,non-ferrous metal warehouse 48,carbon powder warehouse 49,carbon slag warehouse 50,outer cylinder 51,inner cylinder 52,reaction kettle interlayer 53,hollow shaft 54,spiral blade 55,baffle plate 56, guide plate 57,combustion bed 58,combustion chamber 59, regulatingvalve 60,gas nozzle 61, conical extrusion cylinder 62-63,feed inlet 64 and discharge outlet 65-A blade 66, awater outlet mesh 67, a sealingpressure maintaining section 68, a bearing 69, an augercarbon cooling device 70 and a water cooling device.
Detailed Description
The present invention is described in terms of particular embodiments, other advantages and features of the invention will become apparent to those skilled in the art from the following disclosure, and it is to be understood that the described embodiments are merely exemplary of the invention and that it is not intended to limit the invention to the particular embodiments disclosed. All other embodiments, which can be derived by a person skilled in the art from the embodiments given herein without making any creative effort, shall fall within the protection scope of the present invention. In the present specification, the terms "upper", "lower", "left", "right", "middle", and the like are used for clarity of description, and are not intended to limit the scope of the present invention, and changes or modifications in the relative relationship may be made without substantial changes in the technical content.
Referring to fig. 1, this living beings low temperature anaerobic cracking processing apparatus includes living beings preprocessing device, drying device,screw extruder 11, cracking processing device, heating device, tailgas processing device 15, living beings schizolysis gas processing device and play carbon device, drying device connects living beings preprocessing device and schizolysis processing device throughscrew extruder 11 respectively, tailgas processing device 15 is still connected to drying device's tail gas outlet, cracking processing device connects heating device, biomass schizolysis gas processing device is connected to cracking processing device's gas outlet, cracking processing device's solid material outlet connects out the carbon device.
The biomass pretreatment device is arranged in a pretreatment workshop, and the pretreatment workshop is connected with a tailgas treatment device 15 through afan 3. The exhaust gas is discharged after being deodorized and purified by the tailgas treatment device 15, so that the harmful gas generated in the pretreatment process is effectively controlled not to be discharged outwards, and the secondary emission pollution is reduced. The process method of the technology comprises the steps that gas generated by a drying device is chemically reacted with alkaline water liquid and then is sprayed, filtered and purified, and then is discharged after reaching standards, a tailgas treatment device 15 comprises a desulfurizing tower, tail gas generated by the drying device is discharged from a tail gas exhaust port at one end above the drying device, the tail gas enters the desulfurizing tower from a gas inlet at the bottom of the desulfurizing tower through a pipeline by a high-temperature induced draft fan, a liquid storage area is arranged at the bottom of the desulfurizing tower, a side stirrer is installed, a three-layer spraying water distribution device, a two-layer demister and a three-layer backwashing device are installed in the middle of the desulfurizing tower, multiple layers of nozzles are installed in each layer of the desulfurizing tower, alkaline water mist is sprayed without dead angles, the contact area of the tail gas with the alkaline water mist is greatly increased through the spraying devices after the tail gas enters the desulfurizing tower, residual particles in the tail gas can be thoroughly removed, sulfur contained in the, The foam and the tail gas are fully mixed and are subjected to chemical reaction for many times, and residual particles and sulfur in the tail gas are completely purified and then pass through a plasma deodorization device to reach the requirement of a discharge standard.
Biomass preprocessing device includes living beings collecting pit 1, living beings metal magnet separator 5, living beings cylinder sieve separator 6,elementary breaker 4,second grade breaker 7 and spiral wringing machine 8, be equipped with between living beings collecting pit 1 and theelementary breaker 4 andgrab material machine 2,elementary breaker 4, living beings metal magnet separator 5 and living beings cylinder sieve separator 6 connect gradually, the coarse fodder export of living beings cylinder sieve separator 6 passes throughsecond grade breaker 7 and connects spiral wringing machine 8, the thin material export lug connection spiral wringing machine 8 of living beings cylinder sieve separator 6, the export of spiral wringing machine 8 passes through band conveyer and connectsmaterial reservoir 9,material reservoir 9 connects beltelectronic scale 10 throughgrabbing machine 2. The biomass metal magnetic separator 5 is a vortex metal magnetic separator.
After biomass is collected, the biomass is conveyed to a biomass collecting tank 1 by using a special transport vehicle, and the biomass collecting tank 1 has the main functions of centralized stacking, temporary storage and waiting for treatment after biomass is collected. The collecting pit is rectangular three-dimensional storage, and the size of collecting pit is decided according to this schizolysis processing apparatus's daily throughput, and 1 bottom design of living beings collecting pit has material leachate collecting vat, filtration liquid etc. to assemble the pond and send into the collecting pit with the sewage pump in concentrated, handles through sewage treatment plant and recycles after reaching standard.
Grabmaterial machine 2 and install the inboard intermediate position in the pond left side at living beings collecting pit 1 andmaterial storage tank 9, grabmaterial machine 2 and be driven by the motor, arm hydraulic transmission, according to the signal of material detection instrument transmission, grab the band conveyer hopper in the material according to the speed of setting for in the pond, send into the breaker feed inlet uniformly by band conveyer and carry out the breakage to the material, the device degree of automation is high (need not personnel field operation, reduce the injury of pollutant to the human body), the flexible operation, high convenience and fast, can control.
Theprimary crusher 4 and thesecondary crusher 7 are double-shaft double-drive roll crusher, and comprise a machine base, a machine body, a motor, a speed reducer, a bearing, a main shaft, blades, a broach device, a feeding hopper, a discharging port, a power distribution cabinet and the like. Two motors with power of 90 KW-132 KW are used for primary crushing and coarse crushing, two motors with power of 55 KW-75 KW are used for secondary crushing and fine crushing, and a cutter is adopted: the device adopts a full-inlet cutter, the coarse breaking requirement specification is 30-300 mm, the fine breaking requirement specification is 30-100 mm, the coarse breaking yield is 20 tons/hour, and the fine breaking yield is 15 tons/hour, the device adopts a staggered and opposite rolling design of two groups of inlet cutters, two motors with the same power rotate in opposite directions with the same speed and the same frequency, a speed reducer is driven by the motors to drive two groups of blades to rotate in opposite directions, a feeding hopper is arranged above a breaker, the feeding hopper is arranged above a breaker feed inlet, the materials are shredded after entering the feeding hopper, the shredded materials are discharged from a discharge outlet below the breaker, enter a conveyor hopper and are sent into a vortex metal torsion magnetic separator by the conveyor for magnetic separation, and the device has the advantages that the large shredding force, the breaking yield and the maintenance and the control are convenient, and common metals can be effectively cut off when entering the mechanical working state, And (4) crushing. When the metal object is extremely large and hard, the device can start an automatic protection function to trigger an automatic alarm and an automatic stop device to wait and remind workers to check and process.
Band conveyer by the transport support, the conveyer belt, including a motor, an end cap, a controller, and a cover plate, the speed reducer, the transmission gyro wheel, the riding wheel, the pinch roller, accessories such as belt mediation bolt constitute, the device is a material transmission device, carry the material to the other end from one end, band conveyer's one end belt top is equipped with the feeding hopper, the transmission gyro wheel is installed at the transport support both ends, install a plurality of riding wheels in the middle of the support, pinch roller and belt adjusting bolt are installed to the below of support one end, the conveyer belt is installed around the round on transmission gyro wheel and riding wheel, transmission such as motor and speed reducer are installed to transport frame one end, the material gets into behind band conveyer feeding hopper, drive transmission gyro wheel by transmission, it drives the conveyer belt to have the transmission gyro wheel again, the material in the feeding hopper is delivered to the assigned position through the conveyer. Has the advantages of large transportation amount, simple structure, easy control, convenient maintenance and the like.
Vortex metal magnet separator installs betweenbroken breaker 4 of elementary and living beings cylinder sieve separator 6, and there is the band conveyer at both ends to connect, include: the device comprises a rack, a shield, a material distributing plate, a conveying belt, a vibration feeding device, a conveying driving roller, a separation magnetic roller, a discharge port, a transmission device, a control cabinet and the like. The device is a novel metal sorting device, and the device utilizes the conductor to carry out jump separation to the material in high magnetic field induction, can accurately separate out non ferrous metal from the material and has the belt conveyor to directly send into nonferrous metal warehouse 47. The sorted materials are directly sent into a drum-type screening machine by a belt conveyor. The magnetic separation device has the advantages of simple operation, convenient installation, strong adaptability, high resolution and stable and durable magnetic separation performance.
The biomass roller screening machine 6 is a circular roller. The device comprises a drum screen bracket, a drum screen shell, a drum screen, a shaft, a bearing, a transmission device, a feeding hole, a fine material discharging hole, a coarse material discharging hole and the like. The device is a circular roller screen, the roller screen is installed on a roller screen support, the inclination is installed on a roller screen, a feeding hopper is arranged at the top of one end of the height of the roller screen, a dustproof shell is arranged outside the roller screen, a fine material discharge port is arranged at the bottom of the roller screen, a coarse material discharge port is arranged at the tail of the roller screen, a transmission device is installed below one end of the roller screen, the roller screen is driven to rotate by the transmission device, materials enter a feed port, the materials are driven to roll by the rotation of the roller screen, the materials are effectively sorted by adopting a metal mesh roller screen designed according to the specified requirements, the coarse materials and the fine materials are preliminarily sorted from the feed port to the discharge port, the sorted coarse materials are discharged from the coarse material discharge port at the tail of the roller screen and are sent to a crusher hopper by a belt conveyor, secondary crushing (fine crushing) is directly sent to a screw squeezer 8, and the sorted fine materials are discharged from.
The screw wringing machine 8 comprises a frame, a cylinder, a screw shaft, a bearing, a transmission device, a feed hopper, a discharge port and the like. The device has a conical design inside the cylinder. Cylinder top one end is equipped with the feed inlet, and the afterbody of cylinder is equipped with the discharge gate, and the cylinder bottom is equipped with a plurality of meshs, and the mesh below is equipped with the delivery port, and the pipeline connection is used to the delivery port, directly discharges into the effluent water sump extruded sewage, and transmission is installed to cylinder one end. The material is driven by the screw shaft transmission device to rotate after entering from the feeding hole, the material is pushed forward, the material is extruded at the screw shaft through the conical cylinder, the moisture in the material is extruded out, the extruded sewage is discharged from the water outlet, the sewage is sent into thesewage collecting tank 33 through the pipeline by the sewage pump, the sewage is treated by the sewage treatment device and recycled after reaching the standard, and the extruded material directly enters thematerial storage tank 9. The device has the main function of extruding the original water in the material. Shorten the drying time of the materials and accelerate the cracking of the materials. The advantages are that: simple operation, low maintenance cost, high yield and the like.
Thematerial storage tank 9 is a cuboid storage tank, biomass is collected and directly enters the material storage tank after being pretreated by rough crushing, magnetic separation, fine crushing, water squeezing and the like, and the biomass is stacked at zero time and waits for treatment. The material storage pool is designed for meeting the requirement of uninterrupted feeding of the drying device and the cracking device, and the normal operation of the equipment is ensured. The main functions are material zero-hour storage, turnover, uniform supply and the like.
The beltelectronic scale 10 is specifically designed according to the specific requirements of the biomass cracking processing device and materials. Comprises a hopper, a belt, a conveyor frame, a transmission roller, a riding wheel, a pinch roller, an electronic scale, a transmission device, an adjusting tension bolt, a control box and the like. The device is a device for weighing and metering materials by belt transmission, and is arranged between amaterial storage pool 9 and ascrew extruder 11, a feeding hopper is arranged above a belt at one end of anelectronic belt scale 10, transmission rollers are arranged at two ends of a conveying support, the electronic scale is arranged below the belt at the middle position of the conveying support, a transmission device is arranged at one end of the conveying support, and a conveying belt is arranged on the transmission rollers and the support and surrounds a circle. The material in thematerial storage pool 9 is grabbed into an electronic belt weighing hopper by thematerial grabbing machine 2 and conveyed to the beltelectronic scale 10 for weighing and metering, the material weighing entering the auger drying device is calculated according to a set time period, the statistical data is transmitted back to a central control room, an operator directly enters the hopper of thescrew extruder 11 according to the quantity and the temperature of the entering material, the feeding speed and the operation conditions of the auger drying device and the dryingroller 13 are adjusted and controlled at any time, and the weighed and metered material.
Referring to fig. 2, thescrew extruder 11 includes aconical extrusion cylinder 61, ascrew shaft 62, a driving device, ablade 65, afeed port 63, adischarge port 64, and the like. The upper side of one end of the conicalextrusion cylinder body 61 is provided with afeeding hole 63, the lower side of the other end is provided with a discharginghole 64, the inner diameter of the conicalextrusion cylinder body 61 is gradually reduced along the direction from the feedinghole 63 to the discharginghole 64, thescrew shaft 62 is arranged in the conicalextrusion cylinder body 61, and thescrew shaft 62 is provided with blades. The hopper is arranged above the feedingport 63, the bottom of the conical extrusion cylinder body is provided with water outlet mesh holes 66, and after materials are extruded, sewage flows out of the water outlet mesh holes 66 and is discharged through the water outlet. The delivery port is connected with the pipeline, send sewage into thesewage collecting pit 33, the tail that thescrew axis 62 is close to dischargegate 64 has the optical axis of about a meter no blade, and thetoper extrusion barrel 61 that the optical axis is located is sealedpressurize section 67, mainly plays and cuts off external oxygen, prevents that oxygen from getting into in the cauldron and the cauldron internal gas outwards not revealing, and this equipment has guaranteed that the material gets into dryingroller 13, the schizolysis reation kettle is under the airtight state of oxygen-free. The driving device drives the screw shaft to rotate, the screw shaft is pushed to advance along the axial direction under the rotating push of the screw shaft, and the materials form huge extrusion force under the action of the changed screw pitch in the advancing process, so that the materials are extruded and formed under the action of external force. When the material extrudesdischarge gate 64,blade 65 is installed to the discharge gate, directly pushes up onblade 65 when the material extrudes the discharge gate, directly gets into next grade equipment after the material separates throughblade 65 under the effect of extrusion force, and the material diminishes after separating to be favorable to material fast drying and schizolysis. This advantage lies in: the feeding is uniform, the oxygen isolation and sealing performance are good, and the operation is simple. The device can feed uniformly and quantitatively.
Referring to fig. 3, the drying device comprises a dryingauger 12 and a dryingdrum 13, wherein the dryingauger 12 is arranged on one side of an inlet of the dryingdrum 13. Wherein stovingauger 12 includes auger barrel, auger axle, bearing, feeding hopper, transmission, steam entry, and the auger axle passes through the bearing setting in the auger barrel, andstoving auger 12 is installed in 13 feeding one sides of drying drum, installs inclination, and the biggest slope is 90 degrees. The heat preservation layer is arranged outside the barrel, a feed port at the lower end of the auger barrel is connected with a feed port of ascrew extruder 11 of the biomass pretreatment device, a feed port at the upper end and a discharge port at the tail of the auger barrel are connected with a feed port of a dryingroller 13, a hot gas inlet is arranged on the edge of the feed port at the lower end of the auger barrel and is connected with a hot air pipe through a flange, waste heat in the heat-conducting carbon box is replaced by a heat-conducting fluidheat exchange device 28, and the replaced waste heat is guided into the hot gas inlet of the auger barrel through. The transmission device drives the auger shaft to push the materials upwards along the auger piece from bottom to top along the rotation direction of the auger shaft until the materials are discharged from the discharge port and enter the dryingroller 13, and hot gas preheats and dries the materials along the advancing direction of the materials until the materials enter the dryingroller 13. The dryingauger 12 is provided with a hot gas inlet, and the carbon waste heat is replaced by the heat transfer fluidheat exchange device 28 by fully utilizing the carbon waste heat to preheat and dry materials. Certain space is reserved between the packing auger piece on the packing auger shaft and the cylinder body, so that the materials are in full contact with hot air, the materials are in direct contact with hot air when rolling forwards along with the packing auger shaft, so that a large amount of moisture in the materials is evaporated, the drying of the materials is accelerated, and the packing auger cylinder body is in a fully-closed anaerobic state.
Dryingdrum 13 includes the drying drum body, and the drying drum body rotates and sets up on the riding wheel, and drive arrangement drives dryingdrum 13 rotatory, is equipped with striker plate and stock guide in the dryingdrum 13, and the striker plate setting is being close to export one end, and the stock guide evenly sets up in the drying drum body, and dryingauger 12 is connected to dryingdrum 13's feed inlet, and the discharge gate passes throughscrew extruder 11 and connects the schizolysis processing apparatus. An interlayer hot gas inlet is formed in the outer side of the drying cylinder body, the interlayer hot gas inlet is connected with a hot gas outlet of the cracking treatment device, a drying tailgas exhaust port 14 is formed above one end of the drying cylinder, and the tailgas exhaust port 14 is connected with a tailgas treatment device 15. The dryingdrum 13 is in a fully-closed oxygen-free state in the operation process. The wave-shapedmetal expansion joint 20 is additionally arranged between the drying cylinder body and the end sockets at two ends, and the main function is that the gravity of the dryingcylinder 13 generated by the operation temperature at high temperature to the cylinder body is adjusted or eliminated by the device. The protective cylinder body does not deform or crack in the operation process, and the service life of the cylinder body of the dryingroller 13 is prolonged.
The drying barrel can also be a single-layer barrel, hot air is sent into the barrel by thedraught fan 3 to be in direct contact with materials, the direct contact between heat energy and the materials is fully utilized, and the effect of quick drying is achieved. Its advantage is: short drying time, high yield and simple operation. Also can be the three-layer barrel, the outside has two-layer barrel to be that the inserted cylinder forms the intermediate layer, designs in the intermediate layer to have spiral air duct, sends into dryingdrum 13 the left side barrel top head steam inlet from the 52 steam outlet of schizolysis reation kettle intermediate layer by hightemperature draught fan 3, and steam gets into spiral air duct back along spiral air duct circulation use heating, and the heat preservation is installed to the drying drum outside, guarantees temperature thermally equivalent in the barrel, its advantage: energy conservation, heat preservation, safe operation and strong controllability.
The tailgas treatment device 15 comprises a desulfurizing tower, tail gas generated by the drying device is discharged from a tail gas exhaust port at one end above the drying device, the tail gas enters the desulfurizing tower from an air inlet at the bottom of the desulfurizing tower through a pipeline by a high-temperature induced draft fan, a liquid storage area is arranged at the bottom of the desulfurizing tower, a side stirrer is arranged, a three-layer spraying water distribution device is arranged in the middle of a tower body of the desulfurizing tower, two layers of demisters and three layers of backwashing devices are arranged in the desulfurizing tower, a plurality of spray heads are arranged on each layer, alkaline water mist is sprayed without dead angles, the contact area of the tail gas with the alkaline water mist is greatly increased through all levels of spraying devices after the tail gas enters the desulfurizing tower, residual particles in the tail gas can be thoroughly removed, sulfur and alkali contained in the tail gas meet and change, the tail gas is fully mixed with the alkaline water solution from top to bottom through three levels of spraying devices, foam and the tail gas, chemical reaction is generated for many .
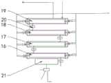
Referring to fig. 4, the cracking treatment device comprises a plurality of horizontal cracking reaction kettles which are arranged in series, each cracking reaction kettle comprises a cylinder and end sockets fixed at two ends of the cylinder, and the waveformmetal expansion joints 20 are arranged between two adjacent cracking reaction kettles and between the cylinder and the end socket of each cracking reaction kettle, so that the equipment can continuously run for 24 hours to perform cracking treatment, and the yield and the quality of the cracking treatment are improved. The wave-shapedmetal expansion joint 20 can effectively eliminate the attraction generated by the cracking treatment device when the cracking treatment device works at high temperature and is expanded with heat and contracted with cold, and the service life of the device is prolonged.
The plurality of cracking reaction kettles comprise a first crackingreaction kettle 16, a second crackingreaction kettle 17, a third crackingreaction kettle 18 and a fourth crackingreaction kettle 19 which are sequentially connected in series from bottom to top; the first crackingreaction kettle 16 is connected with theheating mechanism 21, and hot gas generated by theheating mechanism 21 flows through thereaction kettle interlayers 52 of the first crackingreaction kettle 16, the second crackingreaction kettle 17, the third crackingreaction kettle 18 and the fourth crackingreaction kettle 19 in sequence. The device adopts a low-temperature anaerobic cracking treatment technology without screening, and does not need classification and has no secondary pollution in the treatment process.
Referring to fig. 5, the cylinder of the first crackingreactor 16 includes aninner cylinder 51 and anouter cylinder 50, areactor interlayer 52 is formed between theinner cylinder 51 and theouter cylinder 50, and ahollow shaft 53 and apropeller blade 54 disposed on thehollow shaft 53 are disposed in the cracking reactor; the bearing at the two ends of thehollow shaft 53 directly influences the service life of the bearing and the normal operation of the equipment under high temperature, the prior art can not solve the problem all the time, the device moves the bearing seat and thebearing 68 to the outside of the end sockets at the two ends of the first crackingreaction kettle 16 on the structural design of the equipment, the shaft heads at the two ends of thehollow shaft 53 extend out of the outside of the first crackingreaction kettle 16 and then are connected with the bearing seat, in addition, water inlet and outlet holes are designed on the bearing seat and the shaft heads at the two ends, awater cooling device 70 is installed, the service life of the bearing is ensured through water. The device is structurally characterized in that the corrugatedmetal expansion joints 20 are designed and installed between the two ends of aninner cylinder 50 and anouter cylinder 50 of a reaction kettle and between the inner end socket and the outer end socket at the two ends, and the corrugatedmetal expansion joints 20 are designed and installed at the upper feed inlet and the lower feed outlet of the cracking reaction kettle, so that the phenomenon that the cracking reaction kettle generates attraction force on the cylinders due to the expansion caused by heat and contraction caused by cold when working at high temperature is effectively eliminated, and the service life of the cracking reaction kettle is prolonged. The spiral air duct is installed in the design of the middle interlayer of theinner barrel body 50 and theouter barrel body 50 of the device, hot air enters the interlayer spiral air duct to heat theinner barrel body 51 of the first cracking reaction kettle after being heated by the heating device at the bottom of the first crackingreaction kettle 16, the stay time of the hot air in the kettle body is prolonged by the design of the spiral air duct, the heat energy is fully utilized, the temperature in the kettle is ensured, the temperature is rapidly raised, and the material cracking is accelerated.
The barrel of the cracking reaction kettle comprises two concentric horizontal cylinders with different diameters, and the cylinders are arranged on the base and fixed without rotation. The two ends of the inner and outer cylinders and the middle of the end socket are provided with corrugatedmetal expansion joints 20 which are connected with each other by flanges. A spiral air duct is designed in the middle of the interlayer of the cylinder body. Two ends of the corrugatedmetal expansion joint 20 are connected by flanges, and a single corrugated metal expansion joint or a plurality of corrugatedmetal expansion joints 20 can be connected in an overlapping mode for use. The device is arranged at the middle positions of the two ends of the inner and outer circular cylinders of the crackingreaction kettle 19 and the end sockets and the middle positions of the material inlet and outlet at the upper and lower ends of the cylinders, and the end sockets are arranged outside the corrugatedmetal expansion joints 20 at the two ends of the cylinders and are connected with each other by flanges. The corrugatedmetal expansion joint 20 mainly plays a role in adjusting or eliminating the cylinder attraction force generated by the operating temperature of the cracking reaction kettle body at high temperature on the cylinder through the device. The protective kettle body does not deform or crack in the operation process, and the service life of the cracking reaction kettle body is prolonged.
A feed inlet is designed at one end above a barrel body of a first crackingreaction kettle 16, the feed inlet is connected with a discharge outlet of a second crackingreaction kettle 17, a waveform metal expansion joint is arranged in the middle, two ends of the waveform metal expansion joint are connected by flanges, an interlayer hot gas outlet is arranged at one end above the first crackingreaction kettle 16, an interlayer hot gas outlet is directly connected with a gas inlet of the second crackingreaction kettle 17, a carbon outlet is connected with a carbon box, the waveform metal expansion joint is arranged in the middle, two ends of the waveform metal expansion joint are connected by flanges, aheating mechanism 21 is arranged below the first crackingreaction kettle 16, and heated hot gas enters an interlayer spiral air duct of the cracking reaction kettle to heat the barrel body in the first crackingreaction kettle 16 from bottom to top, then the gas is discharged from a hot gas outlet of an interlayer at one end above the first crackingreaction kettle 16, and the full-closed anaerobic state in the kettle must be ensured in the operation process of the whole cracking reaction kettle.
Thehollow shaft 53 in the cracking reaction kettle is formed by welding seamless steel tubes, the two ends of the shaft are designed to be solid shafts, thehollow shaft 53 is arranged in the middle of the shaft, the solid shaft heads at the two ends of the shaft are provided with inlet high-temperature resistant bearings, thebearings 68 are arranged in bearing seats, the bearing seats are arranged outside end sockets at the two ends of the kettle body, the bearing seats and the shaft end heads at the two ends of the shaft are respectively provided with two water holes, the two holes are connected, one hole is a water inlet hole, the other hole is a water outlet hole, and the hollow shaft is matched with a. Thehollow shaft 53 in the kettle body is provided with apropeller blade 54, one end of the shaft is connected with a transmission device, the middle of the shaft is connected with a coupler, the transmission device drives the shaft to rotate, and the shaft drives thepropeller blade 54 to rotate, so that the materials in the kettle are repeatedly stir-fried and are pushed forwards until the materials are discharged. The cracking reaction kettle is externally provided with a heat preservation layer which plays a role in preserving heat of the temperature in the kettle, the cracking reaction kettle surrounds the surface of the kettle body to be installed, the inside is made of fireproof flame-retardant heat preservation materials, the surface is made of stainless steel sheets or thin color steel plates, the cracking reaction kettle is modularly designed according to the shape and the size of the kettle body of the cracking reaction kettle, and the cracking reaction kettle is directly assembled on site. The heat preservation effect is good for advantage: simple structure, simple to operate, the equipment maintenance of being convenient for.
The water cooling device of thebearing 68 comprises a water storage tank, a cooling tower, a shaft head with a hole, a water pipe and a water pump. The water pump utilizes the water of storage tank to send to the foraminiferous spindle nose and the bearing frame in cracking reation kettle both ends, and the inlet opening gets into through water cooling back and then from apopore discharge water pump sending to the cooling tower cooling back and get back to the storage tank cycle and use again. The device effectively protects the bearing, prolongs the service life of the bearing and ensures the normal operation of equipment.
Be equipped withstriker plate 55 in theinterior barrel 51,striker plate 55 sets up the half height of barrel internal diameter before being close to cleavage reaction cauldron below discharge gate, andstriker plate 55 makes the material fully stir the reaction in the cauldron is internal, and the inner wall of barrel includingstock guide 56 evenly sets up, andstock guide 56 then guarantees that the material removes to the discharge gate at the internal feed inlet of cauldron, avoids the putty.
Theheating mechanism 21 includes acombustion chamber 58, a combustion bed 57, acombustion nozzle 60, and an auto-ignition device. Thecombustion chamber 58 is arranged at the bottom of the lower part of theouter cylinder 50 of the first crackingreaction kettle 16, the combustion bed 57 is arranged at the inner side of the lower part of thecombustion chamber 58, and the periphery of thecombustion chamber 58 is sealed by steel plate girth welding, so that the full combustion of gas is ensured, and no gas is discharged. The burner bed 57 is provided with a burner, aburner nozzle 60, a regulatingvalve 59, a gas pipeline and a control device. Thecombustion nozzle 60 is installed on the combustion bed 57, and the nozzle is directed upward and inclined at an angle to heat theinner cylinder 51 of the firstcleavage reaction vessel 16. The automatic ignition device adopts a pulse igniter, is a common ignition mode of industrial combustion equipment, consists of a switch igniter, and has the advantages of simple and convenient operation, high ignition and ignition rate, stable combustion, strong controllability, simple structure, convenient maintenance, safety and reliability.
Referring to fig. 6, the cylinder of the second crackingreactor 16 includes aninner cylinder 51 and anouter cylinder 50, areactor interlayer 52 is formed between theinner cylinder 51 and theouter cylinder 50, and ahollow shaft 53 and apropeller blade 54 disposed on thehollow shaft 53 are disposed in the cracking reactor; the bearing at the two ends of thehollow shaft 53 directly influences the service life of the bearing and the normal operation of equipment under high temperature, the prior art can not solve the problem all the time, the device moves the bearing seat and thebearing 68 to the outside of the end sockets at the two ends of the second crackingreaction kettle 17 on the structural design of the equipment, the shaft heads at the two ends of thehollow shaft 53 extend out of the outside of the second crackingreaction kettle 17 and then are connected with the bearing seat, in addition, water inlet and outlet holes are designed on the bearing seat and the shaft heads at the two ends, a water cooling device is installed, the service life of the bearing is ensured through water circulation. The device is structurally characterized in that the corrugatedmetal expansion joints 20 are designed and installed between the two ends of aninner cylinder 50 and anouter cylinder 50 of a reaction kettle and between the inner end socket and the outer end socket at the two ends, and the corrugatedmetal expansion joints 20 are designed and installed at the upper feed inlet and the lower feed outlet of the cracking reaction kettle, so that the phenomenon that the cracking reaction kettle generates attraction force on the cylinders due to the expansion caused by heat and contraction caused by cold when working at high temperature is effectively eliminated, and the service life of the cracking reaction kettle is prolonged. The spiral air duct is installed in the design of the middle interlayer of theinner barrel body 50 and theouter barrel body 50 of the device, hot air enters the interlayer spiral air duct to heat theinner barrel body 51 of the first cracking reaction kettle after being heated by the heating device at the bottom of the first crackingreaction kettle 16, the stay time of the hot air in the kettle body is prolonged by the design of the spiral air duct, the heat energy is fully utilized, the temperature in the kettle is ensured, the temperature is rapidly raised, and the material cracking is accelerated.
The barrel of the cracking reaction kettle comprises two concentric horizontal cylinders with different diameters, and the cylinders are arranged on the base and fixed without rotation. The two ends of the inner and outer cylinders and the middle of the end socket are provided with corrugatedmetal expansion joints 20 which are connected with each other by flanges. A spiral air duct is designed in the middle of the interlayer of the cylinder body. The two ends of the corrugatedmetal expansion joint 20 are connected by flanges, and a single corrugatedmetal expansion joint 20 or a plurality of corrugatedmetal expansion joints 20 can be connected in an overlapping way for use. The device is arranged at the middle positions of the two ends of the inner and outer circular cylinders of the crackingreaction kettle 19 and the end sockets and the middle positions of the material inlet and outlet at the upper and lower ends of the cylinders, and the end sockets are arranged outside the corrugatedmetal expansion joints 20 at the two ends of the cylinders and are connected with each other by flanges. The corrugatedmetal expansion joint 20 mainly plays a role in adjusting or eliminating the cylinder attraction force generated by the operating temperature of the cracking reaction kettle body at high temperature on the cylinder through the device. The protective kettle body does not deform or crack in the operation process, and the service life of the cracking reaction kettle body is prolonged.
A feed inlet is designed at one end above a cylinder body of a second crackingreaction kettle 17, the feed inlet is connected with a discharge outlet of a third crackingreaction kettle 18, a waveform metal expansion joint is arranged in the middle, two ends of the waveform metal expansion joint are connected through flanges, an interlayer hot gas outlet is arranged at one end above the second crackingreaction kettle 17, an interlayer hot gas outlet is directly connected with a gas inlet of the third crackingreaction kettle 18, the discharge outlet is connected with the feed inlet of the first cracking reaction kettle, the waveform metal expansion joint is arranged in the middle, two ends of the waveform metal expansion joint are connected through flanges, an interlayer hot gas inlet is arranged at one end below the second crackingreaction kettle 17, the interlayer hot gas inlet is directly connected with an interlayer hot gas outlet at one end above the first cracking reaction kettle, and the whole cracking reaction kettle has the condition of complete anaerobic tightness in the kettle in the operation process.
Thehollow shaft 53 in the cracking reaction kettle is formed by welding seamless steel tubes, the two ends of the shaft are designed to be solid shafts, thehollow shaft 53 is arranged in the middle of the shaft, the solid shaft heads at the two ends of the shaft are provided with inlet high-temperature resistant bearings, thebearings 68 are arranged in bearing seats, the bearing seats are arranged outside end sockets at the two ends of the kettle body, the bearing seats and the shaft end heads at the two ends of the shaft are respectively provided with two water holes, the two holes are connected, one hole is a water inlet hole, the other hole is a water outlet hole, and the hollow shaft is matched with a. Thehollow shaft 53 in the kettle body is provided with apropeller blade 54, one end of the shaft is connected with a transmission device, the middle of the shaft is connected with a coupler, the transmission device drives the shaft to rotate, and the shaft drives thepropeller blade 54 to rotate, so that the materials in the kettle are repeatedly stir-fried and are pushed forwards until the materials are discharged. The cracking reaction kettle is externally provided with a heat preservation layer which plays a role in preserving heat of the temperature in the kettle, the cracking reaction kettle surrounds the surface of the kettle body to be installed, the inside is made of fireproof flame-retardant heat preservation materials, the surface is made of stainless steel sheets or thin color steel plates, the cracking reaction kettle is modularly designed according to the shape and the size of the kettle body of the cracking reaction kettle, and the cracking reaction kettle is directly assembled on site. The heat preservation effect is good for advantage: simple structure, simple to operate, the equipment maintenance of being convenient for.
The water cooling device of thebearing 68 comprises a water storage tank, a cooling tower, a shaft head with a hole, a water pipe and a water pump. The water pump utilizes the water of storage tank to send to the foraminiferous spindle nose and the bearing frame in cracking reation kettle both ends, and the inlet opening gets into through water cooling back and then from apopore discharge water pump sending to the cooling tower cooling back and get back to the storage tank cycle and use again. The device effectively protects the bearing, prolongs the service life of the bearing and ensures the normal operation of equipment.
Be equipped withstriker plate 55 in theinterior barrel 51,striker plate 55 sets up the half height of barrel internal diameter before being close to cleavage reaction cauldron below discharge gate, andstriker plate 55 makes the material fully stir the reaction in the cauldron is internal, and the inner wall of barrel includingstock guide 56 evenly sets up, andstock guide 56 then guarantees that the material removes to the discharge gate at the internal feed inlet of cauldron, avoids the putty.
Referring to fig. 7, the cylinder of the third crackingreactor 18 includes aninner cylinder 51 and anouter cylinder 50, areactor interlayer 52 is formed between theinner cylinder 51 and theouter cylinder 50, and ahollow shaft 53 and apropeller blade 54 arranged on thehollow shaft 53 are arranged in the cracking reactor; the bearing at the two ends of thehollow shaft 53 directly influences the service life of the bearing and the normal operation of equipment under high temperature, the prior art can not solve the problem all the time, the device moves the bearing seat and thebearing 68 to the outer side of the end sockets at the two ends of the third crackingreaction kettle 18 on the structural design of the equipment, the shaft heads at the two ends of thehollow shaft 53 extend out of the outer side of the third crackingreaction kettle 18 and then are connected with the bearing seat, in addition, water inlet and outlet holes are designed on the bearing seat and the shaft heads at the two ends, a water cooling device is installed, the service life of the bearing is ensured through. The device is structurally characterized in that the corrugatedmetal expansion joints 20 are designed and installed between the two ends of aninner cylinder 50 and anouter cylinder 50 of a reaction kettle and between the inner end socket and the outer end socket at the two ends, and the corrugatedmetal expansion joints 20 are designed and installed at the upper feed inlet and the lower feed outlet of the cracking reaction kettle, so that the phenomenon that the cracking reaction kettle generates attraction force on the cylinders due to the expansion caused by heat and contraction caused by cold when working at high temperature is effectively eliminated, and the service life of the cracking reaction kettle is prolonged. The spiral air duct is installed in the design of the middle interlayer of theinner barrel body 50 and theouter barrel body 50 of the device, hot air enters the interlayer spiral air duct to heat theinner barrel body 51 of the first cracking reaction kettle after being heated by the heating device at the bottom of the first crackingreaction kettle 16, the stay time of the hot air in the kettle body is prolonged by the design of the spiral air duct, the heat energy is fully utilized, the temperature in the kettle is ensured, the temperature is rapidly raised, and the material cracking is accelerated.
The barrel of the cracking reaction kettle comprises two concentric horizontal cylinders with different diameters, and the cylinders are arranged on the base and fixed without rotation. The two ends of the inner and outer cylinders and the middle of the end socket are provided with corrugatedmetal expansion joints 20 which are connected with each other by flanges. A spiral air duct is designed in the middle of the interlayer of the cylinder body. Two ends of the corrugatedmetal expansion joint 20 are connected by flanges, and a single corrugated metal expansion joint or a plurality of corrugatedmetal expansion joints 20 can be connected in an overlapping mode for use. The device is arranged at the middle positions of the two ends of the inner and outer circular cylinders of the crackingreaction kettle 19 and the end sockets and the middle positions of the material inlet and outlet at the upper and lower ends of the cylinders, and the end sockets are arranged outside the corrugatedmetal expansion joints 20 at the two ends of the cylinders and are connected with each other by flanges. The corrugatedmetal expansion joint 20 mainly plays a role in adjusting or eliminating the cylinder attraction force generated by the operating temperature of the cracking reaction kettle body at high temperature on the cylinder through the device. The protective kettle body does not deform or crack in the operation process, and the service life of the cracking reaction kettle body is prolonged.
A feed inlet is designed at one end above a barrel body of a third crackingreaction kettle 18, the feed inlet is connected with a discharge outlet of a fourth crackingreaction kettle 19, a waveform metal expansion joint is arranged in the middle, two ends of the waveform metal expansion joint are connected by flanges, an interlayer hot gas outlet is arranged at one end above the third crackingreaction kettle 18, an interlayer hot gas outlet is directly connected with a fourth cracking reaction kettle gas inlet, a discharge outlet is connected with a feed inlet of a second crackingreaction kettle 17, a waveform metal expansion joint is arranged in the middle, two ends of the waveform metal expansion joint are connected by flanges, an interlayer hot gas inlet is arranged at one end below the third crackingreaction kettle 18, the interlayer hot gas inlet is directly connected with an interlayer hot gas outlet at one end above the second crackingreaction kettle 17, and the whole cracking reaction kettle has the condition of complete sealing and no oxygen in the kettle in the operation process.
Thehollow shaft 53 in the cracking reaction kettle is formed by welding seamless steel tubes, the two ends of the shaft are designed to be solid shafts, thehollow shaft 53 is arranged in the middle of the shaft, the solid shaft heads at the two ends of the shaft are provided with inlet high-temperature resistant bearings, thebearings 68 are arranged in bearing seats, the bearing seats are arranged outside end sockets at the two ends of the kettle body, the bearing seats and the shaft end heads at the two ends of the shaft are respectively provided with two water holes, the two holes are connected, one hole is a water inlet hole, the other hole is a water outlet hole, and the hollow shaft is matched with a. Thehollow shaft 53 in the kettle body is provided with apropeller blade 54, one end of the shaft is connected with a transmission device, the middle of the shaft is connected with a coupler, the transmission device drives the shaft to rotate, and the shaft drives thepropeller blade 54 to rotate, so that the materials in the kettle are repeatedly stir-fried and are pushed forwards until the materials are discharged. The cracking reaction kettle is externally provided with a heat preservation layer which plays a role in preserving heat of the temperature in the kettle, the cracking reaction kettle surrounds the surface of the kettle body to be installed, the inside is made of fireproof flame-retardant heat preservation materials, the surface is made of stainless steel sheets or thin color steel plates, the cracking reaction kettle is modularly designed according to the shape and the size of the kettle body of the cracking reaction kettle, and the cracking reaction kettle is directly assembled on site. The heat preservation effect is good for advantage: simple structure, simple to operate, the equipment maintenance of being convenient for.
Referring to fig. 8, the cylinder of the fourth crackingreactor 16 includes aninner cylinder 51 and anouter cylinder 50, areactor interlayer 52 is formed between theinner cylinder 51 and theouter cylinder 50, and ahollow shaft 53 and apropeller blade 54 disposed on thehollow shaft 53 are disposed in the cracking reactor; the bearing at the two ends of thehollow shaft 53 directly influences the service life of the bearing and the normal operation of equipment under high temperature, the prior art can not solve the problem all the time, the device moves the bearing seat and thebearing 68 to the outer side of the end sockets at the two ends of the fourth crackingreaction kettle 19 on the structural design of the equipment, the shaft heads at the two ends of thehollow shaft 53 extend out of the outer side of the fourth crackingreaction kettle 19 and then are connected with the bearing seat, in addition, water inlet and outlet holes are designed on the bearing seat and the shaft heads at the two ends, a water cooling device is installed, the service life of the bearing is ensured through. The device is structurally characterized in that the corrugatedmetal expansion joints 20 are designed and installed between the two ends of aninner cylinder 50 and anouter cylinder 50 of a reaction kettle and between the inner end socket and the outer end socket at the two ends, and the corrugatedmetal expansion joints 20 are designed and installed at the upper feed inlet and the lower feed outlet of the cracking reaction kettle, so that the phenomenon that the cracking reaction kettle generates attraction force on the cylinders due to the expansion caused by heat and contraction caused by cold when working at high temperature is effectively eliminated, and the service life of the cracking reaction kettle is prolonged. The spiral air duct is installed in the design of the middle interlayer of theinner barrel body 50 and theouter barrel body 50 of the device, hot air enters the interlayer spiral air duct to heat theinner barrel body 51 of the first cracking reaction kettle after being heated by the heating device at the bottom of the first crackingreaction kettle 16, the stay time of the hot air in the kettle body is prolonged by the design of the spiral air duct, the heat energy is fully utilized, the temperature in the kettle is ensured, the temperature is rapidly raised, and the material cracking is accelerated.
The barrel of the cracking reaction kettle comprises two concentric horizontal cylinders with different diameters, and the cylinders are arranged on the base and fixed without rotation. The two ends of the inner and outer cylinders and the middle of the end socket are provided with corrugatedmetal expansion joints 20 which are connected with each other by flanges. A spiral air duct is designed in the middle of the interlayer of the cylinder body. Two ends of the corrugatedmetal expansion joint 20 are connected by flanges, and a single corrugated metal expansion joint or a plurality of corrugatedmetal expansion joints 20 can be connected in an overlapping mode for use. The device is arranged at the middle positions of the two ends of the inner and outer circular cylinders of the crackingreaction kettle 19 and the end sockets and the middle positions of the material inlet and outlet at the upper and lower ends of the cylinders, and the end sockets are arranged outside the corrugatedmetal expansion joints 20 at the two ends of the cylinders and are connected with each other by flanges. The corrugatedmetal expansion joint 20 mainly plays a role in adjusting or eliminating the cylinder attraction force generated by the operating temperature of the cracking reaction kettle body at high temperature on the cylinder through the device. The protective kettle body does not deform or crack in the operation process, and the service life of the cracking reaction kettle body is prolonged.
Thehollow shaft 53 in the cracking reaction kettle is formed by welding seamless steel tubes, the two ends of the shaft are designed to be solid shafts, thehollow shaft 53 is arranged in the middle of the shaft, the solid shaft heads at the two ends of the shaft are provided with inlet high-temperature resistant bearings, thebearings 68 are arranged in bearing seats, the bearing seats are arranged outside end sockets at the two ends of the kettle body, the bearing seats and the shaft end heads at the two ends of the shaft are respectively provided with two water holes, the two holes are connected, one hole is a water inlet hole, the other hole is a water outlet hole, and the hollow shaft is matched with a. Thehollow shaft 53 in the kettle body is provided with apropeller blade 54, one end of the shaft is connected with a transmission device, the middle of the shaft is connected with a coupler, the transmission device drives the shaft to rotate, and the shaft drives thepropeller blade 54 to rotate, so that the materials in the kettle are repeatedly stir-fried and are pushed forwards until the materials are discharged. The cracking reaction kettle is externally provided with a heat preservation layer which plays a role in preserving heat of the temperature in the kettle, the cracking reaction kettle surrounds the surface of the kettle body to be installed, the inside is made of fireproof flame-retardant heat preservation materials, the surface is made of stainless steel sheets or thin color steel plates, the cracking reaction kettle is modularly designed according to the shape and the size of the kettle body of the cracking reaction kettle, and the cracking reaction kettle is directly assembled on site. The heat preservation effect is good for advantage: simple structure, simple to operate, the equipment maintenance of being convenient for. Thestock guide 56 evenly sets up including the barrel inner wall, andstock guide 56 then guarantees that the material is at the internal feed inlet of cauldron and remove to the discharge gate, avoids the putty.
The water cooling device of thebearing 68 comprises a water storage tank, a cooling tower, a shaft head with a hole, a water pipe and a water pump. The water pump utilizes the water of storage tank to send to the foraminiferous spindle nose and the bearing frame in cracking reation kettle both ends, and the inlet opening gets into through water cooling back and then from apopore discharge water pump sending to the cooling tower cooling back and get back to the storage tank cycle and use again. The device effectively protects the bearing, prolongs the service life of the bearing and ensures the normal operation of equipment.
The design of fourth schizolysis reation kettle top one end has the feed inlet, the feed inlet has the discharge gate with the design of 11 below one end of screw extruder, connect with the flange each other, top one end is equipped with cracked gas outlet and intermediate layer steam outlet, schizolysis reation kettle cracked gas outlet and pipeline lug connection, by the leading-in living beings cracked gas processing apparatus of cracked gas through the pipeline following current of cracked gas, intermediate layer steam gas outlet is connected with hightemperature draught fan 71, there is hightemperature draught fan 3 to send intermediate layer steam into the cylinder drying device through the tuber pipe and supply the material drying process. The lower end of the cracking reaction kettle is provided with a discharge port which is connected with a feed port of a third crackingreaction kettle 18, the middle of the cracking reaction kettle is provided with a waveformmetal expansion joint 20, two ends of the waveformmetal expansion joint 20 are connected by flanges, the lower end of the cracking reaction kettle is provided with an interlayer hot gas inlet, the interlayer hot gas inlet is directly connected with anouter barrel 50 of an interlayer hot gas outlet at the upper end of the third crackingreaction kettle 18 by a flange, and the cracking treatment operation process in the whole cracking reaction kettle must ensure the fully-closed anaerobic state in the kettle.
The biomass pyrolysis gas treatment device comprises a three-phase separator 22, acondenser 23, an oil-water separator 24, a desulfurization anddehydrogenation device 25, asewage purification device 26 and a water circulation pool 27 which are sequentially connected, wherein the three-phase separator 22 is connected with a heavyoil storage tank 29, thecondenser 23 is respectively connected with a lightoil storage tank 30 and a heavyoil storage tank 30, the oil-water separator 24 is respectively connected with a light oil storage tank and agas bag 31, and thegas bag 31 is connected with aheating mechanism 21 of the pyrolysis treatment device.
Referring to fig. 9, the carbon discharging device comprises acarbon discharging box 41 and a heat conductingcarbon box 43, thecarbon discharging box 41 is connected with the heat conductingcarbon box 43 through a firstcarbon discharging auger 42, the heat conductingcarbon box 43 is connected with an augercarbon cooling device 69 through a secondcarbon discharging auger 44, the augercarbon cooling device 69 is further sequentially connected with a screening machine, a biomass metal magnetic separator 5 and anonferrous metal warehouse 47, a heat conductingheat exchange device 28 is arranged between the heat conductingcarbon box 43 and a drying device, the screening machine is connected with the carbon warehouse, and the biomass metal magnetic separator 5 is connected with acarbon slag warehouse 49. The device designs the carbon box and the heat conduction carbon box to mainly play a role of isolating oxygen and sealing by using carbon, compared with the prior art, the device avoids the phenomenon that a large amount of water vapor enters the first crackingreaction kettle 16 due to the fact that water directly enters the carbon box for cooling and the large amount of heat energy is consumed to help water to evaporate. And utilize dry charcoal exhaust temperature at 500~600 ℃ high temperature, designed heat conduction charcoal case and come out the heat energy of charcoal bringing through heat-conducting fluid andsupply stoving auger 12 to preheat the stoving to the material to the waste heat replacement, make full use of charcoal waste heat is dried, practices thrift the energy consumption and reduces the running cost.
The carbon box comprises a box body, a carbon inlet, a stirrer, a limiter, a carbon outlet auger, a thermometer, a pressure gauge and the like. The top of box top is equipped with into charcoal mouth, it is connected with 16 charcoal outlets of first schizolysis reation kettle to advance the charcoal mouth, the wave form expansion joint is installed to the centre, the expansion joint both ends are connected with the flange, install the agitator in the box on box top both sides, the stopper is installed from top to bottom to the box inboard, thermometer and manometer are installed to the box top, the bottom is equipped with out the charcoal mouth in the box, go out charcoal mouth and play charcoal auger access connection, it installs at the bottom half to go out the charcoal auger, the charcoal is followed schizolysis reation kettle and is gone out the charcoal mouth and discharged direct entering charcoal case and then send into the heat conduction charcoal case by charcoal auger bottom the charcoal, box outside integral mounting has the heat preservation. The device is in a fully-closed oxygen-free state, and plays a role in carbon sealing and oxygen isolation. The heat-conductingcarbon tank 43 has a structure substantially the same as that of thecarbon tank 41, and a heat-conducting pipe is additionally provided in the heat-conducting carbon tank. The outlet of the secondcarbon discharging auger 44 is connected with an augercarbon cooling device 69 to continuously cool the discharged carbon.
The augercarbon cooling device 69 comprises a cylinder, an auger shaft, a high-temperature bearing, a driving device, a carbon inlet, a carbon outlet, a water inlet pipe, a water outlet pipe, a water pump, a water storage tank, a cooling tower and the like. The device is two concentric circular cylinders with different diameters, and is formed by rolling steel plates or welding steel pipes. The spiral water channel is arranged between the two cylinders, the bottom of one end of each cylinder is provided with a driving device (motor), the screw shaft is arranged inside each cylinder, high-temperature bearings are arranged at shaft heads at two ends of the screw shaft, the bearings are arranged on bearing seats outside the flanges, the bearing seats are fixed on the flanges, the flanges are arranged at two ends of each cylinder, one end of the screw shaft is directly connected with the driving device, a carbon inlet is arranged above one end of each inner cylinder, the upper end of the carbon inlet is connected with a carbon outlet of the carbon outlet screw, a carbon outlet is arranged below one end of each inner cylinder, the carbon outlet is connected with a carbon inlet of the roller screening machine, a water inlet is arranged at one end above each outer cylinder, the. A water outlet is arranged below the other end of the outer cylinder body and is connected with a water pump, and water discharged from the water outlet is pressurized by the water pump and then is sent into the cooling tower. The cooled water is sent back to the water storage tank for recycling. The water storage tank is a cuboid and is formed by welding steel plates. Storage water tank top one side is equipped with the inlet tube, and the inlet tube is connected with the valve, and storage water tank below one side is equipped with the outlet pipe, and the outlet pipe is connected with the valve, and the inlet tube is connected with cooling tower bottom outlet pipe, and the outlet pipe is connected with the flood dragon cooling device inlet tube, and the device mainly sends the storage water tank through the water pipe after cooling through the water of cooling tower and stores, supplies auger cooling device charcoal cooling water circulation to use. The cooling tower is circular, adopts the counter-current formula gas heat exchange technique, and the main part adopts full steel construction, and glass steel sheet protects the enclosure, and the tower body is equipped with overhauls the staircase, supplies the normal maintenance management of tower top equipment. The water distribution is uniform through a rotary water distribution mode or a tubular water distribution mode, the cooling effect is enhanced, and the shape of the water distribution device is circular. The method comprises the following steps: the device comprises a water spraying filler, a water distribution system, a ventilation device, a dehydrator, a tower body, a water collecting tank, a water delivery system and the like.
The biomass pretreatment device is also connected with a sewage treatment device; the sewage treatment device comprises a pretreatment device, a firstreverse osmosis device 38, adegassing tower 39 and a secondreverse osmosis device 40 which are connected in sequence, wherein the firstreverse osmosis device 38 is a DTRO disc pipe type treatment device. Wherein the pretreatment device comprises asewage collecting tank 33, asewage pretreatment mechanism 34, asewage filtering device 35, an active carbonpurification treatment device 36 and acarbon filtering device 37 which are connected in sequence. And sending the concentrated solution after sewage treatment into a cracking reaction kettle for cracking treatment.
The biomass low-temperature anaerobic cracking treatment device is controlled by an automatic control device to work, and the automatic control device consists of a controlled object and a control device. The control device basically comprises: the device comprises a measuring device, a given link, a comparison link, an amplification link, an actuating mechanism, a correcting device and the like. The control method comprises the following steps: open-loop control systems, closed-loop control systems, and compound control systems. According to the characteristics of the input signal: constant value control system, follow-up system, program control system. According to the system characteristics: the system comprises a continuous system, a discrete system, a fixed system, a time-varying system, a linear system and a nonlinear system, wherein the linear system has superposition and homogeneity, and the automatic control principle mainly splits the linear fixed system.
The treatment method of the biomass low-temperature anaerobic cracking treatment device comprises the following steps of
The sanitation personnel collect the biomass (domestic garbage) and transport the biomass (domestic garbage) to a biomass pretreatment workshop by using a special garbage transport vehicle, and the domestic garbage is poured into the biomass collecting pool 1 according to a specified pouring parking space for waiting treatment after weighing and metering the weighbridge. Thematerial grabbing machine 2 can rotate to grab materials without dead angles, and respectively grabs materials in the biomass collecting tank 1 into a double-shaft double-drive opposite-rolling crusher hopper and grabs materials in thematerial storage tank 9 into a belt electronic weighing hopper. The materials separated by the vortex magnetic separator are directly sent to a biomass roller screening machine 6 by a belt conveyor for screening. The materials roll along with the rotation of the biomass drum screen, the materials roll from the feeding port to the discharging port under the action of gravity, the materials are separated according to the specified design requirements of the materials according to the specification size of the holes set by the screen, and the materials which reach the specified design requirements are discharged from the discharging port at the bottom of the drum type screening machine. The water is delivered into a spiral wringing machine 8 by a belt conveyor to be wrung and then delivered into amaterial storage pool 9 by the belt conveyor. Materials exceeding the specified design requirements are discharged from a discharge port at the tail part of the drum type screening machine, the materials are sent into asecondary crusher 7 by a belt conveyor to be secondarily crushed (a double-shaft double-drive double-roll crusher), the materials after secondary crushing are sent into a spiral wringing machine 8 by the belt conveyor to be wrung, and the materials after wringing are sent into amaterial storage pool 9 by the belt conveyor. The device has totally closed process, no discharge and no secondary pollution. The screw wringing machine 8 squeezes the materials, water squeezed from the materials is discharged from a water outlet at the bottom of the screw wringing machine 8 and is discharged into a sewage pool through a pipeline, and then the water is directly sent into asewage collecting pool 33 by a water pump and is recycled after being treated by a sewage treatment device to reach the standard. The extruded material is directly sent to amaterial storage pool 9 by a belt conveyor. A material grabbing machine grabs materials in a material storage pool to a belt electronic scale for weighing and then sends the materials into a screw extruder, and thescrew extruder 11 sends the materials into a drying device, a dryingauger 12 and a dryingroller 13 for drying.
2) The drying device dries the biomass raw material and sends the biomass raw material into the cracking treatment device through thescrew extruder 11; the temperature in the dryingauger 12 is 90-150 ℃, the rotation speed of the auger shaft is 30-150 revolutions per minute, the temperature in the drying cylinder is 80-120 ℃, the rotation speed of the cylinder is 20-120 revolutions per minute, and the retention time of materials in the cylinder is 30-60 minutes. The tail gas generated by the dryingroller 13 is introduced into a tailgas treatment device 15 by a high-temperature fan 3 to be subjected to deodorization and purification treatment and then is discharged after reaching the standard.
3) The dried biomass raw material is subjected to cracking reaction in the cracking treatment device, the cracking gas is sent into the biomass cracking gas treatment device to be treated, the cracked material enters the carbon outlet device, and the fuel required by heating of the cracking treatment device is taken from the biomass cracking gas treatment device to treat the purified combustible gas.
The temperature in the fourth crackingreaction kettle 19 is 200-300 ℃, the rotating speed of thehollow shaft 53 and the rotating speed of thepropeller blade 54 are 30-80 rpm, and the time of the materials in the kettle is as follows: after the materials are dried and cracked in the fourth crackingreaction kettle 19 for 1-1.5 hours, the materials are discharged from a discharge hole at one end of the bottom of the kettle and directly enter a feed hole at one end above the third crackingreaction kettle 18 to enter the kettle for continuous cracking treatment;
the temperature in the third crackingreaction kettle 18 is 300-400 ℃, the rotating speed of thehollow shaft 53 and thepropeller blade 54 in the kettle is 30-80 rpm, and the retention time of the materials in the kettle is as follows: after the materials are cracked in the third crackingreaction kettle 18 for 1.5-2 hours, the materials are discharged from a discharge hole at one end of the bottom of the kettle and directly enter a feed hole at one end above the second crackingreaction kettle 17 to enter the kettle for continuous cracking treatment;
the temperature in the second crackingreaction kettle 17 is 400-500 ℃, the rotating speed of thehollow shaft 53 and thepropeller blade 54 in the kettle is 30-80 rpm, and the retention time of the materials in the kettle is as follows: after the materials are cracked in the second crackingreaction kettle 17 for 2-2.5 hours, the materials are discharged from a discharge hole at one end of the bottom of the kettle and directly enter a feed hole at one end above the first crackingreaction kettle 16 to be subjected to continuous cracking treatment;
the temperature in the first crackingreaction kettle 16 is 500-600 ℃, the rotating speed of thehollow shaft 53 and thepropeller blade 54 in the kettle is 30-80 rpm, and the residence time of the materials in the kettle is as follows: 2.5 to 3 hours. After the materials are cracked and carbonized by the first crackingreaction kettle 17, the materials are discharged from a carbon outlet at one end of the bottom of the kettle and directly enter a carbon outlet device.
The cracked gas is discharged from a cracked gas outlet at one end above the fourth crackingreaction kettle 19 into a pipeline, the cracked gas is guided by a pipeline to enter a three-phase separator 22 for gas-liquid separation, the separated heavy cracked oil is sent into a heavyoil storage tank 29 through the pipeline, the separated water enters an oil-water separator 24 for oil-water separation, and the separated heavy oil (tar) and light oil are sent into the heavyoil storage tank 29 and the lightoil storage tank 30 through pipelines respectively by an oil pump. Separated water is sent into a water storage tank by a water pump, cracked gas discharged after separation by a three-phase separator is sent into a condenser through a pipeline, oil and water discharged after condensation treatment of the cracked gas are converged into an oil-water separator 24 through a pipeline for oil-water separation, discharged combustible gas is sent into a desulfurization and dechlorination device through a pipeline for treatment and purification and then is directly sent into agas bag 31 for storage and recycling, and the cracked gas can be used for power generation of a gas generator 32 or directly recycled for heating of a cracking reaction kettle.
Cracking the carbon in a fourth cracking reaction kettle 19, a third cracking reaction kettle 18, a second cracking reaction kettle 17 and a first cracking reaction kettle 16 under a fully-closed low-temperature oxygen-free condition, discharging the carbon from a carbon outlet at one end below the first cracking reaction kettle 16 to directly enter a carbon box 41 after the carbon is completely cracked to form carbon, discharging the carbon out of the kettle to enter the carbon box 41 in the fully-closed oxygen-free state, discharging the carbon to enter the carbon box 41 at about 550-600 ℃, discharging the carbon from the carbon box 41 to enter a heat-conducting carbon box 43 through a first carbon outlet auger at high temperature, discharging the carbon from the carbon outlet of the heat-conducting carbon box 43 to enter a carbon inlet of the second carbon outlet auger 44, discharging the carbon from the carbon outlet of the heat-conducting carbon box 43 to an inlet of an auger cooling device, arranging heat-conducting pipes around the heat-conducting carbon box 43, and feeding heat-conducting pipes into the heat-conducting pipes from the side of the box, the heat conduction pipe is discharged from an outlet below the side face of the box body, a temperature sensor and a pressure sensor are installed on the side face of one side of the box body, a limiter is installed on the inner wall of the upper box body and the lower box body inside the box body, and a heat insulation material is installed on the whole outer side of the box body. The inside of the heatconduction carbon box 43 is in a totally-enclosed anaerobic state, and carbon directly enters the auger cooling device after being discharged from the heatconduction carbon box 43. The carbon slag is sent into a carbonroller screening machine 45 by an auger cooling device for carbon slag separation, the carbon after screening is discharged from the bottom of the carbonroller screening machine 45 and is conveyed to acarbon powder warehouse 48 by an auger conveyor, the slag after screening is discharged from the tail part of the roller screening machine and directly enters a carbon slag metalmagnetic separator 46 for magnetic separation, and the non-ferrous metal after separation is sent into anon-ferrous metal warehouse 47 by the conveyor for storage and sale. The carbon slag after magnetic separation is conveyed to acarbon slag warehouse 49 by a conveyor, and the carbon slag can be used as a brick making raw material or road material. The process method designs two carbon boxes, and ensures a certain storage amount of carbon in the carbon boxes to separate the external oxygen, thereby ensuring that the cracking reaction kettle carries out cracking treatment on the materials in a closed oxygen-free state. The carbon box is designed with a packing auger carbon discharging mode, and the packing auger carbon discharging mode is adopted to realize oxygen isolation and sealing between the carbon box and the carbon box, so that a large amount of water vapor generated in the water cooling process of the carbon is effectively prevented from entering the cracking reaction kettle. The heat energy brought out by the carbon discharged out of the kettle at high temperature and entering the carbon box is utilized, theheat exchange device 28 is designed, and the heat energy brought out by the carbon is replaced by theheat exchange device 28 to supply the dryingauger 12 to preheat and dry materials.
Sewage in thesewage collecting tank 33 is sent into asewage pretreatment mechanism 34 by a sewage pump for pretreatment by a special sewage medicine, the sewage is pretreated and then enters asewage filtering device 35 for filtering, the filtered concentrated solution is directly sent into a cracking reaction kettle for cracking treatment, the filtered sewage is sent into an activated carbon purification treatment, activated carbon with a certain proportion is put into the tank for stirring and purifying treatment and then is filtered by acarbon filtering device 37, and then the purified and filtered sewage is directly sent into a next-stage DTRO disc tube type treatment device by a water pump for treatment. The DTRO disc tubular treatment device comprises a disc tubular membrane column, a filtering membrane, a flow guide disc, a central pull rod, a flange, a high-pressure pump and the like, wherein the middle of the DTRO disc tubular treatment device is connected in series and overlapped and fixed at the upper end and the lower end by end covers, a flow channel is formed when the filtering membrane and the flow guide disc are overlapped, 180-degree turning is carried out between the upper flow channel and the lower flow channel, and uniformly arranged salient points are distributed on the surface of the flow guide disc. One side of the lower part of the device is provided with a purified water outlet. The sewage treatment process designs that the sewage is treated by self-produced biological activated carbon (the biological activated carbon has strong adsorption capacity and the function of purifying the sewage), so that the sewage treatment cost is greatly reduced, and the sewage treatment capacity is improved.
The technical method is characterized in that the whole biomass cracking treatment process comprises biomass pretreatment, a drying device, a full-automatic screw extruder, a cracking treatment device, a heating mechanism, a biomass cracking gas treatment device, a carbon discharging device, a sewage treatment device, a collecting and storing device and the like, linkage programming is carried out, data and information collected in the operation process through the linkage programming are all collected and transmitted to a central processing unit of a central control center to be collected and stored, and relevant parameters including the weighing quantity, the feeding speed, the temperature, the pressure, the flow, the air pollution degree and the like in a cracking reaction kettle are included. The staff analyzes according to the collected data and information, the biomass is accurately, timely and flexibly cracked under the low-temperature and anaerobic condition, the field staff is reduced, the processing cost is reduced, the working efficiency is improved, the automatic control and centralized management are really realized, and the purposes of decentralized control, centralized operation, graded management, flexible configuration and convenient organization are achieved.
Although the invention has been described in detail above with reference to a general description and specific examples, it will be apparent to one skilled in the art that modifications or improvements may be made thereto based on the invention. Accordingly, such modifications and improvements are intended to be within the scope of the invention as claimed.

Claims (9)

1. The utility model provides a living beings low temperature anaerobic cracking processing apparatus which characterized in that: the biomass low-temperature anaerobic cracking treatment device comprises a biomass pretreatment device, a drying device, a screw extruder (11), a cracking treatment device, a heating device, a tail gas treatment device (15), a biomass cracking gas treatment device and a carbon discharge device, wherein the drying device is respectively connected with the biomass pretreatment device and the cracking treatment device through the screw extruder (11), a tail gas outlet of the drying device is also connected with the tail gas treatment device (15), the cracking treatment device is connected with the heating device, a gas outlet of the cracking treatment device is connected with the biomass cracking gas treatment device, and a solid material outlet of the cracking treatment device is connected with the carbon discharge device;
the screw extruder (11) comprises a conical extrusion cylinder body (61), a screw shaft (62), a driving device, a blade (65), a feeding hole (63) and a discharging hole (64), wherein the feeding hole (63) is formed in the upper side of one end of the conical extrusion cylinder body (61), the discharging hole (64) is formed in the lower side of the other end of the conical extrusion cylinder body, the inner diameter of the conical extrusion cylinder body (61) is gradually reduced along the direction from the feeding hole (63) to the discharging hole (64), the screw shaft (62) is arranged in the conical extrusion cylinder body (61), the blade is arranged on the screw shaft (62), a hopper is installed above the feeding hole (63), a water outlet mesh hole (66) is formed in the bottom of the conical extrusion cylinder body, after materials are extruded, sewage flows out of the water outlet mesh hole (66) and is discharged through a water outlet, the water outlet is connected with a pipeline, the sewage, the conical extrusion cylinder (61) with the optical axis is a sealing pressure maintaining section (67).
the biomass pretreatment device comprises a biomass collecting tank (1), a primary crusher (4), a biomass metal magnetic separator (5), a biomass roller screening machine (6), a secondary crusher (7) and a spiral wringing machine (8), wherein a material grabbing machine (2) is arranged between the biomass collecting tank (1) and the primary crusher (4), the primary crusher (4) and the biomass metal magnetic separator (5) are sequentially connected with the biomass roller screening machine (6), a coarse material outlet of the biomass roller screening machine (6) is connected with the spiral wringing machine (8) through the secondary crusher (7), a fine material outlet of the biomass roller screening machine (6) is connected with the spiral wringing machine (8), an outlet of the spiral wringing machine (8) is connected with a material storage tank (9), and the material storage tank (9) is connected with a weighing mechanism through another material grabbing machine (2);
3. The low-temperature anaerobic biomass pyrolysis treatment device according to claim 1, characterized in that: go out the carbon device including going out carbon case (41), heat conduction carbon case (43) and auger carbon cooling device (69), go out carbon case (41) and connect heat conduction carbon case (43) through first carbon auger (42) that goes out, heat conduction carbon case (43) go out carbon auger (44) through the second and connect auger carbon cooling device (69), carbon cylinder sieve separator (45) is connected in auger carbon cylinder sieve separator (69), carbon cylinder sieve separator (45) still have connected gradually carbon sediment metal magnet separator (46) and non ferrous metal warehouse (47), be equipped with heat transfer device (28) between heat conduction carbon case (43) and the drying device, carbon powder (48) are connected in carbon cylinder sieve separator (45), carbon sediment metal magnet separator (46) are connected carbon sediment warehouse (49).
4. The low-temperature anaerobic biomass pyrolysis treatment device according to claim 1, characterized in that: drying device including stoving auger (12) and drying drum (13), stoving auger (12) set up in drying drum (13) entry one side, the steam entry has been seted up to the living beings feed inlet one end of stoving auger (12), steam gets into in the stoving auger (12) and impels forward along with the material and continue to dry until discharging from the tail gas outlet to the material in directly getting into drying drum (13) from the discharge gate discharge, tail gas processing apparatus is connected to the tail gas outlet, auger piece and auger barrel in the stoving auger (12) have the interval to set up, the steam entry passes through heat transfer device (28) and connects out the carbon device, the intermediate layer steam entry connection schizolysis processing apparatus of drying drum (13).
1) the biomass pretreatment device collects materials to be subjected to cracking treatment, the materials are crushed and separated by nonferrous metals, the separated nonferrous metals are directly sent to a nonferrous metal storage bin, the separated materials are separated by a biomass roller screening machine (6), the separated fine materials are directly sent to a spiral wringing machine and are directly sent to a material storage pool after being wrung, the separated coarse materials are sent to a secondary crusher for crushing and then are sent to the spiral wringing machine for wringing, a material grabbing machine is arranged between the material storage pool and a weighing mechanism, the weighing mechanism is connected with a spiral extruder, and the spiral extruder (11) sends the materials to a drying device;
9. The processing method according to claim 8, characterized in that: the cracking treatment device comprises a plurality of cracking reaction kettles, wherein the barrels of the cracking reaction kettles comprise an inner barrel (51) and an outer barrel (50), a reaction kettle interlayer (52) is formed between the inner barrel (51) and the outer barrel (50), and a hollow shaft (53) and a propeller blade (54) arranged on the hollow shaft (53) are arranged in the cracking reaction kettles; the shaft head of the hollow shaft (53) extends out of the outer cylinder (50), bearing seats are arranged on the outer sides of the end sockets at the two ends of the cracking reaction kettle, the shaft head is connected with the bearing seats through bearings, and the shaft head and the bearing seats are connected with water cooling devices;
the plurality of cracking reaction kettles comprise a first cracking reaction kettle (16), a second cracking reaction kettle (17), a third cracking reaction kettle (18) and a fourth cracking reaction kettle (19) which are sequentially connected in series from bottom to top; the first cracking reaction kettle (16) is connected with the heating mechanism (21), and hot gas generated by the heating mechanism (21) flows through the first cracking reaction kettle (16), the second cracking reaction kettle (17), the third cracking reaction kettle (18) and the fourth cracking reaction kettle (19) in sequence and passes through a reaction kettle interlayer (52); hot gas is discharged from a hot gas outlet of the interlayer of the reaction kettle interlayer (52) and then enters the drying roller (13);
CN202010192055.2A2020-03-182020-03-18Biomass low-temperature anaerobic cracking treatment device and treatment methodActiveCN111318547B (en)

Priority Applications (1)

Application NumberPriority DateFiling DateTitle
CN202010192055.2ACN111318547B (en)2020-03-182020-03-18Biomass low-temperature anaerobic cracking treatment device and treatment method

Applications Claiming Priority (1)

Application NumberPriority DateFiling DateTitle
CN202010192055.2ACN111318547B (en)2020-03-182020-03-18Biomass low-temperature anaerobic cracking treatment device and treatment method

Publications (2)

Publication NumberPublication Date
CN111318547A CN111318547A (en)2020-06-23
CN111318547Btrue CN111318547B (en)2020-12-04

Family

ID=71165899

Family Applications (1)

Application NumberTitlePriority DateFiling Date
CN202010192055.2AActiveCN111318547B (en)2020-03-182020-03-18Biomass low-temperature anaerobic cracking treatment device and treatment method

Country Status (1)

CountryLink
CN (1)CN111318547B (en)

Families Citing this family (6)

* Cited by examiner, † Cited by third party
Publication numberPriority datePublication dateAssigneeTitle
CN111675214A (en)*2020-06-292020-09-18中合天成科技发展(北京)有限公司Preparation system of palm-based artificial graphite
CN111704918B (en)*2020-07-012024-08-13马全良Anaerobic pyrolysis treatment device
CN112048326A (en)*2020-09-282020-12-08陶旭庆 A kind of low-temperature anaerobic cracking treatment device, process and application of coal gangue
CN112029523A (en)*2020-09-282020-12-04陶旭庆Low-temperature anaerobic straw cracking treatment device, process and application thereof
CN112108505A (en)*2020-09-282020-12-22陶旭庆Low-temperature anaerobic cracking treatment device, process and application of household garbage
CN112029520A (en)*2020-09-282020-12-04陶旭庆Organic solid waste low-temperature anaerobic cracking treatment device, process and application thereof

Citations (10)

* Cited by examiner, † Cited by third party
Publication numberPriority datePublication dateAssigneeTitle
US4983278A (en)*1987-11-031991-01-08Western Research Institute & Ilr Services Inc.Pyrolysis methods with product oil recycling
CN101352721A (en)*2007-07-232009-01-28周鼎力Method for sequentially processing consumer waste
CN102226092A (en)*2011-05-302011-10-26南京师范大学 Continuous biomass low-temperature pyrolysis carbonization method and its carbonization furnace
CN102816575A (en)*2012-07-242012-12-12上海清平环保科技有限公司Apparatus and process for destructive distillation and cracking of biomass
CN202717749U (en)*2012-08-212013-02-06上海中科岸达节能产品科技有限公司Biomass pyrogenic decomposition carbonization system device
CN103060011A (en)*2012-12-202013-04-24武汉天和技术股份有限公司Preparation method and device of thermally cracking biomass into gas in high-temperature and flash mode
CN106590702A (en)*2017-02-042017-04-26源创环境科技有限公司Low-temperature pyrolysis power generation system and method for household garbage
CN206631417U (en)*2017-03-242017-11-14西安热工研究院有限公司A kind of system for coal-fired flue-gas simultaneous SO_2 and NO removal
CN108246763A (en)*2017-12-072018-07-06上海威卖特环保设备有限公司A kind of continuous anaerobic thermal cracking of rubbish every oxygen exhauster and processing method
CN110437860A (en)*2019-08-222019-11-12浙江大学A kind of continuous biomass carbonated system of bilayer or multilayer horizontal revolving cartridge type

Patent Citations (10)

* Cited by examiner, † Cited by third party
Publication numberPriority datePublication dateAssigneeTitle
US4983278A (en)*1987-11-031991-01-08Western Research Institute & Ilr Services Inc.Pyrolysis methods with product oil recycling
CN101352721A (en)*2007-07-232009-01-28周鼎力Method for sequentially processing consumer waste
CN102226092A (en)*2011-05-302011-10-26南京师范大学 Continuous biomass low-temperature pyrolysis carbonization method and its carbonization furnace
CN102816575A (en)*2012-07-242012-12-12上海清平环保科技有限公司Apparatus and process for destructive distillation and cracking of biomass
CN202717749U (en)*2012-08-212013-02-06上海中科岸达节能产品科技有限公司Biomass pyrogenic decomposition carbonization system device
CN103060011A (en)*2012-12-202013-04-24武汉天和技术股份有限公司Preparation method and device of thermally cracking biomass into gas in high-temperature and flash mode
CN106590702A (en)*2017-02-042017-04-26源创环境科技有限公司Low-temperature pyrolysis power generation system and method for household garbage
CN206631417U (en)*2017-03-242017-11-14西安热工研究院有限公司A kind of system for coal-fired flue-gas simultaneous SO_2 and NO removal
CN108246763A (en)*2017-12-072018-07-06上海威卖特环保设备有限公司A kind of continuous anaerobic thermal cracking of rubbish every oxygen exhauster and processing method
CN110437860A (en)*2019-08-222019-11-12浙江大学A kind of continuous biomass carbonated system of bilayer or multilayer horizontal revolving cartridge type

Also Published As

Publication numberPublication date
CN111318547A (en)2020-06-23

Similar Documents

PublicationPublication DateTitle
CN111318547B (en)Biomass low-temperature anaerobic cracking treatment device and treatment method
CN102816575B (en)The device of biomass destructive distillation cracking process and process
US20200002630A1 (en)Pyrolysis processing of solid waste from a water treatment plant
CN110479731B (en)Harmless household garbage treatment equipment
CN107513389B (en)Carbonizing device capable of treating garbage
CN102703121B (en)Biomass gas generation system
CN111389878A (en) A solid zero-emission treatment system for domestic waste
CN109609190B (en)Garbage gasification and tar catalytic gasification device
CN103387841B (en)Cracker is dried in waste sludge from paper mill oil refining
CN210907353U (en)Harmless household garbage treatment equipment
CN112108505A (en)Low-temperature anaerobic cracking treatment device, process and application of household garbage
CN214767749U (en)Microwave thermal analysis device and oily solid waste treatment system
CN211367362U (en)Sludge cracking treatment device
CN112048326A (en) A kind of low-temperature anaerobic cracking treatment device, process and application of coal gangue
CN214108261U (en)Low-temperature anaerobic cracking treatment device for household garbage
CN212293425U (en)Organic solid waste low-temperature anaerobic cracking treatment device
CN213085883U (en)Low-temperature anaerobic cracking treatment device for straws
CN203411507U (en)Drying and cracking device for refining oil from papermaking waste residues
CN105778970B (en)A kind of continuous feed, the safety and environmental protection oil refining process of the waste and old organic cracking regeneration of deslagging
CN212476622U (en)Coal gangue low-temperature anaerobic cracking treatment device
CN202430176U (en)Biomass gas generating system
CN112624551A (en)Sludge cracking treatment device and cracking treatment process
CN201695000U (en)Sludge treatment system
CN116925914A (en) An automatic preparation and purification system for organic waste and its operation method
CN112029520A (en)Organic solid waste low-temperature anaerobic cracking treatment device, process and application thereof

Legal Events

DateCodeTitleDescription
PB01Publication
PB01Publication
SE01Entry into force of request for substantive examination
SE01Entry into force of request for substantive examination
GR01Patent grant
GR01Patent grant

[8]ページ先頭

©2009-2025 Movatter.jp