














技术领域technical field
本发明涉及医疗器械领域,进一步涉及电动吻合器,特别涉及用于电动吻合器的击发与弯转切换装置及其电动吻合器。The invention relates to the field of medical instruments, further relates to an electric stapler, in particular to a firing and turning switching device for the electric stapler and the electric stapler thereof.
背景技术Background technique
切割吻合器包括操作手柄、轴组件和末端执行器,其中末端执行器用于在操作手柄的控制下对人体内腔的组织进行切割缝合。现有电动腔镜切割吻合器和手动切割吻合器的末端执行器的弯转大多是通过手动旋转旋钮来实现的,在操作过程中,临床医生需要用一只手操作切割吻合器的柄部,用另一只手通过旋转旋钮来控制末端执行器的弯转。The cutting and stapler includes an operating handle, a shaft assembly and an end effector, wherein the end effector is used for cutting and suturing the tissue in the human body cavity under the control of the operating handle. The bending of the end effector of the existing electric endoscopic cutting stapler and manual cutting stapler is mostly realized by manually rotating the knob. During the operation, the clinician needs to operate the handle of the cutting stapler with one hand. Use the other hand to control the end effector bend by turning the knob.
这种技术的缺陷在于无法实现单手操作,且通过旋转旋钮操作时比较费力增加了临床医生的疲劳强度,同时只能实现固定的弯转角度。The disadvantage of this technology is that it cannot be operated with one hand, and it is laborious to operate by rotating the knob, which increases the fatigue strength of the clinician, and can only achieve a fixed bending angle.
在电动吻合器的操作过程中,如果在不正确的使用环境下触碰电动吻合器的操作开关如在钳口闭合的情况下,触碰电动弯转开关,会使器械钳口偏转,对人体组织造成创伤,造成医疗事故。而在钳口打开的情况下,如果勿触碰电动击发开关,会使器械产生损坏。因此设计一种电动击发与电动弯转的切换装置,在错误操作电动吻合器的电动击发和电动弯转开关时,避免电动击发和电动弯转系统执行动作错误则显得尤为重要。During the operation of the electric stapler, if the operation switch of the electric stapler is touched in an incorrect use environment, such as touching the electric bending switch when the jaws are closed, the jaws of the instrument will be deflected, which is harmful to the human body. Tissue causes trauma, causing medical malpractice. With the jaws open, if you do not touch the electric firing switch, it will cause damage to the instrument. Therefore, it is particularly important to design a switching device for electric firing and electric bending, when the electric firing and electric bending switches of the electric stapler are operated incorrectly, and it is particularly important to avoid the wrong execution of the electric firing and electric bending system.
发明内容SUMMARY OF THE INVENTION
本发明提供了一种用于电动吻合器的击发与弯转切换装置及其电动吻合器,以至少解决现有技术中由于不当操作电动吻合器的开关时而导致器械的电动击发和电动弯转系统产生错误的技术问题。The present invention provides a firing and bending switching device for an electric stapler and its electric stapler, so as to at least solve the electric firing and electric bending system of the instrument caused by improper operation of the switch of the electric stapler in the prior art A technical problem that produces an error.
本发明提供了一种用于电动吻合器的击发与弯转切换装置,上述击发与弯转切换装置包括电动击发系统、电动弯转系统、手柄、打开扳钮、切换电路以及电源,上述切换电路包括电路切换开关,上述手柄与上述打开扳钮接触连接,上述电路切换开关与上述打开扳钮接触连接,上述手柄具有打开和闭合两个状态,上述手柄通过上述打开扳钮使上述电路切换开关导通或断开上述电源对上述电动击发系统或上述电动弯转系统的供电;The present invention provides a firing and turning switching device for an electric stapler. The firing and turning switching device includes an electric firing system, an electric turning system, a handle, an opening button, a switching circuit and a power supply, and the above-mentioned switching circuit Including a circuit switch, the above-mentioned handle is in contact and connected with the above-mentioned open toggle, the above-mentioned circuit selector switch is in contact and connected with the above-mentioned open toggle, the above-mentioned handle has two states of open and closed, and the above-mentioned handle makes the above-mentioned circuit toggle switch conduct through the above-mentioned open toggle. Turn on or off the power supply of the above-mentioned power source to the above-mentioned electric firing system or the above-mentioned electric turning system;
在上述手柄打开状态的作用下,上述打开扳钮处于第一位置,上述电路切换开关使上述切换电路控制上述电源只向上述电动弯转系统供电,断开对上述电动击发系统的供电;Under the action of the above-mentioned handle open state, the above-mentioned open toggle is in the first position, and the above-mentioned circuit switching switch enables the above-mentioned switching circuit to control the above-mentioned power supply to only supply power to the above-mentioned electric turning system, and disconnect the power supply to the above-mentioned electric firing system;
在上述手柄闭合状态的作用下,上述打开扳钮处于第二位置,上述电路切换开关使上述切换电路控制上述电源只向上述电动击发系统供电,断开对上述电动弯转系统的供电。Under the action of the closed state of the handle, the open toggle is in the second position, and the circuit switch enables the switching circuit to control the power supply to only supply power to the electric firing system, and disconnect the power supply to the electric turning system.
可选的,上述打开扳钮具有打开扳钮横向凸起,上述打开扳钮横向凸起与上述电路切换开关触碰接触,上述打开扳钮横向凸起在上述手柄的驱动下使上述电路切换开关导通或断开上述电源对上述电动击发系统或上述电动弯转系统的供电。Optionally, the above-mentioned open toggle has a lateral protrusion of the open toggle, the lateral protrusion of the open toggle is in contact with the circuit switch, and the lateral protrusion of the open toggle is driven by the handle to make the circuit toggle switch. Turn on or off the power supply of the power supply to the electric firing system or the electric turning system.
可选的,上述电路切换开关为单刀双掷开关。Optionally, the above circuit switch is a single-pole double-throw switch.
可选的,上述击发与弯转切换装置还包括按钮环,上述按钮环与上述打开扳钮固定连接,上述手柄通过上述打开扳钮与上述按钮环的配合使上述电路切换开关导通或断开上述电源对上述电动击发系统或上述电动弯转系统的供电。Optionally, the above-mentioned firing and turning switching device further includes a button ring, and the above-mentioned button ring is fixedly connected with the above-mentioned open button, and the above-mentioned handle makes the above-mentioned circuit switch on or off through the cooperation of the above-mentioned open button and the above-mentioned button ring. The above-mentioned power supply supplies power to the above-mentioned electric firing system or the above-mentioned electric turning system.
可选的,上述按钮环与上述电路切换开关触碰接触,上述按钮环在上述手柄的驱动下使上述电路切换开关导通或断开上述电源对上述电动击发系统或上述电动弯转系统的供电。Optionally, the above-mentioned button ring is in contact with the above-mentioned circuit switch, and the above-mentioned button ring makes the above-mentioned circuit switch switch on or off the power supply of the above-mentioned electric firing system or the above-mentioned electric turning system under the driving of the above-mentioned handle. .
可选的,上述手柄具有手柄圆弧面,上述打开扳钮具有打开扳钮圆弧面,当上述手柄处于打开状态时,上述手柄圆弧面与上述打开扳钮圆弧面接触连接,使上述电路切换开关导通上述电源对上述电动弯转系统的供电。Optionally, the handle has an arc surface of the handle, and the open button has an arc surface of the open button. When the handle is in the open state, the arc surface of the handle is in contact with the arc surface of the open button, so that the above The circuit switch turns on the power supply of the power source to the electric steering system.
可选的,上述手柄具有手柄竖直端面,上述打开扳钮具有打开扳钮竖直端面,当上述手柄处于闭合状态时,上述手柄竖直端面与上述打开扳钮竖直端面接触连接,使上述电路切换开关导通上述电源对上述电动击发系统的供电。Optionally, the handle has a vertical end face of the handle, the open button has a vertical end face of the open button, and when the handle is in a closed state, the vertical end face of the handle is in contact and connected with the vertical end face of the open button, so that the above The circuit switch turns on the power supply of the power supply to the electric firing system.
可选的,上述电动击发系统包括电动击发开关,上述电动弯转系统包括电动弯转开关,当上述手柄处于打开状态时,上述电路切换开关和上述电动弯转开关接通上述电源对上述电动弯转系统的供电;Optionally, the above-mentioned electric firing system includes an electric firing switch, and the above-mentioned electric turning system includes an electric turning switch. When the above-mentioned handle is in an open state, the above-mentioned circuit switch and the above-mentioned electric turning switch are connected to the above-mentioned power supply to the above-mentioned electric bending. transfer the power supply of the system;
当上述手柄处于闭合状态时,上述电路切换开关和上述电动击发开关导通上述电源对上述电动击发系统的供电。When the handle is in a closed state, the circuit switch and the electric firing switch conduct the power supply to the electric firing system.
可选的,上述单刀双掷开关具有单刀触点、第一双掷触点及第二双掷触点,当上述单刀触点与上述第一双掷触点连通时,上述电源向上述电动弯转系统供电,当上述单刀触点与上述第二双掷触点连通时,上述电源向上述电动击发系统供电。Optionally, the single-pole double-throw switch has a single-pole contact, a first double-throw contact, and a second double-throw contact. When the single-pole contact is communicated with the first double-throw contact, the power supply is sent to the electric bend. When the single-pole contact is communicated with the second double-throw contact, the power supply supplies power to the electric firing system.
电动吻合器,上述电动吻合器包括任一上述的击发与弯转切换装置。An electric stapler, the above-mentioned electric stapler includes any of the above-mentioned firing and bending switching devices.
本发明实施例针对手动弯转操作方式的双手操作和弯转力大等问题,提供了一种通过电机驱动方式实现钳口弯转的外科手术器械,该手术器械包含电动击发和电动弯转的切换装置,该切换装置可以在错误操作电动吻合器的电动击发和电动弯转开关时,通过机械结构与电路系统的配合,避免电动击发和电动弯转系统执行错误动作,保证了外科手术器械操作的安全性和可靠性,同时操作者还可以单手操作该外科手术器械。Aiming at the problems of two-hand operation and large bending force in the manual bending operation mode, the embodiment of the present invention provides a surgical instrument that realizes the bending of jaws through a motor-driven mode, and the surgical instrument includes electric firing and electric bending. The switching device can prevent the electric firing and the electric bending system from performing wrong actions through the cooperation of the mechanical structure and the electric circuit system when the electric firing and electric bending switches of the electric stapler are incorrectly operated, and the operation of the surgical instruments is guaranteed. Safety and reliability, while the operator can operate the surgical instrument with one hand.
附图说明Description of drawings
通过参考附图阅读下文的详细描述,本发明示例性实施方式的上述以及其他目的、特征和优点将变得易于理解。在附图中,以示例性而非限制性的方式示出了本发明的若干实施方式,其中:The above and other objects, features and advantages of exemplary embodiments of the present invention will become readily understood by reading the following detailed description with reference to the accompanying drawings. In the accompanying drawings, several embodiments of the present invention are shown by way of example and not limitation, wherein:
图1为本发明实施例提供的一种可选的电动吻合器的结构示意图;1 is a schematic structural diagram of an optional electric stapler provided by an embodiment of the present invention;
图2为本发明实施例提供的一种可选的包括击发与弯转切换装置的电动吻合器的结构示意图;2 is a schematic structural diagram of an optional electric stapler including a firing and turning switching device provided by an embodiment of the present invention;
图3为本发明实施例提供的一种可选的手柄处于打开状态时击发与弯转切换装置的结构示意图;3 is a schematic structural diagram of an optional firing and turning switching device when the handle is in an open state according to an embodiment of the present invention;
图4为本发明实施例提供的一种可选的击发与弯转切换装置的电路示意图;4 is a schematic circuit diagram of an optional firing and turning switching device provided by an embodiment of the present invention;
图5为本发明实施例提供的一种可选的手柄处于闭合状态时击发与弯转切换装置的结构示意图;5 is a schematic structural diagram of an optional firing and turning switching device when the handle is in a closed state according to an embodiment of the present invention;
图6为本发明实施例提供的一种可选的手柄处于闭合状态时的电路示意图;6 is a schematic circuit diagram of an optional handle provided in an embodiment of the present invention when the handle is in a closed state;
图7为本发明实施例提供的一种可选的手柄处于闭合状态时,按下电动击发开关的电路示意图;7 is a schematic circuit diagram of pressing an electric firing switch when an optional handle provided by an embodiment of the present invention is in a closed state;
图8为本发明实施例提供的一种可选的手柄处于打开状态时的电路示意图;8 is a schematic circuit diagram of an optional handle provided in an embodiment of the present invention when the handle is in an open state;
图9为本发明实施例提供的一种可选的手柄处于打开状态时,按下电动弯转开关的电路示意图;FIG. 9 is a schematic circuit diagram of pressing an electric bending switch when an optional handle is in an open state according to an embodiment of the present invention;
图10.a为本发明实施例提供的一种可选的手柄处于打开状态时击发与弯转切换装置的结构示意图;Figure 10.a is a schematic structural diagram of an optional firing and turning switching device provided by an embodiment of the present invention when the handle is in an open state;
图10.b为本发明实施例提供的一种可选的手柄处于打开状态时击发与弯转切换装置的图10.a的局部放大示意图;Fig. 10.b is a partially enlarged schematic view of Fig. 10.a of an optional triggering and turning switching device provided when the handle is in an open state according to an embodiment of the present invention;
图11为本发明实施例提供的一种可选的打开扳钮和按钮环在手柄打开状态时的配合示意图;11 is a schematic diagram of the cooperation of an optional open toggle and a button ring when the handle is open according to an embodiment of the present invention;
图12.a为本发明实施例提供的一种可选的手柄处于闭合状态时击发与弯转切换装置的结构示意图;Figure 12.a is a schematic structural diagram of an optional firing and turning switching device provided by an embodiment of the present invention when the handle is in a closed state;
图12.b为本发明实施例提供的一种可选的手柄处于闭合状态时击发与弯转切换装置的图12.a的局部放大示意图;Fig. 12.b is a partial enlarged schematic view of Fig. 12.a of an optional triggering and turning switching device when the handle is in a closed state according to an embodiment of the present invention;
图13为本发明实施例提供的一种可选的打开扳钮和按钮环在手柄闭合状态时的配合示意图。FIG. 13 is a schematic diagram of cooperation between an optional open toggle and a button ring when the handle is closed according to an embodiment of the present invention.
附图标记:Reference number:
3-手柄 31-手柄圆弧面 32-手柄竖直端面3-handle 31-handle arc surface 32-handle vertical end face
4-打开扳钮 41-打开扳钮圆弧面 42-打开扳钮横向凸起4-Open the toggle 41-Open the arc surface of the toggle 42-Open the lateral protrusion of the toggle
43-打开扳钮竖直端面 44-打开推钮圆柱面 5-切换电路43-Open the vertical end face of the push button 44-Open the cylindrical surface of the push button 5-Switch circuit
6-电源 7-按钮环 72-按钮环弧面6-Power 7-Button ring 72-Button ring arc
8-切换开关触点 9-切换开关触点 10-切换开关触点8-Toggle switch contact 9-Toggle switch contact 10-Toggle switch contact
11-操作手柄 12-细长体 13-末端执行器11-Operating handle 12-Slender body 13-End effector
M1-击发电机 M2-弯转电机 SW1-电路切换开关M1-strike generator M2-bend motor SW1-circuit switch
SW2-电动击发开关 SW3-电动弯转开关SW2-electric firing switch SW3-electric bending switch
下面具体实施方式用于进一步说明但不限于本发明,下面实施例仅为本发明一种优选地实施方式。The following specific embodiment is used to further illustrate but not limit the present invention, and the following embodiment is only a preferred embodiment of the present invention.
下面将详细的对示例性实施例进行说明,其示例表示在附图中。下面的描述涉及附图时,除非另有表示,不同附图中的相同数字表示相同或相似的的要素。以下示例性实施例中所描述的实施方式并不代表与本发明相一致的所有实施方式。相反,它们仅是与如所附权利要求书中所详述的、本发明的一些方面相一致的装置和方法的例子。Exemplary embodiments will be described in detail below, examples of which are illustrated in the accompanying drawings. When the following description refers to the drawings, the same numerals in different drawings refer to the same or similar elements unless otherwise indicated. The implementations described in the illustrative examples below are not intended to represent all implementations consistent with the present invention. Rather, they are merely examples of apparatus and methods consistent with some aspects of the invention as recited in the appended claims.
具体实施方式Detailed ways
下面将参考若干示例性实施方式来描述本发明的原理和精神。应当理解,给出这些实施方式仅仅是为了使本领域技术人员能够更好地理解进而实现本发明,而并非以任何方式限制本发明的范围。相反,提供这些实施方式是为了使本申请公开更加透彻和完整,并且能够将本申请公开的范围完整地传达给本领域的技术人员。The principles and spirit of the present invention will now be described with reference to several exemplary embodiments. It should be understood that these embodiments are only given for those skilled in the art to better understand and implement the present invention, but not to limit the scope of the present invention in any way. Rather, these embodiments are provided so that this disclosure will be thorough and complete, and will fully convey the scope of the disclosure to those skilled in the art.
具体实施方式的附图如图1至图13所示。The accompanying drawings of the specific embodiment are shown in FIGS. 1 to 13 .
发明概述SUMMARY OF THE INVENTION
本发明的技术问题为电动吻合器的击发及闭合过程和电动弯转不能同时进行,且在钳口打开时不能电动击发,现有技术中对上述情形分别对应设有保险装置,而本发明减少了保险装置,发明了新的用于电动吻合器的击发与弯转切换装置,实现一个保险解决多个误操作的问题。The technical problem of the present invention is that the firing and closing process of the electric stapler and the electric bending cannot be performed at the same time, and the electric firing cannot be performed when the jaws are opened. A safety device was invented, and a new firing and turning switching device for the electric stapler was invented to realize one safety to solve the problem of multiple misoperations.
区别技术特征在于打开扳钮4和电路切换开关SW1的配合,进一步的,打开扳钮4的打开扳钮横向凸起42与电路切换开关SW1的配合,从而起到了一个保险解决多个误操作的效果,其中电路切换开关SW1还可以用单刀双掷来代替,更优选的,通过增加按钮环零件,当手柄闭合时,钳口的打开扳钮4通过按钮环传递,触发电动切换开关。The distinguishing technical feature lies in the cooperation of the
示例性装置Exemplary device
本发明提供了一种用于电动吻合器的击发与弯转切换装置,上述击发与弯转切换装置包括电动击发系统、电动弯转系统、手柄3、打开扳钮4、切换电路5以及电源6,上述切换电路5包括电路切换开关SW1,上述手柄3与上述打开扳钮4接触连接,上述电路切换开关SW1与上述打开扳钮4接触连接,上述手柄3具有如图3所示的打开状态和如图5所示的闭合状态,上述手柄3通过上述打开扳钮4使上述电路切换开关SW1导通或断开上述电源6对上述电动击发系统或上述电动弯转系统的供电;在上述手柄3打开状态的作用下,上述打开扳钮4处于第一位置,上述电路切换开关SW1使上述切换电路5控制上述电源6只向上述电动弯转系统供电,断开对上述电动击发系统的供电;在上述手柄3闭合状态的作用下,上述打开扳钮4处于第二位置,上述电路切换开关SW1使上述切换电路5控制上述电源6只向上述电动击发系统供电,断开对上述电动弯转系统的供电。The present invention provides a firing and turning switching device for an electric stapler, the firing and turning switching device includes an electric firing system, an electric turning system, a handle 3, an opening button 4, a switching circuit 5 and a power supply 6 , the above-mentioned switching circuit 5 includes a circuit switching switch SW1, the above-mentioned handle 3 is connected in contact with the above-mentioned open toggle 4, the above-mentioned circuit switch SW1 is in contact and connected with the above-mentioned open toggle 4, and the above-mentioned handle 3 has an open state as shown in FIG. 3 and In the closed state as shown in FIG. 5 , the above-mentioned handle 3 makes the above-mentioned circuit switch SW1 conduct or disconnect the above-mentioned power supply 6 to the above-mentioned electric firing system or the above-mentioned electric turning system through the above-mentioned open button 4; in the above-mentioned handle 3 Under the action of the open state, the above-mentioned open toggle 4 is in the first position, and the above-mentioned circuit switch SW1 enables the above-mentioned switching circuit 5 to control the above-mentioned power supply 6 to only supply power to the above-mentioned electric turning system, and disconnect the power supply to the above-mentioned electric firing system; Under the action of the closed state of the above-mentioned handle 3, the above-mentioned open toggle 4 is in the second position, and the above-mentioned circuit switch SW1 makes the above-mentioned switching circuit 5 control the above-mentioned power supply 6 to only supply power to the above-mentioned electric firing system, and disconnect the power supply to the above-mentioned electric turning system. powered by.
进一步的,上述打开扳钮4具有打开扳钮横向凸起42,上述打开扳钮横向凸起42与上述电路切换开关SW1触碰接触,上述打开扳钮横向凸起42在上述手柄3的驱动下使上述电路切换开关SW1导通或断开上述电源6对上述电动击发系统或上述电动弯转系统的供电。Further, the above-mentioned
进一步的,上述电路切换开关SW1为单刀双掷开关。Further, the above-mentioned circuit switch SW1 is a single-pole double-throw switch.
进一步的,上述击发与弯转切换装置还包括按钮环7,上述按钮环7与上述打开扳钮4固定连接,上述手柄3通过上述打开扳钮4与上述按钮环7的配合使上述电路切换开关SW1导通或断开上述电源6对上述电动击发系统或上述电动弯转系统的供电。Further, the above-mentioned firing and turning switching device also includes a
进一步的,上述按钮环7与上述电路切换开关SW1触碰接触,上述按钮环7在上述手柄3的驱动下使上述电路切换开关SW1导通或断开上述电源6对上述电动击发系统或上述电动弯转系统的供电。Further, the above-mentioned
进一步的,上述手柄3具有手柄圆弧面31,上述打开扳钮4具有打开扳钮圆弧面41,当上述手柄3处于打开状态时,上述手柄圆弧面31与上述打开扳钮圆弧面41接触连接,使上述电路切换开关SW1导通上述电源6对上述电动弯转系统的供电。Further, the above-mentioned
进一步的,上述手柄3具有手柄竖直端面32,上述打开扳钮4具有打开扳钮竖直端面43,当上述手柄3处于闭合状态时,上述手柄竖直端面32与上述打开扳钮竖直端面43接触连接,使上述电路切换开关SW1导通上述电源6对上述电动击发系统的供电。Further, the above-mentioned
进一步的,上述电动击发系统包括电动击发开关SW2,上述电动弯转系统包括电动弯转开关SW3,当上述手柄3处于打开状态时,上述电路切换开关SW1和上述电动弯转开关SW3接通上述电源6对上述电动弯转系统的供电;当上述手柄3处于闭合状态时,上述电路切换开关SW1和上述电动击发开关SW2导通上述电源6对上述电动击发系统的供电。Further, the above-mentioned electric firing system includes an electric firing switch SW2, and the above-mentioned electric turning system includes an electric turning switch SW3. When the above-mentioned
进一步的,上述单刀双掷开关具有单刀触点10、第一双掷触点8及第二双掷触点9,当上述单刀触点10与上述第一双掷触点8连通时,上述电源6向上述电动弯转系统供电,当上述单刀触点10与上述第二双掷触点9连通时,上述电源6向上述电动击发系统供电。Further, the single-pole double-throw switch has a single-
如图1所示及图2所示,本发明提供了一种具有击发与弯转切换装置的电动吻合器,上述电动吻合器具有操作手柄11、细长体12以及末端执行器13,上述击发与弯转切换装置的内部连接关系包括:上述手柄3通过上述打开扳钮4控制上述电路切换开关SW1,从而通过上述打开扳钮4,使上述电路切换开关SW1进行导通和断开。电动击发与电动弯转切换装置包括电动击发系统、电动弯转系统、上述手柄3、上述打开扳钮4、上述切换电路5和上述电源6,其中上述切换电路5包括上述电路切换开关SW1,上述手柄3有如图5所示的闭合和如图3所示的打开两个状态。As shown in FIG. 1 and FIG. 2 , the present invention provides an electric stapler with a firing and bending switching device. The electric stapler has an
如图3所示,上述手柄3在打开状态时,上述手柄圆弧面31与打开扳钮圆弧面41接触,此时打开扳钮横向凸起42未触碰电路切换开关SW1,切换开关SW1处于断开状态,即上述电源6断开对上述电动击发系统的供电。As shown in FIG. 3 , when the
如图5所示,上述手柄3在闭合状态时,上述手柄圆弧面31与打开扳钮圆弧面41分离,上述手柄竖直端面32与上述打开扳钮竖直端面43接触,此时上述打开扳钮横向凸起42触碰上述电路切换开关SW1,使上述电路切换开关SW1处于导通状态,即上述电源6导通对上述电动击发系统的供电。As shown in FIG. 5 , when the
如图10.a及如图10.b所示,上述打开扳钮横向凸起42可由单独的零件代替,例如图10.b所示的上述按钮环7,即电动击发与电动弯转切换装置包括上述电动击发系统、上述电动弯转系统、上述手柄3、上述打开扳钮4、上述切换电路5、上述电源6和上述按钮环7,其中上述切换电路5包括上述电路切换开关SW1,上述手柄3存在闭合和打开两种状态,上述打开扳钮4与上述按钮环7固定连接,同时上述打开扳钮4位置的变化,使上述按钮环7与上述电路切换开关SW1接触或断开,即上述手柄3与上述打开扳钮4接触,相互作用,使上述按钮环7控制上述电路切换开关SW1的断开与导通。As shown in Fig. 10.a and Fig. 10.b, the above-mentioned
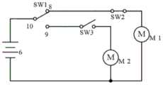
如图3所示当上述手柄3处于打开状态时,前端钳口打开,上述手柄圆弧面31与上述打开扳钮圆弧面41接触,此时上述打开扳钮横向凸起42未触碰上述电路切换开关SW1,上述电路切换开关SW1处于断开状态,如图4所示,继电器K1的线圈对应的K1-1和K1-8之间没有被供电,K1处于初始的复位状态:K1-3和K1-2为接通状态,K1-3和K1-4为断开状态;操作上述电动弯转开关SW3,上述切换电路5中的上述电源6只向上述电动弯转系统中的上述弯转电机M2进行供电。此时操作上述电动击发开关SW2,上述电动击发系统中的上述击发电机M1的供电回路被K1-3和K1-4断开,上述击发电机M1不执行动作,避免了在钳口打开状态时,上述电动击发系统中前端的移动,从而避免了上述电动击发系统中切割刀的移动。As shown in FIG. 3 , when the
如图5所示,当上述手柄3处于闭合状态时,前端钳口闭合,上述手柄竖直端面32与上述打开扳钮竖直端面43接触,此时上述打开扳钮横向凸起42触碰上述电路切换开关SW1,使上述电路切换开关SW1处于导通状态,如图4所示,继电器K1的线圈对应的K1-1和K1-8之间被供电,K1切换到动作状态:K1-3和K1-4为接通状态,K1-3和K1-2为断开状态;操作上述电动击发开关SW2,上述切换电路5中的上述电源6只向上述电动击发系统中的上述击发电机M1进行供电。此时操作上述电动弯转开关SW3,上述电动弯转系统中的上述弯转电机M2的供电回路被K1-3和K1-2断开,上述弯转电机M2不执行动作,避免了前端钳口闭合组织后,误触发上述电动弯转开关SW3,钳口左右弯转对组织的损伤。As shown in FIG. 5 , when the
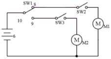
同时上述电路切换开关SW1可由单刀双掷开关实现,当电动吻合器的上述手柄3处于闭合状态时,如图6所示,其中上述电路切换开关SW1的触点10与触点8相连,此时按下上述电动击发开关SW2,如图7所示,上述电源6只向上述电动击发系统中的上述击发电机M1进行供电,断开上述电动弯转系统中的上述弯转电机M2的供电。At the same time, the circuit switch SW1 can be realized by a single-pole double-throw switch. When the
当电动吻合器的上述手柄3处于打开状态时,如图8所示,其中上述切换开关SW1的触点10与触点9相连,此时按下上述电动弯转开关SW3,如图9所示,上述电源6只向上述电动弯转系统中的上述弯转电机M2进行供电,断开上述电动击发系统中的上述击发电机M1的供电。When the
当电动吻合器的上述手柄3处于闭合状态时,误操作上述电动弯转开关SW3,弯转电机不会产生相应的动作,同时当器械手柄处于打开状态时,误操作电动击发开关SW2,击发电机同样不会产生相应的动作。When the above-mentioned
如图10.a所示,当上述手柄3处于打开状态时,前端钳口打开,如图10.b和图11所示,上述打开扳钮4在运动过程中,打开推钮圆柱面44推动上述按钮环7的弧面72,当上述手柄3处于打开状态时,上述手柄圆弧面31和上述打开扳钮圆弧面41配合,使打开扳钮4处于如图10.a所示的状态一,此时上述打开扳钮圆柱面44未推动上述按钮环7接触上述电动切换开关SW1,上述电路切换开关SW1处于断开状态,上述切换电路5如图4所示控制上述电源6只向上述电动弯转系统中的上述弯转电机M2进行供电,断开上述电动击发系统中的上述击发电机M1的供电,此时操作上述电动击发开关SW2,上述击发电机M1不执行动作,避免了在钳口打开状态时,电动击发系统中切割刀的移动,使器械损坏。As shown in Figure 10.a, when the
如图12.a所示,当上述手柄3处于闭合状态时,前端钳口闭合,如图12.b和图13所示,上述打开扳钮4在运动过程中,上述打开推钮圆柱面44推动上述按钮环7的上述弧面72,当上述手柄3处于闭合状态时,上述手柄竖直端面32与上述打开扳钮竖直端面43接触,使上述打开扳钮4处于如图12.a所示的状态二,此时上述打开推钮圆柱面44推动上述按钮环7接触上述电动切换开关SW1,使上述电路切换开关SW1处于闭合状态,如图4所示的上述切换电路5此时控制上述电源6断开向上述电动弯转系统中的上述弯转电机M2的供电,只对上述电动击发系统中的上述击发电机M1进行供电,此时操作上述电动弯转开关SW3,上述弯转电机M2不执行动作,避免了前端钳口闭合组织后,误触发电动弯转开关SW3,钳口左右弯转对组织的损伤。As shown in Figure 12.a, when the
示例性方法Exemplary method
具体工作原理如下:The specific working principle is as follows:
电动击发与电动弯转切换装置包括电动击发系统、电动弯转系统、手柄、钳口打开扳钮、切换电路和电源,其中切换电路包括电路切换开关,手柄存在闭合和打开两种状态。The electric firing and electric turning switching device includes an electric firing system, an electric turning system, a handle, a jaw opening toggle, a switching circuit and a power supply, wherein the switching circuit includes a circuit switching switch, and the handle has two states of closed and open.
当手柄处于打开状态时,前端钳口打开,此时钳口打开扳钮在手柄作用下处于不触发电动切换开关的位置,电路切换开关处于断开状态,切换电路此时控制电源只向电动弯转系统进行供电,断开电动击发系统的供电,此时操作电动击发开关,电动击发系统不执行动作,避免了在钳口打开状态时,电动击发系统中切割刀的移动。When the handle is in the open state, the front jaw is opened. At this time, the jaw opening toggle is in a position that does not trigger the electric switch under the action of the handle, and the circuit switch is in the off state. Turn the system for power supply and disconnect the power supply of the electric firing system. At this time, the electric firing switch is operated, and the electric firing system does not perform any action, which avoids the movement of the cutting knife in the electric firing system when the jaws are open.
当手柄处于闭合状态时,前端钳口闭合,此时钳口打开扳钮在手柄作用下处于触发电动切换开关的位置,使电路切换开关处于闭合状态,切换电路此时控制电源断开向电动弯转系统的供电,只对电动击发系统进行供电,此时操作电动弯转开关,电动弯转系统不执行动作,避免了前端钳口闭合组织后,误触发电动弯转开关,而造成钳口左右弯转对组织的损伤。When the handle is in the closed state, the front jaw is closed. At this time, the jaw opening toggle is in the position to trigger the electric switch under the action of the handle, so that the circuit switch is in a closed state, and the switch circuit controls the power supply to disconnect to the electric bend. The power supply of the turning system only supplies power to the electric firing system. At this time, the electric turning switch is operated, and the electric turning system does not perform any action, which avoids the accidental triggering of the electric turning switch after the front jaws close the tissue, causing the jaws to be left and right. Tissue damage from bending.
当手柄处于打开状态时,钳口打开扳钮在手柄作用下处于触发电动切换开关的位置,使电路切换开关处于闭合状态,切换电路此时控制电源只向电动弯转系统进行供电,断开电动击发系统的供电。When the handle is in the open state, the jaw opening toggle is in the position to trigger the electric switch under the action of the handle, so that the circuit switch is in a closed state. Power supply to the firing system.
当手柄处于闭合状态时,钳口打开扳钮在手柄作用下处于不触发电动切换开关的位置,使电路切换开关处于断开状态,切换电路此时控制电源断开向电动弯转系统的供电,只对电动击发系统进行供电。When the handle is in the closed state, the jaw opening button is in a position that does not trigger the electric switch under the action of the handle, so that the circuit switch is in an open state, and the switch circuit controls the power supply to disconnect the power supply to the electric steering system at this time. Only power the electric firing system.
应当注意,尽管在上文详细描述中提及了装置的若干单元/模块或子单元/模块,但是这种划分仅仅是示例性的并非强制性的。实际上,根据本发明的实施方式,上文描述的两个或更多单元/模块的特征和功能可以在一个单元/模块中具体化。反之,上文描述的一个单元/模块的特征和功能可以进一步划分为由多个单元/模块来具体化。It should be noted that although several units/modules or sub-units/modules of the apparatus are mentioned in the above detailed description, this division is merely exemplary and not mandatory. Indeed, the features and functions of two or more units/modules described above may be embodied in one unit/module according to embodiments of the present invention. Conversely, the features and functions of one unit/module described above may be further subdivided to be embodied by multiple units/modules.
此外,尽管在附图中以特定顺序描述了本发明方法的操作,但是,这并非要求或者暗示必须按照该特定顺序来执行这些操作,或是必须执行全部所示的操作才能实现期望的结果。附加地或备选地,可以省略某些步骤,将多个步骤合并为一个步骤执行,和/或将一个步骤分解为多个步骤执行。Furthermore, although the operations of the methods of the present invention are depicted in the figures in a particular order, this does not require or imply that the operations must be performed in the particular order, or that all illustrated operations must be performed to achieve desirable results. Additionally or alternatively, certain steps may be omitted, multiple steps may be combined to be performed as one step, and/or one step may be decomposed into multiple steps to be performed.
虽然已经参考若干具体实施方式描述了本发明的精神和原理,但是应该理解,本发明并不限于所公开的具体实施方式,对各方面的划分也不意味着这些方面中的特征不能组合以进行受益,这种划分仅是为了表述的方便。本发明旨在涵盖所附权利要求的精神和范围内所包括的各种修改和等同布置。While the spirit and principles of the present invention have been described with reference to a number of specific embodiments, it should be understood that the invention is not limited to the specific embodiments disclosed, nor does the division of aspects imply that features of these aspects cannot be combined to perform Benefit, this division is only for convenience of presentation. The invention is intended to cover various modifications and equivalent arrangements included within the spirit and scope of the appended claims.
| Application Number | Priority Date | Filing Date | Title |
|---|---|---|---|
| CN202010057400.1ACN111214266B (en) | 2020-01-17 | 2020-01-17 | Firing and turning switching device for electric stapler and electric stapler |
| Application Number | Priority Date | Filing Date | Title |
|---|---|---|---|
| CN202010057400.1ACN111214266B (en) | 2020-01-17 | 2020-01-17 | Firing and turning switching device for electric stapler and electric stapler |
| Publication Number | Publication Date |
|---|---|
| CN111214266A CN111214266A (en) | 2020-06-02 |
| CN111214266Btrue CN111214266B (en) | 2020-12-08 |
| Application Number | Title | Priority Date | Filing Date |
|---|---|---|---|
| CN202010057400.1AActiveCN111214266B (en) | 2020-01-17 | 2020-01-17 | Firing and turning switching device for electric stapler and electric stapler |
| Country | Link |
|---|---|
| CN (1) | CN111214266B (en) |
| Publication number | Priority date | Publication date | Assignee | Title |
|---|---|---|---|---|
| CN111938759B (en)* | 2020-09-04 | 2025-06-17 | 盈甲医疗器械制造(上海)有限公司 | Ultrasonic surgical instrument with simultaneously depressible blade buttons |
| CN112914647A (en)* | 2021-03-09 | 2021-06-08 | 常州安康医疗器械有限公司 | Endoscope linear cutting anastomat capable of being operated by single hand |
| WO2023045959A1 (en)* | 2021-09-26 | 2023-03-30 | 苏州法兰克曼医疗器械有限公司 | Electric stapler, stapler driving device, and stapler power supply control device |
| CN113951958B (en)* | 2021-12-02 | 2023-09-15 | 苏州法兰克曼医疗器械有限公司 | Power supply control device of electric anastomat and electric anastomat |
| Publication number | Priority date | Publication date | Assignee | Title |
|---|---|---|---|---|
| CN203468670U (en)* | 2013-08-09 | 2014-03-12 | 瑞奇外科器械(中国)有限公司 | Electric bending device of surgical operation instrument and surgical operation instrument |
| CN104337554A (en)* | 2013-08-09 | 2015-02-11 | 瑞奇外科器械(中国)有限公司 | Two-way stroke control switch, bending stroke control device and surgical operating instrument |
| WO2015199958A1 (en)* | 2014-06-25 | 2015-12-30 | Ethicon Endo-Surgery, Inc. | Translatable articulation joint unlocking feature for surgical stapler |
| US9687230B2 (en)* | 2013-03-14 | 2017-06-27 | Ethicon Llc | Articulatable surgical instrument comprising a firing drive |
| CN206453808U (en)* | 2016-11-10 | 2017-09-01 | 天津瑞奇外科器械股份有限公司 | A kind of surgical operating instrument |
| CN107951521A (en)* | 2017-11-30 | 2018-04-24 | 北京派尔特医疗科技股份有限公司 | A kind of electronic hysteroscope stapler and its clutch safeties |
| Publication number | Priority date | Publication date | Assignee | Title |
|---|---|---|---|---|
| US9687230B2 (en)* | 2013-03-14 | 2017-06-27 | Ethicon Llc | Articulatable surgical instrument comprising a firing drive |
| CN203468670U (en)* | 2013-08-09 | 2014-03-12 | 瑞奇外科器械(中国)有限公司 | Electric bending device of surgical operation instrument and surgical operation instrument |
| CN104337554A (en)* | 2013-08-09 | 2015-02-11 | 瑞奇外科器械(中国)有限公司 | Two-way stroke control switch, bending stroke control device and surgical operating instrument |
| WO2015199958A1 (en)* | 2014-06-25 | 2015-12-30 | Ethicon Endo-Surgery, Inc. | Translatable articulation joint unlocking feature for surgical stapler |
| CN206453808U (en)* | 2016-11-10 | 2017-09-01 | 天津瑞奇外科器械股份有限公司 | A kind of surgical operating instrument |
| CN107951521A (en)* | 2017-11-30 | 2018-04-24 | 北京派尔特医疗科技股份有限公司 | A kind of electronic hysteroscope stapler and its clutch safeties |
| Publication number | Publication date |
|---|---|
| CN111214266A (en) | 2020-06-02 |
| Publication | Publication Date | Title |
|---|---|---|
| CN111214266B (en) | Firing and turning switching device for electric stapler and electric stapler | |
| EP2446848A1 (en) | Surgery instrument | |
| US10675027B2 (en) | Surgical instrument with selectable integral or external power source | |
| US7837685B2 (en) | Switch mechanisms for safe activation of energy on an electrosurgical instrument | |
| US9775635B2 (en) | Handle for medical treatment device and medical treatment device | |
| US7431720B2 (en) | Multi-function clamping device with stapler and ablation heads | |
| CN106333720B (en) | Intelligent hysteroscope stapler | |
| JPH1024051A (en) | Coagulation forceps with separating function | |
| CN111248962B (en) | Automatic retraction device for electric stapler and electric stapler therefor | |
| US20220022944A1 (en) | Surgical instrument with increased lever stroke | |
| US11241269B2 (en) | Surgical devices switchable between monopolar functionality and bipolar functionality | |
| WO2020011050A1 (en) | Tissue ablation, cutting, and fusion system | |
| CN113842181B (en) | Deflection detection structure and control method thereof, electric stapler and medical equipment | |
| CN117942155B (en) | Instrument handles and multifunctional surgical instruments | |
| WO2024094213A1 (en) | Electrosurgical instrument | |
| CN215079560U (en) | Manually stimulated bipolar electrocautery cutting instruments | |
| WO2014162479A1 (en) | Medical manipulator | |
| CN215384560U (en) | Detachable surgical operation instrument | |
| CN204192735U (en) | Operating theater instruments | |
| CN111012425B (en) | Electric bending safety device for electric anastomat and electric anastomat thereof | |
| CN216495514U (en) | Automatic triggering ultrasonic surgical instrument | |
| CN112674863A (en) | Manual excitation type bipolar electrocoagulation-cutting instrument | |
| CN118021419B (en) | Surgical instrument and surgical system | |
| CN119606465B (en) | A surgical anastomosis instrument | |
| CN219021511U (en) | Gallbladder polypectomy device |
| Date | Code | Title | Description |
|---|---|---|---|
| PB01 | Publication | ||
| PB01 | Publication | ||
| SE01 | Entry into force of request for substantive examination | ||
| SE01 | Entry into force of request for substantive examination | ||
| GR01 | Patent grant | ||
| GR01 | Patent grant | ||
| TR01 | Transfer of patent right | ||
| TR01 | Transfer of patent right | Effective date of registration:20210705 Address after:No. 1199, xinsiping Road, Lingang New District, China (Shanghai) pilot Free Trade Zone, 200131 Patentee after:ENGINE MEDICAL EQUIPMENT MANUFACTURING (SHANGHAI) Corp. Address before:901, 9 / F, building 6, courtyard 4, Shengliyuan Road, Huilongguan town, Changping District, Beijing 100096 Patentee before:Yingjia medical technology (Beijing) Co.,Ltd. | |
| PE01 | Entry into force of the registration of the contract for pledge of patent right | ||
| PE01 | Entry into force of the registration of the contract for pledge of patent right | Denomination of invention:Switching device for firing and bending of electric stapler and its electric stapler Granted publication date:20201208 Pledgee:Bank of Shanghai Co.,Ltd. Puxi Sub branch Pledgor:ENGINE MEDICAL EQUIPMENT MANUFACTURING (SHANGHAI) Corp. Registration number:Y2025980001319 |