Movatterモバイル変換


[0]ホーム

URL:


CN111214266A - Percussion and bending switching device for electric anastomat and electric anastomat - Google Patents

Percussion and bending switching device for electric anastomat and electric anastomat
Download PDF

Info

Publication number
CN111214266A
CN111214266ACN202010057400.1ACN202010057400ACN111214266ACN 111214266 ACN111214266 ACN 111214266ACN 202010057400 ACN202010057400 ACN 202010057400ACN 111214266 ACN111214266 ACN 111214266A
Authority
CN
China
Prior art keywords
electric
switch
handle
firing
circuit
Prior art date
Legal status (The legal status is an assumption and is not a legal conclusion. Google has not performed a legal analysis and makes no representation as to the accuracy of the status listed.)
Granted
Application number
CN202010057400.1A
Other languages
Chinese (zh)
Other versions
CN111214266B (en
Inventor
刘佳
吴锡
刘四海
王东
Current Assignee (The listed assignees may be inaccurate. Google has not performed a legal analysis and makes no representation or warranty as to the accuracy of the list.)
ENGINE MEDICAL EQUIPMENT MANUFACTURING (SHANGHAI) Corp.
Original Assignee
Yingjia Medical Technology (beijing) Co Ltd
Priority date (The priority date is an assumption and is not a legal conclusion. Google has not performed a legal analysis and makes no representation as to the accuracy of the date listed.)
Filing date
Publication date
Application filed by Yingjia Medical Technology (beijing) Co LtdfiledCriticalYingjia Medical Technology (beijing) Co Ltd
Priority to CN202010057400.1ApriorityCriticalpatent/CN111214266B/en
Publication of CN111214266ApublicationCriticalpatent/CN111214266A/en
Application grantedgrantedCritical
Publication of CN111214266BpublicationCriticalpatent/CN111214266B/en
Activelegal-statusCriticalCurrent
Anticipated expirationlegal-statusCritical

Links

Images

Classifications

Landscapes

Abstract

Translated fromChinese

本发明提供了一种用于电动吻合器的击发与弯转切换装置,上述击发与弯转切换装置包括电动击发系统、电动弯转系统、手柄、打开扳钮、切换电路以及电源,上述切换电路包括电路切换开关,上述手柄与上述打开扳钮接触连接,上述电路切换开关与上述打开扳钮接触连接,上述手柄具有打开和闭合两个状态,上述手柄通过上述打开扳钮使上述电路切换开关导通或断开上述电源对上述电动击发系统或上述电动弯转系统的供电。该击发与弯转切换装置可以在错误操作电动吻合器的电动击发和电动弯转开关时,通过机械结构与电路系统的配合,避免电动击发和电动弯转系统执行错误动作,保证了外科手术器械操作的安全性和可靠性,同时操作者还可以单手操作该外科手术器械。

Figure 202010057400

The present invention provides a firing and turning switching device for an electric stapler. The firing and turning switching device includes an electric firing system, an electric turning system, a handle, an opening button, a switching circuit and a power supply, and the above-mentioned switching circuit Including a circuit switch, the above-mentioned handle is in contact and connected with the above-mentioned open toggle switch, the above-mentioned circuit selector switch is in contact and connected with the above-mentioned open toggle, the above-mentioned handle has two states of open and closed, and the above-mentioned handle makes the above-mentioned circuit toggle switch conduct through the above-mentioned open toggle. Turn on or off the power supply of the above-mentioned power source to the above-mentioned electric firing system or the above-mentioned electric turning system. The firing and bending switching device can prevent the electric firing and the electric turning system from performing wrong actions through the cooperation of the mechanical structure and the electric circuit system when the electric firing and the electric turning switch of the electric stapler are operated incorrectly, and ensure the surgical instruments. Safety and reliability of operation, and the operator can also operate the surgical instrument with one hand.

Figure 202010057400

Description

Percussion and bending switching device for electric anastomat and electric anastomat
Technical Field
The invention relates to the field of medical instruments, in particular to an electric anastomat and a firing and bending switching device for the electric anastomat.
Background
The cutting anastomat comprises an operating handle, a shaft assembly and an end effector, wherein the end effector is used for cutting and suturing the tissue of the inner cavity of the human body under the control of the operating handle. The bending of the end effector of the existing electric endoscopic cutting anastomat and manual cutting anastomat is mostly realized by manually rotating a knob, in the operation process, a clinician needs to use one hand to operate the handle part of the cutting anastomat, and uses the other hand to control the bending of the end effector by rotating the knob.
The drawback of this technique is that one-handed operation cannot be achieved, and the effort required to operate by rotating the knob increases the fatigue strength of the clinician, while only a fixed angle of flexion can be achieved.
In the operation process of the electric anastomat, if an operation switch of the electric anastomat is touched under an incorrect use environment, if the operation switch is touched under the condition that the jaw is closed, the electric turning switch is touched, the jaw of the instrument can be deflected, the wound is caused to the human tissue, and the medical accident is caused. While with the jaws open, damage to the instrument can occur without touching the power firing switch. Therefore, it is important to design a switching device for electric percussion and electric bending to avoid the error in the execution of the electric percussion and electric bending system when the electric percussion and electric bending switch of the electric stapler is operated by mistake.
Disclosure of Invention
The invention provides a firing and bending switching device for an electric anastomat and the electric anastomat, which at least solve the technical problem that errors are generated in an electric firing and electric bending system of an instrument when a switch of the electric anastomat is improperly operated in the prior art.
The invention provides a firing and bending switching device for an electric anastomat, which comprises an electric firing system, an electric bending system, a handle, an opening toggle button, a switching circuit and a power supply, wherein the switching circuit comprises a circuit switching switch, the handle is in contact connection with the opening toggle button, the circuit switching switch is in contact connection with the opening toggle button, the handle has an opening state and a closing state, and the handle enables the circuit switching switch to be connected or disconnected through the opening toggle button to supply power to the electric firing system or the electric bending system;
under the action of the opening state of the handle, the opening toggle is in a first position, and the circuit change-over switch enables the switching circuit to control the power supply to supply power only to the electric bending system and disconnect the power supply to the electric firing system;
under the action of the closed state of the handle, the opening toggle is in a second position, and the circuit switch enables the switching circuit to control the power supply to supply power only to the electric percussion system and disconnect the power supply to the electric bending system.
Optionally, the opening knob has an opening knob lateral protrusion, the opening knob lateral protrusion is in contact with the circuit switch, and the opening knob lateral protrusion enables the circuit switch to turn on or off the power supply to supply power to the electric percussion system or the electric bending system under the driving of the handle.
Optionally, the circuit switch is a single-pole double-throw switch.
Optionally, the firing and turning switching device further includes a button ring, the button ring is fixedly connected to the opening toggle, and the handle enables the circuit switch to turn on or off the power supply to supply power to the electric firing system or the electric turning system through the cooperation of the opening toggle and the button ring.
Optionally, the button ring is in contact with the circuit switch, and the button ring is driven by the handle to turn on or off the circuit switch to supply power to the electric percussion system or the electric bending system.
Optionally, the handle has a handle arc surface, the opening toggle has an opening toggle arc surface, and when the handle is in an open state, the handle arc surface is in contact connection with the opening toggle arc surface, so that the circuit switch switches on the power supply to supply power to the electric steering system.
Optionally, the handle has a vertical end surface of the handle, the opening toggle has a vertical end surface of the opening toggle, and when the handle is in a closed state, the vertical end surface of the handle is in contact with the vertical end surface of the opening toggle, so that the circuit switch switches on the power supply to supply power to the electric firing system.
Optionally, the electric trigger system includes an electric trigger switch, the electric steering system includes an electric steering switch, and when the handle is in an open state, the circuit switch and the electric steering switch on the power supply to supply power to the electric steering system;
when the handle is in a closed state, the circuit change-over switch and the electric trigger switch conduct the power supply to supply power to the electric trigger system.
Optionally, the single-pole double-throw switch has a single-pole contact, a first double-throw contact and a second double-throw contact, when the single-pole contact is communicated with the first double-throw contact, the power supply supplies power to the electric bending system, and when the single-pole contact is communicated with the second double-throw contact, the power supply supplies power to the electric firing system.
The electric anastomat comprises any one of the firing and bending switching devices.
The embodiment of the invention provides a surgical instrument for realizing jaw bending in a motor driving mode aiming at the problems of double-hand operation, large bending force and the like of a manual bending operation mode, the surgical instrument comprises a switching device for electric firing and electric bending, and the switching device can avoid the electric firing and electric bending system from executing wrong actions through the matching of a mechanical structure and a circuit system when an electric firing switch and an electric bending switch of an electric anastomat are operated by mistake, so that the safety and the reliability of the operation of the surgical instrument are ensured, and meanwhile, an operator can also operate the surgical instrument by one hand.
Drawings
The above and other objects, features and advantages of exemplary embodiments of the present invention will become readily apparent from the following detailed description read in conjunction with the accompanying drawings. Several embodiments of the invention are illustrated by way of example, and not by way of limitation, in the figures of the accompanying drawings and in which:
FIG. 1 is a schematic diagram of an alternative electric stapler according to an embodiment of the present invention;
FIG. 2 is a schematic diagram of an alternative embodiment of a powered stapler including a firing and bending switch;
FIG. 3 is a schematic structural view of an alternative firing and bending switching device with an open handle according to an embodiment of the present invention;
FIG. 4 is a schematic circuit diagram of an alternative firing and bending switching device according to an embodiment of the present invention;
FIG. 5 is a schematic structural view of an alternative firing and bending switching apparatus with a handle in a closed position according to an embodiment of the present invention;
FIG. 6 is a schematic diagram of an alternative handle circuit in a closed position according to an embodiment of the present invention;
FIG. 7 is a schematic diagram of an alternative embodiment of a circuit for depressing an electric firing switch when the handle is in a closed position;
FIG. 8 is a schematic electrical diagram of an alternative handle according to an embodiment of the present invention in an open position;
FIG. 9 is a schematic diagram of an electrical circuit for depressing an electrical turn switch when an alternative handle is in an open position, according to an embodiment of the present invention;
FIG. 10.a is a schematic structural view of an alternative firing and bending switching device with an open handle according to an embodiment of the present invention;
FIG. 10.b is an enlarged partial view of the firing and bend switching device of FIG. 10.a with an alternative handle in the open position provided by embodiments of the present invention;
FIG. 11 is a schematic view of an alternative opening toggle and button ring in an open position of the handle according to an embodiment of the present invention;
FIG. 12.a is a schematic structural view of an alternative firing and bending switching device with a handle in a closed state according to an embodiment of the present invention;
FIG. 12.b is an enlarged partial view of the firing and bend switching device of FIG. 12.a with an alternative handle in a closed position according to embodiments of the present invention;
fig. 13 is a schematic diagram of an alternative opening toggle and button ring in accordance with an embodiment of the present invention in a closed position of the handle.
Reference numerals:
3-handle 31-handle arc surface 32-handle vertical end surface
4-opening the toggle 41-opening the arc surface 42-opening the lateral protrusion of the toggle
43-opening thevertical end face 44 of the toggle-button-opening thecylindrical surface 5 of the push-button-switching circuit
6-power supply 7-button ring 72-button ring arc surface
8-diverter switch contact 9-diverter switch contact 10-diverter switch contact
11-operating handle 12-elongated body 13-end effector
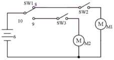
M1-trigger generator M2-bending motor SW 1-circuit change-over switch
SW 2-electric trigger switch SW 3-electric turn switch
The following detailed description is intended to further illustrate but not limit the invention, the following example being only one preferred embodiment of the invention.
Reference will now be made in detail to the exemplary embodiments, examples of which are illustrated in the accompanying drawings. The following description refers to the accompanying drawings, in which like numerals in different drawings represent the same or similar elements, unless otherwise specified. The embodiments described in the following exemplary embodiments do not represent all embodiments consistent with the present invention. Rather, they are merely examples of apparatus and methods consistent with certain aspects of the invention, as detailed in the appended claims.
Detailed Description
The principles and spirit of the present invention will be described with reference to a number of exemplary embodiments. It is understood that these embodiments are given solely for the purpose of enabling those skilled in the art to better understand and to practice the invention, and are not intended to limit the scope of the invention in any way. Rather, these embodiments are provided so that this disclosure will be thorough and complete, and will fully convey the scope of the disclosure to those skilled in the art.
The drawings of the detailed description are shown in fig. 1-13.
Summary of The Invention
The technical problem of the invention is that the triggering and closing process and the electric bending of the electric anastomat can not be carried out simultaneously, and the electric triggering can not be carried out when the jaw is opened.
The distinguishing technical characteristics are the matching of theopening toggle 4 and the circuit switch SW1, further, the matching of the opening toggletransverse protrusion 42 of theopening toggle 4 and the circuit switch SW1 can achieve the effect of solving a plurality of misoperation through one safety, wherein the circuit switch SW1 can also be replaced by a single-pole double-throw, and more preferably, through adding a button ring part, when the handle is closed, theopening toggle 4 of the jaw is transmitted through the button ring to trigger the electric switch.
Exemplary devices
The invention provides a firing and bending switching device for an electric anastomat, which comprises an electric firing system, an electric bending system, a handle 3, an opening toggle button 4, a switching circuit 5 and a power supply 6, wherein the switching circuit 5 comprises a circuit switching switch SW1, the handle 3 is in contact connection with the opening toggle button 4, the circuit switching switch SW1 is in contact connection with the opening toggle button 4, the handle 3 has an opening state shown in figure 3 and a closing state shown in figure 5, and the handle 3 enables the circuit switching switch SW1 to be switched on or switched off by the power supply 6 through the opening toggle button 4 to supply power to the electric firing system or the electric bending system; when the handle 3 is in the open state, the open knob 4 is in the first position, and the circuit switch SW1 causes the switching circuit 5 to control the power supply 6 to supply power only to the electric steering system, thereby cutting off the power supply to the electric firing system; when the handle 3 is in the closed state, the open switch 4 is in the second position, and the circuit switching switch SW1 causes the switching circuit 5 to control the power source 6 to supply power only to the electric percussion system, thereby turning off the power supply to the electric bending system.
Further, theopen knob 4 has an open knoblateral protrusion 42, the open knoblateral protrusion 42 is in contact with the circuit switching switch SW1, and the open knoblateral protrusion 42 turns on or off thepower supply 6 to the electric percussion system or the electric bending system by the circuit switching switch SW1 under the driving of thehandle 3.
Further, the circuit switching switch SW1 is a single-pole double-throw switch.
Further, the firing and turning switching device further includes abutton ring 7, thebutton ring 7 is fixedly connected to theopening knob 4, and thehandle 3 enables the circuit switch SW1 to turn on or off thepower supply 6 to the electric firing system or the electric turning system by the cooperation of theopening knob 4 and thebutton ring 7.
Further, thebutton ring 7 is in contact with the circuit switching switch SW1, and thebutton ring 7 is driven by thehandle 3 to turn on or off thepower supply 6 to the electric percussion system or the electric steering system by the circuit switchingswitch SW 1.
Further, thehandle 3 has ahandle arc surface 31, theopen knob 4 has an openknob arc surface 41, and when thehandle 3 is in the open state, thehandle arc surface 31 is in contact with the openknob arc surface 41, so that the circuit changeover switch SW1 turns on thepower supply 6 to supply power to the electric power steering system.
Further, thehandle 3 has a handlevertical end surface 32, theopen knob 4 has an open knobvertical end surface 43, and when thehandle 3 is in the closed state, the handlevertical end surface 32 is in contact with the open knobvertical end surface 43, so that the circuit switch SW1 turns on thepower supply 6 to supply power to the electric firing system.
Further, the electric trigger system includes an electric trigger switch SW2, the electric bending system includes an electric bending switch SW3, and when thehandle 3 is in an open state, the circuit switch SW1 and the electric bending switch SW3 are connected to thepower supply 6 to supply power to the electric bending system; when thehandle 3 is in the closed state, the circuit switch SW1 and the electric trigger switch SW2 turn on thepower supply 6 to supply power to the electric trigger system.
Further, the single pole double throw switch has asingle pole contact 10, a firstdouble throw contact 8, and a seconddouble throw contact 9, and when thesingle pole contact 10 communicates with the firstdouble throw contact 8, thepower source 6 supplies power to the electric swing system, and when thesingle pole contact 10 communicates with the seconddouble throw contact 9, thepower source 6 supplies power to the electric swing system.
As shown in fig. 1 and 2, the present invention provides an electric stapler having a firing and bending switching device, the electric stapler having an operatinghandle 11, anelongated body 12 and anend effector 13, the firing and bending switching device having an internal connection relationship including: thehandle 3 controls the circuit switching switch SW1 through theopen knob 4, and turns on and off the circuit switching switch SW1 through theopen knob 4. The electric firing and electric bending switching device comprises an electric firing system, an electric bending system, thehandle 3, theopening toggle 4, the switchingcircuit 5 and thepower source 6, wherein theswitching circuit 5 comprises the circuit switching switch SW1, and thehandle 3 has two states of closed as shown in fig. 5 and open as shown in fig. 3.
As shown in fig. 3, when thehandle 3 is in the open state, thehandle arc surface 31 contacts the opentoggle arc surface 41, the open toggletransverse protrusion 42 does not contact the circuit switch SW1, and the switch SW1 is in the off state, that is, thepower supply 6 cuts off the power supply to the electric percussion system.
As shown in fig. 5, when thehandle 3 is in the closed state, thehandle arc surface 31 is separated from the opentoggle arc surface 41, the handlevertical end surface 32 is in contact with the open togglevertical end surface 43, and at this time, the open toggletransverse protrusion 42 contacts the circuit switch SW1, so that the circuit switch SW1 is in the on state, that is, thepower supply 6 is turned on to supply power to the electric firing system.
As shown in fig. 10.a and in fig. 10.b, the opening knobtransverse projection 42 can be replaced by a separate part, such as thebutton ring 7 shown in fig. 10.b, namely, the electric percussion and electric bending switching device comprises the electric percussion system, the electric bending system, thehandle 3, theopening toggle button 4, the switchingcircuit 5, thepower supply 6 and thebutton ring 7, wherein theswitching circuit 5 comprises the circuit switching switch SW1, thehandle 3 has two states of being closed and opened, theopening toggle button 4 is fixedly connected with thebutton ring 7, at the same time, the change of the position of theopening button 4 makes thebutton ring 7 contact or disconnect the circuit switching switch SW1, that is, thehandle 3 contacts theopening knob 4 and interacts with the opening knob, so that thebutton ring 7 controls the opening and closing of the circuit switchingswitch SW 1.
When thehandle 3 is in the open state as shown in fig. 3, the front jaw is open, thehandle arc surface 31 contacts the opentoggle arc surface 41, the open toggletransverse protrusion 42 does not contact the circuit switch SW1, the circuit switch SW1 is in the open state, as shown in fig. 4, no power is supplied between K1-1 and K1-8 corresponding to the coil of the relay K1, and K1 is in the initial reset state: k1-3 and K1-2 are in on state, and K1-3 and K1-4 are in off state; when the electric steering switch SW3 is operated, thepower source 6 of theswitching circuit 5 supplies power only to the steering motor M2 of the electric steering system. At this time, the electric trigger switch SW2 is operated, the power supply circuit of the trigger generator M1 in the electric trigger system is disconnected by K1-3 and K1-4, the trigger generator M1 does not execute action, and the movement of the front end in the electric trigger system is avoided when the jaws are opened, so that the movement of the cutting knife in the electric trigger system is avoided.
As shown in fig. 5, when thehandle 3 is in the closed state, the front jaw is closed, the handlevertical end surface 32 contacts the opening togglevertical end surface 43, and the opening toggletransverse protrusion 42 contacts the circuit switch SW1, so that the circuit switch SW1 is in the conducting state, as shown in fig. 4, power is supplied between K1-1 and K1-8 corresponding to the coil of the relay K1, and K1 is switched to the operating state: k1-3 and K1-4 are in on state, and K1-3 and K1-2 are in off state; by operating the electric trigger switch SW2, thepower source 6 of theswitching circuit 5 supplies power only to the trigger generator M1 of the electric trigger system. At this time, the electric turn switch SW3 is operated, the power supply circuit of the turn motor M2 in the electric turn system is disconnected by K1-3 and K1-2, and the turn motor M2 does not operate, so that the damage to the tissue caused by the erroneous triggering of the electric turn switch SW3 when the front jaw is closed is avoided.
Meanwhile, the circuit switch SW1 can be implemented by a single-pole double-throw switch, when thehandle 3 of the electric stapler is in a closed state, as shown in fig. 6, in which thecontact 10 of the circuit switch SW1 is connected to thecontact 8, and the electric trigger switch SW2 is pressed, as shown in fig. 7, thepower source 6 supplies power only to the trigger generator M1 of the electric trigger system, and cuts off the power supply to the bending motor M2 of the electric bending system.
When thehandle 3 of the electric stapler is in an open state as shown in fig. 8 in which thecontact 10 of the switch SW1 is connected to thecontact 9, the electric bending switch SW3 is pressed, and as shown in fig. 9, thepower source 6 supplies power only to the bending motor M2 of the electric bending system, and cuts off the power supply to the trigger generator M1 of the electric firing system.
When thehandle 3 of the electric anastomat is in a closed state, the electric bending switch SW3 is operated by mistake, the bending motor does not generate corresponding action, and when the handle of the instrument is in an open state, the electric firing switch SW2 is operated by mistake, the firing motor also does not generate corresponding action.
As shown in fig. 10.a, when thehandle 3 is in the open state, the front end jaw is open, as shown in fig. 10.b and fig. 11, theopening toggle 4 is in the moving process, theopening toggle cylinder 44 pushes thearc surface 72 of thetoggle ring 7, when thehandle 3 is in the open state, thehandle arc surface 31 and the openingtoggle arc surface 41 are matched, so that theopening toggle 4 is in the state one shown in fig. 10.a, at this time, theopening toggle cylinder 44 does not push thetoggle ring 7 to contact the electric switch SW1, the circuit switch SW1 is in the off state, the switchingcircuit 5 controls thepower source 6 to supply power only to the turn motor M2 in the electric turn system as shown in fig. 4, the power supply to the trigger generator M1 in the electric trigger system is cut off, at this time, the electric switch SW2 is operated, the trigger generator M1 does not execute actions, so that the damage of the instrument caused by the movement of a cutting knife in an electric trigger system when the jaws are opened is avoided.
As shown in fig. 12.a, when thehandle 3 is in the closed state, the front end jaw is closed, as shown in fig. 12.b and 13, during the movement of theopening knob 4, the opening knobcylindrical surface 44 pushes thecambered surface 72 of theknob ring 7, when thehandle 3 is in the closed state, the handlevertical end surface 32 contacts the opening knobvertical end surface 43, theopening knob 4 is in the state two as shown in fig. 12.a, at this time, the opening knobcylindrical surface 44 pushes theknob ring 7 to contact the electric switch SW1, the circuit switch SW1 is in the closed state, at this time, the switchingcircuit 5 as shown in fig. 4 controls thepower supply 6 to cut off the power supply to the turn motor M2 in the electric turn system, and only supplies the power to the trigger generator M1 in the electric trigger system, at this time, the electric turn switch SW3 is operated, the turn motor M2 does not operate, and damage to the tissue due to left and right turning of the jaw when the electric turn switch SW3 is erroneously triggered after the tissue is closed by the front jaw is avoided.
Exemplary method
The specific working principle is as follows:
the electric firing and electric turning switching device comprises an electric firing system, an electric turning system, a handle, a jaw opening toggle, a switching circuit and a power supply, wherein the switching circuit comprises a circuit switching switch, and the handle has two states of closing and opening.
When the handle is in the open mode, the front end is kept silent and is opened, the jaw is opened at this moment and the toggle is in the position of not triggering the electric change-over switch under the handle effect, the circuit change-over switch is in the off state, the switching circuit controls the power supply to supply power to the electric bending system at this moment, the power supply of the electric firing system is cut off, the electric firing switch is operated at this moment, the electric firing system does not execute the action, and the movement of a cutting knife in the electric firing system is avoided when the jaw is in the open mode.
When the handle is in a closed state, the front-end jaw is closed, the jaw opening toggle is located at a position for triggering the electric change-over switch under the action of the handle, the circuit change-over switch is in a closed state, the switching circuit controls the power supply to be disconnected at the moment to supply power to the electric turning system and only supplies power to the electric firing system, the electric turning switch is operated at the moment, the electric turning system does not execute actions, and damage to tissues caused by left and right turning of the jaw due to mistaken triggering of the electric turning switch after the front-end jaw is closed.
When the handle is in an open state, the jaw opening toggle is in a position for triggering the electric change-over switch under the action of the handle, so that the circuit change-over switch is in a closed state, and the change-over circuit controls the power supply to supply power only to the electric bending system at the moment, and cuts off the power supply of the electric firing system.
When the handle is in a closed state, the jaw opening toggle is in a position which does not trigger the electric change-over switch under the action of the handle, so that the circuit change-over switch is in an off state, the change-over circuit controls the power supply to be switched off to supply power to the electric bending system at the moment, and only the electric firing system is supplied with power.
It should be noted that although in the above detailed description several units/modules or sub-units/modules of the apparatus are mentioned, such a division is merely exemplary and not mandatory. Indeed, the features and functionality of two or more of the units/modules described above may be embodied in one unit/module according to embodiments of the invention. Conversely, the features and functions of one unit/module described above may be further divided into embodiments by a plurality of units/modules.
Moreover, while the operations of the method of the invention are depicted in the drawings in a particular order, this does not require or imply that the operations must be performed in this particular order, or that all of the illustrated operations must be performed, to achieve desirable results. Additionally or alternatively, certain steps may be omitted, multiple steps combined into one step execution, and/or one step broken down into multiple step executions.
While the spirit and principles of the invention have been described with reference to several particular embodiments, it is to be understood that the invention is not limited to the disclosed embodiments, nor is the division of aspects, which is for convenience only as the features in such aspects may not be combined to benefit. The invention is intended to cover various modifications and equivalent arrangements included within the spirit and scope of the appended claims.

Claims (10)

1. The firing and bending switching device for the electric anastomat is characterized by comprising an electric firing system, an electric bending system, a handle (3), an opening toggle button (4), a switching circuit (5) and a power supply (6), wherein the switching circuit (5) comprises a circuit switching switch (SW1), the handle (3) is in contact connection with the opening toggle button (4), the circuit switching switch (SW1) is in contact connection with the opening toggle button (4), the handle (3) has an opening state and a closing state, and the handle (3) enables the circuit switching switch (SW1) to be switched on or off through the opening toggle button (4) to supply power to the electric firing system or the electric bending system through the power supply (6);
under the action of the opening state of the handle (3), the opening toggle button (4) is at a first position, and the circuit switch (SW1) enables the switching circuit (5) to control the power supply (6) to supply power only to the electric bending system and disconnect the power supply to the electric firing system;
under the action of the closed state of the handle (3), the opening toggle button (4) is at the second position, and the circuit change-over switch (SW1) enables the switching circuit (5) to control the power supply (6) to supply power only to the electric firing system and disconnect the power supply to the electric bending system.
2. The firing and bending switch device according to claim 1, wherein the opening toggle (4) has an opening toggle transverse protrusion (42), the opening toggle transverse protrusion (42) is in touching contact with the circuit switch (SW1), the opening toggle transverse protrusion (42) makes the circuit switch (SW1) turn on or off the power supply (6) to the electric firing system or the electric bending system under the driving of the handle (3).
3. The firing and bending switch device according to claim 1, wherein said circuit switch (SW1) is a single pole double throw switch.
4. The firing and bending switching device according to claim 1, further comprising a button ring (7), wherein the button ring (7) is fixedly connected with the opening toggle (4), and the handle (3) enables the circuit switch (SW1) to switch on or off the power supply (6) to the electric firing system or the electric bending system through the cooperation of the opening toggle (4) and the button ring (7).
5. The firing and bending switch device according to claim 4, wherein the button ring (7) is in touching contact with the circuit switch (SW1), the button ring (7) under the driving of the handle (3) makes the circuit switch (SW1) switch on or off the power supply (6) to the electric firing system or the electric bending system.
6. The firing and bending switching device according to claim 1, wherein the handle (3) has a handle arc surface (31), the opening toggle (4) has an opening toggle arc surface (41), and when the handle (3) is in an open state, the handle arc surface (31) is in contact connection with the opening toggle arc surface (41), so that the circuit switch (SW1) switches on the power supply (6) to the electric bending system.
7. The firing and bending switching device according to claim 1, wherein the handle (3) has a handle vertical end surface (32), the opening knob (4) has an opening knob vertical end surface (43), and when the handle (3) is in the closed state, the handle vertical end surface (32) is in contact connection with the opening knob vertical end surface (43), so that the circuit switch (SW1) conducts the power supply of the power supply (6) to the electric firing system.
8. The firing and bending switch device according to claim 1, wherein the electric firing system comprises an electric firing switch (SW2), the electric bending system comprises an electric bending switch (SW3), when the handle (3) is in the open state, the circuit switch (SW1) and the electric bending switch (SW3) switch on the power supply (6) to the electric bending system;
when the handle (3) is in a closed state, the circuit switch (SW1) and the electric firing switch (SW2) conduct the power supply of the power supply (6) to the electric firing system.
9. The firing and bending switch according to claim 3, wherein the single pole double throw switch has a single pole contact (10), a first double throw contact (8) and a second double throw contact (9), the power source (6) providing power to the electric bending system when the single pole contact (10) is in communication with the first double throw contact (8), the power source (6) providing power to the electric firing system when the single pole contact (10) is in communication with the second double throw contact (9).
10. Electric stapler characterized in that it comprises a firing and bending switching device according to any one of claims 1 to 9.
CN202010057400.1A2020-01-172020-01-17 Firing and turning switching device for electric stapler and electric staplerActiveCN111214266B (en)

Priority Applications (1)

Application NumberPriority DateFiling DateTitle
CN202010057400.1ACN111214266B (en)2020-01-172020-01-17 Firing and turning switching device for electric stapler and electric stapler

Applications Claiming Priority (1)

Application NumberPriority DateFiling DateTitle
CN202010057400.1ACN111214266B (en)2020-01-172020-01-17 Firing and turning switching device for electric stapler and electric stapler

Publications (2)

Publication NumberPublication Date
CN111214266Atrue CN111214266A (en)2020-06-02
CN111214266B CN111214266B (en)2020-12-08

Family

ID=70812033

Family Applications (1)

Application NumberTitlePriority DateFiling Date
CN202010057400.1AActiveCN111214266B (en)2020-01-172020-01-17 Firing and turning switching device for electric stapler and electric stapler

Country Status (1)

CountryLink
CN (1)CN111214266B (en)

Cited By (4)

* Cited by examiner, † Cited by third party
Publication numberPriority datePublication dateAssigneeTitle
CN111938759A (en)*2020-09-042020-11-17盈甲医疗器械制造(上海)有限公司Ultrasonic surgical instrument with simultaneously depressible blade buttons
CN112914647A (en)*2021-03-092021-06-08常州安康医疗器械有限公司Endoscope linear cutting anastomat capable of being operated by single hand
CN113951958A (en)*2021-12-022022-01-21苏州法兰克曼医疗器械有限公司Power supply control device of electric anastomat and electric anastomat
WO2023045959A1 (en)*2021-09-262023-03-30苏州法兰克曼医疗器械有限公司Electric stapler, stapler driving device, and stapler power supply control device

Citations (6)

* Cited by examiner, † Cited by third party
Publication numberPriority datePublication dateAssigneeTitle
CN203468670U (en)*2013-08-092014-03-12瑞奇外科器械(中国)有限公司Electric bending device of surgical operation instrument and surgical operation instrument
CN104337554A (en)*2013-08-092015-02-11瑞奇外科器械(中国)有限公司Two-way stroke control switch, bending stroke control device and surgical operating instrument
WO2015199958A1 (en)*2014-06-252015-12-30Ethicon Endo-Surgery, Inc.Translatable articulation joint unlocking feature for surgical stapler
US9687230B2 (en)*2013-03-142017-06-27Ethicon LlcArticulatable surgical instrument comprising a firing drive
CN206453808U (en)*2016-11-102017-09-01天津瑞奇外科器械股份有限公司A kind of surgical operating instrument
CN107951521A (en)*2017-11-302018-04-24北京派尔特医疗科技股份有限公司A kind of electronic hysteroscope stapler and its clutch safeties

Patent Citations (6)

* Cited by examiner, † Cited by third party
Publication numberPriority datePublication dateAssigneeTitle
US9687230B2 (en)*2013-03-142017-06-27Ethicon LlcArticulatable surgical instrument comprising a firing drive
CN203468670U (en)*2013-08-092014-03-12瑞奇外科器械(中国)有限公司Electric bending device of surgical operation instrument and surgical operation instrument
CN104337554A (en)*2013-08-092015-02-11瑞奇外科器械(中国)有限公司Two-way stroke control switch, bending stroke control device and surgical operating instrument
WO2015199958A1 (en)*2014-06-252015-12-30Ethicon Endo-Surgery, Inc.Translatable articulation joint unlocking feature for surgical stapler
CN206453808U (en)*2016-11-102017-09-01天津瑞奇外科器械股份有限公司A kind of surgical operating instrument
CN107951521A (en)*2017-11-302018-04-24北京派尔特医疗科技股份有限公司A kind of electronic hysteroscope stapler and its clutch safeties

Cited By (5)

* Cited by examiner, † Cited by third party
Publication numberPriority datePublication dateAssigneeTitle
CN111938759A (en)*2020-09-042020-11-17盈甲医疗器械制造(上海)有限公司Ultrasonic surgical instrument with simultaneously depressible blade buttons
CN112914647A (en)*2021-03-092021-06-08常州安康医疗器械有限公司Endoscope linear cutting anastomat capable of being operated by single hand
WO2023045959A1 (en)*2021-09-262023-03-30苏州法兰克曼医疗器械有限公司Electric stapler, stapler driving device, and stapler power supply control device
CN113951958A (en)*2021-12-022022-01-21苏州法兰克曼医疗器械有限公司Power supply control device of electric anastomat and electric anastomat
CN113951958B (en)*2021-12-022023-09-15苏州法兰克曼医疗器械有限公司Power supply control device of electric anastomat and electric anastomat

Also Published As

Publication numberPublication date
CN111214266B (en)2020-12-08

Similar Documents

PublicationPublication DateTitle
CN111214266A (en)Percussion and bending switching device for electric anastomat and electric anastomat
US11737750B2 (en)Surgical instrument with separable shaft assembly and body
EP2446848A1 (en)Surgery instrument
CN102210608B (en)Surgical instrument
US7837685B2 (en)Switch mechanisms for safe activation of energy on an electrosurgical instrument
US8220688B2 (en)Motor-driven surgical cutting instrument with electric actuator directional control assembly
CN106333720B (en)Intelligent hysteroscope stapler
US20120116260A1 (en)Surgical instrument with motorized attachment feature
CN106037849A (en)Stapler control circuit and electric stapler
US11241269B2 (en)Surgical devices switchable between monopolar functionality and bipolar functionality
US12324646B2 (en)Deflection detector, method of controlling deflection detector, electric stapler, and medical device
US20200222109A1 (en)Electrosurgical instruments
CN107647891B (en) An electric laparoscopic stapler
WO2024094213A1 (en)Electrosurgical instrument
CN218606715U (en)Electric intelligent endoscope cutting anastomat
CN111012425B (en)Electric bending safety device for electric anastomat and electric anastomat thereof
KR20200096599A (en) Handle assembly and anastomosis device including the same
CN216495514U (en)Automatic triggering ultrasonic surgical instrument
CN217408880U (en)Endoscope anastomat with nail pushing indication function
CN119606465B (en) A surgical anastomosis instrument
CN118021419B (en)Surgical instrument and surgical system
CN223041597U (en) A blade control component
CN214208443U (en)Ultrasonic surgical instrument with manually controlled switch to prevent false activation
CN213525313U (en)Automatic returning device for electric anastomat and electric anastomat thereof
CN116019518B (en) Buttons for medical device handles and staplers

Legal Events

DateCodeTitleDescription
PB01Publication
PB01Publication
SE01Entry into force of request for substantive examination
SE01Entry into force of request for substantive examination
GR01Patent grant
GR01Patent grant
TR01Transfer of patent right
TR01Transfer of patent right

Effective date of registration:20210705

Address after:No. 1199, xinsiping Road, Lingang New District, China (Shanghai) pilot Free Trade Zone, 200131

Patentee after:ENGINE MEDICAL EQUIPMENT MANUFACTURING (SHANGHAI) Corp.

Address before:901, 9 / F, building 6, courtyard 4, Shengliyuan Road, Huilongguan town, Changping District, Beijing 100096

Patentee before:Yingjia medical technology (Beijing) Co.,Ltd.

PE01Entry into force of the registration of the contract for pledge of patent right
PE01Entry into force of the registration of the contract for pledge of patent right

Denomination of invention:Switching device for firing and bending of electric stapler and its electric stapler

Granted publication date:20201208

Pledgee:Bank of Shanghai Co.,Ltd. Puxi Sub branch

Pledgor:ENGINE MEDICAL EQUIPMENT MANUFACTURING (SHANGHAI) Corp.

Registration number:Y2025980001319


[8]ページ先頭

©2009-2025 Movatter.jp