Movatterモバイル変換


[0]ホーム

URL:


CN111202586A - Continuous clamping and rotating method and system of single manipulator for vascular intervention - Google Patents

Continuous clamping and rotating method and system of single manipulator for vascular intervention
Download PDF

Info

Publication number
CN111202586A
CN111202586ACN202010188603.4ACN202010188603ACN111202586ACN 111202586 ACN111202586 ACN 111202586ACN 202010188603 ACN202010188603 ACN 202010188603ACN 111202586 ACN111202586 ACN 111202586A
Authority
CN
China
Prior art keywords
clamping
wire
assembly
fixed
gear
Prior art date
Legal status (The legal status is an assumption and is not a legal conclusion. Google has not performed a legal analysis and makes no representation as to the accuracy of the status listed.)
Pending
Application number
CN202010188603.4A
Other languages
Chinese (zh)
Inventor
王坤东
陆清声
周官林
刘道志
刘奕琨
虞忠伟
Current Assignee (The listed assignees may be inaccurate. Google has not performed a legal analysis and makes no representation or warranty as to the accuracy of the list.)
Shanghai Aopeng Medical Technology Co ltd
Original Assignee
Shanghai Aopeng Medical Technology Co ltd
Priority date (The priority date is an assumption and is not a legal conclusion. Google has not performed a legal analysis and makes no representation as to the accuracy of the date listed.)
Filing date
Publication date
Application filed by Shanghai Aopeng Medical Technology Co ltdfiledCriticalShanghai Aopeng Medical Technology Co ltd
Priority to CN202010188603.4ApriorityCriticalpatent/CN111202586A/en
Publication of CN111202586ApublicationCriticalpatent/CN111202586A/en
Pendinglegal-statusCriticalCurrent

Links

Images

Classifications

Landscapes

Abstract

The invention provides a method and a system for continuously clamping and transferring a single mechanical arm for vascular intervention, which comprises the following steps: the fixed clamping hand assembly, the wire rotating assembly and the movable clamping assembly are arranged on the fixed clamping head; the fixing clip assembly includes: the device comprises a fixed clamping motor 19, a clamping screw rod 18, a clamping nut 17, a fixed clamping hand 15, a compression spring 16 and a fixed frame 1; the fixed holding motor 19 drives the clamping nut 17 to move downwards by rotating the clamping screw rod 18; the clamping nut 17 pushes the two handles of the scissors-shaped fixed gripper 15; the front end of the fixed clamping hand 15 opens and loosens the guide wire 14; when the clamping nut 17 moves upwards; the steering of the fixed clamping motor 19 can realize the clamping and the loosening of the guide wire 14; the fixed clamping hand assembly is connected with the wire rotating assembly; the movable clamping assembly is connected with the wire rotating assembly. The invention can solve the problem of insufficient range of motion inherent in the original mechanism and meet the requirement of clinical application.

Description

Continuous clamping and rotating method and system of single manipulator for vascular intervention
Technical Field
The invention relates to the field of medical instruments, in particular to a method and a system for continuously clamping and rotating a single mechanical arm for vascular intervention, and particularly relates to a mechanism for conducting wire guiding operation by cooperation of a fixed clamping hand and a rotating clamping hand, which solves the problem of continuous rotation of an open type wire guiding clamping hand without shaft support.
Background
The vascular interventional operation robot is a master-slave teleoperation robot system, can avoid ray damage of doctors, simultaneously improves operation precision, reduces the fatigue of the doctors, and improves treatment quality by utilizing technologies such as artificial intelligence and the like. When the robot works, a doctor operates a handle or a catheter guide wire at a master end, and the slave manipulator tracks and reproduces the action of the doctor to synchronously perform the operation of the catheter guide wire which intervenes in the human body of a patient. The catheter guidewire moves in the vessel, changes the direction of movement along the vessel wall using rotation, and adjusts position in the vessel using push-pull. The typical physician operation mainly comprises three actions of clamping, rotating and pushing and pulling the guide wire of the catheter. The foremost portion of the guide wire is generally curved, and when the guide wire is rotated, the direction of the curve is changed, so that the guide wire plays a role of direction guidance in the blood vessel. When a doctor operates, the guide wire is generally twisted by using a thumb and an index finger or a middle finger, or the guide wire is clamped by using a nail to rotate, and the rotation range sometimes exceeds 180 degrees. Generally, when a guide wire rotating mechanism is designed, the assembling and disassembling convenience of equipment, the rotating range, the rotating precision and the like need to be considered, and certain difficulty exists in completely realizing the manual operation mode.
Currently, the conventional practice for rotating the guide wire of a surgical robot for vascular intervention is to use two rollers which are pressed against each other and then rotated about the center of symmetry, for example, the products of catheterrobotics, france, CorPath, usa. The greatest advantage of this method is that continuous rotation can be achieved, but the greatest problem is that the clamping method is difficult to assemble and disassemble on the guide wire, the channel is a closed channel, threading is needed when clamping the guide wire, and in addition, the method is difficult to be compatible with various interventional devices on the market at present. In China, the Chinese academy of sciences automatically adopts a roller-to-roller clamping mode, the Beijing university of science institute develops a gear-extrusion type catheter guide wire clamping method, and equipment also needs to pass through a closed special channel. From the research and development of the above information, the design concept of the wire rotating method of the guide wire for vascular intervention is to solve the rotation problem preferentially and then to adopt the clamping method, and the design concept causes incompatibility of equipment and higher difficulty in installing and detaching the guide wire, and no better method is used for making up the incompatibility.
Disclosure of Invention
Aiming at the defects in the prior art, the invention aims to provide a method and a system for continuously clamping and transferring a single mechanical arm for vascular intervention.
According to the invention, the single manipulator continuous clamping and transferring system for vascular intervention comprises: the fixed clamping hand assembly, the wire rotating assembly and the movable clamping assembly are arranged on the fixed clamping head; the fixing clip assembly includes: the device comprises a fixedclamping motor 19, aclamping screw rod 18, aclamping nut 17, a fixedclamping hand 15, acompression spring 16 and afixed frame 1; the fixedholding motor 19 drives the clampingnut 17 to move downwards by rotating theclamping screw rod 18; theclamping nut 17 pushes the two handles of the scissors-shapedfixed gripper 15;
the front end of the fixedclamping hand 15 opens and loosens theguide wire 14; when theclamping nut 17 moves upwards, the front end of the fixedclamping hand 15 is closed to clamp theguide wire 14 under the action of thecompression spring 16; the steering of the fixedclamping motor 19 can realize the clamping and the loosening of theguide wire 14; the fixed clamping hand assembly is connected with the wire rotating assembly; the movable clamping assembly is connected with the wire rotating assembly.
Preferably, the wire rotating assembly comprises: the wire rotating machine comprises a wire rotatingmotor 2, a wire rotating motor frame, a wirerotating gear component 3, a half-cycle gear 5, a half-cycle slip ring 6 and asliding chute 4; thewire rotating motor 2 is fixedly connected with the wire rotating motor frame; the rotation direction of the wire-rotating gear component is changed to the direction vertical to the rotating shaft of the wire-rotatingmotor 2 through the movement of the wire-rotatinggear component 3; thewire rotating motor 2 is connected with the wirerotating gear assembly 3; the last stage of straight gear in the wire-rotatinggear assembly 3 is meshed with the half-cycle gear 5; the half-cycle gear 5 is fixedly communicated with a half-cycle slip ring 6; the circle centers of the half-cycle gear 5 and the half-cycle slip ring 6 are superposed; thesliding chute 4 is arranged on thefixed frame 1; the half-cycle slip ring 6 can slide in thesliding groove 4; the rotation center of thesemi-circle slip ring 6 is the circle center; thesemi-circle slip ring 6 can do shaftless support circular motion under the driving of thewire rotating motor 2.
Preferably, the dynamic clamping assembly comprises: the device comprises a support frame 9, a rotary clamping motor 10, aclamping gear set 7, a forward spinning rod 8, abackward spinning rod 13, anut pair 12 andclamping fingers 11; the movable clamping assembly is fixedly arranged on a half-cycle slip ring 6 of the wire rotating assembly through a support frame 9; the movable clamping assembly integrally rotates along with the sliding rotation of the half-cycle sliding ring 6; the rotary clamping motor 10 is arranged and fixed on the support frame 9; the rotary clamp motor 10 includes: rotating a rotating shaft of a clamping motor; the rotating shaft of the rotating clamping motor drives the clamping gear set 7 to transmit rotation to the forward rotation screw rod 8, the reverserotation screw rod 13 is connected with the forward rotation screw rod 8, and the reverserotation screw rod 13 and the forward rotation screw rod 8 can rotate together in the same direction; thus pushing thenut pair 12 screwed on each to move towards or away from each other, the clampingfingers 11 being arranged on thenut pair 12; the clampingfingers 11 move oppositely to clamp theguide wires 14 and move reversely to release theguide wires 14; the centre point of the grippingfingers 11 coincides with the centre of rotation of thesemi-circular slip ring 6.
Preferably, thefixed gripper 15 is in a scissors-shaped configuration.
Preferably, theturning gear assembly 3 includes: a drive bevel gear 301, a gear shaft 302, a driven bevel gear 303, a drive spur gear 304, and a bearing 305; thefilament rotating motor 2 includes: an output shaft of the wire rotating motor; the output shaft of the wire rotating motor is fixedly connected with the driving bevel gear 301; the driving bevel gear 301 is meshed with the driven bevel gear 303; the gear shaft 302 is respectively and fixedly connected with a driven bevel gear 303 and a driving straight gear 304; two ends of the gear shaft 302 are supported on thefixed frame 1 through bearings 305; the spur gear drive 304 is engaged with thehalf gear 5.
According to the method for continuously clamping and transferring the single mechanical arm for the blood vessel intervention, which is provided by the invention, the system for continuously clamping and transferring the single mechanical arm for the blood vessel intervention comprises the following steps: step M1: initially, thefixing clamp 15 of the fixing clamp assembly is closed, and theclamping finger 11 is closed; step M2: theclamping fingers 11 are loosened, and the half-cycle slip ring 6 rotates reversely to a reverse limit position under the driving of thewire rotating motor 2; step M3: closing theclamping finger 11, loosening the fixedclamping hand 15, and then enabling the half-cycle slip ring 6 to reach a forward limit position under the forward rotation of thewire rotating motor 2; step M4: the fixedclamping hand 15 is closed, theclamping finger 11 is released, and the half-cycle slip ring 6 is driven to the reverse limit position under the reverse rotation of thewire rotating motor 2.
Preferably, the method further comprises the following steps: step M5: the steps M2 to M4 are repeated to continue the forward rotation of theguidewire 14.
Preferably, the step M2 includes: step M2.1: theclamping fingers 11 are loosened, and the half-cycle slip ring 6 is driven by thewire rotating motor 2 to rotate forwards to a forward limit position.
The step M3 includes: step M3.1: closing theclamping finger 11, loosening the fixedclamping hand 15, and then enabling the half-cycle slip ring 6 to reach a reverse limit position under the reverse rotation of thewire rotating motor 2;
the step M4 includes: step M4.1: the fixedclamping hand 15 is closed, theclamping fingers 11 are released, and the half-cycle slip ring 6 is driven to the positive limit position under the positive rotation of thewire rotating motor 2.
Preferably, the method further comprises the following steps: the step M5 includes:
step M5.1: repeating steps M2 through M4 to continue counter-rotation of theguidewire 14.
Compared with the prior art, the invention has the following beneficial effects:
1. the guide wire rotating mechanism realizes the rotation of the guide wire by the cooperation of the fixed clamping assembly, the movable clamping assembly and the wire rotating assembly, enlarges the movement range of non-shaft supporting rotation, solves the problem of insufficient movement range of the original mechanism, and meets the clinical application requirement.
2. The guide wire can be conveniently assembled and disassembled, for example, when the fixing clamp and the clamping fingers are opened simultaneously, the guide wire can be placed into the guide wire without introducing the guide wire into a closed cavity, and the clinical use is convenient.
3. The wire rotating motor and the fixed clamping motor are arranged in parallel, so that the clamping thickness is effectively reduced, the structure is compact, the space is saved, and the use is convenient.
Drawings
Other features, objects and advantages of the invention will become more apparent upon reading of the detailed description of non-limiting embodiments with reference to the following drawings:
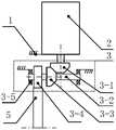
fig. 1 is a schematic view of the overall structure of the present invention.
Fig. 2 is a transmission diagram of a wire-rotating gear set in the embodiment of the invention.
Fig. 3 is a flowchart illustrating the operation of rotating the filament according to an embodiment of the present invention.
In the figure:
1-fixed frame 8-positive rotation screw rod
2-wire-rotating motor 9-support frame
3-wire-rotating gear component 10-rotating clamping motor
301-drive bevel gear 11-clamping finger
302-gear shaft 12-nut pair
303-driven bevel gear 13-derotation screw rod
304-spur gear 14-guide wire
305-bearing 15-fixed gripper
4-chute 16-hold down spring
5-half-cycle gear 17-clamping nut
6-half-cycle slip ring 18-clamping screw rod
7-clamping gear set 19-fixed clamping motor
Detailed Description
The present invention will be described in detail with reference to specific examples. The following examples will assist those skilled in the art in further understanding the invention, but are not intended to limit the invention in any way. It should be noted that it would be obvious to those skilled in the art that various changes and modifications can be made without departing from the spirit of the invention. All falling within the scope of the present invention.
As shown in fig. 1 to 3, a single manipulator continuous clamping and transferring system for vascular intervention according to the present invention comprises: the fixed clamping hand assembly, the wire rotating assembly and the movable clamping assembly are arranged on the fixed clamping head; the fixing clip assembly includes: the device comprises a fixedclamping motor 19, aclamping screw rod 18, aclamping nut 17, afixed clamping hand 15, acompression spring 16 and a fixedframe 1; the fixedholding motor 19 drives theclamping nut 17 to move downwards by rotating theclamping screw rod 18; theclamping nut 17 pushes the two handles of the scissors-shapedfixed gripper 15;
the front end of the fixedclamping hand 15 opens and loosens theguide wire 14; when theclamping nut 17 moves upwards, the front end of the fixedclamping hand 15 is closed to clamp theguide wire 14 under the action of thecompression spring 16; the steering of the fixedclamping motor 19 can realize the clamping and the loosening of theguide wire 14; the fixed clamping hand assembly is connected with the wire rotating assembly; the movable clamping assembly is connected with the wire rotating assembly.
Preferably, the wire rotating assembly comprises: the wire rotating machine comprises a wire rotatingmotor 2, a wire rotating motor frame, a wirerotating gear component 3, a half-cycle gear 5, a half-cycle slip ring 6 and asliding chute 4; thewire rotating motor 2 is fixedly connected with the wire rotating motor frame; the rotation direction of the wire-rotating gear component is changed to the direction vertical to the rotating shaft of the wire-rotatingmotor 2 through the movement of the wire-rotatinggear component 3; thewire rotating motor 2 is connected with the wirerotating gear assembly 3; the last stage of straight gear in the wire-rotatinggear assembly 3 is meshed with the half-cycle gear 5; the half-cycle gear 5 is fixedly communicated with a half-cycle slip ring 6; the circle centers of the half-cycle gear 5 and the half-cycle slip ring 6 are superposed; thesliding chute 4 is arranged on thefixed frame 1; the half-cycle slip ring 6 can slide in thesliding groove 4; the rotation center of thesemi-circle slip ring 6 is the circle center; thesemi-circle slip ring 6 can do shaftless support circular motion under the driving of thewire rotating motor 2.
Preferably, the dynamic clamping assembly comprises: the device comprises a support frame 9, a rotary clamping motor 10, aclamping gear set 7, a forward spinning rod 8, abackward spinning rod 13, anut pair 12 andclamping fingers 11; the movable clamping assembly is fixedly arranged on a half-cycle slip ring 6 of the wire rotating assembly through a support frame 9; the movable clamping assembly integrally rotates along with the sliding rotation of the half-cycle sliding ring 6; the rotary clamping motor 10 is arranged and fixed on the support frame 9; the rotary clamp motor 10 includes: rotating a rotating shaft of a clamping motor; the rotating shaft of the rotating clamping motor drives the clamping gear set 7 to transmit rotation to the forward rotation screw rod 8, the reverserotation screw rod 13 is connected with the forward rotation screw rod 8, and the reverserotation screw rod 13 and the forward rotation screw rod 8 can rotate together in the same direction; thus pushing thenut pair 12 screwed on each to move towards or away from each other, the clampingfingers 11 being arranged on thenut pair 12; the clampingfingers 11 move oppositely to clamp theguide wires 14 and move reversely to release theguide wires 14; the centre point of the grippingfingers 11 coincides with the centre of rotation of thesemi-circular slip ring 6.
Preferably, thefixed gripper 15 is in a scissors-shaped configuration.
Preferably, theturning gear assembly 3 includes: a drive bevel gear 301, a gear shaft 302, a driven bevel gear 303, a drive spur gear 304, and a bearing 305; thefilament rotating motor 2 includes: an output shaft of the wire rotating motor; the output shaft of the wire rotating motor is fixedly connected with the driving bevel gear 301; the driving bevel gear 301 is meshed with the driven bevel gear 303; the gear shaft 302 is respectively and fixedly connected with a driven bevel gear 303 and a driving straight gear 304; two ends of the gear shaft 302 are supported on the fixedframe 1 through bearings 305; the spur gear drive 304 is engaged with thehalf gear 5.
Specifically, in one embodiment, a structural assembly for realizing continuous clamping rotation of a single manipulator for vascular intervention, as shown in fig. 1, includes a fixed clamping hand assembly composed of a fixed clampingmotor 19, a clampingscrew 18, a clampingnut 17, a fixed clampinghand 15, acompression spring 16 and a fixedframe 1, a wire rotating assembly composed of a wirerotating motor 2, a wire rotatinggear assembly 3, a half-cycle gear 5, a half-cycle slip ring 6 and a slidingchute 4, and a movable clamping assembly composed of a support frame 9, a rotating clamping motor 10, a clamping gear set 7, a forward-rotation screw 8, a reverse-rotation screw 13, anut pair 12 and a clampingfinger 11.
In the fixed gripper assembly of fig. 1, an output shaft of a fixedgripper motor 19 is connected to agripper screw 18, and when the fixedgripper motor 19 rotates, agripper nut 17 screwed onto thegripper screw 18 moves up and down. When moving downwards, the two handles of the fixed clampinghand 15 are pushed to be opened, and theguide wire 14 is loosened; when moving upwards, the two handles of the fixedgripper 15 grip the guide wire under the pressure of thecompression spring 16.
In the silk turning component shown in fig. 1, asilk turning motor 2 is fixed on a rack, the rotation direction of thesilk turning motor 2 is changed to the direction vertical to the rotating shaft of thesilk turning motor 2 through a silkturning gear component 3, a last stage straight gear in the silkturning gear component 3 is meshed with asemi-circle gear 5, thesemi-circle gear 5 is fixed on asemi-circle slip ring 6, the two are concentric, thesemi-circle slip ring 6 is fixed in a slidinggroove 4 on therack 1 to rotate in a sliding mode, the rotation center is the circle center of the semi-circle slip ring, and thesemi-circle slip ring 6 realizes shaftless supporting circular motion under the driving of the silk turning.
In the movable clamping assembly shown in fig. 1, a support frame 9 is fixedly mounted on a half-circumference slip ring 6 of a wire rotating assembly, the support frame is used for fixedly supporting a rotary clamping motor 10, a positive rotation screw rod 8 and a negativerotation screw rod 13 at the same time, an output shaft of the rotary clamping motor 10 and an end shaft of the positive rotation screw rod 8 are driven by a clamping gear set 7 meshed with a set of spur gears, anut pair 12 is respectively screwed and mounted on the two screw rods, when the rotary clamping motor 10 rotates, the positive rotation screw rod 8 and the negativerotation screw rod 13 rotate in the same direction, but the two nut pairs 12 move in opposite directions or in opposite directions, and then two clampingfingers 11 mounted on the two nut pairs 12 move in opposite directions or in opposite directions, so as to clamp aguide wire 14 or loosen theguide wire 14. In the design, the screw pitches of the forward screw rod 8 and thebackward screw rod 13 are the same and are synchronously driven by the rotating clamping motor 10, so that the distance for the two nut pairs 12 to move towards or away from each other is the same, and the centers of the two clampingfingers 11 can be kept unchanged. In the design, this center is also the center of the circle and the center of rotation of the half-cycle slip ring 6.
In fig. 1, the movable clamping assembly is mounted on thesemi-circle slip ring 6 of the wire rotating assembly through the supporting frame 9, when thesemi-circle slip ring 6 of the wire rotating assembly rotates, the movable clamping assembly is driven to rotate together, if the movable clamping assembly clamps theguide wire 14, the axis of theguide wire 14 is the clamping center, and is also the rotation center of thesemi-circle slip ring 6, so that theguide wire 14 can rotate along the axis of theguide wire 14.
The transmission diagram of thewire rotating motor 2 to the half-cycle gear 5 in the single manipulator for vascular intervention is shown in fig. 2, thewire rotating motor 2 is fixed on theframe 1, the output shaft of the wire rotating motor is fixedly connected with the driving bevel gear 301 and meshed with the driven bevel gear 303, the driven bevel gear 303 and the driving spur gear 304 are fixed on the gear shaft 302, two ends of the gear shaft 302 are supported on theframe 1 through bearings 305, and the driving spur gear 304 is meshed with the half-cycle gear 5.
According to the method for continuously clamping and transferring the single mechanical arm for the blood vessel intervention, which is provided by the invention, the system for continuously clamping and transferring the single mechanical arm for the blood vessel intervention comprises the following steps: step M1: initially, the fixingclamp 15 of the fixing clamp assembly is closed, and the clampingfinger 11 is closed; step M2: the clampingfingers 11 are loosened, and the half-cycle slip ring 6 rotates reversely to a reverse limit position under the driving of thewire rotating motor 2; step M3: closing the clampingfinger 11, loosening the fixed clampinghand 15, and then enabling the half-cycle slip ring 6 to reach a forward limit position under the forward rotation of thewire rotating motor 2; step M4: the fixed clampinghand 15 is closed, the clampingfinger 11 is released, and the half-cycle slip ring 6 is driven to the reverse limit position under the reverse rotation of thewire rotating motor 2.
Preferably, the method further comprises the following steps: step M5: the steps M2 to M4 are repeated to continue the forward rotation of theguidewire 14.
Preferably, the step M2 includes: step M2.1: the clampingfingers 11 are loosened, and the half-cycle slip ring 6 is driven by thewire rotating motor 2 to rotate forwards to a forward limit position.
The step M3 includes: step M3.1: closing the clampingfinger 11, loosening the fixed clampinghand 15, and then enabling the half-cycle slip ring 6 to reach a reverse limit position under the reverse rotation of thewire rotating motor 2;
the step M4 includes: step M4.1: the fixed clampinghand 15 is closed, the clampingfingers 11 are released, and the half-cycle slip ring 6 is driven to the positive limit position under the positive rotation of thewire rotating motor 2.
Preferably, the method further comprises the following steps: the step M5 includes:
step M5.1: repeating steps M2 through M4 to continue counter-rotation of theguidewire 14.
Specifically, in one embodiment, a process for implementing a single-manipulator continuous clamping and transferring method for vascular intervention is shown in fig. 3. In fig. 3(a), the stationary gripper 15 of the stationary assembly, both gripping fingers 11 grip the guide wire 14; in fig. 3(b), the stationary gripper 15 of the stationary assembly releases the guide wire 14; in fig. 3(c), the wire rotating assembly drives the movable clamping assembly for clamping the guide wire 14 to rotate forward to the limit position, so that the leading end of the guide wire 14 has a change of angle; in fig. 3(d), the stationary clamp gripper 15 of the stationary assembly closes the clamping wire 14; in fig. 3(e), two clamping fingers 11 in the movable clamping assembly release the guide wire 14; in fig. 3(f), the wire rotating assembly drives the movable clamping assembly to rotate reversely to the limit position; in fig. 3(g), two clamping fingers 11 in the movable clamping assembly clamp the guide wire 14; in fig. 3(h), the stationary gripper 15 of the stationary assembly releases the guide wire 14; in fig. 3(i), the wire rotating assembly drives the movable clamping assembly for clamping the guide wire 14 to rotate forward to the middle position, and the leading end of the guide wire 14 has a change of angle; thereafter, the fixing clamp 15 of the fixing assembly closes the clamp wire 14 into the state of fig. 3 (a).
In fig. 3, (a) - (b) - (c) - (d) - (e) - (f) - (g) - (h) - (i) - (a) complete a forward pinch cycle, and continuous forward pinch can be achieved by repeating the cycle. (a) And (b) - (h) - (g) - (f) - (e) - (d) - (c) - (i) - (a) complete a reverse pinch cycle, and continuous reverse pinch can be realized by repeating the cycle.
The guide wire rotating mechanism realizes the rotation of the guide wire through the cooperation of the fixed clamping assembly, the movable clamping assembly and the wire rotating assembly, enlarges the movement range of non-shaft supporting rotation, solves the problem of insufficient movement range of the original mechanism, and meets the clinical application requirement; the guide wire can be conveniently assembled and disassembled, for example, when the fixing clamp and the clamping fingers are opened simultaneously, the guide wire can be placed without being introduced into a closed cavity, and the clinical use is convenient; the wire rotating motor and the fixed clamping motor are arranged in parallel, so that the clamping thickness is effectively reduced, the structure is compact, the space is saved, and the use is convenient.
Those skilled in the art will appreciate that, in addition to implementing the system and its various devices, units provided by the present invention as pure computer readable program code, the system and its various devices, units provided by the present invention can be fully enabled to implement the same functions by logically programming the method steps in the form of logic gates, switches, application specific integrated circuits, programmable logic controllers, embedded microcontrollers and the like. Therefore, the system and various devices, units and units thereof provided by the invention can be regarded as a hardware component, and the devices, units and units included in the system for realizing various functions can also be regarded as structures in the hardware component; means, elements, units for performing various functions may also be regarded as structures within both software and hardware components for performing the method.
In the description of the present application, it is to be understood that the terms "upper", "lower", "front", "rear", "left", "right", "vertical", "horizontal", "top", "bottom", "inner", "outer", and the like indicate orientations or positional relationships based on those shown in the drawings, and are only for convenience in describing the present application and simplifying the description, but do not indicate or imply that the referred device or element must have a specific orientation, be constructed in a specific orientation, and be operated, and thus, should not be construed as limiting the present application.
The foregoing description of specific embodiments of the present invention has been presented. It is to be understood that the present invention is not limited to the specific embodiments described above, and that various changes or modifications may be made by one skilled in the art within the scope of the appended claims without departing from the spirit of the invention. The embodiments and features of the embodiments of the present application may be combined with each other arbitrarily without conflict.

Claims (9)

CN202010188603.4A2020-03-172020-03-17Continuous clamping and rotating method and system of single manipulator for vascular interventionPendingCN111202586A (en)

Priority Applications (1)

Application NumberPriority DateFiling DateTitle
CN202010188603.4ACN111202586A (en)2020-03-172020-03-17Continuous clamping and rotating method and system of single manipulator for vascular intervention

Applications Claiming Priority (1)

Application NumberPriority DateFiling DateTitle
CN202010188603.4ACN111202586A (en)2020-03-172020-03-17Continuous clamping and rotating method and system of single manipulator for vascular intervention

Publications (1)

Publication NumberPublication Date
CN111202586Atrue CN111202586A (en)2020-05-29

Family

ID=70781594

Family Applications (1)

Application NumberTitlePriority DateFiling Date
CN202010188603.4APendingCN111202586A (en)2020-03-172020-03-17Continuous clamping and rotating method and system of single manipulator for vascular intervention

Country Status (1)

CountryLink
CN (1)CN111202586A (en)

Cited By (1)

* Cited by examiner, † Cited by third party
Publication numberPriority datePublication dateAssigneeTitle
WO2023160185A1 (en)*2022-02-232023-08-31上海奥朋医疗科技有限公司Guidewire catheter delivering device

Citations (5)

* Cited by examiner, † Cited by third party
Publication numberPriority datePublication dateAssigneeTitle
CN104287841A (en)*2014-11-102015-01-21上海速介机器人科技有限公司Vascular intervention surgical robot guide wire/guide pipe operating device and control method thereof
CN107320181A (en)*2017-06-052017-11-07上海速介机器人科技有限公司The folder that wire catheter is operated in blood vessel intervention operation transfers manipulator
WO2018067252A1 (en)*2016-10-062018-04-12Medtronic Vascular Inc.System and method for crossing a native heart valve with a guidewire
CN208725873U (en)*2017-12-152019-04-12南京航空航天大学 Vascular interventional surgery robot manipulating catheter-guide wire from hand
CN110859674A (en)*2019-11-262020-03-06北京唯迈医疗设备有限公司Main end control device of interventional operation robot

Patent Citations (5)

* Cited by examiner, † Cited by third party
Publication numberPriority datePublication dateAssigneeTitle
CN104287841A (en)*2014-11-102015-01-21上海速介机器人科技有限公司Vascular intervention surgical robot guide wire/guide pipe operating device and control method thereof
WO2018067252A1 (en)*2016-10-062018-04-12Medtronic Vascular Inc.System and method for crossing a native heart valve with a guidewire
CN107320181A (en)*2017-06-052017-11-07上海速介机器人科技有限公司The folder that wire catheter is operated in blood vessel intervention operation transfers manipulator
CN208725873U (en)*2017-12-152019-04-12南京航空航天大学 Vascular interventional surgery robot manipulating catheter-guide wire from hand
CN110859674A (en)*2019-11-262020-03-06北京唯迈医疗设备有限公司Main end control device of interventional operation robot

Cited By (1)

* Cited by examiner, † Cited by third party
Publication numberPriority datePublication dateAssigneeTitle
WO2023160185A1 (en)*2022-02-232023-08-31上海奥朋医疗科技有限公司Guidewire catheter delivering device

Similar Documents

PublicationPublication DateTitle
CN104644270B (en)A kind of catheter steering device based on reverse leading screw
CN112842534B (en)Surgical tool system
CN102210610B (en)Pushing mechanism for minimally invasive surgical robot
CN101951843B (en)Improved end actuating mechanism of surgical instrument
CN107049499B (en)Teleoperation vascular intervention surgical robot system and method
JP7360778B2 (en) Dual plane robotic arm device suitable for vascular intervention surgery
EP4108199B1 (en)Elastic gathered self-centering panel clamping mechanical finger for blood vessel intervention
US20130304084A1 (en)Mechanical manipulator for surgical instruments
CN107961077A (en)The blood vessel intervention operation robot of conduit-seal wire is manipulated from hand
CN101396298A (en)Robot system with endoscope for assisting micro-wound surgical operation
CN111388072B (en) A kind of foreign body forceps for gastroenterology
WO2022001186A1 (en)Continuous body instrument and surgical robot
CN111202586A (en)Continuous clamping and rotating method and system of single manipulator for vascular intervention
CN109199590B (en)Channel-changing and cis-positioning operation manipulator for vascular intervention and surgical robot
CN111035455A (en)Venipuncture robot with decoupled position and posture
CN108748230B (en) Separate drive cam type height self-adjusting flat clip self-adaptive finger device
WO2022001188A1 (en)Continuum instrument and surgical robot
WO2022001185A1 (en)Continuum instrument and surgical robot
CN209404841U (en) A multi-degree-of-freedom minimally invasive surgical instrument
CN115089297A (en) A multi-instrument collaborative delivery device for a minimally invasive vascular interventional surgery robot
CN115317080A (en)Minimally invasive surgical instrument with bending and infinite rotation functions and convenient to operate
CN116269802A (en)Surgical instrument and surgical robot
CN113425413A (en)Mechanical claw for interventional vascular surgery
CN107214719A (en)Flat folder coupling translation switching handyman finger apparatus
CN217645324U (en)Disposable sterilized laparoscopic minimally invasive surgery robot operating forceps

Legal Events

DateCodeTitleDescription
PB01Publication
PB01Publication
SE01Entry into force of request for substantive examination
SE01Entry into force of request for substantive examination
RJ01Rejection of invention patent application after publication

Application publication date:20200529

RJ01Rejection of invention patent application after publication

[8]ページ先頭

©2009-2025 Movatter.jp