Movatterモバイル変換


[0]ホーム

URL:


CN111175687A - Nonlinear load standard electric energy meter - Google Patents

Nonlinear load standard electric energy meter
Download PDF

Info

Publication number
CN111175687A
CN111175687ACN202010111058.9ACN202010111058ACN111175687ACN 111175687 ACN111175687 ACN 111175687ACN 202010111058 ACN202010111058 ACN 202010111058ACN 111175687 ACN111175687 ACN 111175687A
Authority
CN
China
Prior art keywords
signal
sampling
unit
range
switch
Prior art date
Legal status (The legal status is an assumption and is not a legal conclusion. Google has not performed a legal analysis and makes no representation as to the accuracy of the status listed.)
Pending
Application number
CN202010111058.9A
Other languages
Chinese (zh)
Inventor
肖伟峰
Current Assignee (The listed assignees may be inaccurate. Google has not performed a legal analysis and makes no representation or warranty as to the accuracy of the list.)
Guangdong Orient Telecommunication Technology Co ltd
Original Assignee
Guangdong Orient Telecommunication Technology Co ltd
Priority date (The priority date is an assumption and is not a legal conclusion. Google has not performed a legal analysis and makes no representation as to the accuracy of the date listed.)
Filing date
Publication date
Application filed by Guangdong Orient Telecommunication Technology Co ltdfiledCriticalGuangdong Orient Telecommunication Technology Co ltd
Priority to CN202010111058.9ApriorityCriticalpatent/CN111175687A/en
Publication of CN111175687ApublicationCriticalpatent/CN111175687A/en
Pendinglegal-statusCriticalCurrent

Links

Images

Classifications

Landscapes

Abstract

Translated fromChinese

本发明涉及非线性负荷标准电能表,包括:信号取样单元、信号调理单元、量程控制单元、模拟采样单元、电气隔离单元、卫星授时模块和计量子系统;信号取样单元、信号调理单元、量程控制单元和模拟采样单元依次连接,模拟采样单元通过电气隔离单元与计量子系统连接;计量子系统用于控制多个量程开关中的一个导通,在每次采样获得一采样信号时,检测采样信号的值是否在当前量程范围内,当采样信号的值在当前量程范围内时,保持当前的量程开关导通,否则控制当前的量程开关关闭,控制另一量程开关导通。通过在每次采样的时候都对采样信号进行测量,进行量程范围的调整,使得量程能够实时匹配采样信号,使得采样数据更为精确。

Figure 202010111058

The invention relates to a non-linear load standard electric energy meter, comprising: a signal sampling unit, a signal conditioning unit, a range control unit, an analog sampling unit, an electrical isolation unit, a satellite timing module and a measurement subsystem; a signal sampling unit, a signal conditioning unit, a range control unit The unit and the analog sampling unit are connected in sequence, and the analog sampling unit is connected with the metering subsystem through the electrical isolation unit; the metering subsystem is used to control the conduction of one of the multiple range switches, and when a sampling signal is obtained for each sampling, the sampling signal is detected. Whether the value of the current range is within the current range, when the value of the sampled signal is within the current range, keep the current range switch on, otherwise control the current range switch to turn off, and control the other range switch to turn on. By measuring the sampled signal at each sampling time and adjusting the range, the range can match the sampled signal in real time, and the sampled data is more accurate.

Figure 202010111058

Description

Nonlinear load standard electric energy meter
Technical Field
The invention relates to the technical field of nonlinear measurement, in particular to a nonlinear load standard electric energy meter.
Background
Linear power refers to the magnitude of the input current or voltage being continuous, linear, while non-linear power refers to the magnitude of the input current or voltage being non-linear or dynamically changing.
In order to verify the nonlinear power and electric energy measuring equipment, a nonlinear load standard electric energy meter is required. When the current or the voltage is input, the value of the current or the voltage is continuously changed, so that the range of the nonlinear load standard electric energy meter needs to be adjusted in real time. The traditional standard electric energy meter adopts a periodic adjustment process in range control, namely after sampling, the effective value of measurement is periodically judged, and the range is adjusted in each measurement period, so that the quick change of the nonlinear load cannot be responded timely.
Disclosure of Invention
Based on this, it is necessary to provide a nonlinear load standard electric energy meter in a targeted manner.
A nonlinear load standard electric energy meter, comprising: the system comprises a signal sampling unit, a signal conditioning unit, a range control unit, an analog sampling unit, an electrical isolation unit, a satellite time service module and a metering subsystem;
the signal sampling unit, the signal conditioning unit, the range control unit and the analog sampling unit are sequentially connected, the analog sampling unit is connected with the metering subsystem through the electrical isolation unit, and the metering subsystem is connected with the satellite time service module;
the signal sampling unit comprises a plurality of signal sampling circuits, the signal conditioning unit comprises a plurality of signal conditioning circuits, the range control unit comprises a plurality of range switches, each signal sampling circuit is connected with a first end of one range switch through one signal conditioning circuit, a second end of each range switch is connected with an input end of the analog sampling unit, a control end of each range switch is connected with the metering subsystem through the electric appliance isolation unit, and a digital interface signal end of the analog sampling unit is connected with the metering subsystem through the electric appliance isolation unit;
the metering subsystem is used for controlling the conduction of one of the range switches, sampling is carried out through the signal sampling circuit, when a sampling signal is obtained by sampling each time, whether the value of the sampling signal is in the current range is detected, when the value of the sampling signal is in the current range, the current range switch is kept on, otherwise, the current range switch is controlled to be closed, and the other range switch is controlled to be on;
the satellite time service system is used for providing time service signals for the metering subsystem, so that the metering subsystem is controlled by the metering subsystem to output a value measured each time according to the time service signals, and a timestamp corresponding to the time service signals is carried on the output measured value.
In one embodiment, each signal sampling circuit is connected with a sampling resistor which is a Kelvin four-terminal precision resistor.
In one embodiment, the span switch is an analog switch.
In one embodiment, the electrical isolation unit comprises a capacitive or inductive digital isolator.
In one embodiment, the signal conditioning circuit includes an instrumentation amplifier.
In one embodiment, the system further comprises a master control processing module, and the master control processing module is connected with the metering subsystem.
In one embodiment, the main control processing module includes a data processing unit and a user interaction interface unit, the data processing unit is connected with the metering subsystem, and the user interaction interface unit is connected with the data processing unit.
The invention has the beneficial effects that: the sampling signal is measured in each sampling, whether the sampling signal is in the range or not is detected, and therefore the range is adjusted, the range can be matched with the size of the sampling signal in real time, the sampling signal can adapt to the change of a nonlinear load, and the sampling data is accurate.
Drawings
In order to more clearly illustrate the embodiments of the present invention or the technical solutions in the prior art, the drawings used in the description of the embodiments or the prior art will be briefly described below, and it is obvious that the drawings in the following description are only some embodiments of the present invention, and for those skilled in the art, other drawings can be obtained according to these drawings without inventive exercise.
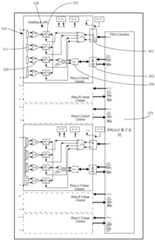
FIG. 1 is a schematic block diagram of a non-linear load standard electric energy meter according to an embodiment;
FIG. 2A is a schematic block diagram of a nonlinear load standard electric energy meter based on single-phase control according to another embodiment;
FIG. 2B is a block diagram of a connection between a metering subsystem and a data processing unit of the nonlinear load standard electric energy meter according to another embodiment;
fig. 3 is a schematic diagram of a range control circuit of a nonlinear load standard electric energy meter applied to current sampling according to an embodiment.
Detailed Description
The technical solutions in the embodiments of the present invention will be clearly and completely described below with reference to the drawings in the embodiments of the present invention, and it is obvious that the described embodiments are only a part of the embodiments of the present invention, and not all of the embodiments. All other embodiments, which can be derived by a person skilled in the art from the embodiments given herein without making any creative effort, shall fall within the protection scope of the present invention.
It should be understood that the nonlinear load standard electric energy meter can measure both current signals and voltage signals. Further, the nonlinear load standard electric energy meter also measures and records power and nonlinearity, and meanwhile, accumulated electric energy data are classified.
In one embodiment, as shown in fig. 1, a nonlinear load standard electric energy meter includes: the system comprises a signal sampling unit, a signal conditioning unit, a range control unit, an analog sampling unit, an electrical isolation unit, a satellite time service module and a metering subsystem;
the signal sampling unit, the signal conditioning unit, the range control unit and the analog sampling unit are sequentially connected, the analog sampling unit is connected with the metering subsystem through the electrical isolation unit, and the metering subsystem is connected with the satellite time service module;
the signal sampling unit comprises a plurality of signal sampling circuits, the signal conditioning unit comprises a plurality of signal conditioning circuits, the range control unit comprises a plurality of range switches, each signal sampling circuit is connected with a first end of one range switch through one signal conditioning circuit, a second end of each range switch is connected with an input end of the analog sampling unit, a control end of each range switch is connected with the metering subsystem through the electric appliance isolation unit, and a digital interface signal end of the analog sampling unit is connected with the metering subsystem through the electric appliance isolation unit;
the metering subsystem is used for controlling the conduction of one of the range switches, sampling is carried out through the signal sampling circuit, when a sampling signal is obtained by sampling each time, whether the value of the sampling signal is in the current range is detected, when the value of the sampling signal is in the current range, the current range switch is kept on, otherwise, the current range switch is controlled to be closed, and the other range switch is controlled to be on;
the satellite time service system is used for providing time service signals for the metering subsystem, so that the metering subsystem is controlled by the metering subsystem to output a value measured each time according to the time service signals, and a timestamp corresponding to the time service signals is carried on the output measured value.
Specifically, the signal sampling unit is connected with the signal conditioning unit, the signal conditioning unit is connected with the range control unit, the range control unit is connected with the analog sampling unit, and the analog sampling unit is connected with the metering subsystem through the electrical isolation unit.
In this embodiment, when the range switch is turned on, a sampling signal of the signal sampling circuit corresponding to the range switch is transmitted to the metering subsystem through the signal rule circuit and the range switch in sequence, the metering subsystem measures the sampling signal, detects whether a value of the sampling signal is within a range corresponding to the range switch, maintains the turn-on of the range switch when the value of the sampling signal is within the range corresponding to the range switch, controls the turn-off of the range switch and controls the turn-on of another range switch when the value of the sampling signal is not within the range corresponding to the range switch, thereby adjusting the range to adapt to the size of the sampling signal, enabling the sampling signal to be measured within an appropriate range, adapting to the change of a non-linear load, and enabling the measurement of electric energy to be more accurate.
Specifically, the sampling signal is measured every time of sampling, whether the sampling signal is in the range is detected, and therefore the range is adjusted, the range can be matched with the size of the sampling signal in real time, the range is not required to be adjusted periodically, the hysteresis of periodic range adjustment is avoided, and the sampling data are accurate.
In addition, the satellite timing system is used for connecting a satellite, obtaining a timing signal of the satellite and sending the timing signal to the metering subsystem. The satellite time service system is used for outputting a value measured each time according to the time service signal and adding a time mark or a time stamp to the output measured value, so that the measured value output each time by the metering subsystem can be accurately matched with the actual time, and the measurement precision is higher.
In this embodiment, the nonlinear load standard electric energy meter may sample and measure a voltage signal, and may also sample and measure a current signal, and therefore, the signal sampling unit may further measure three-phase voltage signals (Ua, Ub, and Uc) or three-phase current signals (Ia, Ib, and Ic), and therefore, the signal sampling unit includes a voltage sampling unit that samples three-phase voltage signals (Ua, Ub, and Uc), and a current sampling unit that samples three-phase current signals (Ia, Ib, and Ic).
The signal sampling unit comprises a plurality of signal sampling circuits, the signal conditioning unit comprises a plurality of signal conditioning circuits, the range control unit comprises a plurality of range switches, each signal sampling circuit is connected with a first end of one of the range switches through one of the signal conditioning circuits, a second end of each range switch is connected with an input end of the analog sampling unit, a control end of the range switch is connected with the metering subsystem through the electric appliance isolation unit, and a digital interface signal end of the analog sampling unit is connected with the metering subsystem through the electric appliance isolation unit.
In this embodiment, the measurement subsystem is configured to measure a sampling signal, obtain a value of the sampling signal, and output the value of the sampling signal to the data processing unit. Specifically, the measurement subsystem measures the sampling signal, so that the magnitude of the sampling signal relative to the current measurement range can be obtained, and it should be mentioned that all values obtained by the measurement subsystem corresponding to the measurement range are not necessarily accurate values. When the value of the sampling signal is in the current range, only the value of the sampling signal in the current range is the most accurate value; when the sampled signal is not within the current range, the value of the range sampled signal is a non-optimal range value, such as a maximum measurement value greater than the current range, or a minimum measurement value less than the current range.
The metering subsystem is used for controlling one of the plurality of range switches to be conducted at any moment, detecting whether the value of the sampling signal is in the range corresponding to the range switch or not, keeping the current range switch to be conducted when the value of the sampling signal is in the range corresponding to the range switch, and otherwise, controlling the current range switch to be closed and controlling the other range switch to be conducted. It should be understood that the sampling signal is an analog sampling signal that is amplified and analog-to-digital converted, that is, the sampling signal measured by the metrology subsystem is a digital signal. The sampling signal may be a current signal or a voltage signal.
In one embodiment, each signal sampling circuit is connected with a sampling resistor which is a Kelvin four-terminal precision resistor.
In one embodiment, the input of each signal sampling circuit is connected to a sampling resistor. For example, the resistance values of the sampling resistors are different from each other. Therefore, for different measuring range ranges, different signal sampling circuits are connected with the sampling resistors with different resistance values, and different measuring ranges can be effectively adapted. In the embodiment, each signal sampling circuit is connected with a sampling resistor in series, specifically, the sampling resistor is a kelvin four-terminal precision resistor, the kelvin four-terminal precision resistor has the characteristics of high linearity and wide frequency domain due to the specific difference and the phase difference, and the conventional sampling element is a magnetic sensor or a hall sensor, which has the defects of low linearity and narrow frequency domain due to the specific difference and the phase difference, and cannot meet the requirement of high-precision sampling.
In one embodiment, the span switch is an analog switch. It should be understood that the range switch may also be referred to as an electronic switch, and in order to implement the on and off of the range switch, in an embodiment, the range switch is an SPST (single-pole single-throw) analog switch, and a control electrode of the SPST analog switch is a control electrode, so that the metering subsystem inputs a control signal to the control electrode of the range switch, thereby implementing the on and off control of the range switch.
In one embodiment, the span switch is model number TI (Texas Instruments ) TMUX 1104. It is worth mentioning that what traditional standard electric energy meter's range switch adopted is the relay, the break-make of being connected between signal sampling circuit and the measurement subsystem is realized to the break-make through control relay, however, the relay has the slow shortcoming of response speed, in this embodiment, analog switch has response speed fast, the characteristics of no hysteresis, can adapt to the quick change of nonlinear load, and then make the control of the change of range every time more quick, more in time, and then make the range of range in time adjust, and then make the measurement of sampling signal more accurate.
In one embodiment, the nonlinear load standard electric energy meter further comprises a satellite time service module, and the metering subsystem is connected with the satellite time service module. In this embodiment, the satellite time service module is a Beidou satellite time service module or a Global Positioning System (GPS) satellite time service module, and a time service signal can be obtained through the satellite time service module, so that a measurement value output by the measurement subsystem at each time can be accurately matched with actual time, and measurement accuracy of electric energy is further improved.
In one embodiment, the electrical isolation unit comprises a capacitive or inductive digital isolator. In this embodiment, the capacitive or inductive digital isolator has the characteristic of being insensitive to magnetic field interference, and can electrically isolate the sampling signal received by the metering subsystem and the control signal of the metering subsystem to the range switch, and the sampling signal is electrically isolated from the control signal, so that the sampling signal is more accurate, and the control signal is not easily interfered.
In particular, the electrical isolation unit is used to isolate signals, e.g. the electrical isolation unit is used to isolate sampling signals from control signals. The sampling signal is input to the metering subsystem from the digital interface signal end of the analog sampling unit, and the control signal is input to the control end of the range switch or the enabling end of the analog sampling unit from the metering subsystem. The electrical isolation unit can be implemented by ADuM4400_4401_4402 of ADI company or pi 120A 4/pi 121A 4/pi 122A4 of backward surge semiconductors, which is not limited in this embodiment.
In one embodiment, the nonlinear load standard electric energy meter further comprises a main control processing module, and the main control processing module is connected with the metering subsystem.
In one embodiment, the main control processing module includes a data processing unit and a user interaction interface unit, the data processing unit is connected with the metering subsystem, and the user interaction interface unit is connected with the data processing unit.
In this embodiment, the main control processing module further includes a board-level communication interface, the metering subsystem is connected to the board-level communication interface, and the board-level communication interface is connected to the data processing unit. Specifically, the nonlinear load standard electric energy meter further comprises a board-level communication cable, and the metering subsystem is connected with the board-level communication interface through the board-level communication cable.
In this embodiment, the data processing unit is configured to store data sent by the metering subsystem, and is configured to obtain a user instruction, and send the control parameter to the metering subsystem according to the user instruction, and the metering subsystem is configured to set a range and a control mechanism for the range switch according to the control parameter. The data processing unit stores data transmitted by the metrology subsystem including values of the sampled signals. In this embodiment, the data processing unit has data processing and storing functions, and can be provided for further analysis by a user through the communication interface. Furthermore, the data processing unit is used for sending various sampling control parameters set by a user to the metering subsystem, and the metering subsystem controls the range switching and the sampling of the analog-to-digital conversion circuit.
As shown in fig. 2A, the electrical isolation unit includes an electrical isolation SPI bus interface for transmitting the digital signal of the analog sampling unit to the digital signal of the metering subsystem, and an electrical isolation range control interface for transmitting the control signal of the metering subsystem to the control end of the range switch.
In this embodiment, the control end of the range switch is used for being connected with the metering subsystem after being electrically isolated, and the digital interface signal end of the analog sampling unit is used for being connected with the metering subsystem through electrical isolation. Specifically, the analog sampling unit comprises an enabling end and a digital interface signal end, the enabling end and the digital interface signal end of the analog sampling unit are connected with the metering subsystem after being electrically isolated, namely, the enabling end and the digital interface signal end of the analog sampling unit are connected to the metering subsystem through the electrical isolation unit. Through carrying out electrical isolation with sampling signal and control signal for sampling signal is more accurate, and makes control signal be difficult to receive the interference.
Specifically, the signal sampling unit includes multiple signal sampling circuits, each signal sampling circuit is used for being connected with a signal sampling input end, and the signal sampling circuit is used for sampling a current signal or a voltage signal.
The signal conditioning circuit is used for amplifying the input signal of the signal sampling circuit so as to match the impedance of the sampling resistors with different resistance values and transmit the impedance to the analog sampling unit through the pass switch. For example, in one embodiment, the signal conditioning circuit includes an instrumentation amplifier. For example, the signal conditioning circuit includes an instrumentation amplifier and a resistor and a capacitor connected to the instrumentation amplifier, and the resistor and the capacitor connected to the instrumentation amplifier can be implemented by using the prior art, for example, the signal conditioning circuit can be implemented by AD8237 of ADI corporation, which is not limited in this embodiment.
The analog to digital converter (ADC) is also called an analog to digital converter (ADC), and the ADC is configured to convert an analog sampling signal into a digital signal, electrically isolate the digital signal, and output the digital signal to the metering subsystem. Specifically, the analog sampling unit may be implemented by AD7687 of ADI, and this embodiment is not limited thereto.
In this embodiment, the multiple range switches correspond to multiple ranges of the nonlinear load standard electric energy meter, that is, one range switch corresponds to one range of the nonlinear load standard electric energy meter. Each signal sampling circuit corresponds to a signal conditioning circuit, and each signal sampling circuit corresponds to a range switch, that is, each signal sampling circuit is correspondingly connected with a signal conditioning circuit and a range switch.
Each range switch is used for being conducted at any time under the control of the metering subsystem, specifically, each range switch is conducted at any time when only one range switch receives a conducting signal of the metering subsystem, and the range switch is conducted, that is, at any time, only one range switch is conducted, so that the nonlinear load standard electric energy meter has only one range at any time, and the range can be selected by conducting any range switch.
At any one time, one of the span switches is conducting, and the selective conduction of the conducting span switch can be based on an internal algorithm of the metrology subsystem. The measuring range switch is conducted, so that the corresponding signal sampling circuit is conducted, the received sampling signal can be amplified by the signal conditioning circuit, converted into a digital signal by the analog sampling unit and then output to the measuring subsystem after being electrically isolated, the measuring subsystem measures the digital signal to obtain the value of the sampling signal, and the measuring subsystem detects whether the value of the sampling signal is in the measuring range corresponding to the measuring range switch. When the value of the currently measured signal is within the measurement range, the current range switch is kept on, that is, the metering subsystem continuously sends a conducting signal to the control end of the current range switch, so that the range corresponding to the range switch can continuously measure the input signal.
For example, the metering subsystem is configured to measure a value of the sampling signal after receiving the sampling signal each time, detect whether the value of the sampling signal is within a current range, keep the current range switch on when the value of the sampling signal is within the current range, control the current range switch to turn off when the value of the sampling signal is not within the current range, detect whether the value of the sampling signal is greater than the current range, control the range switch corresponding to another larger range to turn on when the value of the sampling signal is greater than the current range, and control the range switch corresponding to another smaller range to turn on when the value of the sampling signal is less than the current range.
Specifically, when the value of the signal of the sampling signal is larger than the range corresponding to the range switch, the metering subsystem sends a closing signal to the control end of the range switch to close the range switch, and sends a conducting signal to the control end of the range switch corresponding to another larger range to conduct the range switch corresponding to the larger range, so that the metering subsystem can accurately measure the value of the larger signal; when the value of the currently measured signal is smaller than the range corresponding to the range switch, the metering subsystem sends a closing signal to the control end of the range switch to close the range switch, and sends a conducting signal to the control end of the range switch corresponding to another smaller range to conduct the range switch corresponding to the smaller range, so that the value of the smaller signal can be accurately measured. Through the selection of the conduction of the range switch, the range of the metering subsystem can quickly correspond to the value of the sampling signal, the value of the input sampling signal is always in the linear range measured by the metering subsystem, and therefore the measurement precision is effectively improved.
Therefore, the adjustment of the range of the measuring range can be carried out after each sampling without adopting the traditional periodic adjustment, thereby effectively reducing the hysteresis of the range adjustment and improving the accuracy of the measuring range measurement.
It is worth mentioning that, in the measurement of the sampling signal, the measurement subsystem can be implemented based on an FPGA (Field-Programmable Gate Array) chip, so that the operation speed can be greatly increased by designing a plurality of sets of parallel processing hardware and software.
The metering subsystem receives input sampling signals uninterruptedly and calculates the values of the input sampling signals continuously, and the metering subsystem detects whether the values of the input signals are in the range corresponding to the range switch in real time, so that the conduction of the range switch is changed or maintained, current signals or voltage signals of different ranges can be measured, the selected input signals are maintained in the range linear range all the time, the measurement is more accurate, the accurate measurement of nonlinear waveforms is realized, the measurement of the current or the voltage is more accurate and faster, and the response is more timely.
For example, the multiple signal conditioning circuits have different amplification amplitudes or amplification ranges, so that for input signals in different range ranges, different signal conditioning circuits amplify the input signals by different multiples, so that the input signals are amplified by different multiples and are in the same reasonable range after being amplified, and accurate measurement of the input signals is realized.
In this embodiment, each signal sampling circuit, each signal conditioning circuit, and each range switch are connected to form a branch, and for the measurement in a wider range, the measurement can be easily implemented by only increasing the number of range switches of the quantity control unit, increasing the number of corresponding branches, and configuring the corresponding sampling resistors and amplification factors of the signal conditioning circuits.
In one embodiment, as shown in fig. 2B, the data processing unit is configured to receive data sent by the metrology subsystem, where the data is a sample value or a processed electrical physical quantity value obtained by the metrology subsystem measuring the sampled signal. The data processing unit is connected with the metering subsystem through a board-level communication interface, for example, the metering subsystem and the data processing unit are respectively provided with a communication interface, and the communication interface of the metering subsystem and the communication interface of the data processing unit are connected through a board-level communication cable. The data processing unit is used for receiving the data sent by the metering subsystem and carrying out further processing and storage.
For example, the data processing unit includes a processor, a memory, and a display screen, for example, the display screen is an LCD display screen, the processor is connected to the memory, and the processor is connected to the display screen through an I2C (Inter-Integrated Circuit) bus, so that the data processing unit can display data for a user to view the sampling signal.
For example, The data processing unit includes a processor, a memory, a display, 4 orthogonal encoders, 12 pulse width modulators, 8 timers, 2 CAN buses, 3 UART asynchronous Serial ports, 2 SPI (Serial peripheral interface) synchronous Serial ports, 2 SPORT interfaces, 1 EMAC ethernet media controller, 1 SMC system management controller, USB FS OTG (On-The-Go) interface, and 1 redirection OTG interface.
The processor is connected with 4 orthogonal encoders, 12 pulse width modulators, 8 timers, 2 CAN buses, 3 UART asynchronous Serial ports, 2 SPI (Serial Peripheral Interface) synchronous Serial ports, 2 SPORT interfaces, 1 EMAC ethernet media controller, 1 SMC system management controller, USB FS OTG (On-The-Go) interfaces and 1 redirection OTG Interface, and 4 orthogonal encoders, 12 pulse width modulators, 8 timers, 2 CAN buses, 3 UART asynchronous Serial ports, 2 SPI (Serial Peripheral Interface) synchronous Serial ports, 2 SPORT interfaces, 1 EMAC ethernet media controller, 1 SMC system management controller, USB FS OTG (On-The-Go) interfaces and 1 redirection OTG Interface are connected through several GPIO interfaces (General Purpose Input Output, general purpose input/output) to communicate with an external device.
Specifically, the GPIO interfaces are in communication connection with external equipment through RS232, RS485, CAN/USB and an internet (Ethernet) interface, so that the nonlinear load standard electric energy meter CAN interact with a user, and the user CAN conveniently operate and control the nonlinear load standard electric energy meter.
For example, the processor is also used for connecting with an external SRAM (Static Random Access Memory), so that the storage performance of the data processing unit can be further expanded.
As shown in fig. 2A and 2B, the metering subsystem includes a sample data storage, a voltage effective value calculation unit, a current effective value calculation unit, an apparent power calculation unit, an active power calculation unit, a distortion power calculation unit, an electric energy integration logic unit, and a subsystem storage, where the sample data storage is connected to the voltage effective value calculation unit, the current effective value calculation unit, the active power calculation unit, and the distortion power calculation unit, respectively, the voltage effective value calculation unit and the current effective value calculation unit are connected to the apparent power calculation unit, the active power calculation unit, and the distortion power calculation unit are connected to the electric energy integration logic unit, and the voltage effective value calculation unit and the current effective value calculation unit are connected to the subsystem storage. The subsystem memory is connected with the data processing unit. The metering subsystem further comprises an SPI bus interface, the metering subsystem is connected with the electrical isolation unit through the SPI bus interface, and the SPI bus interface is connected with the control end of the range switch and the digital interface signal end of the analog sampling unit through the electrical isolation unit.
In particular, the sample data memory is used to store the sampled signal, or the value of the sampled signal. The voltage effective value calculating unit is used for measuring and calculating the value of the voltage signal, and the current effective value calculating unit is used for measuring and calculating the value of the current signal. The apparent power calculating unit is used for calculating the apparent power of the sampling signal, the active power calculating unit is used for calculating the active power of the sampling signal, and the distortion power calculating unit is used for calculating the distortion power of the sampling signal.
Fig. 3 shows a non-linear load standard electric energy meter applied to current sampling according to an embodiment of the present invention, which includes: the system comprises a signal sampling unit, a signal conditioning unit, arange control unit 330, ananalog sampling unit 350, an electrical isolation unit and ametering subsystem 370; the signal sampling unit comprises a plurality ofsignal sampling circuits 310, eachsignal sampling circuit 310 is connected with asampling resistor 311, the signal conditioning unit comprises a plurality ofsignal conditioning circuits 320, therange control unit 330 comprises a plurality of range switches 331, eachsignal sampling circuit 310 is connected with a first end of one of the range switches 331 through one of thesignal conditioning circuits 320, a second end of each of the range switches 331 is connected with an input end of theanalog sampling unit 350, a control end of the range switch is connected with themetering subsystem 370 through an electrical isolation unit, and a digital interface signal end of theanalog sampling unit 350 is connected with themetering subsystem 370 through an electrical isolation unit. That is, the control terminal of the range switch is electrically isolated and then connected to themeasurement subsystem 370, and the signal terminal and the enable terminal of the digital interface are electrically isolated and then connected to themeasurement subsystem 370.
In order to realize electrical isolation, specifically, the control terminal of the range switch is electrically isolated and then connected with themeasurement subsystem 370, and the digital interface signal terminal of the analog sampling unit is electrically isolated and then connected with themeasurement subsystem 370. In one embodiment, as shown in fig. 3, the electrically isolated unit comprises a first electricallyisolated unit 361 and a second electricallyisolated unit 362, i.e. the electrically isolated unit comprises a first electricallyisolated unit 361 and a second electricallyisolated unit 362. For example, the control terminal of the range switch is connected to themetrology subsystem 370 through the firstelectrical isolation unit 361, and the digital interface signal terminal of theanalog sampling unit 350 is connected to themetrology subsystem 370 through the secondelectrical isolation unit 362. By employing electrical isolation of the first and second electrical isolation units, the sampled current or voltage signal can be isolated from the signal of themetrology subsystem 370. It is worth mentioning that the first electrical isolation unit and the second electrical isolation unit may be the same circuit unit, or may be two mutually independent circuit units.
In one embodiment, the first and second electrical isolation units may be implemented by ADuM4400_4401_4402 of ADI corporation or pi 120a 4/pi 121a 4/pi 122a4 of resistive surge semiconductors, which is not limited in this embodiment.
The following is a specific example:
in this embodiment, the current sampling based nonlinear load standard electric energy meter shown in fig. 3 includes: the device comprises a signal sampling unit, a signal conditioning unit, a range control unit, an analog sampling unit, a first electrical isolation unit and a second electrical isolation unit; each signal sampling unit comprises four signal sampling circuits, each signal conditioning unit comprises four signal conditioning circuits, each range control unit comprises four range switches, each signal sampling circuit is connected with a sampling resistor, each signal sampling circuit is connected with a first end of one range switch through one signal conditioning circuit, a second end of each range switch is connected with an input end of the analog sampling unit, a control end of each range switch is connected with the metering subsystem through a first electrical isolation unit, and a digital interface signal end of each analog sampling unit is connected with the metering subsystem through a second electrical isolation unit.
In this embodiment, three-phase voltage signals (Ua, Ub, and Uc) and three-phase current signals (Ia, Ib, and Ic) can be measured, and only one phase current Ia is further described below, while the voltages and currents of the other phases are not described redundantly.
In this embodiment, the four signal sampling circuits are respectively connected to the sampling resistors, the four signal conditioning circuits are instrumentation amplifiers, the four instrumentation amplifiers are respectively AMP1, AMP2, AMP3 and AMP4, the S ends of the four range switches are respectively connected to the four instrumentation amplifiers, the D ends of the four range switches are connected to the analog sampling unit ADC through an amplifier AMP, the analog sampling unit ADC is connected to the clock signal interface CLK and the data signal interface SDO of the metering subsystem through the second electrical isolation unit SPI, the metering subsystem receives the sampling signals through the data signal interface SDO, and the clock signal interface CLK is used for outputting clock signals. The communication control signals include a clock signal and a data signal for reading out the digital output of the analog-to-digital converter. The control terminals IN of the four range switches are connected with an SFT interface of the metering subsystem through a first electrical isolation unit SFT, and the SFT interface of the metering subsystem is used for outputting a gear switching control signal SFTn and switching a range control gear. The metering subsystem is used for controlling the free end of the single-pole multi-throw switch to be connected with one of the four fixed ends.
Specifically, the control terminals IN of the four range switches are connected to the first electrical isolation unit SFT through a single-pole multi-throw switch, the single-pole multi-throw switch has four fixed terminals and a free terminal, the control terminals IN of the four range switches are respectively connected to the four fixed terminals of the single-pole multi-throw switch IN a one-to-one correspondence manner, the free terminal of the single-pole multi-throw switch is connected to the first electrical isolation unit SFT, IN this embodiment, the four fixed terminals are respectively S1, S2, S3 and S4, when the free terminal of the single-pole multi-throw switch is connected to the fixed terminal S1, the range switch corresponding to the AMP1 is turned on, when the free terminal of the single-pole multi-throw switch is connected to the fixed terminal S2, the range switch corresponding to the AMP2 is turned on, and so on. Therefore, the four range switches can be respectively controlled to be switched on or switched off by connecting or disconnecting the free end and the fixed end of the single-pole multi-throw switch, so that the selection control of the range is realized.
For example, the signal sampling circuit corresponding to AMP1 has a corresponding range of 0 to 1mA, the signal sampling circuit corresponding to AMP2 has a corresponding range of 1 to 10mA, the signal sampling circuit corresponding to AMP3 has a corresponding range of 10 to 100mA, and the signal sampling circuit corresponding to AMP4 has a corresponding range of 100 to 1000 mA.
During measurement, an input sampling signal is 200mA, one of the range switches is turned on, for example, a free end of the single-pole multi-throw switch is connected with the fixed end S1, the turned-on range switch is a range switch corresponding to AMP1, the metering subsystem measures that a current value is greater than 1mA, the free end of the single-pole multi-throw switch is controlled to be connected with the fixed end S2, the turned-on range switch is a range switch corresponding to AMP2, the metering subsystem measures that the current value is greater than 10mA, the free end of the single-pole multi-throw switch is continuously controlled to be connected with the fixed end S3 until the free end of the single-pole multi-throw switch is controlled to be connected with the fixed end S4, and a range corresponding to a signal sampling circuit corresponding to AMP4 is 100 to 1000mA, so that the value of the sampling signal is within the range, and the metering subsystem can accurately measure and obtain the sampling signal of 200.
For example, subsequently, when the value of the input signal changes to 20mA, since the free end of the single-pole multi-throw switch is connected to the fixed end S4 at this time, the turned-on range switch is the range switch corresponding to AMP4, the range corresponding to the signal sampling circuit corresponding to AMP4 is 100 to 1000mA, the metering subsystem measures the value of the input signal to be less than 100mA, and detects that the value is less than the range corresponding to the signal sampling circuit corresponding to AMP4 to be 100 to 1000mA, therefore, the free end of the single-pole multi-throw switch is controlled to be connected to the fixed end S3, a smaller range is selected, since the range corresponding to the signal sampling circuit corresponding to AMP3 is 10 to 100mA, and the value of the sampling signal is within the range, the metering subsystem can accurately detect that the input signal is 60 mA.
The range switch is switched on and off through the selection of the process, so that the fast selection and switching of the range are realized, the range can be better matched with the value of the current input signal, and the accurate measurement of the input signal is realized. In addition, the metering subsystem measures each sampling value in real time, obtains the measured value in real time and detects the value, and judges whether the value of the input signal is in the range through an internal algorithm, so that the real-time adjustment of the range is realized, the traditional judgment of effective values of a plurality of cycles is not performed, the range can be adjusted in real time according to the measured waveform, the measurement which is adaptive to the rapid change of the nonlinear waveform can be effectively adapted, and the measurement of the current or the voltage is more accurate.
The above-mentioned embodiments only express several embodiments of the present invention, and the description thereof is more specific and detailed, but not construed as limiting the scope of the invention. It should be noted that, for a person skilled in the art, several variations and modifications can be made without departing from the inventive concept, which falls within the scope of the present invention. Therefore, the protection scope of the present patent shall be subject to the appended claims.

Claims (7)

Translated fromChinese
1.一种非线性负荷标准电能表,其特征在于,包括:信号取样单元、信号调理单元、量程控制单元、模拟采样单元、电气隔离单元、卫星授时模块和计量子系统;1. a non-linear load standard electric energy meter, is characterized in that, comprises: signal sampling unit, signal conditioning unit, range control unit, analog sampling unit, electrical isolation unit, satellite timing module and measurement subsystem;所述信号取样单元、所述信号调理单元、所述量程控制单元和所述模拟采样单元依次连接,所述模拟采样单元通过所述电气隔离单元与所述计量子系统连接,所述计量子系统与所述卫星授时模块连接;The signal sampling unit, the signal conditioning unit, the range control unit and the analog sampling unit are connected in sequence, and the analog sampling unit is connected to the metering subsystem through the electrical isolation unit, and the metering subsystem connected with the satellite timing module;所述信号取样单元包括多个信号取样电路,所述信号调理单元包括多个信号调理电路,所述量程控制单元包括多个量程开关,每一所述信号取样电路通过一所述信号调理电路与一所述量程开关的第一端连接,各所述量程开关的第二端与所述模拟采样单元的输入端连接,所述量程开关的控制端通过所述电器隔离单元与所述计量子系统连接,所述模拟采样单元的数字接口信号端通过所述电器隔离单元与所述计量子系统连接;The signal sampling unit includes a plurality of signal sampling circuits, the signal conditioning unit includes a plurality of signal conditioning circuits, the range control unit includes a plurality of range switches, and each of the signal sampling circuits communicates with the signal conditioning circuit through a signal conditioning circuit. The first end of the range switch is connected, the second end of each range switch is connected to the input end of the analog sampling unit, and the control end of the range switch is connected to the metering subsystem through the electrical isolation unit connection, the digital interface signal terminal of the analog sampling unit is connected to the metering subsystem through the electrical isolation unit;所述计量子系统用于控制多个所述量程开关中的一个导通,并通过所述信号取样电路进行采样,在每次采样获得一采样信号时,检测所述采样信号的值是否在当前量程范围内,当所述采样信号的值在当前量程范围内时,保持当前的量程开关导通,否则控制当前的量程开关关闭,并控制另一量程开关导通;The metering subsystem is used to control the conduction of one of the multiple range switches, and conduct sampling through the signal sampling circuit, and when a sampling signal is obtained for each sampling, it is detected whether the value of the sampling signal is in the current state. Within the range, when the value of the sampling signal is within the current range, keep the current range switch on, otherwise control the current range switch to turn off, and control another range switch to turn on;所述卫星授时系统用于为计量子系统提供授时信号,以使得计量子系统控制计量子系统根据所述授时信号输出每一次测量的值,并在输出的测量的值上携带授时信号对应的时间戳。The satellite timing system is used to provide a timing signal for the metering subsystem, so that the metering subsystem controls the metering subsystem to output the value of each measurement according to the timing signal, and carries the time corresponding to the timing signal on the output measured value. stamp.2.根据权利要求1所述的非线性负荷标准电能表,其特征在于,每一所述信号取样电路连接一取样电阻,所述取样电阻为开尔文四端精密电阻。2 . The non-linear load standard electric energy meter according to claim 1 , wherein each of the signal sampling circuits is connected to a sampling resistor, and the sampling resistor is a Kelvin four-terminal precision resistor. 3 .3.根据权利要求1所述的非线性负荷标准电能表,其特征在于,所述量程开关为模拟开关。3 . The non-linear load standard electric energy meter according to claim 1 , wherein the range switch is an analog switch. 4 .4.根据权利要求1所述的非线性负荷标准电能表,其特征在于,所述电气隔离单元包括电容式或电感式数字隔离器。4. The non-linear load standard electric energy meter according to claim 1, wherein the electrical isolation unit comprises a capacitive or inductive digital isolator.5.根据权利要求1所述的非线性负荷标准电能表,其特征在于,所述信号调理电路包括仪表放大器。5. The non-linear load standard electric energy meter according to claim 1, wherein the signal conditioning circuit comprises an instrumentation amplifier.6.根据权利要求1-5任一项中所述的非线性负荷标准电能表,其特征在于,还包括主控处理模块,所述主控处理模块与所述计量子系统连接。6 . The non-linear load standard electric energy meter according to claim 1 , further comprising a main control processing module, the main control processing module being connected to the metering subsystem. 7 .7.根据权利要求6所述的非线性负荷标准电能表,其特征在于,所述主控处理模块包括数据处理单元和用户交互界面单元,所述数据处理单元与所述计量子系统连接,所述用户交互界面单元与所述数据处理单元连接。7. The non-linear load standard electric energy meter according to claim 6, wherein the main control processing module comprises a data processing unit and a user interface unit, the data processing unit is connected with the metering subsystem, and the The user interface unit is connected with the data processing unit.
CN202010111058.9A2020-02-242020-02-24Nonlinear load standard electric energy meterPendingCN111175687A (en)

Priority Applications (1)

Application NumberPriority DateFiling DateTitle
CN202010111058.9ACN111175687A (en)2020-02-242020-02-24Nonlinear load standard electric energy meter

Applications Claiming Priority (1)

Application NumberPriority DateFiling DateTitle
CN202010111058.9ACN111175687A (en)2020-02-242020-02-24Nonlinear load standard electric energy meter

Publications (1)

Publication NumberPublication Date
CN111175687Atrue CN111175687A (en)2020-05-19

Family

ID=70656871

Family Applications (1)

Application NumberTitlePriority DateFiling Date
CN202010111058.9APendingCN111175687A (en)2020-02-242020-02-24Nonlinear load standard electric energy meter

Country Status (1)

CountryLink
CN (1)CN111175687A (en)

Cited By (2)

* Cited by examiner, † Cited by third party
Publication numberPriority datePublication dateAssigneeTitle
CN113075449A (en)*2021-03-262021-07-06国网江苏省电力有限公司镇江供电分公司Portable electric quantity measuring instrument
CN113884963A (en)*2021-09-242022-01-04广东电网有限责任公司 A high-precision DC standard electric energy meter

Citations (9)

* Cited by examiner, † Cited by third party
Publication numberPriority datePublication dateAssigneeTitle
CN103516507A (en)*2013-09-242014-01-15国家电网公司Electricity utilization information collecting system time synchronization method based on DLPTP clock synchronization
CN103592843A (en)*2013-11-072014-02-19中国电子科技集团公司第四十一研究所Timestamp circuit and implement method
CN104458035A (en)*2013-09-242015-03-25中芯国际集成电路制造(上海)有限公司Detecting structure and method
CN107991529A (en)*2017-12-272018-05-04广东东方电讯科技有限公司Non-linear power measures analysis recorder
CN207502618U (en)*2017-10-162018-06-15广东东方电讯科技有限公司Nonlinear-load power output device
CN108447797A (en)*2018-03-202018-08-24长江存储科技有限责任公司 Metal electromigration test structure and metal electromigration test method using the structure
CN109411383A (en)*2018-12-092019-03-01枘熠集成电路(上海)有限公司A kind of test structure and a kind of test method of back segment metal interlinking reliability
US20190079117A1 (en)*2017-09-112019-03-14Analog Devices Global Unlimited CompanyCurrent Measurement
CN212160061U (en)*2020-02-242020-12-15广东东方电讯科技有限公司Nonlinear load standard electric energy meter

Patent Citations (9)

* Cited by examiner, † Cited by third party
Publication numberPriority datePublication dateAssigneeTitle
CN103516507A (en)*2013-09-242014-01-15国家电网公司Electricity utilization information collecting system time synchronization method based on DLPTP clock synchronization
CN104458035A (en)*2013-09-242015-03-25中芯国际集成电路制造(上海)有限公司Detecting structure and method
CN103592843A (en)*2013-11-072014-02-19中国电子科技集团公司第四十一研究所Timestamp circuit and implement method
US20190079117A1 (en)*2017-09-112019-03-14Analog Devices Global Unlimited CompanyCurrent Measurement
CN207502618U (en)*2017-10-162018-06-15广东东方电讯科技有限公司Nonlinear-load power output device
CN107991529A (en)*2017-12-272018-05-04广东东方电讯科技有限公司Non-linear power measures analysis recorder
CN108447797A (en)*2018-03-202018-08-24长江存储科技有限责任公司 Metal electromigration test structure and metal electromigration test method using the structure
CN109411383A (en)*2018-12-092019-03-01枘熠集成电路(上海)有限公司A kind of test structure and a kind of test method of back segment metal interlinking reliability
CN212160061U (en)*2020-02-242020-12-15广东东方电讯科技有限公司Nonlinear load standard electric energy meter

Cited By (2)

* Cited by examiner, † Cited by third party
Publication numberPriority datePublication dateAssigneeTitle
CN113075449A (en)*2021-03-262021-07-06国网江苏省电力有限公司镇江供电分公司Portable electric quantity measuring instrument
CN113884963A (en)*2021-09-242022-01-04广东电网有限责任公司 A high-precision DC standard electric energy meter

Similar Documents

PublicationPublication DateTitle
CN103968969B (en) Temperature measurement device and programmable system-on-chip
CN101839936B (en)Current measurement device
CN103177551B (en)Data collecting card and its data acquisition device with self-calibration function
CN106918795B (en)Precision resister calibration system based on FPGA and the resistance calibrating method using system realization
CN106289366A (en)A kind of automatic calibration of sensor method and batch calibrating installation
CN212160061U (en)Nonlinear load standard electric energy meter
CN104374421A (en)Transducer for measuring tiny water in oil and method for on-line real-time monitoring of temperature and humidity in oil
CN103026626A (en)Multi-input circuit
CN111175687A (en)Nonlinear load standard electric energy meter
CN107991529A (en)Non-linear power measures analysis recorder
CN207557344U (en)Non-linear power measures analysis recorder
CN107870187A (en) A low-cost and high-precision drinking water conductivity measurement method and measurement circuit
CN101839931A (en)Alternating current signal measurement device, system and method
CN111722040B (en)Dual negative feedback loop four-quadrant V/I source measurement unit board card based on CPCI bus
CN107656572B (en)Multi-path adjustable voltage source realized by digital-to-analog converter and control method thereof
CN202582775U (en)Temperature measuring circuit
CN102809443A (en)Method and circuit for measuring temperature
CN115327215A (en) Current detection device and current detection system
DemerowSettling time of operational amplifiers
CN103675470B (en)A kind of N*M dimension resistor network measurement mechanism
CN107907736A (en)Digitize non-linear simulation front end measuring circuit
CN113884963A (en) A high-precision DC standard electric energy meter
CN201788222U (en)AC-DC (alternating current-direct current) compatible isolated voltage sampling circuit
CN113193746A (en)Full-range voltage conversion circuit with automatically variable input voltage range
CN219107428U (en)ADC correction circuit

Legal Events

DateCodeTitleDescription
PB01Publication
PB01Publication
SE01Entry into force of request for substantive examination
SE01Entry into force of request for substantive examination

[8]ページ先頭

©2009-2025 Movatter.jp