Movatterモバイル変換


[0]ホーム

URL:


CN111146998A - Single-phase alternating current powered switched reluctance motor control system - Google Patents

Single-phase alternating current powered switched reluctance motor control system
Download PDF

Info

Publication number
CN111146998A
CN111146998ACN201910177852.0ACN201910177852ACN111146998ACN 111146998 ACN111146998 ACN 111146998ACN 201910177852 ACN201910177852 ACN 201910177852ACN 111146998 ACN111146998 ACN 111146998A
Authority
CN
China
Prior art keywords
phase
phase alternating
switched reluctance
reluctance motor
voltage
Prior art date
Legal status (The legal status is an assumption and is not a legal conclusion. Google has not performed a legal analysis and makes no representation as to the accuracy of the status listed.)
Granted
Application number
CN201910177852.0A
Other languages
Chinese (zh)
Other versions
CN111146998B (en
Inventor
沈仕其
蔡辉
李孟秋
Current Assignee (The listed assignees may be inaccurate. Google has not performed a legal analysis and makes no representation or warranty as to the accuracy of the list.)
Hunan Baikal Power Technology Co Ltd
Original Assignee
Hunan Baikal Power Technology Co Ltd
Priority date (The priority date is an assumption and is not a legal conclusion. Google has not performed a legal analysis and makes no representation as to the accuracy of the date listed.)
Filing date
Publication date
Application filed by Hunan Baikal Power Technology Co LtdfiledCriticalHunan Baikal Power Technology Co Ltd
Priority to CN201910177852.0ApriorityCriticalpatent/CN111146998B/en
Publication of CN111146998ApublicationCriticalpatent/CN111146998A/en
Application grantedgrantedCritical
Publication of CN111146998BpublicationCriticalpatent/CN111146998B/en
Activelegal-statusCriticalCurrent
Anticipated expirationlegal-statusCritical

Links

Images

Classifications

Landscapes

Abstract

The invention belongs to the field of motor control, and particularly relates to a single-phase alternating-current powered switched reluctance motor control system which comprises an m-phase switched reluctance motor, a power converter, a single-phase alternating-current power supply, a logic gate circuit, a Hall position sensor and a voltage sensor. In the power converter, each phase of winding is connected with a power switch in series to form a branch, and all the branches are connected with a single-phase alternating-current power supply in parallel; the Hall position sensor outputs m paths of position signals, each path of position signal corresponds to one phase, the inductance slope of a phase winding is positive, the corresponding position signal is high level, and otherwise, the corresponding position signal is low level; the voltage sensor detects the voltage of the single-phase alternating-current power supply, and when the alternating-current voltage changes from negative to positive, the voltage sensor outputs a pulse; the logic gate circuit receives signals from the voltage sensor and the Hall position sensor and outputs control signals of the power switches of all phases, thereby controlling the switched reluctance motor. The control system has the advantages of less power switches and low cost; the control method is simple and reliable, strong in universality and easy to popularize.

Description

Single-phase alternating current powered switched reluctance motor control system
Technical Field
The invention relates to the field of motor control, in particular to a single-phase alternating current powered switched reluctance motor control system.
Background
The switched reluctance motor is a novel electromechanical integrated motor, has the advantages of simple and firm structure, high reliability, good speed regulation performance, low manufacturing cost and the like, is one of research subjects in the field of electric transmission, has been applied to certain fields of mining, aerospace and the like, and shows strong market competitiveness.
Currently, switched reluctance motor control systems are typically powered directly by batteries or indirectly by an ac power source. The alternating current power supply generally adopts an uncontrolled rectifier bridge to rectify alternating current and adopts a capacitor to filter the output voltage of the rectifier bridge to obtain direct current bus voltage. Obviously, the alternating current power supply mode needs a rectifier bridge and a filter capacitor, so that the cost and the volume of the system are increased, and the reliability of the system is reduced.
The invention aims at the problems and provides a single-phase alternating current powered switched reluctance motor control system.
The technical scheme adopted by the invention is as follows:
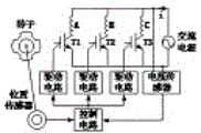
a single-phase alternating current powered switched reluctance motor control system is composed of an m-phase switched reluctance motor, a power converter, a single-phase alternating current power supply, a logic gate circuit, a Hall position sensor and a voltage sensor.
In the power converter, each phase winding is connected with a power switch in series to form a branch, and all the branches are connected with a single-phase alternating current power supply in parallel.
The Hall position sensor outputs m paths of position signals, each path of position signal corresponds to one phase, the slope of the inductance of one phase is positive, the corresponding position signal is high level, otherwise, the corresponding position signal is low level;
the voltage sensor detects the voltage of a single-phase alternating-current power supply, and when the voltage of the alternating-current power supply changes from negative to positive, the voltage sensor outputs a pulse with a certain width;
the logic gate circuit is composed of m AND gates, one input end of each AND gate receives a signal from the voltage sensor, and the other input end of each AND gate receives Hall position signals of each path respectively. Therefore, when the single-phase alternating-current power supply voltage is changed from negative to positive, the logic gate circuit outputs driving pulses to the power switches of each phase with positive inductance slope, and therefore the control of the switched reluctance motor is achieved.
The invention has the beneficial effects that:
the control system has less power switches and lower system cost; the control method is simple and reliable, has strong universality, is easy to popularize and has a wide application prospect in the field of household appliances.
Drawings
FIG. 1 is a block diagram of the present control system;
FIG. 2 is a system simulation model used by an embodiment of the present invention;
FIG. 3 is a power converter simulation model used in an embodiment of the invention;
FIG. 4 is a logic gate circuit simulation model used by an embodiment of the present invention;
FIG. 5 is a simulated waveform of an embodiment of the present invention;
Detailed Description
The control system is further described below with specific embodiments.
In order to verify the control system, a simulation model of the switched reluctance motor control system is established, as shown in fig. 2, the model mainly comprises 5 units, namely a switched reluctance motor, a power converter, a logic gate circuit, a voltage sensor and a hall position sensor. The switched reluctance motor adopts a three-phase 6/4 pole motor model carried by an MATLAB element library. The single-phase alternating current power supply outputs sinusoidal alternating current with the frequency of 50Hz and the effective value of 220V. Each phase in the power converter is connected in series with a power switch to form a branch, and each branch is connected in parallel with a single-phase ac power supply, as shown in fig. 3. The voltage sensor detects a single-phase alternating-current power supply voltage and outputs a pulse of a certain width when the voltage is changed from negative. The Hall position sensor detects the position of the rotor and outputs three paths of signals, each path of signal corresponds to one phase, when the slope of the phase inductance is positive, the corresponding Hall signal is at a high level, and otherwise, the corresponding Hall signal is at a low level. The logic gate circuit consists of three AND gates, one input end of each AND gate receives an output signal from the voltage sensor, and the other input end of each AND gate is respectively connected with three paths of Hall position signals.
[ example 1 ]
Based on the Simulink simulation model shown in FIG. 2, the control effect of the control system is tested. The load torque is set to 0n.m, the pulse width output by the voltage sensor is set to 1.5ms, and the simulation waveform after the motor enters the steady state is shown in fig. 5.
The control system has the advantages of few power switches, low cost, simple algorithm, easy realization and strong universality, and can realize the control of the switched reluctance motor under the power supply of a single-phase alternating-current power supply.

Claims (1)

1. The utility model provides a single phase alternating current powered switched reluctance motor control system which characterized in that: the control system comprises an m-phase switched reluctance motor, a power converter, a single-phase alternating current power supply, a logic gate circuit, a Hall position sensor and a voltage sensor; in the power converter, each phase of winding is connected with a power switch in series to form a branch, and all the branches are connected with a single-phase alternating-current power supply in parallel; the Hall position sensor outputs m paths of position signals, each path of position signal corresponds to one phase, the slope of the inductance of one phase is positive, the corresponding position signal is high level, otherwise, the corresponding position signal is low level; the voltage sensor detects the voltage of the single-phase alternating-current power supply, and when the alternating-current voltage changes from negative to positive, the voltage sensor outputs a pulse; the logic gate circuit consists of m AND gates, one input end of each AND gate receives a signal from the voltage sensor, the other input end of each AND gate receives a Hall position signal, and when the single-phase alternating-current power supply voltage is changed from negative to positive, the logic gate circuit outputs a driving pulse to each phase of power switch with positive inductance slope, so that the control of the switched reluctance motor is realized.
CN201910177852.0A2019-03-102019-03-10Single-phase alternating current powered switched reluctance motor control systemActiveCN111146998B (en)

Priority Applications (1)

Application NumberPriority DateFiling DateTitle
CN201910177852.0ACN111146998B (en)2019-03-102019-03-10Single-phase alternating current powered switched reluctance motor control system

Applications Claiming Priority (1)

Application NumberPriority DateFiling DateTitle
CN201910177852.0ACN111146998B (en)2019-03-102019-03-10Single-phase alternating current powered switched reluctance motor control system

Publications (2)

Publication NumberPublication Date
CN111146998Atrue CN111146998A (en)2020-05-12
CN111146998B CN111146998B (en)2021-06-22

Family

ID=70516570

Family Applications (1)

Application NumberTitlePriority DateFiling Date
CN201910177852.0AActiveCN111146998B (en)2019-03-102019-03-10Single-phase alternating current powered switched reluctance motor control system

Country Status (1)

CountryLink
CN (1)CN111146998B (en)

Cited By (1)

* Cited by examiner, † Cited by third party
Publication numberPriority datePublication dateAssigneeTitle
CN114826086A (en)*2022-05-162022-07-29中国矿业大学Switched reluctance motor matrix converter topology and control method thereof

Citations (9)

* Cited by examiner, † Cited by third party
Publication numberPriority datePublication dateAssigneeTitle
US5168203A (en)*1990-03-071992-12-01Branislav TepavcevicConstant current reluctance motor drive systems
CN1122071A (en)*1994-07-121996-05-08开关磁阻驱动有限公司 Motor Controller
US5900712A (en)*1998-02-201999-05-04General Motors CorporationTransistor drive circuit and control for a switched reluctance motor
KR20010068827A (en)*2000-01-102001-07-23구자홍Apparatus and method for driving control of single phase switched reluctance motor
CN1398041A (en)*2001-07-182003-02-19乐金电子(天津)电器有限公司Drive controller and method for single-phase switch type magnetic resistance motor
WO2004013952A1 (en)*2002-08-062004-02-12Tohoku Techno Arch Co., Ltd.Switched reluctance motor sensorless driver circuit
US7259531B1 (en)*2006-04-052007-08-21Kwang-Hwa LiuSpeed control of brushless DC motors
CN109121452A (en)*2016-05-232019-01-01雷金纳德·加西亚 Efficient motors and drive circuits
CN208424249U (en)*2018-05-182019-01-22榆林学院A kind of power of motor converting means

Patent Citations (9)

* Cited by examiner, † Cited by third party
Publication numberPriority datePublication dateAssigneeTitle
US5168203A (en)*1990-03-071992-12-01Branislav TepavcevicConstant current reluctance motor drive systems
CN1122071A (en)*1994-07-121996-05-08开关磁阻驱动有限公司 Motor Controller
US5900712A (en)*1998-02-201999-05-04General Motors CorporationTransistor drive circuit and control for a switched reluctance motor
KR20010068827A (en)*2000-01-102001-07-23구자홍Apparatus and method for driving control of single phase switched reluctance motor
CN1398041A (en)*2001-07-182003-02-19乐金电子(天津)电器有限公司Drive controller and method for single-phase switch type magnetic resistance motor
WO2004013952A1 (en)*2002-08-062004-02-12Tohoku Techno Arch Co., Ltd.Switched reluctance motor sensorless driver circuit
US7259531B1 (en)*2006-04-052007-08-21Kwang-Hwa LiuSpeed control of brushless DC motors
CN109121452A (en)*2016-05-232019-01-01雷金纳德·加西亚 Efficient motors and drive circuits
CN208424249U (en)*2018-05-182019-01-22榆林学院A kind of power of motor converting means

Cited By (1)

* Cited by examiner, † Cited by third party
Publication numberPriority datePublication dateAssigneeTitle
CN114826086A (en)*2022-05-162022-07-29中国矿业大学Switched reluctance motor matrix converter topology and control method thereof

Also Published As

Publication numberPublication date
CN111146998B (en)2021-06-22

Similar Documents

PublicationPublication DateTitle
CN105356765B (en)A kind of control system and control method of the indirect space vector matrix converter based on 60 ° of coordinate systems
CN111434512B (en)Energy conversion device, power system and vehicle
CN107979321A (en)It is multiplexed the electric excitation biconvex electrode electric machine driving charging integration system of Exciting Windings for Transverse Differential Protection
CN102324882A (en) Hybrid excitation synchronous motor wide speed regulation system and current distribution method
CN108880352B (en)Counter electromotive force balance adjusting device and method for permanent magnet synchronous motor
CN206004563U (en)A kind of brushless DC motor without position sensor commutation phase System with Real-Time
CN107046388A (en)A kind of switched reluctance machines curren tracing control method, controller and governing system
CN111146998B (en)Single-phase alternating current powered switched reluctance motor control system
CN102739070B (en)A kind of energy feedback type three-phase high-voltage frequency converter
CN204392118U (en)A kind of three pole magnetic bearing operating control devices based on matrix converter
CN204392131U (en)Based on the AC magnetism bearing electric chief axis operating control device of matrix converter
CN208424124U (en) A DC brushless motor with electric hot-plugging protection device
CN102594161A (en)Two-phase variable frequency power source and output method thereof
CN110794327A (en)Grounding point judgment method for rectifier and inverter of HXD2 electric locomotive
CN201130918Y (en)Controller for switching bidirectional power supply of AC motor
CN112803858B (en) An improved current hysteresis control method for permanent magnet fault-tolerant motor based on H-bridge inverter
CN104485852A (en)Matrix converter-based three-pole magnetic bearing operation control system and method
CN105024396A (en)Energy feedback frequency converter
CN211744028U (en) Short circuit protection structure of permanent magnet generator for aviation power generation
CN105099239A (en)Inverter, automobile power supply device, and automobile apparatus
Zhang et al.A simple asynchronous motor soft start method and its application
CN106411220A (en)Switched reluctance motor switching angle automatic adjustment method for reducing copper loss
CN202856684U (en)Universal type three-phase machine controller
Xue et al.A Novel Direct Instantaneous Torque Control Method for Four-Interval Switched Reluctance Motor Based on Inductance Characteristics
Qiu et al.Position Sensorless Control of Switched Reluctance Motor Based on Full-bridge Power Converter

Legal Events

DateCodeTitleDescription
PB01Publication
PB01Publication
SE01Entry into force of request for substantive examination
SE01Entry into force of request for substantive examination
GR01Patent grant
GR01Patent grant

[8]ページ先頭

©2009-2025 Movatter.jp