Movatterモバイル変換


[0]ホーム

URL:


CN111030226A - A device detection method and electronic device - Google Patents

A device detection method and electronic device
Download PDF

Info

Publication number
CN111030226A
CN111030226ACN201911330614.5ACN201911330614ACN111030226ACN 111030226 ACN111030226 ACN 111030226ACN 201911330614 ACN201911330614 ACN 201911330614ACN 111030226 ACN111030226 ACN 111030226A
Authority
CN
China
Prior art keywords
electronic device
module
state
charging
electrically connected
Prior art date
Legal status (The legal status is an assumption and is not a legal conclusion. Google has not performed a legal analysis and makes no representation as to the accuracy of the status listed.)
Granted
Application number
CN201911330614.5A
Other languages
Chinese (zh)
Other versions
CN111030226B (en
Inventor
尹全喜
Current Assignee (The listed assignees may be inaccurate. Google has not performed a legal analysis and makes no representation or warranty as to the accuracy of the list.)
Vivo Mobile Communication Co Ltd
Original Assignee
Vivo Mobile Communication Co Ltd
Priority date (The priority date is an assumption and is not a legal conclusion. Google has not performed a legal analysis and makes no representation as to the accuracy of the date listed.)
Filing date
Publication date
Application filed by Vivo Mobile Communication Co LtdfiledCriticalVivo Mobile Communication Co Ltd
Priority to CN201911330614.5ApriorityCriticalpatent/CN111030226B/en
Publication of CN111030226ApublicationCriticalpatent/CN111030226A/en
Application grantedgrantedCritical
Publication of CN111030226BpublicationCriticalpatent/CN111030226B/en
Activelegal-statusCriticalCurrent
Anticipated expirationlegal-statusCritical

Links

Images

Classifications

Landscapes

Abstract

The application discloses an equipment detection method and electronic equipment, relates to the field of terminals, and aims to solve the problem that the mode of re-detecting equipment types through manual plugging of connecting lines is very complicated. The method comprises the following steps: under the condition that a first electronic device and a second electronic device are electrically connected through a connecting line, a target control module in the first electronic device is controlled to disconnect the electrical connection between the first electronic device and the second electronic device; switching the first electronic equipment and the second electronic equipment from a disconnected state to an electrically connected state through the target control module, and detecting equipment types of the first electronic equipment and the second electronic equipment; wherein the device types include a master charging device, a slave charging device, and a data transmission device. The method and the device are used for device type re-detection.

Description

Equipment detection method and electronic equipment
Technical Field
The present invention relates to the field of terminals, and in particular, to an apparatus detection method and an electronic apparatus.
Background
Before a master device (such as a mobile phone) is connected with a slave device through a connecting line to transmit data or power, the device type of the master device needs to be detected, namely, whether the master device is used as a charging device or a data transmission device is detected.
The related art performs device type detection on the master device at the moment when the master device and the slave device are connected through the connection line. Once the device type of the main device is determined through detection, corresponding operations can be executed subsequently according to the determined device type. However, in the actual application process, situations often occur in which the type of the device needs to be detected again. In such situations, the related art typically implements the device type re-detection by a user manually plugging and unplugging the connection line.
However, this method of re-detecting the type of device by manually plugging and unplugging the connecting wire is cumbersome.
Disclosure of Invention
The embodiment of the application provides an equipment detection method, and aims to solve the problem that the mode of re-detecting the equipment type through manually plugging and unplugging a connecting wire is very complicated.
In a first aspect, a device detection method is provided, and the method includes:
under the condition that a first electronic device and a second electronic device are electrically connected through a connecting line, a target control module in the first electronic device is controlled to disconnect the electrical connection between the first electronic device and the second electronic device;
switching the first electronic equipment and the second electronic equipment from a disconnected state to an electrically connected state through the target control module, and detecting equipment types of the first electronic equipment and the second electronic equipment;
wherein the device types include a master charging device, a slave charging device, and a data transmission device.
In a second aspect, an electronic device is provided, which includes a processing module and a target control module connected to the processing module, and in a case where the electronic device and the second device are electrically connected through a connection line, the processing module is configured to:
disconnecting the electrical connection between the electronic device and the second device by controlling a target control module in the electronic device;
switching the electronic equipment and the second electronic equipment from a disconnected state to an electrically connected state through the target control module, and detecting equipment types of the electronic equipment and the second electronic equipment;
wherein the device types include a master charging device, a slave charging device, and a data transmission device.
According to the equipment detection method and the electronic equipment provided by the embodiment of the application, under the condition that the electronic equipment is electrically connected with the second electronic equipment through the connecting line, the electronic equipment is controlled to enable the electrical connection between the electronic equipment and the second electronic equipment to be switched, for example, the target control module in the electronic equipment is controlled to disconnect the electrical connection between the electronic equipment and the second equipment, and the target control module switches the electronic equipment and the second electronic equipment from the disconnection state to the electrical connection state, so that the equipment type of the electronic equipment can be detected again without manually plugging and unplugging the connecting line by a user. So, can solve the very loaded down with trivial details problem of the mode that realizes equipment type retest through manual plug connecting wire, improve operating efficiency.
Drawings
In order to more clearly illustrate the embodiments of the present invention or the technical solutions in the prior art, the drawings used in the description of the embodiments or the prior art will be briefly introduced below, it is obvious that the drawings in the following description are only some embodiments described in the present invention, and for those skilled in the art, other drawings can be obtained according to these drawings without creative efforts.
Fig. 1 is a flowchart of an apparatus detection method according to an embodiment of the present invention;
FIG. 2 is a flow chart of another method for device detection provided by embodiments of the present invention;
FIG. 3 is a schematic diagram of a detection circuit involved in another device detection method provided by an embodiment of the invention;
FIG. 4 is a schematic diagram of a detection circuit involved in another device detection method provided by an embodiment of the invention;
fig. 5 is a flowchart of another apparatus detection method provided in an embodiment of the present invention;
FIG. 6 is a schematic diagram of a detection circuit involved in yet another device detection method provided by an embodiment of the present invention;
FIG. 7 is a schematic diagram of a detection circuit involved in yet another device detection method provided by an embodiment of the present invention;
fig. 8 is a flowchart of a further apparatus detection method according to an embodiment of the present invention;
FIG. 9 is a schematic diagram of a detection circuit involved in a further apparatus detection method provided by an embodiment of the present invention;
FIG. 10 is a schematic diagram of a detection circuit involved in a further apparatus detection method provided by an embodiment of the present invention;
fig. 11 is a block diagram of a terminal according to an embodiment of the present invention.
Detailed Description
The technical solutions in the embodiments of the present invention will be clearly and completely described below with reference to the drawings in the embodiments of the present invention, and it is obvious that the described embodiments are some, not all, embodiments of the present invention. All other embodiments, which can be derived by a person skilled in the art from the embodiments given herein without making any creative effort, shall fall within the protection scope of the present invention.
An embodiment of the present invention provides an apparatus detection method, where an execution main body of the method may be an electronic apparatus, where the electronic apparatus may be a first electronic apparatus mentioned below, and the first electronic apparatus may be a mobile terminal used by a user, such as a mobile phone and a tablet computer. The first electronic device may be connected with other electronic devices (e.g., a second electronic device mentioned below) through a connection line.
Fig. 1 is a flowchart of an apparatus detection method according to an embodiment of the present invention. As shown in fig. 1, the device detection method provided by the embodiment of the present invention can be applied to a first electronic device, and can include the following steps:
102, under the condition that a first electronic device and a second electronic device are electrically connected through a connecting line, a target control module in the first electronic device is controlled to disconnect the electrical connection between the first electronic device and the second electronic device.
The first electronic device and The second electronic device are connected by a connection line, and The connection line may be a USB (Universal Serial Bus) connection line, such as a USB1.0 connection line, a USB2.0 connection line, a USB3.0 connection line, an USB OTG (On-The-Go) connection line, a USB Type-C connection line, or a connection line of other specifications except for a USB connection line.
When the first electronic device and the second electronic device are connected through the connecting line, the connecting line directly connects circuits of the first electronic device and the second electronic device together through connecting line plugs at two ends. In this case, the circuit in the first electronic device and the circuit in the second electronic device may be directly connected by a connection line, so that electrical conduction is established between the two. In the embodiment of the present application, the state between the first electronic device and the second electronic device may be an electrically connected state and an open state. The electrical connection state may represent that power and/or data can be transmitted between the first electronic device and the second electronic device, and the disconnection state may represent that power and/or data cannot be transmitted between the first electronic device and the second electronic device.
In the embodiment of the present application, the target control module may be a switch module, a charging control module, or an over-voltage charging module. By controlling the target control module in the first electronic device, disconnecting the electrical connection between the first electronic device and the second electronic device may be achieved in a variety of ways. The implementation mode can be specifically as follows: for example, a first electronic device and a second electronic device at two ends of a connecting line are set as two main devices; for example, the first electronic device and the second electronic device at two ends of the connecting line are set as two slave devices, and in the process, the switch module can be switched from the on state to the off state; for example, the first electronic device is controlled to stop inputting the voltage to the second electronic device; for example, the output voltage of the first electronic device is controlled to be lower than a preset voltage, and so on.
104, switching the first electronic device and the second electronic device from a disconnected state to an electrically connected state through the target control module, and detecting device types of the first electronic device and the second electronic device; wherein the device types include a master charging device, a slave charging device, and a data transmission device.
Based on the above specific implementation manner of disconnecting the electrical connection between the first electronic device and the second electronic device by controlling the target control module in the first electronic device, when the electrical connection is in the disconnected state, switching the first electronic device and the second electronic device from the disconnected state to the electrical connection state by the target control module may also be implemented in various ways. The specific implementation corresponds to the above implementation of changing from the electrically connected state to the disconnected state. For example, when the first electronic device and the second electronic device at both ends of the connecting line are set as two master devices in a manner of changing from the electrically connected state to the disconnected state, the first electronic device and the second electronic device at both ends of the connecting line are set as one master device and one slave device from the two master devices in a manner of changing from the disconnected state to the electrically connected state; when the first electronic device and the second electronic device at two ends of the connecting line are set as two slave devices from the electrically connected state to the disconnected state (at this time, the switch module can be switched from the on state to the off state), the first electronic device and the second electronic device at two ends of the connecting line are set as a master device and a slave device from the two slave devices (at this time, the switch module can be switched from the off state to the on state); when the mode of changing from the electric connection state to the disconnection state is to control the first electronic device to stop inputting voltage to the second electronic device (at this time, the overvoltage charging module can be switched from the conduction state to the disconnection state), the corresponding mode of changing from the disconnection state to the electric connection state is to control the first electronic device to input voltage to the second electronic device (at this time, the overvoltage charging module can be switched from the disconnection state to the conduction state); when the mode of changing from the electrical connection state to the disconnection state is to adjust the output voltage of the first electronic device to be lower than a preset voltage (at this time, the output voltage of the charging control module is adjusted to be lower than the preset voltage), the corresponding mode of changing from the disconnection state to the electrical connection state is to adjust the output voltage of the first electronic device to be greater than or equal to the preset voltage (at this time, the output voltage of the charging control module is adjusted to be greater than or equal to the preset voltage).
If the connection line between the first electronic device and the second electronic device is a USB-series connection line, the first electronic device may transmit power (for example, charge) or transmit data to the second electronic device when the first electronic device and the second electronic device are electrically connected through the connection line. The types of the charging devices are classified into a master charging device and a slave charging device according to different charging roles, wherein the master charging device charges the slave charging device. The charging type can be small current charging, medium current charging, large current charging and the like according to the magnitude of the output current, and the data transmission type can be USB1.0, USB2.0, USB3.0 and the like according to the speed of the data transmission speed.
When the first electronic device is detected, the device type may be further subdivided into: data devices, standard charging devices, non-standard charging devices, USB HUBs (i.e., USB HUBs that can extend one USB interface to multiple USB interfaces), and so forth.
When the device type of the first electronic device is detected, detecting whether the first electronic device is a data transmission device or a charging device; if the first electronic device is detected to be a data transmission device, the specific type of the data transmission device may be further detected according to the speed of the data transmission, and if the first electronic device is detected to be a charging device, the specific type of the charging device may be further detected according to the magnitude of the output current.
According to the device detection method and the electronic device provided by the embodiment of the application, under the condition that the first electronic device and the second electronic device are electrically connected through the connecting line, the first electronic device is controlled to switch the electrical connection between the first electronic device and the second electronic device, for example, the electrical connection state is changed into the disconnection state and then is changed into the electrical connection state again, so that the device types of the first electronic device and the second electronic device can be detected again, and a user does not need to manually plug and pull the connecting line. So, can solve the very loaded down with trivial details problem of the mode that realizes equipment type retest through manual plug connecting wire, improve operating efficiency.
Fig. 2 is a flowchart of another device detection method according to an embodiment of the present invention.
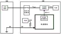
As shown in fig. 2, the main body of the method may be an electronic device, which may be a first electronic device mentioned below, and may be a mobile terminal used by a user, such as a mobile phone, a tablet computer, and the like. As shown in fig. 3, the first electronic device includes a processing module, wherein a first end of the processing module is electrically connected to the identification module of the second electronic device through the connection line, a second end of the processing module is electrically connected to the charging control module and the overvoltage charging module in series in sequence, and the overvoltage charging module is electrically connected to the second electronic device through the connection line.
As shown in fig. 3, the first electronic device may further include a power source, the power source is electrically connected to the identification module of the second electronic device through the connection line, the target control module is a switch module, a first end of the switch module is electrically connected to the connection line, and a second end of the switch module is electrically connected to the power source and the first end of the processing module, respectively.
As shown in fig. 2, the device detection method provided in the embodiment of the present invention may include the following steps:
step 202, in the case that the first electronic device and the second electronic device are electrically connected through the connection line, the switch module is switched from the on state to the off state, so as to break the electrical connection between the first electronic device and the second electronic device.
By switching the switch module from the on state to the off state, the ID pin of the first electronic device can be suspended, and the first electronic device can be switched from the USB master device to the USB slave device. If the first electronic device is controlled to be switched from the USB master device to the USB slave device, the second electronic device may also be a slave device, and at this time, the two devices at the two ends of the connecting line are two slave devices, and an electrical connection may not be established between the two slave devices, so that the electrical connection between the first electronic device and the second electronic device is disconnected.
If the connecting line is a connecting line of USB series specifications, when the first electronic device and the second electronic device are in an electrical connection state, the first electronic device may become a USB master device when connected to the second electronic device through the connecting line, and the second electronic device may become a USB slave device.
The USB master device may be a device outputting current and/or data, and the USB slave device may be a device receiving current and/or data.
In the USB OTG specification, the interface of the USB connection line generally has 5 pins: vBUSPin, GND (ground) pin, D + pin, D-pin, ID (identification) pin. Wherein, VBUSThe pin is used to transmit current, GND is used to ground, D + and D-pins are used to transmit signals, and the ID pin is used to identify the master-slave nature of the device. If the ID pin is grounded, the equipment is the main equipment; if the ID pin is suspended, the device is a slave device.
The switch module is switched from the on state to the off state, the ID pin of the first electronic device is changed from being grounded to being suspended, and the first electronic device can be controlled to be switched from the USB master device to the USB slave device.
In another optional implementation manner, the second electronic device may be further controlled to switch from the USB slave device to the USB master device, and specifically, the switching of the second electronic device from the USB slave device to the USB master device may be to change the ID pin of the first electronic device from floating to ground. And if the second electronic equipment is controlled to be switched from the USB slave equipment to the USB master equipment, the second electronic equipment is the USB master equipment, the first electronic equipment is also fixed as the master equipment, and at the moment, the two pieces of equipment at the two ends of the connecting line are the two pieces of master equipment, so that the electric connection between the first electronic equipment and the second electronic equipment can be disconnected.
Step 204, switching the first electronic device and the second electronic device from an off state to an electric connection state by switching the switch module from the off state to the on state, and detecting device types of the first electronic device and the second electronic device; wherein the device types include a master charging device, a slave charging device, and a data transmission device.
Wherein, when the electrical connection between the first electronic device and the second electronic device is in an off state, the first electronic device and the second electronic device are switched from the off state to an electrical connection state by switching the switch module from the off state to the on state.
By switching the switch module from the off state to the on state, the first electronic device ID pin is changed from floating to ground again, and the first electronic device can be switched from the USB slave device to the USB master device. If the first electronic device is controlled to be switched from the USB slave device to the USB master device, the second electronic device may be a slave device, and at this time, two devices at two ends of the connecting line are a master device and a slave device, and the two devices may be electrically connected to each other, so as to switch the first electronic device and the second electronic device from a disconnected state to an electrically connected state.
In another optional implementation manner, the second electronic device may be further controlled to switch from the USB master device to the USB slave device, and specifically, the switching of the second electronic device from the USB master device to the USB slave device may be to change the ID pin of the first electronic device from the ground to the floating again. And if the second electronic equipment is controlled to be switched from the USB master equipment to the USB slave equipment, the second electronic equipment is the USB slave equipment, the first electronic equipment is fixed as the master equipment, at the moment, the two pieces of equipment at the two ends of the connecting line are the master equipment and the slave equipment, and the first electronic equipment and the second electronic equipment are switched from a disconnection state to an electric connection state.
The embodiment of the application provides another device detection method, wherein under the condition that a first electronic device and a second electronic device are electrically connected through a connecting line, the switch module is switched from a conducting state to a disconnecting state, and the first electronic device and the second electronic device are electrically disconnected; switching the first electronic device and the second electronic device from an off state to an electrically connected state by switching the switch module from the off state to the on state, and detecting device types of the first electronic device and the second electronic device; the device types comprise a main charging device, a slave charging device and a data transmission device, the level of the USB ID pin of the first electronic device can be changed by controlling the conducting state of the switch module, so that the master-slave property of the first electronic device is changed, and the device type of the first electronic device can be detected again under the condition that the output voltage of the first electronic device is not changed.
Specifically, in another device detection method provided in the embodiment of the present application, as shown in fig. 3, the firstelectronic device 100 may specifically include: the USB interface circuit comprises a processing module and a switch module which are arranged on a USB ID path, wherein the processing module is connected with the switch module and used for controlling the conduction state of the switch module, a resistor is arranged in the first electronic device, one end of the resistor is connected with a power management circuit (power supply), and the other end of the resistor is connected with a position point on a path between the switch module and the processing module.
The USB ID path is used to identify the master-slave property of the first electronic device and the second electronic device, and may be a path from the USB ID pin of the first electronic device to the USB ID pin of the second electronic device through the ID line in the USB connection line, as shown in fig. 4, and the USB ID path may be connected to the processing module after passing through the switching module of the firstelectronic device 100 from the GND ground of the secondelectronic device 200 through the ID line in the USB connection line. The switch module has a switching function and can enable the USB ID path to be connected or disconnected. The processing module can control the switching function of the switching module to switch on or off the USB ID path. The processing module may be a processor, a single chip, or other chips with processing functions.
As shown in fig. 4, instep 202, by switching the switch module from the on state to the off state, the switch module may be controlled by the processing module to be turned off, so as to interrupt the USB ID path; under the condition that the USB ID path is interrupted, the USB ID pin of the first electronic device is suspended, the first electronic device is switched from the USB master device to the USB slave device, at the moment, the two devices at the two ends of the connecting line are the two slave devices, and the first electronic device and the second electronic device can be electrically disconnected.
As shown in fig. 3, the switching module may be controlled by the processing module to be turned on by switching the switching module from an off state to an on state instep 204, so as to turn on the USB ID path; when the USB ID path is turned on, the USB ID pin of the first electronic device is grounded, and the first electronic device is switched from the USB slave device to the USB master device, at this time, the two devices at the two ends of the connection line are a master device and a slave device, and an electrical connection can be established between the two slave devices, so that the first electronic device and the second electronic device are switched from a disconnected state to an electrically connected state.
According to the another device detection method provided by the embodiment of the application, under the condition that the first electronic device and the second electronic device are electrically connected through the connecting line, the switch module is switched from the conducting state to the disconnecting state, so that the first electronic device is switched from the USB master device to the USB slave device, and the switch module is switched from the disconnecting state to the conducting state through the processing module, so that the conduction of the USB ID path is controlled, the first electronic device is switched from the USB slave device to the USB master device, the plug direction of the USB OTG connecting line does not need to be pulled down, the first electronic device and the second electronic device are reconnected, and the retest of the first electronic device is realized.
Optionally, in another device detection method provided in the embodiment of the present application, in the firstelectronic device 100, the processing module may further include: the switch comprises a switch control module, an ID state switching module and an ID judging module, wherein the switch control module is connected with one end of the switch module, one end of the ID state switching module is connected with the other end of the switch module and the resistor, and the other end of the ID state switching module is connected with the ID judging module.
The switch control module is used for controlling the switch function of the switch module. When the device type of the first electronic device needs to be redetected, the switch control module sends an enable control signal (the enable control signal includes first control information/second control information) to control the switch function of the switch module, the master-slave property of the first electronic device is changed, and the electrical connection between the first electronic device and the second electronic device is switched, so that the purpose of redetecting the device type of the first electronic device is achieved.
The switch module may be a module having a switching function, such as a Metal-Oxide-Semiconductor Field-effect transistor (MOSFET). The switch module may also include other components.
The processing module switches the switch module from the on state to the off state, and specifically may include: the switch control module controls to provide first control information to the switch module, wherein the first control information is used for controlling the switch module to be disconnected on the USB ID path so as to interrupt the USB ID path. And under the condition that the switch module receives the first control information from the processing module, the switch module is switched from a conducting state to a disconnecting state so as to interrupt the USB ID path and disconnect the electric connection between the first electronic equipment and the second electronic equipment.
As shown in fig. 4, the first control information is at a high level (EN ═ 1), the switching module may specifically be a module having a switching function, such as a MOSFET, a G pole (gate) of the MOSFET corresponds to an input end of the control information EN, and an S pole (source) and a D pole (drain) correspond to both ends on the USB ID path, and when the first control information is input at the high level, the switching module is in a high impedance state, and the S pole (source) and the D pole (drain) are not turned on, so that the USB ID path is interrupted.
The processing module comprises, by switching the switching module from the on-state to the off-state: the ID state switching module switches to a grounding state when detecting a level greater than a grounding level; the ID judging module judges that the first electronic equipment is slave equipment, so that the first electronic equipment can be switched from the master equipment to the slave equipment, at the moment, the two pieces of equipment at two ends of the connecting line are the two pieces of slave equipment, and the electric connection between the first electronic equipment and the second electronic equipment can be disconnected.
Accordingly, the processing module comprises, by switching the switching module from the off-state to the on-state: the switch control module provides second control information to the switch module, and the second control information is used for controlling the switch module to be conducted on the USB ID path so as to enable the USB ID path to be conducted. And under the condition that the switch module receives second control information from the processing module, the switch module is switched from an off state to an on state so as to enable the USB ID path to be on.
As shown in fig. 3, the second control information is at a low level (EN ═ 0), the switching module may specifically be a module having a switching function, such as a MOSFET, a G electrode (gate) of the MOSFET corresponds to an input end of the control information EN, and an S electrode (source) and a D electrode (drain) correspond to both ends on the USB ID path, and when the second control information is input at a low level, the switching module is in a low impedance state, and the S electrode (source) and the D electrode (drain) are turned on, so that the USB ID path is turned on.
The processing module switching the first electronic device from a USB slave device to a USB master device comprises: the ID state switching module switches to a suspension state when detecting the ground level; the ID judging module judges that the first electronic equipment is a main equipment. At this time, the two devices at the two ends of the connecting line are a master device and a slave device, and the two slave devices can be electrically connected with each other, so that the first electronic device and the second electronic device are switched from the disconnected state to the electrically connected state.
According to the device detection method provided by the embodiment of the application, the processing module can internally comprise a switch control module, an ID state switching module and an ID judgment module, when the ID state switching module detects a ground level or a high level, the ID state switching module can be correspondingly suspended or grounded, and the ID judgment module can clearly judge that the first electronic device is a master device or a slave device.
Fig. 5 is a flowchart of another device detection method according to an embodiment of the present invention. As shown in fig. 5, the executing subject of the method may be the above-mentioned electronic device, and the electronic device may be a first electronic device, for example, a mobile terminal used by a user, such as a mobile phone, a tablet computer, and the like.
The equipment detection method provided by the embodiment of the invention can comprise the following steps:
step 502, in a case that a first electronic device and a second electronic device are electrically connected through a connection line, the overvoltage charging module is switched from a conducting state to a disconnecting state, so that the first electronic device and the second electronic device are electrically disconnected.
If the connection line may be a connection line of USB series specifications, when the first device and the second device are electrically connected through the connection line, the first device may be a USB master device when connected to the second device through the connection line, and the second device may be a USB slave device.
Step 504, switching the overvoltage charging module from an off state to an on state, switching the first electronic device and the second electronic device from the off state to an electrical connection state, and detecting device types of the first electronic device and the second electronic device; wherein the device types include a master charging device, a slave charging device, and a data transmission device.
Wherein, when the electrical connection between the first electronic device and the second electronic device is in an off state, the first electronic device and the second electronic device are switched from the off state to an electrical connection state by switching the overvoltage charging module from the off state to the on state.
According to the device detection method provided by the embodiment of the application, under the condition that the first electronic device and the second electronic device are electrically connected through the connecting line, the overvoltage charging module is switched from a conducting state to a disconnecting state, and the first electronic device and the second electronic device are electrically disconnected; switching the first electronic device and the second electronic device from an off state to an electrically connected state by switching the overvoltage charging module from the off state to the on state, and detecting device types of the first electronic device and the second electronic device; wherein the device types include a master charging device, a slave charging device, and a data transmission device. Therefore, for the electronic equipment which cannot flexibly switch the master-slave property of the electronic equipment, the data and/or the charging type of the USB electronic equipment can be detected again under the condition of not plugging and unplugging the USB plug manually only by switching the disconnection state/the conduction state of the overvoltage charging module.
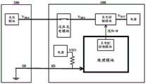
Optionally, in the device detecting method provided in this embodiment of the present application, as shown in fig. 6 to 7, the first electronic device includes a processing module, a charging control module, and an overvoltage charging module, wherein a first end of the processing module is electrically connected to the identification module of the second electronic device through the connection line, a second end of the processing module is electrically connected in series to the charging control module and the overvoltage charging module in turn, and the overvoltage charging module is electrically connected to the second electronic device through the connection line.
The overvoltage charging module can comprise an overvoltage protection circuit, the overvoltage charging module has a switching function, and the original switching function of the overvoltage charging module is to disconnect a voltage output path when the output voltage is too large. In the present application, however, the overvoltage charging module is given new functions: the voltage output path can also be disconnected by the overvoltage charging module when the device type of the electronic device needs to be redetected.
The processing module is used for controlling the starting of the switch function in the overvoltage charging module. The processing module may further include: and the overload protection control module controls the interruption or the closing of the switch function inside the overvoltage charging module so as to disconnect or connect the voltage output path. Besides, the original enable signal of the overvoltage charging module itself can be used to control the enabling of the internal switch function.
As shown in fig. 7, the switching the overvoltage charging module from the on state to the off state instep 502 may specifically include: the processing module provides third control information to the overvoltage charging module, wherein the third control information is used for controlling the overvoltage charging module to be disconnected on the voltage output path. And under the condition that the overvoltage charging module receives third control information from the processing module, the overvoltage charging module is switched from a conducting state to a disconnecting state, and the first electronic device and the second electronic device are disconnected from each other.
Wherein the voltage output path is used for the first device to output voltage to the second device, as shown in fig. 6, the voltage output path can output the battery voltage V from the battery (power supply) of thefirst device 100BATBoosted to V via charging moduleBUSAnd then output to the charging module of thesecond device 200 through the overload protection module.
The controlling the first device to output the voltage to the second device by disconnecting the voltage output path may specifically include: thefirst device 100 battery (power supply) stops outputting the battery voltage; or interrupt part of the voltage output path between the battery (power supply) of thefirst device 100 and the charging module; or interrupt a portion of the voltage output path between the charging module of thefirst device 100 and the charging module of thesecond device 200, or add a switching module to the voltage output path for interrupting the voltage output path, and so on.
The sub-module with the switch function inside the overvoltage charging module may specifically be a MOSFET (Metal-Oxide-Semiconductor Field Effect Transistor) or other module with a switch function, a G pole (gate) of the MOSFET is equivalent to an enable control signal EN input terminal, an S pole (source) and a D pole (drain) are equivalent to two ends on a voltage output path, when a third enable control signal (a third enable control signal contains third control information) is input and is at a high level, the overvoltage charging module is in a high impedance state, the S pole (source) and the D pole (drain) are not turned on, and the switch function inside the overvoltage charging module is turned off to interrupt the voltage output path.
Correspondingly, as shown in fig. 6, the switching the overvoltage charging module from the off state to the on state instep 504 may specifically include: the processing module provides fourth control information for the overvoltage charging module, and the fourth control information is used for controlling the overvoltage charging module to be conducted on the voltage output path. And under the condition that the overvoltage charging module receives fourth control information from the processing module, the overvoltage charging module is switched from a disconnected state to a connected state.
Correspondingly, the sub-module with the switch function inside the overvoltage charging module may specifically be a Metal-Oxide-Semiconductor Field Effect Transistor (MOSFET), a gate (G) of the MOSFET is equivalent to the input end of the control information EN, a source (S) and a drain (D) are equivalent to two ends on the voltage output path, when a fourth enable control signal (the fourth enable control signal includes the fourth control information) is input at a low level, the overvoltage charging module is in a low impedance state, the source (S) and the drain (D) are turned on, and the switch function inside the overvoltage charging module is turned on, so that the voltage output path is turned on.
In another device detecting method provided by the embodiment of the present application, the processing module provides third control information to the overvoltage charging module, where the third control information is used to control the overvoltage charging module to be turned off on the voltage output path, the processing module provides fourth control information to the overvoltage charging module, and the fourth control information is used to control the overvoltage charging module to be turned on the voltage output path. Therefore, the on-off of the voltage output path is realized by only utilizing the switching function inside the overvoltage charging module originally existing on the voltage output path without additionally arranging a switching module on the voltage output path, so that the function of re-detecting the equipment type of the electronic equipment is realized.
Fig. 8 is a flowchart of an apparatus detection method according to an embodiment of the present invention, where the apparatus detection method according to the embodiment of the present invention is applicable to a first electronic apparatus, for example, a mobile terminal used by a user, such as a mobile phone and a tablet computer. As shown in fig. 8, the device detection method provided in the embodiment of the present invention may include the following steps:
step 802, in a case that a first electronic device and a second electronic device are electrically connected through a connection line, the first electronic device and the second electronic device are electrically disconnected by adjusting an output voltage of the charging control module to be lower than a preset voltage.
If the connecting line is a connecting line of a USB series specification, when the first electronic device and the second electronic device are in an electrical connection state, the first electronic device is a USB master device when connected with the second electronic device through the connecting line, and the second electronic device is a USB slave device.
When the first electronic device and the second electronic device are electrically connected through the connecting line, the first electronic device and the second electronic device meet the following requirements: the voltage output by the first electronic device to the second electronic device is higher than a preset voltage.
If the voltage output by the first electronic device to the second electronic device is lower than a preset voltage, the electrical connection relation cannot be established, and the first electronic device and the second electronic device are changed from the electrical connection state to the disconnection state.
Step 804, switching the first electronic device and the second electronic device from a disconnected state to an electrically connected state by adjusting the output voltage of the charging control module to be greater than or equal to a preset voltage, and detecting the device types of the first electronic device and the second electronic device; wherein the device types include a master charging device, a slave charging device, and a data transmission device.
When the electrical connection between the first electronic device and the second electronic device is in a disconnected state, the first electronic device and the second electronic device are switched from the disconnected state to the electrical connection state by adjusting the output voltage of the charging control module to be greater than or equal to a preset voltage.
According to the device detection method provided by the embodiment of the application, under the condition that a first electronic device and a second electronic device are connected through a connecting line and are in an electric connection state, the voltage output to the second electronic device by the first electronic device is controlled to be lower than a preset voltage, so that the electric connection between the first electronic device and the second electronic device is changed from the electric connection state to a disconnection state; under the condition that the electrical connection is in a disconnected state, controlling the voltage output to the second electronic equipment by the first electronic equipment to be greater than or equal to a preset voltage, and enabling the first electronic equipment and the second electronic equipment to be changed from the disconnected state to an electrical connection state; the preset voltage is a value meeting the requirement of USB electrical property connection; in the electric connection state, detecting the device type of the first electronic device, wherein the device type comprises a data transmission device and/or a charging device. Therefore, for the electronic equipment which cannot flexibly switch the master-slave property of the electronic equipment, the equipment type of the electronic equipment can be detected again under the condition of not manually plugging and unplugging a connecting line plug again only by controlling the voltage value of the output voltage without completely stopping the output voltage.
Optionally, in an embodiment of the present application, as shown in fig. 9 to 10, the first electronic device includes a processing module, a charging control module, and an over-voltage charging module, wherein a first end of the processing module is electrically connected to the identification module of the second electronic device through the connection line, a second end of the processing module is electrically connected to the charging control module and the over-voltage charging module in series, and the over-voltage charging module is electrically connected to the second electronic device through the connection line.
Optionally, the processing module is connected to the charging control module and configured to control an operation mode of the charging control module, where the operation mode includes a bypass mode and a voltage boost mode.
The charging control module may be a Boost (Boost) direct current to direct current (DC-DC) switching circuit, and may further include other components. The boost DC-DC switching circuit normally operates in the voltage boost mode of the charging module, and at this time, the battery voltage V output by the battery (power supply)BATIs boosted to V by a boosting type DC-DC switching circuitBUSAnd output to the secondelectronic device 200; the boost DC-DC switching circuit stops the boosting process in the bypass mode of the charging module, and at the moment, the battery voltage V output by the battery (power supply)BATSwitching power by boosting type direct current to direct currentAfter the road (stopping boosting) is also at VBATValue of magnitude output, but VBATThe voltage is lower than the preset voltage meeting the USB electrical property connection requirement, and the electrical connection relation cannot be established. As shown in fig. 9, the output voltage VBUSIs a voltage V output by a battery (power supply)BATConverted by the charging module.
The processing module comprises a charging IC control module, the charging IC control module is connected with the charging control module, and the charging IC control module enables the charging control module (such as a boost direct current-to-direct current switching circuit in the charging IC) to normally operate or stop operating by sending an EN enabling signal. The EN enable signal sent by the charging IC control module in the processing module may be a signal sent according to the same bus protocol or an own EN enable signal of the charging IC.
Thestep 802 of disconnecting the electrical connection between the first electronic device and the second electronic device by adjusting the output voltage of the charging control module to be lower than a preset voltage includes: the processing module provides fifth control information to the charging control module, wherein the fifth control information is used for controlling the charging control module to enter a bypass mode, and the bypass mode is a mode in which the charging control module does not boost the voltage provided by the power supply, so that the voltage output from the charging control module is lower than a preset voltage. And under the condition that the charging control module receives fifth control information from the processing module, adjusting the output voltage to be lower than the preset voltage, and disconnecting the electric connection between the first electronic device and the second electronic device.
The processing module provides fifth control information to the charging control module, the fifth control information is used for controlling the charging control module to enter a bypass mode, specifically, the charging IC control module may send a fifth enable control signal (the fifth enable control signal includes fifth control information) (EN ═ 1) to the charging control module, so that the boost type dc-to-dc switching circuit in the charging control module stops the boost process in the bypass mode, and the battery voltage V output by the battery (power supply) is obtainedBATAfter the voltage boosting type direct current is converted into the direct current switching circuit (the voltage boosting is stopped), the voltage is still VBATValue of magnitude output, VBATAnd when the voltage is lower than the preset voltage, the first electronic equipment and the second electronic equipment are changed from the electric connection state to the disconnection state. The preset voltage is a value meeting the requirement of USB electrical property connection.
Accordingly, the switching the first electronic device and the second electronic device from the disconnected state to the electrically connected state by adjusting the output voltage of the charging control module to be greater than or equal to the preset voltage instep 804 includes: the processing module provides sixth control information for the charging control module, the sixth control information is used for controlling the charging control module to enter a voltage boosting mode, wherein the voltage boosting mode is that the charging control module boosts the voltage provided by the power supply, so that the voltage output by the charging control module is greater than or equal to the mode of preset voltage. And under the condition that the overcharge control module receives sixth control information from the processing module, adjusting the output voltage to be greater than or equal to the preset voltage.
As shown in fig. 10, the processing module provides sixth control information to the charging control module, where the sixth control information is used to control the charging control module to enter a voltage boost mode, and specifically, the charging IC control module may send a sixth enable control signal (the sixth enable control signal includes sixth control information) (EN ═ 0) to the charging control module, so that a boost dc-dc switch circuit in the charging control module boosts the voltage in the voltage boost mode, and a battery voltage V output by a battery (power supply) is obtainedBATAfter passing through the boosting type DC-DC switching circuit, the voltage is VBUSAnd with VBUSAnd outputting a voltage value with the magnitude higher than a preset voltage, so that the first electronic device and the second electronic device are changed from the disconnection state to the electric connection state again. The preset voltage is a value meeting the requirement of USB electrical property connection.
An equipment detecting method that this application embodiment provided, processing module to charge control module provides fifth control information, fifth control information is used for control charge control module gets into the bypass mode, wherein, the bypass mode does charge control module is not right the voltage that the power provided promotes, makes and follows the voltage that charge control module output is less than the mode of predetermineeing the voltage, processing module to charge control module provides sixth control information, sixth control information is used for control charge control module gets into voltage promotion mode, wherein, voltage promotion mode does charge control module is right the voltage that the power provided promotes, makes follow the voltage that charge control module output is greater than or equal to the mode of predetermineeing the voltage. Therefore, the voltage value of the output voltage is controlled by only utilizing the original function of controlling the voltage value of the charging control module without newly adding an output voltage control module when the voltage is output, and the function of re-detecting the device type of the electronic device is realized.
Based on the same idea as the device detection method provided by the embodiment of the present invention, an embodiment of the present invention further provides an electronic device, where the electronic device includes a processing module and a target control module connected to the processing module, and the processing module is configured to, under a condition that the electronic device and a second electronic device are electrically connected through a connection line: disconnecting the electrical connection between the electronic device and the second electronic device by controlling a target control module in the electronic device; switching the electronic equipment and the second electronic equipment from a disconnected state to an electrically connected state through the target control module, and detecting equipment types of the electronic equipment and the second electronic equipment; wherein the device types include a master charging device, a slave charging device, and a data transmission device.
Optionally, an embodiment of the present invention further provides an electronic device, which includes, as shown in fig. 3 to 4, fig. 6 to 7, and fig. 9 to 10 by way of example, a charging control module and an overvoltage charging module, wherein a first end of the processing module is electrically connected to the identification module of the second electronic device through the connection line, a second end of the processing module is electrically connected to the charging control module and the overvoltage charging module in series, and the overvoltage charging module is electrically connected to the second electronic device through the connection line.
Optionally, as shown in fig. 3 to 4, as an example, the electronic device further includes a power source, the power source is electrically connected to the identification module of the second electronic device through the connection line, the target control module is a switch module, a first end of the switch module is electrically connected to the connection line, a second end of the switch module is electrically connected to the power source and a first end of the processing module, respectively, and in the process that the processing module disconnects the electrical connection between the electronic device and the second electronic device by controlling the target control module, the processing module is configured to: disconnecting the electrical connection between the electronic device and the second electronic device by switching the switching module from the on state to the off state; in switching the electronic device and the second electronic device from the disconnected state to the electrically connected state through the target control module, the processing module is configured to: switching the electronic device and the second electronic device from an off state to an electrically connected state by switching the switch module from the off state to the on state, and detecting device types of the electronic device and the second electronic device; wherein the device types include a master charging device, a slave charging device, and a data transmission device.
Optionally, the third terminal of the processing module is electrically connected to the third terminal of the switch module and configured to control a conducting state of the switch module, and in a process of disconnecting the electrical connection between the electronic device and the second electronic device by switching the switch module from the conducting state to the disconnecting state, the switch module is configured to: under the condition that the switch module receives first control information from the processing module, the switch module is switched from a conducting state to a disconnecting state, and the electronic equipment is disconnected from the second electronic equipment; in the process of switching the switch module from the off state to the on state, the switch module is used for: the switch module switches from an off state to an on state if the switch module receives second control information from the processing module.
Alternatively, the detection circuit in the electronic device provided by the embodiment of the present invention may be as shown in fig. 6 to 7, where the target control module is an overvoltage charging module; in the process of disconnecting the electrical connection between the electronic device and the second electronic device by controlling a target control module of the electronic device, the processing module is configured to: disconnecting the electrical connection between the electronic device and the second electronic device by switching the overvoltage charging module from an on state to an off state; in the process of switching the electronic device and the second electronic device from the disconnected state to the electrically connected state through the target control module, the processing module is configured to: switching the electronic device and the second electronic device from an off state to an electrically connected state by switching the overvoltage charging module from an off state to an on state.
Optionally, a first end of the overvoltage charging module is connected to the second electronic device through the connection line, a second end of the overvoltage charging module is electrically connected to the charging control module, a third end of the overvoltage charging module is electrically connected to a third end of the processing module, the processing module is configured to control a conducting state of the overvoltage charging module, and the overvoltage charging module is configured to, during a process of switching the overvoltage charging module from the conducting state to a disconnecting state to disconnect the electrical connection between the electronic device and the second electronic device, the overvoltage charging module is configured to: under the condition that the overvoltage charging module receives third control information from the processing module, the overvoltage charging module is switched from a conducting state to a disconnecting state, and the electronic equipment is disconnected from the second electronic equipment; in the process of switching the overvoltage charging module from an off state to an on state, the overvoltage charging module is used for: and under the condition that the overvoltage charging module receives fourth control information from the processing module, the overvoltage charging module is switched from a disconnected state to a connected state.
Optionally, the detection circuit in the electronic device provided in the embodiment of the present invention may be as shown in fig. 9 to 10, where the target control module is a charging control module; in the process of disconnecting the electrical connection between the electronic device and the second electronic device by controlling a target control module of the electronic device, the processing module is configured to: disconnecting the electrical connection between the electronic device and the second electronic device by adjusting the output voltage of the charging control module to be lower than a preset voltage; in the process of switching the electronic device and the second electronic device from the disconnected state to the electrically connected state through the target control module, the processing module is configured to: and switching the electronic equipment and the second electronic equipment from a disconnection state to an electric connection state by adjusting the output voltage of the charging control module to be greater than or equal to a preset voltage. Detecting the device types of the electronic device and the second electronic device; wherein the device types include a master charging device, a slave charging device, and a data transmission device.
Optionally, the processing module is further configured to control an output voltage of the charging control module, and in the process of disconnecting the electrical connection between the electronic device and the second electronic device by adjusting the output voltage of the charging control module to be lower than a preset voltage, the charging control module is configured to: under the condition that the charging control module receives fifth control information from the processing module, adjusting the output voltage to be lower than the preset voltage, and disconnecting the electric connection between the electronic device and the second electronic device; in the process of adjusting the output voltage of the charging control module to be greater than or equal to the preset voltage, the charging control module is used for: and under the condition that the overcharge control module receives sixth control information from the processing module, adjusting the output voltage to be greater than or equal to the preset voltage.
Fig. 11 is a schematic diagram of a hardware structure of an electronic device implementing various embodiments of the present invention.
The electronic device may be a terminal, and the terminal 1100 includes but is not limited to: radio frequency unit 1101,network module 1102,audio output unit 1103,input unit 1104,sensor 1105,display unit 1106,user input unit 1107,interface unit 1108,memory 1109,processor 1110, andpower supply 1111. Those skilled in the art will appreciate that the terminal structure shown in fig. 11 does not constitute a limitation of the terminal, and that the terminal may include more or fewer components than those shown, or some components may be combined, or a different arrangement of components. In the embodiment of the present invention, the terminal includes, but is not limited to, a mobile phone, a tablet computer, a notebook computer, a palm computer, and the like.
Processor 1110 may be configured to perform various operations, among other things. For example, in the case where a first electronic device and a second electronic device are electrically connected through a connection line, the electrical connection between the first electronic device and the second electronic device is disconnected by controlling a target control module in the first electronic device. For example, the first electronic device and the second electronic device are switched from a disconnected state to an electrically connected state by the target control module, and device types of the first electronic device and the second electronic device are detected.
It should be understood that, in the embodiment of the present invention, the radio frequency unit 1101 may be configured to receive and transmit signals during a message transmission or a call, and specifically, receive downlink data from a base station and then process the received downlink data to theprocessor 1110; in addition, the uplink data is transmitted to the base station. In general, radio frequency unit 1101 includes, but is not limited to, an antenna, at least one amplifier, a transceiver, a coupler, a low noise amplifier, a duplexer, and the like. In addition, the radio frequency unit 1101 may also communicate with a network and other devices through a wireless communication system.
The terminal provides the user with wireless broadband internet access via thenetwork module 1102, such as helping the user send and receive e-mails, browse web pages, and access streaming media.
Theaudio output unit 1103 may convert audio data received by the radio frequency unit 1101 or thenetwork module 1102 or stored in thememory 1109 into an audio signal and output as sound. Also, theaudio output unit 1103 may also provide audio output related to a specific function performed by the terminal 1100 (e.g., a call signal reception sound, a message reception sound, etc.). Theaudio output unit 1103 includes a speaker, a buzzer, a receiver, and the like.
Theinput unit 1104 is used to receive audio or video signals. Theinput Unit 1104 may include a Graphics Processing Unit (GPU) 11041 and amicrophone 11042, and theGraphics processor 11041 processes image data of still pictures or video obtained by an image capturing device, such as a camera, in a video capturing mode or an image capturing mode. The processed image frames may be displayed on thedisplay unit 1106. The image frames processed by thegraphic processor 11041 may be stored in the memory 1109 (or other storage medium) or transmitted via the radio frequency unit 1101 or thenetwork module 1102. Themicrophone 11042 may receive sound and can process such sound into audio data. The processed audio data may be converted into a format output transmittable to a mobile communication base station via the radio frequency unit 1101 in case of the phone call mode.
Terminal 1100 can also include at least onesensor 1105, such as a light sensor, motion sensor, and other sensors. Specifically, the light sensor includes an ambient light sensor that adjusts the brightness of thedisplay panel 11061 according to the brightness of ambient light, and a proximity sensor that turns off thedisplay panel 11061 and/or a backlight when the terminal 1100 moves to the ear. As one of the motion sensors, the accelerometer sensor can detect the magnitude of acceleration in each direction (generally three axes), detect the magnitude and direction of gravity when stationary, and can be used to identify the terminal posture (such as horizontal and vertical screen switching, related games, magnetometer posture calibration), vibration identification related functions (such as pedometer, tapping), and the like; thesensors 1105 may also include fingerprint sensors, pressure sensors, iris sensors, molecular sensors, gyroscopes, barometers, hygrometers, thermometers, infrared sensors, etc., and will not be described in detail herein.
Thedisplay unit 1106 is used to display information input by a user or information provided to the user. TheDisplay unit 1106 may include aDisplay panel 11061, and theDisplay panel 11061 may be configured in the form of a Liquid Crystal Display (LCD), an Organic Light-Emitting Diode (OLED), or the like.
Theuser input unit 1107 may be used to receive input numeric or character information and generate key signal inputs related to user settings and function control of the terminal. Specifically, theuser input unit 1107 includes a touch panel 11071 andother input devices 11072. The touch panel 11071, also referred to as a touch screen, may collect touch operations by a user on or near the touch panel 11071 (e.g., operations by a user on or near the touch panel 11071 using a finger, a stylus, or any other suitable object or attachment). The touch panel 11071 may include two portions of a touch detection device and a touch controller. The touch detection device detects the touch direction of a user, detects a signal brought by touch operation and transmits the signal to the touch controller; the touch controller receives touch information from the touch sensing device, converts the touch information into touch point coordinates, and sends the touch point coordinates to theprocessor 1110, and receives and executes commands sent from theprocessor 1110. In addition, the touch panel 11071 may be implemented by various types, such as a resistive type, a capacitive type, an infrared ray, and a surface acoustic wave. Theuser input unit 1107 may includeother input devices 11072 in addition to the touch panel 11071. In particular, theother input devices 11072 may include, but are not limited to, a physical keyboard, function keys (e.g., volume control keys, switch keys, etc.), a trackball, a mouse, and a joystick, which are not described in detail herein.
Further, the touch panel 11071 can be overlaid on thedisplay panel 11061, and when the touch panel 11071 detects a touch operation thereon or nearby, the touch operation is transmitted to theprocessor 1110 to determine the type of the touch event, and then theprocessor 1110 provides a corresponding visual output on thedisplay panel 11061 according to the type of the touch event. Although the touch panel 11071 and thedisplay panel 11061 are shown in fig. 11 as two separate components to implement the input and output functions of the terminal, in some embodiments, the touch panel 11071 and thedisplay panel 11061 may be integrated to implement the input and output functions of the terminal, and the implementation is not limited herein.
Theinterface unit 1108 is an interface for connecting an external device to theterminal 1100. For example, the external device may include a wired or wireless headset port, an external power supply (or battery charger) port, a wired or wireless data port, a memory card port, a port for connecting a device having an identification module, an audio input/output (I/O) port, a video I/O port, an earphone port, and the like.Interface unit 1108 may be used to receive input (e.g., data information, power, etc.) from external devices and transmit the received input to one or more elements within terminal 1100 or may be used to transmit data between terminal 1100 and external devices.
Thememory 1109 may be used to store software programs as well as various data. Thememory 1109 may mainly include a storage program area and a storage data area, where the storage program area may store an operating system, an application program (such as a sound playing function, an image playing function, etc.) required by at least one function, and the like; the storage data area may store data (such as audio data, a phonebook, etc.) created according to the use of the cellular phone, and the like. In addition, thememory 1109 may include high speed random access memory and may also include non-volatile memory, such as at least one magnetic disk storage device, flash memory device, or other volatile solid state storage device.
Theprocessor 1110 is a control center of the terminal, connects various parts of the entire terminal using various interfaces and lines, and performs various functions of the terminal and processes data by operating or executing software programs and/or modules stored in thememory 1109 and calling data stored in thememory 1109, thereby integrally monitoring the terminal.Processor 1110 may include one or more processing units; preferably, theprocessor 1110 may integrate an application processor, which mainly handles operating systems, user interfaces, application programs, etc., and a modem processor, which mainly handles wireless communications. It will be appreciated that the modem processor described above may not be integrated intoprocessor 1110.
The terminal 1100 can also include a power supply 1111 (e.g., a battery) for providing power to various components, and preferably, thepower supply 1111 can be logically connected to theprocessor 1110 via a power management system, so as to manage charging, discharging, and power consumption management functions via the power management system.
In addition, the terminal 1100 includes some functional modules that are not shown, and thus, are not described in detail herein.
It should be noted that, in this document, the terms "comprises," "comprising," or any other variation thereof, are intended to cover a non-exclusive inclusion, such that a process, method, article, or apparatus that comprises a list of elements does not include only those elements but may include other elements not expressly listed or inherent to such process, method, article, or apparatus. Without further limitation, an element defined by the phrase "comprising an … …" does not exclude the presence of other like elements in a process, method, article, or apparatus that comprises the element.
Through the above description of the embodiments, those skilled in the art will clearly understand that the method of the above embodiments can be implemented by software plus a necessary general hardware platform, and certainly can also be implemented by hardware, but in many cases, the former is a better implementation manner. Based on such understanding, the technical solutions of the present invention may be embodied in the form of a software product, which is stored in a storage medium (such as ROM/RAM, magnetic disk, optical disk) and includes instructions for enabling a terminal (such as a mobile phone, a computer, a server, an air conditioner, or a network device) to execute the method according to the embodiments of the present invention.
While the present invention has been described with reference to the embodiments shown in the drawings, the present invention is not limited to the embodiments, which are illustrative and not restrictive, and it will be apparent to those skilled in the art that various changes and modifications can be made therein without departing from the spirit and scope of the invention as defined in the appended claims.

Claims (16)

CN201911330614.5A2019-12-202019-12-20 A device detection method and electronic deviceActiveCN111030226B (en)

Priority Applications (1)

Application NumberPriority DateFiling DateTitle
CN201911330614.5ACN111030226B (en)2019-12-202019-12-20 A device detection method and electronic device

Applications Claiming Priority (1)

Application NumberPriority DateFiling DateTitle
CN201911330614.5ACN111030226B (en)2019-12-202019-12-20 A device detection method and electronic device

Publications (2)

Publication NumberPublication Date
CN111030226Atrue CN111030226A (en)2020-04-17
CN111030226B CN111030226B (en)2021-08-24

Family

ID=70212383

Family Applications (1)

Application NumberTitlePriority DateFiling Date
CN201911330614.5AActiveCN111030226B (en)2019-12-202019-12-20 A device detection method and electronic device

Country Status (1)

CountryLink
CN (1)CN111030226B (en)

Citations (17)

* Cited by examiner, † Cited by third party
Publication numberPriority datePublication dateAssigneeTitle
CN104198838A (en)*2014-08-062014-12-10惠州市和宏电线电缆有限公司Overhaul and test device for mobile-terminal car travel charger
CN104362687A (en)*2014-10-242015-02-18福建联迪商用设备有限公司Bidirectional power balance method and device based on USB-OTG
CN105006853A (en)*2015-06-032015-10-28广东欧珀移动通信有限公司 A method and power amplifier for outputting charging current
CN105956458A (en)*2016-04-282016-09-21乐视控股(北京)有限公司Interaction control method and device for terminals
CN106597143A (en)*2016-11-102017-04-26青岛海信移动通信技术股份有限公司Test device and test method
CN106655316A (en)*2016-09-212017-05-10奇酷互联网络科技(深圳)有限公司Charging circuit and terminal equipment
CN106776228A (en)*2016-12-302017-05-31维沃移动通信有限公司The method for security protection and mobile terminal of a kind of mobile terminal
CN106786960A (en)*2017-01-132017-05-31广东欧珀移动通信有限公司Charge control method, device and terminal
CN107276180A (en)*2017-08-042017-10-20上海青橙实业有限公司Charge control method, equipment, system and user equipment
CN107977331A (en)*2016-10-252018-05-01中兴通讯股份有限公司A kind of control method, device and terminal
CN108054795A (en)*2017-12-152018-05-18华勤通讯技术有限公司Terminal and charging method
CN108196659A (en)*2018-01-082018-06-22广东欧珀移动通信有限公司charging management method, device, storage medium and terminal device
CN108845655A (en)*2018-06-212018-11-20Oppo广东移动通信有限公司Electronic equipment control method and device, control circuit and electronic equipment
CN109061342A (en)*2018-07-112018-12-21维沃移动通信有限公司A kind of fast charge plug test method and device
JP2019033609A (en)*2017-08-092019-02-28株式会社ダイヘンPower tool
CN109755984A (en)*2017-11-072019-05-14北京小米移动软件有限公司 Device control method and device
CN110138054A (en)*2015-03-272019-08-16广东欧珀移动通信有限公司Control the method, apparatus and power supply adaptor of charging

Patent Citations (17)

* Cited by examiner, † Cited by third party
Publication numberPriority datePublication dateAssigneeTitle
CN104198838A (en)*2014-08-062014-12-10惠州市和宏电线电缆有限公司Overhaul and test device for mobile-terminal car travel charger
CN104362687A (en)*2014-10-242015-02-18福建联迪商用设备有限公司Bidirectional power balance method and device based on USB-OTG
CN110138054A (en)*2015-03-272019-08-16广东欧珀移动通信有限公司Control the method, apparatus and power supply adaptor of charging
CN105006853A (en)*2015-06-032015-10-28广东欧珀移动通信有限公司 A method and power amplifier for outputting charging current
CN105956458A (en)*2016-04-282016-09-21乐视控股(北京)有限公司Interaction control method and device for terminals
CN106655316A (en)*2016-09-212017-05-10奇酷互联网络科技(深圳)有限公司Charging circuit and terminal equipment
CN107977331A (en)*2016-10-252018-05-01中兴通讯股份有限公司A kind of control method, device and terminal
CN106597143A (en)*2016-11-102017-04-26青岛海信移动通信技术股份有限公司Test device and test method
CN106776228A (en)*2016-12-302017-05-31维沃移动通信有限公司The method for security protection and mobile terminal of a kind of mobile terminal
CN106786960A (en)*2017-01-132017-05-31广东欧珀移动通信有限公司Charge control method, device and terminal
CN107276180A (en)*2017-08-042017-10-20上海青橙实业有限公司Charge control method, equipment, system and user equipment
JP2019033609A (en)*2017-08-092019-02-28株式会社ダイヘンPower tool
CN109755984A (en)*2017-11-072019-05-14北京小米移动软件有限公司 Device control method and device
CN108054795A (en)*2017-12-152018-05-18华勤通讯技术有限公司Terminal and charging method
CN108196659A (en)*2018-01-082018-06-22广东欧珀移动通信有限公司charging management method, device, storage medium and terminal device
CN108845655A (en)*2018-06-212018-11-20Oppo广东移动通信有限公司Electronic equipment control method and device, control circuit and electronic equipment
CN109061342A (en)*2018-07-112018-12-21维沃移动通信有限公司A kind of fast charge plug test method and device

Also Published As

Publication numberPublication date
CN111030226B (en)2021-08-24

Similar Documents

PublicationPublication DateTitle
US12057725B2 (en)Charging control circuit, terminal device, control method and computer-readable storage medium
CN107749647B (en) Battery pack structure, mobile terminal and charging control method
KR102831062B1 (en) Electronic devices
CN108494030A (en)A kind of wireless charging method, terminal and transmitting end equipment
CN108448673B (en) A charging method, mobile terminal and charger
US12160114B2 (en)Terminal and wireless charging control method
CN109038720A (en)A kind of charging unit, terminal device and charging method
CN109755997B (en)Charging method and terminal equipment
CN108874708B (en)OTG device, terminal charging method, mobile terminal and computer readable storage medium
CN107887947B (en) A charging port protection method and mobile terminal
CN108461834A (en)A kind of battery pack structure, mobile terminal and charge/discharge control method
CN107834640B (en)Charging method and terminal
CN109861335A (en) Charging system, electronic device and charging control method
CN108595352B (en)Protection method and device for mobile terminal
CN107562167B (en)Multi-path charging method, mobile terminal and computer-readable storage medium
CN110071542B (en)Charging circuit, charging method and terminal
CN111030226B (en) A device detection method and electronic device
CN108336775B (en) Charging method and mobile terminal
CN110620602A (en)Reverse charging and data transmission sharing system, multiplexing data line and electronic device
CN110825682B (en)USB control method and electronic equipment
CN210721451U (en) A function control device and electronic equipment
CN110021981B (en)Charger and terminal
CN113572232A (en)Charging circuit and mobile terminal
CN114816995A (en)Whole machine debugging circuit and equipment based on Type C interface

Legal Events

DateCodeTitleDescription
PB01Publication
PB01Publication
SE01Entry into force of request for substantive examination
SE01Entry into force of request for substantive examination
GR01Patent grant
GR01Patent grant

[8]ページ先頭

©2009-2025 Movatter.jp