Movatterモバイル変換


[0]ホーム

URL:


CN110994744A - Multi-battery charging and discharging control device and system - Google Patents

Multi-battery charging and discharging control device and system
Download PDF

Info

Publication number
CN110994744A
CN110994744ACN201911377335.4ACN201911377335ACN110994744ACN 110994744 ACN110994744 ACN 110994744ACN 201911377335 ACN201911377335 ACN 201911377335ACN 110994744 ACN110994744 ACN 110994744A
Authority
CN
China
Prior art keywords
battery
control
charging
discharging
control unit
Prior art date
Legal status (The legal status is an assumption and is not a legal conclusion. Google has not performed a legal analysis and makes no representation as to the accuracy of the status listed.)
Pending
Application number
CN201911377335.4A
Other languages
Chinese (zh)
Inventor
侯晓华
周亚军
张智
王林
Current Assignee (The listed assignees may be inaccurate. Google has not performed a legal analysis and makes no representation or warranty as to the accuracy of the list.)
Suzhou Yimei Xinsi New Energy Technology Co ltd
Zhejiang University Kunshan Innovation Institute
Original Assignee
Suzhou Yimei Xinsi New Energy Technology Co ltd
Zhejiang University Kunshan Innovation Institute
Priority date (The priority date is an assumption and is not a legal conclusion. Google has not performed a legal analysis and makes no representation as to the accuracy of the date listed.)
Filing date
Publication date
Application filed by Suzhou Yimei Xinsi New Energy Technology Co ltd, Zhejiang University Kunshan Innovation InstitutefiledCriticalSuzhou Yimei Xinsi New Energy Technology Co ltd
Priority to CN201911377335.4ApriorityCriticalpatent/CN110994744A/en
Publication of CN110994744ApublicationCriticalpatent/CN110994744A/en
Pendinglegal-statusCriticalCurrent

Links

Images

Classifications

Landscapes

Abstract

The invention discloses a multi-battery charging and discharging control device and a system, wherein a controlled battery pack comprises more than 2 battery units which are connected in parallel; the multi-battery charging and discharging control device comprises a main control unit, a voltage detection unit and an on-off control unit; the voltage detection unit comprises a plurality of voltage detection branches connected between the output end of each battery and the main control unit, the on-off control unit comprises a plurality of on-off control branches, and each battery unit is connected with the external power connection end through one on-off control branch; and each on-off control branch is provided with a controllable switch, and the control end of each controllable switch is connected with the on-off control signal output end of the main control unit. When the multi-battery charge and discharge control system is applied to the lithium battery pack, the multi-battery charge and discharge control system can be used for comprehensively coordinating the battery management and the charge and discharge control by combining the protection board or the battery management system of the lithium battery pack, the cost of the control circuit is lower, the control efficiency can be improved, and the control cost is reduced.

Description

Multi-battery charging and discharging control device and system
Technical Field
The invention relates to the technical field of battery charging and discharging management, in particular to a multi-battery charging and discharging control device and system.
Background
In an application scenario that multiple batteries supply power to electric equipment in a parallel connection mode and receive charging, the parallel connection mode of the multiple batteries can improve the equivalent capacity of a system. When the traditional multi-battery management system performs charging and discharging management on multiple batteries, the control strategy is often complex, the configuration cost of a control circuit is relatively high, the design of control logic generally focuses on the working stability of electric equipment, the attention on the loss of the batteries is reduced, and the service life of the batteries is greatly influenced.
When the lithium battery pack is managed and controlled, the traditional control framework is generally provided with two sets of control boards for battery protection and charge and discharge control independently, the corresponding switch circuits capable of controlling on-off are also respectively arranged on the control signal outputs of the two sets of control boards, and the loss and the cost of the whole system are undoubtedly greatly increased due to the redundant switch configuration.
Disclosure of Invention
The invention aims to provide a multi-battery charging and discharging control device and a multi-battery charging and discharging control system, which can perform charge and discharge coordination management on a plurality of batteries connected in parallel in a battery system, improve the control efficiency and reduce the control cost.
The technical scheme adopted by the invention is as follows:
in one aspect, the invention provides a multi-battery charge and discharge control device, wherein a controlled battery pack comprises more than 2 battery units connected in parallel; the multi-battery charging and discharging control device comprises a main control unit, a voltage detection unit and an on-off control unit;
the main control unit comprises a power supply input end, a detection voltage input end, an on-off control signal output end and a control input end; the power supply input end is used for accessing a power supply;
the voltage detection unit comprises a plurality of voltage detection branches, one end of each voltage detection branch is connected with the output end of each battery, and the other end of each voltage detection branch is connected with the detection voltage input end of the main control unit;
the on-off control unit comprises a plurality of on-off control branches, and each battery unit is connected with the power supply external connection end through one on-off control branch; and each on-off control branch is provided with a controllable switch, and the control end of each controllable switch is connected with the on-off control signal output end of the main control unit.
The control input end of the main control unit responds to the received external charge and discharge control signal, and controls the conduction of the controllable switch on one on-off control branch circuit according to the detection voltage corresponding to each battery unit received by the detection voltage input end, so that the corresponding battery unit is controlled to be communicated with the external power supply end, and the battery unit with the lowest current voltage can be charged or the battery unit with the highest current voltage can be discharged.
Optionally, the control input end includes a control enable end, and the main control unit starts to control on/off of each controllable switch according to the detection voltage of each battery output end in response to the control enable end receiving an enable signal, so that the output end of one of the batteries is communicated with the external power end.
Optionally, the control input end includes a charging/discharging enable end, two PMOS switching tubes connected in series in reverse are respectively arranged on each on-off control branch, drains of the two PMOS switching tubes are connected with each other, and sources are respectively connected with the battery output end and the power supply external connection end; and the main control unit responds to the charging/discharging enabling end to receive the charging/discharging enabling signal and starts to control one of the two PMOS switching tubes on one on-off control branch to be switched on and the other to be switched off according to the detection voltage of the output end of each battery, so that the batteries connected with the corresponding on-off control branches are controlled to be communicated with the external power supply connecting end to charge/discharge.
Specifically, in the two PMOS transistors, the source electrode connected to the battery is a discharge switch tube, and the source electrode connected to the external end of the battery is a charge switch tube; the main control unit responds to the charging/discharging enable end to receive a charging enable signal, controls the conduction of a charging switch tube on an on-off control branch connected with a battery with the minimum current detection voltage, and closes a discharging switch tube; and the main control unit responds to the charging/discharging enable end to receive a discharging enable signal, controls the discharging switch tube on the on-off control branch connected with the battery with the maximum current detection voltage to be switched on, and closes the charging switch tube.
Optionally, the control input end includes a charging/discharging enable end, two NMOS switching tubes connected in series in reverse are respectively disposed on each on-off control branch, sources of the two PMOS switching tubes are connected to each other, and drains of the two PMOS switching tubes are respectively connected to the battery output end and the power supply external connection end; and the main control unit responds to the charging/discharging enabling end receiving a charging/discharging enabling signal and starts to control one of the two NMOS switching tubes on one on-off control branch to be switched on and the other to be switched off according to the detection voltage of the output end of each battery, so that the batteries connected with the corresponding on-off control branches are controlled to be communicated with the external power supply connecting end to charge/discharge.
The controllable switch is set as the MOS tube, so that the current direction during charging and discharging can be uniquely determined, and reverse conduction caused by abnormal working state of a battery or a circuit is avoided.
Optionally, the controllable switches on the on-off control branches adopt relay contacts, and the on-off control signals output by the on-off control signal output end of the main control unit are used for controlling the on-off of the relay coils. Reference is made to the prior art for specific implementations.
Optionally, the power input end of the main control unit is connected to the output end of each battery and the power external connection end respectively. The circuit design enables the power supply of the main control unit to be supplied by a power supply with higher voltage between the plurality of batteries and an external power supply in a charging or discharging state, and ensures the voltage stability of the main control unit.
Furthermore, a power supply circuit, which is connected with the battery output end and the power supply external end, of the power supply input end of the main control unit is respectively provided with a protection diode, and the cathode of the protection diode is connected with the power supply input end of the main control unit.
In a second aspect, the present invention provides a multi-battery charging and discharging control system, including a lithium battery pack, a battery management module, a charging and discharging control device, and an on-off control circuit, wherein the lithium battery pack includes a plurality of battery cells connected in parallel;
the charging and discharging control device comprises a main control unit and a voltage detection unit; the voltage detection unit comprises a plurality of voltage detection branches respectively connected with the battery units, and each voltage detection branch respectively detects the voltage of the output end of the connected battery unit and transmits the voltage to the voltage detection input end of the main control unit; the main control unit selects the battery unit with the maximum/minimum voltage as the current discharging/charging battery unit to be controlled according to the real-time voltage of each battery unit, and outputs a discharging/charging control signal;
the battery management module detects the running state of each battery unit and outputs a discharging/charging control signal to the battery units according to the detected signal;
the on-off control circuit comprises a plurality of on-off control branches respectively connected between each battery unit and the power supply external connection end, each on-off control branch is provided with a controllable switch, and the control input end of each controllable switch is connected with the discharge/charge control signal output end of the battery management module or the main control unit;
the discharging/charging control signal output end is not connected with the battery management module or the main control unit of the controllable switch, and the discharging/charging control signal is transmitted to the main control unit or the battery management module; the discharging/charging control signal output end is connected with a main control unit or a battery management module of the controllable switch, and outputs a discharging/charging control signal to the controllable switch according to the detected signal and the received discharging/charging control signal.
The discharging/charging control signal may be a single-path signal or a discharging control signal and a charging control signal respectively output through two independent ports.
Optionally, the main control unit is connected with the battery management module through a communication bus to transmit the on-off control signal;
the controllable switch in the on-off control branch is a relay contact or an MOS switch tube, when the MOS switch tube is adopted, two PMOS switch tubes or NMOS switch tubes with drain-source electrodes connected in series reversely are respectively arranged on each on-off control branch, and the discharging control signal and the charging control signal output by the battery management module or the main control unit respectively control the on-off of one of the MOS tubes correspondingly.
The battery protection board and the battery management system are both existing products, and when the battery management system is adopted, the main control unit chip can acquire more complex battery operation information such as telecommunication temperature, voltage, current and the like from the battery management system through the communication bus, so that more complex control logic and more multilevel safety management strategies can be realized.
Advantageous effects
The multi-battery charge-discharge control device can detect the real-time voltage of each battery by arranging the battery detection unit, and controls the charge and discharge of different battery units according to the real-time detection voltage, so that: when the battery pack is discharged, when the electric quantity of one battery is exhausted, the battery pack can be automatically switched to other batteries with the most sufficient electric quantity, and when one battery is fully charged, the battery pack can be automatically switched to other batteries which are not fully charged to continue charging until all the batteries are fully charged. The charge and discharge coordination management can be carried out on a plurality of batteries connected in parallel in the battery system, the control efficiency is improved, and the control cost is reduced. Meanwhile, the MOS switch tubes are respectively used as charging and discharging switches, so that the current direction during charging and discharging can be ensured to be unique, and the safety of the battery under the abnormal condition of the system can be ensured.
The multi-battery charging and discharging control system can be applied to battery pack scenes with multiple batteries connected in parallel, such as lithium battery packs, and the like, and can coordinate energy management, protection and charging and discharging control of the battery packs, simplify a control circuit and reduce the configuration cost of the control circuit.
Drawings
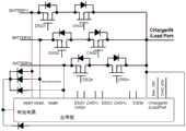
FIG. 1 is a schematic diagram of a multi-battery charge/discharge control device according to the present invention;
FIG. 2 is a schematic diagram of a conventional lithium battery pack protection and charge/discharge control system;
FIG. 3 is a schematic diagram of a conventional lithium battery pack energy management and charge-discharge control system;
fig. 4 is a schematic diagram illustrating a lithium battery pack protection and charge/discharge control system according to an embodiment of the invention;
FIG. 5 is a schematic diagram of a lithium battery pack protection and charge/discharge control system according to another embodiment of the invention
Fig. 6 is a schematic diagram illustrating an energy management and charging/discharging control system of a lithium battery pack according to an embodiment of the invention;
fig. 7 is a schematic diagram illustrating an energy management and charge-discharge control system of a lithium battery pack according to another embodiment of the invention.
Detailed Description
The following further description is made in conjunction with the accompanying drawings and the specific embodiments.
The invention has the conception that in a multi-battery parallel battery pack, the on-off state between a current battery for charging and discharging and a charging power supply or a load is controlled by acquiring the voltage of the output end of each battery unit in real time, so that: when charging is needed each time, the battery with the lowest voltage can be selected for charging until one battery is fully charged, then the charging is switched to the charging of other batteries with the lowest voltage, and finally all the batteries are fully charged; each time the battery is discharged, the battery with the highest voltage can be selected to discharge, when the battery is discharged to the set low electric quantity value, the battery is switched to be discharged by other batteries with higher voltage until the load stops receiving the power or all the batteries are discharged to the set low electric quantity value.
The design of the invention can improve the control efficiency of the battery pack with multiple parallel batteries, simplify the control logic, reduce the cost of a control circuit, optimize the charge and discharge process of the batteries and reduce the service life loss of the batteries caused by the charge and discharge times.
Example 1
Referring to fig. 1, the present embodiment is a multi-battery charge and discharge control apparatus, in which a controlled battery pack includes more than 2 battery cells connected in parallel; the multi-battery charging and discharging control device comprises a main control unit (control panel), a voltage detection unit and an on-off control unit;
the main control unit comprises a power supply input end, a detection voltage input end, an on-off control signal output end and a control input end; the power supply input end is used for accessing a power supply;
the voltage detection unit comprises a plurality of voltage detection branches, one end of each voltage detection branch is connected with the output end of each battery, and the other end of each voltage detection branch is connected with the detection voltage input end of the main control unit;
the on-off control unit comprises a plurality of on-off control branches, and each battery unit is connected with the power supply external connection end through one on-off control branch; and each on-off control branch is provided with a controllable switch, and the control end of each controllable switch is connected with the on-off control signal output end of the main control unit.
When the main control unit is applied, the control input end of the main control unit responds to the received external charging and discharging control signals, and the controllable switch on one on-off control branch circuit is controlled to be switched on according to the detection voltage corresponding to each battery unit received by the detection voltage input end, so that the corresponding battery unit is controlled to be communicated with the external power supply end, and the battery unit with the lowest current voltage can be charged or the battery unit with the highest current voltage can be discharged.
And if the charging control signal is received, controlling the conduction of a controllable switch on an on-off control branch circuit connected with the battery with the lowest current detection voltage, so that the battery with the lowest electric quantity is charged to be full, and then switching to the battery with the lowest detection voltage in other batteries for charging until all the batteries are full or the external power supply is cut off.
In this embodiment, the voltage lowest threshold of the battery unit is preset in the main control unit, and if a discharge control signal is received, the controllable switch on the on-off control branch connected to the battery with the highest current detection voltage is controlled to be turned on, so that the battery with the highest electric quantity is discharged to the voltage lowest threshold first, and then the battery with the highest detection voltage in other batteries is switched to discharge until the external load stops receiving power, or all the batteries are discharged to the voltage lowest threshold.
Examples 1 to 1
Based on embodiment 1, in this embodiment, the control input end includes a control enable end, and the main control unit starts to control on/off of each controllable switch according to the detection voltage of each battery output end in response to the control enable end receiving an enable signal, so that the output end of one of the batteries is communicated with the external power end.
The control input end also comprises a charging/discharging enabling end, two PMOS switching tubes which are reversely connected in series are respectively arranged on each on-off control branch, the drain electrodes of the two PMOS switching tubes are connected with each other, and the source electrodes are respectively connected with the battery output end and the power supply external connection end; and the main control unit responds to the charging/discharging enabling end to receive the charging/discharging enabling signal and starts to control one of the two PMOS switching tubes on one on-off control branch to be switched on and the other to be switched off according to the detection voltage of the output end of each battery, so that the batteries connected with the corresponding on-off control branches are controlled to be communicated with the external power supply connecting end to charge/discharge.
In the two PMOS tubes, the source electrode is connected with the battery and is a discharge switch tube, and the source electrode is connected with the external end of the battery and is a charge switch tube; the main control unit responds to the charging/discharging enable end to receive a charging enable signal, controls the conduction of a charging switch tube on an on-off control branch connected with a battery with the minimum current detection voltage, and closes a discharging switch tube; and the main control unit responds to the charging/discharging enable end to receive a discharging enable signal, controls the discharging switch tube on the on-off control branch connected with the battery with the maximum current detection voltage to be switched on, and closes the charging switch tube.
The power input end of the main control unit is respectively connected with the output end of each battery and the power external connection end. And a power supply circuit connected with the power input end of the main control unit, the battery output end and the power external connection end is respectively provided with a protection diode, and the cathode of the protection diode is connected with the power input end of the main control unit. The circuit design enables the power supply of the main control unit to be supplied by a power supply with higher voltage between the plurality of batteries and an external power supply in a charging or discharging state, and ensures the voltage stability of the main control unit.
Examples 1 to 2
Different from the embodiment 1-1, in this embodiment, two reverse series-connected NMOS switch tubes are respectively disposed on each on-off control branch, the sources of the two PMOS switch tubes are connected to each other, and the drains are respectively connected to the battery output terminal and the power supply external connection terminal; and the main control unit responds to the charging/discharging enabling end receiving a charging/discharging enabling signal and starts to control one of the two NMOS switching tubes on one on-off control branch to be switched on and the other to be switched off according to the detection voltage of the output end of each battery, so that the batteries connected with the corresponding on-off control branches are controlled to be communicated with the external power supply connecting end to charge/discharge.
In the embodiments 1-1 and 1-2, the controllable switch is set as the MOS transistor, so that the current direction during charging and discharging can be uniquely determined, and reverse conduction caused by abnormal working state of the battery or the line can be avoided.
Besides, the controllable switches on the on-off control branches can also adopt relay contacts, and the on-off control signals output by the on-off control signal output end of the main control unit are used for controlling the on-off of the relay coils. Reference is made to the prior art for specific implementations.
The multi-battery charge-discharge control device of the above embodiment can detect the real-time voltage of each battery by arranging the battery detection unit, and control the charge and discharge of different battery units according to the real-time detection voltage, so that: when the battery pack is discharged, when the electric quantity of one battery is exhausted, the battery pack can be automatically switched to other batteries with the most sufficient electric quantity, and when one battery is fully charged, the battery pack can be automatically switched to other batteries which are not fully charged to continue charging until all the batteries are fully charged. The charge and discharge coordination management can be carried out on a plurality of batteries connected in parallel in the battery system, the control efficiency is improved, and the control cost is reduced. Meanwhile, the MOS switch tubes are respectively used as charging and discharging switches, so that the current direction during charging and discharging can be ensured to be unique, and the safety of the battery under the abnormal condition of the system can be ensured.
Example 2
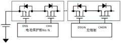
Referring to fig. 2 and 3, when the lithium battery pack is managed and controlled, a conventional control architecture generally separately sets two sets of control boards for battery protection and charge-discharge control, and corresponding on-off controllable switch circuits are also respectively set for control signal outputs of the two sets of control boards, which not only increases the configuration cost, but also makes the control logic more complex.
Based on the same inventive concept as embodiment 1, referring to fig. 4 to 7, this embodiment is a multi-battery charge and discharge control system, which includes a lithium battery pack, a battery management module (battery protection board), a charge and discharge control device, and an on-off control circuit, where the lithium battery pack includes a plurality of battery cells connected in parallel;
the charging and discharging control device comprises a main control unit (control board) and a voltage detection unit; the voltage detection unit comprises a plurality of voltage detection branches respectively connected with the battery units, and each voltage detection branch respectively detects the voltage of the output end of the connected battery unit and transmits the voltage to the voltage detection input end of the main control unit; the main control unit selects the battery unit with the maximum/minimum voltage as the current discharging/charging battery unit to be controlled according to the real-time voltage of each battery unit, and outputs a discharging/charging control signal;
the battery management module detects the running state of each battery unit and outputs a discharging/charging control signal to the battery units according to the detected signal;
the on-off control circuit comprises a plurality of on-off control branches respectively connected between each battery unit and the power supply external connection end, each on-off control branch is provided with a controllable switch, and the control input end of each controllable switch is connected with the discharge/charge control signal output end of the battery management module or the main control unit;
the discharging/charging control signal output end is not connected with the battery management module or the main control unit of the controllable switch, and the discharging/charging control signal is transmitted to the main control unit or the battery management module; the discharging/charging control signal output end is connected with a main control unit or a battery management module of the controllable switch, and outputs a discharging/charging control signal to the controllable switch according to the detected signal and the received discharging/charging control signal.
The discharging/charging control signal may be a single-path signal or a discharging control signal and a charging control signal respectively output through two independent ports.
The battery management module in the embodiment can refer to the existing battery protection board or the battery management system;
the main control unit is connected with the battery management module through a communication bus so as to transmit on-off control signals DSG (discharge control) and CHG (charge control); the main control unit can also send a management enabling signal key _ on to the battery management module, when an enabling state is triggered, the battery management module needs to synthesize a control signal of the main control unit to control the on-off of the on-off control branch, and in a non-enabling state, the battery management module can perform conventional control according to a control logic of a traditional battery protection board or a battery management system.
Similarly to embodiment 1, in this embodiment, the controllable switch in the on-off control branch is a relay contact or an MOS switch tube, when the MOS switch tube is used, two PMOS switch tubes or NMOS switch tubes with drain-source electrodes connected in reverse series are respectively disposed on each on-off control branch, and the discharging control signal and the charging control signal output by the battery management module or the main control unit respectively control on-off of one of the MOS tubes correspondingly.
The battery protection board and the battery management system are both existing products, and when the battery management system is adopted, the main control unit chip can acquire more complex battery operation information such as telecommunication temperature, voltage, current and the like from the battery management system through the communication bus, so that more complex control logic and more multilevel safety management strategies can be realized.
The multi-battery charging and discharging control system can be applied to battery pack scenes with multiple batteries connected in parallel, such as lithium battery packs, and the like, and can coordinate energy management, protection and charging and discharging control of the battery packs, simplify a control circuit and reduce the configuration cost of the control circuit.
The above description is only a preferred embodiment of the present invention, and it should be noted that, for those skilled in the art, several modifications and variations can be made without departing from the technical principle of the present invention, and these modifications and variations should also be regarded as the protection scope of the present invention.

Claims (10)

3. A multi-battery charging and discharging control device according to claim 1 or 2, wherein the control input terminal comprises a charging/discharging enable terminal, each on-off control branch is provided with two PMOS switching tubes connected in series in reverse, the drains of the two PMOS switching tubes are connected with each other, and the source is connected with the battery output terminal and the power supply external connection terminal; and the main control unit responds to the charging/discharging enabling end to receive the charging/discharging enabling signal and starts to control one of the two PMOS switching tubes on one on-off control branch to be switched on and the other to be switched off according to the detection voltage of the output end of each battery, so that the batteries connected with the corresponding on-off control branches are controlled to be communicated with the external power supply connecting end to charge/discharge.
4. The multi-battery charge-discharge control device according to claim 3, wherein, of the two PMOS tubes, the source electrode connected to the battery is a discharge switch tube, and the source electrode connected to the external terminal of the battery is a charge switch tube; the main control unit responds to the charging/discharging enable end to receive a charging enable signal, controls the conduction of a charging switch tube on an on-off control branch connected with a battery with the minimum current detection voltage, and closes a discharging switch tube; and the main control unit responds to the charging/discharging enable end to receive a discharging enable signal, controls the discharging switch tube on the on-off control branch connected with the battery with the maximum current detection voltage to be switched on, and closes the charging switch tube.
5. A multi-battery charging and discharging control device according to claim 1 or 2, wherein the control input terminal comprises a charging/discharging enable terminal, each on-off control branch is provided with two NMOS switching tubes connected in series in reverse, the sources of the two PMOS switching tubes are connected with each other, and the drains are connected with the battery output terminal and the power supply external connection terminal respectively; and the main control unit responds to the charging/discharging enabling end receiving a charging/discharging enabling signal and starts to control one of the two NMOS switching tubes on one on-off control branch to be switched on and the other to be switched off according to the detection voltage of the output end of each battery, so that the batteries connected with the corresponding on-off control branches are controlled to be communicated with the external power supply connecting end to charge/discharge.
CN201911377335.4A2019-12-272019-12-27Multi-battery charging and discharging control device and systemPendingCN110994744A (en)

Priority Applications (1)

Application NumberPriority DateFiling DateTitle
CN201911377335.4ACN110994744A (en)2019-12-272019-12-27Multi-battery charging and discharging control device and system

Applications Claiming Priority (1)

Application NumberPriority DateFiling DateTitle
CN201911377335.4ACN110994744A (en)2019-12-272019-12-27Multi-battery charging and discharging control device and system

Publications (1)

Publication NumberPublication Date
CN110994744Atrue CN110994744A (en)2020-04-10

Family

ID=70077977

Family Applications (1)

Application NumberTitlePriority DateFiling Date
CN201911377335.4APendingCN110994744A (en)2019-12-272019-12-27Multi-battery charging and discharging control device and system

Country Status (1)

CountryLink
CN (1)CN110994744A (en)

Cited By (7)

* Cited by examiner, † Cited by third party
Publication numberPriority datePublication dateAssigneeTitle
CN111525519A (en)*2020-06-082020-08-11格力博(江苏)股份有限公司 Battery pack protection circuit
CN112421744A (en)*2020-10-162021-02-26天津动芯科技有限公司Control circuit and method for parallel connection of multiple groups of battery packs
CN113872281A (en)*2021-09-242021-12-31广东邦普循环科技有限公司 A battery management system
CN115201590A (en)*2021-04-092022-10-18炫途储能科技(上海)有限公司 A low-cost aging battery management system method and device
CN117465286A (en)*2023-10-262024-01-30威海天特智能科技有限公司 Comprehensive battery charge and discharge management system and method
CN117936948A (en)*2024-03-222024-04-26深圳市沃尔德储能技术有限公司 Lithium battery pack parallel control system and method
CN118677085A (en)*2024-06-072024-09-20深圳市龙之源科技股份有限公司Power supply switching circuit of outdoor camera and outdoor camera

Citations (5)

* Cited by examiner, † Cited by third party
Publication numberPriority datePublication dateAssigneeTitle
US20080272736A1 (en)*2007-05-012008-11-06Jenn-Yang TienSmart lead acid battery (dis)charging management system
CN102130496A (en)*2011-01-282011-07-20深圳市理邦精密仪器股份有限公司Method for supply power to medical electronic device by double batteries, battery interface board and device
CN203932984U (en)*2014-05-192014-11-05深圳市誉盛创佳科技有限公司Reverse battery protection circuit and portable power source
CN107482746A (en)*2017-08-032017-12-15北京优尔良科技发展有限公司 A battery pack online management system
CN211830247U (en)*2019-12-272020-10-30浙江大学昆山创新中心Multi-battery charging and discharging control device and system

Patent Citations (5)

* Cited by examiner, † Cited by third party
Publication numberPriority datePublication dateAssigneeTitle
US20080272736A1 (en)*2007-05-012008-11-06Jenn-Yang TienSmart lead acid battery (dis)charging management system
CN102130496A (en)*2011-01-282011-07-20深圳市理邦精密仪器股份有限公司Method for supply power to medical electronic device by double batteries, battery interface board and device
CN203932984U (en)*2014-05-192014-11-05深圳市誉盛创佳科技有限公司Reverse battery protection circuit and portable power source
CN107482746A (en)*2017-08-032017-12-15北京优尔良科技发展有限公司 A battery pack online management system
CN211830247U (en)*2019-12-272020-10-30浙江大学昆山创新中心Multi-battery charging and discharging control device and system

Cited By (8)

* Cited by examiner, † Cited by third party
Publication numberPriority datePublication dateAssigneeTitle
CN111525519A (en)*2020-06-082020-08-11格力博(江苏)股份有限公司 Battery pack protection circuit
CN112421744A (en)*2020-10-162021-02-26天津动芯科技有限公司Control circuit and method for parallel connection of multiple groups of battery packs
CN115201590A (en)*2021-04-092022-10-18炫途储能科技(上海)有限公司 A low-cost aging battery management system method and device
CN113872281A (en)*2021-09-242021-12-31广东邦普循环科技有限公司 A battery management system
CN117465286A (en)*2023-10-262024-01-30威海天特智能科技有限公司 Comprehensive battery charge and discharge management system and method
CN117936948A (en)*2024-03-222024-04-26深圳市沃尔德储能技术有限公司 Lithium battery pack parallel control system and method
CN118677085A (en)*2024-06-072024-09-20深圳市龙之源科技股份有限公司Power supply switching circuit of outdoor camera and outdoor camera
CN118677085B (en)*2024-06-072025-03-07深圳市龙之源科技股份有限公司Power supply switching circuit of outdoor camera and outdoor camera

Similar Documents

PublicationPublication DateTitle
CN110994744A (en)Multi-battery charging and discharging control device and system
US10491012B2 (en)Battery system
US9837811B2 (en)Power source apparatus formed by combining a plurality of modules
US7928691B2 (en)Method and system for cell equalization with isolated charging sources
US10491013B2 (en)Battery system having battery manager
KR20240058910A (en) Serial detection system for formation and capacity grading of lithium power batteries
CN211830247U (en)Multi-battery charging and discharging control device and system
TW200950255A (en)Charge control circuit
US20090309544A1 (en)Method and system for cell equalization with switched charging sources
CN212304781U (en)Multi-path battery charging and discharging management circuit
CN111277009A (en)Battery management control system and control method
KR20210022418A (en)Battery system and operating method thereof
CN114006433A (en)Battery device
EP3907847B1 (en)Cell balancing apparatus, battery apparatus including the same, and cell balancing method
US20220393487A1 (en)Circuit Having Balanced Charging and Cell Connection Conversion Functions
WO2025152717A1 (en)Energy balancing system and energy storage system
JP2011147203A (en)Overcharge protection device of charging battery
JP2023026313A (en)Battery balance circuit and operation method thereof
US20240291293A1 (en)Battery equalization circuit, energy storage apparatus, energy storage system, and equalization control method for energy storage system
WO2025039753A1 (en)Power storage apparatus having plurality of storage battery modules connected in series, energy storage unit, and power supply system
CN210380317U (en)Combined energy storage power station
CN111293755A (en)Protection circuit for equalizing discharge of parallel battery pack and chargeable device
US12142953B2 (en)Battery charging protection and health management system
JP5251682B2 (en) Battery status monitoring device
US20240067036A1 (en)Charging station capable of realizing mutual capacity aid

Legal Events

DateCodeTitleDescription
PB01Publication
PB01Publication
SE01Entry into force of request for substantive examination
SE01Entry into force of request for substantive examination

[8]ページ先頭

©2009-2025 Movatter.jp