Movatterモバイル変換


[0]ホーム

URL:


CN110973704A - Temperature curve adjusting method and aerosol generating device - Google Patents

Temperature curve adjusting method and aerosol generating device
Download PDF

Info

Publication number
CN110973704A
CN110973704ACN201911152443.1ACN201911152443ACN110973704ACN 110973704 ACN110973704 ACN 110973704ACN 201911152443 ACN201911152443 ACN 201911152443ACN 110973704 ACN110973704 ACN 110973704A
Authority
CN
China
Prior art keywords
temperature curve
generating device
aerosol generating
aerosol
value
Prior art date
Legal status (The legal status is an assumption and is not a legal conclusion. Google has not performed a legal analysis and makes no representation as to the accuracy of the status listed.)
Pending
Application number
CN201911152443.1A
Other languages
Chinese (zh)
Inventor
张越海
赵贯云
Current Assignee (The listed assignees may be inaccurate. Google has not performed a legal analysis and makes no representation or warranty as to the accuracy of the list.)
Shenzhen Woody Vapes Technology Co Ltd
Original Assignee
Shenzhen Woody Vapes Technology Co Ltd
Priority date (The priority date is an assumption and is not a legal conclusion. Google has not performed a legal analysis and makes no representation as to the accuracy of the date listed.)
Filing date
Publication date
Application filed by Shenzhen Woody Vapes Technology Co LtdfiledCriticalShenzhen Woody Vapes Technology Co Ltd
Priority to CN201911152443.1ApriorityCriticalpatent/CN110973704A/en
Publication of CN110973704ApublicationCriticalpatent/CN110973704A/en
Pendinglegal-statusCriticalCurrent

Links

Images

Landscapes

Abstract

The embodiment of the invention discloses a temperature curve adjusting method, which is applied to an aerosol generating device and comprises the following steps: acquiring a current temperature curve value of an aerosol generating device; acquiring a target temperature curve value contained in a temperature curve control command; and adjusting and controlling the current temperature curve value of the aerosol generating device by adopting a preset control mode so as to adjust the current temperature curve value to the target temperature curve value. The temperature curve adjusting method not only ensures the accuracy of the temperature curve control of the aerosol generating device, but also realizes the adjustment control of the temperature curve of the aerosol generating device, completely realizes the DIY mode of the temperature curve control of the aerosol generating device by a user, overcomes the limitation of the traditional aerosol generating device on the whole machine adjusting mode of the temperature curve, and meets the experience feeling of different users on the aerosol suction generated by the aerosol generating device under the temperature curve adjusting method.

Description

Temperature curve adjusting method and aerosol generating device
Technical Field
The invention relates to the technical field of aerosol generating devices, in particular to a temperature curve adjusting method and an aerosol generating device.
Background
The flue gas of the aerosol generating device is a typical aerosol, the knowledge of the novel aerosol generating device can be further deepened by researching a temperature curve adjusting method of the aerosol generating device, and reference is provided for the development of the aerosol generating device. However, the current temperature curve adjusting method for an aerosol generating device of a non-combustible aerosol generating device is to heat the aerosol generating device according to a preset temperature curve only by a single heating mode and a fixed heating curve, which is difficult to meet the temperature curve requirements of aerosol generating devices of different aerosol generating devices in the market, affects the taste of the aerosol generated by the aerosol generating device, and has different temperature curves of external natural environments, the requirements on the temperature curve of the smoking set for heating the cigarettes are different, the taste of the aerosol can be influenced by adjusting the temperature curve of the aerosol generating device by adopting a single heating mode and a fixed heating curve, the temperature curve control scheme of the aerosol generating device is difficult to meet the requirements of different consumers on the aerosol suction taste, the applicability is reduced, and the popularization of the aerosol generating device is not facilitated.
Disclosure of Invention
In view of the above, it is necessary to provide a temperature profile adjusting method and an aerosol generating apparatus.
A method of temperature profile adjustment, the method being applied to an aerosol generating device, comprising:
obtaining a current temperature curve value of the aerosol generating device;
when the aerosol generating device receives a temperature curve control instruction of temperature control software, acquiring a target temperature curve value contained in the temperature curve control instruction;
and if the current temperature curve value is inconsistent with the target temperature curve value, adjusting and controlling the current temperature curve value of the aerosol generating device by adopting a preset control mode so as to adjust the current temperature curve value to the target temperature curve value.
An aerosol generating device, the device comprising:
at least one heating element for heating the heated aerosol-forming base material;
an aerosol-forming base material for heating by the heating element to produce an aerosol;
a power supply for supplying power to the heating element;
and the temperature control software implementation circuit is used for controlling the heating element to carry out heating control according to the received temperature curve control instruction of the temperature control software.
The temperature curve adjusting method and the aerosol generating device comprise the following steps: obtaining a current temperature curve value of the aerosol generating device; when the aerosol generating device receives a temperature curve control instruction of temperature control software, acquiring a target temperature curve value contained in the temperature curve control instruction; and if the current temperature curve value is inconsistent with the target temperature curve value, adjusting and controlling the current temperature curve value of the aerosol generating device by adopting a preset control mode so as to adjust the current temperature curve value to the target temperature curve value. The temperature curve adjusting method not only ensures the accuracy of the temperature curve control of the aerosol generating device, but also realizes the adjustment control of the temperature curve of the aerosol generating device, completely realizes the DIY mode of the user for the temperature curve control of the aerosol generating device, overcomes the limitation of the whole machine adjusting mode of the traditional aerosol generating device to the temperature curve, meets the experience feeling of different users for the aerosol suction generated by the aerosol generating device under the temperature curve adjusting method, improves the applicability of the aerosol generating device, and accelerates the popularization of the aerosol generating device.
Drawings
In order to more clearly illustrate the embodiments of the present invention or the technical solutions in the prior art, the drawings used in the description of the embodiments or the prior art will be briefly described below, it is obvious that the drawings in the following description are only some embodiments of the present invention, and for those skilled in the art, other drawings can be obtained according to the drawings without creative efforts.
Wherein:
FIG. 1 is a flow chart of a temperature profile adjustment method in one embodiment;
FIG. 2 is a flow chart of a temperature profile adjustment method in another embodiment;
FIG. 3 is a flow chart of a method for adjusting a temperature profile using a first adjustment mode according to an embodiment;
FIG. 4 is a flow chart of a method for adjusting a temperature profile using a first adjustment mode according to an embodiment;
FIG. 5 is a flow chart of a method of curve fitting of a temperature regulation curve in one embodiment;
FIG. 6 is a schematic diagram of a first temperature profile in one embodiment;
FIG. 7 is a second temperature profile in accordance with an example embodiment;
FIG. 8 is a flow chart of a temperature profile adjustment method in yet another embodiment;
FIG. 9 is a schematic view of an aerosol generating device according to one embodiment;
FIG. 10 is a circuit implemented by temperature control software according to an embodiment.
Detailed Description
The technical solutions in the embodiments of the present invention will be clearly and completely described below with reference to the drawings in the embodiments of the present invention, and it is obvious that the described embodiments are only a part of the embodiments of the present invention, and not all of the embodiments. All other embodiments, which can be derived by a person skilled in the art from the embodiments given herein without making any creative effort, shall fall within the protection scope of the present invention.
As shown in fig. 1, in one embodiment, a temperature profile adjustment method is provided, which can be applied to a terminal, and the embodiment is exemplified as being applied to a terminal. The method specifically comprises the following steps:
step 102, obtaining a current temperature curve value of the aerosol generating device.
The current temperature curve value refers to a temperature curve value of the aerosol generating device heated to a time point corresponding to the temperature curve control instruction received by the temperature control software on the terminal of the aerosol generating device. In particular, a current temperature profile value of the aerosol-generating device may be determined from the output power to the heat-generating element of the aerosol-generating device. It will be appreciated that obtaining a current temperature profile value for an aerosol generating device may provide a reference for control of the aerosol generating device, such that subsequent determination of the direction and magnitude of control of the temperature profile of the aerosol generating device based on the current temperature profile value may improve the accuracy of the temperature profile control of the aerosol generating device.
And 104, when the aerosol generating device receives a temperature curve control instruction of the temperature control software, acquiring a target temperature curve value contained in the temperature curve control instruction.
The temperature curve control instruction is an instruction received by the aerosol generation device and used for controlling a temperature curve of a heating element contained in an aerosol generation device terminal provided with temperature control software, the instruction is used for instructing and adjusting power supply output in the aerosol generation device terminal so as to achieve the purpose of controlling the temperature curve of the heating element, and the temperature curve control instruction contains a temperature curve value, namely a target temperature curve value, for controlling the temperature curve or the direction and amplitude of temperature curve adjustment, and can be specifically set according to a specific application scene. Alternatively, after the input operation is detected, a temperature curve control instruction corresponding to the detected input operation is determined through an input corresponding temperature curve control instruction of a PC end in communication connection with the aerosol generation device or a page element (such as a button or a text box) installed on an APP of the aerosol generation device terminal, and a target temperature curve value included in the temperature curve control instruction is acquired, so that the controller in the aerosol generation device terminal controls the temperature curve of the aerosol generation device according to the target temperature curve value.
It should be noted that, in the whole process of adjusting the temperature curve by the aerosol generating device, the aerosol generating device may perform temperature curve adjustment control at any time according to the characteristics of the generated aerosol, and therefore,step 104 may be performed multiple times, that is, the aerosol generating device receives different temperature curve control commands at different time points, and corresponds to different target temperature curve values.
And 106, if the current temperature curve value is inconsistent with the target temperature curve value, adjusting and controlling the current temperature curve value of the aerosol generating device by adopting a preset control mode so as to adjust the current temperature curve value to the target temperature curve value.
The preset control mode refers to a preset temperature curve adjusting mode, such as a mode of automatically heating to a target temperature curve value or an adjusting mode of adopting constant temperature heating. Specifically, if the current temperature curve value is inconsistent with the target temperature curve value, the controller adjusts and controls the current temperature curve value of the aerosol generating device in a preset control mode, so that the current temperature curve value is adjusted to the target temperature curve value, the accuracy of controlling the temperature curve of the aerosol generating device is guaranteed, and the adjustment and control of the temperature curve of the aerosol generating device are realized. The target temperature curve value is the temperature curve value corresponding to the ideal taste of the aerosol generated by the aerosol generating device required by the user, and the current temperature curve value is adjusted to the target temperature curve value, so that the requirement of the user on the temperature curve control of the aerosol generating device is met, and the user experience is improved.
Furthermore, the current temperature curve value of the aerosol generating device is adjusted and controlled by adopting a preset control mode, so that the current temperature curve value is adjusted to the target temperature curve value, a DIY mode of a user for controlling the temperature curve of the aerosol generating device is completely realized, the limitation of the traditional aerosol generating device to the whole machine adjusting mode of the temperature curve is overcome, the experience of different users on the aerosol suction generated by the aerosol generating device under the temperature curve adjusting method is met, the applicability of the aerosol generating device is improved, and the popularization of the aerosol generating device is accelerated.
In the temperature curve adjusting method, the current temperature curve value of the aerosol generating device is obtained; when the aerosol generating device receives a temperature curve control instruction of temperature control software, acquiring a target temperature curve value contained in the temperature curve control instruction; and if the current temperature curve value is inconsistent with the target temperature curve value, adjusting and controlling the current temperature curve value of the aerosol generating device by adopting a preset control mode so as to adjust the current temperature curve value to the target temperature curve value. The temperature curve adjusting method not only ensures the accuracy of the temperature curve control of the aerosol generating device, but also realizes the adjustment control of the temperature curve of the aerosol generating device, completely realizes the DIY mode of the user for the temperature curve control of the aerosol generating device, overcomes the limitation of the traditional aerosol generating device to the whole machine adjusting mode of the temperature curve, meets the experience feeling of different users on the aerosol suction generated by the aerosol generating device under the temperature curve adjusting method, improves the applicability of the aerosol generating device, and accelerates the popularization of the aerosol generating device.
In one embodiment, the temperature control software is installed on the terminal and the temperature control software is communicatively connected to the aerosol generating device.
Specifically, the temperature control software is installed on a terminal, which may be a PC terminal or a mobile terminal, wherein the mobile terminal includes but is not limited to a smartphone, a tablet computer, and a portable wearable device. The temperature control software is in communication connection with the aerosol generating device, the communication connection mode can be a wired communication mode or a wireless communication mode, the wired communication mode includes but is not limited to one of data line connection or bus connection, and the wireless communication mode includes but is not limited to one of WIFI connection, Bluetooth connection or ZigBee connection.
As shown in fig. 2, in one embodiment, the preset control manner includes a first adjustment manner and a second adjustment manner.
The first adjusting mode and the second adjusting mode are two temperature curve control adjusting modes which are determined according to time division and aerosol characteristics generated by the aerosol generating device at different time nodes in the whole process of adjusting the temperature curve by the aerosol generating device. It can be understood that different users have different requirements on the taste of the aerosol generated by the aerosol generating device, and the requirement on the temperature curve control is not only at a certain time point, but also at multiple use time points, for example, if the whole use time of the aerosol generated by a certain aerosol generating device is 5 minutes, the user may need to control the temperature curve of the aerosol generating device in the first minute, the second minute, the third minute and the fifth minute to make the aerosol generated by the aerosol generating device meet the personal smoking taste, if the temperature curve control is implemented by only adopting a single adjusting mode, it is difficult to ensure the accuracy and speed of the temperature curve control adjustment, and the control efficiency is affected. Therefore, in this embodiment, two adjustment modes, namely, a first adjustment mode and a second adjustment mode, are respectively adopted to control the temperature curve of the aerosol generating device, and different adjustment modes are adopted for different time nodes, so that the adjustment process can be accelerated, and the adjustment precision is improved.
Adjusting and controlling the current temperature curve value of the aerosol generating device to adjust the current temperature curve value to the target temperature curve value, and the method comprises the following steps:
and 106A, judging whether the current stage of the aerosol generating device is a preheating stage or an aerosol generating stage according to the current temperature curve value and the current working time length, wherein the current working time length is the time length from the beginning of heating to the current time point of the aerosol generating device.
The preheating stage refers to an initial heating stage of a heating element of the aerosol generating device, that is, a stage in which the aerosol is not generated, and the current working time length refers to a time length from the beginning of heating to the current time point of the aerosol generating device. The current time point refers to a time point corresponding to the temperature curve control instruction received by the controller in the terminal of the aerosol generating device. It can be understood that, in general, the current temperature curve value of the aerosol generating device in the preheating stage is smaller than the current temperature curve value of the aerosol generating stage, however, the determination of the current stage of the aerosol generating device is determined based on the operating time of the aerosol generating device, and it is worth mentioning that, in the adjustment process of the temperature curve of the aerosol generating device, there is also a situation that the current temperature curve value is adjusted to be larger than the current temperature curve value threshold value of the preheating stage when the last adjustment of the current time point is performed, which affects the determination of the current stage, in order to accurately determine the current stage of the aerosol generating device, in this embodiment, the determination is performed according to the current temperature curve value and the current operating time at the same time, that is, when the current temperature curve value meets the preset preheating temperature curve value threshold value, and the current operating time meets the preset preheating operating time threshold value, the current stage of the aerosol generating device is determined to be a pre-heating stage, otherwise it is a producible aerosol stage. The accuracy of judging the current stage of the aerosol generating device is improved by judging the current temperature curve value and the current working time.
And 106B, if the temperature is in the preheating stage, adjusting and controlling the current temperature curve value of the aerosol generating device by adopting a first adjusting mode so as to adjust the current temperature curve value to the target temperature curve value.
Specifically, when the current stage of the aerosol generating device is the preheating stage, the current temperature curve value of the aerosol generating device is adjusted and controlled by adopting a first adjusting mode, so that the current temperature curve value is adjusted to the target temperature curve value, the flexibility of the adjusting mode is ensured by adopting the first adjusting mode for the current temperature curve value of the aerosol generating device in the preheating stage, the limitation of a single adjusting mode is overcome, and the efficiency of adjusting and controlling the temperature curve is improved.
And 106C, if the stage is the stage capable of generating the aerosol, adjusting and controlling the current temperature curve value of the aerosol generating device by adopting a second adjusting mode so as to adjust the current temperature curve value to the target temperature curve value.
Specifically, when the current stage of the aerosol generating device is the stage capable of generating the aerosol, the current temperature curve value of the aerosol generating device is adjusted and controlled by adopting the second adjusting mode, so that the current temperature curve value is adjusted to the target temperature curve value, the flexibility of the adjusting mode is ensured by adopting the second adjusting mode for the current temperature curve value of the aerosol generating device in the stage capable of generating the aerosol, the limitation of a single adjusting mode is overcome, and the efficiency of adjusting and controlling the temperature curve is improved.
In the above embodiment, whether the current stage of the aerosol generating device is the preheating stage or the aerosol generating stage is judged according to the current temperature curve value and the current working time, so that the accuracy of judging the current stage of the aerosol generating device is improved; if the temperature is in the preheating stage, adjusting and controlling the current temperature curve value of the aerosol generating device by adopting a first adjusting mode so as to adjust the current temperature curve value to the target temperature curve value; if the current temperature curve value of the aerosol generating device is in the aerosol generating stage, the current temperature curve value of the aerosol generating device is adjusted and controlled by adopting a second adjusting mode so that the current temperature curve value is adjusted to the target temperature curve value, the temperature curve of the aerosol generating device is adjusted and controlled by respectively adopting two adjusting modes, namely a first adjusting mode and a second adjusting mode, different adjusting modes are adopted according to different time nodes, the adjusting process can be accelerated, and the adjusting precision is improved.
As shown in fig. 3, in an embodiment, the adjusting and controlling the current temperature curve value of the aerosol generating device by using the first adjusting manner further includes:
and step 106B1, acquiring the degree coefficient of the aerosol generated by the aerosol generating device corresponding to the current temperature curve value.
The degree coefficient of the generated aerosol refers to index data for measuring temperature curve adjustment of the aerosol generating device in the stage of generating the aerosol, namely a coefficient of smoke outlet speed of the aerosol generating device in the preheating stage, is related to the current temperature curve value, can be obtained through a mapping relation table of the degree coefficient of the generated aerosol and the current temperature curve value, and can also be obtained through calculation according to a preset calculation formula of the degree coefficient of the generated aerosol and the current temperature curve value.
At step 106B2, the current temperature profile value is adjusted based on the generated aerosol level factor.
It can be understood that, in the process of adjusting the temperature curve of the aerosol generating device, the target temperature curve value is obtained according to the control instruction, that is, the temperature curve value set subjectively by the user, because there is a certain deviation in the relationship between the taste of the aerosol generated by the aerosol generating device and the temperature curve change by the user, if the control is performed only according to the target temperature curve value, it is also difficult to ensure the experience of the user in the aerosol suction, therefore, in this embodiment, the current temperature curve value is adjusted and controlled based on the degree coefficient of the generated aerosol, the adjustment range of the temperature curve adjusting process is corrected, the accuracy of the adjustment and control is ensured, and the experience of the user is improved.
In the above embodiment, the degree coefficient of the aerosol generated by the aerosol generating device corresponding to the current temperature curve value is obtained; the current temperature curve value is adjusted and controlled based on the degree coefficient of the generated aerosol, the adjustment amplitude of the temperature curve adjustment process is corrected, the accuracy of adjustment and control is guaranteed, and the experience of a user is improved.
As shown in fig. 4, in an embodiment, the adjusting and controlling the current temperature curve value of the aerosol generating device by using the second adjusting manner further includes:
and 106C1, acquiring an aerosol coefficient generated by the aerosol coefficient of the aerosol generating device corresponding to the current temperature curve value and a carbonization coefficient of the aerosol forming base material.
The carbonization coefficient of the aerosol-forming base material can be obtained by the mapping relation table of the carbonization coefficient of the aerosol-forming base material and the current temperature curve value, or can be obtained by the calculation according to the preset calculation formula of the carbonization coefficient of the aerosol-forming base material and the current temperature curve value.
And 106C2, performing adjustment control on the current temperature curve value based on the aerosol coefficient and the carbonization coefficient of the aerosol forming base material.
Specifically, the current temperature curve value is adjusted and controlled based on the carbonization coefficient of the aerosol coefficient and the base material formed by the aerosol, so that the deviation caused by the subjectivity of adjustment based on the target temperature curve value is overcome, the adjustment objectivity and accuracy are guaranteed, the adjustment amplitude of the temperature curve adjustment process is corrected, the adjustment and control accuracy is guaranteed, and the user experience is improved.
In the above embodiment, the aerosol coefficient generated by the aerosol coefficient of the aerosol generating device corresponding to the current temperature curve value and the carbonization coefficient of the aerosol forming base material are obtained; the current temperature curve value is adjusted and controlled based on the carbonization coefficient of the base material formed by the aerosol coefficient and the aerosol, the deviation caused by subjectivity only based on target temperature curve value adjustment is overcome, the adjustment objectivity and accuracy are guaranteed, the adjustment amplitude of the temperature curve adjustment process is corrected, the adjustment control accuracy is guaranteed, and the user experience is improved.
In one embodiment, after the current temperature curve value of the aerosol generating device is adjusted to the target temperature curve value by adjusting the current temperature curve value in a preset control mode, the method further comprises:
and obtaining target temperature curve values corresponding to different working durations received by the aerosol generating device, and performing curve fitting on the target temperature curve values corresponding to the different working durations to obtain a temperature regulating curve of the aerosol generating device.
The curve fitting (curve fitting) refers to selecting a proper curve type to fit observation data, analyzing the relation between two variables by using a fitted curve equation, and fitting the curve into a temperature regulation curve of the aerosol generating device according to the relation between the two variables, namely the working time of the aerosol generating device and a target temperature curve value. The curve fitting is carried out on the target temperature curve values corresponding to different working hours, so that the current temperature curve values corresponding to different working hours of the aerosol generating device are the target temperature curve values, the taste of the aerosol generated by the aerosol generating device is guaranteed, and reference can be provided for the control of the temperature curve of the follow-up aerosol generating device.
As shown in fig. 5, in an embodiment, obtaining target temperature curve values corresponding to different operating durations received by an aerosol generating device, and performing curve fitting on the target temperature curve values corresponding to the different operating durations to obtain a temperature adjustment curve of the aerosol generating device includes:
and 108A, performing curve fitting on the target temperature curve value corresponding to the preheating stage to obtain a first temperature curve.
The first temperature curve is a curve corresponding to the working time of the preheating stage and the target temperature curve value. Taking a northern winter scenario as an example, a first temperature curve is shown in FIG. 6, where the horizontal axis represents operating time in seconds (S) and the vertical axis represents target temperature curve values in degrees (deg.C). It can be understood that the preheating stage and the aerosol-generating stage have different temperature curve adjustment control modes, so that the curves of the two current stages have a certain difference, and therefore, in the curve fitting process, the target temperature curve values corresponding to different working durations of different stages are respectively subjected to curve fitting, so that the accuracy of the temperature curve of each current stage is ensured. And curve fitting is carried out on the target temperature curve value corresponding to the preheating stage, so that the accuracy of the first temperature curve is ensured.
And 108B, performing curve fitting on the target temperature curve value corresponding to the stage capable of generating the aerosol to obtain a second temperature curve.
The second temperature curve refers to a curve corresponding to the target temperature curve value and the working time of the aerosol-generating stage. Taking a northern winter scenario as an example, the second temperature curve is shown in FIG. 7, where the horizontal axis represents the operating time in seconds (S) and the vertical axis represents the target temperature curve value in degrees Celsius (C.). And curve fitting is carried out on the target temperature curve value corresponding to the stage capable of generating the aerosol, so that the accuracy of the second temperature curve is ensured.
And 108C, connecting the first temperature curve and the second temperature curve to obtain the temperature adjusting curve.
Specifically, the first temperature curve and the second temperature curve are connected according to the corresponding working time to obtain a temperature adjustment curve. It can be known fromstep 108A and step 108B that both the first temperature curve and the second temperature curve have accuracy, so that the first temperature curve and the second temperature curve are connected, and the accuracy of the temperature adjustment curve is ensured.
In the above embodiment, curve fitting is performed on the target temperature curve value corresponding to the preheating stage to obtain a first temperature curve; performing curve fitting on the target temperature curve value corresponding to the stage capable of generating the aerosol to obtain a second temperature curve; and connecting the first temperature curve and the second temperature curve to obtain the temperature regulation curve, so that the accuracy of the temperature regulation curve is ensured.
As shown in fig. 8, in an embodiment, after obtaining the temperature adjustment curve of the aerosol generating device, the method further includes:
and step 110, when the temperature curve control instruction of the aerosol generating device is received, acquiring the working time corresponding to the received temperature curve control instruction of the aerosol generating device.
Specifically, when the controller receives a temperature curve control instruction of the aerosol generating device, the controller obtains a working time corresponding to the received temperature curve control instruction of the aerosol generating device, so as to determine a target temperature curve value to be adjusted and controlled according to the working time.
And 112, controlling the temperature curve of the aerosol generating device by adopting the temperature adjusting curve based on the working time.
Specifically, the temperature adjustment curve reflects the corresponding relationship between the target temperature curve value and the operating time length, so that after the operating time length is determined, the target temperature curve value can be determined, and the temperature curve control and adjustment of the aerosol generating device can be realized according to the target temperature curve value. The aerosol generating device temperature curve control method has the advantages that the temperature curve of the aerosol generating device is controlled through the temperature adjusting curve, the step of obtaining the target temperature curve value contained in the temperature curve control instruction is omitted, the temperature curve control process is accelerated, and in addition, due to the accuracy of the target temperature curve value, the efficiency of controlling and adjusting the temperature curve of the aerosol generating device is further improved, and the experience of a user on the suction of the aerosol generated by the aerosol generating device is favorably improved.
In the above embodiment, when the temperature curve control instruction of the aerosol generating device is received, the working time corresponding to the received temperature curve control instruction of the aerosol generating device is obtained; the temperature curve of the aerosol generating device is controlled by the temperature adjusting curve based on the working duration, so that the efficiency of controlling and adjusting the temperature curve of the aerosol generating device is further improved, and the experience of a user on the suction of the aerosol generated by the aerosol generating device is promoted.
As shown in fig. 9, in one embodiment, there is provided an aerosol generating device comprising:
at least oneheating element 10 for heating the heated aerosol-forming base material.
Wherein theheating element 10 may be a resistive heating element, the number ofheating elements 10 being one or more for heating the heated aerosol-forming base material, at least partly in contact with the carrier of the aerosol-forming base material. Alternatively, heat from the internal or external heating element may be conducted to the aerosol-forming base material by the heat-conducting element.
An aerosol-formingbase material 20 for heating by a heating element to produce an aerosol.
Where the aerosol-formingbase material 20 may be part of an aerosol-generator, for example part of a smoking article such as a tobacco rod, the aerosol-formingbase material 20 is energized by a heating element at a predetermined power to generate an aerosol.
Apower supply 30 for supplying power to the heating element.
Wherein thepower supply 30 is adapted to supply power to the heating element such that the heating element transfers heat to the aerosol-formingbase material 20, thereby heating the aerosol-forming base material.
And the temperature controlsoftware implementation circuit 40 is used for controlling the heating element to perform heating control according to the received temperature curve control instruction of the temperature control software.
Wherein the temperature controlsoftware implementing circuit 40 is used for controlling the heating element to perform heating control according to the received temperature curve control instruction of the temperature control software, the temperature controlsoftware implementing circuit 40 can be arranged to provide power to the heating element in the form of current pulse, then the power provided to the heating element can be adjusted by adjusting the duty ratio of the current, and after the current temperature curve value is measured by the micro-control unit in the temperature controlsoftware implementing circuit 40, the current temperature curve value is compared with the target temperature curve value in the temperature curve control instruction of the temperature control software at the moment, and the heating power of the heating element is controlled based on the comparison result. Further, the heating control process can be controlled and adjusted in stages according to the heating state and the working time point of the heating element.
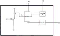
As shown in fig. 10, in one embodiment, the temperature controlsoftware implementation circuit 40 includes amicro control unit 41, a TTL toUSB module 42 and abluetooth module 43;
themicro-control unit 41 is used for controlling the heating element to preheat and heat the aerosol forming base material according to a target temperature curve value of the stored temperature control software so as to heat the aerosol forming base material to generate aerosol;
and the TTL-to-USB module 42 is connected with the micro control unit and is used for realizing the wired communication connection between the temperature control software and the heating element.
And theBluetooth module 43 is connected with the micro control unit and used for realizing wireless communication connection between the temperature control software and the heating element.
In this embodiment, the temperature controlsoftware implementation circuit 40 includes amicro control unit 41, a TTL toUSB module 42 and abluetooth module 43, both the TTL toUSB module 42 and thebluetooth module 43 are connected to themicro control unit 41, and themicro control unit 41 controls the heating element to preheat and heat the aerosol-forming base material according to the stored target temperature curve value of the temperature control software, so that the aerosol-forming base material (including but not limited to tobacco) is heated to generate aerosol.
In one embodiment, the preset control mode comprises a first adjusting mode and a second adjusting mode; the adjusting and controlling the current temperature curve value of the aerosol generating device by adopting a preset control mode so as to adjust the current temperature curve value to the target temperature curve value comprises the following steps: judging whether the current stage of the aerosol generating device is a preheating stage or an aerosol generating stage according to the current temperature curve value and the current working time length, wherein the current working time length is the time length from the beginning of heating to the current time point of the aerosol generating device; if the current temperature curve value is the preheating stage, adjusting and controlling the current temperature curve value of the aerosol generating device by adopting the first adjusting mode so as to adjust the current temperature curve value to the target temperature curve value; and if the current temperature curve value is the stage capable of generating the aerosol, adjusting and controlling the current temperature curve value of the aerosol generating device by adopting the second adjusting mode so as to adjust the current temperature curve value to the target temperature curve value.
In one embodiment, the adjusting and controlling the current temperature curve value of the aerosol generating device by the first adjusting mode comprises: acquiring a degree coefficient of the aerosol generated by the aerosol generating device corresponding to the current temperature curve value; and adjusting and controlling the current temperature curve value based on the degree coefficient of the aerosol.
In one embodiment, the adjusting and controlling the current temperature curve value of the aerosol generating device by the second adjusting mode comprises: acquiring the coefficient of aerosol generated by the aerosol coefficient of the aerosol generating device corresponding to the current temperature curve value and the carbonization coefficient of an aerosol forming base material; the current temperature profile value is regulated and controlled based on the aerosol coefficient and a carbonization coefficient of the aerosol-forming base material.
In one embodiment, after the adjusting and controlling the current temperature curve value of the aerosol generating device by using the preset control manner to adjust the current temperature curve value to the target temperature curve value, the method further includes: and acquiring the target temperature curve values corresponding to different working durations received by the aerosol generating device, and performing curve fitting on the target temperature curve values corresponding to the different working durations to obtain a temperature regulating curve of the aerosol generating device.
In one embodiment, the obtaining target temperature curve values corresponding to different operating durations received by the aerosol generating device, and performing curve fitting on the target temperature curve values corresponding to the different operating durations to obtain a temperature adjustment curve of the aerosol generating device includes: performing curve fitting on the target temperature curve value corresponding to the preheating stage to obtain a first temperature curve; performing curve fitting on the target temperature curve value corresponding to the stage capable of generating the aerosol to obtain a second temperature curve; and connecting the first temperature curve and the second temperature curve to obtain the temperature adjusting curve.
In one embodiment, after the obtaining the temperature adjustment curve of the aerosol-generating device, the method further includes: when a temperature curve control instruction of the aerosol generating device is received, acquiring the working time corresponding to the received temperature curve control instruction of the aerosol generating device; and controlling the temperature curve of the aerosol generating device by adopting the temperature adjusting curve based on the working duration.
The technical features of the above embodiments can be arbitrarily combined, and for the sake of brevity, all possible combinations of the technical features in the above embodiments are not described, but should be considered as the scope of the present specification as long as there is no contradiction between the combinations of the technical features.
The above-mentioned embodiments only express several embodiments of the present application, and the description thereof is more specific and detailed, but not construed as limiting the scope of the present application. It should be noted that, for a person skilled in the art, several variations and modifications can be made without departing from the concept of the present application, which falls within the scope of protection of the present application. Therefore, the protection scope of the present patent shall be subject to the appended claims.

Claims (10)

CN201911152443.1A2019-11-222019-11-22Temperature curve adjusting method and aerosol generating devicePendingCN110973704A (en)

Priority Applications (1)

Application NumberPriority DateFiling DateTitle
CN201911152443.1ACN110973704A (en)2019-11-222019-11-22Temperature curve adjusting method and aerosol generating device

Applications Claiming Priority (1)

Application NumberPriority DateFiling DateTitle
CN201911152443.1ACN110973704A (en)2019-11-222019-11-22Temperature curve adjusting method and aerosol generating device

Publications (1)

Publication NumberPublication Date
CN110973704Atrue CN110973704A (en)2020-04-10

Family

ID=70085725

Family Applications (1)

Application NumberTitlePriority DateFiling Date
CN201911152443.1APendingCN110973704A (en)2019-11-222019-11-22Temperature curve adjusting method and aerosol generating device

Country Status (1)

CountryLink
CN (1)CN110973704A (en)

Cited By (5)

* Cited by examiner, † Cited by third party
Publication numberPriority datePublication dateAssigneeTitle
WO2022095900A1 (en)*2020-11-042022-05-12深圳市合元科技有限公司Aerosol generating device and control method thereof
CN115281394A (en)*2022-07-292022-11-04深圳市基克纳科技有限公司Temperature field generation method, system, computer device and storage medium
CN115697102A (en)*2021-04-302023-02-03韩国烟草人参公社 Aerosol-generating device providing a customized smoking experience and aerosol-generating article suitable for use in the device
CN115736390A (en)*2022-12-262023-03-07湖北中烟工业有限责任公司Heating temperature control method, controller and control equipment
WO2024230562A1 (en)*2023-05-052024-11-14深圳市合元科技有限公司Control method of aerosol generating device and aerosol generating device

Citations (5)

* Cited by examiner, † Cited by third party
Publication numberPriority datePublication dateAssigneeTitle
US20160157524A1 (en)*2014-12-052016-06-09Adam BowenCalibrated dose control
US20170019951A1 (en)*2014-02-212017-01-19Jt International S.A.Electronic cigarette
CN106418702A (en)*2016-09-062017-02-22深圳市合元科技有限公司Electronic cigarette and method and device for temperature control of same
CN108652089A (en)*2018-08-072018-10-16深圳市合元科技有限公司A kind of electronic cigarette control method and electronic smoking set
CN108851233A (en)*2018-04-042018-11-23赫斯提亚深圳生物科技有限公司A kind of apparatus for aerosol creation and its control method

Patent Citations (5)

* Cited by examiner, † Cited by third party
Publication numberPriority datePublication dateAssigneeTitle
US20170019951A1 (en)*2014-02-212017-01-19Jt International S.A.Electronic cigarette
US20160157524A1 (en)*2014-12-052016-06-09Adam BowenCalibrated dose control
CN106418702A (en)*2016-09-062017-02-22深圳市合元科技有限公司Electronic cigarette and method and device for temperature control of same
CN108851233A (en)*2018-04-042018-11-23赫斯提亚深圳生物科技有限公司A kind of apparatus for aerosol creation and its control method
CN108652089A (en)*2018-08-072018-10-16深圳市合元科技有限公司A kind of electronic cigarette control method and electronic smoking set

Cited By (5)

* Cited by examiner, † Cited by third party
Publication numberPriority datePublication dateAssigneeTitle
WO2022095900A1 (en)*2020-11-042022-05-12深圳市合元科技有限公司Aerosol generating device and control method thereof
CN115697102A (en)*2021-04-302023-02-03韩国烟草人参公社 Aerosol-generating device providing a customized smoking experience and aerosol-generating article suitable for use in the device
CN115281394A (en)*2022-07-292022-11-04深圳市基克纳科技有限公司Temperature field generation method, system, computer device and storage medium
CN115736390A (en)*2022-12-262023-03-07湖北中烟工业有限责任公司Heating temperature control method, controller and control equipment
WO2024230562A1 (en)*2023-05-052024-11-14深圳市合元科技有限公司Control method of aerosol generating device and aerosol generating device

Similar Documents

PublicationPublication DateTitle
CN110973704A (en)Temperature curve adjusting method and aerosol generating device
CN106418702A (en)Electronic cigarette and method and device for temperature control of same
CN110558617B (en)Electronic atomization device, heating control method, device and storage medium
CN108873976B (en)Temperature control system of electronic cigarette
EP4483733A3 (en)Method for controlling temperature of heater included in aerosol generation device according to type of cigarette, and aerosol generation device for controlling temperature of heater according to type of cigarette
EP3195739A1 (en)Smart control method and control system for an electronic cigarette, and electronic cigarette
CN206776746U (en)Atomising device and its electronic cigarette
CN108835718B (en) An electronic cigarette power control method and electronic cigarette
CN110477460B (en)Electronic cigarette taste personalized setting method, device, equipment and storage medium
EP4570098A3 (en)Aerosol generating device and method for controlling same
US20170347707A1 (en)Electronic cigarette and method for controlling smoke amount of electronic cigarette
CN108652089A (en)A kind of electronic cigarette control method and electronic smoking set
EP3287022B1 (en)Control method and aerosol generating device using same
CN109907374B (en)Segmented heating type temperature control system and electronic cigarette
CN105901773A (en)Electronic cigarette and smoking method thereof
CN110487848A (en)Atomizing component oil-containing quantity measuring method, device and electronic atomization device
CN111165914A (en)Heating method and device for atomizer, computer equipment and storage medium
WO2017031681A1 (en)Electronic cigarette and control method therefor
CN110731545A (en)Atomization assembly heating control method and device, electronic atomization device and storage medium
CN105611657B (en)Method and apparatus, electric oven based on temperature change intelligent compensation heating time
WO2019061906A1 (en)Control method for adjusting electronic cigarette suction mode, and interconnected smart control terminal and cigarette case
CN105022560A (en) Method, system and device for setting operating parameters of electrical appliances
CN110025052B (en)Voltage control method and device of atomizer and electronic cigarette
CN110856556A (en) Control circuit, electronic cigarette, and control method of electronic cigarette
CN108991601A (en)Atomising device and its electronic cigarette

Legal Events

DateCodeTitleDescription
PB01Publication
PB01Publication
SE01Entry into force of request for substantive examination
SE01Entry into force of request for substantive examination
RJ01Rejection of invention patent application after publication
RJ01Rejection of invention patent application after publication

Application publication date:20200410


[8]ページ先頭

©2009-2025 Movatter.jp