Movatterモバイル変換


[0]ホーム

URL:


CN110917858A - Flue gas purification device for laser printing - Google Patents

Flue gas purification device for laser printing
Download PDF

Info

Publication number
CN110917858A
CN110917858ACN201911282844.9ACN201911282844ACN110917858ACN 110917858 ACN110917858 ACN 110917858ACN 201911282844 ACN201911282844 ACN 201911282844ACN 110917858 ACN110917858 ACN 110917858A
Authority
CN
China
Prior art keywords
communicated
flue gas
liquid
pipe
box
Prior art date
Legal status (The legal status is an assumption and is not a legal conclusion. Google has not performed a legal analysis and makes no representation as to the accuracy of the status listed.)
Pending
Application number
CN201911282844.9A
Other languages
Chinese (zh)
Inventor
樊子均
黄华锋
江姣龙
廖彬
Current Assignee (The listed assignees may be inaccurate. Google has not performed a legal analysis and makes no representation or warranty as to the accuracy of the list.)
Anhui Zhuo Three Dimensional Technology Co Ltd
Original Assignee
Anhui Zhuo Three Dimensional Technology Co Ltd
Priority date (The priority date is an assumption and is not a legal conclusion. Google has not performed a legal analysis and makes no representation as to the accuracy of the date listed.)
Filing date
Publication date
Application filed by Anhui Zhuo Three Dimensional Technology Co LtdfiledCriticalAnhui Zhuo Three Dimensional Technology Co Ltd
Priority to CN201911282844.9ApriorityCriticalpatent/CN110917858A/en
Publication of CN110917858ApublicationCriticalpatent/CN110917858A/en
Pendinglegal-statusCriticalCurrent

Links

Images

Classifications

Landscapes

Abstract

The invention discloses a flue gas purification device for laser printing, which comprises an air extraction head, wherein the air extraction head is communicated with an air extraction pipe, one end of the air extraction pipe is communicated with a purification box, the inner side of the purification box is provided with a sliding groove, the inside of the sliding groove is movably connected with a frame, the inside of the frame is welded with a net cage, the inside of the net cage is provided with active carbon, the inside of the purification box is provided with a conical filter barrel, the inside of the conical filter barrel is paved with breathing paper, and the lower end of the conical filter barrel is communicated with a flow guide pipe. Open the aspiration pump and pass through the exhaust head with the flue gas suction to the purifying box in, adsorb the flue gas via the active carbon in the net case, simultaneously, the aspiration pump passes through the neutralization liquid of outlet duct in with the liquid reserve tank and through the shower nozzle blowout, and neutralization liquid spouts on the active carbon, washs the neutralization to remaining flue gas on the active carbon, and the waste liquid after the neutralization is discharged via the honeycomb duct, simple structure, and convenient operation has improved the efficiency that the flue gas was handled.

Description

Flue gas purification device for laser printing
Technical Field
The invention belongs to the technical field of laser printing, and particularly relates to a flue gas purification device for laser printing.
Background
Digitized graphics or documents are rapidly "projected" onto a photosensitive surface using a laser beam. An electron discharge phenomenon occurs at a position hit by the laser beam. Then, just like a magnet, attracts some fine iron powder particles, named "toner". Also, since the paper surface passes over a hot roller, the toner is "fixed" to the paper. All these steps can be completed within seconds, except for printing images, which is almost comparable to that of a general copying machine. Most laser printers use plain, inexpensive copy paper, effectively reducing cost.
When laser printing and work, can produce the flue gas, if can not effectual processing flue gas, by human suction internal back, harmful health, current processing apparatus structure is complicated, can not circulation treatment to the flue gas, and the treatment effeciency is low.
Disclosure of Invention
The invention aims to provide a flue gas purification device for laser printing, wherein during laser printing work, an air suction pump is started to suck flue gas into a purification box through an air suction head, the flue gas is adsorbed by active carbon in a net box, meanwhile, neutralizing liquid in a liquid storage box is sprayed out through a spray head by the air suction pump through an air outlet pipe, the neutralizing liquid is sprayed on the active carbon to clean and neutralize residual flue gas on the active carbon, and waste liquid after neutralization is discharged through a flow guide pipe.
In order to achieve the purpose, the invention adopts the following technical scheme:
a flue gas purification device for laser printing comprises an air extraction head, wherein the air extraction head is communicated with an air extraction pipe, one end of the air extraction pipe is communicated with a purification box, the inner side of the purification box is provided with a sliding groove, the inside of the sliding groove is movably connected with a frame, the inner side of the frame is welded with a net cage, the inside of the net cage is provided with active carbon, the inside of the purification box is provided with a conical filter barrel, breathing paper is laid on the inner side of the conical filter barrel, and the lower end of the conical filter barrel is communicated with a flow guide pipe;
one side of the purification box is communicated with an air pump through a pipeline, an air outlet of the air pump is communicated with an air outlet pipe, one end of the air outlet pipe is communicated with a sealing cover, the sealing cover is in threaded connection with the top of the liquid storage box, the bottom of the liquid storage box is communicated with a liquid outlet pipe, the lower end of the liquid outlet pipe is communicated with a spray head, and the spray head is installed inside the purification box;
the spring groove is formed in the inner side of the sliding groove, a spring is mounted inside the spring groove, a steel ball is arranged at the lower end of the spring and movably inserted into the limiting groove, and the limiting groove is formed in the top of the frame.
Preferably, one end of the flow guide pipe is communicated with a waste liquid pool, one side of the waste liquid pool is communicated with a drain pipe, and a valve is arranged on the drain pipe.
Preferably, a handle is installed on one side of the frame, a rubber sleeve is sleeved outside the handle, and anti-skid grains are arranged on the surface of the rubber sleeve.
Preferably, one side of the purifying box is hinged with a purifying box door, and one side of the purifying box door and the purifying box are provided with matched hasp locks.
Preferably, the inner side of the purification box door and the inner side of the sliding groove are both bonded with sealing gaskets.
Preferably, one side of the liquid storage tank is communicated with a liquid injection pipe, and the end part of the liquid injection pipe is in threaded connection with a plug.
Preferably, one side of the liquid storage tank is provided with an observation window, and toughened glass is bonded inside the observation window.
Preferably, a support is welded on one side of the liquid storage tank, and the lower end of the support is welded on the top of the purification tank.
The invention has the technical effects and advantages that: compared with the prior art, the flue gas purification device for laser printing provided by the invention has the following advantages that:
1. the invention mainly comprises a purification box, an air pump, a liquid storage box and the like, when the laser printing works, the air pump is started to pump the flue gas into the purification box through an air pumping head, the flue gas is adsorbed by the activated carbon in the net box, meanwhile, the air pump sprays neutralizing liquid in the liquid storage box through an air outlet pipe through a spray head, the neutralizing liquid is sprayed on the activated carbon to clean and neutralize residual flue gas on the activated carbon, and the neutralized waste liquid is discharged through a flow guide pipe, so that the structure is simple, the operation is convenient, and the flue gas treatment efficiency is improved;
2. the inner side of the purifying box is provided with the sliding groove for placing the frame, so that the frame and the net cage can be conveniently taken out for replacing the active carbon;
3. the breathing paper is arranged on the inner side of the conical filter barrel, so that the conical filter barrel is ensured to be breathable, the neutralizing liquid can be prevented from leaking, and the waste liquid can be conveniently and intensively flowed into the guide pipe to be discharged.
Drawings
FIG. 1 is a schematic structural view of the present invention;
FIG. 2 is a schematic sectional view of the purification box of the present invention;
FIG. 3 is an enlarged view of the area A in FIG. 2;
fig. 4 is a schematic perspective view of the purification box of the present invention.
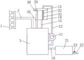
In the figure: 1. an air pumping head; 2. an air exhaust pipe; 3. a purification box; 4. a chute; 5. a frame; 6. a net cage; 7. activated carbon; 8. a conical filter barrel; 9. a breathing paper; 10. a flow guide pipe; 11. an air pump; 12. an air outlet pipe; 13. a sealing cover; 14. a liquid storage tank; 15. a liquid outlet pipe; 16. a spray head; 17. a spring slot; 18. a spring; 19. steel balls; 20. a limiting groove; 21. a waste liquid tank; 22. a drain pipe; 23. a valve; 24. a handle; 25. a rubber sleeve; 26. a purge box door; 27. a hasp lock; 28. a gasket; 29. a liquid injection pipe; 30. a plug; 31. an observation window; 32. tempering the glass; 33. and (4) a bracket.
Detailed Description
The technical solutions in the embodiments of the present invention will be clearly and completely described below with reference to the drawings in the embodiments of the present invention, and it is obvious that the described embodiments are only a part of the embodiments of the present invention, and not all of the embodiments. The specific embodiments described herein are merely illustrative of the invention and do not delimit the invention. All other embodiments, which can be derived by a person skilled in the art from the embodiments given herein without making any creative effort, shall fall within the protection scope of the present invention.
The invention provides a flue gas purification device for laser printing as shown in figures 1-4, which comprises anair suction head 1, wherein theair suction head 1 is communicated with anair suction pipe 2, one end of theair suction pipe 2 is communicated with apurification box 3, the inner side of thepurification box 3 is provided with achute 4, the inner part of thechute 4 is movably connected with aframe 5, the inner side of theframe 5 is welded with a net cage 6, the inner part of the net cage 6 is provided with active carbon 7, the inner part of thepurification box 3 is provided with aconical filter barrel 8, the inner side of theconical filter barrel 8 is paved with breathingpaper 9, the air permeability of theconical filter barrel 8 is ensured, the neutralization liquid can be prevented from leaking, the waste liquid can be conveniently and intensively flowed into aguide pipe 10 to be discharged, the lower end of theconical filter barrel 8 is communicated with aguide pipe 10, one end of theguide pipe 10 is communicated with awaste liquid tank 21 to be convenient for collecting the waste liquid, waste liquid can be discharged out of thewaste liquid tank 21;
one side of thepurifying box 3 is communicated with anair pump 11 through a pipeline, an air outlet of theair pump 11 is communicated with anair outlet pipe 12, one end of theair outlet pipe 12 is communicated with a sealingcover 13, the sealingcover 13 is connected to the top of theliquid storage box 14 in a threaded manner, the bottom of theliquid storage box 14 is communicated with aliquid outlet pipe 15, the lower end of theliquid outlet pipe 15 is communicated with aspray head 16, thespray head 16 is installed inside thepurifying box 3, one side of thepurifying box 3 is hinged with apurifying box door 26, one side of thepurifying box door 26 and thepurifying box 3 are provided with matched hasp locks 27, the hasp locks 27 are convenient for fixing thepurifying box door 26 on thepurifying box 3 and are convenient for opening thepurifying box door 26 to maintain equipment, sealinggaskets 28 are respectively bonded on the inner side of thepurifying box door 26 and the inner side of the slidinggroove 4, and are;
spring groove 17 has been seted up to the inboard ofspout 4, the internally mounted ofspring groove 17 hasspring 18, the lower extreme ofspring 18 is equipped withsteel ball 19,steel ball 19 activity is pegged graft in the inside of spacinggroove 20, the top atframe 5 is seted up to spacinggroove 20, installhandle 24 in one side offrame 5, be convenient for pull outframe 5 fromspout 4,rubber sleeve 25 has been cup jointed to handle 24's outside, the surface ofrubber sleeve 25 is equipped with anti-skidding line, be favorable to improving the travelling comfort of hand.
One side intercommunication atliquid reserve tank 14 has notesliquid pipe 29, the tip threaded connection of notesliquid pipe 29 hasend cap 30, it is convenient for add neutralization solution to annotateliquid pipe 29,end cap 30 improves the leakproofness ofliquid reserve tank 14,observation window 31 has been seted up to one side ofliquid reserve tank 14, toughenedglass 32 has been bonded to the inside ofobservation window 31, be convenient for observe the surplus of neutralization solution in theliquid reserve tank 14, it hassupport 33 to weld in one side ofliquid reserve tank 14, the lower extreme ofsupport 33 welds in the top ofpurifying box 3, thissupport 33 is convenient for fixliquid reserve tank 14 at the top ofpurifying box 3.
The working principle is as follows: the neutralizing liquid is added in theliquid storage box 14, then theframe 5 is put into thechute 4, thespring 18 in thespring groove 17 extrudes thesteel ball 19 to be inserted into thelimit groove 20 at the top of theframe 5, which is beneficial to fixing theframe 5 in thechute 4, when the laser printing works, theair pump 11 is started to pump the flue gas into thepurifying box 3 through theair pumping head 1, the flue gas is absorbed by the active carbon 7 in the net cage 6, meanwhile, the neutralizing liquid in theliquid storage tank 14 is sprayed out by theair pump 11 through theair outlet pipe 12 through thespray head 16, the neutralizing liquid is sprayed on the active carbon 7, the residual flue gas on the activated carbon 7 is cleaned and neutralized, the neutralized waste liquid is discharged through thedraft tube 10, the structure is simple, the operation is convenient, the flue gas treatment efficiency is improved, meanwhile, theair pump 11 can also pump the toxic gas which is not completely adsorbed by the activated carbon 7 into theliquid storage tank 14 for cyclic treatment.
Finally, it should be noted that: although the present invention has been described in detail with reference to the foregoing embodiments, it will be apparent to those skilled in the art that modifications may be made to the embodiments or portions thereof without departing from the spirit and scope of the invention.

Claims (8)

1. The utility model provides a laser is gas cleaning device for printing, includes gas extraction head (1), its characterized in that: the air extracting head (1) is communicated with an air extracting pipe (2), one end of the air extracting pipe (2) is communicated with a purifying box (3), the inner side of the purifying box (3) is provided with a sliding groove (4), the inside of the sliding groove (4) is movably connected with a frame (5), the inner side of the frame (5) is welded with a net cage (6), the inside of the net cage (6) is provided with active carbon (7), the inside of the purifying box (3) is provided with a conical filtering barrel (8), the inside of the conical filtering barrel (8) is laid with breathing paper (9), and the lower end of the conical filtering barrel (8) is communicated with a flow guide pipe (10);
CN201911282844.9A2019-12-132019-12-13Flue gas purification device for laser printingPendingCN110917858A (en)

Priority Applications (1)

Application NumberPriority DateFiling DateTitle
CN201911282844.9ACN110917858A (en)2019-12-132019-12-13Flue gas purification device for laser printing

Applications Claiming Priority (1)

Application NumberPriority DateFiling DateTitle
CN201911282844.9ACN110917858A (en)2019-12-132019-12-13Flue gas purification device for laser printing

Publications (1)

Publication NumberPublication Date
CN110917858Atrue CN110917858A (en)2020-03-27

Family

ID=69859660

Family Applications (1)

Application NumberTitlePriority DateFiling Date
CN201911282844.9APendingCN110917858A (en)2019-12-132019-12-13Flue gas purification device for laser printing

Country Status (1)

CountryLink
CN (1)CN110917858A (en)

Citations (12)

* Cited by examiner, † Cited by third party
Publication numberPriority datePublication dateAssigneeTitle
EP0299637A1 (en)*1987-07-141989-01-18The British Petroleum Company p.l.c.Method for preparing a catalyst
US4874404A (en)*1989-03-011989-10-17Boswell Jerald OVacuum cleaner
CN101479331A (en)*2006-05-092009-07-08创普太克公司Active particle-enhanced membrane and methods for making and using the same
CN201930703U (en)*2010-11-292011-08-17江苏紫光吉地达环境科技股份有限公司Novel ultrasonic hydrophobic membrane desulfurization equipment
WO2013039322A2 (en)*2011-09-172013-03-21Kim Yong JinDehumidifying agent container capable of using dehumidifying agent refill
CN104606994A (en)*2015-01-072015-05-13常州大学Dedusting, denitration and desulfuration integrated device
CN204352704U (en)*2014-12-222015-05-27中科宇图天下科技有限公司A kind of spray-type air purifying and dedusting device
CN105214463A (en)*2015-09-252016-01-06江苏苏博特新材料股份有限公司A kind of processing method of aliphatic hydroxyl sulphonate water reducer process gas
CN105268278A (en)*2015-03-122016-01-27洛阳辰祥机械科技有限公司Active carbon replacing method for active carbon adsorption tower
CN205216538U (en)*2015-12-182016-05-11广州巨邦环保工程设备有限公司Spray and adsorb integrated device
CN208018361U (en)*2018-02-092018-10-30江苏克莱威环保设备工程有限公司A kind of home-use horizontal laser cutting exhaust gas purification case
CN209144978U (en)*2018-11-202019-07-23江西鑫源自动化给水设备有限公司A kind of prefabricated integrated pump station

Patent Citations (12)

* Cited by examiner, † Cited by third party
Publication numberPriority datePublication dateAssigneeTitle
EP0299637A1 (en)*1987-07-141989-01-18The British Petroleum Company p.l.c.Method for preparing a catalyst
US4874404A (en)*1989-03-011989-10-17Boswell Jerald OVacuum cleaner
CN101479331A (en)*2006-05-092009-07-08创普太克公司Active particle-enhanced membrane and methods for making and using the same
CN201930703U (en)*2010-11-292011-08-17江苏紫光吉地达环境科技股份有限公司Novel ultrasonic hydrophobic membrane desulfurization equipment
WO2013039322A2 (en)*2011-09-172013-03-21Kim Yong JinDehumidifying agent container capable of using dehumidifying agent refill
CN204352704U (en)*2014-12-222015-05-27中科宇图天下科技有限公司A kind of spray-type air purifying and dedusting device
CN104606994A (en)*2015-01-072015-05-13常州大学Dedusting, denitration and desulfuration integrated device
CN105268278A (en)*2015-03-122016-01-27洛阳辰祥机械科技有限公司Active carbon replacing method for active carbon adsorption tower
CN105214463A (en)*2015-09-252016-01-06江苏苏博特新材料股份有限公司A kind of processing method of aliphatic hydroxyl sulphonate water reducer process gas
CN205216538U (en)*2015-12-182016-05-11广州巨邦环保工程设备有限公司Spray and adsorb integrated device
CN208018361U (en)*2018-02-092018-10-30江苏克莱威环保设备工程有限公司A kind of home-use horizontal laser cutting exhaust gas purification case
CN209144978U (en)*2018-11-202019-07-23江西鑫源自动化给水设备有限公司A kind of prefabricated integrated pump station

Similar Documents

PublicationPublication DateTitle
CN207042138U (en)A kind of portable welds cigarette cleaning equipment
CN207951016U (en)A kind of food production workshop dust-extraction unit
CN108343015B (en)Suction nozzle and road sweeper for road sweeper
CN108515622A (en)A kind of construction grooving machine for walls
CN109011972A (en)Waste gas cleaning system is used in the recycling of marine exhaust waste heat
CN204513509U (en)Water circulation petticoat pipe
CN210057768U (en)Chemical industry smoke and dust exhaust gas purification device
CN110917858A (en)Flue gas purification device for laser printing
CN109821386A (en) Sulfur loading tail gas recovery and treatment system and its tail gas treatment device
CN220513719U (en)Waste gas dust removal cleaning device for preventing and treating environmental pollution
CN202036361U (en)Negative-pressure drainage experimental animal neatening device
CN210674679U (en)Spraying exhaust treatment device for efficiently treating exhaust gas
CN209809911U (en)Industrial acid-base waste gas treatment device
CN207628122U (en)Weld flue gas purification system
CN106759018A (en)For the suction pipe device for reducing dust of dust-absorption sweeping machine
CN216811751U (en)Ventilation device used in well
CN205473622U (en)Marsh gas sweetener
CN109464861A (en)Ecological cleaner in furniture process
CN209378728U (en)A kind of animal dung fermentor waste gas purification apparatus
CN212188443U (en)Air purification device in building environment
CN208606195U (en)A kind of Industrial Boiler waste gas afterheat recovery unit
CN209362808U (en) A processing chamber structure for tension spring
CN211435638U (en)Be used for cremation machine tail gas grease adsorption equipment
CN206599753U (en)Suction tube device for reducing dust for dust-absorption sweeping machine
CN206381782U (en)A kind of air purifier

Legal Events

DateCodeTitleDescription
PB01Publication
PB01Publication
SE01Entry into force of request for substantive examination
SE01Entry into force of request for substantive examination
RJ01Rejection of invention patent application after publication

Application publication date:20200327

RJ01Rejection of invention patent application after publication

[8]ページ先頭

©2009-2025 Movatter.jp