Movatterモバイル変換


[0]ホーム

URL:


CN110910086A - A system and method for comprehensive perception and processing of elements in railway passenger station - Google Patents

A system and method for comprehensive perception and processing of elements in railway passenger station
Download PDF

Info

Publication number
CN110910086A
CN110910086ACN201911045107.7ACN201911045107ACN110910086ACN 110910086 ACN110910086 ACN 110910086ACN 201911045107 ACN201911045107 ACN 201911045107ACN 110910086 ACN110910086 ACN 110910086A
Authority
CN
China
Prior art keywords
station
data
level platform
equipment
road
Prior art date
Legal status (The legal status is an assumption and is not a legal conclusion. Google has not performed a legal analysis and makes no representation as to the accuracy of the status listed.)
Pending
Application number
CN201911045107.7A
Other languages
Chinese (zh)
Inventor
李君�
杨国元
吴兴华
李超
赵晖
谢甲旭
程清波
薛昊
刘硕研
徐春婕
刘玉鑫
刘祎然
王明哲
姜利
方凯
吕晓军
Current Assignee (The listed assignees may be inaccurate. Google has not performed a legal analysis and makes no representation or warranty as to the accuracy of the list.)
China Academy of Railway Sciences Corp Ltd CARS
China State Railway Group Co Ltd
Institute of Computing Technologies of CARS
Beijing Jingwei Information Technology Co Ltd
Original Assignee
China Academy of Railway Sciences Corp Ltd CARS
China State Railway Group Co Ltd
Institute of Computing Technologies of CARS
Beijing Jingwei Information Technology Co Ltd
Priority date (The priority date is an assumption and is not a legal conclusion. Google has not performed a legal analysis and makes no representation as to the accuracy of the date listed.)
Filing date
Publication date
Application filed by China Academy of Railway Sciences Corp Ltd CARS, China State Railway Group Co Ltd, Institute of Computing Technologies of CARS, Beijing Jingwei Information Technology Co LtdfiledCriticalChina Academy of Railway Sciences Corp Ltd CARS
Priority to CN201911045107.7ApriorityCriticalpatent/CN110910086A/en
Publication of CN110910086ApublicationCriticalpatent/CN110910086A/en
Pendinglegal-statusCriticalCurrent

Links

Images

Classifications

Landscapes

Abstract

Translated fromChinese

本发明实施例提供一种铁路客运车站要素全面感知处理系统及方法,该系统包括:由多个前端感知设备构成的车站级平台、路局级平台以及总公司级平台;车站级平台用于将前端感知设备获取的站内多方面数据源进行汇集,并发送至路局级平台;路局级平台用于对汇集的站内多方面数据源进行统计分析,获取实时状态信息及预处理结果,并发送至总公司级平台;总公司级平台用于根据实时状态信息及预处理结果生成控制指令,并分发至车站级平台及路局级平台。本发明实施例实现了全生产要素的智能化共享,解决了前端采集设备繁多但信息无法互联互通的缺陷,为各信息系统、智能终端等提供了有力的数据支撑,提高了车站的生产效率和客运组织的运营效率。

Figure 201911045107

Embodiments of the present invention provide a system and method for comprehensive perception processing of railway passenger station elements. The system includes: a station-level platform, a railway bureau-level platform, and a head office-level platform composed of multiple front-end perception devices; the station-level platform is used to The multi-faceted data sources in the station acquired by the front-end sensing equipment are collected and sent to the railway bureau level platform; To the head office-level platform; the head office-level platform is used to generate control instructions based on real-time status information and preprocessing results, and distribute them to the station-level platform and the road bureau-level platform. The embodiment of the present invention realizes the intelligent sharing of all production factors, solves the defect that there are many front-end collection devices but information cannot be interconnected, provides strong data support for various information systems, intelligent terminals, etc., and improves the production efficiency of the station and the Operational efficiency of passenger transport organizations.

Figure 201911045107

Description

Comprehensive perception processing system and method for railway passenger station factors
Technical Field
The invention relates to the technical field of railway traffic, in particular to a comprehensive perception processing system and method for railway passenger station factors.
Background
The railway passenger station is used as an important place for passenger traffic business and passenger service, and is dedicated to providing barrier-free and self-service for passengers and providing efficient, convenient and linked production command service for workers all the time. Therefore, various sensing devices and facilities are deployed and applied inside each railway passenger station to acquire various data inside the passenger station in real time, so as to guide the normal development of passenger traffic business and passenger service business.
At present, on one hand, a plurality of sensing devices are redundant because the acquired data are not unified; on the other hand, the collected data is not reasonably configured due to the absence of a standardized information linkage mechanism and a uniform transmission interface. Therefore, comprehensive, standardized and systematic perception and convergence processing cannot be carried out on production elements of the railway passenger station at the present stage so as to effectively promote passenger service and passenger production command.
In order to efficiently solve the defect that the front-end acquisition equipment is numerous but the information cannot be interconnected, a system and a method for processing the element information covering the railway passenger station are urgently needed to further improve the production efficiency of the passenger station and the operation efficiency of the passenger organization.
Disclosure of Invention
The embodiment of the invention provides a comprehensive perception processing system and method for railway passenger station elements, which are used for solving the defects that in the prior art, front-end acquisition equipment is numerous but information cannot be interconnected and intercommunicated.
In a first aspect, an embodiment of the present invention provides a system for comprehensively perceiving and processing railway passenger station elements, including: a station level platform, a road bureau level platform and a head office level platform which are composed of a plurality of front-end sensing devices; the station-level platform is used for collecting various in-station data sources acquired by the front-end sensing equipment and sending the data sources to the road bureau-level platform; the road bureau level platform is used for carrying out statistical analysis on the collected data sources in various aspects in the station, acquiring real-time state information and a preprocessing result and sending the real-time state information and the preprocessing result to the head company level platform; and the head company level platform is used for generating a control instruction according to the real-time state information and the preprocessing result and distributing the control instruction to the station level platform and the road bureau level platform.
Further, the in-station multifaceted data includes: at least one of equipment status data, environmental status data, personnel status data, and system emergency data;
wherein, the equipment state data source is obtained by ticket business equipment, travel service related equipment, customer equipment related equipment, customer management related equipment, video monitoring equipment, water feeding and dirt absorbing equipment, luggage depositing equipment, barrier-free service equipment and positioning and navigation equipment;
the environment state data is acquired by station intelligent sensing equipment;
and the personnel state data are reported by an operation terminal or are counted and obtained after being reported by the intelligent station sensing equipment.
Furthermore, the road bureau-level platform comprises a first tourist integrated system, a passenger management information system, a front-end server, a background database and a data receiving and transmitting unit.
Furthermore, the head office level platform also comprises a second travel integrated system, an on-road system, an off-road system and a data input and output unit;
the data input and output unit comprises an environment data interface, an equipment data interface, a personnel data interface, an integrated plan data interface, a basic data interface, a local data interface and a statistical analysis data interface and is used for receiving real-time state information and a preprocessing result; the in-road system is used for acquiring real-time state information and a preprocessing result through an environment data interface, an equipment data interface and/or a personnel data interface; the off-road system is used for acquiring off-road related information through the local data interface; and the second travel integration system is used for generating a control instruction according to the real-time state information, the preprocessing result and the off-road related information and distributing the statistical analysis data to the station-level platform.
Further, the station-level platform, the road bureau-level platform and the head office-level platform communicate with each other through a unified API.
Furthermore, the comprehensive perception processing system for the railway passenger station elements provided by the embodiment of the invention also comprises a data integration display unit; the data integration display unit is arranged on a station level platform, a road bureau level platform and a general company level platform and used for performing integration display on data acquired by each platform.
In a second aspect, an embodiment of the present invention further provides a method for performing comprehensive perception processing on railway passenger station elements by using the comprehensive perception processing system for railway passenger station elements according to any one of the first aspects, including the following steps:
acquiring and collecting various data sources in a station; performing statistical analysis on various data sources in the station to obtain real-time state information and a preprocessing result; and generating a control instruction according to the state information and the preprocessing result, and distributing the control instruction.
Further, before the statistical analysis is carried out on the in-station multi-aspect data source, denoising and normalization processing are carried out on the in-station multi-aspect data source.
In a third aspect, an embodiment of the present invention further provides an electronic device, which includes a memory, a processor, and a computer program stored in the memory and capable of running on the processor, where the processor implements the steps of the comprehensive perception processing method for railway passenger station components according to any one of the second aspects when executing the program.
In a fourth aspect, the embodiment of the present invention further provides a computer-readable storage medium, on which a computer program is stored, where the computer program, when executed by a processor, implements the steps of the comprehensive railway passenger station element perception processing method according to any one of the second aspects.
The comprehensive perception processing system and method for railway passenger station elements provided by the embodiment of the invention realize the intelligent sharing of full production elements by establishing a three-level architecture of 'head office level-road bureau level-station level', solve the defect that a plurality of front-end acquisition devices cannot be interconnected, provide powerful data support for each information system, intelligent terminal and the like, and improve the production efficiency of stations and the operation efficiency of passenger organization.
Drawings
In order to more clearly illustrate the embodiments of the present invention or the technical solutions in the prior art, the drawings used in the description of the embodiments or the prior art will be briefly described below, and it is obvious that the drawings in the following description are some embodiments of the present invention, and those skilled in the art can also obtain other drawings according to the drawings without creative efforts.
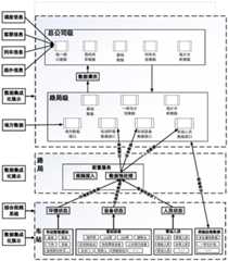
Fig. 1 is a schematic structural diagram of a comprehensive perception processing system for railway passenger station elements provided by an embodiment of the invention;
fig. 2 is a schematic structural diagram of a comprehensive perception processing system for railway passenger station elements according to an embodiment of the present invention;
fig. 3 is a schematic structural diagram of a comprehensive perception processing system for railway passenger station elements according to an embodiment of the present invention;
fig. 4 is a schematic flow chart of a comprehensive perception processing method for railway passenger station elements according to an embodiment of the present invention;
fig. 5 is a schematic flow chart of a comprehensive perception processing method for railway passenger station elements according to another embodiment of the present invention;
fig. 6 is a schematic physical structure diagram of an electronic device according to an embodiment of the present invention.
Detailed Description
In order to make the objects, technical solutions and advantages of the embodiments of the present invention clearer, the technical solutions in the embodiments of the present invention will be clearly and completely described below with reference to the drawings in the embodiments of the present invention, and it is obvious that the described embodiments are some, but not all, embodiments of the present invention. All other embodiments, which can be derived by a person skilled in the art from the embodiments given herein without making any creative effort, shall fall within the protection scope of the present invention.
As the largest passenger transport hub system at present, the railway transportation has a large passenger flow and complicated moving personnel, and in consideration of the complexity in terms of personnel and management of a station, in order to effectively provide barrier-free and self-service services for passengers and provide efficient, convenient and linked production command services for workers, as shown in fig. 1, the embodiment of the invention provides a comprehensive perception processing system for railway passenger transport station elements, which includes but is not limited to the following parts: the platform comprises a station level platform 1, a roadbureau level platform 2 and a headoffice level platform 3 which are composed of a plurality of front-end sensing devices.
The station-level platform 1 is used for collecting various in-station data sources acquired by front-end sensing equipment and sending the data sources to the road bureau-level platform 2; the roadbureau level platform 2 is used for carrying out statistical analysis on the collected data sources in various aspects in the station, acquiring real-time state information and a preprocessing result and sending the real-time state information and the preprocessing result to the headoffice level platform 3; and the head office level platform is used for generating a control instruction according to the real-time state information and the preprocessing result and distributing the control instruction to the station level platform 1 and the roadbureau level platform 3.
Specifically, the station-level platform mainly includes: the front-end sensing equipment such as each sensor, camera and sound pick-up is arranged according to the range and importance of an area to be detected and monitored as well as actual requirements, is mainly used for acquiring data sources of all aspects in the station, and can acquire real-time state data of full production elements of the passenger station through comprehensive analysis of all the data sources. The station-level platform 1 may further include a data processing unit, and all the front-end sensing devices may implement soft connection (such as a wireless wifi network) or hard connection (such as a communication line connection) communication with the data processing unit, so as to transmit the respective acquired data to the data processing unit in real time. The data processing unit can be set into a plurality of data processing sub-units and a data processing main unit according to actual needs so as to respectively process according to different types of data. For example: and the system can comprise an audio and video data processing subunit, an image data processing subunit, a digital quantity signal processing subunit and the like.
For example, the front-end sensing device may include a ticket related device, a travel service related device, a mobile handheld device, an electromechanical related device, a positioning navigation device, a robot related device, an environment monitoring device, a video capture device, an audio capture device, a platform safety device, an intelligent seat, an intelligent toilet, and the like. A plurality of processing subunits can be arranged according to the number of categories of the front-end sensing equipment. All the data processing subunits respectively receive the data sources of the preset category, and simultaneously, the data processing subunits can respectively preprocess the received data sources to eliminate irrelevant data and obviously wrong data and further send the preprocessed data to the data processing total unit. The data processing total unit is used for collecting all the received data and sending the data to the road bureau-level platform 2.
Furthermore, each road bureau-level platform 2 can be simultaneously connected with a plurality of station-level platforms 1, and is mainly used for comprehensively processing received in-station multi-aspect data sources uploaded by each station-level platform 1. On the one hand, comprehensive processing can be performed on various in-station data sources uploaded by each station-level platform 1, and the running state information of the passenger station corresponding to the station-level platform 1 is acquired, for example: operation state information (such as whether operation pressure exists), resource allocation state information (such as allocation of personnel and articles), operation environment state information (such as states of a temperature control device, a security device and the like) and the like. On the other hand, comprehensive analysis can be performed on the collected in-station multi-aspect data sources uploaded by the plurality of station-level platforms 1 so as to further obtain preprocessing results between each passenger station (such as passenger flow prediction, personnel allocation between each passenger station and the like).
Further, the headoffice level platform 3 is used as a comprehensive perception processing platform for railway passenger station elements of the highest level, is in communication connection with the multiple roadoffice level platforms 2 belonging to the head office level platform, and is mainly used for comprehensively counting and analyzing real-time state information and preprocessing results uploaded by the roadoffice level platforms 2 to formulate a global control instruction.
Among other things, the headoffice level platform 3 is also used to receive external data provided by external systems, such as: all the passenger ticket information provided by the passenger ticket system and the scheduling information provided by the railway central office scheduling system can also comprise external data provided by a passenger management system, a motor train management system, a BIM-based station and room structure monitoring and operation and maintenance system, a local public transport system (subway, taxi, bus, and the like), a local emergency support system (hospital, public security, fire protection, weather, and the like), and the like. The headoffice level platform 3 performs unified analysis and processing on the acquired real-time state information and the preprocessing result of each roadoffice level platform 2 by combining with external data, and acquires a control instruction for each station level platform 1 and/or each roadoffice level platform 2 so as to complete interaction of overall operation command and data.
The comprehensive perception processing system and method for railway passenger station elements provided by the embodiment of the invention realize the intelligent sharing of full production elements by establishing a three-level architecture of 'a head office level platform-a road bureau level platform-a station level platform', solve the defect that a front-end acquisition device is various but information cannot be interconnected, provide powerful data support for each information system, intelligent terminal and the like, and improve the production efficiency of stations and the operation efficiency of passenger organizations.
Based on the above description of the embodiments, as an alternative embodiment, the in-station multifaceted data source may include: equipment state data, environment state data, personnel state data and system emergency data; the equipment state data is mainly obtained through ticket business equipment, travel service related equipment, customer equipment related equipment, customer management related equipment, video monitoring equipment, water feeding and dirt absorbing equipment, luggage depositing equipment, barrier-free service equipment, positioning and navigation equipment and the like; the environmental state data can be acquired through station intelligent sensing equipment; the personnel state data can be reported through the operation terminal or counted and obtained after being reported by the intelligent station sensing equipment.
As shown in fig. 2 and 3, the above-mentioned various data sources in the station are mainly used for characterizing at least one of environment status, equipment status, personnel status and system emergency data.
The device status data includes, for example: the system comprises a loudspeaker, an LED large screen, an LCD screen, cameras, self-service ticketing equipment, real-name system verification equipment, water feeding and pollution absorbing equipment, a safety door, an in-station robot, an intelligent toilet and other equipment.
Wherein, the environment state data mainly comprises: data such as temperature, humidity, gas (such as oxygen and carbon dioxide concentration) and brightness, audio and video analysis; the environment state data is mainly obtained through ticket business equipment, travel service related equipment, customer equipment related equipment, customer management related equipment, video monitoring equipment, water feeding and dirt absorbing equipment, luggage depositing equipment, barrier-free service equipment, positioning navigation equipment and the like.
The personnel state data mainly comprises actual post arrival information of operating personnel, management personnel, scheduling personnel, security personnel, cleaning personnel and the like, and can also comprise passenger personnel state information in a station, such as the number of passengers and the like. The personnel state data can be acquired through the operation terminal, for example, post arrival information of internal workers can be acquired through presetting a card punch at each post; the number of the present passengers and the like can be acquired by the ticketing device.
The system emergency data comprises station basic data, integrated design data and the like for supporting the operation of the station-level platform 1.
The comprehensive perception processing system for the railway passenger station elements, provided by the embodiment of the invention, obtains the preliminary data for analyzing the overall condition of the passenger station by respectively and comprehensively obtaining all the elements of the designed railway passenger station, provides powerful data support for all information systems, intelligent terminals and the like, and improves the production efficiency of the station and the operation efficiency of passenger organizations.
Based on the content of the above embodiment, as an optional embodiment, the roadadministration level platform 2 includes a first hotel integrated system, a customer management information system, a front-end server, a background database, and a data transceiver unit.
Specifically, as shown in fig. 2 and 3, the road bureau-level platform 2 is used for performing statistical analysis on a plurality of collected in-station data sources to obtain real-time state information and a preprocessing result of each subordinate station platform, and sending the result to the head office-level platform 3, so that a data transceiver unit is arranged on the road bureau-level platform 2, and the data transceiver unit may be composed of a plurality of transceiver subunits, and each transceiver subunit is respectively communicated with one station-level platform; each transceiver subunit may also be arranged to receive a data source of a certain class. In addition, the data receiving and transmitting unit is also used for communicating with a head office level platform so as to upload the acquired real-time state information and the preprocessing result in real time.
Further, the passenger management information system is used for being connected with passenger management equipment arranged outside to acquire corresponding passenger management information; the preposed server is used for realizing interaction with field workers; the background database stores basic data, integrated plan data, communication protocol data and the like for supporting the operation of the road bureau-level platform 2. The first hotel uniform integration system is in communication connection with the passenger management information system, the front-end server, the background database and the data receiving and sending unit and is used for collecting all data to analyze and generate state information and preprocessing results.
Based on the content of the above embodiment, as an optional embodiment, the head office level platform further includes a second hotel integrated system, an on-road system, an off-road system, and a data input/output unit; the data input and output unit comprises an environment data interface, an equipment data interface, a personnel data interface, a local data interface, an integrated plan data interface, a basic data interface and a statistical analysis data interface and is used for receiving real-time state information and a preprocessing result; the in-road system is used for acquiring real-time state information and a preprocessing result through an environment data interface, an equipment data interface and/or a personnel data interface; the off-road system is used for acquiring off-road related information through the local data interface; and the second travel service integrated system is used for generating a control instruction according to the real-time state information, the preprocessing result and the off-road related information, and distributing the control instruction to the station-level platform through a statistical analysis data interface.
Specifically, as shown in fig. 2 and fig. 3, the above-mentioned in-road system is used for acquiring real-time status information and a preprocessing result through an environment data interface, an equipment data interface and/or a personnel data interface, and on the other hand, the in-road system can be connected with other intracranial equipment, for example, the in-road system can be connected with a production organization system, and the production organization system can be used for receiving an input command scheduling command and the like according to real-time requirements through a passenger transportation management and command system, a passenger transportation equipment operation monitoring system and the like. The off-road system is mainly used for acquiring off-road related information through a local data interface, wherein the local data comprises data such as big data analysis service, artificial intelligence service, cloud computing service, Internet of things service, management and control and collaborative linkage service, station digital service and the like. For example, data information such as specific time of spring peak is estimated according to big data analysis service, the data information is transmitted to an off-road system through a local data interface, and finally the data information is collected into a second travel service integrated system, so that a passenger transport plan is reasonably formulated according to the specific time of the spring peak, and the passenger transport plan is used as a control instruction and is sent to each station-level platform and a road bureau-level platform through a statistical analysis data interface.
Based on the content of the above embodiment, as an optional embodiment, the station-level platform, the road bureau-level platform, and the head office-level platform communicate with each other through a unified API interface.
Specifically, a plurality of communication networks, such as a passenger ticket network, a travel service network, a comprehensive information network, a video transmission network, a station-vehicle interaction network and the like, can be established among the station-level platform, the road bureau-level platform and the head office-level platform, and different types of information interaction can be performed among different networks by means of a wireless wifi network and an internet network in the data interaction process of part of devices and platforms. For example, at least one passenger ticket network is respectively established on a station-level platform, a road bureau-level platform and a head office-level platform, so that passenger ticket information acquired by ticket service equipment arranged in each passenger station is interacted in real time.
The comprehensive perception processing system for railway passenger station elements provided by the embodiment of the invention uniformly sets the communication interfaces among the station-level platform, the road bureau-level platform and the head office-level platform, ensures the standardization of data types and formats under the condition of ensuring the consistency of channels for information acquisition of all devices for receiving information, effectively solves the defect that the front-end acquisition devices are various but information cannot be interconnected, provides powerful data support for all information systems, intelligent terminals and the like, and provides possibility for improving the production efficiency of stations and the operation efficiency of passenger organizations.
Based on the content of the above embodiment, as an optional embodiment, the comprehensive perception processing system for railway passenger station elements provided by the embodiment of the invention may further include a data integration display unit;
the data integration display unit can be arranged on a station-level platform, a road bureau-level platform and/or a head office-level platform and is used for performing integration display on data acquired by each platform.
Each data integration display unit at least comprises a display large screen and is used for displaying acquired information in a 2D +3D mode in a graphical mode such as a list, a table, a curve graph, a line graph, a dot graph, a bar graph and the like, and therefore onsite personnel and passengers can acquire the instant state in a passenger station visually.
Specifically, if the station-level platform is provided with the data integration display unit, the data integration display unit is mainly used for performing centralized display on various in-station data sources acquired by the collected front-end sensing devices, so that the working personnel can conveniently perform work adjustment according to displayed contents. The further data integration display unit arranged on the station-level platform can display control instructions distributed by the head office-level platform, real-time state information generated by the road bureau-level platform and preprocessing results.
If the data integration display unit is arranged on the road bureau-level platform, the data integration display unit is mainly used for displaying data uploaded by a plurality of subordinate station-level platforms in different windows or different parts of the same window, and simultaneously displaying real-time state information and preprocessing results of each station obtained by analysis in a unified manner so as to comprehensively analyze all the subordinate passenger station information.
If the head office level platform is provided with the data integration display unit, the data integration display unit is mainly used for centrally displaying real-time state information and preprocessing results uploaded by each subordinate office level platform and displaying generated control instructions, for example: and displaying the train scheduling information, the passenger ticket information, the train information, the off-road information and the like.
According to the comprehensive perception processing system for the railway passenger station key elements, the data integration display units are arranged on the platforms at all levels, so that data collected by the platforms and interactive data among the platforms are displayed in a centralized manner, information can be conveniently and visually transmitted to relevant personnel, a friendly working interface is provided for the personnel, and management is more humanized and convenient.
As shown in fig. 4, an embodiment of the present invention further provides a method for performing comprehensive perception processing on railway passenger station elements by using the comprehensive perception processing system for railway passenger station elements described in any of the above embodiments, including, but not limited to, the following steps:
step S1: acquiring and collecting various data sources in a station;
step S2: performing statistical analysis on various data sources in the station to obtain real-time state information and a preprocessing result;
step S3: and generating a control instruction according to the state information and the preprocessing result, and distributing the control instruction.
Specifically, each step may be processed on a different platform, for example: the method comprises the steps that various in-station data sources can be acquired through various front-end sensing devices equipped on a station-level platform, and then the acquired various in-station data sources of different types are collected through a data processing unit in the station-level platform. The data can be uploaded after being classified and collected according to different categories, and all data can be uploaded after being packaged integrally.
Since it is often necessary to perform operations such as scheduling of trains in a coordinated manner in conjunction with data between the respective passenger stations in actual work, step S2 may be performed by a road-bureau-level platform. Specifically, a road bureau-level platform is used for receiving a plurality of collected in-station data sources uploaded by all passenger stations under the station; on one hand, the real-time state of each station can be obtained after the data uploaded by each passenger station is analyzed; on the other hand, the forecasting information of passenger traffic condition, ticket business condition and other conditions (such as weather change condition, equipment running condition and the like) can be obtained by comprehensively analyzing all the in-station multi-aspect data sources.
Further, since the whole train system is an integrated network system, the operation of the whole train system will be affected by the change of the operation state of any passenger station. Therefore, the general company-level platform executes step S3 to comprehensively analyze the status information and the preprocessing result uploaded by each road bureau-level platform, thereby comprehensively formulating the control command for distribution to each station-level platform and each road bureau-level platform.
The comprehensive perception processing method for railway passenger station elements provided by the embodiment of the invention realizes the intelligent sharing of full production elements by establishing a three-level architecture of 'head office level platform-road bureau level platform-station level platform' and performing data interaction and instruction distribution through a unified data interface, overcomes the defect that front-end acquisition equipment is various but information cannot be interconnected, provides powerful data support for various information systems, intelligent terminals and the like, and improves the production efficiency of stations and the operation efficiency of passenger organizations.
Based on the content of the foregoing embodiment, as an optional embodiment, before performing statistical analysis on the in-station multifaceted data source, denoising and normalizing the in-station multifaceted data source is further included.
Specifically, each company-level platform not only performs data interaction with all road bureau-level platforms subordinate to the company-level platform, but also performs data interaction with external data service platforms, meteorological departments, departments such as public security and fire protection, railway transportation scheduling management systems, passenger ticket selling and reserving systems and the like through an off-road system; each road bureau-level platform is also connected with a plurality of station-level platforms, and each station-level platform acquires data of all aspects in real time through a plurality of front-end sensing devices, so that the data flow involved in the comprehensive sensing processing system for railway passenger station elements provided by the embodiment of the invention is very huge. In order to effectively increase the data processing speed, and effectively ensure timely sending and transmitting of various effective information.
In this embodiment, before performing statistical analysis on multiple in-station data sources, denoising is performed on the in-station data source acquired by the front-end sensing device, for example, audio and video data is clipped, divided into multiple segments according to a predetermined time interval, and then each segment is sampled and transmitted; averaging the temperature data acquired by the temperature sensor, and only transmitting the data within a time period in which the temperature change rate exceeds a preset threshold value. It should be noted that, in the embodiment of the present invention, how to perform the data denoising process is not specifically limited.
Further, the comprehensive perception processing method for railway passenger station elements provided by the embodiment of the invention has numerous related devices, apparatuses and systems, so that after different types of data uploaded by each front-end perception device are obtained, the classification and normalization processing is performed on the data format, the data source and the data access specification, and the unification of each data type is ensured.
According to the comprehensive perception processing method for the railway passenger station elements, the initially acquired data sources in various aspects in the station are subjected to denoising processing and normalization processing, so that the data processing amount is effectively reduced, the complexity of data processing is reduced, the defect that a plurality of front-end acquisition devices cannot be interconnected and communicated is overcome through normalization processing, powerful data support is provided for information systems, intelligent terminals and the like, and the production efficiency of the station and the operation efficiency of passenger organizations are improved.
Based on the content of the above embodiment, as shown in fig. 5, another comprehensive perception processing method for railway passenger station elements provided by the embodiment of the present invention includes, but is not limited to, the following steps:
step S11, integrating and collecting the data of the railway passenger station equipment; step S12, statistical analysis is carried out on the collected data of the railway passenger station; step S13, acquiring a real-time state and a preprocessing result; step S14, distributing the instruction of the railway passenger station equipment; step S15, displaying the integrated data of the railway passenger station equipment; and step S16, supporting the use of users at all levels.
Specifically, the railway passenger station equipment data integration and collection refers to the integration and collection of a railway passenger station passenger service integration platform on a plurality of data sources through a front-end sensing device, the railway passenger station collected data statistical analysis refers to the statistical analysis of the collected data, the acquisition of the real-time state refers to the acquisition of the real-time state according to the data result of the statistical analysis, the instruction distribution of the railway passenger station equipment refers to the completion of the instruction distribution through a uniform data interface, the integrated display of the railway passenger station equipment data refers to the display in a list, a table or a curve, the processed information is visually and integrally displayed in graphical modes such as a line graph, a dot graph, a bar graph and the like, and the support for the use of all levels of users means that the hardware of the system basically forms a three-level framework covering a general company, a railway bureau and a passenger station and supports the use of all levels of users.
As can be seen from fig. 2 and 3, the railway passenger station passenger service integration platform integrates and stores data in the national iron group data center, and provides data platform support for integration, collaboration, integrated production operation and passenger service of stations and vehicles, stations and places. The station level platform, the road bureau level platform and the head office level platform can all realize communication with the national iron group data center to complete data calling.
The station and the platform respectively acquire state information of a station environment (comprising temperature, humidity, gas concentration, brightness, air pressure and the like), state information of station equipment (comprising a loudspeaker, an LCD screen, an LED screen, a camera, real-name verification, self-service ticketing equipment, water-supply dirt-absorbing equipment, safety protection equipment, intelligent equipment and the like), personnel information of passenger personnel (comprising operating personnel, management personnel, dispatching personnel, security personnel and the like) and full production elements such as emergency data of a station-level system and the like through front-end intelligent sensing equipment, passenger station equipment and passenger personnel. The above full production elements preprocess the collected data through a data processing server deployed on a road bureau level platform, then are deployed on a head office platform to realize various interfaces (such as an environment data interface, an equipment data interface and a personnel data interface) for communicating with the road bureau level platform and interfaces of an off-road system, are merged into the head office level platform after the final preprocessing of the data, and are responsible for issuing plans and commands by the head office platform. The head office level platform also accesses the scheduling information, the passenger ticket information, the scheduling information, the off-road information and the like.
Fig. 6 illustrates a physical structure diagram of an electronic device, which may include, as shown in fig. 6: a processor (processor)610, a communication Interface (Communications Interface)620, a memory (memory)630 and acommunication bus 640, wherein theprocessor 610, thecommunication Interface 620 and thememory 630 communicate with each other via thecommunication bus 640. Theprocessor 610 may call logic instructions in thememory 630 to perform the following method: acquiring and collecting various data sources in a station; performing statistical analysis on various data sources in the station to obtain real-time state information and a preprocessing result; and generating a control instruction according to the state information and the preprocessing result, and distributing the control instruction.
In addition, the logic instructions in thememory 630 may be implemented in software functional units and stored in a computer readable storage medium when the logic instructions are sold or used as independent products. Based on such understanding, the technical solution of the present invention or a part thereof, which essentially contributes to the prior art, can be embodied in the form of a software product stored in a storage medium and including instructions for causing a computer device (which may be a personal computer, an intelligent storage and analysis unit, or a network device) to execute all or part of the steps of the method according to the embodiments of the present invention. And the aforementioned storage medium includes: a U-disk, a removable hard disk, a Read-Only Memory (ROM), a Random Access Memory (RAM), a magnetic disk or an optical disk, and other various media capable of storing program codes.
In another aspect, an embodiment of the present invention further provides a non-transitory computer-readable storage medium, on which a computer program is stored, where the computer program is implemented to perform the transmission method provided in the foregoing embodiments when executed by a processor, and for example, the method includes: acquiring and collecting various data sources in a station; performing statistical analysis on various data sources in the station to obtain real-time state information and a preprocessing result; and generating a control instruction according to the state information and the preprocessing result, and distributing the control instruction.
The above-described embodiments of the apparatus are merely illustrative, and the units described as separate parts may or may not be physically separate, and parts displayed as units may or may not be physical units, may be located in one place, or may be distributed on a plurality of network units. Some or all of the modules may be selected according to actual needs to achieve the purpose of the solution of the present embodiment. One of ordinary skill in the art can understand and implement it without inventive effort.
Through the above description of the embodiments, those skilled in the art will clearly understand that each embodiment can be implemented by software plus a necessary general hardware platform, and certainly can also be implemented by hardware. Based on such understanding, the above technical solutions may be essentially or partially implemented in the form of software products, which may be stored in a computer-readable storage medium, such as ROM/RAM, magnetic disk, optical disk, etc., and include instructions for causing a computer device (which may be a personal computer, an intelligent storage analysis unit, or a network device, etc.) to execute the method according to the embodiments or some parts of the embodiments.
Finally, it should be noted that: the above examples are only intended to illustrate the technical solution of the present invention, but not to limit it; although the present invention has been described in detail with reference to the foregoing embodiments, it will be understood by those of ordinary skill in the art that: the technical solutions described in the foregoing embodiments may still be modified, or some technical features may be equivalently replaced; and such modifications or substitutions do not depart from the spirit and scope of the corresponding technical solutions of the embodiments of the present invention.

Claims (10)

Translated fromChinese
1.一种铁路客运车站要素全面感知处理系统,其特征在于,包括:由多个前端感知设备构成的车站级平台、路局级平台以及总公司级平台;1. A comprehensive perception processing system for railway passenger station elements, characterized in that it comprises: a station-level platform, a railway bureau-level platform and a head office-level platform composed of multiple front-end perception devices;所述车站级平台用于将所述前端感知设备获取的站内多方面数据源进行汇集,并发送至所述路局级平台;The station-level platform is used to collect various data sources in the station acquired by the front-end sensing device, and send it to the road bureau-level platform;所述路局级平台用于对汇集的所述站内多方面数据源进行统计分析,获取实时状态信息及预处理结果,并发送至所述总公司级平台;The road bureau-level platform is used to perform statistical analysis on the collected multi-faceted data sources in the station, obtain real-time status information and preprocessing results, and send them to the head office-level platform;所述总公司级平台用于根据所述实时状态信息及预处理结果生成控制指令,并分发至所述车站级平台及路局级平台。The head office-level platform is configured to generate control instructions according to the real-time status information and preprocessing results, and distribute them to the station-level platform and the road bureau-level platform.2.根据权利要求1所述的铁路客运车站要素全面感知处理系统,其特征在于,所述站内多方面数据源包括:设备状态数据、环境状态数据、人员状态数据以及系统应急数据中的至少一种;2 . The comprehensive perception and processing system for elements of a railway passenger station according to claim 1 , wherein the multi-faceted data sources in the station include: at least one of equipment status data, environmental status data, personnel status data and system emergency data. 3 . kind;所述设备状态数据包括票务设备、旅服相关设备、客设相关设备、客管相关设备、视频监控设备、上水吸污设备、行李寄存设备、无障碍服务设备、定位导航设备的状态数据中的至少一个;The equipment status data includes the status data of ticketing equipment, travel service-related equipment, passenger-related equipment, passenger-management-related equipment, video surveillance equipment, Shangshui sewage suction equipment, luggage storage equipment, barrier-free service equipment, and positioning and navigation equipment. at least one of;所述环境状态数据由车站智能感知设备获取;The environmental state data is acquired by the station intelligent perception device;所述人员状态数据由操作终端上报或所述车站智能感知设备上报后统计获取。The personnel status data is reported by the operation terminal or reported by the station intelligent sensing device and obtained by statistics.3.根据权利要求1所述的铁路客运车站要素全面感知处理系统,其特征在于,所述路局级平台包括第一旅服集成系统、客管信息系统、前置服务端、后台数据库以及数据收发单元。3. The comprehensive perception processing system for railway passenger station elements according to claim 1, wherein the railway bureau level platform comprises a first travel service integration system, a passenger management information system, a front-end server, a back-end database and data Transceiver unit.4.根据权利要求1所述的铁路客运车站要素全面感知处理系统,其特征在于,所述总公司级平台还包括第二旅服集成系统、路内系统、路外系统和数据输入输出单元;4. The comprehensive perception processing system for railway passenger station elements according to claim 1, wherein the head office-level platform further comprises a second travel service integration system, an on-road system, an off-road system and a data input and output unit;所述数据输入输出单元包括环境数据接口、设备数据接口、人员数据接口、地方数据接口、一体化计划数据接口、基础数据接口以及统计分析数据接口,用于接收所述实时状态信息及预处理结果;The data input and output unit includes an environment data interface, an equipment data interface, a personnel data interface, a local data interface, an integrated plan data interface, a basic data interface, and a statistical analysis data interface for receiving the real-time status information and preprocessing results. ;所述路内系统用于通过所述环境数据接口、所述设备数据接口和/或所述人员数据接口获取所述实时状态信息及预处理结果;所述路外系统用于通过所述地方数据接口获取路外相关信息;所述第二旅服集成系统用于根据所述实时状态信息及预处理结果和所述路外相关信息生成所述控制指令,并通过所述统计分析数据接口分发至所述车站级平台。The on-road system is used to obtain the real-time status information and preprocessing results through the environment data interface, the equipment data interface and/or the personnel data interface; the off-road system is used to obtain the real-time status information and preprocessing results through the local data interface The interface obtains off-road related information; the second travel service integration system is used to generate the control instruction according to the real-time state information and preprocessing results and the off-road related information, and distribute it to the data through the statistical analysis data interface. The station-level platform.5.根据权利要求1所述的铁路客运车站要素全面感知处理系统,其特征在于,所述车站级平台、所述路局级平台以及所述总公司级平台之间通过统一的API接口进行通信。5 . The comprehensive perception processing system for railway passenger station elements according to claim 1 , wherein communication between the station-level platform, the railway bureau-level platform and the head office-level platform is performed through a unified API interface. 6 . .6.根据权利要求1所述的铁路客运车站要素全面感知处理系统,其特征在于,还包括数据集成化展示单元;6. The comprehensive perception and processing system for elements of a railway passenger station according to claim 1, further comprising a data integration display unit;所述数据集成化展示单元设置于所述车站级平台、所述路局级平台和所述总公司级平台,用于对各平台获取的数据进行集成化展示。The data integrated display unit is arranged on the station-level platform, the road bureau-level platform, and the head office-level platform, and is used for integrated display of the data obtained by each platform.7.一种利用如权利要求1-6任一所述的铁路客运车站要素全面感知处理系统进行铁路客运车站要素全面感知处理方法,其特征在于,包括:7. A method for comprehensively sensing and processing elements of a railway passenger station by utilizing the comprehensive sensing and processing system for elements of a railway passenger station according to any one of claims 1 to 6, characterized in that, comprising:获取并汇集站内多方面数据源;Obtain and aggregate multiple data sources on the site;对所述站内多方面数据源进行统计分析,获取实时状态信息及预处理结果;Perform statistical analysis on various data sources in the station to obtain real-time status information and preprocessing results;根据所述状态信息及预处理结果生成控制指令,并对所述控制指令进行分发。A control instruction is generated according to the state information and the preprocessing result, and the control instruction is distributed.8.根据权利要求7所述的铁路客运车站要素全面感知处理方法,其特征在于,在对所述站内多方面数据源进行统计分析之前,还包括对所述站内多方面数据源进行去噪处理以及归一化处理。8 . The comprehensive perception processing method for elements of a railway passenger station according to claim 7 , wherein before performing statistical analysis on the multi-faceted data sources in the station, it further comprises performing denoising processing on the multi-faceted data sources in the station. 9 . and normalization.9.一种电子设备,包括存储器、处理器及存储在存储器上并可在处理器上运行的计算机程序,其特征在于,所述处理器执行所述程序时实现如权利要求7或权利要求8所述铁路客运车站要素全面感知处理方法的步骤。9. An electronic device comprising a memory, a processor and a computer program stored on the memory and running on the processor, wherein the processor implements the program as claimed in claim 7 or claim 8 when the processor executes the program. The steps of the comprehensive perception processing method for the elements of a railway passenger station.10.一种计算机可读存储介质,其上存储有计算机程序,其特征在于,该计算机程序被处理器执行时实现如权利要求7或权利要求8所述铁路客运车站要素全面感知处理方法的步骤。10. A computer-readable storage medium on which a computer program is stored, characterized in that, when the computer program is executed by a processor, the steps of the comprehensive perception processing method for elements of a railway passenger station as claimed in claim 7 or claim 8 are implemented .
CN201911045107.7A2019-10-302019-10-30 A system and method for comprehensive perception and processing of elements in railway passenger stationPendingCN110910086A (en)

Priority Applications (1)

Application NumberPriority DateFiling DateTitle
CN201911045107.7ACN110910086A (en)2019-10-302019-10-30 A system and method for comprehensive perception and processing of elements in railway passenger station

Applications Claiming Priority (1)

Application NumberPriority DateFiling DateTitle
CN201911045107.7ACN110910086A (en)2019-10-302019-10-30 A system and method for comprehensive perception and processing of elements in railway passenger station

Publications (1)

Publication NumberPublication Date
CN110910086Atrue CN110910086A (en)2020-03-24

Family

ID=69815701

Family Applications (1)

Application NumberTitlePriority DateFiling Date
CN201911045107.7APendingCN110910086A (en)2019-10-302019-10-30 A system and method for comprehensive perception and processing of elements in railway passenger station

Country Status (1)

CountryLink
CN (1)CN110910086A (en)

Cited By (9)

* Cited by examiner, † Cited by third party
Publication numberPriority datePublication dateAssigneeTitle
CN111506688A (en)*2020-04-092020-08-07中国铁道科学研究院集团有限公司电子计算技术研究所 A visualization integrated display method of multi-source data in railway passenger station
CN111598482A (en)*2020-05-262020-08-28中国国家铁路集团有限公司 A railway transportation safety assessment method, device and computer equipment
CN112163982A (en)*2020-09-142021-01-01交控科技股份有限公司Urban rail multi-level data platform and data processing method
CN112233003A (en)*2020-09-042021-01-15中国铁道科学研究院集团有限公司电子计算技术研究所Green intelligent passenger station system and integration method
CN113879371A (en)*2021-11-042022-01-04中国铁道科学研究院集团有限公司通信信号研究所 An urban rail transit interconnection network planning and dispatching system and processing method
CN113965605A (en)*2021-12-222022-01-21中铁第一勘察设计院集团有限公司Intelligent subway grading management and control system and method thereof
CN114511404A (en)*2022-02-172022-05-17中国建设银行股份有限公司Intelligent vault management platform, method and equipment based on Internet of things
CN114610781A (en)*2022-03-172022-06-10周云燕 Internet Information Integration System
CN115933869A (en)*2022-11-012023-04-07中国铁道科学研究院集团有限公司 Station management method and device based on AR equipment

Citations (4)

* Cited by examiner, † Cited by third party
Publication numberPriority datePublication dateAssigneeTitle
CN103264717A (en)*2013-05-212013-08-28北京泰乐德信息技术有限公司Rail transit comprehensive monitoring scheduling coordinating and operation and maintenance information-based system
CN106657236A (en)*2016-10-102017-05-10上海瀚所信息技术有限公司Railway location information management network system based on location cloud platform
CN108171410A (en)*2017-12-212018-06-15天津联合智选科技有限公司A kind of railway freight wisdom station total management system and its application
US20190248390A1 (en)*2018-02-152019-08-15Hi-Tec Security Systems Ltd.Track intrusion detection system

Patent Citations (4)

* Cited by examiner, † Cited by third party
Publication numberPriority datePublication dateAssigneeTitle
CN103264717A (en)*2013-05-212013-08-28北京泰乐德信息技术有限公司Rail transit comprehensive monitoring scheduling coordinating and operation and maintenance information-based system
CN106657236A (en)*2016-10-102017-05-10上海瀚所信息技术有限公司Railway location information management network system based on location cloud platform
CN108171410A (en)*2017-12-212018-06-15天津联合智选科技有限公司A kind of railway freight wisdom station total management system and its application
US20190248390A1 (en)*2018-02-152019-08-15Hi-Tec Security Systems Ltd.Track intrusion detection system

Cited By (11)

* Cited by examiner, † Cited by third party
Publication numberPriority datePublication dateAssigneeTitle
CN111506688A (en)*2020-04-092020-08-07中国铁道科学研究院集团有限公司电子计算技术研究所 A visualization integrated display method of multi-source data in railway passenger station
CN111506688B (en)*2020-04-092024-02-27中国铁道科学研究院集团有限公司电子计算技术研究所Multi-source data visual integrated display method for railway passenger station
CN111598482A (en)*2020-05-262020-08-28中国国家铁路集团有限公司 A railway transportation safety assessment method, device and computer equipment
CN111598482B (en)*2020-05-262023-08-08中国国家铁路集团有限公司Railway transportation safety assessment method and device and computer equipment
CN112233003A (en)*2020-09-042021-01-15中国铁道科学研究院集团有限公司电子计算技术研究所Green intelligent passenger station system and integration method
CN112163982A (en)*2020-09-142021-01-01交控科技股份有限公司Urban rail multi-level data platform and data processing method
CN113879371A (en)*2021-11-042022-01-04中国铁道科学研究院集团有限公司通信信号研究所 An urban rail transit interconnection network planning and dispatching system and processing method
CN113965605A (en)*2021-12-222022-01-21中铁第一勘察设计院集团有限公司Intelligent subway grading management and control system and method thereof
CN114511404A (en)*2022-02-172022-05-17中国建设银行股份有限公司Intelligent vault management platform, method and equipment based on Internet of things
CN114610781A (en)*2022-03-172022-06-10周云燕 Internet Information Integration System
CN115933869A (en)*2022-11-012023-04-07中国铁道科学研究院集团有限公司 Station management method and device based on AR equipment

Similar Documents

PublicationPublication DateTitle
CN110910086A (en) A system and method for comprehensive perception and processing of elements in railway passenger station
CN108418902B (en)Intelligent railway comprehensive transportation junction integrated control system
CN108242149B (en)Big data analysis method based on traffic data
Meredith-Karam et al.The relationship between ridehailing and public transit in Chicago: A comparison before and after COVID-19
CN112598182A (en)Intelligent scheduling method and system for rail transit
WO2019137312A1 (en)Low current integrated system for rail transport
CN109597867A (en)A kind of emergence treating method and system based on GIS
CN112233003A (en)Green intelligent passenger station system and integration method
CN110171757A (en)Elevator maintenance system based on the support of Internet of Things big data
CN103116917B (en)A kind of public transport intelligent parking field control method based on GPS
CN111246430A (en)Network platform for railway intelligent passenger station and construction method thereof
CN112561284A (en)Urban rail transit emergency command system and method
CN105976601A (en)Big-data-based intelligent control system
CN109063576B (en)Management method and device for flight action nodes
CN113160604A (en)Bus management method and system based on artificial intelligence
CN110852155A (en) Bus passenger congestion detection method, system, device and storage medium
CN103809586A (en)Fault analyzing and diagnosing system and method of railway dispatching orders
CN115035725A (en)Passenger flow statistical method and system based on machine vision
CN117768500A (en)Cloud side-based intelligent station system and interaction method, equipment and medium thereof
RU2307041C1 (en)Monitoring system of traffic control technological discipline
CN111126835B (en)Public vehicle management method based on Beidou satellite positioning
KR101246109B1 (en)Driver evaluation and management system by using smart phone and method thereof
CN106448155A (en)System for real-time transmitting crowded level inside bus based on public transport IC card
CN202694569U (en)Bus dispatch system
CN113762543A (en) A bus operation and maintenance system

Legal Events

DateCodeTitleDescription
PB01Publication
PB01Publication
SE01Entry into force of request for substantive examination
SE01Entry into force of request for substantive examination
RJ01Rejection of invention patent application after publication
RJ01Rejection of invention patent application after publication

Application publication date:20200324


[8]ページ先頭

©2009-2025 Movatter.jp