Movatterモバイル変換


[0]ホーム

URL:


CN110854073B - 栅极的制造方法 - Google Patents

栅极的制造方法
Download PDF

Info

Publication number
CN110854073B
CN110854073BCN201911174112.8ACN201911174112ACN110854073BCN 110854073 BCN110854073 BCN 110854073BCN 201911174112 ACN201911174112 ACN 201911174112ACN 110854073 BCN110854073 BCN 110854073B
Authority
CN
China
Prior art keywords
layer
hard mask
mask layer
etch
etching
Prior art date
Legal status (The legal status is an assumption and is not a legal conclusion. Google has not performed a legal analysis and makes no representation as to the accuracy of the status listed.)
Active
Application number
CN201911174112.8A
Other languages
English (en)
Other versions
CN110854073A (zh
Inventor
庄望超
Current Assignee (The listed assignees may be inaccurate. Google has not performed a legal analysis and makes no representation or warranty as to the accuracy of the list.)
Shanghai Huali Integrated Circuit Manufacturing Co Ltd
Original Assignee
Shanghai Huali Integrated Circuit Manufacturing Co Ltd
Priority date (The priority date is an assumption and is not a legal conclusion. Google has not performed a legal analysis and makes no representation as to the accuracy of the date listed.)
Filing date
Publication date
Application filed by Shanghai Huali Integrated Circuit Manufacturing Co LtdfiledCriticalShanghai Huali Integrated Circuit Manufacturing Co Ltd
Priority to CN201911174112.8ApriorityCriticalpatent/CN110854073B/zh
Publication of CN110854073ApublicationCriticalpatent/CN110854073A/zh
Application grantedgrantedCritical
Publication of CN110854073BpublicationCriticalpatent/CN110854073B/zh
Activelegal-statusCriticalCurrent
Anticipated expirationlegal-statusCritical

Links

Images

Classifications

Landscapes

Abstract

本申请公开了一种栅极的制造方法,该方法包括:提供一衬底,衬底上形成有至少两个栅极结构,每个栅极结构从下而上依次包括交叠的多晶硅层、第一硬掩模层和第二硬掩模层;在衬底上覆盖回刻阻挡层,回刻阻挡层覆盖栅极结构;对回刻阻挡层进行刻蚀,使第一硬掩模层和第二硬掩模层暴露;对第一硬掩模层和第二硬掩模层进行回刻蚀;去除回刻阻挡层,在栅极结构的周侧形成侧墙;去除第一硬掩模层和第二硬掩模层;在衬底上形成氧化层,氧化层覆盖多晶硅层。本申请通过对第一硬掩模层和第二硬掩模层进行回刻蚀使栅极结构的表面形貌变得较为平整,从而能够降低后续形成的氧化层过程中产生空洞的几率,提高了半导体器件的良率。

Description

栅极的制造方法
技术领域
本申请涉及集成电路制造技术领域,具体涉及一种栅极的制造方法。
背景技术
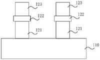
图1至图3示出了相关技术提供的28纳米工艺节点以下的半导体器件的栅极的制造方法的示意图。如图1所示,在第一阶段,提供一衬底110,衬底110上形成有至少两个(图1至图3中以两个栅极结构做示例性说明)栅极结构,该栅极结构从下而上依次包括多晶硅层121、第一硬掩模层122和第二硬掩模层123;如图2所示,在第二阶段,在栅极结构的周侧形成侧墙130;如图3所示,在第二阶段,对第一硬掩模层122和第二硬掩模层123进行刻蚀,在衬底110和栅极结构的表面形成氧化层140。
然而,如图3所示,由于相关技术中提供的栅极的制造工艺难以控制栅极结构的表面形貌(例如产生如图2虚线部分的突起),因此后续对第一硬掩模层122和第二硬掩模层123进行去除后,侧墙130的开口向外,形成的氧化层140会有一定的几率出现层间空洞141,影响半导体器件的良率。
发明内容
本申请提供了一种栅极的制造方法,可以解决相关技术中提供的栅极的制造方法良率较低的问题。
一方面,本申请提供了一种栅极的制造方法,包括:
提供一衬底,所述衬底上形成有至少两个栅极结构,每个栅极结构从下而上依次包括交叠的多晶硅层、第一硬掩模层和第二硬掩模层;
在所述衬底上覆盖回刻阻挡层,所述回刻阻挡层覆盖所述栅极结构;
对所述回刻阻挡层进行刻蚀,使所述第一硬掩模层和所述第二硬掩模层暴露;
对所述第一硬掩模层和第二硬掩模层进行回刻蚀;
去除所述回刻阻挡层,在所述栅极结构的周侧形成侧墙;
去除所述第一硬掩模层和第二硬掩模层;
在所述衬底上形成氧化层,所述氧化层覆盖所述多晶硅层。
可选的,所述对所述第一硬掩模层和第二硬掩模层进行回刻蚀,包括:
通过干法刻蚀工艺对所述第一硬掩模层和第二硬掩模层进行回刻蚀。
可选的,所述干法刻蚀工艺的反应气体包括:氧气,或者氧气和氢气。
可选的,对所述第一硬掩模层和第二硬掩模层进行回刻蚀的时间为5秒至11秒。
可选的,所述在所述栅极结构的周侧形成侧墙,包括:
在所述栅极结构的表面沉积侧墙层;
在所述侧墙层表面沉积侧墙保护层;
去除所述栅极结构顶层和所述栅极结构之间的侧墙保护层;
去除所述栅极结构顶层和所述栅极结构之间的侧墙层,以及剩余的侧墙保护层,所述侧墙结构周侧的侧墙层形成所述侧墙。
可选的,所述侧墙层包括氮化物。
可选的,所述侧墙保护层包括氧化物、氮化物、钛化物以及铊化物中的至少一种。
可选的,所述回刻阻挡层包括光阻;
所述对所述回刻阻挡层进行刻蚀,包括:
通过显影液对所述回刻阻挡层进行刻蚀。
可选的,所述回刻阻挡层包括DUO材料;
所述对所述回刻阻挡层进行刻蚀,包括:
通过化学清洗溶液对所述回刻阻挡层进行刻蚀,所述化学清洗溶液包括H2O2、环丁砜以及四甲基氢氧化铵中的至少一种。
可选的,所述回刻阻挡层包括BARC;
所述对所述回刻阻挡层进行刻蚀,包括:
通过干式灰化工艺对所述回刻阻挡层进行刻蚀。
可选的,所述第一硬掩模层包括氮化物。
可选的,所述第二硬掩模层包括氧化物。
可选的,所述在所述衬底上形成氧化层之前,还包括:
去除所述多晶硅层;
在所述多晶硅层被去除的区域形成金属层。
可选的,所述金属层和所述衬底之间还形成有高介电常数层。
可选的,所述在所述衬底上形成氧化层之后,还包括:
对所述氧化层进行平坦化处理。
本申请技术方案,至少包括如下优点:
通过在栅极的制造过程中,在栅极结构形成之后,在衬底上覆盖回刻阻挡层,对回刻阻挡层进行刻蚀,使第一硬掩模层和所述第二硬掩模层暴露后,对第一硬掩模层和第二硬掩模层进行回刻蚀使栅极结构的表面形貌变得较为平整,从而能够降低后续形成的氧化层过程中产生空洞的几率,提高了半导体器件的良率。
附图说明
为了更清楚地说明本申请具体实施方式或现有技术中的技术方案,下面将对具体实施方式或现有技术描述中所需要使用的附图作简单地介绍,显而易见地,下面描述中的附图是本申请的一些实施方式,对于本领域普通技术人员来讲,在不付出创造性劳动的前提下,还可以根据这些附图获得其他的附图。
图1至图3是相关技术中栅极的制造方法的示意图;
图4是本申请一个示例性实施例提供的栅极的制造方法的流程图;
图5至图10是本申请一个示例性实施例提供的栅极的制造方法的示意图。
具体实施方式
下面将结合附图,对本申请中的技术方案进行清楚、完整的描述,显然,所描述的实施例是本申请的一部分实施例,而不是全部的实施例。基于本申请中的实施例,本领域普通技术人员在不做出创造性劳动的前提下所获得的所有其它实施例,都属于本申请保护的范围。
在本申请的描述中,需要说明的是,术语“中心”、“上”、“下”、“左”、“右”、“竖直”、“水平”、“内”、“外”等指示的方位或位置关系为基于附图所示的方位或位置关系,仅是为了便于描述本申请和简化描述,而不是指示或暗示所指的装置或元件必须具有特定的方位、以特定的方位构造和操作,因此不能理解为对本申请的限制。此外,术语“第一”、“第二”、“第三”仅用于描述目的,而不能理解为指示或暗示相对重要性。
在本申请的描述中,需要说明的是,除非另有明确的规定和限定,术语“安装”、“相连”、“连接”应做广义理解,例如,可以是固定连接,也可以是可拆卸连接,或一体地连接;可以是机械连接,也可以是电气连接;可以是直接相连,也可以通过中间媒介间接相连,还可以是两个元件内部的连通,可以是无线连接,也可以是有线连接。对于本领域的普通技术人员而言,可以具体情况理解上述术语在本申请中的具体含义。
此外,下面所描述的本申请不同实施方式中所涉及的技术特征只要彼此之间未构成冲突就可以相互结合。
图4示出了本申请一个示例性实施例提供的栅极的制造方法的流程图,该方法包括:
步骤401,提供一衬底,该衬底上形成有至少两个栅极结构,每个栅极结构从下而上依次包括交叠的多晶硅层、第一硬掩模层和第二硬掩模层。
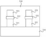
参考图5,其示出了本实施例提供的衬底510以及形成于衬底上的至少两个栅极结构。该栅极结构从下而上依次包括交叠的多晶硅层521、第一硬掩模层522和第二硬掩模层523。可选的,第一硬掩模层522包括氮化物(例如氮化硅),第二硬掩模层523包括氧化物(例如二氧化硅)。该衬底510包括未掺杂的单晶硅、掺杂有杂质的单晶硅以及绝缘体上硅(Silicon-On-Insulator,SOI)中的至少一种。
步骤402,在衬底上覆盖回刻阻挡层,回刻阻挡层覆盖栅极结构。
参考图6,在衬底510上覆盖回刻阻挡层530,该回刻阻挡层530覆盖了栅极结构。可选的,该回刻阻挡层530包括光阻、深紫外线吸收氧化(Deep Ultra Violet LightAbsorbing Oxide,DUO)材料或者底部防反射涂料(Bottom Anti Reflective Coating,BARC)。
步骤403,对回刻阻挡层进行刻蚀,使第一硬掩模层和第二硬掩模层暴露。
参考图7,对回刻阻挡层530进行刻蚀后,第一硬掩模层522和第二硬掩模层523暴露在外。
当回刻阻挡层530包括光阻时,步骤403中“对回刻阻挡层进行刻蚀”包括但不限于:通过显影液对回刻阻挡层530进行刻蚀。
当回刻阻挡层530包括DUO材料时,步骤403中“对回刻阻挡层进行刻蚀”包括但不限于:通过化学清洗溶液对回刻阻挡层530进行刻蚀。其中,化学清洗溶液包括H2O2、环丁砜以及四甲基氢氧化铵中的至少一种。
当回刻阻挡层530包括BARC时,步骤403中“对回刻阻挡层进行刻蚀”包括但不限于:通过干式灰化工艺对回刻阻挡层530进行刻蚀。
步骤404,对第一硬掩模层和第二硬掩模层进行回刻蚀。
参考图8,对第一硬掩模层522和第二硬掩模层523进行回刻蚀后,栅极结构周侧的形貌变得较为平滑。可选的,步骤404中,“对第一硬掩模层和第二硬掩模层进行回刻蚀”包括但不限于:通过干法刻蚀工艺对第一硬掩模层522和第二硬掩模层523进行回刻蚀;可选的,干法刻蚀工艺的反应气体包括氧气(O2),或者氧气和氢气(H2);可选的,对第一硬掩模层522和第二硬掩模层523进行回刻蚀的时间为5秒至11秒。通过在反应气体中增加氢气能够去除生产过程中的副产物。
步骤405,去除回刻阻挡层,在栅极结构的周侧形成侧墙。
参考图9,去除回刻阻挡层后,在栅极结构的周侧形成侧墙540。
步骤406,去除第一硬掩模层和第二硬掩模层。
示例性的,第一硬掩模层522包括氮化物,可通过湿法刻蚀工艺对第一硬掩模层522进行去除,该湿法刻蚀工艺的反应溶液包括磷酸(H3PO4);第二硬掩模层523包括氧化物,可通过干法刻蚀工艺对第二硬掩模层523进行去除,该干法刻蚀工艺的反应气体包括四氟化碳(CF4)。
可选的,本实施例中,在去除第一硬掩模层522和第二硬掩模层523之前,在侧墙540上形成接触孔停止层560。
步骤407,在衬底上形成氧化层,该氧化层覆盖多晶硅层。
参考图10,去除第一硬掩模层522和第二硬掩模层523后,在衬底510上形成氧化层550,由于步骤402至步骤404中对第一硬掩模层522和第二硬掩模层523进行了回刻蚀,后续形成的侧墙540的开口向内,故形成的氧化层550中没有形成空洞。
可选的,步骤407中“在衬底上形成氧化层”之后,还包括:对氧化层550进行平坦化处理;可选的,可通过化学机械抛光(Chemical Mechanical Polishing,CMP)工艺对氧化层550进行平坦化处理。
综上所述,本实施例中,通过在栅极的制造过程中,在栅极结构形成之后,在衬底上覆盖回刻阻挡层,对回刻阻挡层进行刻蚀,使第一硬掩模层和所述第二硬掩模层暴露后,对第一硬掩模层和第二硬掩模层进行回刻蚀使栅极结构的表面形貌变得较为平整,从而能够降低后续形成的氧化层过程中产生空洞的几率,提高了半导体器件的良率。
在一个可选的实施例中,图4实施例中的步骤405中“在栅极结构的周侧形成侧墙”包括但不限于:在栅极结构的表面沉积侧墙层;在侧墙层表面沉积侧墙保护层;去除栅极结构顶层和栅极结构之间的侧墙保护层;去除栅极结构顶层和栅极结构之间的侧墙层,以及剩余的侧墙保护层,该侧墙结构周侧的侧墙层形成侧墙540。在第一阶段的刻蚀去除过程中,栅极结构周侧的侧墙保护层被减薄,栅极结构顶层和栅极结构之间的侧墙保护层被去除;在第二阶段的刻蚀去除过程中,栅极结构周侧的侧墙保护层被去除,侧墙层的厚度减薄的较小。
可选的,侧墙层包括氮化物(例如氮化硅);可选的,侧墙保护层包括氧化物、氮化物、钛化物以及铊化物中的至少一种。
本实施例中,通过在对侧墙层刻蚀前,在侧墙层上生成侧墙保护层,通过第一阶段以对侧墙保护层为主的刻蚀,以及第二阶段以对侧墙层为主的刻蚀,从而使栅极结构周侧的侧墙层的厚度不会被减薄过多,从而解决了侧墙540的突起对后续的平坦化处理的影响,在一定程度上提高了半导体器件的良率。
在一个可选的实施例中,图4实施例中的步骤407“在衬底上形成氧化层”之前,还包括:去除多晶硅层;在多晶硅层被去除的区域形成金属层。金属层和衬底之间还形成有高介电常数层,金属层和高介电常数层形成高介电常数金属栅极(High-k Metal Gate,HKMG)。
显然,上述实施例仅仅是为清楚地说明所作的举例,而并非对实施方式的限定。对于所属领域的普通技术人员来说,在上述说明的基础上还可以做出其它不同形式的变化或变动。这里无需也无法对所有的实施方式予以穷举。而由此所引伸出的显而易见的变化或变动仍处于本申请创造的保护范围之中。

Claims (12)

CN201911174112.8A2019-11-262019-11-26栅极的制造方法ActiveCN110854073B (zh)

Priority Applications (1)

Application NumberPriority DateFiling DateTitle
CN201911174112.8ACN110854073B (zh)2019-11-262019-11-26栅极的制造方法

Applications Claiming Priority (1)

Application NumberPriority DateFiling DateTitle
CN201911174112.8ACN110854073B (zh)2019-11-262019-11-26栅极的制造方法

Publications (2)

Publication NumberPublication Date
CN110854073A CN110854073A (zh)2020-02-28
CN110854073Btrue CN110854073B (zh)2022-05-27

Family

ID=69604678

Family Applications (1)

Application NumberTitlePriority DateFiling Date
CN201911174112.8AActiveCN110854073B (zh)2019-11-262019-11-26栅极的制造方法

Country Status (1)

CountryLink
CN (1)CN110854073B (zh)

Families Citing this family (1)

* Cited by examiner, † Cited by third party
Publication numberPriority datePublication dateAssigneeTitle
CN111524854B (zh)*2020-04-272022-08-16华虹半导体(无锡)有限公司应用于后道工序中的刻蚀方法

Family Cites Families (11)

* Cited by examiner, † Cited by third party
Publication numberPriority datePublication dateAssigneeTitle
KR101016334B1 (ko)*2003-07-182011-02-22매그나칩 반도체 유한회사반도체 소자의 게이트 전극 형성방법
US7220635B2 (en)*2003-12-192007-05-22Intel CorporationMethod for making a semiconductor device with a metal gate electrode that is formed on an annealed high-k gate dielectric layer
JP2006319164A (ja)*2005-05-132006-11-24Renesas Technology Corp半導体装置の製造方法
KR20070032476A (ko)*2005-09-162007-03-22주식회사 하이닉스반도체반도체 소자의 제조방법
CN100580882C (zh)*2007-04-282010-01-13中芯国际集成电路制造(上海)有限公司一种dram的多晶硅栅极制作方法
KR101026486B1 (ko)*2008-10-222011-04-01주식회사 하이닉스반도체반도체 소자 및 그의 제조방법
JP5739257B2 (ja)*2010-08-052015-06-24株式会社半導体エネルギー研究所半導体装置の作製方法
US9337103B2 (en)*2012-12-072016-05-10Taiwan Semiconductor Manufacturing Co., Ltd.Method for removing hard mask oxide and making gate structure of semiconductor devices
US20150076624A1 (en)*2013-09-192015-03-19GlobalFoundries, Inc.Integrated circuits having smooth metal gates and methods for fabricating same
CN108597991B (zh)*2018-05-112021-08-10上海华力集成电路制造有限公司光阻回刻制程方法
CN109037054B (zh)*2018-07-132020-11-24上海华力集成电路制造有限公司栅极侧墙的制造方法

Also Published As

Publication numberPublication date
CN110854073A (zh)2020-02-28

Similar Documents

PublicationPublication DateTitle
JP2000012676A (ja)半導体装置のトレンチ素子分離方法
US20070148979A1 (en)Method for fabricating semiconductor device having top round recess pattern
US20060063348A1 (en)Method of forming improved rounded corners in STI features
JP5131804B2 (ja)フラッシュメモリ素子の製造方法
CN110854073B (zh)栅极的制造方法
CN100442472C (zh)制造半导体器件的方法
CN102157435B (zh)接触孔形成方法
CN111244167A (zh)栅极沟槽填充方法
CN114242574B (zh)金属栅极上介质层刻蚀方法
US8921183B2 (en)Method for fabricating trench isolation structure
CN106486364B (zh)三维晶体管的形成方法
CN112164647B (zh)沟槽刻蚀的方法
CN114038791A (zh)Sti结构的制备方法
CN114496902A (zh)具有tcr的sti结构的制作方法
CN114446891A (zh)一种半导体结构的形成方法、结构以及存储器
CN107958927B (zh)一种金属栅填充的改善方法
JP4844077B2 (ja)半導体装置の製造方法
KR100700284B1 (ko)반도체소자의 트랜치 소자분리막 형성방법
CN114023879B (zh)表面粗糙的多晶硅结构的刻蚀方法
CN104882471A (zh)一种深沟槽隔离结构及其制备方法
JPH11274288A (ja)半導体装置の製造方法
CN111640674B (zh)带有阶梯型氧化层半导体器件及其制作方法
TWI518842B (zh)半導體元件的製造方法
KR100772562B1 (ko)벌브 리세스 게이트를 갖는 반도체 소자의 제조방법
WO2011150539A1 (zh)半导体器件和栅极堆叠的制造方法

Legal Events

DateCodeTitleDescription
PB01Publication
PB01Publication
SE01Entry into force of request for substantive examination
SE01Entry into force of request for substantive examination
GR01Patent grant
GR01Patent grant

[8]ページ先頭

©2009-2025 Movatter.jp