Movatterモバイル変換


[0]ホーム

URL:


CN110827470B - Environment-friendly full-automatic integrated vending cabinet and system - Google Patents

Environment-friendly full-automatic integrated vending cabinet and system
Download PDF

Info

Publication number
CN110827470B
CN110827470BCN201911109487.6ACN201911109487ACN110827470BCN 110827470 BCN110827470 BCN 110827470BCN 201911109487 ACN201911109487 ACN 201911109487ACN 110827470 BCN110827470 BCN 110827470B
Authority
CN
China
Prior art keywords
access
control system
automatic
box
selling
Prior art date
Legal status (The legal status is an assumption and is not a legal conclusion. Google has not performed a legal analysis and makes no representation as to the accuracy of the status listed.)
Active
Application number
CN201911109487.6A
Other languages
Chinese (zh)
Other versions
CN110827470A (en
Inventor
庞镜宇
刘天辰
刘云
Current Assignee (The listed assignees may be inaccurate. Google has not performed a legal analysis and makes no representation or warranty as to the accuracy of the list.)
Shanghai Yunhao Intelligent Digital Technology Co ltd
Original Assignee
Shanghai Yunzhivendor Software Technology Co ltd
Priority date (The priority date is an assumption and is not a legal conclusion. Google has not performed a legal analysis and makes no representation as to the accuracy of the date listed.)
Filing date
Publication date
Application filed by Shanghai Yunzhivendor Software Technology Co ltdfiledCriticalShanghai Yunzhivendor Software Technology Co ltd
Priority to CN201911109487.6ApriorityCriticalpatent/CN110827470B/en
Publication of CN110827470ApublicationCriticalpatent/CN110827470A/en
Application grantedgrantedCritical
Publication of CN110827470BpublicationCriticalpatent/CN110827470B/en
Activelegal-statusCriticalCurrent
Anticipated expirationlegal-statusCritical

Links

Images

Classifications

Landscapes

Abstract

The invention provides an environment-friendly full-automatic integrated selling cabinet which comprises a cabinet body, a storage rack, a storing and taking mechanism, a lifting device and a control system. The buffet body is including selling recovery area and cleaning area. The storage rack comprises a shelf and an access channel. The access mechanism is arranged on the lifting device through a horizontal support frame, can vertically lift and move along with the lifting device, can transversely move along an access channel relative to the horizontal support frame, and comprises a chassis and an access part. The access part is arranged above the chassis and can rotate 360 degrees relative to the chassis, and the access part comprises two clamping mechanical arms which are arranged in parallel. The environment-friendly full-automatic integrated selling cabinet and system provided by the invention can realize various functions (selling, recovering, cleaning and storing) by sharing one rotatable access mechanism, can truly realize full-automatic unmanned selling, recovering, cleaning, disinfecting and storing, and can meet diversified requirements of customers.

Description

Environment-friendly full-automatic integrated vending cabinet and system
Technical Field
The invention relates to the technical field of three-dimensional containers, in particular to an environment-friendly full-automatic integrated selling dining cabinet and system.
Background
Nowadays, the rhythm of modern life is faster and faster, and especially in the metropolis, the physical stores selling the food and beverage have the defects of low efficiency, long distance, slow meal delivery and the like. To address this problem, automated food vending machines have been designed that can quickly vend food to customers in response to their needs.
The common automatic food selling machine in the market has single function, the food sold is a finished product packaged by a disposable plastic meal box, the food is often limited to monotonous foods, and various food combinations can not be provided for selection according to the requirements of customers.
In addition, although the disposable plastic lunch box brings great convenience to life and work of people, the disposable plastic lunch box also brings the problem of environmental pollution. In contrast, a meal selling machine capable of recycling the environment-friendly meal box or a meal selling machine provided with cleaning equipment is already available on the market, the former still needs to manually convey the environment-friendly meal box to a cleaning and disinfecting point for disinfection and reuse, the process is complicated, the utilization rate of each environment-friendly meal box is greatly reduced, and the cost is correspondingly increased; although the cleaning equipment is arranged on the food selling machine, the food selling machine is divided into different functional areas, manual intervention or conveying equipment (such as a conveying robot, an automatic conveying line and the like) is still needed for conveying the environment-friendly meal boxes from one functional area to the other functional area, the efficiency is low, the cost is high, the occupied area is large, and the popularization and the use are not facilitated. Therefore, at present, no integrated selling cabinet which can really realize full-automatic selling, recycling, cleaning, disinfecting and storing, meet diversified demands of customers and is low in cost is available in the market.
Disclosure of Invention
The invention aims to solve the problems and provides an environment-friendly full-automatic integrated vending cabinet and system, which overcome the technical problems of the traditional vending cabinet, and can realize various different functions (vending, recycling, cleaning, disinfecting and storing) by sharing one rotatable access mechanism through the optimized design and mutual reasonable layout of a plurality of mechanisms such as a vending recovery area, a cleaning area, a rotatable access mechanism and the like, thereby realizing full automation and improving the efficiency; compared with the food selling machine in the prior art (conveying equipment or manual intervention is required to be arranged between each functional area), the cost is greatly reduced by only using one access mechanism, and the integrated design and the compact layout ensure that the whole dining cabinet has compact structure, small occupied area and convenient popularization and use, can realize full-automatic unmanned selling, recycling, cleaning, disinfecting and storing in a real sense, and can meet the diversified requirements of customers.
In order to achieve the purpose, the technical scheme adopted by the invention is as follows:
the utility model provides a dining cabinet is sold to full-automatic integration of environmental protection, includes the dining cabinet body, stores frame, access mechanism, can follow hoisting device and the control system that vertical direction reciprocated, wherein:
the cabinet body comprises a selling recovery area and a cleaning area;
the storage rack is arranged at the rear end of the selling and recycling area and comprises a multi-layer shelf for storing lunch boxes; an access channel is formed between the storage rack and the front end of the selling recovery area;
an access channel capable of allowing the access mechanism to walk and rotate therein, the access channel having a first end and a second end;
the lifting device is arranged at the second end of the access channel;
the whole access mechanism is arranged on the lifting device through a horizontal support frame, can vertically lift and move along with the lifting device, can transversely move between a first end and a second end of the access channel along the access channel relative to the horizontal support frame, and comprises a chassis and an access part;
the access part is arranged above the chassis, can rotate 360 degrees relative to the chassis as a whole, and comprises two clamping mechanical arms which are arranged in parallel;
each clamping manipulator can stretch relative to the chassis and is used for clamping lunch boxes;
the front end of the selling recovery area is also provided with an access port and an information interaction device,
an access opening for providing the cutlery box to a consumer and/or for retrieving the cutlery box;
the information interaction device is used for inputting and outputting information;
the cleaning area is communicated with the first end of the access channel, and automatic cleaning equipment is arranged at the top of the cleaning area;
the automatic cleaning equipment is used for cleaning the lunch box;
the control system is electrically connected with the access mechanism, the lifting device, the automatic cleaning equipment and the information interaction device respectively; which is arranged to generate and send execution instructions to the access mechanism, the lifting device, the automatic cleaning apparatus, and the information interaction device in response to an information input by the information interaction device;
the access mechanism is arranged to take out the lunch boxes from the corresponding shelves to the access opening and/or recycle and convey the lunch boxes in the access opening to the cleaning area in response to the received execution instruction.
In a further embodiment, each of the gripping manipulators comprises a telescopic part, a gripping part and a connecting shaft, the telescopic part and the gripping part are connected through the connecting shaft, and the gripping part can rotate around the axis of the connecting shaft.
In a further embodiment, each of the telescoping portions includes a front rail and a center rail,
the front rail extends and retracts along the track direction of the middle rail through a belt transmission mechanism fixedly arranged on the middle rail;
the clamping part is connected with the front rail through a connecting shaft.
In a further embodiment, the access mechanism horizontally and transversely moves through a synchronous belt transmission mechanism;
the synchronous belt transmission mechanism comprises a driving device, a driving belt wheel, a driven belt wheel and a synchronous belt;
the driving device, the driving belt wheel and the driven belt wheel are respectively and fixedly arranged on the horizontal support frame, and the driving belt wheel drives the driven belt wheel to rotate under the driving of the driving device so as to drive the synchronous belt to transversely move along the access channel;
the chassis of the access mechanism is fixedly connected with the synchronous belt.
In a further embodiment, a garbage disposal area is further arranged below the front end of the vending recovery area, the garbage disposal area is located below the side of the access opening, the garbage disposal area is provided with a garbage recovery box and an automatic push-pull device electrically connected with the control system, the automatic push-pull device comprises a motor, a telescopic sleeve and a telescopic rod, and the telescopic rod is sleeved in the telescopic sleeve and can be driven by the motor to move telescopically in a space defined by the telescopic sleeve;
the garbage recycling bin is connected with the telescopic rod.
In a further embodiment, the bottom of the garbage recycling bin is also provided with a pulley;
the cabinet body is also provided with a slide rail matched with the pulley, and the position of the slide rail corresponds to the position of the pulley at the bottom of the garbage recycling bin;
a filter screen is arranged in the garbage recycling bin and is arranged horizontally.
In a further embodiment, the cupboard further comprises a visual identification device arranged at the access port;
the visual identification device is electrically connected with the control system and used for visually scanning the lunch boxes placed at the access opening and feeding the lunch boxes back to the control system.
In a further embodiment, each goods space on the shelf has a unique goods space number, and each lunch box has a unique lunch box number;
a pressure sensor electrically connected with the control system is arranged below each cargo space;
the pressure sensor is used for sensing whether the lunch box is placed on the goods space or not and feeding back the lunch box to the control system;
the control system is also provided with a timer module and a database module;
the database module is used for storing the serial numbers of the goods space, the serial numbers of the lunch boxes placed on the goods space and the time threshold values corresponding to the serial numbers of the lunch boxes;
when pressure sensor senses the goods and has placed the cutlery box on the position, the timer module begins the timing, and control system transfers price or retrieves the cutlery box according to the time that the cutlery box was placed and the time threshold value that the cutlery box serial number corresponds.
In a further embodiment, the cupboard further comprises a wireless transceiver electrically connected with the control system, and the wireless transceiver is used for establishing network connection between the control system and the remote server and between the control system and the terminal.
In a further embodiment, the information interaction device comprises an input device and an output device; the input device and the output device are both electrically connected with the control system.
The input device comprises at least one of a keyboard, a button, a voice input device and a touch screen;
the output device is a display screen which is used for displaying the food variety, the quantity, the nutritional value, the price and the supply duration corresponding to each meal box.
According to the improvement of the invention, the invention also provides an environment-friendly full-automatic integrated vending cabinet system, which comprises the environment-friendly full-automatic integrated vending cabinet and a lunch box;
cutlery box for hold the food of waiting to sell, it includes that cutlery box and disposable plastics cutlery box are retrieved to the feature of environmental protection.
Compared with the prior art, the environment-friendly full-automatic integrated selling cabinet and the system have the obvious beneficial effects that,
through the optimized design and mutual reasonable layout of a plurality of mechanisms such as a selling recovery area, a cleaning area, a rotatable access mechanism and the like, a plurality of different functions (shelf loading, selling, recovering, cleaning, disinfecting and storing of meal boxes) can be realized by sharing one rotatable access mechanism and one access channel, the whole process is automatic, and the efficiency is improved; compared with the food selling machine in the prior art (conveying equipment or manual intervention is required to be arranged between each functional area), the cost is greatly reduced by only using one access mechanism, and the integrated design and the compact layout ensure that the whole dining cabinet has compact structure, small occupied area and convenient popularization and use, can realize full-automatic unmanned selling, recycling, cleaning, disinfecting and storing in a real sense, and can meet the diversified requirements of customers. In addition, the food cabinet and the food selling system can monitor the food selling time in real time, the food selling at different selling times is sold at different prices, the food exceeding the threshold value of the selling time is automatically recovered to a seller recovery area through the access mechanism and sends information to inform the seller of coming processing, and the safety of the food is guaranteed.
Drawings
The accompanying drawings, which are incorporated in and constitute a part of this specification, are included to provide a further understanding of the invention and are not intended to be drawn to scale. In the drawings, each identical or nearly identical component that is illustrated in various figures may be represented by a like numeral. For purposes of clarity, not every component may be labeled in every drawing. Embodiments of various aspects of the present invention will now be described, by way of example, with reference to the accompanying drawings, in which:
fig. 1 is a schematic view of the internal structure of an environment-friendly full-automatic integrated vending cabinet according to a preferred embodiment of the present invention.
Fig. 2 is a schematic view of an external layout of an environment-friendly full-automatic integrated vending cabinet according to a preferred embodiment of the present invention.
Fig. 3 is a schematic view of the internal layout (top view) of an environment-friendly fully-automatic integrated vending cabinet according to a preferred embodiment of the present invention.
Fig. 4 is a schematic diagram of the operation of the access mechanism (taking out the meal boxes from the shelf) of the environmentally-friendly full-automatic integrated vending cabinet according to the preferred embodiment of the present invention.
Fig. 5 is a schematic diagram of the operation of the access mechanism (transporting the meal boxes to the cleaning area) of the environmentally-friendly full-automatic integrated vending cabinet according to the preferred embodiment of the present invention.
Fig. 6 is a schematic diagram of the operation of the access mechanism (for delivering the meal boxes to the access opening or retrieving the meal boxes from the access opening) of the environmentally-friendly full-automatic integrated vending cabinet according to the preferred embodiment of the present invention.
Fig. 7 is a schematic structural view of a gripping manipulator of an environment-friendly full-automatic integrated vending cabinet according to a preferred embodiment of the present invention.
Fig. 8 is a schematic structural view of a lifting device of an environment-friendly full-automatic integrated vending cabinet according to a preferred embodiment of the present invention.
Fig. 9 is a schematic structural view of a garbage recycling bin and an automatic pushing and pulling device of an environment-friendly full-automatic integrated vending cabinet according to a preferred embodiment of the present invention.
Detailed Description
In order to better understand the technical content of the present invention, specific embodiments are described below with reference to the accompanying drawings.
As shown in fig. 1 to 9, according to a preferred embodiment of the present invention, an environmental protection type full-automatic integrated vending cabinet comprises a cabinet body 1, astorage rack 6, anaccess mechanism 4, alifting device 2 and a control system (not shown). The cabinet body 1 includes a selling recovery area 1a and awashing area 1 b. The vending recovery area 1a is used for vending and recovering food. Thewashing section 1b is used to wash thelunch box 11.
As shown in fig. 3, thestorage shelf 6 is provided at the rear end of the vending recovery area 1 a. Thestorage rack 6 comprises a multi-layer shelf 6-1 for storinglunch boxes 11; anaccess passage 12 is formed between the front end of the vending recovery area 1a and thestorage rack 6. Thelunch box 11 at least comprises a disposableplastic lunch box 11 and an environmentally-friendlyrecyclable lunch box 11. Each goods shelf 6-1 is provided with a plurality of goods positions, each goods position of the goods shelf 6-1 is provided with a unique goods position number for convenient subsequent storage and taking, and eachlunch box 11 is also provided with a unique lunch box number. A pressure sensor (not shown) electrically connected to the control system is provided below each cargo space. And the pressure sensor is used for sensing whether thelunch box 11 is placed on the goods space or not and feeding back thelunch box 11 to the control system. In the present embodiment, the model number of the pressure sensor is GR 704; each goods space front end (towards consumer's one end) still is equipped with the electronic display label of being connected with the control system electricity, and the electronic display label is used for showing information such as cutlery box serial number, the food category, classification, nutritive value, price, the length of selling ofcutlery box 11. In this embodiment, the cost of the disposable plastic meal box is higher than that of the environmentally-friendly recycling meal box for the same food, and the environmentally-friendly recycling meal box can avoid the loss of the environmentally-friendly recycling meal box by collecting the gold deposit in addition. Different fees are collected for different customers with different requirements for selection according todifferent lunch boxes 11, and customers who have a short time and have no dinner nearby can select disposable plastic lunch boxes with higher fees; customers who have meals nearby can choose environmentally-friendly recycled meal boxes with lower cost.
Theaccess channel 12, as shown in fig. 3 to 6, can allow theaccess mechanism 4 to travel and rotate therein. As shown in fig. 3,access channel 12 has afirst end 12a and asecond end 12 b. As shown in fig. 1 and 3, thecleaning area 1b is communicated with thefirst end 12a of theaccess passage 12, and is provided with the automatic cleaning apparatus 5 at the top thereof. The automatic washing device 5 is used to wash the eco-friendlyrecycled lunch box 11. In some embodiments, an ultraviolet disinfection device is further arranged, and a swill tank 5-1 for receiving swill used for cleaning tableware is further arranged below the automatic cleaning equipment 5; a filter screen is also arranged in the swill channel 5-1 and is used for separating dry (food residues) from wet (cleaning sewage). The aforementioned automatic cleaning device 5 is well known in the art and will not be described in detail herein.
Sell the front end of recovery area 1a and still be provided withaccess port 9 andinformation interaction device 7. Theaccess opening 9 is used for providing thelunch boxes 11 for consumers and/or recycling thelunch boxes 11, namely the soldlunch boxes 11 and therecycled lunch boxes 11 share oneaccess opening 9, so that the space of the dining cabinet is saved.
And theinformation interaction device 7 is used for inputting and outputting information. Theinformation interaction device 7 comprises input devices 7-2, 7-3, 7-4 and an output device 7-1.
The input devices 7-2, 7-3, 7-4 and the output device 7-1 are all electrically connected with the control system. The input device 7-2, 7-3, 7-4 comprises at least one of a keyboard, a button, a voice input device and a touch screen. The input devices 7-2, 7-3 and 7-4 are used for a user (seller) to input a lunch box storing instruction, input parameters such as the type, quantity, nutritional value and price of food contained in eachlunch box 11, and can also be used for a consumer to select a lunch box to be purchased according to the requirement of the consumer or input related parameters such as the height, weight and nutritional value required by the consumer to eat the meal.
The output device 7-1 is a display screen, and the display screen is used for displaying the food variety, the quantity, the nutritional value, the price and the supply duration corresponding to eachlunch box 11, and also used for displaying the working state of storage and taking, and feeding back the storage, selling and recycling results.
Thelifting device 2, as shown in fig. 1 and 3, is arranged at thesecond end 12b of theaccess channel 12. In this embodiment, as shown in fig. 8, thelifting device 2 includes a vertical support 2-3 for mounting the cabinet body 1, two U-shaped sliding rails 2-2 mounted on the vertical support 2-3, two screws, two driving devices, and a support base mounted on the top of the U-shaped sliding rails. Each U-shaped slide rail 2-2 is provided with one of the aforementioned screws (not shown), one end of which is connected to the driving device and the other end of which is rotatable relative to the support base. A driving device (in this embodiment, a servo motor) is embedded in the bottom 2-4 of the vertical bracket for driving the screw to rotate. As shown in fig. 1 and 3, thehorizontal support frame 3 is located in the middle of theaccess passage 12, and is horizontally disposed and connected to the screw of thelifting device 2. The driving device drives the screw to rotate, so that thehorizontal support frame 3 connected with the screw is driven to move up and down (along the Z direction) to reach different heights. Of course, thelifting device 2 is well known in the art, and may be a timing belt lifting device, a lead screw lifting device, etc., and any suitable structure, now existing or developed in the future, may be used in accordance with the present disclosure.
In some preferred embodiments, as shown in fig. 1, thehorizontal support frame 3 is further provided with a limiting block 3-1, and the limiting block 3-1 is located at one end of thehorizontal support frame 3 close to thecleaning area 1b and is used for physically limiting theaccess mechanism 4.
As shown in fig. 1, the storing and takingmechanism 4 is integrally disposed on thelifting device 2 through thehorizontal support frame 3, and can vertically (along the Z direction) move up and down along with thehorizontal support frame 3.
Theaccess mechanism 4 is also horizontally movable relative to thehorizontal support frame 3 along the access channel 12 (i.e., along the X direction) between thefirst end 12a and thesecond end 12b of theaccess channel 12. it should be understood that theaccess mechanism 4 can be stopped at any position between thefirst end 12a and thesecond end 12b of theaccess channel 12, so that theaccess mechanism 4 can access and take thelunch boxes 11 from any storage space of the shelf 6-1.
Theaccess mechanism 4 includes a chassis 4-1 and an access portion 4-2. The chassis 4-1 is arranged above thehorizontal support frame 3. In this embodiment, the chassis 4-1 is horizontally moved in the X direction by a timing belt drive mechanism (not shown). The synchronous belt transmission mechanism comprises a driving device, a driving belt wheel, a driven belt wheel and a synchronous belt. The driving device, the driving belt wheel and the driven belt wheel are respectively and fixedly arranged on thehorizontal support frame 3. The driving pulley is driven by a driving device (e.g., a servo motor) to rotate the driven pulley so as to drive the timing belt to move transversely along theaccess passage 12. A chassis 4-1 of theaccess mechanism 4 is fixedly connected with the synchronous belt; the chassis 4-1 is thus movable transversely with the timing belt along theaccess passage 12 between thefirst end 12a and thesecond end 12b of theaccess passage 12; and may stop anywhere between thefirst end 12a and thesecond end 12b of theaccess channel 12.
The access portion 4-2 is disposed above the chassis 4-1 and is rotatable 360 DEG with respect to the chassis 4-1 by a rotating device (not shown). In this embodiment, the rotating device includes a rotating electrical machine, a rotating shaft, and a first bearing and a second bearing. The rotating shaft has a first end and a second end. The output end of the rotating motor is connected with the first end of the rotating shaft through a first bearing, and the rotating shaft is connected with the second end of the transmission shaft through a second bearing. The access portion 4-2 has an access base. The center of the access base is connected to one end of the rotating shaft far away from the rotating motor through a gear transmission piece; and rotates along with the rotating shaft to achieve the purpose of 360-degree rotation relative to the chassis 4-1. The whole access part 4-2 can rotate relative to the chassis 4-1, and thelunch boxes 11 to be stored can be conveyed to the storage rack 6-1, theaccess opening 9 and thecleaning area 1b by rotating the access part 4-2; thelunch box 11 can also be taken out from the shelf 6-1, theaccess opening 9 and thelunch box 11 in thecleaning area 1b by rotating the access part 4-2; so, a plurality of functions (sell, wash, retrieve, the storage) only can realize transportation, access through anaccess mechanism 4 and anaccess passageway 12, need not set up a plurality of conveying equipment (conveying robot or automatic conveying line) and transport, access, greatly reduced the cost to this kind of integrated design and compact overall arrangement make whole cupboard compact structure, saved the space greatly, area is little.
The access part 4-2 comprises two clamping mechanical hands 4-21 (4-21 a, 4-21 b) which are arranged in parallel, and the clamping mechanical hands 4-21 (4-21 a, 4-21 b) are connected with the access base. Each of the gripping manipulators 4-21 (4-21 a, 4-21 b) can be extended and retracted relative to the access base on the chassis 4-1 for gripping thelunch boxes 11.
In the present embodiment, as shown in fig. 7, each of the gripping manipulators 4-21 (4-21 a, 4-21 b) includes a telescopic part 4-24, a gripping part 4-23, and a link shaft 4-22.
In this embodiment, each of the telescoping sections 4-24 includes a front rail and a center rail mounted on the aforementioned access base. The front rail is stretched and retracted along the track direction of the middle rail through a belt transmission mechanism fixedly mounted on the middle rail. The telescopic parts 4-24 thus have an initial position as well as an operating position. In the initial position, the expansion parts 4-24 are in a contracted state; in the working position, the extendable portion 4-24 is extended (extended to the shelf 6-1, theaccess opening 9, thecleaning area 1b, etc.). The clamping parts 4-23 are connected with the front rail through connecting shafts 4-22 and can stretch along with the front rail. The clamping parts 4-23 can also rotate around the axis of the connecting shaft 4-22 through the driving of a rotating micromotor. The clamping parts 4-23 are used for clamping thelunch box 11. Therefore, when the automatic cleaning equipment 5 cleans the environmentally-friendlyrecycled lunch box 11 after the clamping parts 4-23 clamp thelunch box 11 and extend to thecleaning area 1b, the clamping parts 4-23 can drive thelunch box 11 to rotate around the axis of the connecting shaft 4-22; make things convenient for automatic cleaning equipment 5 to washcutlery box 11, make the clean effect of washing better.
The control system also has a timer module and a database module. And the database module is used for storing the goods space serial numbers, the serial numbers of the lunch boxes placed on the goods space and the time threshold values corresponding to the serial numbers of the lunch boxes. The time threshold corresponding to the lunch box number at least comprises a first time threshold and a second time threshold. When the pressure sensor below the goods position of the shelf 6-1 senses that thelunch boxes 11 are placed on the goods position, the timer module starts to time, and the control system adjusts the price or recovers thelunch boxes 11 according to the time for placing thelunch boxes 11 and the time threshold value corresponding to the lunch box numbers. The first time threshold is a time node for food price reduction, for example, if the lunch box containing the steamed fish is numbered 1, and the taste is not good after 4 hours, the first time threshold is set to be 4 hours, and when the selling time of the lunch box numbered 1reaches 4 hours, the control system can control the lunch box to be discounted; for another example, after 8 hours, if the steamed fish is deteriorated and cannot be eaten, the second time threshold may be set to 8 hours, and when the selling time of the number 1 lunch box exceeds 8 hours, it indicates that the lunch box is out of date, and the control system controls theaccess mechanism 4 to take out the number 1 lunch box. In this embodiment, the front end of the cabinet body 1 is further provided with an expiredrecycling storage area 10. As mentioned above, theaccess mechanism 4 takes out theexpired meal boxes 11 with the number 1 and automatically transports the expired meal boxes to the recycling and placingarea 10, and the seller can take theexpired meal boxes 11 in the recycling and placingarea 10 directly.
The control system is electrically connected with theaccess mechanism 4, thelifting device 2, the automatic cleaning equipment 5 and theinformation interaction device 7 respectively. The control system generates execution instructions in response to the information input of the information interaction means 7 and sends them to theaccess mechanism 4, the lifting means 2, the automatic cleaning apparatus 5, and the information interaction means 7. Theaccess mechanism 4, in response to the received execution command, takes out thelunch boxes 11 from the corresponding shelf 6-1 to theaccess opening 9 and/or recycles and transports thelunch boxes 11 in the access opening 9 to thewashing area 1 b.
The cupboard also comprises a visual identification device 9-1 (such as a 3D scanner) mounted above theaccess opening 9. The visual identification device 9-1 is electrically connected with the control system and is used for visually scanning thelunch box 11 placed in theaccess opening 9 and feeding the meal box back to the control system.
The cupboard further comprises a wireless transceiver (not shown in the figure) electrically connected with the control system, and the wireless transceiver is used for establishing network connection between the control system and the remote server and between the control system and the terminal.
It should be understood that theaccess port 9, theinformation interaction device 7, the control system, the vision scanning device 9-1, and the wireless transceiver are well known in the art, and any suitable structure, either existing or developed in the future, may be used in accordance with the present disclosure.
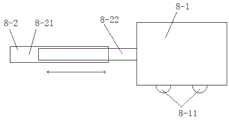
In some preferred embodiments, as shown in fig. 2 and 9, awaste disposal area 8 is further provided below the front end of the vending recovery area 1 a. Thegarbage disposal area 8 is located below theaccess opening 9. Thegarbage disposal area 8 is provided with a garbage recycling bin 8-1 and an automatic push-pull device 8-2 which is electrically connected with a control system. The automatic push-pull device 8-2 comprises a motor, an expansion sleeve 8-21 and an expansion link 8-22, wherein the expansion link 8-22 is sleeved in the expansion sleeve 8-21, and the expansion link 8-22 can be driven by the motor to perform expansion movement in a space limited by the expansion sleeve 8-21. The garbage recycling bin 8-1 is connected with an expansion link 8-22. The bottom of the garbage recycling bin 8-1 is also provided with a pulley 8-11; the dining cabinet body 1 is also provided with a slide rail matched with the pulleys 8-11, and the position of the slide rail corresponds to the position of the pulleys 8-11 at the bottom of the garbage recycling bin 8-1. A filter screen is arranged in the garbage recycling bin 8-1 and is horizontally arranged for dry-wet separation.
In summary, the working principle of the environment-friendly full-automatic integrated vending cabinet provided by the invention is as follows:
the seller provides at least two kinds of lunch boxes 11 (disposable plastic lunch box and recycling lunch box) to theaccess opening 9. Eachcutlery box 11 has a unique cutlery box number. The seller inputs the information (including the number, the type, the quantity, the nutrition value, the price, the first time threshold value, the second time threshold value and the like of the lunch box 11) to be sold through the input devices 7-2, 7-3 and 7-4 of theinformation interaction device 7. The control system stores the information of the meal boxes to be sold in the database module and sends an on-shelf execution instruction (the instruction at least comprises the number of the meal box, the number of the shelf 6-1 corresponding to themeal box 11 and the position of the goods position) to theaccess mechanism 4.
The access mechanism 4 takes out the meal boxes 11 for sale from the access opening 9 (as shown in fig. 6, the telescopic parts 4-24 of the gripping manipulators 4-21 (4-21 a, 4-21 b) are located at the working positions at the moment), and then the telescopic parts 4-24 of the gripping manipulators 4-21 (4-21 a, 4-21 b) return to the initial positions; and the lifting device 2 moves upwards to the height of the goods position of the goods shelf 6-1 corresponding to the lunch box 11; the access mechanism 4 horizontally and transversely moves to the position of the goods shelf corresponding to the lunch box 11 through the synchronous belt transmission mechanism; then, the direction of the clamping part 4-23 is adjusted by rotating the access part 4-2 of the access mechanism 4 relative to the chassis 4-1 until the clamping part 4-23 is aligned with the shelf position corresponding to the lunch box 11 (taking out the lunch box 11 to be sold from the access opening 9, aligning the clamping part 4-23 with the shelf position corresponding to the lunch box 11, and rotating the access part 4-2 180 degrees relative to the chassis 4-1); then the telescopic part 4-24 drives the clamping part 4-23 to extend towards the shelf 6-1 (along the Y direction) and place the lunch box 11 at the corresponding shelf position of the lunch box 11. When the pressure sensor below the goods position senses that thelunch box 11 is placed on the goods position of the shelf 6-1, the timer module starts to time and continuously monitors the selling time of thelunch box 11; meanwhile, the control system displays the information of the sold lunch boxes through an electronic display tag at the front end of the goods shelf 6-1. When the selling time of thelunch box 11 reaches a first time threshold value, the control system adjusts the selling price of thelunch box 11 downwards; when the selling time of thelunch box 11 reaches a second time threshold value, the control system controls theaccess mechanism 4 to take out thelunch box 11 from the shelf 6-1 and place the lunch box in the overdue recycling and placingarea 10, and sends information to the remote server or the terminal of the seller worker through the wireless receiving and sending device, and the worker of the remote server or the seller worker receives the information and then receives thelunch box 11 with the overdue food from the dining cabinet.
When a consumer needs to buy food, the consumer can input the demand information (such as nutritional value, height, weight, price, food type name, food type 11 and the like) of the consumer through the input devices 7-2, 7-3 and 7-4 of the information interaction device 7 to select one or more suitable meal boxes 11 for purchase (if the input information is the height and weight information, the food with the nutritional value suitable for the consumer can be automatically recommended); the control system can also carry out information interaction with the terminal of the consumer through the wireless transceiver, and the consumer confirms to buy and pay; the control system controls the access mechanism 4 to take out the corresponding lunch box 11 from the shelf 6-1, and then the access mechanism 4 moves downwards to the height corresponding to the access opening 9 through the lifting device 2; the access mechanism 4 horizontally and transversely moves to a position corresponding to the access port 9 through a synchronous belt transmission mechanism; then the direction of the clamping part 4-23 is adjusted by rotating the access part 4-2 relative to the chassis 4-1 until the clamping part 4-23 is aligned with the access opening 9 (the access mechanism 4 takes the corresponding lunch box 11 out of the shelf 6-1, the clamping part 4-23 is aligned with the access opening 9, and the access part 4-2 needs to rotate 180 degrees relative to the chassis 4-1); then the telescopic part 4-24 drives the clamping part 4-23 to extend towards the access opening 9 (along the Y direction) and places the lunch box 11 at the access opening 9, thus completing the selling process.
When the consumer selects the environmentally-friendlyrecycling lunch box 11, the consumer automatically sends the food to the dining cabinet after eating the food, firstly, the information is input through the buttons of theinformation interaction device 7 or other input devices 7-2, 7-3 and 7-4 (for example, the recycling button 7-4 is pressed), the control system controls the automatic push-pull device 8-2 of thegarbage disposal area 8 to automatically push out the garbage recycling box 8-1, meanwhile, the output module of theinformation interaction device 7 displays a recycling operation instruction (in some embodiments, a voice broadcaster is further arranged to broadcast the recycling operation instruction), the instruction is used for reminding the consumer to guide how to operate, the automatic push-out of the garbage recycling box 8-1 can prompt the consumer to actively dump the residual garbage into the garbage recycling box 8-1, and encourage the consumer to participate in the environmental protection activity, so, make things convenient for the cleaning equipment follow-up towasing cutlery box 11. After the food waste is poured into the garbage recycling bin 8-1 by a consumer, thelunch box 11 is placed at theaccess opening 9, and the control system controls the automatic push-pull device 8-2 of thegarbage disposal area 8 to automatically pull back the garbage recycling bin 8-1, so that the garbage is prevented from polluting the environment. The vision scanning device 9-1 of the access opening 9 scans therecycled meal box 11, and if themeal box 11 meets the recycling requirement, the consumer completes the recycling operation (returns the recycling cost of the corresponding environment-friendlyrecycled meal box 11 to the consumer).
The control system controls theaccess mechanism 4 to retrieve the environmentally-friendlyrecycled meal box 11 from theaccess opening 9, theaccess mechanism 4 horizontally moves along theaccess passage 12 to the second end of theaccess passage 12, and then the direction of the clamping part 4-23 is adjusted by rotating the access part 4-2 of theaccess mechanism 4 relative to the chassis 4-1 until the clamping part 4-23 is aligned with thecleaning area 1b (therecycled meal box 11 is taken out from theaccess opening 9, the clamping part 4-23 is aligned with thecleaning area 1b, and the access part 4-2 needs to rotate 90 degrees relative to the chassis 4-1); the telescopic part 4-24 then carries the gripping part 4-23 towards thewashing zone 1b (in the X direction) to below the automatic washing apparatus 5.
The control system controls the automatic cleaning equipment 5 to automatically clean thelunch box 11; in the cleaning process, the clamping parts 4-23 drive thelunch box 11 to rotate around the connecting shafts 4-22, so that the automatic cleaning equipment 5 can clean all areas of thelunch box 11, and the cleaning effect is improved.
After the cleaning is finished, theaccess mechanism 4 horizontally and transversely moves to a position corresponding to the recycling and placingarea 10 through a synchronous belt transmission mechanism; then the direction of the clamping part 4-23 is adjusted by rotating the access part 4-2 relative to the chassis 4-1 until the clamping part 4-23 is aligned with the recycling and placing area 10 (the cleanedlunch box 11 is taken out from the automatic cleaning equipment 5, the clamping part 4-23 is aligned with the recycling and placingarea 10, and the access part 4-2 needs to rotate 90 degrees relative to the chassis 4-1); then the telescopic parts 4-24 drive the clamping parts 4-23 to extend towards the recycling and placing area 10 (along the Y direction), and thelunch boxes 11 are placed in the recycling and placingarea 10 for temporary storage; and send information to remote server or send to the terminal of selling the party's staff through wireless transceiver, the staff of remote server or sell the party's staff and receive the dining cabinet and collect clean environmental protection nature and retrievecutlery box 11 before receiving the information.
Therefore, according to the environment-friendly full-automatic integrated vending cabinet provided by the invention, through the optimized design and mutual reasonable layout of a plurality of mechanisms such as a vending recovery area, a cleaning area, a rotatable access mechanism and the like, a plurality of different functions (putting, vending, recovering, cleaning, disinfecting and storing meal boxes on shelf, cleaning, disinfecting and storing) can be realized by sharing one rotatable access mechanism and one access channel, the whole process is automatic, and the efficiency is improved; the process is simple, and the utilization rate of each environmentally-friendly recycled lunch box is greatly improved; compared with the food selling machine in the prior art (conveying equipment or manual intervention is required to be arranged between each functional area), the cost is greatly reduced by only using one access mechanism and one access channel, and the integrated design and the compact layout ensure that the whole dining cabinet has a compact structure, saves space, occupies small area and is convenient to popularize and use, can truly realize full-automatic unmanned selling, recycling, cleaning, disinfecting and storing, and can meet the diversified requirements of customers. In addition, this buffet can carry out real-time and continuous control to the time of selling of food, and different prices are sold to the food of different time of selling, and the food that surpasss the time threshold value of selling is retrieved to seller's recovery area and is sent information notice seller's processing before through access mechanism is automatic, need not rely on artifical tour to look over, has reduced the operation maintenance cost of selling the seller to the safety of food has been guaranteed. In addition, the clamping part can rotate around the connecting shaft, so that the automatic cleaning effect is better; the disposable meal box can provide two different meal boxes for consumers to select, and the surplus meal dustbin can be automatically pushed out and pulled back, so that the consumers are further promoted to participate in the environmental protection activity, the utilization rate of the disposable meal box is greatly reduced, and the environmental resources are protected.
According to the improvement of the invention, an environment-friendly full-automatic integrated vending cabinet system is also provided, and the cabinet system comprises the environment-friendly full-automatic integrated vending cabinet andlunch boxes 11.
Cutlery box 11 for hold the food of waiting to sell. Thelunch box 11 includes an environmentally friendly recycled lunch box and a disposable plastic lunch box. Themeal boxes 11 are stored in the goods positions of the goods shelves 6-1 of the cabinet body in the selling process.
The working principle of the meal cabinet system is the same as that of the environment-friendly full-automatic integrated selling meal cabinet, and the details are not repeated herein. This dining cabinet system provides two kinds of cutlery boxes and supplies the consumer to select, and in this embodiment, same food, disposable plastics cutlery box's expense is higher than the expense that the cutlery box was retrieved to the feature of environmental protection, and the loss of the cutlery box is retrieved to the feature of environmental protection can be avoided through the mode of collecting the deposit in addition to the feature of environmental protection. Different fees are collected for different customers with different requirements for selection according todifferent lunch boxes 11, and customers who have a short time and have no dinner nearby can select disposable plastic lunch boxes with higher fees; customers who have meals nearby can choose environmentally-friendly recycled meal boxes with lower cost. Thus, the diversified demands of consumers can be met.
Although the present invention has been described with reference to the preferred embodiments, it is not intended to be limited thereto. Those skilled in the art can make various changes and modifications without departing from the spirit and scope of the invention. Therefore, the protection scope of the present invention should be determined by the appended claims.

Claims (9)

CN201911109487.6A2019-11-142019-11-14Environment-friendly full-automatic integrated vending cabinet and systemActiveCN110827470B (en)

Priority Applications (1)

Application NumberPriority DateFiling DateTitle
CN201911109487.6ACN110827470B (en)2019-11-142019-11-14Environment-friendly full-automatic integrated vending cabinet and system

Applications Claiming Priority (1)

Application NumberPriority DateFiling DateTitle
CN201911109487.6ACN110827470B (en)2019-11-142019-11-14Environment-friendly full-automatic integrated vending cabinet and system

Publications (2)

Publication NumberPublication Date
CN110827470A CN110827470A (en)2020-02-21
CN110827470Btrue CN110827470B (en)2021-11-30

Family

ID=69554744

Family Applications (1)

Application NumberTitlePriority DateFiling Date
CN201911109487.6AActiveCN110827470B (en)2019-11-142019-11-14Environment-friendly full-automatic integrated vending cabinet and system

Country Status (1)

CountryLink
CN (1)CN110827470B (en)

Families Citing this family (6)

* Cited by examiner, † Cited by third party
Publication numberPriority datePublication dateAssigneeTitle
CN111459036B (en)*2020-02-242021-11-16珠海格力电器股份有限公司Intelligent cabinet control method and device, electronic equipment and storage medium
CN111429653A (en)*2020-05-092020-07-17广东智源机器人科技有限公司Food vending machine
CN115099762A (en)*2021-03-062022-09-23智慧式有限公司 An automatic procurement and transportation system and equipment for food ingredients in an unmanned autonomous restaurant
CN115034732A (en)*2021-03-072022-09-09智慧式有限公司Washing and cutting equipment and system for unmanned independent restaurant
CN117173833A (en)*2022-05-272023-12-05北京智米科技有限公司 Automatic vending equipment and control method
TWI844421B (en)*2023-07-122024-06-01國立陽明交通大學One-stop eco-container rental device and system

Citations (10)

* Cited by examiner, † Cited by third party
Publication numberPriority datePublication dateAssigneeTitle
KR20140036769A (en)*2012-09-182014-03-26이기동Automatic selling system of the vegetables that are growth
CN105608793A (en)*2016-03-072016-05-25孙福明Vending robot
CN105931375A (en)*2016-04-212016-09-07安庆职业技术学院Full-automatic beverage vending machine
CN106829296A (en)*2017-03-022017-06-13江苏高科物流科技股份有限公司A kind of rotatable piler of loading platform and automatic stereowarehouse
CN107195088A (en)*2017-05-252017-09-22吴春渊Internet + fresh cold and hot food supply and consumption intelligent management relay station and supply and consumption method thereof
CN207409056U (en)*2017-10-302018-05-25三峡大学A kind of self-service access outer selling machine based on solar power generation
CN108447178A (en)*2018-03-292018-08-24深圳市道中创新科技有限公司A kind of grabbing device
CN208335366U (en)*2018-07-062019-01-04江阴恩凯贸易有限公司The fresh flower management system of unmanned fresh flower machine
CN109243060A (en)*2018-09-042019-01-18广州甘来信息科技有限公司A kind of automatic vending machine and combined type vending machine
CN208773589U (en)*2018-09-072019-04-23刘逸麟A kind of left/right movement device of multi-spindle machining hand

Family Cites Families (1)

* Cited by examiner, † Cited by third party
Publication numberPriority datePublication dateAssigneeTitle
US8392019B2 (en)*2009-08-272013-03-05Utique, Inc.Modular vending with centralized robotic gantry

Patent Citations (10)

* Cited by examiner, † Cited by third party
Publication numberPriority datePublication dateAssigneeTitle
KR20140036769A (en)*2012-09-182014-03-26이기동Automatic selling system of the vegetables that are growth
CN105608793A (en)*2016-03-072016-05-25孙福明Vending robot
CN105931375A (en)*2016-04-212016-09-07安庆职业技术学院Full-automatic beverage vending machine
CN106829296A (en)*2017-03-022017-06-13江苏高科物流科技股份有限公司A kind of rotatable piler of loading platform and automatic stereowarehouse
CN107195088A (en)*2017-05-252017-09-22吴春渊Internet + fresh cold and hot food supply and consumption intelligent management relay station and supply and consumption method thereof
CN207409056U (en)*2017-10-302018-05-25三峡大学A kind of self-service access outer selling machine based on solar power generation
CN108447178A (en)*2018-03-292018-08-24深圳市道中创新科技有限公司A kind of grabbing device
CN208335366U (en)*2018-07-062019-01-04江阴恩凯贸易有限公司The fresh flower management system of unmanned fresh flower machine
CN109243060A (en)*2018-09-042019-01-18广州甘来信息科技有限公司A kind of automatic vending machine and combined type vending machine
CN208773589U (en)*2018-09-072019-04-23刘逸麟A kind of left/right movement device of multi-spindle machining hand

Also Published As

Publication numberPublication date
CN110827470A (en)2020-02-21

Similar Documents

PublicationPublication DateTitle
CN110827470B (en)Environment-friendly full-automatic integrated vending cabinet and system
CN104217495B (en)Irregular article automatic vending device and peddle system
CN107934343B (en) A rack-type intelligent storage method and intelligent storage device
CN111098774B (en)Unmanned vending vehicle, control method, computer device and storage medium
CN107814122B (en) A kind of intelligent storage method and circular intelligent storage device
CN107067552B (en) Smart vending machine
CN107862794B (en)Self-service vending machine capable of automatically replenishing goods and implementation method
CN204087366U (en)Irregular article automatic vending device and peddle system
CN110232771B (en) Unmanned vending device and method
CN110910571A (en)Intelligent full-automatic fresh food cooking vending machine and control method thereof
CN109816861B (en)Integrated storage box vending machine
CN113034222B (en)Intelligent unmanned restaurant takeaway distribution system and method
CN107892125A (en) A shelf-less intelligent storage method and intelligent storage device
CN107878987B (en) A shelf-less intelligent storage method and intelligent storage device
CN107103341A (en)Tableware recovery system and Intelligent cafeteria applied to Intelligent cafeteria
CN209980389U (en)Full-automatic electronic payment bar counter
CN110834846B (en) Takeaway tableware recycling device and system
CN215854514U (en)Multifunctional special express elevator system
CN110648469A (en)Express intelligent self-service machine based on express industry terminal delivery and working method thereof
CN211124212U (en) an unmanned vehicle
CN215117664U (en) Smart Meal Vending Machine
CN113593115B (en) Automatic vending machine and method for supplying power to goods channel
CN211919735U (en)Intelligent plastic bottle recycling box
CN110150924A (en)A kind of intelligent restaurant service system based on automation culinary art transport
CN211587575U (en)Medicine sorting machine

Legal Events

DateCodeTitleDescription
PB01Publication
PB01Publication
SE01Entry into force of request for substantive examination
SE01Entry into force of request for substantive examination
TA01Transfer of patent application right

Effective date of registration:20211110

Address after:201100 floor 2, No. 450, Husong highway, Minhang District, Shanghai

Applicant after:Shanghai yunzhivendor Software Technology Co.,Ltd.

Address before:224700 room 4035, floor 3, building 3, zone a, smart Industrial Park, high tech Economic Zone, Jianhu County, Yancheng City, Jiangsu Province

Applicant before:JIANHU LIANZHONG WISDOM TECHNOLOGY CO.,LTD.

TA01Transfer of patent application right
GR01Patent grant
GR01Patent grant
TR01Transfer of patent right

Effective date of registration:20230720

Address after:Room 901-2480, Building 4, No. 2377, Shenkun Road, Minhang District, Shanghai, 200000

Patentee after:Shanghai Yunhao Intelligent Digital Technology Co.,Ltd.

Address before:201100 2nd floor, No. 450, Husong Road, Minhang District, Shanghai

Patentee before:Shanghai yunzhivendor Software Technology Co.,Ltd.

TR01Transfer of patent right

[8]ページ先頭

©2009-2025 Movatter.jp