









技术领域technical field
本发明涉及电子技术领域,尤其涉及一种设备控制方法、装置、系统及计算机存储介质。The present invention relates to the field of electronic technology, and in particular, to a device control method, device, system and computer storage medium.
背景技术Background technique
在设备供电(通常为蓄电池)系统中,一般需要具有节电和保护功能。为了避免供电电源过放电而导致电源损坏,影响系统的安全运行,则需要对供电电源进行实时监测和控制,以便在需要的时候能够及时切断供电电源,使设备不再耗电,从而达到节能和保护电源的目的,同时在需要的时候也能够唤醒供电电源进行工作。In equipment power supply (usually battery) systems, it is generally necessary to have power saving and protection functions. In order to avoid power supply damage caused by over-discharge of the power supply and affect the safe operation of the system, it is necessary to monitor and control the power supply in real time, so that the power supply can be cut off in time when needed, so that the equipment no longer consumes power, so as to achieve energy saving and The purpose of protecting the power supply, and at the same time, it can also wake up the power supply to work when needed.
目前来说,通常采用的电源休眠方法,是以一定的逻辑电路来关闭部分负载(泛指耗电载荷),或者电源工作在低功耗模式;而通常采用的唤醒方法,是以手动唤醒或者等到供电恢复。采用上述方法使得设备进入休眠后,其实设备中还有部分逻辑电路正在工作,仍有相对较大的功耗存在,使得电源节能和保护的效果不能达到最佳。另外,设备休眠之后,现有技术方案并不能进行自动唤醒,这时候处于完全失联状态,需要通过手动或者其它方式(比如多路供电场景中的供电恢复)才能进行唤醒;而且设备处于休眠期间,设备不能向后台终端上传前台设备的任何信息;但是在很多使用场景中,电源休眠期间需要进行定期唤醒,比如电池供电的物联网终端设备、通信基站设备等。At present, the commonly used power sleep method is to use a certain logic circuit to turn off part of the load (generally referred to as power-consuming load), or the power supply works in a low-power mode; and the commonly used wake-up method is to manually wake up or Wait until power is restored. After the device is put into hibernation by the above method, in fact, some logic circuits in the device are still working, and there is still relatively large power consumption, so that the effect of power saving and protection cannot be optimal. In addition, after the device sleeps, the existing technical solution cannot automatically wake up. At this time, it is in a completely disconnected state, and it needs to be woken up manually or in other ways (such as power supply recovery in a multi-channel power supply scenario); and the device is in a sleep period. , the device cannot upload any information about the foreground device to the background terminal; however, in many usage scenarios, periodic wake-up is required during power sleep, such as battery-powered IoT terminal devices, communication base station devices, etc.
发明内容SUMMARY OF THE INVENTION
为解决现有存在的技术问题,本发明实施例提供一种设备控制方法、装置、系统及计算机存储介质,通过控制供电电源的供电回路关断与开通,可以实现设备自动或者手动进入深度休眠或者唤醒状态,而且还可以达到深度休眠期间不失联的目的;同时实现了供电电源的低压关断,从而对供电电源起到了保护作用,在供电电源关断之后具有低于微瓦级的超低功耗,节能效果好。In order to solve the existing technical problems, the embodiments of the present invention provide a device control method, device, system, and computer storage medium. Wake-up state, and can also achieve the purpose of not losing connection during deep sleep; at the same time, the low-voltage shutdown of the power supply is realized, so as to protect the power supply. Power consumption, energy saving effect is good.
为达到上述目的,本发明实施例的技术方案是这样实现的:In order to achieve the above-mentioned purpose, the technical scheme of the embodiment of the present invention is realized as follows:
第一方面,本发明实施例提供了一种设备控制装置,所述设备控制装置应用于设备,所述设备控制装置包括:检测单元、核心处理单元、开关逻辑控制单元、手动控制开关、定时单元、开关装置、通信单元和供电电源;其中,In a first aspect, an embodiment of the present invention provides a device control device, the device control device is applied to a device, and the device control device includes: a detection unit, a core processing unit, a switch logic control unit, a manual control switch, and a timing unit , switchgear, communication unit and power supply; wherein,
所述检测单元,与所述核心处理单元、所述手动控制开关和所述供电电源连接,用于实时检测目标参数信息,并将所述实时检测的目标参数信息发送给所述核心处理单元;其中,所述目标参数信息包括所述供电电源的电压值和所述手动控制开关的状态信息;The detection unit is connected to the core processing unit, the manual control switch and the power supply, and is used to detect target parameter information in real time, and send the real-time detected target parameter information to the core processing unit; Wherein, the target parameter information includes the voltage value of the power supply and the state information of the manual control switch;
所述核心处理单元,与所述检测单元、与所述定时单元和所述开关逻辑控制单元连接,用于将所述目标参数信息与预设的深度休眠策略或者预设的唤醒策略进行比较及处理,并向所述开关逻辑控制单元提供对应的处理信号;所述核心处理单元还用于向所述定时单元提供预设的定时唤醒时长;The core processing unit is connected to the detection unit, the timing unit and the switch logic control unit, and is used for comparing the target parameter information with a preset deep sleep strategy or a preset wake-up strategy and processing, and provide corresponding processing signals to the switch logic control unit; the core processing unit is further configured to provide a preset timing wake-up duration to the timing unit;
所述开关逻辑控制单元,与所述核心处理单元、与所述定时单元和所述开关装置连接,用于根据所述核心处理单元所提供的处理信号来控制所述开关装置的断开与闭合,以使所述设备处于深度休眠或者唤醒状态;所述开关逻辑控制单元还用于根据所述定时单元所提供的唤醒控制信号来控制所述开关装置的闭合,以使所述设备处于唤醒状态;The switch logic control unit is connected to the core processing unit, the timing unit and the switching device, and is used to control the opening and closing of the switching device according to the processing signal provided by the core processing unit , so that the device is in a deep sleep or wake-up state; the switch logic control unit is further configured to control the closing of the switch device according to the wake-up control signal provided by the timing unit, so that the device is in a wake-up state ;
所述手动控制开关,与所述检测单元和所述开关逻辑控制单元连接,用于实现所述检测单元对所述手动控制开关的状态检测,并通过所述开关逻辑控制单元实现手动控制所述设备处于深度休眠或者唤醒状态;The manual control switch is connected with the detection unit and the switch logic control unit, and is used to realize the state detection of the manual control switch by the detection unit, and realize the manual control of the manual control switch through the switch logic control unit. The device is in deep sleep or wake-up state;
所述定时单元,与所述核心处理单元和所述开关逻辑控制单元连接,用于根据所述核心处理单元所提供的预设的定时唤醒时长进行定时设置,并向所述开关逻辑控制单元提供对应的唤醒控制信号来控制所述设备在深度休眠状态期间的定时唤醒;The timing unit is connected to the core processing unit and the switch logic control unit, and is configured to perform timing setting according to the preset timing wake-up duration provided by the core processing unit, and provide the switch logic control unit with A corresponding wake-up control signal to control the timing wake-up of the device during the deep sleep state;
所述开关装置,与所述开关逻辑控制单元和所述供电电源连接,所述开关装置串接在供电回路中,用于开通和关断所述供电电源的供电回路;The switch device is connected to the switch logic control unit and the power supply, and the switch device is connected in series in the power supply loop, and is used to turn on and off the power supply loop of the power supply;
所述通信单元,与所述核心处理单元连接,用于实现所述设备与后台终端的通信,进行信息交互。The communication unit is connected with the core processing unit, and is used for realizing the communication between the device and the background terminal, and performing information exchange.
第二方面,本发明实施例提供了一种系统,所述系统包括:设备和后台终端,所述设备至少包括第一方面所述的设备控制装置,其中,In a second aspect, an embodiment of the present invention provides a system, where the system includes: a device and a background terminal, the device includes at least the device control apparatus described in the first aspect, wherein,
所述设备,用于将所述设备的运行状态信息实时发送给所述后台终端;the device, configured to send the running state information of the device to the background terminal in real time;
所述后台终端,用于对所接收到所述设备的运行状态信息进行处理,以及设置定时唤醒时长并发送给所述设备。The background terminal is used for processing the received operating state information of the device, and setting the time duration for timing wake-up and sending it to the device.
第三方面,本发明实施例提供了一种设备控制方法,所述方法应用于第一方面所述的设备控制装置,所述方法包括:In a third aspect, an embodiment of the present invention provides a device control method, where the method is applied to the device control apparatus described in the first aspect, and the method includes:
实时检测目标参数信息;其中,所述目标参数信息包括供电电源的电压值和手动控制开关的状态信息;Real-time detection of target parameter information; wherein, the target parameter information includes the voltage value of the power supply and the state information of the manual control switch;
若所述目标参数信息满足预设的深度休眠策略,则控制所述供电电源的供电回路关断,以使所述设备进入深度休眠状态;If the target parameter information satisfies a preset deep sleep strategy, controlling the power supply loop of the power supply to turn off, so that the device enters a deep sleep state;
若所述目标参数信息满足预设的唤醒策略,则控制所述供电电源的供电回路开通,以使所述设备进入唤醒状态。If the target parameter information satisfies a preset wake-up policy, the power supply loop of the power supply is controlled to be turned on, so that the device enters a wake-up state.
第四方面,本发明实施例提供了一种计算机存储介质,所述计算机存储介质存储有设备控制程序,所述设备控制程序被至少一个处理器执行时实现第三方面所述设备控制的方法的步骤。In a fourth aspect, an embodiment of the present invention provides a computer storage medium, where a device control program is stored in the computer storage medium, and when the device control program is executed by at least one processor, the device control method of the third aspect is implemented. step.
本发明实施例所提供的一种设备控制方法、装置、系统及计算机存储介质,该设备控制装置包括检测单元、核心处理单元、开关逻辑控制单元、手动控制开关、定时单元、开关装置、通信单元和供电电源,其中,所述检测单元用于实时检测目标参数信息,目标参数信息包括供电电源的电压值和手动控制开关的状态信息;所述核心处理单元用于将目标参数信息与预设的深度休眠策略或者预设的唤醒策略进行比较及处理,并向开关逻辑控制单元提供对应的处理信号,同时核心处理单元还用于向所述定时单元提供预设的定时唤醒时长;而所述开关逻辑控制单元用于根据核心处理单元所提供的处理信号来控制开关装置的断开与闭合,以使设备处于深度休眠或者唤醒状态,同时开关逻辑控制单元还用于根据定时单元所提供的唤醒控制信号来控制开关装置的闭合,以使设备处于唤醒状态;所述定时单元用于根据核心处理单元所提供的预设的定时唤醒时长进行定时设置,并向开关逻辑控制单元提供对应的唤醒控制信号来控制设备在深度休眠状态期间的定时唤醒;从而实现了设备自动或者手动进入深度休眠或者唤醒状态,而且还达到了深度休眠期间不失联的目的;同时还对供电电源起到了保护作用,在供电电源关断之后具有低于微瓦级的超低功耗,节能效果好。A device control method, device, system, and computer storage medium provided by an embodiment of the present invention, the device control device includes a detection unit, a core processing unit, a switch logic control unit, a manual control switch, a timing unit, a switch device, and a communication unit and a power supply, wherein the detection unit is used to detect target parameter information in real time, and the target parameter information includes the voltage value of the power supply and the state information of the manual control switch; the core processing unit is used to compare the target parameter information with the preset The deep sleep strategy or the preset wake-up strategy is compared and processed, and the corresponding processing signal is provided to the switch logic control unit. At the same time, the core processing unit is also used to provide the timing unit with a preset timed wake-up duration; and the switch The logic control unit is used to control the opening and closing of the switch device according to the processing signal provided by the core processing unit, so that the device is in a deep sleep or wake-up state, and the switch logic control unit is also used for the wake-up control provided by the timing unit. signal to control the closing of the switch device, so that the device is in the wake-up state; the timing unit is used to set the timing according to the preset timing wake-up duration provided by the core processing unit, and provide the switch logic control unit with a corresponding wake-up control signal To control the timed wake-up of the device during the deep sleep state; thus realizing the device automatically or manually entering the deep sleep or wake-up state, and achieving the purpose of not losing connection during the deep sleep; After the power supply is turned off, it has ultra-low power consumption below the microwatt level, and the energy saving effect is good.
附图说明Description of drawings
在附图(其不一定是按比例绘制的)中,相似的附图标记可在不同的视图中描述相似的部件。具有不同字母后缀的相似附图标记可表示相似部件的不同示例。附图以示例而非限制的方式大体示出了本文中所讨论的各个实施例。In the drawings, which are not necessarily to scale, like reference numerals may describe like parts in the different views. Similar reference numbers with different letter suffixes may denote different instances of similar components. The accompanying drawings generally illustrate, by way of example and not limitation, the various embodiments discussed herein.
图1为本发明实施例提供的一种设备控制装置的组成结构示意图;FIG. 1 is a schematic diagram of the composition and structure of a device control device according to an embodiment of the present invention;
图2为本发明实施例提供的另一种设备控制装置的组成结构示意图;FIG. 2 is a schematic diagram of the composition and structure of another equipment control device provided by an embodiment of the present invention;
图3为本发明实施例提供的又一种设备控制装置的组成结构示意图;3 is a schematic diagram of the composition and structure of another device control device provided by an embodiment of the present invention;
图4为本发明实施例提供的一种设备控制装置的电路结构示意图;4 is a schematic diagram of a circuit structure of a device control device provided by an embodiment of the present invention;
图5为本发明实施例提供的另一种设备控制装置的电路结构示意图;5 is a schematic diagram of a circuit structure of another device control apparatus provided by an embodiment of the present invention;
图6为本发明实施例提供的又一种设备控制装置的电路结构示意图;6 is a schematic diagram of a circuit structure of another device control device provided by an embodiment of the present invention;
图7为本发明实施例提供的再一种设备控制装置的电路结构示意图;7 is a schematic diagram of a circuit structure of still another device control device provided by an embodiment of the present invention;
图8为本发明实施例提供的再一种设备控制装置的电路结构示意图;8 is a schematic diagram of a circuit structure of still another device control apparatus provided by an embodiment of the present invention;
图9为本发明实施例提供的再一种设备控制装置的电路结构示意图FIG. 9 is a schematic diagram of a circuit structure of still another device control apparatus provided by an embodiment of the present invention
图10为本发明实施例提供的一种系统的组成结构示意图;FIG. 10 is a schematic diagram of the composition and structure of a system provided by an embodiment of the present invention;
图11为本发明实施例提供的一种设备控制方法的流程示意图。FIG. 11 is a schematic flowchart of a device control method according to an embodiment of the present invention.
具体实施方式Detailed ways
为使本发明实施例的目的、技术方案和优点更加清楚,下面将结合本发明实施例中的附图,对发明的具体技术方案做进一步详细描述。以下实施例用于说明本发明,但不用来限制本发明的范围。To make the objectives, technical solutions and advantages of the embodiments of the present invention clearer, the specific technical solutions of the invention will be described in further detail below with reference to the accompanying drawings in the embodiments of the present invention. The following examples are intended to illustrate the present invention, but not to limit the scope of the present invention.
实施例一Example 1
参见图1,其示出了本发明实施例提供的一种设备控制装置10,所述设备控制装置10应用于设备,所述设备控制装置10可以包括:检测单元101、核心处理单元102、开关逻辑控制单元103、手动控制开关104、定时单元105、开关装置106、通信单元107和供电电源108;其中,Referring to FIG. 1, it shows a device control apparatus 10 provided by an embodiment of the present invention. The device control apparatus 10 is applied to a device, and the device control apparatus 10 may include: a
所述检测单元101,与核心处理单元102、手动控制开关104和供电电源107连接,用于实时检测目标参数信息,并将所述实时检测的目标参数信息发送给所述核心处理单元102;其中,所述目标参数信息包括供电电源107的电压值和手动控制开关104的状态信息;The
所述核心处理单元102,与检测单元101、定时单元105和开关逻辑控制单元103连接,用于将所述目标参数信息与预设的深度休眠策略或者预设的唤醒策略进行比较及处理,并向开关逻辑控制单元103提供对应的处理信号;所述核心处理单元102还用于向定时单元105提供预设的定时唤醒时长;The
所述开关逻辑控制单元103,与核心处理单元102、定时单元105和开关装置106连接,用于根据核心处理单元102所提供的处理信号来控制开关装置106的断开与闭合,以使所述设备处于深度休眠或者唤醒状态;所述开关逻辑控制单元103还用于根据定时单元105所提供的唤醒控制信号来控制开关装置106的闭合,以使所述设备处于唤醒状态;The switch
所述手动控制开关104,与检测单元101和开关逻辑控制单元103连接,用于实现检测单元101对手动控制开关104的状态检测,并通过开关逻辑控制单元103实现手动控制所述设备处于深度休眠或者唤醒状态;The
所述定时单元105,与核心处理单元102和开关逻辑控制单元103连接,用于根据核心处理单元102所提供的预设的定时唤醒时长进行定时设置,并向开关逻辑控制单元103提供对应的唤醒控制信号来控制所述设备在深度休眠状态期间的定时唤醒;The
所述开关装置106,与开关逻辑控制单元103和供电电源108连接,所述开关装置106串接在供电回路中,用于开通和关断供电电源108的供电回路;The
所述通信单元107,与核心处理单元102连接,用于实现所述设备与后台终端的通信,进行信息交互。The
在本实施例中,优选地,所述开关逻辑控制单元103,具体用于:In this embodiment, preferably, the switch
若所述目标参数信息满足预设的深度休眠策略,则控制所述开关装置106断开使得供电电源108的供电回路关断,以使所述设备进入深度休眠状态;If the target parameter information satisfies the preset deep sleep strategy, controlling the
若所述目标参数信息满足预设的唤醒策略,则控制所述开关装置106闭合使得供电电源108的供电回路开通,以使所述设备进入唤醒状态。If the target parameter information satisfies the preset wake-up policy, the
在本实施例中,优选地,当检测单元101所实时检测的目标参数信息为供电电源108的电压值时,所述开关逻辑控制单元103,具体用于:In this embodiment, preferably, when the target parameter information detected in real time by the
若所述电压值低于第一预设电压阈值,则控制所述开关装置106断开使得供电电源108的供电回路关断,以使所述设备进入深度休眠状态。If the voltage value is lower than the first preset voltage threshold, the
在本实施例中,优选地,当检测单元101所实时检测的目标参数信息为手动控制开关104的状态信息时,所述开关逻辑控制单元103,具体用于:In this embodiment, preferably, when the target parameter information detected in real time by the
若所述设备处于唤醒状态且接收所述手动控制开关104的操作指令信息以使所述状态信息为按下,则控制所述开关装置106断开使得供电电源108的供电回路关断,以使所述设备进入深度休眠状态。If the device is in the wake-up state and receives the operation instruction information of the
在本实施例中,优选地,当检测单元101所实时检测的目标参数信息为手动控制开关104的状态信息时,所述开关逻辑控制单元103,具体用于:In this embodiment, preferably, when the target parameter information detected in real time by the
若所述设备处于深度休眠状态且接收所述手动控制开关104的操作指令信息以使所述状态信息为按下,则控制所述开关装置106闭合使得供电电源108的供电回路开通,以使所述设备进入唤醒状态。If the device is in the deep sleep state and receives the operation instruction information of the
在本实施例中,优选地,当设备处于深度休眠状态且定时单元105工作时,所述开关逻辑控制单元103,具体用于:In this embodiment, preferably, when the device is in a deep sleep state and the
若所述设备进入深度休眠状态的持续时长满足定时单元105预设的定时唤醒时长,则控制所述开关装置106闭合使得供电电源108的供电回路开通,以使所述设备进入唤醒状态。If the duration of the device entering the deep sleep state meets the timed wake-up duration preset by the
本实施例通过控制供电电源的供电回路关断与开通,可以使得设备进入深度休眠或者唤醒状态,而且还可以达到在深度休眠状态期间不失联的目的;同时在深度休眠状态期间,通过控制供电电源的供电回路关断,还可以对供电电源起到保护作用,在供电电源关断之后具有低于微瓦级的超低功耗,节能效果好。In this embodiment, by controlling the power supply loop of the power supply to be turned off and on, the device can enter a deep sleep or wake-up state, and can also achieve the purpose of not losing connection during the deep sleep state; at the same time, during the deep sleep state, by controlling the power supply The power supply loop of the power supply is turned off, which can also protect the power supply. After the power supply is turned off, it has ultra-low power consumption below the microwatt level, and the energy saving effect is good.
参见图2,其示出了本发明实施例提供的另一种设备控制装置10,所述设备控制装置10可以包括:检测单元101、核心处理单元102、开关逻辑控制单元103、手动控制开关104、定时单元105、开关装置106、通信单元107和供电电源108;所述检测单元101包括开关状态检测单元1011和电压检测单元1012,所述定时单元105包括定时器1051和后备电池1052,其中,Referring to FIG. 2 , it shows another device control apparatus 10 provided by an embodiment of the present invention. The device control apparatus 10 may include: a
所述开关状态检测单元1011,与所述核心处理单元102和所述手动控制开关104相连,用于实时检测所述手动控制开关104的状态信息,并将所述实时检测的状态信息发送给所述核心处理单元102;The switch
所述电压检测单元1012,与所述核心处理单元102和所述供电电源108相连,用于实时检测所述供电电源108的电压值,并将所述实时检测的电压值发送给所述核心处理单元102;The
所述定时器1051,与核心处理单元102和开关逻辑控制单元103连接,用于当所述设备进入深度休眠状态的持续时长满足预设的定时唤醒时长时,会输出唤醒控制信号,以控制所述设备在深度休眠状态期间的定时唤醒;The
所述后备电池1052,与定时器1051连接,用于在所述设备进入深度休眠状态时给定时器1051供电。The
在本实施例中,优选地,为了实现设备的小型化,后备电池1062包括但不限于为纽扣电池或者超级电容,本实施例对此不作具体限定。In this embodiment, preferably, in order to achieve miniaturization of the device, the backup battery 1062 includes, but is not limited to, a button battery or a super capacitor, which is not specifically limited in this embodiment.
在本实施例中,优选地,为了实现设备的自动定时唤醒,所述核心处理单元102,具体用于配置定时器的定时参数;其中,所述定时器被配置的定时参数是基于预设的定时唤醒时长获得的;In this embodiment, preferably, in order to realize the automatic timing wake-up of the device, the
所述定时单元105,具体用于在所述设备进入休眠状态的时刻,启动所述定时器并进行计时;The
所述开关逻辑控制单元103,具体用于当所述设备进入深度休眠状态的持续时长超过所述定时器计时的结束时刻,则控制所述开关装置106闭合使得供电电源108的供电回路开通,以使所述设备进入唤醒状态。The switch
在本实施例中,优选地,为了保证后备电池1052的续航时间,定时器1051优先选用低功耗芯片,在本实施例中可以选用平均电流为纳安级的器件。In this embodiment, preferably, in order to ensure the battery life of the
需要说明的是,针对预设的定时唤醒时长,根据实际情况设置并且在预设范围之内;该定时唤醒时长可以由核心处理单元102直接设置,也可以由后台终端进行设置且由后台终端将所设置的定时唤醒时长通过通信单元107传输给核心处理单元102,然后由核心处理单元102设置;同时定时器1051根据预设的定时唤醒时长,当该定时唤醒时长到达时,定时器1051输出唤醒控制信号,该唤醒控制信号不能自动清除,而需要核心处理单元102驱动定时单元105来清除该唤醒控制信号。It should be noted that, for the preset timed wake-up duration, it is set according to the actual situation and within the preset range; the timed wake-up duration can be directly set by the
在本实施例中,优选地,为了减小开关装置106的功耗,开关装置106可以选用MOS管、三极管、或者IGBT器件。In this embodiment, preferably, in order to reduce the power consumption of the
在本实施例中,优选地,手动控制开关104为复位开关,按下是一个状态,松开就会恢复到正常状态。In this embodiment, preferably, the
在本实施例中,基于电压检测单元1012所实时检测的供电电源108的电压值,当该电压值低于第一预设电压阈值时,设备控制装置10可以通过开关逻辑控制单元103控制开关装置106断开使得供电电源108的供电回路关断,从而可以保护供电电源108,还可以使设备自动进入深度休眠状态,也就是说,实现了供电电源的低压保护功能;基于定时器1051所设置的定时唤醒时长,也可以通过开关逻辑控制单元103控制开关装置106闭合使得供电电源108的供电回路开通,从而可以使设备自动进入唤醒状态;另外,基于开关状态检测单元1011所实时检测的手动控制开关104的状态信息,也可以通过开关逻辑控制单元103控制开关装置106断开使得供电电源108的供电回路关断,从而可以保护供电电源108,还可以使设备手动进入深度休眠状态;同时基于开关状态检测单元1011所实时检测的手动控制开关104的状态信息,也可以通过开关逻辑控制单元103控制开关装置106闭合使得供电电源108的供电回路开通,从而可以使设备手动进入唤醒状态。在本实施例中,通过控制供电电源的供电回路关断与开通,可以实现设备自动或者手动进入深度休眠或者唤醒状态,同时达到休眠期间不失联的目的;由于深度休眠状态是通过供电回路的关断来实现,可以使功耗最低,这时候设备控制装置10是低于微瓦级的超低功耗,节能效果好。In this embodiment, based on the voltage value of the power supply 108 detected by the voltage detection unit 1012 in real time, when the voltage value is lower than the first preset voltage threshold, the device control device 10 can control the switch device through the switch logic control unit 103 106 is disconnected to turn off the power supply circuit of the power supply 108, so that the power supply 108 can be protected, and the device can also automatically enter a deep sleep state, that is, the low-voltage protection function of the power supply is realized; Timing wake-up duration, the switch logic control unit 103 can also control the switch device 106 to close so that the power supply circuit of the power supply 108 is opened, so that the device can automatically enter the wake-up state; The status information of 104 can also be controlled by the switch logic control unit 103 to turn off the switch device 106 to turn off the power supply circuit of the power supply 108, so as to protect the power supply 108, and the device can also manually enter the deep sleep state; at the same time, based on the switch state The state information of the manual control switch 104 detected in real time by the detection unit 1011 can also be controlled by the switch logic control unit 103 to close the switch device 106 to open the power supply circuit of the power supply 108, thereby enabling the device to manually enter the wake-up state. In this embodiment, by controlling the power supply circuit of the power supply to be turned off and on, the device can automatically or manually enter the deep sleep or wake-up state, and at the same time achieve the purpose of not losing connection during the sleep period; because the deep sleep state is through the power supply loop. The power consumption can be minimized by turning it off to achieve the lowest power consumption. At this time, the device control device 10 has ultra-low power consumption below the microwatt level, and the energy saving effect is good.
参见图3,其示出了本发明实施例提供的又一种设备控制装置10,如图3所示,设备控制装置10还可以包括电源变换单元109,其中,Referring to FIG. 3 , another device control apparatus 10 provided by an embodiment of the present invention is shown. As shown in FIG. 3 , the device control apparatus 10 may further include a
所述电源变换单元109,与所述开关装置106和所述供电电源108连接,用于保证所述设备控制装置10中各单元的稳定供电。The
在本实施例中,优选地,所述电源变换单元109,还用于提供硬件欠压保护功能。In this embodiment, preferably, the
需要说明的是,所述电源变换单元109的一端连接开关装置106,另一端连接供电电源108,当开关装置106开通时,电源变换单元109处于有电状态,当开关装置106关断时,电源变换单元109处于断电状态。It should be noted that one end of the
在本实施例中,优选地,如图3所示,供电电源108可以包括主用电源P2和备用电源P1;其中,In this embodiment, preferably, as shown in FIG. 3 , the
当主用电源P2正常有电时,优选主用电源P2供电,此时所述设备不进入深度休眠状态,所述设备工作;When the main power supply P2 is normally powered, preferably the main power supply P2 is powered, and the device does not enter the deep sleep state at this time, and the device works;
当主用电源P2异常而断电时,备用电源P1供电且所述目标参数信息满足预设的深度休眠策略,此时所述设备进入深度休眠状态,以保护备用电源P1;When the main power supply P2 is abnormally powered off, the backup power supply P1 supplies power and the target parameter information satisfies the preset deep sleep strategy, and the device enters a deep sleep state at this time to protect the backup power supply P1;
当所述设备处于深度休眠状态时,若主用电源P2供电恢复正常,则所述设备进入唤醒状态,且所述设备工作。When the device is in a deep sleep state, if the power supply of the main power source P2 returns to normal, the device enters a wake-up state and the device works.
需要说明的是,为了避免备用电源P1和主用电源P2之间造成电源短路,备用电源P1通过二极管D1连接到电源变换单元109,备用电源P1通常为蓄电池;主用电源P2通过二极管D2连接到开关装置106,主用电源P2通常为市电或其他交流供电输入。It should be noted that, in order to avoid short circuit between the backup power supply P1 and the main power supply P2, the backup power supply P1 is connected to the
在本实施例中,优选地,备用电源P1可以有多个电源并联,主用电源P2也可以有多个电源并联,设备控制装置10满足多路取电,从而提高了设备供电的可靠性。In this embodiment, preferably, the backup power supply P1 can have multiple power supplies in parallel, and the main power supply P2 can also have multiple power supplies in parallel.
在本实施例中,优选地,当所述设备处于深度休眠状态时,由备用电源供电,若设备继续工作会对备用电源造成很大损害;因此,所述核心处理单元102,还用于:In this embodiment, preferably, when the device is in a deep sleep state, it is powered by a backup power supply. If the device continues to work, it will cause great damage to the backup power supply; therefore, the
若所述备用电源的电压值低于第二预设电压阈值,则关闭所述定时单元。If the voltage value of the backup power supply is lower than the second preset voltage threshold, the timing unit is turned off.
需要说明的是,根据实际需要,为了避免对备用电源造成损坏,在深度休眠状态期间还可以关闭定时唤醒功能。例如,当所述主用电源异常而断电时,由备用电源供电且所述目标参数信息满足预设的深度休眠策略,此时所述设备进入深度休眠状态;假定备用电源的电压值很低,比如备用电源的电压值低于第二预设电压阈值,为了防止备用电源过放电,甚至对备用电源造成损坏,这时候可以关闭定时唤醒功能,将定时单元进行关闭;后续如果需要唤醒设备,可以通过手动唤醒或者多路供电场景中的供电恢复来进行唤醒。It should be noted that, according to actual needs, in order to avoid damage to the backup power supply, the scheduled wake-up function can also be turned off during the deep sleep state. For example, when the main power supply is abnormally powered off, the backup power supply is supplied with power and the target parameter information satisfies the preset deep sleep strategy, and the device enters a deep sleep state at this time; it is assumed that the voltage value of the backup power supply is very low For example, the voltage value of the backup power supply is lower than the second preset voltage threshold. In order to prevent the backup power supply from being over-discharged or even causing damage to the backup power supply, you can turn off the timing wake-up function and turn off the timing unit at this time. If you need to wake up the device later, Wake-up can be performed by manual wake-up or power recovery in a multi-channel power supply scenario.
可以理解地,在上述实施例中,“单元”可以是部分电路,或者部分处理器,当然也可以是模块,还可以是非模块化的。上述的各个单元可以采用下述具体的电路形式来实现。It can be understood that, in the above-mentioned embodiments, a "unit" may be a part of a circuit or a part of a processor, and of course, it may also be a module, and it may also be non-modular. The above-mentioned units can be implemented in the following specific circuit forms.
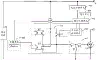
参见图4,其示出了本发明实施例提供的一种设备控制装置的电路结构示意图。如图4所示,设备控制装置10包括:开关逻辑控制单元401、定时单元402、核心处理单元403、开关状态检测单元404、电压检测单元405、通信单元406、开关装置407、手动控制开关S1和供电电源P1;其中,Referring to FIG. 4 , it shows a schematic circuit structure diagram of a device control apparatus provided by an embodiment of the present invention. As shown in FIG. 4 , the device control device 10 includes: a switch logic control unit 401, a
定时单元402包含备用电池电源Vbackup和一路输出唤醒控制信号,Vbackup连接开关逻辑控制单元401中PMOS管VT1的源级,唤醒控制信号连接开关逻辑控制单元401中R1的一端;R1的一端与VT1的源级相连,另一端与定时单元的唤醒控制信号相连;在开关逻辑控制单元401中,R2的一端与R1相连,另一端连接PMOS管VT1的栅极,R2起驱动限流作用;VT1的漏极与R3相连,R3的另一端连接NPN三极管VT2的集电极;R4的一端连接VCC,VCC为供电变换后的开关逻辑控制单元401供电,R4的另一端连接NPN三极管VT2的集电极,且还与光耦U1的1脚相连,R4根据U1的驱动电流来确定电阻值;NPN三极管VT2,集电极与R3和R4的连接点相连,基极与R5和R6的连接点相连,发射级连接到参考地,该参考地是供电变换后为开关逻辑控制单元401供电的参考地;R5一端连接到参考地,另一端连接到R6;R6一端连接到R5,另一端连接到核心处理单元403;R5和R6构成分压和限流的作用,根据VT2的基极电流来确定电阻数值;光耦U1的1脚连接到R3和R4的连接点,2脚连接到上述的参考地,4脚连接到供电电源P1的正极,3脚连接到R7的一端;手动控制开关S1为双联复位开关,其中,S1的2脚连接到U1的4脚,S1的4脚连接到U1的3脚,S1的2脚和4脚为一个复位开关的触点两端,S1的1脚和3脚为另一个复位开关的触点两端,两个复位开关联动故称为双联复位开关;S1的第1脚和第3脚通过开关状态检测单元404与核心处理单元403相连,可以检测到手动控制开关S1的动作,得知是导通状态还是断开状态;在开关装置407中,R7的另一端与R8和R9的连接点相连;R8的另一端与供电电源P1的负极相连;R9的另一端与NMOS管VT3的栅极相连,起限流作用;VT3的源级与供电电源P1的负极相连;供电电源P1的正极与VT3的漏极构成了本实施例的输出,形成电源负端开关功能,供电变换单元取电于此;R7和R8构成分压电路,根据VT3的栅源极驱动电压来确定电阻数值;这里,R1、R2、R3、R4、R5、R6、S1、VT1、VT2和U1构成本实施例的开关逻辑控制单元401;需要说明的是,电压检测单元405和通信单元406都是本领域通用方案示例,本发明实施例不做详细叙述。The
在图4所示的电路结构示例中,通过电压检测单元405,当供电电源P1的电压值低于预设电压阈值VL,核心处理单元403输出一个驱动信号控制VT2三极管开通,从而关断光耦U1,也就切断了NMOS管VT3的驱动供电,NMOS管VT3关断供电回路,设备会进入深度休眠状态;若当前是处于深度休眠状态,需要来唤醒设备,可以通过按下手动控制开关S1,使光耦U1旁路,光耦的3脚和4脚直接连通,从而驱动VT3开通供电回路,此时供电电源P1的电压值高于预设电压阈值VL,设备进入唤醒状态,可以正常工作;若供电电源P1的电压值低于VL,则核心处理单元403驱动设备继续处于深度休眠状态;这种情况下,若要切断供电电源P1,可以按下手动控制开关S1,核心处理单元403通过开关状态检测单元404检测到按键信号,输出一个驱动信号控制VT2三极管开通,从而关断光耦U1,也就切断了NMOS管VT3的驱动供电,使得NMOS管VT3关断供电回路,设备会进入深度休眠状态;定时单元402自动控制设备的定期唤醒,其原理是:当核心处理单元403设置的定时唤醒时长到达时,定时单元402输出一个唤醒控制信号,控制PMOS管VT1的导通,Vbackup通过VT1来驱动U1导通,从而驱动VT3的导通,开通供电回路,设备会进入唤醒状态;同时供电回路开通之后,U1的驱动就由内部供电,此时核心处理单元403会驱动定时单元402清除输出的唤醒控制信号,关闭VT1,以防止消耗后备电池的电能。In the example of the circuit structure shown in FIG. 4, through the
需要说明的是,定时单元402只有在深度休眠期间才能根据已经设定好的定时唤醒时长来进行定时唤醒,且可以根据实际需要来关闭定期自动唤醒功能;比如,当电源(通常是指电池)的电压很低,设备继续工作会对电池有很大损害,可以关闭定期唤醒功能,保护电源;手动控制开关S1进入的深度休眠,此时定时单元402不会开启定时自动唤醒功能,只能通过手动唤醒或者是多路供电场景下主电源供电恢复来唤醒设备;另外,当关断VT3电源回路后,主要是定时单元402有nA级微小电流消耗,使得功耗低至微瓦级。It should be noted that the
本实施例中,器件VT1、VT2、U1、S1和VT3并不限于本实施例中所述的器件,也可以是其他能实现相同功能的开关器件,本发明实施例不作具体限定。例如VT1还可以是双极性晶体三极管,又例如VT2还可以是NMOS管,又例如U1是具备隔离功能的开关,还可以是光耦继电器,又例如VT3还可以是具备IGBT或者双极性晶体三极管等;这也属于本发明实施例的保护范围。In this embodiment, the devices VT1, VT2, U1, S1 and VT3 are not limited to the devices described in this embodiment, and may also be other switching devices that can achieve the same function, which are not specifically limited in the embodiment of the present invention. For example, VT1 can also be a bipolar transistor, and VT2 can also be an NMOS transistor. For example, U1 can be a switch with isolation function, and it can also be an optocoupler relay. For example, VT3 can also be an IGBT or a bipolar transistor. A triode, etc.; this also belongs to the protection scope of the embodiments of the present invention.
参见图5,其示出了本发明实施例提供的另一种设备控制装置的电路结构示意图;相比于图4,图5中的变化部分是开关逻辑控制单元501。如图5所示,开关逻辑控制单元501中的手动控制开关S1的一开关不再是连接在U1的3、4脚,而是一端2脚连接在定时单元402的唤醒控制信号与R1、R2的连接点处,另一端4脚连接参考地,用于控制VT1的开通;S1的1脚和3脚,也就是另一开关,通过开关状态检测单元404与核心处理单元403相连,用于检测手动控制开关S1的状态。需要说明的是,图5的其他单元与图4相同,而且图5的逻辑功能与图4的逻辑功能相同,这里不再详述。Referring to FIG. 5 , it shows a schematic diagram of a circuit structure of another device control apparatus provided by an embodiment of the present invention; compared with FIG. 4 , the changed part in FIG. 5 is the switch
参见图6,其示出了本发明实施例提供的又一种设备控制装置的电路结构示意图;相比于图5,图6中的变化部分是开关逻辑控制单元601,主要是手动控制开关S1由双联复位开关变为单复位开关,S1的一端1脚连接在定时单元402的唤醒控制信号与R1、R2的连接点处,另一端2脚连接到参考地,用于控制VT1的开通;其中二极管VD1的阴极连接到S1的1脚,VD1的阳极连接到R10的一端;R10的一端与VD1的阳极相连,另一端与VCC相连,其中VD1与R10的连接点连接到核心处理单元403,用于实现手动控制开关S1的开关状态检测;这里,VD1为肖特基二极管。需要说明的是,图6的其他单元与图4相同,而且图6的逻辑功能与图4的逻辑功能相同,这里不再详述。Referring to FIG. 6 , it shows a schematic diagram of the circuit structure of another device control device provided by an embodiment of the present invention; compared with FIG. 5 , the changed part in FIG. 6 is the switch
参见图7,其示出了本发明实施例提供的再一种设备控制装置的电路结构示意图;相比于图4,图7中的变化部分仍是开关逻辑控制单元701。如图7所示,定时单元402包含备用电池电源Vbackup和一路输出唤醒控制信号,Vbackup连接开关逻辑控制单元701中光耦U2的1脚,唤醒控制信号连接到U2的2脚;U2的3、4脚与U1的3、4脚并联,U1的4脚连U2的4脚,U1的3脚连U2的3脚,U1的1、2脚连接到核心处理单元403,U1和U2的4脚连接到供电电源P1的正极,U1和U2的3脚连接到R7的一端;S1的2脚连接到U1和U2的4脚,S1的4脚连接到U1和U2的3脚,S1的2脚和4脚为一个复位开关的触点两端,S1的1脚和3脚为另一个复位开关的触点两端,两个复位开关联动故称为双联复位开关;S1的第1脚和第3脚通过开关状态检测单元404与核心处理单元403相连,可以检测到手动控制开关S1的动作,得知是导通状态还是断开状态;在开关装置407中,R7的另一端与R8和R9的连接点相连;R8的另一端与供电电源P1的负极相连;R9的另一端与NMOS管VT3的栅极相连,起限流作用;VT3的源级与供电电源P1的负极相连;供电电源P1的正极与VT3的漏极构成了本实施例的输出,形成电源负端开关功能,供电变换单元取电于此;R7和R8构成分压电路,根据VT3的栅源极驱动电压来确定电阻数值;这里,S1、U1和U2构成本实施例的开关逻辑控制单元701;需要说明的是,电压检测单元405和通信单元406都是本领域通用方案示例,本发明实施例不做详细叙述。Referring to FIG. 7 , it shows a schematic diagram of a circuit structure of another device control apparatus provided by an embodiment of the present invention; compared with FIG. 4 , the changed part in FIG. 7 is still the switch
在图7所示的电路结构示例中,通过电压检测单元405,当供电电源P1的电压值低于预设电压阈值VL,核心处理单元403输出一个驱动信号控制光耦U1关断,从而切断了NMOS管VT3的驱动供电,NMOS管VT3关断供电回路,设备会进入深度休眠状态;若当前是处于深度休眠状态,需要来唤醒设备,可以通过按下手动控制开关S1,使光耦U1旁路,光耦的3脚和4脚直接连通,从而驱动VT3开通供电回路,此时供电电源P1的电压值高于预设电压阈值VL,设备进入唤醒状态,可以正常工作;若供电电源P1的电压值低于VL,则核心处理单元403驱动设备继续处于深度休眠状态;这种情况下,若要切断供电电源P1,可以按下手动控制开关S1,核心处理单元403通过开关状态检测单元404检测到按键信号,输出一个驱动信号关断光耦U1,也就切断了NMOS管VT3的驱动供电,使得NMOS管VT3关断供电回路,设备会进入深度休眠状态;定时单元402自动控制设备的定期唤醒,其原理是:当核心处理单元403设置的定时唤醒时长到达时,定时单元402输出一个唤醒控制信号,控制光耦U1的导通,从而驱动VT3的导通,开通供电回路,设备会进入唤醒状态;同时供电回路开通之后,U1的驱动就由内部供电,此时核心处理单元403会驱动定时单元402清除输出的唤醒控制信号,U2关断,以防止消耗后备电池的电能。In the circuit structure example shown in FIG. 7, through the
需要说明的是,定时单元402只有在深度休眠期间才能根据已经设定好的定时唤醒时长来进行定时唤醒,且可以根据实际需要来关闭定期自动唤醒功能,比如,当电源(通常是指电池)的电压很低,设备继续工作会对电池有很大损害,可以关闭定期唤醒功能,保护电源;手动控制开关S1进入的深度休眠,此时定时单元402不会开启定时自动唤醒功能,只能通过手动唤醒或者是多路供电场景下主电源供电恢复来唤醒设备;另外,当关断VT3电源回路后,主要是定时单元402有nA级微小电流消耗,使得功耗低至微瓦级。It should be noted that the
本实施例中,器件U1、U2、S1和VT3并不限于本实施例中所述的器件,也可以是其他能实现相同功能的开关器件,本发明实施例不作具体限定。例如U1、U2可以是具备隔离功能的开关,还可以是光耦继电器,又例如VT3还可以是具备IGBT或者双极性晶体三极管等;这也属于本发明实施例的保护范围。In this embodiment, the devices U1 , U2 , S1 and VT3 are not limited to the devices described in this embodiment, and may also be other switching devices that can achieve the same function, which is not specifically limited in the embodiment of the present invention. For example, U1 and U2 may be switches with isolation function, and may also be optocoupler relays. For example, VT3 may also be equipped with IGBTs or bipolar transistors; this also belongs to the protection scope of the embodiments of the present invention.
参见图8,其示出了本发明实施例提供的再一种设备控制装置的电路结构示意图;相比于图7,图8中的变化部分也是开关逻辑控制单元801,主要是手动控制开关S1连接的位置发生变化。如图10所示,开关逻辑控制单元801中的手动控制开关S1的一开关不再是连接在U1和U2的3脚和4脚,而是开关的一端2脚连接在定时单元的唤醒控制信号与U2连接点处,另一端4脚连接参考地,用于控制U2的开通;S1的1脚和3脚,也就是另一开关,通过开关状态检测单元404与核心处理单元403相连,用于检测手动控制开关S1的状态。Referring to FIG. 8, it shows a schematic diagram of the circuit structure of still another device control device provided by an embodiment of the present invention; compared with FIG. 7, the changed part in FIG. 8 is also a switch
需要说明的是,若当前是处于深度休眠状态,需要来唤醒设备,可以通过按下手动控制开关S1,使光耦U2导通,从而驱动VT3开通供电回路,此时供电电源P1的电压值高于预设电压阈值VL,设备进入唤醒状态,可以正常工作;若供电电源P1的电压值低于VL,则核心处理单元403驱动设备继续处于深度休眠状态;这种情况下,若要切断供电电源P1,可以按下手动控制开关S1,核心处理单元403通过开关状态检测单元404检测到按键信号,输出一个驱动信号关断光耦U1,也就切断了NMOS管VT3的驱动供电,使得NMOS管VT3关断供电回路,设备会进入深度休眠状态;需要说明的是,图8的其他单元与图7相同,而且图8的其他逻辑与图7的逻辑功能相同,这里不再详述。It should be noted that if it is currently in a deep sleep state and needs to wake up the device, you can press the manual control switch S1 to turn on the optocoupler U2, thereby driving VT3 to open the power supply circuit. At this time, the voltage value of the power supply P1 is high. At the preset voltage threshold VL, the device enters the wake-up state and can work normally; if the voltage value of the power supply P1 is lower than VL, the
参见图9,其示出了本发明实施例提供的再一种设备控制装置的电路结构示意图。如图9所示,包括开关逻辑控制单元901、定时单元402、核心处理单元403、开关状态检测单元404、电压检测单元405、通信单元406、开关装置407、手动控制开关S1和供电电源P1;其中,开关逻辑控制单元901包括但不限于图4~图9所示开关逻辑控制单元的任何一种形式,定时单元402、核心处理单元403、开关状态检测单元404、电压检测单元405、通信单元406、开关装置407、手动控制开关S1和供电电源P1与上述图4~图9所示相同,这里不再详述;不同之处在于本实施例中提供的是开关装置407处于供电回路正极的方式;在开关装置407中,R7的一端连接开关逻辑控制单元901,另一端与R8和R9的连接点相连;R8的另一端与供电电源P1的正极相连;R9的另一端与PMOS管VT3的栅极相连,起限流作用;VT3的源级与供电电源P1的正极相连;供电电源P1的负极与VT3的漏极构成了本实施例的输出,形成电源正端开关功能,供电变换单元取电于此;R7和R8构成分压电路,根据VT3的栅源极驱动电压来确定电阻数值。Referring to FIG. 9 , it shows a schematic diagram of a circuit structure of still another device control apparatus provided by an embodiment of the present invention. As shown in FIG. 9 , it includes a switch
在本实施例中,通过具体硬件电路组合来控制供电电源P1的供电回路关断与开通,可以使得设备进入深度休眠或者唤醒状态,而且还可以达到在深度休眠状态期间不失联的目的;同时在深度休眠状态期间,通过控制供电电源的供电回路关断,还可以对供电电源起到保护作用,在供电电源关断之后具有低于微瓦级的超低功耗,节能效果好。In this embodiment, the power supply circuit of the power supply P1 is controlled to be turned off and turned on through a specific hardware circuit combination, so that the device can enter a deep sleep or wake-up state, and can also achieve the purpose of not losing connection during the deep sleep state; at the same time; During the deep sleep state, by controlling the power supply loop of the power supply to be turned off, the power supply can also be protected.
在上述实施例的基础上,参见图10,其示出了本发明实施例提供的一种系统100,该系统100包括:设备1001和后台终端1002,其中,On the basis of the foregoing embodiment, referring to FIG. 10 , it shows a
设备1001,用于将所述设备的运行状态信息实时发送给后台终端;
后台终端1002,用于对所接收到所述设备的运行状态信息进行处理,以及设置定时唤醒时长并发送给所述设备。The
需要说明的是,所述设备1001中包括上述图1至图9所示的任一设备控制装置10,而且设备1001中还包括但不限于通信单元107,通信单元107用于设备1001与后台终端1002之间的通信,并进行信息交互;另外,通信单元107可以采用有线或者无线通讯方式,有线通讯方式优选以太网方式,无线通讯方式优选2G/3G/4G方式,本发明实施例不作具体限定。It should be noted that the
还需要说明的是,后台终端1002接收到设备的运行状态信息,可以对该信息进行保存或者其他处理。举例来说,后台终端1002通过Web网页将这些信息进行发布,用户可以通过Web网页查看设备的运行状态;另外,也可以通过后台终端1002对设备1001进行参数信息设置,比如预设的定时唤醒时长;但是如果设备1001进入休眠状态,只有当设备1001进入唤醒状态之后才可以进行设备的运行状态信息发送,同时在不满足设备1001进入唤醒状态的情况下,此时设备1001继续处于休眠状态,后台终端1002不能来唤醒设备1001。It should also be noted that the
本实施例提供了一种设备控制装置,该设备控制装置包括检测单元、核心处理单元、开关逻辑控制单元、手动控制开关、定时单元、开关装置、通信单元和供电电源,其中,所述检测单元用于实时检测目标参数信息,目标参数信息包括供电电源的电压值和手动控制开关的状态信息;所述核心处理单元用于将目标参数信息与预设的深度休眠策略或者预设的唤醒策略进行比较及处理,并向开关逻辑控制单元提供对应的处理信号,同时核心处理单元还用于向所述定时单元提供预设的定时唤醒时长;而所述开关逻辑控制单元用于根据核心处理单元所提供的处理信号来控制开关装置的断开与闭合,以使设备处于深度休眠或者唤醒状态,同时开关逻辑控制单元还用于根据定时单元所提供的唤醒控制信号来控制开关装置的闭合,以使设备处于唤醒状态;所述定时单元用于根据核心处理单元所提供的预设的定时唤醒时长进行定时设置,并向开关逻辑控制单元提供对应的唤醒控制信号来控制设备在深度休眠状态期间的定时唤醒;从而实现了设备自动或者手动进入深度休眠或者唤醒状态,还达到了深度休眠期间不失联的目的;同时还对供电电源起到了保护作用,在供电电源关断之后具有低于微瓦级的超低功耗,节能效果好。This embodiment provides a device control device, the device control device includes a detection unit, a core processing unit, a switch logic control unit, a manual control switch, a timing unit, a switch device, a communication unit, and a power supply, wherein the detection unit It is used to detect target parameter information in real time, and the target parameter information includes the voltage value of the power supply and the state information of the manual control switch; the core processing unit is used to compare the target parameter information with the preset deep sleep strategy or the preset wake-up strategy. Compare and process, and provide corresponding processing signals to the switch logic control unit, and the core processing unit is also used to provide the timing unit with a preset timing wake-up time; and the switch logic control unit is used to The provided processing signal is used to control the opening and closing of the switching device, so that the device is in a deep sleep or wake-up state, and the switch logic control unit is also used to control the closing of the switching device according to the wake-up control signal provided by the timing unit, so that the The device is in a wake-up state; the timing unit is used for timing setting according to the preset timed wake-up duration provided by the core processing unit, and provides a corresponding wake-up control signal to the switch logic control unit to control the timing of the device during the deep sleep state Wake up; thus realize the device automatically or manually enter the deep sleep or wake-up state, and achieve the purpose of not losing connection during the deep sleep; at the same time, it also protects the power supply, and has a lower than microwatt level after the power supply is turned off. The ultra-low power consumption, the energy saving effect is good.
实施例二Embodiment 2
参见图11,其示出了本发明实施例提供的一种设备控制方法,该方法应用于上述实施例一中任一设备控制装置10,该方法可以包括:Referring to FIG. 11, it shows a device control method provided by an embodiment of the present invention. The method is applied to any device control apparatus 10 in the above-mentioned first embodiment, and the method may include:
S1101:实时检测目标参数信息;其中,所述目标参数信息包括供电电源的电压值和手动控制开关的状态信息;S1101: Detect target parameter information in real time; wherein, the target parameter information includes a voltage value of a power supply and state information of a manual control switch;
S1102:若所述目标参数信息满足预设的深度休眠策略,则控制所述供电电源的供电回路关断,以使所述设备进入深度休眠状态;S1102: If the target parameter information satisfies a preset deep sleep strategy, control the power supply loop of the power supply to turn off, so that the device enters a deep sleep state;
S1103:若所述目标参数信息满足预设的唤醒策略,则控制所述供电电源的供电回路开通,以使所述设备进入唤醒状态。S1103: If the target parameter information satisfies a preset wake-up policy, control the power supply loop of the power supply to be turned on, so that the device enters a wake-up state.
基于图11所示的技术方案,实时检测目标参数信息;其中,所述目标参数信息包括所述供电电源的电压值和手动控制开关的状态信息;若所述目标参数信息满足预设的深度休眠策略,则控制所述供电电源的供电回路关断,以使所述设备进入深度休眠状态;若所述目标参数信息满足预设的唤醒策略,则控制所述供电电源的供电回路开通,以使所述设备进入唤醒状态;通过控制供电电源的供电回路关断与开通,可以实现设备自动或者手动进入深度休眠或者唤醒状态,而且还可以达到深度休眠期间不失联的目的;同时还对供电电源起到了保护作用,在供电电源关断之后具有低于微瓦级的超低功耗,节能效果好。Based on the technical solution shown in FIG. 11, the target parameter information is detected in real time; wherein, the target parameter information includes the voltage value of the power supply and the status information of the manual control switch; if the target parameter information satisfies the preset deep sleep strategy, then control the power supply loop of the power supply to turn off, so that the device enters a deep sleep state; if the target parameter information satisfies the preset wake-up strategy, control the power supply loop of the power supply to open, so that The device enters the wake-up state; by controlling the power supply loop of the power supply to be turned off and on, the device can automatically or manually enter the deep sleep or wake-up state, and can also achieve the purpose of not losing contact during the deep sleep; It plays a protective role, and has ultra-low power consumption below the microwatt level after the power supply is turned off, and the energy saving effect is good.
对于图11所示的技术方案,在一种可能的实现方式中,所述若所述目标参数信息满足预设的深度休眠策略,则控制所述供电电源的供电回路关断,以使所述设备进入深度休眠状态,具体包括:For the technical solution shown in FIG. 11 , in a possible implementation manner, if the target parameter information satisfies a preset deep sleep strategy, the power supply loop of the power supply is controlled to be turned off, so that the The device enters a deep sleep state, which includes:
当所述实时检测的目标参数信息为所述供电电源的电压值时,When the target parameter information detected in real time is the voltage value of the power supply,
若所述电压值低于第一预设电压阈值,则控制所述供电电源的供电回路关断,以使所述设备进入深度休眠状态。If the voltage value is lower than the first preset voltage threshold, the power supply loop of the power supply is controlled to be turned off, so that the device enters a deep sleep state.
需要说明的是,结合图1所示的设备控制装置,当检测单元101所实时检测的目标参数信息为供电电源108的电压值时,检测单元101将所实时检测的供电电源108的电压值发送给核心处理单元102,若所述电压值低于第一预设电压阈值,则核心处理单元102会向开关逻辑控制单元103提供对应的处理信号;对于开关逻辑控制单元103来说,开关逻辑控制单元103会控制所述开关装置106断开以使供电电源108的供电回路关断,从而使得设备进入深度休眠状态;从而可以实现设备的自动进入深度休眠状态。It should be noted that, in conjunction with the device control device shown in FIG. 1 , when the target parameter information detected in real time by the
对于图11所示的技术方案,在一种可能的实现方式中,所述若所述目标参数信息满足预设的深度休眠策略,则控制所述供电电源的供电回路关断,以使所述设备进入深度休眠状态,具体包括:For the technical solution shown in FIG. 11 , in a possible implementation manner, if the target parameter information satisfies a preset deep sleep strategy, the power supply loop of the power supply is controlled to be turned off, so that the The device enters a deep sleep state, which includes:
当所述实时检测的目标参数信息为所述手动控制开关的状态信息时,When the target parameter information detected in real time is the state information of the manual control switch,
若所述设备处于唤醒状态且接收所述手动控制开关的操作指令信息以使所述状态信息为按下,则控制所述供电电源的供电回路关断,以使所述设备进入深度休眠状态。If the device is in the awake state and receives the operation instruction information of the manual control switch so that the state information is pressed, the power supply circuit of the power supply is controlled to be turned off, so that the device enters the deep sleep state.
对于图11所示的技术方案,在一种可能的实现方式中,所述若所述目标参数信息满足预设的唤醒策略,则控制所述供电电源的供电回路开通,以使所述设备进入唤醒状态,包括:For the technical solution shown in FIG. 11 , in a possible implementation manner, if the target parameter information satisfies a preset wake-up strategy, control the power supply loop of the power supply to open, so that the device enters the Awake states, including:
当所述实时检测的目标参数信息为所述手动控制开关的状态信息时,When the target parameter information detected in real time is the state information of the manual control switch,
若所述设备处于深度休眠状态且接收所述手动控制开关的操作指令信息以使所述状态信息为按下,则控制所述供电电源的供电回路开通,以使所述设备进入唤醒状态。If the device is in the deep sleep state and receives the operation instruction information of the manual control switch so that the state information is pressed, the power supply loop of the power supply is controlled to be opened, so that the device enters the wake-up state.
需要说明的是,结合图1所示的设备控制装置,当检测单元101所实时检测的目标参数信息为手动控制开关104的状态信息时,检测单元101将所实时检测的手动控制开关104的状态信息发送给核心处理单元102,若设备处于唤醒状态且接收到手动控制开关104的状态信息为按下,则核心处理单元102会向开关逻辑控制单元103提供对应的处理信号;对于开关逻辑控制单元103来说,开关逻辑控制单元103也会接收到手动控制开关104的状态信息为按下,此时开关逻辑控制单元103会控制开关装置106断开使得供电电源108的供电回路关断,以使所述设备进入深度休眠状态;另外,检测单元101将所实时检测的手动控制开关104的状态信息发送给核心处理单元102,若设备处于深度休眠状态且接收到手动控制开关104的状态信息为按下,则核心处理单元102会向开关逻辑控制单元103提供对应的处理信号;对于开关逻辑控制单元103来说,开关逻辑控制单元103也会接收到手动控制开关104的状态信息为按下,此时开关逻辑控制单元103会控制所述开关装置106闭合使得供电电源108的供电回路开通,以使所述设备进入唤醒状态;从而可以实现设备的手动进入深度休眠或者唤醒状态。It should be noted that, in conjunction with the device control device shown in FIG. 1 , when the target parameter information detected in real time by the
对于图11所示的技术方案,在一种可能的实现方式中,所述若所述目标参数信息满足预设的唤醒策略,则控制所述供电电源的供电回路开通,以使所述设备进入唤醒状态,具体包括:For the technical solution shown in FIG. 11 , in a possible implementation manner, if the target parameter information satisfies a preset wake-up strategy, control the power supply loop of the power supply to open, so that the device enters the Wake state, including:
获取所述设备进入深度休眠状态的持续时长;Obtain the duration of the device entering the deep sleep state;
若所述持续时长满足预设的定时唤醒时长,则控制所述供电电源的供电回路开通,以使所述设备进入唤醒状态。If the duration meets the preset timed wake-up duration, the power supply loop of the power supply is controlled to be turned on, so that the device enters the wake-up state.
需要说明的是,结合图1所示的设备控制装置,当设备处于深度休眠状态且定时单元105工作时,若所述设备进入深度休眠状态的持续时长满足定时单元105预设的定时唤醒时长,则开关逻辑控制单元103控制所述开关装置106闭合使得供电电源108的供电回路开通,以使所述设备进入唤醒状态;从而可以实现设备的自动进入唤醒状态。It should be noted that, in combination with the device control device shown in FIG. 1 , when the device is in a deep sleep state and the
在上述实现方式中,优选地,所述若所述持续时长满足预设的定时唤醒时长,则控制所述供电电源的供电回路开通,以使所述设备进入唤醒状态,具体包括:In the above implementation manner, preferably, if the duration satisfies a preset timed wake-up duration, the power supply circuit of the power supply is controlled to be turned on, so that the device enters the wake-up state, which specifically includes:
配置定时器的定时参数;其中,所述定时器被配置的定时参数是基于所述预设的定时唤醒时长获得的;Configuring timing parameters of the timer; wherein, the configured timing parameters of the timer are obtained based on the preset timing wake-up duration;
在所述设备进入休眠状态的时刻,启动所述定时器并进行计时;At the moment when the device enters the dormant state, the timer is started and timed;
当所述持续时长超过所述定时器计时的结束时刻,则控制所述供电电源的供电回路开通,以使所述设备进入唤醒状态。When the duration exceeds the end time counted by the timer, the power supply loop of the power supply source is controlled to be turned on, so that the device enters a wake-up state.
需要说明的是,结合图2所示的设备控制装置,定时器1051用于当所述设备进入深度休眠状态的持续时长满足预设的定时唤醒时长时,会输出唤醒控制信号,以控制所述设备在深度休眠状态期间的定时唤醒;针对定时器1051的定时参数进行配置,在设备进入休眠状态的时刻,启动定时器1051并进行计时;当所述设备进入深度休眠状态的持续时长超过定时器1051计时的结束时刻,则开关逻辑控制单元103控制所述开关装置106闭合使得供电电源108的供电回路开通,从而使得所述设备进入唤醒状态。It should be noted that, in conjunction with the device control device shown in FIG. 2 , the
可以理解地,当所述设备处于深度休眠状态时,根据实际需要,为了避免对供电电源造成损坏,在休眠状态期间还可以关闭定时唤醒功能;因此,在上述具体实现方式中,所述方法还包括:Understandably, when the device is in a deep sleep state, according to actual needs, in order to avoid damage to the power supply, the timed wake-up function can also be turned off during the sleep state; therefore, in the above specific implementation manner, the method further include:
当所述实时检测的目标参数信息为所述供电电源的电压值时,When the target parameter information detected in real time is the voltage value of the power supply,
若所述电压值低于第二预设电压阈值,则关闭所述定时器。If the voltage value is lower than the second preset voltage threshold, the timer is turned off.
需要说明的是,结合图3所示的设备控制装置,根据实际需要,为了避免对供电电源造成损坏,在休眠状态期间还可以关闭定时唤醒功能。例如,一般来说,供电电源包括主用电源和备用电源;当主用电源异常而导致断电时,由备用电源供电且所述目标参数信息满足预设的深度休眠策略,此时设备进入深度休眠状态;假定备用电源的电压值很低,比如备用电源的电压值低于第二预设电压阈值,为了防止备用电源过放电,甚至对备用电源造成损坏,这时候可以关闭定时唤醒功能,将定时器进行关闭;后续如果需要唤醒设备,可以通过手动唤醒或者多路供电场景中的供电恢复来进行唤醒。It should be noted that, in conjunction with the device control device shown in FIG. 3 , according to actual needs, in order to avoid damage to the power supply, the timing wake-up function can also be turned off during the sleep state. For example, in general, the power supply includes a main power supply and a backup power supply; when the main power supply is abnormal and causes a power outage, the power supply is supplied by the backup power supply and the target parameter information satisfies the preset deep sleep strategy, and the device enters deep sleep at this time. Status: Assuming that the voltage value of the backup power supply is very low, for example, the voltage value of the backup power supply is lower than the second preset voltage threshold, in order to prevent the backup power supply from being over-discharged or even causing damage to the backup power supply, you can turn off the timer wake-up function at this time, and the timer If the device needs to be woken up later, it can be woken up by manual wake-up or power supply recovery in a multi-channel power supply scenario.
对于图11所示的技术方案,在一种可能的实现方式中,所述方法还包括:For the technical solution shown in FIG. 11, in a possible implementation manner, the method further includes:
当所述设备处于唤醒状态时,将所述设备的运行状态信息进行发送。When the device is in an awake state, the running state information of the device is sent.
需要说明的是,结合图10所示的系统,设备1001中包括上述实施例一中任一设备控制装置10,当设备1001处于唤醒状态时,可以通过该设备1001中的通信单元107与后台终端1002进行信息交互;比如可以通过通信单元107接收后台终端1002所预设的定时唤醒时长,然后由设备控制装置10基于该定时唤醒时长来对定时单元进行定时设置;也可以通过通信单元107将该设备1001的运行状态信息发送给后台终端1002,然后由后台终端1002通过Web网页将这些信息进行发布,用户可以通过Web网页查看设备1001的运行状态。It should be noted that, in conjunction with the system shown in FIG. 10 , the
本实施例提供了一种设备控制方法,实时检测目标参数信息;其中,所述目标参数信息包括所述供电电源的电压值和手动控制开关的状态信息;若所述目标参数信息满足预设的深度休眠策略,则控制所述供电电源的供电回路关断,以使所述设备进入深度休眠状态;若所述目标参数信息满足预设的唤醒策略,则控制所述供电电源的供电回路开通,以使所述设备进入唤醒状态;通过控制供电电源的供电回路关断与开通,从而可以实现设备自动或者手动进入深度休眠或者唤醒状态,而且还可以达到深度休眠期间不失联的目的;同时还对供电电源起到了保护作用,在供电电源关断之后具有低于微瓦级的超低功耗,节能效果好。This embodiment provides a device control method, which detects target parameter information in real time; wherein, the target parameter information includes the voltage value of the power supply and the state information of the manual control switch; if the target parameter information satisfies a preset deep sleep strategy, control the power supply loop of the power supply to turn off, so that the device enters the deep sleep state; if the target parameter information satisfies the preset wake-up strategy, control the power supply loop of the power supply to open, In order to make the device enter the wake-up state; by controlling the power supply circuit of the power supply to be turned off and on, the device can automatically or manually enter the deep sleep or wake-up state, and can also achieve the purpose of not losing connection during the deep sleep; It has a protective effect on the power supply, and has ultra-low power consumption below the microwatt level after the power supply is turned off, and the energy saving effect is good.
实施例三
可以理解地,在上述实施例一中的各组成单元可以集成在一个处理单元中,也可以是各个单元单独物理存在,也可以两个或两个以上单元集成在一个单元中。上述集成的单元既可以采用硬件的形式实现,也可以采用软件功能模块的形式实现。It can be understood that each component unit in the above-mentioned first embodiment may be integrated into one processing unit, or each unit may exist physically alone, or two or more units may be integrated into one unit. The above-mentioned integrated units can be implemented in the form of hardware, or can be implemented in the form of software function modules.
所述集成的单元如果以软件功能模块的形式实现并非作为独立的产品进行销售或使用时,可以存储在一个计算机可读取存储介质中,基于这样的理解,本实施例的技术方案本质上或者说对现有技术做出贡献的部分或者该技术方案的全部或部分可以以软件产品的形式体现出来,该计算机软件产品存储在一个存储介质中,包括若干指令用以使得一台计算机设备(可以是个人计算机,服务器,或者网络设备等)或处理器(processor)执行本实施例所述方法的全部或部分步骤。而前述的存储介质包括:U盘、移动硬盘、只读存储器(Read Only Memory,ROM)、随机存取存储器(Random Access Memory,RAM)、磁碟或者光盘等各种可以存储程序代码的介质。If the integrated unit is implemented in the form of a software functional module and is not sold or used as an independent product, it can be stored in a computer-readable storage medium. Based on this understanding, the technical solution of this embodiment is essentially or The part that contributes to the prior art or the whole or part of the technical solution can be embodied in the form of a software product, the computer software product is stored in a storage medium, and includes several instructions for making a computer device (which can be A personal computer, a server, or a network device, etc.) or a processor (processor) executes all or part of the steps of the method described in this embodiment. The aforementioned storage medium includes: U disk, removable hard disk, Read Only Memory (ROM), Random Access Memory (Random Access Memory, RAM), magnetic disk or optical disk and other media that can store program codes.
因此,本实施例提供了一种计算机存储介质,该计算机存储介质存储有设备控制程序,所述设备控制程序被至少一个处理器执行时实现上述实施例二所述设备控制的方法的步骤。Therefore, this embodiment provides a computer storage medium, where the computer storage medium stores a device control program, and when the device control program is executed by at least one processor, implements the steps of the device control method described in the second embodiment above.
可以理解的是,部分单元可以利用软件来实现功能,考虑到现有硬件工艺的水平,本文描述的这些实施例可以用硬件、软件、固件、中间件、微码或其组合来实现;其中,对于硬件实现,处理单元可以实现在一个或多个专用集成电路(Application SpecificIntegrated Circuits,ASIC)、数字信号处理器(Digital Signal Processing,DSP)、数字信号处理设备(DSP Device,DSPD)、可编程逻辑设备(Programmable Logic Device,PLD)、现场可编程门阵列(Field-Programmable Gate Array,FPGA)、通用处理器、控制器、微控制器、微处理器、用于执行本发明所述功能的其它电子单元或其组合;对于软件实现,可通过执行软件代码来实现本发明所述的技术。It can be understood that some units may be implemented by software, and considering the level of existing hardware technology, these embodiments described herein may be implemented by hardware, software, firmware, middleware, microcode or a combination thereof; wherein, For hardware implementation, the processing unit may be implemented in one or more Application Specific Integrated Circuits (ASIC), Digital Signal Processing (DSP), Digital Signal Processing Device (DSP Device, DSPD), programmable logic Devices (Programmable Logic Device, PLD), Field-Programmable Gate Array (Field-Programmable Gate Array, FPGA), general purpose processors, controllers, microcontrollers, microprocessors, other electronics for performing the functions described herein unit or a combination thereof; for software implementation, the techniques described in the present disclosure may be implemented by executing software codes.
通过以上的实施方式的描述,本领域的技术人员可以清楚地了解到上述实施例方法可借助软件加必需的通用硬件平台的方式来实现,当然也可以通过硬件,但很多情况下前者是更佳的实施方式。基于这样的理解,本发明的技术方案本质上或者说对现有技术做出贡献的部分可以以软件产品的形式体现出来,该计算机软件产品存储在一个存储介质(如ROM/RAM、磁碟、光盘)中,包括若干指令用以使得一台终端(可以是手机,计算机,服务器,空调器,或者网络设备等)执行本发明各个实施例所述的方法。From the description of the above embodiments, those skilled in the art can clearly understand that the method of the above embodiment can be implemented by means of software plus a necessary general hardware platform, and of course can also be implemented by hardware, but in many cases the former is better implementation. Based on this understanding, the technical solutions of the present invention can be embodied in the form of software products in essence or the parts that make contributions to the prior art, and the computer software products are stored in a storage medium (such as ROM/RAM, magnetic disk, CD), including several instructions to make a terminal (which may be a mobile phone, a computer, a server, an air conditioner, or a network device, etc.) execute the methods described in the various embodiments of the present invention.
上面结合附图对本发明的实施例进行了描述,但是本发明并不局限于上述的具体实施方式,上述的具体实施方式仅仅是示意性的,而不是限制性的,本领域的普通技术人员在本发明的启示下,在不脱离本发明宗旨和权利要求所保护的范围情况下,还可做出很多形式,这些均属于本发明的保护之内。The embodiments of the present invention have been described above in conjunction with the accompanying drawings, but the present invention is not limited to the above-mentioned specific embodiments, which are merely illustrative rather than restrictive. Under the inspiration of the present invention, without departing from the scope of protection of the present invention and the claims, many forms can be made, which all belong to the protection of the present invention.
| Application Number | Priority Date | Filing Date | Title |
|---|---|---|---|
| CN201810875685.2ACN110797930B (en) | 2018-08-03 | 2018-08-03 | An equipment control method, device, system and computer storage medium |
| Application Number | Priority Date | Filing Date | Title |
|---|---|---|---|
| CN201810875685.2ACN110797930B (en) | 2018-08-03 | 2018-08-03 | An equipment control method, device, system and computer storage medium |
| Publication Number | Publication Date |
|---|---|
| CN110797930Atrue CN110797930A (en) | 2020-02-14 |
| CN110797930B CN110797930B (en) | 2023-10-13 |
| Application Number | Title | Priority Date | Filing Date |
|---|---|---|---|
| CN201810875685.2AActiveCN110797930B (en) | 2018-08-03 | 2018-08-03 | An equipment control method, device, system and computer storage medium |
| Country | Link |
|---|---|
| CN (1) | CN110797930B (en) |
| Publication number | Priority date | Publication date | Assignee | Title |
|---|---|---|---|---|
| CN113328453A (en)* | 2021-06-09 | 2021-08-31 | 杭州惟领科技有限公司 | Optical coupling switch dormancy awakening circuit and awakening method of low-voltage household energy storage system |
| WO2024000307A1 (en)* | 2022-06-29 | 2024-01-04 | 京东方科技集团股份有限公司 | X-ray detector and system |
| Publication number | Priority date | Publication date | Assignee | Title |
|---|---|---|---|---|
| CN101893866A (en)* | 2009-05-20 | 2010-11-24 | Vega格里沙贝两合公司 | Energy-saving control equipment for field devices |
| CN105700396A (en)* | 2016-01-22 | 2016-06-22 | 深圳市飞比电子科技有限公司 | Intelligent switch module and control method therefor |
| CN106571616A (en)* | 2015-10-10 | 2017-04-19 | 中兴通讯股份有限公司 | Power supply dormancy and wake-up circuit |
| Publication number | Priority date | Publication date | Assignee | Title |
|---|---|---|---|---|
| CN101893866A (en)* | 2009-05-20 | 2010-11-24 | Vega格里沙贝两合公司 | Energy-saving control equipment for field devices |
| CN106571616A (en)* | 2015-10-10 | 2017-04-19 | 中兴通讯股份有限公司 | Power supply dormancy and wake-up circuit |
| CN105700396A (en)* | 2016-01-22 | 2016-06-22 | 深圳市飞比电子科技有限公司 | Intelligent switch module and control method therefor |
| Publication number | Priority date | Publication date | Assignee | Title |
|---|---|---|---|---|
| CN113328453A (en)* | 2021-06-09 | 2021-08-31 | 杭州惟领科技有限公司 | Optical coupling switch dormancy awakening circuit and awakening method of low-voltage household energy storage system |
| WO2024000307A1 (en)* | 2022-06-29 | 2024-01-04 | 京东方科技集团股份有限公司 | X-ray detector and system |
| Publication number | Publication date |
|---|---|
| CN110797930B (en) | 2023-10-13 |
| Publication | Publication Date | Title |
|---|---|---|
| CN205544400U (en) | Battery management system of low -power consumption standby | |
| CN102156679A (en) | PCIE interface-based solid state disk power-down protection method and device | |
| CN103105921A (en) | Method for reducing lithium battery static power consumption under laptop shutdown state | |
| CN110797946B (en) | Battery pack charge and discharge protection system | |
| CN202013570U (en) | Power down protecting device for solid state disk based on PCIE (Peripheral Component Interface Express) interface | |
| CN114167971B (en) | Dormancy awakening circuit, automatic walking equipment and awakening method thereof | |
| CN105703021B (en) | The battery management system and battery management system awakening method of low-power consumption standby | |
| CN110797930B (en) | An equipment control method, device, system and computer storage medium | |
| CN210468864U (en) | Low-power consumption battery management circuit | |
| CN104701942A (en) | Low-power-consumption terminal for controlling power-off discharge and control method of terminal | |
| US20100058088A1 (en) | Computer System and Method for Energy-Saving Operation of a Computer System | |
| CN101887299B (en) | Power supply control circuit and control method for computer system | |
| WO2021078261A1 (en) | Power supply control method, system and device | |
| CN110895028A (en) | Control method for reducing standby power consumption of air conditioner, computer readable storage medium and air conditioner | |
| CN213399502U (en) | Protection circuit for computer | |
| CN213585190U (en) | Power control circuit with standby low power consumption | |
| CN205051670U (en) | Fall electricity from opening control circuit | |
| CN204014084U (en) | A kind of wireless network terminal equipment | |
| CN108040361B (en) | A power management method for cross-platform IoT embedded system | |
| CN215680763U (en) | BMS synchronous detection shutdown power consumption circuit | |
| CN114336930B (en) | System and method for switching dual backup power supplies and off-line awakening | |
| CN202261232U (en) | Electric appliance mainboard and model selection port control circuit thereof | |
| CN210744818U (en) | Power supply system | |
| CN209805473U (en) | Control circuit and charger of power supply | |
| CN107741865A (en) | Self-awakening standby system and standby method |
| Date | Code | Title | Description |
|---|---|---|---|
| PB01 | Publication | ||
| PB01 | Publication | ||
| SE01 | Entry into force of request for substantive examination | ||
| SE01 | Entry into force of request for substantive examination | ||
| GR01 | Patent grant | ||
| GR01 | Patent grant | ||
| TR01 | Transfer of patent right | Effective date of registration:20250815 Address after:No. 1, Mulong Middle Road, Jiangning Street, Jiangning District, Nanjing, Jiangsu 210000 Patentee after:ZTE Intelligent Technology Nanjing Co.,Ltd. Country or region after:China Address before:518057 Nanshan District Guangdong high tech Industrial Park, South Road, science and technology, ZTE building, Ministry of Justice Patentee before:ZTE Corp. Country or region before:China |