Movatterモバイル変換


[0]ホーム

URL:


CN110789370B - Parameter compensation method in wireless charging system and wireless charging system - Google Patents

Parameter compensation method in wireless charging system and wireless charging system
Download PDF

Info

Publication number
CN110789370B
CN110789370BCN201911025765.XACN201911025765ACN110789370BCN 110789370 BCN110789370 BCN 110789370BCN 201911025765 ACN201911025765 ACN 201911025765ACN 110789370 BCN110789370 BCN 110789370B
Authority
CN
China
Prior art keywords
compensation circuit
compensation
parameter
circuit
wireless charging
Prior art date
Legal status (The legal status is an assumption and is not a legal conclusion. Google has not performed a legal analysis and makes no representation as to the accuracy of the status listed.)
Active
Application number
CN201911025765.XA
Other languages
Chinese (zh)
Other versions
CN110789370A (en
Inventor
杨福源
石秉坤
欧阳明高
刘玮
胡超
罗勇
Current Assignee (The listed assignees may be inaccurate. Google has not performed a legal analysis and makes no representation or warranty as to the accuracy of the list.)
Zhongxing New Energy Automobile Co ltd
Tsinghua University
Original Assignee
Zhongxing New Energy Automobile Co ltd
Tsinghua University
Priority date (The priority date is an assumption and is not a legal conclusion. Google has not performed a legal analysis and makes no representation as to the accuracy of the date listed.)
Filing date
Publication date
Application filed by Zhongxing New Energy Automobile Co ltd, Tsinghua UniversityfiledCriticalZhongxing New Energy Automobile Co ltd
Priority to CN201911025765.XApriorityCriticalpatent/CN110789370B/en
Publication of CN110789370ApublicationCriticalpatent/CN110789370A/en
Application grantedgrantedCritical
Publication of CN110789370BpublicationCriticalpatent/CN110789370B/en
Activelegal-statusCriticalCurrent
Anticipated expirationlegal-statusCritical

Links

Images

Classifications

Landscapes

Abstract

Translated fromChinese

本申请涉及一种无线充电系统中参数补偿方法及无线充电系统。上述无线充电系统,包括发射电路和与所述发射电路无线连接的接收电路。所述接收电路包括接收线圈、第一补偿电路以及第二补偿电路。所述接收线圈、所述第一补偿电路以及所述第二补偿电路依次电连接后,所述接收线圈的一端与所述发射电路无线连接。通过所述第二补偿电路可以改善无线充电系统的导纳增益曲线,减小所述接收电路中的接收电流的间谐波频率的幅值,进而提高所述无线充电系统的稳定性。

Figure 201911025765

The present application relates to a parameter compensation method in a wireless charging system and a wireless charging system. The above wireless charging system includes a transmitter circuit and a receiver circuit wirelessly connected to the transmitter circuit. The receiving circuit includes a receiving coil, a first compensation circuit and a second compensation circuit. After the receiving coil, the first compensation circuit and the second compensation circuit are electrically connected in sequence, one end of the receiving coil is wirelessly connected to the transmitting circuit. Through the second compensation circuit, the admittance gain curve of the wireless charging system can be improved, the amplitude of the interharmonic frequency of the received current in the receiving circuit can be reduced, and the stability of the wireless charging system can be improved.

Figure 201911025765

Description

Parameter compensation method in wireless charging system and wireless charging system
Technical Field
The present disclosure relates to the field of wireless power transmission technologies, and in particular, to a parameter compensation method in a wireless charging system and a wireless charging system.
Background
The application of wireless charging technology in the field of electric vehicles has become increasingly popular, and in engineering application: 1) the position between the ground equipment and the vehicle-mounted equipment is in an undetermined state along with the parking state, and the state of an automobile chassis along with the loading state in the vehicle also changes within a certain range, so that the horizontal offset distance and the vertical distance (ground clearance) between the primary coil and the secondary coil of the wireless charging system change within a certain range; 2) in the whole process of charging the automobile, the requirement on the charging voltage/current is dynamically changed, so that the wireless charging system needs to respond and meet the charging requirement of the automobile.
The secondary side controllable rectification scheme can better solve the engineering application problem, but the input current of the traditional controllable rectifier bridge has a certain oscillation problem. This oscillation not only subjects the device to higher current or voltage stresses, but also affects the stability and efficiency of the system.
Disclosure of Invention
Therefore, it is necessary to provide a parameter compensation method in a wireless charging system and a wireless charging system for solving the problem of current oscillation in vehicle-side control in the conventional wireless charging system.
A method of parameter compensation in a wireless charging system, the wireless charging system including a transmit circuit and a receive circuit wirelessly connected to the transmit circuit, the method comprising:
s10, estimating a frequency range of the input signal of the receiving circuit;
s20, performing impedance analysis on the wireless charging system, acquiring an admittance gain characteristic curve in the frequency range, and acquiring a reference high-gain point from the admittance gain characteristic curve so as to acquire a reference harmonic gain;
s30, providing a second compensation circuit model, connecting the second compensation circuit model with the receiving circuit, and adjusting the electrical parameters of the second compensation circuit model for N times, wherein N is a positive integer greater than or equal to 1;
s40, performing impedance analysis on the wireless charging system again under the electrical parameters of each second compensation circuit model to obtain N harmonic gains;
and S50, selecting a value smaller than the reference harmonic gain from the N harmonic gains as a target harmonic gain, obtaining a second compensation circuit according to the electrical parameter of the second compensation circuit model corresponding to the target harmonic gain, and performing parameter compensation on the receiving circuit.
In one embodiment, in S50, a value smaller than the reference harmonic gain is selected from the N harmonic gains to be a target harmonic gain, and a second compensation circuit is obtained according to an electrical parameter of the second compensation circuit model corresponding to the target harmonic gain, where the step of performing parameter compensation on the receiving circuit includes:
selecting a minimum value from the target harmonic gain, wherein the electrical parameter corresponding to the minimum value is an optimal parameter of the second compensation circuit model;
and according to the optimal parameters, a second compensation circuit is obtained, and parameter compensation is carried out on the receiving circuit.
In one embodiment, the step of estimating the frequency range of the input signal of the receiving circuit at S10 includes:
and estimating the frequency range of the input signal of the receiving circuit according to the sampling error and the control error of the input signal of the receiving circuit or according to an empirical value.
In one embodiment, the step S30 of providing a second compensation circuit model, connecting the second compensation circuit model to the receiving circuit, and adjusting an electrical parameter of the second compensation circuit model N times, where N is a positive integer greater than or equal to 1 includes:
and providing a second compensation circuit model, connecting the second compensation circuit model with the receiving circuit, and adjusting the capacitance parameter and the inductance parameter or the capacitance parameter and the inductance parameter of the second compensation circuit model for N times.
A method of parameter compensation in a wireless charging system, the wireless charging system including a transmit circuit and a receive circuit wirelessly connected to the transmit circuit, the method comprising:
s100, when the wireless charging system oscillates, carrying out Fourier analysis on an input signal of the receiving circuit to obtain a reference oscillation amplitude of an inter-harmonic frequency component, and further obtain reference inter-harmonic oscillation;
s200, providing a second compensation circuit model, connecting the second compensation circuit model with the receiving circuit, and adjusting the electrical parameters of the second compensation circuit model for N times, wherein N is a positive integer greater than or equal to 1;
s300, under the electrical parameters of each second compensation circuit model, performing Fourier analysis on the input signal again to obtain N inter-harmonic oscillations;
s400, selecting a value smaller than the reference inter-harmonic oscillation from the N inter-harmonic oscillations as a target inter-harmonic oscillation, obtaining a second compensation circuit according to an electrical parameter of the second compensation circuit model corresponding to the target inter-harmonic oscillation, and performing parameter compensation on the receiving circuit.
In one embodiment, in S100, when the wireless charging system oscillates, the step of performing fourier analysis on the input signal of the receiving circuit to obtain a reference oscillation amplitude of the inter-harmonic frequency component, and further obtaining a reference inter-harmonic oscillation includes:
acquiring the waveform of the input signal;
and judging whether the wireless charging system oscillates or not according to the waveform form.
In one embodiment, in S400, a value smaller than the reference inter-harmonic oscillation is selected from the N inter-harmonic oscillations to be used as a target inter-harmonic oscillation, a second compensation circuit is obtained according to an electrical parameter of the second compensation circuit model corresponding to the target inter-harmonic oscillation, and the step of performing parameter compensation on the receiving circuit includes:
selecting a minimum value from the target inter-harmonic oscillation, wherein the electrical parameter corresponding to the minimum value is an optimal parameter of the second compensation circuit model;
and according to the optimal parameters, a second compensation circuit is obtained, and parameter compensation is carried out on the receiving circuit.
In one embodiment, the step S300 of performing fourier analysis again on the input signal to obtain N inter-harmonic oscillations under the electrical parameter of each of the second compensation circuit models includes:
after the capacitance parameter and the inductance parameter or the capacitance parameter and the inductance parameter of the second compensation circuit model are adjusted each time, Fourier analysis is carried out on the input current signal of the receiving circuit to obtain inter-harmonic oscillation.
A wireless charging system, comprising:
a transmitting circuit; and
a receiving circuit wirelessly connected with the transmitting circuit;
the receiving circuit includes:
one end of the receiving coil is wirelessly connected with the transmitting circuit;
a first compensation circuit, one end of which is electrically connected to the other end of the receiving coil); and
and one end of the second compensation circuit is electrically connected with the other end of the first compensation circuit.
In one embodiment, the second compensation circuit includes:
and one end of the compensation capacitor is electrically connected with the other end of the first compensation circuit.
In one embodiment, the second compensation circuit includes:
and one end of the compensation inductor is electrically connected with the other end of the first compensation circuit.
In one embodiment, the second compensation circuit includes:
a compensation capacitor;
and the compensation inductor is electrically connected to the other end of the first compensation circuit after being connected with the compensation capacitor in series.
The wireless charging system comprises a transmitting circuit and a receiving circuit which is wirelessly connected with the transmitting circuit. The receiving circuit comprises a receiving coil, a first compensation circuit and a second compensation circuit. After the receiving coil, the first compensation circuit and the second compensation circuit are electrically connected in sequence, one end of the receiving coil is wirelessly connected with the transmitting circuit. The admittance gain curve of the wireless charging system can be improved through the second compensation circuit, the amplitude of inter-harmonic frequency of receiving current in the receiving circuit is reduced, and the stability of the wireless charging system is further improved.
Drawings
Fig. 1 is a flowchart of a parameter compensation method in a wireless charging system according to an embodiment of the present disclosure;
fig. 2 is a schematic equivalent circuit diagram of a wireless charging system according to an embodiment of the present application;
fig. 3 is a simplified diagram of a wireless charging system according to an embodiment of the present application;
fig. 4 is a graph illustrating improved front admittance gain of a wireless charging system according to an embodiment of the present application;
fig. 5 is a simplified diagram of a wireless charging system according to an embodiment of the present application;
fig. 6 is an admittance gain diagram of a wireless charging system according to an embodiment of the present application after improvement;
fig. 7 is a flowchart of a parameter compensation method in a wireless charging system according to an embodiment of the present disclosure;
fig. 8 is a block diagram of a wireless charging system according to an embodiment of the present application;
fig. 9 is a block diagram of a wireless charging system according to an embodiment of the present application;
fig. 10 is a block diagram of a wireless charging system according to an embodiment of the present application;
fig. 11 is a block diagram of a wireless charging system according to an embodiment of the present application.
Description of the main element reference numerals
Wireless charging system 10
Transmittingcircuit 100
Receivingcircuit 200
Receivingcoil 210
First compensation circuit 220
Second compensation circuit 230
Compensation capacitor 231
Compensation inductor 232
Detailed Description
In order to make the aforementioned objects, features and advantages of the present application more comprehensible, embodiments accompanying the present application are described in detail below with reference to the accompanying drawings. In the following description, numerous specific details are set forth in order to provide a thorough understanding of the present application. This application is capable of embodiments in many different forms than those described herein and those skilled in the art will be able to make similar modifications without departing from the spirit of the application and it is therefore not intended to be limited to the embodiments disclosed below.
It will be understood that when an element is referred to as being "disposed on" another element, it can be directly on the other element or intervening elements may also be present. When an element is referred to as being "connected" to another element, it can be directly connected to the other element or intervening elements may also be present.
Unless defined otherwise, all technical and scientific terms used herein have the same meaning as commonly understood by one of ordinary skill in the art to which this application belongs. The terminology used herein in the description of the present application is for the purpose of describing particular embodiments only and is not intended to be limiting of the application. As used herein, the term "and/or" includes any and all combinations of one or more of the associated listed items.
Referring to fig. 1, the present application provides a parameter compensation method in a wireless charging system. Thewireless charging system 10 includes a transmittingcircuit 100 and a receivingcircuit 200 wirelessly connected to the transmittingcircuit 100. The method comprises the following steps:
s10, estimating the frequency range of the input signal of the receivingcircuit 200. In step S10, the frequency range of the input signal of the receivingcircuit 200 is estimated based on the sampling error of the input signal of the receivingcircuit 200 or based on an empirical value. For example, when the operating frequency of the transmittingcircuit 100 is f0Then the frequency range of the input signal of the receivingcircuit 200 is f0±Δf。
S20, performing impedance analysis on thewireless charging system 10, obtaining an admittance gain characteristic curve in the frequency range, and obtaining a reference high gain point from the admittance gain characteristic curve, so as to obtain a reference harmonic gain. In step S20, the transmission of the transmittingcircuit 100 may be estimatedThe self-inductance of the radiation coil, the self-inductance of the receivingcoil 210 and the mutual inductance between the two, thereby constructing an equivalent circuit. Then, an admittance gain characteristic curve is obtained according to the circuit principle. And reading the admittance gain characteristic curve, acquiring a point with a higher gain amplitude value, and setting the point as a reference high gain point. At this time, the input current of the receivingcircuit 200 can be considered as the fundamental frequency f0The component and the inter-harmonic frequency component corresponding to the reference high gain point are superposed. The number of the reference high gain points may be plural. The reference harmonic gain may be calculated in a variety of ways. For example, when the number of the reference high-gain points is two, the amplitudes of the two reference high-gain points may be summed, and then the sum is subjected to a quotient with the amplitude corresponding to the operating frequency in the admittance gain characteristic curve, so as to obtain the reference harmonic gain.
S30, providing a second compensation circuit model, connecting the second compensation circuit model to the receivingcircuit 200, and adjusting an electrical parameter of the second compensation circuit model N times, where N is a positive integer greater than or equal to 1. In step S30, the second compensation circuit model may include at least one of a capacitor and an inductor. When the second compensation circuit model only includes capacitance or only includes inductance, the capacitance parameter or the inductance parameter of the second compensation circuit model may be adjusted N times. When the second compensation circuit model includes both the capacitance parameter and the inductance parameter, the capacitance parameter or the inductance parameter needs to be adjusted N times at the same time.
S40, performing impedance analysis on thewireless charging system 10 again under the electrical parameters of each second compensation circuit model to obtain N harmonic gains. In step S40, N admittance gain characteristic curves under N sets of different electrical parameters may be obtained. A corresponding number of high gain points are obtained from each admittance gain characteristic curve, and a harmonic gain is obtained in the same manner as in step S20.
S50, selecting a value smaller than the reference harmonic gain from the N harmonic gains as a target harmonic gain, obtaining asecond compensation circuit 230 according to an electrical parameter of the second compensation circuit model corresponding to the target harmonic gain, and performing parameter compensation on the receivingcircuit 200. In step S50, the number of the target harmonic gains may be multiple, that is, multiple sets of electrical parameters may be present to perform parameter compensation on the receivingcircuit 200.
In this embodiment, thesecond compensation circuit 230 is obtained by comparing high gain points under various parameters. Thesecond compensation circuit 230 may reduce the magnitude of the gain point of thewireless charging system 10. When the number of gain points of thewireless charging system 10 is plural, the amplitude of each gain point may be reduced by thesecond compensation circuit 230. That is, the oscillation phenomenon of the input current of the receivingcircuit 200 can be greatly improved, and the stability of the system can be greatly improved.
In one embodiment, in S50, a value smaller than the reference harmonic gain is selected from the N harmonic gains to be a target harmonic gain, and thesecond compensation circuit 230 is obtained according to the electrical parameter of the second compensation circuit model corresponding to the target harmonic gain, where the step of performing parameter compensation on the receivingcircuit 200 includes:
and selecting a minimum value from the target harmonic gain, wherein the electrical parameter corresponding to the minimum value is the optimal parameter of the second compensation circuit model. According to the optimal parameters, asecond compensation circuit 230 is obtained to perform parameter compensation on the receivingcircuit 200. At this time, the obtainedsecond compensation circuit 230 is the optimal compensation parameter under the current working condition.
Fig. 2 is a schematic diagram of an equivalent circuit of a wireless charging system obtained by performing impedance analysis on a conventional wireless charging system. In the above diagram, Rin ═ Vin/Iin, where Vin and Iin are the voltage and current at the illustrated positions, and are complex variables, and the division is a complex division. Rin _ im is the imaginary part of Rin, and Rin _ re is the real part of Rin; l1, C1, Cp, L2, C2, Cs are inductive or capacitive elements in a conventional wireless charging system; lp, Ls, M are the transmit coil self-inductance, the receive coil self-inductance, and the mutual inductance of the two, respectively.
Ze is the equivalent impedance of the circuit on the left side of the inductor L2 in fig. 2. The computing method of the Ze is just to calculate the series-parallel connection rule according to the circuit principle. A simplified diagram of the wireless charging system shown in fig. 3 is obtained. As can be seen from fig. 3:
Figure BDA0002248584400000091
where ω is an angular frequency, ω is 2 pi f, and f satisfies the frequency range of the input signal of the receivingcircuit 200 in S10.
Assuming that the controllable rectifier bridge operating frequency f0 of the receivingcircuit 200 is 85kHz, and the possible frequency range is 50kHz to 120kHz, the frequency characteristic of admittance under a certain set of parameters is shown in fig. 4. As can be seen from fig. 4, the admittance gains of the system are particularly large at around 58kHz and around 105kHz at this time, which means that even a small component of the frequency in Ve will result in a large current component at that frequency. The Ie current at this time can be considered to be composed of a fundamental frequency f0 component and a frequency component of two inter-harmonic waves of 58KHz and 105KHz, which causes oscillation of the Ie current and instability of the system. At this time, the reference harmonic gain may be obtained by the following equation (2):
Figure BDA0002248584400000101
wherein f is0To the operating frequency, f1,f2Corresponding to two target high gain points.
The reference harmonic gain can also be obtained by the following equation (3):
Figure BDA0002248584400000102
when the series inductance Lc2 and the series capacitance Cc2 are added, the parameters of the series inductance Lc2 and the series capacitance Cc2 are adjusted, and the admittance gain curve is improved. The schematic diagram of the system after adding the series inductance Lc2 and the series capacitance Cc2 is shown in fig. 5. The improved admittance gain curve is shown in fig. 6 by adjusting the parameters of the series inductance Lc2 and theseries capacitance Cc 2. As can be seen from fig. 6, in the frequency range, the admittance gain is well suppressed, and at this time, the Ie current only includes the amplitude of a small other frequency component, so that the phenomenon of Ie current oscillation can be greatly improved, and the system stability is greatly improved.
Referring to fig. 7, the present application provides a parameter compensation method in a wireless charging system. Thewireless charging system 10 includes a transmittingcircuit 100 and a receivingcircuit 200 wirelessly connected to the transmittingcircuit 100. The method comprises the following steps:
s100, when thewireless charging system 10 oscillates, performing fourier analysis on the input signal of the receivingcircuit 200 to obtain a reference oscillation amplitude of the inter-harmonic frequency component, so as to obtain reference inter-harmonic oscillation. In step S100, the number of reference oscillation amplitudes may be plural. The reference inter-harmonic oscillation may be calculated in a variety of ways. For example, when the number of the reference oscillation amplitudes is two, the two reference oscillation amplitudes may be summed, and then the sum is given as a quotient with the amplitude corresponding to the operating frequency, so as to obtain the reference inter-harmonic oscillation. The reference inter-harmonic oscillation is calculated in a similar manner to the reference harmonic gain. And will not be described in detail herein.
In order to realize the normal charging function of thewireless charging system 10, it is necessary to satisfy: 1) the operating frequency of the receivingcircuit 200 is the same as the operating frequency of the transmittingcircuit 100; 2) the phase between the input voltage Ve and the input current Ie of the receivingcircuit 200 is stable.
The common control method is to sample the Ie current, extract frequency and phase information of the Ie current (mainly realized by collecting the Ie current zero-crossing information), and generate a control signal of the MOS transistor according to the frequency and the phase information (the Ie current frequency is used as the operating frequency of the MOS transistor, and the Ie phase information is used as the reference to control the switching phase of the MOS transistor). Under the control mode, due to the influence of relevant factors such as sampling precision, switching control precision and inter-harmonics, a certain distortion or error exists in the zero crossing of the Ie current, so that errors in a certain range exist in the frequency and the phase of the Ie current. If there is a higher gain point in the frequency range for the system admittance at this time, it may further cause the oscillation of the Ie current, affecting the stability of the system. Fourier decomposition of this Ie current signal was carried out and the presence of larger inter-harmonics was observed. Therefore, it can be determined whether thewireless charging system 10 oscillates according to the voltage waveform of the Ie current or the Ve current in thewireless charging system 10.
S200, providing a second compensation circuit model, connecting the second compensation circuit model with the receivingcircuit 200, and adjusting the electrical parameters of the second compensation circuit model for N times, wherein N is a positive integer greater than or equal to 1. In step S200, the second compensation circuit model may include at least one of a capacitor and an inductor. When the second compensation circuit model only includes capacitance or only includes inductance, the capacitance parameter or the inductance parameter of the second compensation circuit model may be adjusted N times. When the second compensation circuit model includes both the capacitance parameter and the inductance parameter, the capacitance parameter or the inductance parameter needs to be adjusted N times at the same time.
And S300, under the electrical parameters of each second compensation circuit model, performing Fourier analysis on the input signal again to obtain N inter-harmonic oscillations. In step S30, N sets of different electrical parameters and their corresponding oscillation amplitudes may be obtained, and a harmonic gain may be obtained by the same method as in step S100.
S400, selecting a value smaller than the reference inter-harmonic oscillation from the N inter-harmonic oscillations as a target inter-harmonic oscillation, obtaining asecond compensation circuit 230 according to an electrical parameter of the second compensation circuit model corresponding to the target inter-harmonic oscillation, and performing parameter compensation on the receivingcircuit 200. In step S400, the number of the target inter-harmonic oscillations may be multiple, that is, multiple sets of electrical parameters may be present, and the parameters of the receivingcircuit 200 may be compensated.
In this embodiment, thesecond compensation circuit 230 is obtained by comparing the amplitudes of the inter-harmonic frequency components under various parameters. Thesecond compensation circuit 230 may reduce the magnitude of the gain point of thewireless charging system 10. When the number of oscillation amplitudes of thewireless charging system 10 is plural, each oscillation amplitude may be reduced by thesecond compensation circuit 230. That is, the oscillation phenomenon of the input current of the receivingcircuit 200 can be greatly improved, and the stability of the system can be greatly improved.
In one embodiment, S400, selecting a value smaller than the reference inter-harmonic oscillation from the N inter-harmonic oscillations as a target inter-harmonic oscillation, and obtaining thesecond compensation circuit 230 according to an electrical parameter of the second compensation circuit model corresponding to the target inter-harmonic oscillation, so as to improve the stability of the wireless charging system, includes:
and selecting a minimum value from the target inter-harmonic oscillation, wherein the electrical parameter corresponding to the minimum value is the optimal parameter of the second compensation circuit model. According to the optimal parameters, asecond compensation circuit 230 is obtained to perform parameter compensation on the receivingcircuit 200. At this time, the obtainedsecond compensation circuit 230 is the optimal compensation parameter under the current working condition. In actual engineering, more working conditions need to be considered, and the electrical parameter selection of the second compensation circuit model needs to be comprehensively selected on the basis of the method.
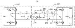
Referring to fig. 8, the present application provides awireless charging system 10. Thewireless charging system 10 includes a transmittingcircuit 100 and a receivingcircuit 200 wirelessly connected to the transmittingcircuit 100.
The transmittingcircuit 100 may include an inverter, a third compensating circuit, and a transmitting coil. The inverter may be a full bridge inverter formed by four inverting power switches. The inverter may be operated at a switching frequency f0The direct current is converted into high-frequency alternating current. The third compensation circuit is electrically connected with the inverter and used for absorbing reactive energy. The third compensation circuit may be an LCC compensation circuit. The transmitting coil is used for converting high-frequency alternating current into magnetic energy.
The receivingcircuit 200 includes a receivingcoil 210, a first compensatingcircuit 220, and a second compensatingcircuit 230. One end of the receivingcoil 210 is connected to the transmitting coil of the transmittingcircuit 100 in a mutual inductance manner. One end of thefirst compensation circuit 220 is electrically connected to the other end of the receivingcoil 210. One end of thesecond compensation circuit 230 is electrically connected to the other end of thefirst compensation circuit 220. The receivingcoil 210 is used to convert magnetic energy into electric energy. Thefirst compensation circuit 220 is used to absorb reactive energy. Thesecond compensation circuit 230 is used to prevent the oscillation of current and voltage, and ensure the stability of the system.
Thewireless charging system 10 includes a transmittingcircuit 100 and a receivingcircuit 200 wirelessly connected to the transmittingcircuit 100. The receivingcircuit 200 includes a receivingcoil 210, a first compensatingcircuit 220, and a second compensatingcircuit 230. After the receivingcoil 210, the first compensatingcircuit 220 and the second compensatingcircuit 230 are electrically connected in sequence, one end of the receivingcoil 210 is wirelessly connected to the transmittingcircuit 100. The admittance gain curve of the wireless charging system can be improved by thesecond compensation circuit 230, and the amplitude of the inter-harmonic frequency of the receiving current in the receivingcircuit 200 is reduced, thereby improving the stability of thewireless charging system 10.
Referring to fig. 9, in an alternative embodiment, thesecond compensation circuit 230 includes acompensation capacitor 231. One end of thecompensation capacitor 231 is electrically connected to the other end of thefirst compensation circuit 220. The inductance value of thefirst compensation circuit 220 may be a larger inductance value. The admittance gain curve of the wireless charging system can be improved by thecompensation capacitor 231, and the amplitude of the inter-harmonic frequency of the receiving current in the receivingcircuit 200 is reduced, thereby improving the stability of thewireless charging system 10.
Referring to fig. 10, in an alternative embodiment, thesecond compensation circuit 230 includes acompensation inductor 232. One end of thecompensation inductor 232 is electrically connected to the other end of thefirst compensation circuit 220. The admittance gain curve of the wireless charging system can be improved by thecompensation inductor 232, and the amplitude of the inter-harmonic frequency of the receiving current in the receivingcircuit 200 is reduced, thereby improving the stability of thewireless charging system 10.
Referring to fig. 11, in an alternative embodiment, thesecond compensation circuit 230 includes acompensation capacitor 231 and acompensation inductor 232. Thecompensation inductor 232 is electrically connected to the other end of thefirst compensation circuit 220 after being connected in series with thecompensation capacitor 231. The admittance gain curve of the wireless charging system can be improved by thecompensation capacitor 231 and thecompensation inductor 232, and the amplitude of the inter-harmonic frequency of the receiving current in the receivingcircuit 200 is reduced, thereby improving the stability of thewireless charging system 10.
In an alternative embodiment, the receivingcircuit 200 further comprises a rectifier filter. The rectifier filter is electrically connected to thesecond compensation circuit 230. The rectifier filter may be a fully controlled rectifier filter. The rectifier filter may be a half-controlled rectifier filter.
The technical features of the embodiments described above may be arbitrarily combined, and for the sake of brevity, all possible combinations of the technical features in the embodiments described above are not described, but should be considered as being within the scope of the present specification as long as there is no contradiction between the combinations of the technical features.
The above-mentioned embodiments only express several embodiments of the present application, and the description thereof is more specific and detailed, but not construed as limiting the claims. It should be noted that, for a person skilled in the art, several variations and modifications can be made without departing from the concept of the present application, which falls within the scope of protection of the present application. Therefore, the protection scope of the present patent shall be subject to the appended claims.

Claims (10)

Translated fromChinese
1.一种无线充电系统中参数补偿方法,其特征在于,所述无线充电系统(10)包括发射电路(100)和与所述发射电路(100)无线连接的接收电路(200),所述方法包括:1. A parameter compensation method in a wireless charging system, characterized in that the wireless charging system (10) comprises a transmitting circuit (100) and a receiving circuit (200) wirelessly connected to the transmitting circuit (100), the Methods include:S10,预估所述接收电路(200)的输入信号的频率范围;S10, estimate the frequency range of the input signal of the receiving circuit (200);S20,对所述无线充电系统(10)进行阻抗分析,在所述频率范围内,获取导纳增益特性曲线,并从所述导纳增益特性曲线中获取基准高增益点,进而获取基准谐波增益;S20: Perform impedance analysis on the wireless charging system (10), obtain an admittance gain characteristic curve within the frequency range, obtain a reference high gain point from the admittance gain characteristic curve, and then obtain a reference harmonic gain;S30,提供第二补偿电路模型,将所述第二补偿电路模型与所述接收电路(200)连接,并对所述第二补偿电路模型的电参数进行N次调节,所述N为大于或等于1的正整数;S30: Provide a second compensation circuit model, connect the second compensation circuit model to the receiving circuit (200), and adjust electrical parameters of the second compensation circuit model N times, where N is greater than or a positive integer equal to 1;S40,在每一个所述第二补偿电路模型的电参数下,对所述无线充电系统(10)再次进行阻抗分析,以获取N个谐波增益;S40, under the electrical parameters of each of the second compensation circuit models, perform impedance analysis on the wireless charging system (10) again to obtain N harmonic gains;S50,从N个所述谐波增益中选取小于所述基准谐波增益的值,作为目标谐波增益,根据所述目标谐波增益对应的所述第二补偿电路模型的电参数,以获得第二补偿电路(230),对所述接收电路(200)进行参数补偿。S50, select a value smaller than the reference harmonic gain from the N harmonic gains as the target harmonic gain, and obtain the electrical parameter of the second compensation circuit model corresponding to the target harmonic gain to obtain The second compensation circuit (230) performs parameter compensation on the receiving circuit (200).2.根据权利要求1所述的方法,其特征在于,所述S50,从N个所述谐波增益中选取小于所述基准谐波增益的值,作为目标谐波增益,根据所述目标谐波增益对应的所述第二补偿电路模型的电参数,以获得第二补偿电路(230),对所述接收电路(200)进行参数补偿的步骤包括:2. The method according to claim 1, wherein, in the S50, a value smaller than the reference harmonic gain is selected from the N harmonic gains as a target harmonic gain, and according to the target harmonic gain electrical parameters of the second compensation circuit model corresponding to the wave gain to obtain a second compensation circuit (230), and the step of performing parameter compensation on the receiving circuit (200) includes:从所述目标谐波增益中选取最小值,所述最小值对应的所述电参数为所述第二补偿电路模型的最优参数;A minimum value is selected from the target harmonic gain, and the electrical parameter corresponding to the minimum value is the optimal parameter of the second compensation circuit model;根据所述最优参数,以获得第二补偿电路(230),对所述接收电路(200)进行参数补偿。According to the optimal parameters, a second compensation circuit (230) is obtained, and parameter compensation is performed on the receiving circuit (200).3.根据权利要求2所述的方法,其特征在于,所述S10,预估所述接收电路(200)的输入信号的频率范围的步骤包括:3. The method according to claim 2, wherein, in the S10, the step of estimating the frequency range of the input signal of the receiving circuit (200) comprises:根据所述接收电路(200)的输入信号的采样误差及控制误差或根据经验值,预估所述接收电路(200)的输入信号的频率范围。According to the sampling error and control error of the input signal of the receiving circuit (200) or according to empirical values, the frequency range of the input signal of the receiving circuit (200) is estimated.4.根据权利要求3所述的方法,其特征在于,所述S30,提供第二补偿电路模型,将所述第二补偿电路模型与所述接收电路(200)连接,并对所述第二补偿电路模型的电参数进行N次调节,所述N为大于或等于1的正整数的步骤包括:4. The method according to claim 3, characterized in that, in S30, a second compensation circuit model is provided, the second compensation circuit model is connected to the receiving circuit (200), and the second compensation circuit model is connected to the receiving circuit (200). The electrical parameters of the compensation circuit model are adjusted for N times, and the steps in which N is a positive integer greater than or equal to 1 include:提供第二补偿电路模型,将所述第二补偿电路模型与所述接收电路(200)连接,并对所述第二补偿电路模型的电容参数、电感参数或者电容参数和电感参数进行N次调节。A second compensation circuit model is provided, the second compensation circuit model is connected to the receiving circuit (200), and the capacitance parameter, the inductance parameter or the capacitance parameter and the inductance parameter of the second compensation circuit model are adjusted N times .5.根据权利要求1所述的方法,其特征在于,获取导纳增益特性曲线的步骤包括:5. The method according to claim 1, wherein the step of acquiring the admittance gain characteristic curve comprises:预估所述发射电路(100)的发射线圈的自感、所述接收电路(200)的接收线圈的自感以及两者之间的互感,进而构建等效电路,并根据电路原理,获取所述导纳增益特性曲线。Estimate the self-inductance of the transmitting coil of the transmitting circuit (100), the self-inductance of the receiving coil of the receiving circuit (200), and the mutual inductance between the two, and then construct an equivalent circuit, and obtain all the Describe the admittance gain characteristic curve.6.一种无线充电系统中参数补偿方法,其特征在于,所述无线充电系统(10)包括发射电路(100)和与所述发射电路(100)无线连接的接收电路(200),所述方法包括:6. A parameter compensation method in a wireless charging system, characterized in that the wireless charging system (10) comprises a transmitting circuit (100) and a receiving circuit (200) wirelessly connected to the transmitting circuit (100), the Methods include:S100,当所述无线充电系统(10)发生振荡时,对所述接收电路(200)的输入信号进行傅里叶分析,以获取间谐波频率分量的基准振荡幅值,进而获取基准间谐波振荡;S100, when the wireless charging system (10) oscillates, perform Fourier analysis on the input signal of the receiving circuit (200) to obtain the reference oscillation amplitude of the interharmonic frequency component, and then obtain the reference interharmonic wave oscillation;S200,提供第二补偿电路模型,将所述第二补偿电路模型与所述接收电路(200)连接,并对所述第二补偿电路模型的电参数进行N次调节,所述N为大于或等于1的正整数;S200: Provide a second compensation circuit model, connect the second compensation circuit model to the receiving circuit (200), and adjust electrical parameters of the second compensation circuit model N times, where N is greater than or a positive integer equal to 1;S300,在每一个所述第二补偿电路模型的电参数下,对所述输入信号再次进行傅里叶分析,以获取N个间谐波振荡;S300, under the electrical parameters of each of the second compensation circuit models, perform Fourier analysis on the input signal again to obtain N interharmonic oscillations;S400,从N个所述间谐波振荡中选取小于所述基准间谐波振荡的值,作为目标间谐波振荡,根据所述目标间谐波振荡对应的所述第二补偿电路模型的电参数,以获得第二补偿电路(230),对所述接收电路(200)进行参数补偿。S400. Select a value smaller than the reference interharmonic oscillation from the N interharmonic oscillations, as a target interharmonic oscillation, according to the electrical voltage of the second compensation circuit model corresponding to the target interharmonic oscillation parameters to obtain a second compensation circuit (230), and perform parameter compensation on the receiving circuit (200).7.根据权利要求6所述的方法,其特征在于,所述S100,当所述无线充电系统(10)发生振荡时,对所述接收电路(200)的输入信号进行傅里叶分析,以获取间谐波频率分量的基准振荡幅值,进而获取基准间谐波振荡的步骤之前包括:7. The method according to claim 6, characterized in that, in S100, when the wireless charging system (10) oscillates, Fourier analysis is performed on the input signal of the receiving circuit (200) to obtain The steps of obtaining the reference oscillation amplitude of the interharmonic frequency component, and then obtaining the reference interharmonic oscillation include:获取所述输入信号的波形;obtaining the waveform of the input signal;根据所述波形的形态,判断所述无线充电系统(10)是否发生振荡。According to the shape of the waveform, it is determined whether the wireless charging system (10) oscillates.8.根据权利要求7所述的方法,其特征在于,所述S400,从N个所述间谐波振荡中选取小于所述基准间谐波振荡的值,作为目标间谐波振荡,根据所述目标间谐波振荡对应的所述第二补偿电路模型的电参数,以获得第二补偿电路(230),对所述接收电路(200)进行参数补偿的步骤包括:8 . The method according to claim 7 , wherein, in the S400 , a value smaller than the reference interharmonic oscillation is selected from the N interharmonic oscillations as the target interharmonic oscillation, and according to the electrical parameters of the second compensation circuit model corresponding to the target interharmonic oscillation to obtain a second compensation circuit (230), and the step of performing parameter compensation on the receiving circuit (200) includes:从所述目标间谐波振荡中选取最小值,所述最小值对应的所述电参数为所述第二补偿电路模型的最优参数;A minimum value is selected from the target interharmonic oscillation, and the electrical parameter corresponding to the minimum value is the optimal parameter of the second compensation circuit model;根据所述最优参数,以获得第二补偿电路(230),对所述接收电路(200)进行参数补偿。According to the optimal parameters, a second compensation circuit (230) is obtained, and parameter compensation is performed on the receiving circuit (200).9.根据权利要求8所述的方法,其特征在于,所述S200,提供第二补偿电路模型,将所述第二补偿电路模型与所述接收电路(200)连接,并对所述第二补偿电路模型的电参数进行N次调节,所述N为大于或等于1的正整数的步骤包括:9. The method according to claim 8, characterized in that, in said S200, a second compensation circuit model is provided, the second compensation circuit model is connected to the receiving circuit (200), and the second compensation circuit model is connected to the receiving circuit (200). The electrical parameters of the compensation circuit model are adjusted for N times, and the steps in which N is a positive integer greater than or equal to 1 include:提供第二补偿电路模型,将所述第二补偿电路模型与所述接收电路(200)连接,并对所述第二补偿电路模型的电容参数、电感参数或者电容参数和电感参数进行N次调节。A second compensation circuit model is provided, the second compensation circuit model is connected to the receiving circuit (200), and the capacitance parameter, the inductance parameter or the capacitance parameter and the inductance parameter of the second compensation circuit model are adjusted N times .10.根据权利要求9所述的方法,其特征在于,所述S300,在每一个所述第二补偿电路模型的电参数下,对所述输入信号再次进行傅里叶分析,以获取N个间谐波振荡的步骤包括:10 . The method according to claim 9 , wherein, in the step S300 , under the electrical parameters of each of the second compensation circuit models, Fourier analysis is performed on the input signal again to obtain N pieces of the input signal. 11 . The steps of interharmonic oscillation include:每一次调节所述第二补偿电路模型的电容参数、电感参数或者电容参数和电感参数后,对所述接收电路(200)的输入电流信号进行傅里叶分析,以获取一个间谐波振荡。After each adjustment of the capacitance parameter, the inductance parameter or the capacitance parameter and the inductance parameter of the second compensation circuit model, Fourier analysis is performed on the input current signal of the receiving circuit (200) to obtain an interharmonic oscillation.
CN201911025765.XA2019-10-252019-10-25Parameter compensation method in wireless charging system and wireless charging systemActiveCN110789370B (en)

Priority Applications (1)

Application NumberPriority DateFiling DateTitle
CN201911025765.XACN110789370B (en)2019-10-252019-10-25Parameter compensation method in wireless charging system and wireless charging system

Applications Claiming Priority (1)

Application NumberPriority DateFiling DateTitle
CN201911025765.XACN110789370B (en)2019-10-252019-10-25Parameter compensation method in wireless charging system and wireless charging system

Publications (2)

Publication NumberPublication Date
CN110789370A CN110789370A (en)2020-02-14
CN110789370Btrue CN110789370B (en)2021-01-22

Family

ID=69441324

Family Applications (1)

Application NumberTitlePriority DateFiling Date
CN201911025765.XAActiveCN110789370B (en)2019-10-252019-10-25Parameter compensation method in wireless charging system and wireless charging system

Country Status (1)

CountryLink
CN (1)CN110789370B (en)

Family Cites Families (6)

* Cited by examiner, † Cited by third party
Publication numberPriority datePublication dateAssigneeTitle
TWI473382B (en)*2012-09-282015-02-11Au Optronics CorpWireless power transmission device
CN105186646B (en)*2015-10-122017-06-27华中科技大学 A device for dynamic wireless charging and its parameter acquisition method
CN106340974B (en)*2016-09-212019-08-23西安交通大学Resistance sense applied to wireless power transmission primary-side-control loads online recognizer
US10814736B2 (en)*2017-12-182020-10-27Ford Global Technologies, LlcWireless vehicle charging
CN108199494B (en)*2017-12-292020-11-03武汉大学Gain-adjustable active load wireless charging device and adjusting method thereof
US10491028B2 (en)*2018-03-232019-11-26Ford Global Technologies, LlcWireless power transfer with generalized harmonic current

Also Published As

Publication numberPublication date
CN110789370A (en)2020-02-14

Similar Documents

PublicationPublication DateTitle
Luo et al.Compensation network design of CPT systems for achieving maximum power transfer under coupling voltage constraints
CN108695957B (en) A parameter optimization method of an anti-offset constant current output wireless power transmission device
CN110949152A (en)Wireless charging system and method and automobile wireless charging device
CN108631421B (en) A wireless power transmission LCC-S topology structure with anti-offset capability and its parameter design method
US9785159B2 (en)Circuit and method for extracting amplitude and phase information in a resonant system
Luo et al.Reactive power comparison of four-coil, LCC and CLC compensation network for wireless power transfer
Ishihara et al.Strategy of topology selection based on quasi-duality between series–series and series–parallel topologies of resonant inductive coupling wireless power transfer systems
Ameri et al.A new maximum inductive power transmission capacity tracking method
Zeng et al.An ultrafast estimation method for coupling coefficient and receiver resonant frequency in universal wireless power transfer systems
Shi et al.Efficiency improvement of wireless charging system based on active power source in receiver
CN107294225A (en)The IPT system loads of secondary shunt compensation and mutual inductance parameter identification method
CN111082541B (en)Control method and device of mobile wireless power transmission system
Liu et al.Analysis and design of wireless power transfer system based on inductor‐capacitor‐capacitor/none magnetic integration compensation circuit
CN110789370B (en)Parameter compensation method in wireless charging system and wireless charging system
Rastegar et al.Self-tuning in dynamic wireless power transfer (dwpt) systems: Maximum efficiency under misalignment and load variation
Hong et al.Constant current/voltage characteristics inductive power transfer system with variable static ST/FC compensation
Vishnu et al.A phase shift control strategy for bidirectional power flow in capacitive wireless power transfer system using LCLC compensation
Nam et al.Optimal design method for series LCLC resonant converter based on analytical solutions for voltage gain resonant peaks
CN108297731A (en)A kind of wireless charging system for electric automobile
Song et al.Interoperability analysis and improvement for rectangular coil and DD coil of wireless EV charging
Kim et al.Mitigation of frequency splitting phenomena using a matching capacitor in wireless power transfer system for automated guided vehicle
Choi et al.Design of a 13.56 MHz dc-to-dc resonant converter using an impedance compression network to mitigate misalignments in a wireless power transfer system
Zhang et al.Maximum efficiency point tracking control method for series–series compensated wireless power transfer system
Lu et al.Load-independent ZPA conditions in both constant current and constant voltage modes of LCC-series compensated IPT system
CN113139286A (en)Multi-target global parameter optimization method and wireless power transmission system

Legal Events

DateCodeTitleDescription
PB01Publication
PB01Publication
SE01Entry into force of request for substantive examination
SE01Entry into force of request for substantive examination
GR01Patent grant
GR01Patent grant

[8]ページ先頭

©2009-2025 Movatter.jp