Movatterモバイル変換


[0]ホーム

URL:


CN110688030B - Touch display panel and display device - Google Patents

Touch display panel and display device
Download PDF

Info

Publication number
CN110688030B
CN110688030BCN201910945717.6ACN201910945717ACN110688030BCN 110688030 BCN110688030 BCN 110688030BCN 201910945717 ACN201910945717 ACN 201910945717ACN 110688030 BCN110688030 BCN 110688030B
Authority
CN
China
Prior art keywords
touch
common voltage
line
control
switch control
Prior art date
Legal status (The legal status is an assumption and is not a legal conclusion. Google has not performed a legal analysis and makes no representation as to the accuracy of the status listed.)
Active
Application number
CN201910945717.6A
Other languages
Chinese (zh)
Other versions
CN110688030A (en
Inventor
唐艳芳
黄志鹏
林春荣
孟垂玉
Current Assignee (The listed assignees may be inaccurate. Google has not performed a legal analysis and makes no representation or warranty as to the accuracy of the list.)
Xiamen Tianma Microelectronics Co Ltd
Original Assignee
Xiamen Tianma Microelectronics Co Ltd
Priority date (The priority date is an assumption and is not a legal conclusion. Google has not performed a legal analysis and makes no representation as to the accuracy of the date listed.)
Filing date
Publication date
Application filed by Xiamen Tianma Microelectronics Co LtdfiledCriticalXiamen Tianma Microelectronics Co Ltd
Priority to CN201910945717.6ApriorityCriticalpatent/CN110688030B/en
Publication of CN110688030ApublicationCriticalpatent/CN110688030A/en
Application grantedgrantedCritical
Publication of CN110688030BpublicationCriticalpatent/CN110688030B/en
Activelegal-statusCriticalCurrent
Anticipated expirationlegal-statusCritical

Links

Images

Classifications

Landscapes

Abstract

The embodiment of the invention discloses a touch display panel and a display device, comprising: the multi-path selection circuit comprises a plurality of multi-path selection units, wherein the input end of one multi-path selection unit is correspondingly arranged and electrically connected with one touch control source line, the multi-path selection unit is provided with m output ends, and the m output ends of one multi-path selection unit are respectively and electrically connected with the touch control line groups corresponding to the m adjacent touch control electrode blocks in one row; the non-display area further comprises m public voltage source lines and m public voltage switch control lines, wherein the ith public voltage switch control line controls the i-th public voltage source line to be simultaneously conducted or simultaneously cut off with transmission paths of a plurality of public voltage line groups corresponding to the km + i-th row of touch electrode blocks; in the touch control stage, at least one touch control line group transmits a touch control signal and at least one common voltage switch control line controls a corresponding common voltage source line to transmit a first voltage signal to a common voltage line group. The embodiment of the invention realizes the narrow frame.

Description

Touch display panel and display device
Technical Field
Embodiments of the present invention relate to display technologies, and in particular, to a touch display panel and a display device.
Background
With the rapid development of display technologies, touch display devices have been gradually advanced into the lives of everyone, and common touch display devices include touch display devices such as smart phones and tablet computers.
The touch display device integrates a touch function and a display function. The structure of the integrated touch display device according to its touch function can be classified into at least an external type and an embedded type. In the In-cell touch display device, the touch electrodes are integrated In the display panel, and In order to achieve the thinning, the common electrode layer is usually divided into a plurality of touch electrode blocks, so that the display function is achieved In the display stage and the touch function is achieved In the touch stage.
At present, in an embedded touch display device, a large amount of frame area is occupied by common voltage signal wiring and touch signal wiring, so that a wide frame is formed.
Disclosure of Invention
The embodiment of the invention provides a touch display panel and a display device, which are used for realizing a narrow frame.
An embodiment of the present invention provides a touch display panel, including: a display area and a non-display area surrounding the display area;
the display area comprises a plurality of touch signal lines, a plurality of common voltage signal lines and a plurality of touch electrode blocks which are arranged in an array mode, one touch electrode block is electrically connected with one touch line group, one touch electrode block is also electrically connected with one common voltage line group, the touch line group comprises at least one touch signal line, and the common voltage line group comprises at least one common voltage signal line;
the non-display area comprises a plurality of touch control source lines and a multi-path selection circuit, the multi-path selection circuit comprises a plurality of multi-path selection units, the input end of one multi-path selection unit is correspondingly arranged and electrically connected with one touch control source line, the multi-path selection unit is provided with m output ends, the m output ends of one multi-path selection unit are respectively and electrically connected with the touch control line groups corresponding to the adjacent m touch control electrode blocks in a row, and m is not less than 2 and is an integer;
the non-display area further comprises m public voltage source lines and m public voltage switch control lines, the ith public voltage switch control line controls the ith public voltage source line and transmission paths of a plurality of public voltage line groups corresponding to the touch electrode blocks in the km + i row to be simultaneously conducted or simultaneously cut off, i is more than or equal to 1 and less than or equal to m, and k is a natural number;
in a touch control stage, the multi-path selection unit conducts a signal transmission path between an input end and one output end of the multi-path selection unit to enable the touch control line group to transmit a touch control signal, and meanwhile, for at least one touch control electrode block which does not transmit the touch control signal, at least one common voltage switch control line controls the common voltage source line corresponding to the multi-path selection unit and the transmission path of the common voltage line group to be conducted simultaneously to enable the common voltage line group to transmit a first voltage signal;
in the display stage, each common voltage switch control line controls the common voltage source line corresponding to the common voltage switch control line to be simultaneously conducted with the common voltage line group so as to enable the common voltage line group to transmit a common voltage signal.
Based on the same inventive concept, the embodiment of the invention further provides a display device, which comprises the touch display panel.
In the embodiment of the invention, one multi-path selection unit is provided with m output ends, one touch control source line can realize touch control signal transmission with m touch control electrode blocks in a time-sharing manner, the number of touch control signal ports is reduced, and the effect of reducing the cost is achieved; the number of touch control source lines of the non-display area is greatly reduced, and a narrow frame is realized; the problem that the touch control accuracy is reduced due to the fact that the touch control area is increased due to the fact that the number of the touch control signal ports is insufficient can be solved, and the touch control accuracy is improved. In the embodiment of the invention, in the touch control stage, the common voltage source line transmits the first voltage signal to the touch control electrode block which does not transmit the touch control signal, so that the driving uniformity of touch control is enhanced.
Drawings
In order to more clearly illustrate the embodiments of the present invention or the technical solutions in the prior art, a brief description will be given below of the drawings required for the embodiments or the technical solutions in the prior art, and it is obvious that the drawings in the following description are some embodiments of the present invention, and for those skilled in the art, other drawings can be obtained according to these drawings without creative efforts.
Fig. 1 is a schematic view of a touch display panel according to an embodiment of the invention;
FIG. 2 is a schematic diagram of a multiplexing unit in an embodiment of the invention;
fig. 3 is a schematic diagram of a first switch device group in the embodiment of the present invention;
fig. 4 is a schematic diagram of a touch display panel according to an embodiment of the invention;
fig. 5 is a driving timing diagram of fig. 4;
fig. 6 is a schematic diagram of a touch display panel according to an embodiment of the present invention;
fig. 7 is a schematic diagram of a display device according to an embodiment of the present invention.
Detailed Description
In order to make the objects, technical solutions and advantages of the present invention clearer, the technical solutions of the present invention will be clearly and completely described through embodiments with reference to the accompanying drawings in the embodiments of the present invention, and it is obvious that the described embodiments are some, but not all, embodiments of the present invention. All other embodiments, which can be derived by a person skilled in the art from the embodiments given herein without making any creative effort, shall fall within the protection scope of the present invention.
Fig. 1 is a schematic view of a touch display panel according to an embodiment of the invention. The touch display panel provided by the embodiment includes: adisplay area 1 and anon-display area 2 surrounding thedisplay area 1; thedisplay area 1 includes a plurality oftouch signal lines 11, a plurality of commonvoltage signal lines 13, and a plurality oftouch electrode blocks 12 arranged in an array, onetouch electrode block 12 is electrically connected to onetouch line group 11a, onetouch electrode block 12 is also electrically connected to one commonvoltage line group 13a, thetouch line group 11a includes at least onetouch signal line 11, and the commonvoltage line group 13a includes at least one commonvoltage signal line 13;
thenon-display area 2 comprises a plurality of touchcontrol source lines 21 and amulti-path selection circuit 3, themulti-path selection circuit 3 comprises a plurality ofmulti-path selection units 31, the input end of onemulti-path selection unit 31 is correspondingly arranged and electrically connected with one touchcontrol source line 21, themulti-path selection unit 31 is provided with m output ends, the m output ends of onemulti-path selection unit 31 are respectively and electrically connected with touchcontrol line groups 11a corresponding to m adjacent touchcontrol electrode blocks 12 in a row, and m is not less than 2 and is an integer;
thenon-display area 2 further comprises m publicvoltage source lines 41 and m public voltageswitch control lines 42, the ith public voltage switch control line controls the ith public voltage source line to be simultaneously conducted or simultaneously cut off with transmission paths of a plurality of publicvoltage line groups 13a corresponding to the km + i row of touch electrode blocks, i is more than or equal to 1 and less than or equal to m, and k is a natural number;
in the touch control stage, themulti-channel selection unit 31 turns on the signal transmission paths of the input terminal and one of the output terminals thereof to enable the touchcontrol line group 11a to transmit the touch control signal, and for at least one touchcontrol electrode block 12 not transmitting the touch control signal, at least one common voltageswitch control line 42 controls the transmission paths of the corresponding commonvoltage source line 41 and the commonvoltage line group 13a to be turned on simultaneously to enable the commonvoltage line group 13a to transmit the first voltage signal;
in the display phase, each common voltageswitch control line 42 controls the corresponding commonvoltage source line 41 to be turned on simultaneously with the commonvoltage line group 13a so that the commonvoltage line group 13a transmits the common voltage signal.
As shown in fig. 1, onetouch line group 11a may be selected to include onetouch signal line 11, and onetouch electrode block 12 is electrically connected to onetouch signal line 11 correspondingly, and at this time, onetouch signal line 11 is also characterized as onetouch line group 11a; in the touch stage, a touch signal is transmitted between thetouch signal line 11 and the corresponding electrically connectedtouch electrode block 12. In other embodiments, one touch set may further include at least two touch signal lines, and one touch electrode block is electrically connected to the two touch signal lines; and in the touch control stage, the two touch control signal lines simultaneously transmit touch control signals with the same touch control electrode block which is correspondingly and electrically connected. It can be understood that, in the present invention, the specific number of the touch signal lines included in the touch line groups is not specifically limited, and the number of the touch signal lines included in each touch line group may be the same or different, and related practitioners may reasonably set the number of the touch signal lines included in each touch line group according to needs of products.
As shown in fig. 1, one commonvoltage line group 13a may be selected to include one commonvoltage signal line 13, and onetouch electrode block 12 is electrically connected to one commonvoltage signal line 13 correspondingly, at this time, one commonvoltage signal line 13 is also characterized as one commonvoltage line group 13a; in the display stage, touch signals are transmitted between the commonvoltage signal lines 13 and thetouch electrode blocks 12 which are correspondingly and electrically connected. In other embodiments, one common voltage line group may further include at least two common voltage signal lines, and one touch electrode block is electrically connected to the two common voltage signal lines. It is to be understood that the present invention does not specifically limit the specific number of the common voltage signal lines included in the common voltage line group, the number of the common voltage signal lines included in each common voltage line group may be the same or different, and related practitioners may reasonably set the number of the common voltage signal lines included in each common voltage line group according to the needs of products.
In this embodiment, the touch display panel includes adisplay area 1 and anon-display area 2, where thedisplay area 1 is a display function area, and a plurality of sub-pixels (not shown) for displaying and emitting light are disposed therein; thenon-display area 2 is an external circuit area in which a display driving circuit (not shown) and a touch driving circuit (not shown) for performing touch control and display control, and the like are provided, and a specific configuration and wiring description are not made in the present invention.
In this embodiment, thedisplay area 1 includes a plurality oftouch signal lines 11, a plurality of commonvoltage signal lines 13, and a plurality oftouch electrode blocks 12 arranged in an array, onetouch electrode block 12 is electrically connected to onetouch line group 11a, thetouch line group 11a includes at least onetouch signal line 11, the touch driving capability can be enhanced when the plurality oftouch signal lines 11 exist in thetouch line group 11a, onetouch electrode block 12 is electrically connected to one commonvoltage line group 13a, the commonvoltage line group 13a includes at least one commonvoltage signal line 13, and the display driving capability can be enhanced when the plurality of commonvoltage signal lines 13 exist in the commonvoltage line group 13 a. It is understood that the trace electrically connecting thetouch electrode block 12 and themultiplexing unit 31 can be defined as thetouch signal line 11, and the trace electrically connecting thetouch electrode block 12 and the common voltage source line can be defined as the commonvoltage signal line 13.
In this embodiment, thenon-display region 2 includes a plurality oftouch source lines 21 and amulti-path selection circuit 3, themulti-path selection circuit 3 includes a plurality ofmulti-path selection units 31, onemulti-path selection unit 31 is disposed corresponding to onetouch source line 21, themulti-path selection unit 31 has m output terminals, and one output terminal of themulti-path selection unit 31 is electrically connected to onetouch line group 11 a. Here, onemultiplexing unit 31 corresponds to one touchcontrol source line 21, and onemultiplexing unit 31 is electrically connected to m touchcontrol line groups 11a, so that one touchcontrol source line 21 can realize touch control signal transmission with m touchcontrol electrode blocks 12 in a time-sharing manner.
Thetouch source line 21 is electrically connected to the touch signal ports of the touch driving circuit, the more the number of the ports of the touch driving circuit is, the higher the cost is, and under the condition that the number of thetouch electrode blocks 12 is the same, the number of the touch signal ports of the touch driving circuit is reduced, so that the effect of reducing the cost is achieved. The touch control signal transmission is realized by one touch control source line in a time-sharing mode and the m touch control electrode blocks, the number of the touch control source lines is greatly reduced, the occupied frame area can be reduced, and the narrow frame is realized. For a medium-size and large-size touch display panel, the situation that a touch signal port is insufficient may exist in the prior art, and at this time, part of the touch electrode blocks do not participate in touch control, so that the touch control area of the touch electrode blocks is increased and the touch control accuracy is low; in the embodiment, one touch control source line realizes touch control signal transmission with m touch control electrode blocks in a time-sharing manner, full-screen touch control is realized, the problem of low touch control precision caused by insufficient number of touch control signal ports can be solved, and the touch control precision is improved.
In this embodiment, thenon-display region 2 further includes m commonvoltage source lines 41, which are the 1 st to mth common voltage source lines VCOM, respectively, and m common voltageswitch control lines 42, which are the 1 st to mth common voltage switch control lines VSW, respectively. The 1 st common voltage switch control line controls the 1 st common voltage source line to be simultaneously turned on or simultaneously turned off with the transmission paths of the plurality of commonvoltage line groups 13a corresponding to the touch electrode block in the km +1 th row, the 1 st row, the (m + 1) th row, the 2m +1 st row and so on. By analogy, the ith common voltage switch control line controls the ith common voltage source line and the transmission paths of the plurality of commonvoltage line groups 13a corresponding to the km + i-th row of touch electrode blocks to be simultaneously switched on or switched off. I is more than or equal to 1 and less than or equal to m, and k is a natural number. In the display stage, one row of touch electrode blocks simultaneously transmit a common voltage signal; and in the touch control stage, a row of touch control electrode blocks simultaneously transmit touch control signals.
As shown in fig. 1, taking m =2 as an example, the 1 st common voltage switch control line VSW1 controls the 1 st common voltage source line VCOMA to be turned on or turned off simultaneously with the transmission paths of the plurality of commonvoltage line groups 13a corresponding to the odd-numbered rowtouch electrode blocks 12; the 2 nd common voltage switch control line VSW2 controls the 2 nd common voltage source line VCOMB to be simultaneously turned on or simultaneously turned off with the transmission paths of the plurality of commonvoltage line groups 13a corresponding to the even-numbered rowtouch electrode blocks 12.
In other embodiments, taking m =3 as an example, the 1 st common voltage switch control line controls the 1 st common voltage source line to be turned on or off simultaneously with the transmission paths of the plurality of commonvoltage line groups 13a corresponding to the km +1 th row of touch electrode blocks in the 1 st, 4 th, 7 th, and so on; the 2 nd common voltage switch control line controls the 2 nd common voltage source line to be simultaneously conducted or simultaneously cut off with the 2 nd row, the 5 th row, the 8 th row and the like, and the transmission paths of the plurality of commonvoltage line groups 13a corresponding to the km +2 th row of touch electrode blocks are simultaneously conducted or simultaneously cut off; and the 3 rd common voltage switch control line controls the 3 rd common voltage source line to be simultaneously switched on or switched off with the 3 rd row, the 6 th row, the 9 th row and the like, and the transmission paths of the plurality of commonvoltage line groups 13a corresponding to the touch electrode blocks of the km +3 th row are simultaneously switched on or switched off.
In this embodiment, m output terminals of eachmulti-path selection unit 31 are electrically connected to mtouch line groups 11a corresponding to m adjacenttouch electrode blocks 12 in the same row, and specifically, for onemulti-path selection unit 31, m output terminals are electrically connected to mtouch line groups 11a corresponding to m adjacenttouch electrode blocks 12 in the same row in sequence.
As shown in fig. 1, theselectable multiplexing circuit 31 has 2 output terminals. The exemplary touch display panel includes 4 × 3touch electrode blocks 12, and the touch display panel includes 6multiplexing units 31, where 2 output terminals of onemultiplexing unit 31 are electrically connected to 2touch line groups 11a corresponding to 2 adjacenttouch electrode blocks 12 in the same row in sequence. The touch display panel includes two commonvoltage source lines 41 and two common voltageswitch control lines 42, the 1 st common voltage switch control line VSW1 controls the 1 st common voltage source line VCOMA to be electrically connected to the commonvoltage line group 13a corresponding to the odd-numbered rowtouch electrode blocks 12, and the 2 nd common voltage switch control line VSW2 controls the 2 nd common voltage source line VCOMB to be electrically connected to the commonvoltage line group 13a corresponding to the even-numbered rowtouch electrode blocks 12.
In this embodiment, the touch stage includes m touch sub-stages.
In the 1 st touch sub-stage, themulti-path selection unit 31 connects the signal transmission paths between the input terminal and the 1 st output terminal thereof to enable thetouch line set 11a to transmit the touch signal; meanwhile, for at least onetouch electrode block 12 which does not transmit a touch signal, at least one common voltageswitch control line 42 controls the corresponding commonvoltage source line 41 to be simultaneously conducted with the transmission path of the commonvoltage line group 13a so that the commonvoltage line group 13a transmits a first voltage signal. In the touch sub-stage of the touch display panel, in addition to the touch electrode block for transmitting the touch signal, there is also a touch electrode block for receiving the first voltage signal. The selectable first voltage signal is the same as the touch signal, and the common voltage source line transmits the first voltage signal to the touch electrode block in the touch stage, so that the driving capability of the touch electrode block can be enhanced, and the overall display uniformity is improved.
In the 2 nd touch sub-stage, themulti-path selection unit 31 conducts the signal transmission paths between the input terminal and the 2 nd output terminal thereof to enable thetouch line group 11a to transmit the touch signal; meanwhile, for at least onetouch electrode block 12 which does not transmit a touch signal, at least one common voltageswitch control line 42 controls the corresponding commonvoltage source line 41 to be simultaneously conducted with the transmission path of the commonvoltage line group 13a so that the commonvoltage line group 13a transmits a first voltage signal.
By parity of reasoning, full-screen touch detection of the whole panel is achieved.
It is understood that the touch signal includes a touch driving signal and a touch sensing signal. In the touch control stage, the touch control source line transmits a touch control driving signal to a touch control electrode block electrically connected with the touch control source line through the touch control line group, and the touch control electrode block outputs a touch control sensing signal to the touch control source line through the touch control line group. After the M touch sub-stages are completed, the touch driving circuit determines the touch position according to the touch driving signal and the touch sensing signal of the touch electrode block.
As shown in fig. 1, m =2, the multiplexingunit 31 is electrically connected to thetouch line group 11a of the 2 adjacent touch electrode blocks 12 in the same column, wherein a first output terminal of the multiplexingunit 31 is electrically connected to thetouch line group 11a of the odd-numberedtouch electrode block 12, and a second output terminal of the multiplexingunit 31 is electrically connected to thetouch line group 11a of the even-numberedtouch electrode block 12. The touch stage is divided into 2 touch sub-stages.
In the 1 st touch sub-stage, eachmulti-path selection unit 31 turns on the signal transmission path between its input terminal and its first output terminal, and thetouch source line 21 transmits the touch signal with the odd-numbered rows of touch electrode blocks 12 through thetouch line group 11a, so that in the 1 st touch sub-stage, the first row of touch electrode blocks 12 and the third row of touch electrode blocks 12 perform touch at the same time. Meanwhile, the 2 nd common voltage switch control line can control the 2 nd common voltage source line and the even-numbered row touch electrode blocks to realize the transmission of the first voltage signal. At this time, the odd-numbered rows of touch electrode blocks transmit the touch signals, and the even-numbered rows of touch electrode blocks transmit the first voltage signals, so that the driving uniformity of the whole panel can be improved.
In the 2 nd touch sub-stage, eachmulti-path selection unit 31 turns on the signal transmission path between its input terminal and its second output terminal, and thetouch source line 21 transmits the touch signal with the even-numbered rows of touch electrode blocks 12 through thetouch line group 11a, so that in the 2 nd touch sub-stage, the second row of touch electrode blocks 12 and the fourth row of touch electrode blocks 12 perform touch control simultaneously. Meanwhile, the 1 st common voltage switch control line can control the 1 st common voltage source line and the odd-numbered row touch electrode blocks to realize the transmission of the first voltage signal. At this time, the odd-numbered rows of touch electrode blocks transmit the first voltage signal, and the even-numbered rows of touch electrode blocks transmit the touch signal, so that the driving uniformity of the whole panel can be improved.
Therefore, full-screen touch detection is achieved through time-sharing touch of the multiple touch sub-stages.
And in the display stage, the touch display panel realizes a display function. And in the display stage, each common voltage switch control line conducts a signal transmission path between a common voltage source line and the touch electrode block, so that common voltage signal transmission is realized between the common voltage source line and the touch electrode block.
In the embodiment, one multi-path selection unit is provided with m output ends, one touch control source line can realize touch control signal transmission with m touch control electrode blocks in a time-sharing manner, the number of touch control signal ports is reduced, and the effect of reducing the cost is achieved; the number of touch control source lines in the non-display area is greatly reduced, and a narrow frame is realized; the problem that the touch control accuracy is reduced due to the fact that the touch control area is increased due to the fact that the number of the touch control signal ports is insufficient can be solved, and the touch control accuracy is improved. In this embodiment, in the touch control stage, the common voltage source line still transmits the first voltage signal to the touch control electrode block which does not transmit the touch control signal, so that the driving uniformity of touch control is enhanced.
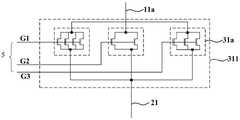
Exemplarily, on the basis of the foregoing technical solution, the selectable touch display panel shown in fig. 2 further includes: m touch switchcontrol line groups 5; the multi-path selectingunit 31 includes m firstswitch device groups 311, output terminals of the same firstswitch device group 311 are electrically connected to the same touchcontrol line group 11a, input terminals of the same firstswitch device group 311 are electrically connected to the same touchcontrol source line 21, control terminals of the same firstswitch device group 311 are electrically connected to the same touch control switchcontrol line group 5, and control terminals of the firstswitch device groups 311 corresponding to one row of touch control electrode blocks 12 are electrically connected to the same touch control switchcontrol line group 5; the m touch switchcontrol line groups 5 control the m firstswitch device groups 311 in themulti-path selection unit 31 to be turned on in a time-sharing manner.
In this embodiment, onetouch line group 11a corresponds to one firstswitch device group 311, and the input end of each firstswitch device group 311 in themulti-path selection unit 31 is electrically connected to the sametouch source line 21; the firstswitch device group 311 is used to turn on or off a transmission path between thetouch source line 21 and thetouch line group 11 a. Specifically, the touch switchcontrol line group 5 controls whether the transmission path of the firstswitch device group 311 is on or off, and the touch switchcontrol line group 5 controls the firstswitch device group 311 to be on or off to turn on or off the transmission path between thetouch source line 21 and thetouch line group 11 a.
It is understood that the m touch switchcontrol line groups 5 are sequentially labeled as the 1 st to m touch switch control line groups, and the m firstswitch device groups 311 in themulti-path selection unit 31 are sequentially labeled as the 1 st to m first switch device groups. The 1 st touch switchcontrol line group 5 is electrically connected to the control terminal of the 1 st firstswitch device group 311 in eachcircuit selection unit 31, the 2 nd touch switchcontrol line group 5 is electrically connected to the control terminal of the 2 nd firstswitch device group 311 in eachcircuit selection unit 31, the 3 rd touch switchcontrol line group 5 is electrically connected to the control terminal of the 3 rd firstswitch device group 311 in eachcircuit selection unit 31, and so on to the mth touch switch control line group.
In this embodiment, the control terminals of the firstswitch device groups 311 corresponding to one row of the touch electrode blocks 12 are electrically connected to the same touch switchcontrol line group 5, and one touch switchcontrol line group 5 can control the firstswitch device groups 311 corresponding to at least one row of the touch electrode blocks 12 to be turned on or off. The m touch switch control line groups 5 control m first switch device groups 311 in the multiple-path selection unit 31 to conduct in a time-sharing manner, specifically, taking m =3 as an example, the 1 st touch switch control line group 5 controls the 1 st first switch device group 311 in each multiple-path selection unit 31 to conduct at the same time, and then the 1 st row, the 4 th row, the 7 th row and so on are performed, and the multiple rows of touch electrode blocks 12 and the touch source line 21 realize touch signal transmission; the 2 nd touch switch control line group 5 controls the 2 nd first switch device group 311 in each multi-path selection unit 31 to be simultaneously conducted, and then the 2 nd row, the 5 th row, the 8 th row and so on are performed, so that the multi-row touch electrode blocks 12 and the touch source lines 21 realize touch signal transmission; the 3 rd touch switch control line group 5 controls the 3 rd first switch device group 311 in each multi-path selection unit 31 to be turned on simultaneously, and then the 3 rd row, the 6 th row, the 9 th row and so on are performed, so that the multi-row touch electrode blocks 12 and the touch source lines 21 realize touch signal transmission.
Optionally, the firstswitch device groups 311 in themulti-path selection circuit 3 are all NMOS or all PMOS. Given that the touch switchcontrol line group 5 controls the corresponding electrically connected firstswitch device groups 311 to be turned on simultaneously, the types of the corresponding electrically connected firstswitch device groups 311 to one touch switchcontrol line group 5 are the same, such as all NMOS or all PMOS.
If the firstswitch device group 311 is an NMOS, the effective pulse signal of the touch switchcontrol line group 5 is at a high level; alternatively, if the firstswitch device group 311 is PMOS, the active pulse signal of the touch switchcontrol line group 5 is at low level.
As shown in fig. 3, one firstswitch device group 311 may includen switch groups 31a, oneswitch group 31a includes at least one first transistor, one touch switchcontrol line group 5 includes n touch switch control lines, and the control terminals of the first transistors of thesame switch group 31a are connected to the same touch switch control line.
N =3 is optional, that is, the firstswitch device group 311 includes 3switch groups 31a, and the number of the first transistors in the 3switch groups 31a may be the same or different. The touch switchcontrol line group 5 includes 3 touch switch control lines, which are respectively labeled as G1, G2, and G3, and the control terminals of the first transistors of thesame switch group 31a are connected to the same touch switch control line.
In this embodiment, a structure of one firstswitch device group 311 is shown, where an input end of the firstswitch device group 311 is electrically connected to thetouch source line 21 corresponding to themulti-way selection unit 31, and an input end of each first transistor in the firstswitch device group 311 is electrically connected to thetouch source line 21 corresponding to themulti-way selection unit 31. The output terminal of the firstswitch device group 311 is electrically connected to onetouch line group 11a, and the output terminal of each first transistor in the firstswitch device group 311 is electrically connected to thetouch line group 11a corresponding to the firstswitch device group 311.
In this embodiment, the firstswitch device group 311 includes a plurality ofswitch groups 31a, and each touch switch control line independently controls whether thecorresponding switch group 31a is turned on or off. Specifically, when the touch switchcontrol line group 5 controls the conduction of the transmission path of the firstswitch device group 311, at least one of the touch switch control lines controls the conduction of the transmission path of thecorresponding switch group 31 a. For example, when the touch switchcontrol line group 5 controls the transmission path of the firstswitch device group 311 to be turned on, at least one touch switch control line of G1, G2, and G3 outputs a high-level signal to control the first transistor of at least oneswitch group 31a to be turned on, where the first transistors are all selected to be NMOS. In other embodiments, the first transistors may be both NMOS or both PMOS.
In this embodiment, the number of the first transistors in the firstswitch device group 311 can be selected according to power consumption or performance requirements, so that the touch driving capability can be adjusted.
Alternatively, m =2 as shown in fig. 4; the m common voltage switch control lines include a first common voltage switch control line VSW1 and a second common voltage switch control line VSW2; the m touch switch control line groups 5 include a first switch control line group 51 and a second switch control line group 52; the first common voltage switch control line VSW1 controls the first common voltage source line VCOMA to be turned on or turned off simultaneously with the transmission path of the common voltage line group 13a corresponding to the odd-numbered row touch electrode block 12; the second common voltage switch control line VSW2 controls the second common voltage source line VCOMB to be simultaneously turned on or simultaneously turned off with the transmission path of the common voltage line group 13a corresponding to the even-numbered row of touch electrode blocks 12; the touch control stage comprises a first touch control stage and a second touch control stage; in the first touch phase, the first switch control line group 51 controls the conduction of the transmission path between the touch source line 21 and the odd-numbered row of touch electrode blocks 12 to enable the touch line group 11a to transmit the touch signal, and at the same time, the second common voltage switch control line VSW2 controls the conduction of the second common voltage source line VCOMB and the transmission path of the even-numbered row of common voltage line group 13a to enable the common voltage line group 13a to transmit the first voltage signal; in the second touch phase, the second switch control line group 52 controls the conduction of the transmission path between the touch source line 21 and the even-numbered row touch electrode block 12 to enable the touch line group 11a to transmit the touch signal, and at the same time, the first common voltage switch control line VSW1 controls the conduction of the first common voltage source line VCOMA and the transmission path of the odd-numbered row common voltage line group 13a to enable the common voltage line group 13a to transmit the first voltage signal. The waveform of the first voltage signal and the waveform of the touch signal can be selected to be the same.
In this embodiment, only the schematic structural diagram of the multi-path selectingunit 31 corresponding to two adjacent touch electrode blocks 12 in the same column is shown. The structure of the firstswitch device group 311 in themultiplexing unit 31 is represented by transistors, and in essence, the firstswitch device group 311 includes a plurality of sets of transistors.
m =2, the multiplexingunit 31 includes two firstswitch device groups 311, wherein a control terminal of the firstswitch device group 311 electrically connected to the odd-numbered rowtouch electrode block 12 of each multiplexingunit 31 is connected to the same first switchcontrol line group 51, and a control terminal of the firstswitch device group 311 electrically connected to the even-numbered rowtouch electrode block 12 of each multiplexingunit 31 is connected to the same second switchcontrol line group 52. The effective pulse signal output by the first switchcontrol line group 51 controls eachtouch source line 21 to transmit a touch signal to the odd-numbered rows of touch electrode blocks 12; the effective pulse signal output by the second switchcontrol line group 52 controls eachtouch source line 21 to transmit the touch signal to the touch electrode blocks 12 in the even rows.
In the touch stage, the odd-numbered row touch electrode blocks 12 and the even-numbered row touch electrode blocks 12 perform touch detection in a time-sharing manner. The touch control stage comprises a first touch control stage and a second touch control stage. Fig. 5 shows a driving timing chart of fig. 4. The optional first transistors are all NMOS.
In the first touch phase TPA, the first switch control line group 51 (labeled TP-MUX 1) outputs a high level signal to control the firstswitch device group 311 electrically connected thereto to be turned on, so that the transmission path between thetouch source line 21 and the odd-numbered rowtouch electrode block 12 is turned on, and the touch source line 21 (labeled SX) transmits a touch signal to thetouch line group 11a corresponding to the odd-numbered rowtouch electrode block 12. The second switch control line group 52 (labeled TP-MUX 2) and the first common voltage switch control line VSW1 each output a low level signal. Meanwhile, the second common voltage switch control line VSW2 is a high level signal to control the transmission path of the second common voltage source line VCOMB and the even-numbered row commonvoltage line group 13a to be simultaneously turned on so that the commonvoltage line group 13a transmits the first voltage signal, wherein the first voltage signal has the same waveform as the touch signal, and then in the first touch stage, the odd-numbered row touch electrode blocks 12 transmit the touch signal, and the even-numbered row touch electrode blocks 12 transmit the first voltage signal having the same waveform as the touch signal, so that the whole-area touch driving uniformity in the touch stage can be realized, and the touch performance can be improved.
In the second touch phase TPB, the second switchcontrol line group 52 outputs a high level signal to control the firstswitch device group 311 electrically connected thereto to be turned on, so that the transmission path between thetouch source line 21 and the even-numbered touch electrode blocks 12 is turned on, and thetouch source line 21 transmits a touch signal to thetouch line group 11a corresponding to the even-numbered touch electrode blocks 12. The first switchcontrol line group 51 and the second common voltage switch control line VSW2 each output a low-level signal. Meanwhile, the first common voltage switch control line VSW1 is a high level signal, and controls the transmission paths of the first common voltage source line VCOMA and the odd-numbered row commonvoltage line group 13a to be simultaneously turned on, so that the commonvoltage line group 13a transmits a first voltage signal, where the first voltage signal has the same waveform as the touch signal, in the second touch phase, the even-numbered row touch electrode blocks 12 transmit the touch signal, and the odd-numbered row touch electrode blocks 12 transmit the first voltage signal having the same waveform as the touch signal, so that the whole-area touch driving uniformity in the touch phase can be realized, and the touch performance can be improved.
And in the display stage, the touch display panel realizes a display function. In the display phase, the first switchcontrol line group 51 and the second switchcontrol line group 52 are both at low level; the first common voltage switch control line VSW1 is at a high level to control the first common voltage source line VCOMA to be simultaneously turned on with the transmission paths of the odd-numbered row commonvoltage line group 13a so that the commonvoltage line group 13a transmits the common voltage signal, and the second common voltage switch control line VSW2 is at a high level to control the second common voltage source line VCOMB to be simultaneously turned on with the transmission paths of the even-numbered row commonvoltage line group 13a so that the commonvoltage line group 13a transmits the common voltage signal.
Exemplarily, on the basis of the above technical solution, it is optional that thenon-display region 2 shown in fig. 6 includes a first non-display region and a second non-display region that are oppositely disposed and located at two sides of thedisplay region 1, adriving chip 4 is disposed in the first non-display region, thedriving chip 4 includes a plurality of touch signal output terminals, and one touch signal output terminal is electrically connected to onetouch source line 21.
In this embodiment, the long side direction of thedisplay area 1 includes a first side and a second side which are oppositely disposed, thenon-display area 2 located at the periphery of the first side of thedisplay area 1 is defined as a first non-display area, and thenon-display area 2 located at the periphery of the second side of thedisplay area 1 is defined as a second non-display area. The selectable first non-display area is located on the lower side in the illustration of thedisplay area 1 as shown in fig. 6, and the second non-display area is located on the upper side in the illustration of thedisplay area 1.
Theselectable driving chip 4, themulti-path selection circuit 3, the touchcontrol source line 21 and other structures are arranged in the first non-display area. The selectablemulti-path selection circuit 3 is positioned in the first non-display area and on one side of thedriving chip 4 close to thedisplay area 1, and the m common voltage source lines and the m common voltage switch control lines are positioned in the second non-display area. Compared with the prior art, in the embodiment, one touch control source line drives m touch control electrode blocks in a time-sharing touch control manner, so that the wiring quantity of the touch control source lines is effectively reduced, the cost of thedriving chip 4 is reduced, and the narrow frame is realized.
An optional common voltage source line and a common voltage switch control line are disposed in the second non-display region. In this embodiment, two common voltage source lines are disposed in the second non-display region, which has an effect that the detection of the touch display panel can be achieved by applying different signals to the two common voltage source lines, and in practical application, the display function of the touch display panel can be achieved by applying the same common voltage signal to the two common voltage source lines. The design of the common voltage source line and the common voltage switch control line is compatible with the test requirement before the factory leaves the factory in the early stage and the use requirement after the factory leaves the factory in the later stage.
In this embodiment, the number of touch signal output ends is reduced, and the frame is further reduced. Specifically, the touch electrode blocks receive touch signals in groups, for example, the touch electrode blocks in odd rows in the same column are controlled to be simultaneously turned on or turned off; and the even-numbered rows of touch electrode blocks in the same column are simultaneously opened or closed, so that the grouping control is realized. This enhances touch performance.
Based on the same inventive concept, an embodiment of the present invention further provides a display device, and as shown in fig. 7, thedisplay device 100 provided in this embodiment includes the touch display panel described in any of the above embodiments. Optionally, thedisplay device 100 may be applied in a vehicle as a vehicle-mounted display product, specifically as a screen of a main control area of the vehicle for a user to use.
In other embodiments, the optional display device may be applied to a smart phone, a tablet computer, or the like, and the optional display device may be an organic light emitting display device or a liquid crystal display device or other types of display devices. The above embodiments simply illustrate the structure of the touch display panel in the display device, and the display device substantially includes other structures, which are not specifically illustrated and described herein. In addition, in the above embodiments, m =2 is mostly taken as an example for illustration, m may be selected as another numerical value in other embodiments, and when m changes, the number of traces or circuit structures related to the value m changes, and thus, no specific example and description are given here.
It is to be noted that the foregoing is only illustrative of the preferred embodiments of the present invention and the technical principles employed. It will be understood by those skilled in the art that the present invention is not limited to the particular embodiments described herein, but is capable of various obvious modifications, rearrangements, combinations and substitutions as will now become apparent to those skilled in the art without departing from the scope of the invention. Therefore, although the present invention has been described in some detail by the above embodiments, the invention is not limited to the above embodiments, and may include other equivalent embodiments without departing from the spirit of the invention, and the scope of the invention is determined by the scope of the appended claims.

Claims (9)

CN201910945717.6A2019-09-302019-09-30Touch display panel and display deviceActiveCN110688030B (en)

Priority Applications (1)

Application NumberPriority DateFiling DateTitle
CN201910945717.6ACN110688030B (en)2019-09-302019-09-30Touch display panel and display device

Applications Claiming Priority (1)

Application NumberPriority DateFiling DateTitle
CN201910945717.6ACN110688030B (en)2019-09-302019-09-30Touch display panel and display device

Publications (2)

Publication NumberPublication Date
CN110688030A CN110688030A (en)2020-01-14
CN110688030Btrue CN110688030B (en)2022-11-01

Family

ID=69111310

Family Applications (1)

Application NumberTitlePriority DateFiling Date
CN201910945717.6AActiveCN110688030B (en)2019-09-302019-09-30Touch display panel and display device

Country Status (1)

CountryLink
CN (1)CN110688030B (en)

Families Citing this family (8)

* Cited by examiner, † Cited by third party
Publication numberPriority datePublication dateAssigneeTitle
CN110716665B (en)*2019-09-302021-09-17厦门天马微电子有限公司Touch display panel and display device
TWI728723B (en)*2020-02-252021-05-21友達光電股份有限公司Touch display panel
CN111625131A (en)*2020-05-152020-09-04武汉华星光电半导体显示技术有限公司Display device and electronic apparatus
TWI754963B (en)*2020-06-162022-02-11友達光電股份有限公司Touch device
CN111781540B (en)*2020-06-302023-06-27武汉天马微电子有限公司Touch display device and testing method thereof
CN114327108B (en)*2020-09-302023-12-22京东方科技集团股份有限公司Touch display substrate, driving method thereof and display device
CN112835475B (en)*2021-03-222023-03-17厦门天马微电子有限公司Detection method, display panel, driving chip and display device
CN114265524B (en)*2021-12-172023-08-22武汉华星光电半导体显示技术有限公司 a display panel

Citations (6)

* Cited by examiner, † Cited by third party
Publication numberPriority datePublication dateAssigneeTitle
CN101034331A (en)*2006-02-132007-09-12陈其良Touch screen
CN103500747A (en)*2013-09-302014-01-08京东方科技集团股份有限公司Array substrate, array substrate driving method and display device
CN105094431A (en)*2015-08-112015-11-25厦门天马微电子有限公司Array substrate, manufacturing method, touch display panel and touch display device
WO2016026222A1 (en)*2014-08-222016-02-25京东方科技集团股份有限公司Touch control display device and driving method thereof
CN106531108A (en)*2016-12-292017-03-22厦门天马微电子有限公司Touch display panel and driving method thereof, and touch display device
CN106919287A (en)*2017-03-082017-07-04上海中航光电子有限公司A kind of touch-control display panel and touch control display apparatus

Family Cites Families (2)

* Cited by examiner, † Cited by third party
Publication numberPriority datePublication dateAssigneeTitle
CN105573554B (en)*2015-12-312019-02-22厦门天马微电子有限公司Touch-control display panel
CN106484187B (en)*2016-10-312020-04-10厦门天马微电子有限公司Touch display panel and touch display device

Patent Citations (6)

* Cited by examiner, † Cited by third party
Publication numberPriority datePublication dateAssigneeTitle
CN101034331A (en)*2006-02-132007-09-12陈其良Touch screen
CN103500747A (en)*2013-09-302014-01-08京东方科技集团股份有限公司Array substrate, array substrate driving method and display device
WO2016026222A1 (en)*2014-08-222016-02-25京东方科技集团股份有限公司Touch control display device and driving method thereof
CN105094431A (en)*2015-08-112015-11-25厦门天马微电子有限公司Array substrate, manufacturing method, touch display panel and touch display device
CN106531108A (en)*2016-12-292017-03-22厦门天马微电子有限公司Touch display panel and driving method thereof, and touch display device
CN106919287A (en)*2017-03-082017-07-04上海中航光电子有限公司A kind of touch-control display panel and touch control display apparatus

Also Published As

Publication numberPublication date
CN110688030A (en)2020-01-14

Similar Documents

PublicationPublication DateTitle
CN110688030B (en)Touch display panel and display device
CN110716665B (en)Touch display panel and display device
CN112925448B (en)Touch display panel, detection method thereof and touch display device
US10126868B2 (en)Array substrate, method for driving the array substrate, display panel and display device
CN113808489B (en)Display panel, driving method thereof and display device
CN105301822B (en)A kind of array substrate, display panel and display device
US12026332B2 (en)Detection method, display panel, driver chip and display device
CN105159513B (en)Array substrate, self-tolerant touch-control display panel and electronic device
US10551956B2 (en)Array substrate, display panel, display device, and fabrication method thereof
US20160041642A1 (en)Touch panel and driving method thereof, display device
CN111028759A (en)Display panel and display device
US10048799B2 (en)Display panel, driving method, and display device
US9836159B2 (en)Touch display panel and method for driving the same
CN109637352B (en)Display panel and display device
EP3719621B1 (en)Touch panel, touch device, and method for manufacturing touch panel
US20170017325A1 (en)Touch display device
CN111752413B (en)Touch display panel, driving method thereof and display device
CN111610676B (en)Display panel, driving method thereof and display device
CN107704145B (en)Display panel, control method thereof and display device
CN113377273B (en)Touch display panel and touch display device
US11869405B2 (en)Display panel and display device
CN105760013A (en)Touch control panel and touch control display device
CN109375839B (en)Touch screen and display device
CN106775096B (en)Array substrate, display panel, display device and driving method
CN109521593A (en)Display panel and display device

Legal Events

DateCodeTitleDescription
PB01Publication
PB01Publication
SE01Entry into force of request for substantive examination
SE01Entry into force of request for substantive examination
GR01Patent grant
GR01Patent grant

[8]ページ先頭

©2009-2025 Movatter.jp