











版权申明Copyright notice
本专利文件披露的内容包含受版权保护的材料。该版权为版权所有人所有。版权所有人不反对任何人复制专利与商标局的官方记录和档案中所存在的该专利文件或者该专利披露。The disclosure of this patent document contains material that is subject to copyright protection. This copyright belongs to the copyright owner. The copyright owner has no objection to the reproduction by anyone of the patent document or the patent disclosure as it exists in the official records and archives of the Patent and Trademark Office.
技术领域technical field
本申请涉及硬件领域,并且更具体地,涉及一种信号处理电路、芯片、通信设备、无人机和通信模式的处理方法。The present application relates to the field of hardware, and more particularly, to a signal processing circuit, a chip, a communication device, an unmanned aerial vehicle and a method for processing a communication mode.
背景技术Background technique
随着计算机技术的发展,信号处理电路得到了广泛的应用,例如,可以应用到无人机或者智能家居中。With the development of computer technology, signal processing circuits have been widely used, for example, in drones or smart homes.
然而,在一些应用中,期望所采用的信号处理电路占用的印刷电路板(PrintedCircuit Board,PCB)空间越小越好。并且,目前信号处理电路的成本较为高昂。However, in some applications, it is desirable that the employed signal processing circuit takes up less space on a printed circuit board (Printed Circuit Board, PCB), the better. Moreover, the cost of the current signal processing circuit is relatively high.
因此,如何使得信号处理电路占用更小的PCB空间以及降低信号处理电路成本是一项亟待解决的问题。Therefore, how to make the signal processing circuit occupy a smaller PCB space and reduce the cost of the signal processing circuit is an urgent problem to be solved.
发明内容SUMMARY OF THE INVENTION
本申请实施例提供一种信号处理电路、通信设备、无人机和通信模式的处理方法,可以减少信号处理电路占用的PCB空间以及降低信号处理电路成本。Embodiments of the present application provide a signal processing circuit, a communication device, an unmanned aerial vehicle, and a processing method for a communication mode, which can reduce the PCB space occupied by the signal processing circuit and reduce the cost of the signal processing circuit.
第一方面,提供了一种信号处理电路,包括:至少两个调制解调器、信号变换电路、第一控制电路、第二控制电路和处理器;其中,所述至少两个调制解调器分时连接于所述信号变换电路;所述信号变换电路连接于射频收发器,且用于对所述射频收发器与所述调制解调器之间传输的信号进行变换;所述处理器用于利用所述第一控制电路控制所述至少两个调制解调器分时与所述信号变换电路连接;所述处理器或所述调整解调器利用所述第二控制电路控制所述射频收发器。A first aspect provides a signal processing circuit, comprising: at least two modems, a signal conversion circuit, a first control circuit, a second control circuit and a processor; wherein the at least two modems are time-divisionally connected to the a signal conversion circuit; the signal conversion circuit is connected to the radio frequency transceiver, and is used to convert the signal transmitted between the radio frequency transceiver and the modem; the processor is used to control the The at least two modems are time-divisionally connected to the signal conversion circuit; the processor or the modulation and demodulator uses the second control circuit to control the radio frequency transceiver.
第二方面,提供了一种芯片,包括根据第一方面所述的信号处理电路。In a second aspect, a chip is provided, including the signal processing circuit according to the first aspect.
第三方面,提供了一种通信设备,包括根据第一方面所述的信号处理电路。In a third aspect, a communication device is provided, including the signal processing circuit according to the first aspect.
第四方面,提供了一种无人机,包括根据第三方面所述的通信设备。In a fourth aspect, an unmanned aerial vehicle is provided, including the communication device according to the third aspect.
第五方面,提供了一种通信模式的处理方法,所述方法用于信号处理电路,所述信号处理电路包括:至少两个调制解调器、信号变换电路、第一控制电路、第二控制电路和处理器;其中,所述至少两个调制解调器中各个调制解调器适用的通信模式不同,且分时与所述信号变换电路连接;所述信号变换电路连接于射频收发器,且用于对所述射频收发器与所述调制解调器之间传输的信号进行变换;所述方法包括:从所述至少两个调制解调器中确定第一调制解调器,所述第一调制解调器对应于第一通信模式,所述第一通信模式为待采用的通信模式;所述处理器利用所述第一控制电路将所述第一调制解调器与所述信号变换电路连接;以及,所述处理器基于所述第一通信模式,利用所述第二控制电路控制所述射频收发器,或所述第一调制解调器利用所述第二控制电路控制所述射频收发器。In a fifth aspect, a method for processing a communication mode is provided, the method is used in a signal processing circuit, and the signal processing circuit includes: at least two modems, a signal conversion circuit, a first control circuit, a second control circuit, and a processing wherein each of the at least two modems has different applicable communication modes, and is connected to the signal conversion circuit in a time-sharing manner; the signal conversion circuit is connected to the radio frequency transceiver, and is used for the radio frequency transceiver transforming signals transmitted between the modems; the method includes determining a first modem from the at least two modems, the first modem corresponding to a first communication mode, the first communication mode being to be the communication mode employed; the processor connects the first modem with the signal conversion circuit using the first control circuit; and the processor uses the second control circuit based on the first communication mode A circuit controls the radio frequency transceiver, or the first modem controls the radio frequency transceiver with the second control circuit.
因此,在本申请实施例中,处理器利用第一控制电路控制至少两个调制解调器分时与信号变换电路连接,以及处理器或调制解调器利用第二控制电路控制射频收发器,可以实现至少两个调制解调器工作时分时复用信号处理电路的内部资源,具体地可以分时复用处理器、信号变换电路和用于对射频收发器进行控制的第二控制电路,由此可以减少信号处理电路中用于与外界进行通信的器件,从而可以减少信号处理电路占用的PCB空间以及降低信号处理电路成本。Therefore, in this embodiment of the present application, the processor uses the first control circuit to control at least two modems to be connected to the signal conversion circuit in time-division, and the processor or the modem uses the second control circuit to control the radio frequency transceiver, so that at least two modems can be implemented The internal resources of the signal processing circuit can be time-division multiplexed during operation, specifically, the processor, the signal conversion circuit, and the second control circuit used to control the radio frequency transceiver can be time-division multiplexed, thereby reducing the amount of time used in the signal processing circuit. A device that communicates with the outside world, thereby reducing the PCB space occupied by the signal processing circuit and reducing the cost of the signal processing circuit.
附图说明Description of drawings
为了更清楚地说明本申请实施例的技术方案,下面将对实施例或现有技术描述中所需要使用的附图作简单地介绍,显而易见地,下面描述中的附图仅仅是本申请的一些实施例,对于本领域普通技术人员来讲,在不付出创造性劳动的前提下,还可以根据这些附图获得其他的附图。In order to illustrate the technical solutions of the embodiments of the present application more clearly, the following briefly introduces the drawings that need to be used in the description of the embodiments or the prior art. Obviously, the drawings in the following description are only some of the drawings in the present application. In the embodiments, for those of ordinary skill in the art, other drawings can also be obtained according to these drawings without any creative effort.
图1是根据本申请实施例的一种无人机系统的示意性框图。FIG. 1 is a schematic block diagram of an unmanned aerial vehicle system according to an embodiment of the present application.
图2是根据本申请实施例的一种信号处理电路的示意性框图。FIG. 2 is a schematic block diagram of a signal processing circuit according to an embodiment of the present application.
图3是根据本申请实施例的另一种信号处理电路的示意性框图。FIG. 3 is a schematic block diagram of another signal processing circuit according to an embodiment of the present application.
图4是根据本申请实施例的另一种信号处理电路的示意性框图。FIG. 4 is a schematic block diagram of another signal processing circuit according to an embodiment of the present application.
图5是根据本申请实施例的一种MUX的示意性框图。FIG. 5 is a schematic block diagram of a MUX according to an embodiment of the present application.
图6是根据本申请实施例的一种DEMUX的示意性框图。FIG. 6 is a schematic block diagram of a DEMUX according to an embodiment of the present application.
图7是根据本申请实施例的另一种信号处理电路的示意性框图。FIG. 7 is a schematic block diagram of another signal processing circuit according to an embodiment of the present application.
图8是根据本申请实施例的另一种信号处理电路的示意性框图。FIG. 8 is a schematic block diagram of another signal processing circuit according to an embodiment of the present application.
图9是根据本申请实施例的通信模式切换方法的示意性流程图。FIG. 9 is a schematic flowchart of a communication mode switching method according to an embodiment of the present application.
图10是根据本申请实施例的一种通信设备的示意性框图。FIG. 10 is a schematic block diagram of a communication device according to an embodiment of the present application.
图11是根据本申请实施例的另一种通信设备的示意性框图。FIG. 11 is a schematic block diagram of another communication device according to an embodiment of the present application.
图12是根据本申请实施例的一种通信模式的处理方法的示意性流程图。FIG. 12 is a schematic flowchart of a method for processing a communication mode according to an embodiment of the present application.
具体实施方式Detailed ways
下面将结合本申请实施例中的附图,对本申请实施例中的技术方案进行描述,显然,所描述的实施例是本申请一部分实施例,而不是全部的实施例。基于本申请中的实施例,本领域普通技术人员在没有做出创造性劳动前提下所获得的所有其他实施例,都属于本申请保护的范围。The technical solutions in the embodiments of the present application will be described below with reference to the accompanying drawings in the embodiments of the present application. Obviously, the described embodiments are part of the embodiments of the present application, not all of the embodiments. Based on the embodiments in the present application, all other embodiments obtained by those of ordinary skill in the art without creative efforts shall fall within the protection scope of the present application.
除非另有说明,本申请实施例所使用的所有技术和科学术语与本申请的技术领域的技术人员通常理解的含义相同。本申请中所使用的术语只是为了描述具体的实施例的目的,不是旨在限制本申请的范围。Unless otherwise specified, all technical and scientific terms used in the embodiments of the present application have the same meaning as commonly understood by those skilled in the technical field of the present application. The terminology used in this application is for the purpose of describing specific embodiments only and is not intended to limit the scope of the application.
图1是根据本申请实施例的无人飞行系统100的示意性架构图。本实施例以旋翼飞行器为例进行说明。FIG. 1 is a schematic structural diagram of an unmanned
无人飞行系统100可以包括无人驾驶机(Unmanned Aerial Vehicle,UAV)110、载体120、显示设备130和遥控装置140。其中,UAV 110可以包括动力系统150、飞行控制系统160和机架170。UAV 110可以与遥控装置140和显示设备130进行无线通信。The unmanned
机架170可以包括机身和脚架(也称为起落架)。机身可以包括中心架以及与中心架连接的一个或多个机臂,一个或多个机臂呈辐射状从中心架延伸出。脚架与机身连接,用于在UAV 110着陆时起支撑作用。
动力系统150可以包括电子调速器(简称为电调)151、一个或多个螺旋桨153以及与一个或多个螺旋桨153相对应的一个或多个电机152,其中电机152连接在电子调速器151与螺旋桨153之间,电机152和螺旋桨153设置在对应的机臂上;电子调速器151用于接收飞行控制器160产生的驱动信号,并根据驱动信号提供驱动电流给电机152,以控制电机152的转速。电机152用于驱动螺旋桨旋转,从而为UAV 110的飞行提供动力,该动力使得UAV 110能够实现一个或多个自由度的运动。应理解,电机152可以是直流电机,也可以交流电机。另外,电机152可以是无刷电机,也可以有刷电机。The
飞行控制系统160可以包括飞行控制器161和传感系统162。传感系统162用于测量UAV的姿态信息。传感系统162例如可以包括陀螺仪、电子罗盘、IMU(惯性测量单元,Inertial Measurement Unit)、视觉传感器、GPS(全球定位系统,Global PositioningSystem)和气压计等传感器中的至少一种。飞行控制器161用于控制UAV 110的飞行,例如,可以根据传感系统162测量的姿态信息控制UAV 110的飞行。
载体120可以用来承载负载180。例如,当载体120为云台设备时,负载180可以为拍摄设备(例如,相机、摄像机等),本申请的实施例并不限于此,例如,载体也可以是用于承载武器或其它负载的承载设备。Carrier 120 may be used to carry
显示设备130位于无人飞行系统100的地面端,可以通过无线方式与UAV 110进行通信,并且可以用于显示UAV 110的姿态信息。另外,当负载123为拍摄设备时,还可以在显示设备130上显示拍摄设备拍摄的图像。应理解,显示设备130可以是独立的设备,也可以设置在遥控装置140中。The
遥控装置140位于无人飞行系统100的地面端,可以通过无线方式与UAV 110进行通信,用于对UAV 110进行远程操纵。遥控装置例如可以是遥控器或者安装有控制UAV的APP(应用程序,Application)的遥控装置,例如,智能手机、平板电脑等。本申请的实施例中,通过遥控装置接收用户的输入,可以指通过遥控器上的拔轮、按钮、按键、摇杆等输入装置或者遥控装置上的用户界面(UI)对UAV进行操控。The
无人机的遥控装置可以包括支持不同的通信模式的装置,例如,可以包括支持电气和电子工程师协会(Institute of Electrical and Electronics Engineers,IEEE)802.11通信模式的装置(例如,智能手机、平板电脑),也可以包括支持非IEEE 802.11标准的设备到设备(Device to Device,D2D)通信模式的装置(例如,遥控器),通常IEEE 802.11通信模式具有更广泛的适用性,例如可以连接任意一台智能手机,但非IEEE802.11标准的D2D通信模式,如针对无人机通信的私有通信模式,具备更好的通信性能。The remote control device of the drone may include a device that supports different communication modes, for example, may include a device that supports the Institute of Electrical and Electronics Engineers (IEEE) 802.11 communication mode (eg, smartphone, tablet computer) , and can also include devices (such as remote controllers) that support a non-IEEE 802.11 device-to-device (D2D) communication mode. Usually, the IEEE 802.11 communication mode has wider applicability, for example, it can connect any smart Mobile phones, but non-IEEE802.11 standard D2D communication modes, such as private communication modes for drone communication, have better communication performance.
其中,D2D通信模式可以是指2个或更多个通信设备(例如,无人机与遥控器等)之间通过无线射频直接通信的通信模式,其不需要通过包括接入点(Access Point,AP)或基站(Base Station,BS)等的通信基础设施。The D2D communication mode may refer to a communication mode in which two or more communication devices (for example, a drone and a remote controller, etc.) communicate directly through radio frequency, which does not need to include an access point (Access Point, Communication infrastructure such as AP) or base station (Base Station, BS).
相应地,对于无人机而言,也需要支持不同的通信模式,也即需要不同的调制解调器(MOdulateDEModulale,MODEM)。Correspondingly, for the UAV, it is also necessary to support different communication modes, that is, different modems (MOdulateDEModulale, MODEM) are required.
由于无人机对系统集成要求较高,期望用于对信号进行处理的信号处理电路占用的PCB空间越小越好,因此,本申请实施例提供了以下的方案,可以降低信号处理电路占用的PCB空间,并且可以进一步地降低信号处理电路的成本,以降低无人机的成本。Since drones have high requirements for system integration, it is expected that the PCB space occupied by the signal processing circuit used for signal processing is as small as possible. Therefore, the embodiments of the present application provide the following solutions, which can reduce the space occupied by the signal processing circuit PCB space, and can further reduce the cost of the signal processing circuit to reduce the cost of the drone.
应理解,本申请实施例并不限于用到上述提到的通过不同的通信模式对无人机进行遥控的场景,本申请实施例还可以用到其他的场景中,例如,可以用到具有多个通信模式的终端和智能家居等中。It should be understood that the embodiments of the present application are not limited to the above-mentioned scenarios in which the drone is remotely controlled through different communication modes, and the embodiments of the present application can also be applied to other scenarios. In the terminal and smart home, etc. in a communication mode.
图2是根据本申请实施例的信号处理电路200的示意性框图。FIG. 2 is a schematic block diagram of a signal processing circuit 200 according to an embodiment of the present application.
应理解,本申请实施例中的信号处理电路可以设置于芯片中,该芯片可以称为系统芯片、芯片系统、片上系统(System of Chip,SOC)或基带芯片等。It should be understood that the signal processing circuit in the embodiment of the present application may be provided in a chip, and the chip may be referred to as a system-on-chip, a system-on-chip, a system on a chip (System of Chip, SOC), or a baseband chip.
如图2所示,该信号处理电路200可以包括:至少两个调制解调器210、信号变换电路220、第一控制电路230、第二控制电路240和处理器250。As shown in FIG. 2 , the signal processing circuit 200 may include: at least two
其中,至少两个调制解调器210可以分时连接于信号变换电路220,用于对待输出的信号进行调制,以及对获取到的信号进行解调。Wherein, at least two
至少两个调制解调器210分时连接于信号变换电路220可以是指在同一时刻可以存在一个调制解调器210与信号变换电路220连接。The time-sharing connection of at least two
信号变换电路220连接于射频收发器(Radio Frequency Transceiver,RFTransceiver),且用于对射频收发器与调制解调器210之间传输的信号进行变换。The
处理器250用于利用第一控制电路230控制至少两个调制解调器210分时与信号变换电路220连接。The
处理器250或调制解调器210利用第二控制电路240控制射频收发器。具体地,可以控制射频打开或者关闭、通路增益、射频带宽和射频信道等参数,也可以通过第二控制电路240读取射频芯片内部工作状态。The
其中,信号处理电路200中的信号变换电路220可以连接于射频收发器300,射频收发器300可以独立于信号处理电路200,当然,信号处理电路200也可以包括射频收发器,本申请实施例对此不作具体限定。The
因此,在本申请实施例中,处理器250利用第一控制电路230控制至少两个调制解调器210分时与信号变换电路220连接,以及处理器250利用第二控制电路240控制射频收发器,或在其它方式中,调制解调器210利用第二控制电路240控制射频收发器,可以实现至少两个调制解调器210工作时分时复用信号处理电路200的内部资源,例如,可以分时复用处理器250、信号变换电路220和用于对射频收发器进行控制的第二控制电路240,由此可以减少信号处理电路200中用于与外界进行通信的器件,可以降低信号处理电路成本以及降低占用的PCB空间。Therefore, in this embodiment of the present application, the
另外,至少两个调制解调器210工作时分别连接相同的射频收发器,因此,可以只需要一个射频收发器,因此,具有更低的设备成本,占用更少的PCB空间。In addition, at least two
可选地,在本申请实施例中,上述的处理器250可以是通用处理器、数字信号处理器(Digital Signal Processor,DSP)、专用集成电路(Application Specific IntegratedCircuit,ASIC)、现成可编程门阵列(Field Programmable Gate Array,FPGA)或者其他可编程逻辑器件、分立门或者晶体管逻辑器件、分立硬件组件。其中,通用处理器可以是微处理器或者该处理器也可以是任何常规的处理器等。Optionally, in the embodiment of the present application, the above-mentioned
可选地,在本申请实施例中,信号处理电路200还可以包括存储器,例如,如图3、图4和图8所示,信号处理电路200可以包括存储器260。该存储器260可以存储计算机指令,处理器250可以调用该存储器260中存储的计算机指令,实现对调制解调器210与信号变换电路220之间的连接的控制,以及可以实现对射频收发器的控制。Optionally, in this embodiment of the present application, the signal processing circuit 200 may further include a memory. For example, as shown in FIG. 3 , FIG. 4 , and FIG. 8 , the signal processing circuit 200 may include a
可选地,在本申请实施例中,上述存储器260可以是易失性存储器或非易失性存储器,或可包括易失性和非易失性存储器两者。其中,非易失性存储器可以是只读存储器(Read-Only Memory,ROM)、可编程只读存储器(Programmable ROM,PROM)、可擦除可编程只读存储器(Erasable PROM,EPROM)、电可擦除可编程只读存储器(Electrically EPROM,EEPROM)或闪存。易失性存储器可以是随机存取存储器(Random Access Memory,RAM),其用作外部高速缓存。通过示例性但不是限制性说明,许多形式的RAM可用,例如静态随机存取存储器(Static RAM,SRAM)、动态随机存取存储器(Dynamic RAM,DRAM)、同步动态随机存取存储器(Synchronous DRAM,SDRAM)、双倍数据速率同步动态随机存取存储器(Double DataRate SDRAM,DDR SDRAM)、增强型同步动态随机存取存储器(Enhanced SDRAM,ESDRAM)、同步连接动态随机存取存储器(Synchlink DRAM,SLDRAM)和直接内存总线随机存取存储器(Direct Rambus RAM,DR RAM)。Optionally, in this embodiment of the present application, the above-mentioned
可选地,在本申请实施例中,信号变换电路220可以用于对调制解调器210和射频收发器之间传输的信号进行变换。Optionally, in this embodiment of the present application, the
具体地,信号变换电路220可以将调制解调器210输出的信号进行变换,以适配射频收发器,以及可以将射频收发器输出的信号进行变换,以适配调制解调器210。Specifically, the
在一种实现方式中,该信号变换电路220可以包括数模转换器(Digital toanalog converter,DAC)(例如,如图3和图4所示,DAC220a),用于对调制解调器210输出的数字信号进行数模转换,以输出给射频收发器,以及可以包括模数转换器(analog toDigital converter,ADC)(例如,如图3和图4所示,ADC220b),用于对射频收发器输出的模拟信号进行模数转换,以输出给调制解调器210。In an implementation manner, the
在一种实现方式中,在射频收发器独立于信号处理电路200(具体,可以为射频芯片物理上独立于基带芯片)时,该信号变换电路210可以包括数字射频(Digtal RadioFrequency,DigRF)电路(例如,如图8所示,DigRF 220c),该DigRF可以实现调制解调器210与射频收发器之间进行数据信号的传递,此时,射频收发器可以具有模数转换和数模转换功能,以将接收到的数字信号转换成模拟信号,输出到射频前端,或者将来自射频前端的模拟信号转换为数字信号,以输出到调制解调器210。In an implementation manner, when the radio frequency transceiver is independent of the signal processing circuit 200 (specifically, the radio frequency chip may be physically independent of the baseband chip), the
可选地,在本申请实施例中,第一控制电路230可以包括与信号变换电路220(例如,包括如图3和图4所示的DAC 220a和ADC 220b,以及例如如图8所示的DigRF 220c)连接的开关(例如,如图3、图4和图8所示的开关232a和开关232b),至少两个调制解调器210分别通过该开关与信号变换电路220分时连接;处理器250用于控制开关与至少两个调制解调器210的连接。Optionally, in this embodiment of the present application, the
其中,在信号变换电路包括ADC和DAC的情况下,开关包括第一开关和第二开关(例如,如图3和图4所示的开关232b和开关232a);其中,该至少两个调制解调器210分别通过第一开关(例如,如图3和图4所示的开关232b)与ADC分时连接;以及,该至少两个调制解调器210分别通过第二开关(例如,如图3和图4所示的开关232a)与DAC分时连接。Wherein, in the case where the signal conversion circuit includes ADC and DAC, the switch includes a first switch and a second switch (eg,
其中,该第一开关和第二开关可以由一个开关来实现,也可以由多个开关来实现。Wherein, the first switch and the second switch may be implemented by one switch, and may also be implemented by multiple switches.
可选地,本申请实施例提到的开关可以包括多路选择器(Multiplexer,MUX)和分路器(DeMultiplexer,DEMUX)。Optionally, the switches mentioned in the embodiments of the present application may include a multiplexer (Multiplexer, MUX) and a demultiplexer (DeMultiplexer, DEMUX).
例如,如图3和图4所示,在需要将ADC220b和DAC220a连通到调制解解调器210a时,可以利用开关232a(MUX)将调制解调器210a与DAC220a连通,以及利用开关232b(DEMUX)将调制解调器210a与ADC220b连通;如果在需要将ADC220b和DAC220a连通到调制解调器210b时,可以利用该开关232a(MUX)将调制解调器210b与DAC220a连通,以及利用开关232b(DEMUX)将调制解调器210b与ADC220b连通。For example, as shown in Figures 3 and 4, when it is desired to connect
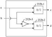
可选地,在本申请实施例中,MUX的电路实现可以如图5所示。其中,如图5所示,该MUX可以包括与门232a-1、与门232a-2、反相器232a-3以及或门232a-4。Optionally, in this embodiment of the present application, the circuit implementation of the MUX may be as shown in FIG. 5 . Wherein, as shown in FIG. 5 , the MUX may include an AND
其中,a和c分别输入的是不同通信模式的调制解调器输出到DAC的第n比特DAC信号,假设DAC的位宽为12比特,则n为0~11;b为寄存器输出的模式选择信号,指示选择的模式(也即指示选择的调制解调器);d为DAC数字模拟转换电路的数字接口,在假设DAC的位宽为12比特的情况下,n也是从0~11。当然,DAC的位宽也可以是其他数量的比特。Among them, a and c respectively input the nth bit DAC signal output to the DAC by modems of different communication modes. Assuming that the bit width of the DAC is 12 bits, n is 0 to 11; b is the mode selection signal output by the register, indicating The selected mode (that is, indicating the selected modem); d is the digital interface of the DAC digital-to-analog conversion circuit. Under the assumption that the bit width of the DAC is 12 bits, n is also from 0 to 11. Of course, the bit width of the DAC can also be other numbers of bits.
可选地,在本申请实施例中,DEMUX的电路实现可以如图6所示。其中,如图6所示,该DEMUX可以包括与门232b-1、与门232b-2以及反相器232b-3。其中,a为模拟数字转换电路的数字接口,b为模式选择信号,指示选择的模式(也即指示选择的调整解调器);c和d分别为向不同模式对应的调制解调器的输入。当然,ADC的位宽也可以是其他数量的比特。Optionally, in this embodiment of the present application, the circuit implementation of the DEMUX may be as shown in FIG. 6 . Wherein, as shown in FIG. 6 , the DEMUX may include an AND
可选地,在本申请实施例中,ADC和DAC的位宽可以不同,可以分别根据接收和发射通信性能指标来确定。Optionally, in this embodiment of the present application, the bit widths of the ADC and the DAC may be different, and may be determined according to the reception and transmission communication performance indicators, respectively.
应理解,本申请实施例提到的开关也可以不是MUX和DEMUX。It should be understood that the switches mentioned in the embodiments of the present application may not be MUX and DEMUX.
例如,对于调制解调器210a和调制解调器210b而言,可以分别对应不同的开关,在需要将ADC220b和DAC220a连接到调制解调器210a时,可以断开调制解调器210b与ADC220b和DAC220a之间的开关,以及闭合调制解调器210a与ADC220b和DAC220a之间的开关。For example, the
以及,在需要将ADC220b和DAC220a连接到调制解调器210b时,可以断开调制解调器210a与ADC220b和DAC220a之间的开关,以及闭合调制解调器210b与ADC220b和DAC220a之间的开关。Also, when it is desired to connect
可选地,在本申请实施例中,在信号变换电路210包括DigRF时,从射频收发器到调制解调器210的通路以及从调制解调器210到射频收发器的通路可以采用相同的开关。其中,在信号变化电路210包括DigRF时,射频收发器可以独立于信号处理电路200。Optionally, in this embodiment of the present application, when the
例如,如图7所示,调制解调器210a与调制解调器210b可以通过开关232c与DigRF220c分时连接。其中,图7中电路其他部分的说明可以参考针对图2的说明,为了简洁,在此不再赘述。For example, as shown in FIG. 7, the
或者,如图8所示,在信号变换电路210包括DigRF220c时,开关可以包括开关232a(可以为MUX)以及开关232b(可以为DEMUX),该开关232a或开关232b分别连接到DigRF220c处,DigRF220c可以与独立于信号处理电路200的射频收发器300连接。其中,图8中电路其他部分的说明可以参考针对图3和图4的说明,为了简洁,在此不再赘述。Alternatively, as shown in FIG. 8 , when the
应理解,在本申请实施例中,用于处理从调制解调器到射频收发器的信号的DigRF,和用于处理从射频收发器到调制解调器的信号的DigRF可以是同一DigRF,也可以是独立的DigRF。It should be understood that, in this embodiment of the present application, the DigRF for processing the signal from the modem to the radio frequency transceiver and the DigRF for processing the signal from the radio frequency transceiver to the modem may be the same DigRF, or may be independent DigRFs.
可选地,在本申请实施例中,第一控制电路210包括至少一个第一控制寄存器(Control Register)(例如,如图3、图4和图8所示的控制寄存器234a和234b)。处理器250可以通过该至少一个第一控制寄存器控制至少两个调制解调器210与信号变换电路220的分时连接。Optionally, in this embodiment of the present application, the
具体地,处理器250用于通过至少一个第一控制寄存器控制开关与至少两个调制解调器210(例如,如图3、图4和图8所示的调制解调器210a和调制解调器210b)的连接,从而实现控制该至少两个调制解调器210与信号变换电路210的分时连接。Specifically, the
例如,如图3、图4和图8所示,第一控制电路包括控制寄存器234a和控制寄存器234b,则处理器250可以利用寄存器234a控制开关232a,以及利用控制寄存器234b控制开关232b。For example, as shown in FIGS. 3, 4 and 8, the first control circuit includes a
应理解,该第一控制寄存器(例如,如图3、图4和图8所示的控制寄存器234a和234b)与处理器250可以是分别独立的器件,或者,该第一控制寄存器也可以是处理器250的一部分,本申请实施例对此不作具体限定。It should be understood that the first control register (eg, the control registers 234a and 234b shown in FIG. 3 , FIG. 4 and FIG. 8 ) and the
可选地,在本申请实施例的一种实现方式中,如图3和图8所示,射频收发器300可以独立于信号处理电路200,具体地可以理解为,射频芯片与基带芯片是独立的。Optionally, in an implementation manner of the embodiment of the present application, as shown in FIG. 3 and FIG. 8 , the
其中,在射频收发器300独立于基带芯片时,可以通过第二控制电路240控制该射频收发器300,此时,如图3和图8所示,该第二控制电路240可以是串行外设接口(SPI)240a,当然,也可以是其它的控制接口,例如,可以是移动产业处理器接口(Mobile IndustryProcessor Interface、MIPI)射频前端(Radio Frequency Front End,RFFE)接口或单线接口、本申请实施例对此不作具体限定。Wherein, when the
可选地,在射频收发器300独立于信号处理电路时,信号变换电路220可以包括DigRF,或包括ADC和DAC。Optionally, when the
其中,在射频收发器300独立于信号处理电路时,信号变换电路220(例如,如图3所示的ADC220b和DAC220a,或如图8所示的DigRF电路)与射频收发器300之间可以通过引脚电路连接。Wherein, when the
其中,射频收发器300与信号处理电路200之间的数据接口也可以是除DAC和ADC,或DigRF之外的其他接口。The data interface between the
可选地,在本申请实施例中,该射频收发器300可以与射频前端400连接,射频前端400可以对射频收发器300输出的信号进行功率放大,并通过天线输出给接收端。Optionally, in this embodiment of the present application, the
可选地,在本申请实施例的另一种实现方式中,如图4所示,信号处理电路200还包括射频收发器270。具体地,射频收发器270可以集成在信号处理电路200内,不需要外设射频芯片,信号处理电路200内部资源可以分时复用,具体地可以复用处理器、存储器、信号转换电路和射频收发器等,由此可以进一步减少信号处理电路的器件数量,降低信号处理电路成本以及减少信号处理电路占用的PCB空间。Optionally, in another implementation manner of the embodiment of the present application, as shown in FIG. 4 , the signal processing circuit 200 further includes a
可选地,如图4所示,信号处理电路200中的射频收发器270可以连接到射频前端400,射频前端400可以对射频收发器270输出的信号进行功率放大,并通过天线输出给接收端。Optionally, as shown in FIG. 4 , the
其中,在射频收发器270集成在信号处理电路300中时,该第二控制电路240可以是第二控制寄存器240b,也即,处理器250或调制解调器210可以通过该第二控制寄存器240b控制射频收发器270。Wherein, when the
应理解,在本申请实施例中,该第二控制寄存器240b可以是独立于处理器250的器件,也可以属于处理器250的一部分,本申请实施例对此不作具体限定。It should be understood that, in this embodiment of the present application, the
可选地,在射频收发器270集成在信号处理电路300中时,信号变换电路220可以包括ADC和DAC(如图4所示的ADC220b和DAC220a)。Optionally, when the
可选地,在本申请实施例中,至少两个调制解调器210可以用相同半导体工艺实现。Optionally, in this embodiment of the present application, at least two
可选地,在本申请实施例中,控制寄存器(例如,如图3、图4和图8所示的控制寄存器234a、234b和240b、处理器250、存储器260、调制解调器210均可以通过信号处理电路200内部互联总线通信。Optionally, in this embodiment of the present application, the control registers (for example, the
由于任意时刻只有一个调制解调器工作,所以信号处理电路内部的处理器和存储器可以被调制解调器对应的通信模式分时共享,不需要分别设置处理器和存储器资源。Since only one modem works at any time, the processor and memory inside the signal processing circuit can be shared by the communication mode corresponding to the modem in time-sharing, and there is no need to separately set the processor and memory resources.
其中,互联总线与总线设备(例如,处理器、存储器、调制解调器、控制寄存器和SPI等)之间的接口可以是符合高级微控制器总线架构(Advanced Microcontroller BusArchitecture,AMBA)标准或者其他标准或者私有协议的接口;总线结构可以支持纵横式交换矩阵(Crossbar)总线结构、网络体系(Network)总线结构或者其他结构。总线设备之间可以通过总线通信,例如处理器可以通过总线读写存储器、控制寄存器和SPI等。Wherein, the interface between the interconnection bus and bus devices (for example, processor, memory, modem, control register and SPI, etc.) may be in accordance with the Advanced Microcontroller Bus Architecture (AMBA) standard or other standard or proprietary protocol The bus structure can support a crossbar bus structure, a network system bus structure or other structures. The bus devices can communicate through the bus, for example, the processor can read and write memory, control registers and SPI through the bus.
应理解,图2-图8所示的信号处理电路200或开关仅是示意性图,不应对本申请实施例中的信号处理电路或开关造成特别的限定。It should be understood that the signal processing circuits 200 or switches shown in FIGS. 2-8 are only schematic diagrams, and no particular limitation should be imposed on the signal processing circuits or switches in the embodiments of the present application.
例如,虽然图2-图4、图7和图8中示出了两个调制解调器,但是本申请实施例并不限于此,本申请实施例可以用到三个或三个以上的调制解调器的场景。For example, although two modems are shown in FIG. 2 to FIG. 4 , FIG. 7 , and FIG. 8 , the embodiments of the present application are not limited thereto, and the embodiments of the present application may be used in scenarios of three or more modems.
例如,图2-图4、图7和图8所示的信号处理电路还可以包括其它的器件,例如,还可以包括信道编码器等,具体可以用于完成业务信息和控制信息的信道编码和加密,并输出给调制解调器。For example, the signal processing circuits shown in FIG. 2-FIG. 4, FIG. 7 and FIG. 8 may also include other devices, for example, may also include a channel encoder, etc., which may be specifically used to complete the channel encoding and processing of service information and control information. encrypted and output to the modem.
例如,虽然图3、图4和图8示出了两个开关,但是本申请实施例并不限于此,本申请实施例中的信号处理电路200可以包括其他数量的开关,例如,可以包括一个开关。例如,本申请实施例提到的MUX和DEMUX可以通过一个开关来实现。For example, although FIG. 3 , FIG. 4 , and FIG. 8 show two switches, the embodiments of the present application are not limited thereto, and the signal processing circuit 200 in the embodiments of the present application may include other numbers of switches, for example, may include one switch switch. For example, the MUX and DEMUX mentioned in the embodiments of the present application may be implemented by a switch.
例如,图3、图4、图7和图8中的SPI或第二控制寄存器也可以连接调制解调器,由调制解调器来控制。For example, the SPI or the second control register in Figure 3, Figure 4, Figure 7 and Figure 8 can also be connected to a modem and controlled by the modem.
可选地,在本申请实施例中,信号处理电路200包括的至少两个调制解调器210可以是不同的调制解调器。当然,也可以是相同的调制解调器,本申请实施例对此不作具体限定。Optionally, in this embodiment of the present application, the at least two
可选地,在本申请实施例中,调制解调器不同可以是调制解调器所适用的通信模式不同、所采用的调制解调方式不同或者是内部构造不同等。Optionally, in this embodiment of the present application, the different modems may be different communication modes applicable to the modems, different modulation and demodulation methods, or different internal structures, and the like.
为了更加清楚地理解本申请,以下将结合调制解调器不同可以是调制解调器所适用的通信模式不同来进行详细说明。For a clearer understanding of the present application, the following will be described in detail in conjunction with different modems, which may be different communication modes applicable to the modems.
应理解,以下的实施例通过变形可以适用于其它的场景,例如,适用于不同的调制解调器所采用的调制解调方式不同。It should be understood that the following embodiments can be applied to other scenarios through modification, for example, different modems adopt different modulation and demodulation methods.
可选地,在本申请实施例中,不同的通信模式可以理解为采用不同的通信协议(或称为通信标准)。Optionally, in this embodiment of the present application, different communication modes may be understood as adopting different communication protocols (or referred to as communication standards).
其中,该通信协议包括但不限于5G(5th Generation)通信协议、长期演进(LongTerm Evolution,LTE)通信协议、3G(3rd Generation)通信协议、IEEE802.11通信协议、非IEEE802.11的D2D通信协议等。Wherein, the communication protocol includes but is not limited to 5G (5thGeneration ) communication protocol, Long Term Evolution (LongTerm Evolution, LTE) communication protocol, 3G (3rd Generation) communication protocol, IEEE802.11 communication protocol, non-IEEE802.11 D2D communication protocol, etc.
则此时,该至少两个调制解调器则可以采用这些通信协议中不同的通信协议。At this time, the at least two modems can use different communication protocols among these communication protocols.
例如,信号处理电路200中可以包括两个调制解调器,该两个调制解调器对应的通信模式为采用IEEE802.11通信协议的通信模式以及采用D2D通信协议的通信模式。For example, the signal processing circuit 200 may include two modems, and the communication modes corresponding to the two modems are a communication mode using the IEEE802.11 communication protocol and a communication mode using the D2D communication protocol.
应理解,本申请实施例的通信协议(或通信标准)并不限于此。It should be understood that the communication protocol (or communication standard) of the embodiments of the present application is not limited to this.
例如,还可以将IEEE802.11通信协议再细分为IEEE 802.11a、IEEE802.11b、IEEE802.11g、IEEE 802.11n、IEEE 802.11ac、IEEE 802.11ax等。以及,可以将LTE通信协议细分为多个版本。则此时,不同的调制解调器可以采用更为细分的不同的通信协议或通信标准。For example, the IEEE802.11 communication protocol can also be subdivided into IEEE 802.11a, IEEE802.11b, IEEE802.11g, IEEE 802.11n, IEEE 802.11ac, IEEE 802.11ax and so on. And, the LTE communication protocol can be subdivided into multiple versions. At this time, different modems can adopt different communication protocols or communication standards which are more subdivided.
可选地,在本申请实施例中,该至少两个通信模式所需的频段为同一频段或频段差值小于第一预定值。其中,该第一预定值可以预设在存储器260中。Optionally, in this embodiment of the present application, the frequency bands required by the at least two communication modes are the same frequency band or the difference between the frequency bands is smaller than the first predetermined value. The first predetermined value may be preset in the
可选地,在本申请实施例中,至少两个通信模式下的发射功率差小于第二预定值。其中,该第二预定值可以预设在存储器260中。Optionally, in this embodiment of the present application, the difference in transmit power in at least two communication modes is less than a second predetermined value. Wherein, the second predetermined value may be preset in the
可选地,在本申请实施例中,至少两个通信模式遵守相同的国家或地区无线电管理规范。Optionally, in this embodiment of the present application, at least two communication modes comply with the same national or regional radio management specification.
例如,本申请实施例提到的通信模式可以包括非授权(License exempt)频段的IEEE 802.11(例如,802.11a/b/g/n/ac/ax)通信模式以及使用相同频段的非IEEE 802.11标准的D2D(Device to Device)通信模式。For example, the communication modes mentioned in the embodiments of this application may include IEEE 802.11 (for example, 802.11a/b/g/n/ac/ax) communication modes in an unlicensed (License exempt) frequency band and non-IEEE 802.11 standards using the same frequency band D2D (Device to Device) communication mode.
具体地,IEEE 802.11通信模式与D2D通信模式使用相同的License exempt频段,遵守相同的国家或地区无线电管理规范,对射频芯片要求接近,因此,可以用同一颗射频芯片实现,也可以通过基带芯片上集成射频电路来实现。Specifically, the IEEE 802.11 communication mode and the D2D communication mode use the same license exempt frequency band, comply with the same national or regional radio management regulations, and have similar requirements for radio frequency chips. Integrated RF circuit to achieve.
为了更加清楚地理解本申请,以下将介绍处理器210如何控制调制解调器210与信号变换电路220的分时连接。For a clearer understanding of the present application, how the
具体地,处理器250可以从至少两个调制解调器220中确定第一调制解调器210,其中,该第一调制解调器210对应于第一通信模式,且第一通信模式为待采用的通信模式;将第一调制解调器210与信号变换电路220连接;以及基于第一通信模式,利用第二控制电路240控制射频收发器,或第一调制解调器210可以利用第二控制电路240控制射频收发器。Specifically, the
可选地,在本申请实施例中,处理器250在第二通信模式下,接收遥控装置发送的第一消息,第一消息指示待采用的通信模式为第一通信模式;通过第一消息,确定待采用的通信模式为第一通信模式。Optionally, in this embodiment of the present application, in the second communication mode, the
其中,处理器250处于第二通信模式,意味着第二通信模式对应的调制解调器210是与信号变换电路220处于连通状态。The
可选地,在本申请实施例中,在确定需要从第二通信模式切换到第一通信模式时,可以在第二通信模式下,处理器250向遥控装置发送第二消息,用于指示将要从第二通信模式切换至第一通信模式。Optionally, in this embodiment of the present application, when it is determined that it is necessary to switch from the second communication mode to the first communication mode, in the second communication mode, the
可选地,在本申请实施例中,处理器250可以启动定时器,在定时器超时时,若未收到拒绝进行通信模式的切换的第三消息时,利用第一控制电路230断开信号变换电路220与第二通信模式对应的第二调制解调器210的连接,以及将信号变换电路230与第一调制解调器210连接,以用于切换通信模式。Optionally, in this embodiment of the present application, the
其中,处理器250可以在发送第二消息之后的时刻,启动该定时器。当然,本申请实施例的处理器250也可以在其它时刻启动定时器,本申请对此不作具体限定。The
可选地,在本申请实施例中,处理器250在切换通信模式之后,基于第一通信模式完成同步以及建立无线通信连接。Optionally, in this embodiment of the present application, after switching the communication mode, the
可选地,信号处理电路用于无人机中。Optionally, the signal processing circuit is used in the drone.
具体地,无人机的遥控装置可以包括支持非IEEE 802.11标准的D2D通信模式的装置,如遥控器,以及包括支持IEEE 802.11通信模式的装置,如手机等,无人机需要与两类遥控装置通信,但一般不需要与两类遥控装置同时通信,以及无人机对体积要求较高,因此,可以将本申请实施例中的信号处理电路用到无人机中,可以降低无人机中的PCB板的占用空间,以及不降低无人机的通信性能。Specifically, the remote control device of the drone may include devices that support non-IEEE 802.11 D2D communication modes, such as remote controllers, and devices that support IEEE 802.11 communication modes, such as mobile phones, etc. The drone needs to communicate with two types of remote control devices However, it is generally not necessary to communicate with two types of remote control devices at the same time, and the UAV has a high volume requirement. Therefore, the signal processing circuit in the embodiment of the present application can be used in the UAV, which can reduce the amount of time required for the UAV. The footprint of the PCB board is reduced, and the communication performance of the drone is not degraded.
为了便于理解,以下将以无人机为例,结合图9进行说明如何进行通信模式的切换。For ease of understanding, the following will take an unmanned aerial vehicle as an example to describe how to switch the communication mode in conjunction with FIG. 9 .
在510中,用户正在使用手机,通过IEEE802.11通信模式与无人机通信,此时用户通过手机端APP发出通信模式切换命令,通过当前无线链路传输到无人机。In 510, the user is using the mobile phone to communicate with the drone through the IEEE802.11 communication mode. At this time, the user sends a communication mode switching command through the mobile phone APP and transmits it to the drone through the current wireless link.
在520中,无人机解析收到的切换命令,通过当前无线链路发出切换应答。In 520, the UAV parses the received handover command and issues a handover response through the current wireless link.
在530中,用户手机端APP接收应答,手机端APP通知用户开始切换,当前IEEE802.11通信连接将关闭,此时,用户可以启动D2D遥控器,等待无人机与遥控器建立链接。In step 530, the user's mobile phone APP receives the response, and the mobile phone APP informs the user to start switching, and the current IEEE802.11 communication connection will be closed. At this time, the user can start the D2D remote controller and wait for the drone to establish a link with the remote controller.
在540中,无人机发出应答之后,可以启动一个定时器。At 540, after the drone has responded, a timer can be started.
在550中,在定时器超时的时刻,如果没有受到用户其他操作指令,则进入通信模式切换过程,关闭当前IEEE802.11通信链接,启动D2D通信模式,也即切断IEEE802.11通信模式对应的调制解调器与信号变换电路的连接,以及将D2D通信模式对应的调制解调器与信号变换电路进行连接。In step 550, when the timer expires, if there is no other operation instruction from the user, the communication mode switching process is entered, the current IEEE802.11 communication link is closed, and the D2D communication mode is activated, that is, the modem corresponding to the IEEE802.11 communication mode is cut off. The connection to the signal conversion circuit, and the connection of the modem corresponding to the D2D communication mode to the signal conversion circuit.
在560中,无人机和遥控器使用D2D通信模式,完成同步和建立无线通信链接,开始通信。In 560, the drone and the remote control use the D2D communication mode to complete synchronization and establish a wireless communication link to start communication.
可选地,在本申请实施例中,处理器还可以基于用户设置,确定待采用的通信模式为第一通信模式。Optionally, in this embodiment of the present application, the processor may further determine, based on user settings, that the communication mode to be adopted is the first communication mode.
例如,对于无人机而言,无人机上可以设置一个通信模式开关,用户在无人机使用之前,先设置好开关。无人机信号处理电路运行时,自动判断开关状态,设置相应的通信模式,也即进行相应的调制解调器与信号变换电路的连接。For example, for a drone, a communication mode switch can be set on the drone, and the user must set the switch before using the drone. When the UAV signal processing circuit is running, it automatically judges the switch state and sets the corresponding communication mode, that is, the connection between the corresponding modem and the signal conversion circuit is carried out.
本申请的实施例可以应用于各种类型的无人机(也可以称为UAV)。例如,UAV可以是小型的UAV。在某些实施例中,UAV可以是旋翼飞行器(rotorcraft),例如,由多个推动装置通过空气推动的多旋翼飞行器,本申请的实施例并不限于此,UAV也可以是其它类型的UAV或可移动装置。Embodiments of the present application may be applied to various types of unmanned aerial vehicles (which may also be referred to as UAVs). For example, the UAV may be a small UAV. In some embodiments, the UAV may be a rotorcraft, for example, a multi-rotor aircraft propelled through the air by a plurality of propulsion devices, the embodiments of the present application are not limited thereto, and the UAV may also be other types of UAV or removable device.
应理解,本申请实施例中的信号处理电路也可以用于其它机器或设备中,例如,可以用于智能家居或者手机中。It should be understood that the signal processing circuit in the embodiments of the present application may also be used in other machines or devices, for example, may be used in a smart home or a mobile phone.
本申请实施例还提供一种芯片,可以包括上述实施例中的信号处理设备200。Embodiments of the present application further provide a chip, which may include the signal processing device 200 in the above embodiments.
本申请实施例还提供一种通信设备,该通信设备可以包括上述实施例中的信号处理电路200。An embodiment of the present application further provides a communication device, and the communication device may include the signal processing circuit 200 in the foregoing embodiment.
在一种实现方式中,如图10所示,该通信设备600可以包括信号处理电路610、射频收发器620和射频前端630。其中,射频前端630与射频收发器620连接;射频收发器620与信号处理电路610连接。此时射频收发器620和射频前端630独立于信号处理电路610。In an implementation manner, as shown in FIG. 10 , the communication device 600 may include a
其中,该信号处理电路610、射频收发器620和射频前端630的具体构造和功能可以参照上文的描述,在此不再赘述。The specific structures and functions of the
如图11所示,通信设备700可以包括信号处理电路710和射频前端720。其中,信号处理电路710包括射频收发器712;射频前端720与信号处理电路710包括的射频收发器712连接。As shown in FIG. 11 , the communication device 700 may include a
其中,该信号处理电路710、射频收发器712和射频前端720的具体构造和功能可以参照上文的描述,在此不再赘述。The specific structures and functions of the
可选地,通信设备600或700还包括设置部;设置部用于设置待采用的通信模式。Optionally, the communication device 600 or 700 further includes a setting part; the setting part is used to set the communication mode to be adopted.
具体地,该设置部可以具体如上文所述的通信模式开关,在此不再赘述。Specifically, the setting part may be specifically the communication mode switch described above, which will not be repeated here.
可选地,该通信设备600或700可以对应于图1中的飞行控制器161,用于实现该飞行控制器161的功能。Optionally, the communication device 600 or 700 may correspond to the
或者,本申请实施例的通信设备也可以是终端或网络设备等,本申请实施例对此不作具体限定。Alternatively, the communication device in the embodiment of the present application may also be a terminal or a network device, etc., which is not specifically limited in the embodiment of the present application.
本申请实施例提供了一种无人机,该无人机可以包括信号处理电路200或包括该通信设备600或700。The embodiment of the present application provides an unmanned aerial vehicle, and the unmanned aerial vehicle may include the signal processing circuit 200 or the communication device 600 or 700 .
具体地,该无人机的具体结构可以如图1中的UAV 110,在此不再赘述。Specifically, the specific structure of the UAV may be the
图12是根据本申请实施例的通信模式的处理方法800的示意性流程图。该方法800可以用于信号处理电路,该信号处理电路包括:至少两个调制解调器、信号变换电路、第一控制电路、第二控制电路和处理器;其中,至少两个调制解调器中不同的调制解调器用于不同的通信模式,且分时与信号变换电路连接;信号变换电路连接于射频收发器,且用于对射频收发器与调制解调器之间传输的信号进行变换。FIG. 12 is a schematic flowchart of a
其中,该信号处理电路具体可以如图2-图4、图7和图8中的信号处理电路200,为了简洁,在此不再赘述。The signal processing circuit may specifically be the signal processing circuit 200 shown in FIG. 2 to FIG. 4 , FIG. 7 and FIG. 8 , which will not be repeated here for brevity.
该方法800包括以下内容中的至少部分内容。The
在810中,从至少两个调制解调器中确定第一调制解调器,第一调制解调器对应于第一通信模式,第一通信模式为待采用的通信模式;In 810, a first modem is determined from the at least two modems, the first modem corresponds to a first communication mode, and the first communication mode is a communication mode to be adopted;
在820中,处理器利用第一控制电路将第一调制解调器与信号变换电路连接;以及,At 820, the processor connects the first modem with the signal conversion circuit using the first control circuit; and,
在830中,处理器基于第一通信模式,利用第二控制电路控制射频收发器,或第一调制解调器利用第二控制电路控制射频收发器。At 830, the processor controls the radio frequency transceiver with the second control circuit, or the first modem controls the radio frequency transceiver with the second control circuit, based on the first communication mode.
可选地,在本申请实施例中,在第二通信模式下,处理器接收遥控装置发送的第一消息,第一消息指示待采用的通信模式为第一通信模式;通过第一消息,处理器确定待采用的通信模式为第一通信模式。Optionally, in this embodiment of the present application, in the second communication mode, the processor receives a first message sent by the remote control device, and the first message indicates that the communication mode to be adopted is the first communication mode; The controller determines that the communication mode to be adopted is the first communication mode.
可选地,在本申请实施例中,处理器在确定需要从第二通信模式切换到第一通信模式时,在第二通信模式下向遥控装置发送第二消息,用于指示将要从第二通信模式切换至第一通信模式。Optionally, in this embodiment of the present application, when it is determined that the processor needs to switch from the second communication mode to the first communication mode, the processor sends a second message to the remote control device in the second communication mode, which is used to indicate that the second communication mode is to be switched from the second communication mode to the remote control device. The communication mode is switched to the first communication mode.
可选地,在本申请实施例中,启动定时器;在定时器超时时,若未收到拒绝进行通信模式的切换的第三消息时,利用第一控制电路断开信号变换电路与第二通信模式对应的第二调制解调器的连接;在定时器超时时,若未收到拒绝进行通信模式的切换的第三消息时,将信号变换电路与第一调制解调器连接。Optionally, in this embodiment of the present application, a timer is started; when the timer times out, if the third message that refuses to switch the communication mode is not received, the first control circuit is used to disconnect the signal conversion circuit from the second. The connection of the second modem corresponding to the communication mode; when the timer expires, if the third message rejecting the switching of the communication mode is not received, the signal conversion circuit is connected to the first modem.
可选地,在本申请实施例中,在切换通信模式之后,基于第一通信模式完成同步以及建立无线通信连接。Optionally, in this embodiment of the present application, after the communication mode is switched, synchronization is completed and a wireless communication connection is established based on the first communication mode.
可选地,在本申请实施例中,基于用户设置,处理器确定待采用的通信模式为第一通信模式。Optionally, in this embodiment of the present application, based on user settings, the processor determines that the communication mode to be adopted is the first communication mode.
因此,在本申请实施例中,处理器利用第一控制电路控制至少两个调制解调器分时与信号变换电路连接,以及处理器或调制解调器利用第二控制电路控制射频收发器,可以实现至少两个调制解调器工作时分时复用信号处理电路的内部资源,例如,可以分时复用处理器、信号变换电路和用于对射频收发器进行控制的第二控制电路,由此可以减少信号处理电路中用于与外界进行通信的器件,可以降低信号处理电路成本,同时也可以使得信号处理电路占用较少的PCB空间。Therefore, in this embodiment of the present application, the processor uses the first control circuit to control at least two modems to be connected to the signal conversion circuit in time-division, and the processor or the modem uses the second control circuit to control the radio frequency transceiver, so that at least two modems can be implemented The internal resources of the signal processing circuit can be time-division multiplexed during operation. For example, the processor, the signal conversion circuit, and the second control circuit used to control the radio frequency transceiver can be time-division multiplexed, thereby reducing the amount of time used in the signal processing circuit. The device that communicates with the outside world can reduce the cost of the signal processing circuit, and at the same time, it can also make the signal processing circuit occupy less PCB space.
以上所述,仅为本申请的具体实施方式,但本申请的保护范围并不局限于此,任何熟悉本技术领域的技术人员在本申请揭露的技术范围内,可轻易想到变化或替换,都应涵盖在本申请的保护范围之内。因此,本申请的保护范围应所述以权利要求的保护范围为准。The above are only specific embodiments of the present application, but the protection scope of the present application is not limited to this. should be covered within the scope of protection of this application. Therefore, the protection scope of the present application should be based on the protection scope of the claims.
| Application Number | Priority Date | Filing Date | Title |
|---|---|---|---|
| PCT/CN2018/088875WO2019227311A1 (en) | 2018-05-29 | 2018-05-29 | Signal processing circuit and device, and method for processing communication mode |
| Publication Number | Publication Date |
|---|---|
| CN110337817A CN110337817A (en) | 2019-10-15 |
| CN110337817Btrue CN110337817B (en) | 2022-04-12 |
| Application Number | Title | Priority Date | Filing Date |
|---|---|---|---|
| CN201880012517.9AExpired - Fee RelatedCN110337817B (en) | 2018-05-29 | 2018-05-29 | Signal processing circuit and device, and processing method of communication mode |
| Country | Link |
|---|---|
| CN (1) | CN110337817B (en) |
| WO (1) | WO2019227311A1 (en) |
| Publication number | Priority date | Publication date | Assignee | Title |
|---|---|---|---|---|
| CN112394649B (en)* | 2020-11-17 | 2022-08-30 | 中国人民解放军63892部队 | Time-sharing multiplexing-based group unmanned aerial vehicle internal communication behavior control platform |
| CN114400658A (en)* | 2021-12-30 | 2022-04-26 | 深圳市恒运昌真空技术有限公司 | Radio frequency power supply and time-sharing multi-load operation control method, device and equipment thereof |
| CN119298928A (en)* | 2024-08-29 | 2025-01-10 | 上海荣耀智慧科技开发有限公司 | Communication system and electronic equipment |
| Publication number | Priority date | Publication date | Assignee | Title |
|---|---|---|---|---|
| CN101427518A (en)* | 2006-03-30 | 2009-05-06 | 英特尔公司 | Device, system and method of coordination among multiple transceivers |
| CN105515603A (en)* | 2015-11-26 | 2016-04-20 | 小米科技有限责任公司 | Wireless communication device, terminal device and wireless communication control method |
| CN107079365A (en)* | 2017-01-17 | 2017-08-18 | 深圳市大疆创新科技有限公司 | Unmanned aerial vehicle, remote controller and control method thereof |
| Publication number | Priority date | Publication date | Assignee | Title |
|---|---|---|---|---|
| KR100604543B1 (en)* | 2004-01-16 | 2006-07-24 | 주식회사 팬택 | Dual-mode terminal with mode switching circuit |
| US7809012B2 (en)* | 2007-02-16 | 2010-10-05 | Nokia Corporation | Managing low-power wireless mediums in multiradio devices |
| US7844242B2 (en)* | 2007-03-14 | 2010-11-30 | Broadcom Corporation | Wireless communication device with programmable antenna system |
| US20110249603A1 (en)* | 2009-06-16 | 2011-10-13 | Qualcomm Incorporated | Apparatus and method for multiple wireless service coexistence |
| CN106454692A (en)* | 2015-08-12 | 2017-02-22 | 卢迪 | Dual-mode wireless communication chip, dual-mode wireless communication equipment and dual-mode wireless communication method |
| Publication number | Priority date | Publication date | Assignee | Title |
|---|---|---|---|---|
| CN101427518A (en)* | 2006-03-30 | 2009-05-06 | 英特尔公司 | Device, system and method of coordination among multiple transceivers |
| CN105515603A (en)* | 2015-11-26 | 2016-04-20 | 小米科技有限责任公司 | Wireless communication device, terminal device and wireless communication control method |
| CN107079365A (en)* | 2017-01-17 | 2017-08-18 | 深圳市大疆创新科技有限公司 | Unmanned aerial vehicle, remote controller and control method thereof |
| Publication number | Publication date |
|---|---|
| CN110337817A (en) | 2019-10-15 |
| WO2019227311A1 (en) | 2019-12-05 |
| Publication | Publication Date | Title |
|---|---|---|
| CN114128359B (en) | Time slot offset determination for non-terrestrial networks | |
| US12349205B2 (en) | Mapping between PRACH preambles and PUSCH resource units for 2-step RACH | |
| US20190261320A1 (en) | Downlink reference resource selection for uplink transmissions | |
| US12101179B2 (en) | Methods for fast secondary cell activation and deactivation | |
| CN110337817B (en) | Signal processing circuit and device, and processing method of communication mode | |
| US12279247B2 (en) | Setting default physical downlink shared channel (PDSCH) beams | |
| US12238559B2 (en) | Measurement gap pattern use and management for wireless communication systems | |
| KR102482670B1 (en) | An electronic device for transmitting and receiving data in a wireless communication system and a method thereof | |
| US11843976B2 (en) | Quality of service flow to data radio bearer mapping override bit | |
| US20210135816A1 (en) | Aperiodic sounding reference signal (srs) triggering and low overhead srs transmission with antenna switching | |
| US12185187B2 (en) | Distributed resource management mode for NR positioning | |
| CN112702154B (en) | Apparatus for wireless communication | |
| US20210045149A1 (en) | Default transmission configuration indicator (tci) state determination for cross-carrier scheduling | |
| US11297480B2 (en) | Method for performing emergency call and electronic device therefor | |
| US12120545B2 (en) | Cross-layer quality of service (QoS) indication for sidelink communications | |
| WO2025167419A1 (en) | Communication method and related device | |
| CN112713977B (en) | Method for sounding reference signal transmission | |
| CN114009095B (en) | Enhanced inter-node handover signaling for conditional handover | |
| CN118382140A (en) | A communication method and related equipment | |
| CN114731578B (en) | A communication method, unmanned aerial vehicle and storage medium | |
| WO2022077494A1 (en) | Measurement interval configuration method and apparatus | |
| US20200412505A1 (en) | Methods of ue power saving for uplink transmission | |
| CN112449364A (en) | Abnormal off-line state determination method and related device | |
| CN115734213B (en) | A network upgrade method and related device | |
| WO2020190965A1 (en) | Signaling design for a user equipment operating in an unlicensed spectrum |
| Date | Code | Title | Description |
|---|---|---|---|
| PB01 | Publication | ||
| PB01 | Publication | ||
| SE01 | Entry into force of request for substantive examination | ||
| SE01 | Entry into force of request for substantive examination | ||
| GR01 | Patent grant | ||
| GR01 | Patent grant | ||
| CF01 | Termination of patent right due to non-payment of annual fee | Granted publication date:20220412 |