



技术领域technical field
本发明涉及物理储能技术领域,具体为基于双井结构热盐井的辅助增压再热式压缩空气储能系统及方法。The invention relates to the technical field of physical energy storage, in particular to an auxiliary pressurized and reheated compressed air energy storage system and method based on a double-well structure thermal salt well.
背景技术Background technique
随着社会的发展,电能的消耗量急剧增加,为了清洁环保地保证电能供应量,各种可再生能源的发展规模变得越来越大,与此同时,风电和光伏等可再生能源固有的随机性和波动性问题致使其无法大规模并网,电网的削峰填谷问题也急需解决。目前,被国内外一致看好用于解决这些难题的压缩空气储能技术,却因为其系统效率低和发电成本高两大问题难以大规模投入利用。压缩空气储能就是采用带级间冷却器的多个绝热压气机串联的压缩机机组,将电能转换成高压空气的压力能进行储能,即为压缩空气储能过程,绝热压缩空气的过程中大约有三分之一的电转化为了压缩热,该部分热能通过级间冷却转化为低品位热量;被高压储存的压缩空气在释能发电过程中,需要加热,即使采用蓄热器将压缩热储存起来加以利用,但由于其热能的品位低,不仅对提升储能系统的效率作用很小,而且由于蓄热装置和回热装置的采用使系统投资大幅提高,使储能系统无投资价值。With the development of society, the consumption of electric energy has increased sharply. In order to ensure the supply of electric energy in a clean and environmentally friendly manner, the development scale of various renewable energy sources has become larger and larger. The problems of randomness and volatility make it impossible to connect to the grid on a large scale, and the problem of peak shaving and valley filling of the power grid also needs to be solved urgently. At present, compressed air energy storage technology, which has been favored by domestic and foreign countries to solve these problems, is difficult to be put into use on a large scale due to its low system efficiency and high power generation cost. Compressed air energy storage is to use a compressor unit connected in series with multiple adiabatic compressors with interstage coolers to convert electrical energy into pressure energy of high-pressure air for energy storage, which is the process of compressed air energy storage. In the process of adiabatic compressed air About one-third of the electricity is converted into compression heat, and this part of the heat energy is converted into low-grade heat through interstage cooling; the compressed air stored at high pressure needs to be heated during the energy-releasing power generation process, even if a heat accumulator is used to convert the compression heat. However, due to the low grade of heat energy, it not only has little effect on improving the efficiency of the energy storage system, but also greatly increases the system investment due to the use of heat storage devices and heat recovery devices, making the energy storage system worthless.
发明内容SUMMARY OF THE INVENTION
针对现有技术中存在的问题,本发明提供一种基于双井结构热盐井的辅助增压再热式压缩空气储能系统及方法,消除了蓄热装置的使用,避免消耗燃料加热,降低成本和污染,节约了地面空间。In view of the problems existing in the prior art, the present invention provides an auxiliary pressurized reheating compressed air energy storage system and method based on a double-well structure thermal salt well, which eliminates the use of a heat storage device, avoids fuel consumption for heating, and reduces costs and pollution, saving floor space.
本发明是通过以下技术方案来实现:The present invention is achieved through the following technical solutions:
基于双井结构热盐井的辅助增压再热式压缩空气储能系统,包括用于连接电动机储能的递进压缩单元、用于储气的双井结构热盐井、用于连接发电机释能的膨胀单元和用于给膨胀气体加热的辅助增压再热回路;Auxiliary pressurized reheating compressed air energy storage system based on double-well structure thermal salt well, including a progressive compression unit for connecting electric motor for energy storage, a double-well structure thermal salt well for gas storage, and a generator for connecting generator to release energy expansion unit and an auxiliary booster reheat circuit for heating the expansion gas;
所述的双井结构热盐井包括两个竖井和从底部连通两个竖井的水平井;一个竖井的顶端开口作为盐井储气入口,另一个竖井的顶端开口作为盐井排气出口;The double-well structure thermal salt well comprises two vertical wells and a horizontal well connecting the two vertical wells from the bottom; the top opening of one vertical well serves as the salt well gas storage inlet, and the top opening of the other vertical well serves as the salt well exhaust gas outlet;
所述的递进压缩单元包括依次连接的两级空气压缩单元,至少一级空气压缩单元的动力输入端连接电动机的输出端;递进压缩单元的出气口连接盐井储气入口;所述的辅助增压再热回路包括以盐井排出高压空气为作用介质依次连接的换热器和增压机;换热器热侧入口连接盐井排气出口,增压机出口连接盐井储气入口形成回路;所述的膨胀单元的输入端连接盐井排气出口,膨胀单元之间通过换热器冷侧连接。The progressive compression unit includes two-stage air compression units connected in sequence, the power input end of at least one air compression unit is connected to the output end of the electric motor; the air outlet of the progressive compression unit is connected to the salt well gas storage inlet; the auxiliary The supercharging and reheating circuit includes a heat exchanger and a supercharger connected in sequence with the high-pressure air discharged from the salt well as the working medium; the hot side inlet of the heat exchanger is connected to the exhaust outlet of the salt well, and the outlet of the supercharger is connected to the gas storage inlet of the salt well to form a circuit; The input end of the expansion unit is connected to the exhaust outlet of the salt well, and the expansion units are connected through the cold side of the heat exchanger.
优选的,所述的两级空气压缩单元包括以空气为作用介质依次连接的一级空气压缩单元和二级空气压缩单元;一级空气压缩单元采用低压压缩段,二级空气压缩单元采用高压压缩段;Preferably, the two-stage air compression unit includes a first-stage air compression unit and a second-stage air compression unit connected in sequence with air as the working medium; the first-stage air compression unit adopts a low-pressure compression section, and the second-stage air compression unit adopts a high-pressure compression section. part;
所述的低压压缩段包括至少一个低压压气机和冷却器,低压压气机连接电动机输出端;当低压段压缩采用多级低压压气机时,多级低压压气机级间,以及低压压缩段和高压压缩段之间,均对应连接冷却器;The low-pressure compression section includes at least one low-pressure compressor and a cooler, and the low-pressure compressor is connected to the output end of the motor; when a multi-stage low-pressure compressor is used for compression in the low-pressure section, the multi-stage low-pressure compressor is interstage, as well as the low-pressure compression section and the high-pressure compressor. Between the compression sections, the coolers are connected correspondingly;
所述的高压压缩段采用循环压缩装置;所述的循环压缩装置包括两个底部双向连通的储气罐,储气罐内盛装有水作为传递压力介质;两个储气罐的气流入口并联连接来流气体管路,气流出口并联连接排气管路。The high-pressure compression section adopts a cycle compression device; the cycle compression device includes two gas storage tanks with two-way communication at the bottom, and the gas storage tanks are filled with water as a transmission pressure medium; the airflow inlets of the two gas storage tanks are connected in parallel Incoming gas pipeline, and the airflow outlet is connected to the exhaust pipeline in parallel.
进一步,所述的循环压缩装置中两个储气罐的规格相同,通过两个水泵所在的两条管道双向连通;两水泵所在管道中水流方向相反,两水泵交替工作;两储气罐的顶部的进气和排气管道上装有阀门。Further, the specifications of the two air storage tanks in the described circulating compression device are the same, and are connected in two directions through the two pipes where the two water pumps are located; the water flow directions in the pipes where the two water pumps are located are opposite, and the two water pumps work alternately; the tops of the two air storage tanks are Valves are installed on the intake and exhaust pipes.
进一步,循环压缩装置的两个储气罐上排气管道上的阀门受阀门两侧压差控制,当储气罐内压力大于排气管路侧的压力时自动开启,否则一直关闭。Further, the valves on the exhaust pipes on the two air storage tanks of the circulating compression device are controlled by the pressure difference on both sides of the valves. When the pressure in the air storage tanks is greater than the pressure on the exhaust pipe side, they are automatically opened, otherwise they are always closed.
优选的,所述的膨胀单元包括依次连接的高压膨胀机和多级低压膨胀机,高压膨胀机的输入端连接盐井排气口;Preferably, the expansion unit includes a high-pressure expander and a multi-stage low-pressure expander that are connected in sequence, and the input end of the high-pressure expander is connected to the exhaust port of the salt well;
高压膨胀机和低压膨胀机之间,以及相邻的低压膨胀机之间均对应连接换热器的冷侧;The cold side of the heat exchanger is correspondingly connected between the high pressure expander and the low pressure expander, as well as between the adjacent low pressure expanders;
高压膨胀机和低压膨胀机均分别连接发电机;或者高压膨胀机和低压膨胀机之间通过联轴器相连,低压膨胀机与发电机相连。Both the high-pressure expander and the low-pressure expander are respectively connected to the generator; or the high-pressure expander and the low-pressure expander are connected through a coupling, and the low-pressure expander is connected to the generator.
再进一步,从盐井排气出口引出进入换热器的气流方向与从高压膨胀机排气出口进入换热器的气流方向相反。Still further, the direction of the airflow drawn from the salt well exhaust outlet into the heat exchanger is opposite to that of the airflow from the high pressure expander exhaust outlet into the heat exchanger.
优选的,所述的竖井顶部均设置井盖和法兰密封,井壁上内嵌设置套管,竖井靠近地表段设有绝热层。Preferably, the top of the shaft is provided with a manhole cover and a flange seal, a casing is embedded in the wall of the shaft, and a heat insulating layer is provided in the section of the shaft close to the surface.
基于双井结构热盐井的辅助增压再热式压缩空气储能方法,基于上述任意一项所述的系统,包括以下步骤:An auxiliary pressurized reheating compressed air energy storage method based on a double-well structure thermal salt well, based on the system described in any one of the above, comprising the following steps:
储能阶段,气体流入递进压缩单元,通过两级空气压缩单元压缩增压;In the energy storage stage, the gas flows into the progressive compression unit, and is compressed and pressurized by the two-stage air compression unit;
储气阶段,经过增压的高压气体直接流入地下双井结构热盐井进行储存加热得到高温高压气体;In the gas storage stage, the pressurized high-pressure gas directly flows into the underground double-well structure thermal salt well for storage and heating to obtain high-temperature and high-pressure gas;
释能阶段,高温高压气体直接进入膨胀单元进行做功;与此同时,盐井中一部分气体从排气出口引出进入换热器,与经过膨胀单元的气体进行换热,换热后再通过增压机增压,从盐井储气入口回到地下热盐井中;盐井中引出用于换热的气体在换热器中的气流方向与经高压膨胀机流入换热器的气流方向相反。In the energy release stage, the high-temperature and high-pressure gas directly enters the expansion unit to perform work; at the same time, a part of the gas in the salt well is drawn from the exhaust outlet into the heat exchanger, and exchanges heat with the gas passing through the expansion unit, and then passes through the supercharger after heat exchange. Pressurization, return to the underground hot salt well from the gas storage inlet of the salt well; the gas flow direction in the heat exchanger drawn from the salt well for heat exchange is opposite to the gas flow direction that flows into the heat exchanger through the high pressure expander.
优选的,在储能阶段,Preferably, in the energy storage stage,
在低压压缩段中,气体流入低压级压气机被压缩后,流入冷却器进行冷却,每一级低压级压气机压缩后,均通过一个冷却器进行冷却;In the low-pressure compression section, after the gas flows into the low-pressure stage compressor to be compressed, it flows into the cooler for cooling. After each stage of the low-pressure stage compressor is compressed, it passes through a cooler for cooling;
在高压压缩段中,经一级空气压缩单元压缩冷却的气体流入循环压缩装置进行增压,然后气体直接进入地下热盐井;In the high pressure compression section, the gas compressed and cooled by the primary air compression unit flows into the circulating compression device for pressurization, and then the gas directly enters the underground hot salt well;
在循环压缩装置中,气体通过进气管路流入一个储气罐的同时,该储气罐中的水被压入到另一个储气罐,使得有水压入的存有的储气罐中的气体被加压,当被加压气体压力高于排气管路侧压力时,有水压入的罐中气体通过排气阀门进入排气管路,然后进出气管路连通的两个储气罐对调,完成连续压缩过程;In the circulating compression device, when the gas flows into one air storage tank through the intake pipeline, the water in the air storage tank is pressed into the other air storage tank, so that the water in the existing air storage tank is pressed into the air tank. The gas is pressurized. When the pressure of the pressurized gas is higher than the pressure on the side of the exhaust pipeline, the gas in the tank with water pressure enters the exhaust pipeline through the exhaust valve, and then the two gas storage tanks connected by the gas inlet and outlet pipelines. Swap to complete the continuous compression process;
在释能阶段,During the release stage,
高温高压气体直接进入高压膨胀机一次做功,流出高压膨胀机的气体进入换热器再热后流入低压膨胀机二次做功,多级的低压膨胀机中,除最后一级外,每一级低压膨胀机后均通过换热器再热。The high-temperature and high-pressure gas directly enters the high-pressure expander to do work once, and the gas flowing out of the high-pressure expander enters the heat exchanger for reheating and then flows into the low-pressure expander for secondary work. After the expander, it is reheated by a heat exchanger.
进一步,储能阶段中,在循环压缩装置中,通过对循环压缩装置各管路阀门调节,使循环压缩装置中实现如下过程;Further, in the energy storage stage, in the cyclic compression device, by adjusting the valves of each pipeline of the cyclic compression device, the following process is realized in the cyclic compression device;
关闭来流气体与第二储气罐之间阀门,同时关闭第二水泵和所在管道的两个阀门以及第一储气罐排气阀门,气体通过管路流入第一储气罐的同时,第一水泵将第一储气罐中水压入第二储气罐,使得第二储气罐中存有的气体被压入排气管路;随后,关闭来流气体与第一储气罐之间阀门,同时关闭第一水泵和所在管道的两个阀门以及第二储气罐排气阀门,气体通过管路流入第二储气罐的同时,第二水泵将第二储气罐中水压入第一储气罐,使得第一储气罐中存有的气体被压入排气管路,如此往复。Close the valve between the incoming gas and the second gas storage tank, close the second water pump and the two valves in the pipeline and the exhaust valve of the first gas storage tank at the same time, while the gas flows into the first gas storage tank through the pipeline, the first A water pump presses the water in the first gas storage tank into the second gas storage tank, so that the gas stored in the second gas storage tank is pressed into the exhaust pipeline; then, the connection between the incoming gas and the first gas storage tank is closed. At the same time, close the first water pump and the two valves of the pipeline and the exhaust valve of the second air storage tank. When the gas flows into the second air storage tank through the pipeline, the second water pump will pressurize the water in the second air storage tank. into the first gas storage tank, so that the gas stored in the first gas storage tank is pressed into the exhaust pipeline, and so on.
与现有技术相比,本发明具有以下有益的技术效果:Compared with the prior art, the present invention has the following beneficial technical effects:
本发明在储能阶段采用分段压缩,通过两级空气压缩单元实现对地下盐井中存储的空气进行加压;由于地下盐井深度较深,温度较高,具有加热和蓄热作用,压缩空气释能时可以不需要额外加热,直接进入膨胀机组做功。在膨胀机间,空气流出高压膨胀机后先流入换热器,利用盐井中气体的热量进行再热,再流入低压膨胀机释能做功。所选用的双井结构热盐井自身具有储气作用的同时,可对储存气体进行加热和蓄热,在辅助增压再热回路中,充分利用地下热量对膨胀气体加热,使之转化为膨胀功,提高了地热能的使用效率和储能系统效率。The invention adopts segmented compression in the energy storage stage, and realizes the pressurization of the air stored in the underground salt well through the two-stage air compression unit; because the depth of the underground salt well is deep and the temperature is high, it has the functions of heating and heat storage, and the compressed air releases When it can, it can directly enter the expansion unit to do work without additional heating. In the expander room, after the air flows out of the high pressure expander, it first flows into the heat exchanger, uses the heat of the gas in the salt well for reheating, and then flows into the low pressure expander to release energy to do work. The selected double-well structure thermal salt well itself has the function of gas storage, and at the same time, it can heat and store the stored gas. In the auxiliary pressurized reheat circuit, the underground heat is fully utilized to heat the expanding gas and convert it into expansion work. , which improves the utilization efficiency of geothermal energy and the efficiency of the energy storage system.
进一步的,在低压压缩段配有冷却器,降低进入高压段气体的温度,减少耗功;经过冷却器冷却的压缩气体流入循环压缩装置,经过循环压缩装置的气体直接储存进地下热盐井,即储存了压力能又储存了热量。气体在循环压缩装置中,经过非绝热压缩,储存进地下盐井,循环压缩装置较压气机更为省功。本发明中高压压缩段选用由水泵与两个高压储气罐组成的循环压缩装置代替传统的压缩机,用非绝热压缩过程代替损失较大的绝热压缩过程,有效降低了储能耗电量和损失量,提升了储能系统效率;整个系统未使用蓄热设备,减小了对地面空间的占用,也极大低降低了系统投资成本。使用循环压缩装置的非绝热压缩过程代替传统压气机的绝热压缩过程,从本质上改变了储能的热力过程,有助于提高系统效率。Further, a cooler is provided in the low-pressure compression section to reduce the temperature of the gas entering the high-pressure section and reduce power consumption; the compressed gas cooled by the cooler flows into the circulating compression device, and the gas passing through the circulating compression device is directly stored into the underground hot salt well, namely Stored pressure energy and stored heat. The gas is stored in the underground salt well after non-adiabatic compression in the circulating compression device. The circulating compression device is more labor-saving than the compressor. In the middle and high pressure compression section of the present invention, a circulating compression device composed of a water pump and two high pressure air storage tanks is used to replace the traditional compressor, and a non-adiabatic compression process is used instead. The adiabatic compression process with large loss effectively reduces the energy consumption and energy consumption of energy storage. The loss is improved, and the efficiency of the energy storage system is improved; the whole system does not use heat storage equipment, which reduces the occupation of the ground space and greatly reduces the system investment cost. Using the non-adiabatic compression process of the cyclic compression device to replace the adiabatic compression process of the traditional compressor essentially changes the thermodynamic process of the energy storage and helps to improve the system efficiency.
进一步的,在分段压缩的同时,采用分段膨胀,由于膨胀过程气体温度下降,做功能力降低,而分段膨胀模型可对气体分多段进行再热,不但使气体温度始终保持在较高水平,有充分做功能力,而且提高了对地下热源热量的利用。Further, while segmental compression is adopted, segmental expansion is adopted. Due to the decrease of gas temperature during the expansion process, the working capacity is reduced. The segmented expansion model can reheat the gas in multiple segments, which not only keeps the gas temperature at a high level. It has full functional ability and improves the utilization of underground heat source heat.
进一步地,本系统中膨胀气体通过辅助增压再热回路中的换热器再热,换热器中热侧流体来源于地下热盐井,保证了释能过程再热效果稳定。Further, in this system, the expanded gas is reheated by the heat exchanger in the auxiliary pressurization reheat circuit, and the hot side fluid in the heat exchanger comes from the underground hot salt well, which ensures the stable reheat effect of the energy release process.
进一步地,本发明通过井盖和法兰密封,且通过内嵌设置套管,能够耐高温高压,既储存压力能,又能吸收地下低品位热能;由于气体在地下盐井储存过程中吸热升温,气体在流出竖井之后也不必进行加热即可直接流入膨胀机组做功,显著提高了系统的效率,减小了不可逆损失。Further, the present invention is sealed by the manhole cover and the flange, and the casing is embedded, which can withstand high temperature and high pressure, not only stores pressure energy, but also absorbs underground low-grade thermal energy; After the gas flows out of the shaft, it does not need to be heated, and can directly flow into the expansion unit to do work, which significantly improves the efficiency of the system and reduces irreversible losses.
进一步地,本发明适用的双井结构热盐井可通过对竖井段参数和水平直井段参数的调整,优化储气性能和吸热性能。Further, the dual-well structure hot-salt well to which the present invention is applicable can optimize the gas storage performance and the heat absorption performance by adjusting the parameters of the vertical well section and the horizontal and vertical well section parameters.
进一步地,本发明直接利用储存的压缩空气吸收地下热量,并用该气体同时作为膨胀工质和换热工质,未引入其他物质,绿色环保,投资较低。Further, the present invention directly utilizes the stored compressed air to absorb underground heat, and uses the gas as an expansion working medium and a heat exchange working medium at the same time, without introducing other substances, which is green and environmentally friendly, and has low investment.
进一步地,本发明通过在出气竖井设置绝热层,能够更好地防止热量流失。Further, the present invention can better prevent heat loss by setting a heat insulating layer on the gas outlet shaft.
附图说明Description of drawings
图1为现有的压缩空气储能系统的结构框图。FIG. 1 is a structural block diagram of a conventional compressed air energy storage system.
图2为本发明实例中所述的基于双井结构热盐井的辅助增压再热式压缩空气储能系统示意图。FIG. 2 is a schematic diagram of the auxiliary pressurized reheating compressed air energy storage system based on the dual-well structure thermal salt well described in the example of the present invention.
图3为本发明实例中所述的双井结构热盐井示意图。FIG. 3 is a schematic diagram of the dual-well structure thermal salt well described in the example of the present invention.
图4为本发明实例中所述的循环压缩装置示意图。FIG. 4 is a schematic diagram of the cyclic compression device described in the example of the present invention.
其中:1、低压压气机;2、冷却器;3、循环压缩装置;4、低压压缩段;5、地下热盐井;6、高压膨胀机;7、换热器;8、低压膨胀机;9、增压机;10、竖井;11、水平井;12、造斜井段;13、井盖;14、法兰密封;15、套管;16、绝热层;171第一储气罐;172第二储气罐;181第一水泵;182第二水泵。Among them: 1. Low-pressure compressor; 2. Cooler; 3. Circulating compression device; 4. Low-pressure compression section; 5. Underground hot salt well; 6. High-pressure expander; 7. Heat exchanger; 8. Low-pressure expander; 9 , supercharger; 10, vertical shaft; 11, horizontal well; 12, deflecting well section; 13, manhole cover; 14, flange seal; 15, casing; 16, thermal insulation layer; 171 first gas storage tank; 172 Two gas storage tanks; 181 first water pump; 182 second water pump.
具体实施方式Detailed ways
下面结合具体的实施例对本发明做进一步的详细说明,所述是对本发明的解释而不是限定。The present invention will be further described in detail below in conjunction with specific embodiments, which are to explain rather than limit the present invention.
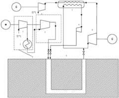
本发明基于双井结构热盐井的辅助增压再热式压缩空气储能系统,包括通过联轴器连接电动机M的压气机、水泵和若干个与发电机G连接的膨胀机;其中,低压压缩段设置有冷却器2,高压压缩段采用循环压缩装置3,循环压缩装置3的排气口与地下盐井5入口相连;;地下盐井5的出口与高压膨胀机6相连,高压膨胀机6膨胀做功一次发电;高压膨胀机6流出的气流通过换热器7再热进入低压膨胀机8膨胀做功二次发电;地下盐井5的出口同时与换热器7的热侧进气口相连,换热器7的热侧出口与增压机9进气口连接,增压机9的排气口与地下盐井5的入口相连。通过在低压压缩阶段对压缩气体冷却,降低高压压缩段的耗功;利用了盐井中的低品位热量为气体加热,有效减少了蓄热装置的设置,降低了系统热量损失和燃料消耗,减少了地面空间占用,降低了系统投资,提高了系统效率。The present invention is based on an auxiliary pressurized and reheated compressed air energy storage system based on a double-well structure thermal salt well, including a compressor connected to the motor M through a coupling, a water pump, and several expanders connected to the generator G; The section is provided with a cooler 2, the high-pressure compression section adopts a circulating compression device 3, and the exhaust port of the circulating compression device 3 is connected with the inlet of the underground salt well 5; The outlet of the
具体的,如图2所示,本发明包括低压压气机1、冷却器2、循环压缩装置3、双井结构热盐井5、高压膨胀机6、换热器7、低压膨胀机8和增压机9;Specifically, as shown in FIG. 2, the present invention includes a low-pressure compressor 1, a cooler 2, a circulating compression device 3, a double-well structure thermal salt well 5, a high-pressure expander 6, a
为了在节能、节约地面空间的同时减少系统投资,压缩部分采用离心式低压压气机1、冷却器2与循环压缩装置3进行压缩;循环压缩装置中以非绝热压缩过程代替绝热压缩过程,整个系统不设置蓄热装置;为增加压缩空气的做功能力,提高系统效率,膨胀部分采用多级膨胀级间再热,膨胀机组通常为2至3级,本文以2级为例。In order to save energy and floor space while reducing system investment, the compression part adopts centrifugal low-pressure compressor 1, cooler 2 and circulating compression device 3 for compression; in the circulating compression device, the adiabatic compression process is replaced by a non-adiabatic compression process, and the entire system No heat storage device is provided; in order to increase the working power of compressed air and improve the efficiency of the system, the expansion part adopts multi-stage expansion interstage reheating. The expansion unit is usually 2 to 3 stages. This article takes 2 stages as an example.
其中,低压压气机1通过联轴器连接电动机M;低压压气机1排气通道与冷却器2连接,冷却器2排气出口与循环压缩装置3连接,循环压缩装置3的排气通道与地下的双井结构热盐井5储气入口相连,地下的双井结构热盐井5的排气出口与高压膨胀机6相连,高压膨胀机6的排气口与换热器7冷侧入口连接,换热器7冷侧出口通过管道和低压膨胀机8的连接;双井结构热盐井5的排气出口同时与换热器7的热侧入口连接,换热器7热侧出口与增压机9气流入口连接,增压机9排气出口与地下热盐井5的储气入口连接。低压压气机1为2个及以上时,低压压气机1串联,且相邻的低压压气机1之间均设置有冷却器2;膨胀机分为依次连接的高压膨胀机6和低压膨胀机8;高压膨胀机6和低压膨胀机8形成二级膨胀做功;在膨胀机总个数大于两个时,膨胀机依次串联,形成多级膨胀做功,相邻膨胀机之间也通过辅助增压再热回路上设置的若干换热器7连接。Wherein, the low pressure compressor 1 is connected to the motor M through a coupling; the exhaust passage of the low pressure compressor 1 is connected to the cooler 2, the exhaust outlet of the cooler 2 is connected to the circulating compression device 3, and the exhaust passage of the circulating compression device 3 is connected to the underground The gas storage inlet of the double-well structure
如图3所示,双井结构热盐井由两个竖井10和一个水平井11组成,竖井10顶部均设置井盖13和法兰密封14,竖井10的井壁上内嵌设置套管15,竖井10上部靠近过地表段设置有绝热层16。水平井11位于竖井的下侧部,本优选实例中一个竖井10通过呈弧度开设的造斜井段12与水平井11一端连通,水平井11的另一端直接与另一个竖井10底部连通。井盖的密封材料需选用聚四氟乙烯或无机纤维等耐高温高压的材料。由于深度越大加热效果越好,因此,竖井的深度和水平直井段的长度直接影响系统整体性能。本发明在竖井靠近地表段设有绝热层16,减少大温差散热造成的损失。双井结构热盐井中的两个竖井10的井口其中任意一个作为盐井储气入口,另一个作为盐井排气出口。As shown in Figure 3, the double-well structure thermal salt well is composed of two vertical wells 10 and one horizontal well 11. The top of the vertical well 10 is provided with a well cover 13 and a flange seal 14, and a
所述双井结构热盐井通过双井造腔技术中的水平井+直井的形式形成。即先钻直井,然后钻一口水平井,直至与直井建槽后形成的溶腔连通,形成水平对接生产井组,直井内下入套管,两井对接连通初期,主要向水平井注淡水,以冲洗井壁和扩大溶腔,随后两井交替注淡水或淡卤水造腔,形成储气盐井,即形成如图3中的实际溶腔;The dual-well structure thermal salt well is formed in the form of a horizontal well and a vertical well in the dual-well cavity building technology. That is, a vertical well is drilled first, and then a horizontal well is drilled until it is connected with the molten cavity formed after the vertical well is built, forming a horizontally butted production well group, and the casing is run in the vertical well. To flush the well wall and expand the dissolution cavity, and then alternately inject fresh water or fresh brine into the two wells to create a cavity to form a gas storage salt well, that is, to form the actual dissolution cavity as shown in Figure 3;
现有压缩空气储能系统的储气压力一般大于3Mpa,对储气部分的气密性要求较高,本发明使用的双井结构热盐井密封性和适用压力范围均具有良好性能。由于地热对储气盐井的蓄热和加热作用,地下盐井中空气的温度也高于传统的储气矿洞中空气的温度。在地热能的吸收利用过程中,本装置直接以储存气体为工质,未引入中间介质,有效提高了能量利用率,同时,将被盐井加热后的气体用于辅助加热膨胀气体,提高了地热能利用率。整个系统未设置蓄热装置,节省地面空间的同时降低了系统投资。The gas storage pressure of the existing compressed air energy storage system is generally greater than 3Mpa, and the air tightness of the gas storage part is required to be relatively high. Due to the heat storage and heating effect of geothermal on gas storage wells, the air temperature in underground salt wells is also higher than that in traditional gas storage caves. In the process of absorbing and utilizing geothermal energy, the device directly uses the stored gas as the working fluid without introducing an intermediate medium, which effectively improves the energy utilization rate. heat utilization. The whole system is not equipped with heat storage device, which saves floor space and reduces system investment.
膨胀机分为高压和低压两级膨胀机;发电时,膨胀机均分别连接发电机,或者膨胀机之间通过联轴器相连,末级的膨胀机组与发电机相连;结合到本发明的具体实例中,高压膨胀机6和低压膨胀机8均分别连接发电机;或者高压膨胀机6和低压膨胀机8之间通过联轴器相连,低压膨胀机8与发电机相连。The expander is divided into high-pressure and low-pressure expanders; when generating electricity, the expanders are connected to generators respectively, or the expanders are connected through couplings, and the expansion unit at the last stage is connected to the generator; In an example, both the high pressure expander 6 and the low pressure expander 8 are connected to generators respectively; or the high pressure expander 6 and the low pressure expander 8 are connected through a coupling, and the low pressure expander 8 is connected to the generator.
经高压膨胀机6流入换热器7的气流方向与从双井结构热盐井5引出流入换热器7的气流方向相反。The direction of the gas flow that flows into the
如图4所示,包括水泵与储气罐的循环压缩装置中,设置两个规格相同的高压储气罐,并通过两个水泵所在的两条管道连接。As shown in Figure 4, in the circulating compression device including the water pump and the gas storage tank, two high-pressure gas storage tanks of the same specification are set and connected through the two pipes where the two water pumps are located.
两水泵所在管道位于两储气罐下侧部。The pipelines where the two water pumps are located are located at the lower sides of the two air storage tanks.
两水泵所在管道中水流方向相反,两水泵交替工作。The direction of water flow in the pipeline where the two pumps are located is opposite, and the two pumps work alternately.
两储气罐的顶部的进气和排气管道上装有阀门,且排气管道上的阀门受阀门两侧压差控制,当罐内压力大于排气管路侧压力时自动开启,否则一直关闭。Valves are installed on the intake and exhaust pipes at the top of the two gas storage tanks, and the valves on the exhaust pipes are controlled by the pressure difference on both sides of the valves. When the pressure in the tanks is greater than the pressure on the side of the exhaust pipes, they are automatically opened, otherwise they are always closed. .
本发明所述系统中的地上部分中,低压压气机1和循环压缩装置3之间通过冷却器2相连,循环压缩装置3通过管道与地下盐井5储气入口相连,地下盐井5排气出口通过管道与高压膨胀机6相连,高压膨胀机6通过换热器7连接低压膨胀机8;双井结构热盐井5的排气出口同时与换热器7的热侧入口连接,换热器7热侧出口与增压机9气流入口连接,增压机9排气出口与地下热盐井5的储气入口连接。经高压膨胀机6流入换热器7的气流方向与从双井结构热盐井5引出流入换热器7的气流方向相反。在双井结构热盐井的储气入口和排气出口设有阀门。In the above-ground part of the system of the present invention, the low-pressure compressor 1 and the circulating compression device 3 are connected through the cooler 2, the circulating compression device 3 is connected with the gas storage inlet of the underground salt well 5 through the pipeline, and the exhaust outlet of the underground salt well 5 passes through The pipeline is connected to the high pressure expander 6, and the high pressure expander 6 is connected to the low pressure expander 8 through the
基于上述的系统,本发明压缩空气储能方法,具体包括以下步骤:Based on the above-mentioned system, the compressed air energy storage method of the present invention specifically includes the following steps:
(1)储能阶段,气体流入低压级压气机1被压缩,后流入冷却器2进行冷却,再流入循环压缩装置3进行增压。在循环压缩装置中,气体通过进气管路流入一个储气罐的同时,该储气罐中的水被压入到另一个储气罐,使得有水压入的存有的储气罐中的气体被加压,当被加压气体压力高于排气管路侧压力时,有水压入的罐中气体通过出气管路压入排气管路,进行储能;然后进出气管路连通的两个储气罐对调,完成连续压缩过程储能;(1) In the energy storage stage, the gas flows into the low-pressure stage compressor 1 to be compressed, then flows into the cooler 2 for cooling, and then flows into the circulating compression device 3 for supercharging. In the circulating compression device, when the gas flows into one air storage tank through the intake pipeline, the water in the air storage tank is pressed into the other air storage tank, so that the water in the existing air storage tank is pressed into the air tank. The gas is pressurized. When the pressure of the pressurized gas is higher than the pressure on the side of the exhaust pipe, the gas in the tank that is pressed by the water is pressed into the exhaust pipe through the gas outlet pipe to store energy; then the gas inlet and outlet pipes are connected. The two gas storage tanks are swapped to complete the continuous compression process to store energy;
具体的,通过对各管路阀门调节,实现如下过程。Specifically, by adjusting the valves of each pipeline, the following process is realized.
关闭来流气体与第二储气罐172之间阀门,同时关闭第二水泵182和所在管道的两个阀门以及第一储气罐171排气阀门,气体通过管路流入第一储气罐171的同时,第一水泵181将第一储气罐171中水压入第二储气罐172,使得第二储气罐172中存有的气体被压入排气管路;随后,关闭来流气体与第一储气罐171之间阀门,同时关闭第一水泵181和所在管道的两个阀门以及第二储气罐172排气阀门,气体通过管路流入第二储气罐172的同时,第二水泵182将第二储气罐172中水压入第一储气罐171,使得第一储气罐171中存有的气体被压入排气管路,如此往复。Close the valve between the incoming gas and the second
(2)储气阶段,高压气体直接流入地下双井结构热盐井5进行储存加热。(2) In the gas storage stage, the high-pressure gas directly flows into the underground double-well structure thermal salt well 5 for storage and heating.
(3)释能阶段,高温高压气体直接进入高压膨胀机6做功;流出高压膨胀机6的气体通过换热器7再热,流入低压膨胀机8做功;与此同时,盐井5排气出口流出的一部分气体被引入换热器7的热侧进行换热,换热后的气体将增压机9增压后从盐井5的储气入口压回盐井中。(3) energy release stage, the high temperature and high pressure gas directly enters the high pressure expander 6 to do work; the gas flowing out of the high pressure expander 6 is reheated by the
与传统的压缩空气储能系统相比,本系统的优点在于:Compared with the traditional compressed air energy storage system, the advantages of this system are:
1、传统的压缩空气储能利用废弃矿洞,压力和温度均受到限制,而双井结构热盐井配有绝热套管,减少了热量损失,承压能力高,同时具有加热和蓄热特性。1. The traditional compressed air energy storage utilizes abandoned mines, and the pressure and temperature are limited, while the double-well structure thermal salt well is equipped with a thermal insulation casing, which reduces heat loss, has high pressure bearing capacity, and has heating and thermal storage characteristics at the same time.
2、本系统直接利用储存的压缩空气吸收地下热量,未引入中间换热介质,减少了储存气膨胀前的加热过程,简化了系统,提升了系统效率。2. The system directly utilizes the stored compressed air to absorb underground heat without introducing intermediate heat exchange medium, which reduces the heating process before the stored gas expands, simplifies the system, and improves system efficiency.
3、本系统中为低压膨胀气体进行的辅助加热过程使用的是换热器,充分利用了地下盐井中的地热能,未使用燃料或太阳能蓄热等,降低成本,减少了对地面空间的占用,做到了绿色环保。3. The auxiliary heating process for the low-pressure expanding gas in this system uses a heat exchanger, which makes full use of the geothermal energy in the underground salt well, does not use fuel or solar heat storage, etc., reduces costs, and reduces the occupation of ground space , to achieve green environmental protection.
4、辅助增压再热回路不仅充分利用地热能对膨胀气体进行再热,使之提高做功能力,还能单独为工业生产和生活提供绿色热源。4. The auxiliary booster reheat circuit not only makes full use of geothermal energy to reheat the expanding gas to improve its working ability, but also provides a green heat source for industrial production and life alone.
5、本系统在压缩过程使用循环压缩装置的非绝热压缩过程代替传统压缩机的绝热压缩过程,减少了压缩过程的损失,从本质上大大减少了电能转化为低品位热能。5. In the compression process, the system uses the non-adiabatic compression process of the circulating compression device to replace the adiabatic compression process of the traditional compressor, reducing the compression process. Losses are substantially reduced by converting electrical energy into low-grade thermal energy.
6、在发电阶段,本系统可通过调节高低压膨胀机的压比,从而调节末级膨胀机的出气温度,排气可用于制冷、制热等多种用途,避免了能源的浪费。6. In the power generation stage, the system can adjust the pressure ratio of the high and low pressure expanders to adjust the outlet temperature of the final stage expander, and the exhaust gas can be used for various purposes such as cooling and heating, avoiding the waste of energy.
7、本发明系统有效利用了盐井空间及地下低品位热能,循环效率高,经济性好,绿色无污染。7. The system of the present invention effectively utilizes the salt well space and underground low-grade thermal energy, has high circulation efficiency, good economy, and is green and pollution-free.
我国盐井资源丰富,但是使用率却极低。而地下盐井具有建设成本低、占地面积小、技术成熟、密封性好、储气压力高、安全稳定以及足够深度具有自加热性的优点,无论是储气还是用于地热能利用,可以很好地满足技术需求。my country is rich in salt well resources, but the utilization rate is extremely low. The underground salt well has the advantages of low construction cost, small footprint, mature technology, good sealing, high gas storage pressure, safety and stability, and sufficient depth and self-heating. Whether it is gas storage or geothermal energy utilization, it can be very meet technical needs well.
本发明解决了传统压缩空气储能系统中储气容器成本高、蓄热装置成本高且占地面积大、释能发电过程中需要消耗燃料加热的问题,同时提供了一种绿色简便的储气、储热、地热利用和高效释能为一体的压缩空气储能新系统,能够在储气储热的同时利用地热对储存气体进行加热,在释能的同时利用地热对膨胀气体再热。如图2和图3所示的本发明系统,对比如图1所示的现有压缩空气储能系统,本发明系统减少了加热系统数量,完全消除了蓄热系统的使用。The invention solves the problems of the high cost of the gas storage container, the high cost of the heat storage device and the large area of the traditional compressed air energy storage system, and the need to consume fuel for heating in the process of energy release and power generation, and at the same time provides a green and simple gas storage. It is a new compressed air energy storage system integrating heat storage, geothermal utilization and high-efficiency energy release. Compared with the existing compressed air energy storage system shown in Figure 1, the system of the present invention as shown in Figures 2 and 3 reduces the number of heating systems and completely eliminates the use of a heat storage system.
本系统的压缩部分可灵活地选用压气机与冷却器构成的组合进行压缩或循环压缩装置进行压缩,膨胀部分采用多级膨胀,并在膨胀阶段设置了辅助增压再热回路用于膨胀气体再热。若高压压缩段为压气机压缩,高压压气机压缩后的气体,无需设置冷却装置,气体直接进入地下盐井进行储存,盐井既储存了压缩空气压力能,又储存了部分压缩热,吸收利用了地下热能。若压缩过程选用了循环压缩装置,则气体进行非绝热压缩,减少了系统耗功。由于地下盐井的加热、蓄热作用,压缩空气释能时可以不需要额外加热,直接进入膨胀机组做功。在膨胀机组级间,空气流出高压膨胀机后流入换热器,充分利用盐井中的热量对气体进行再热,之后流入低压膨胀机组释能发电。辅助增压再热回路不仅充分利用地热能对膨胀气体进行再热,使之提高做功能力,还能单独为工业生产和生活提供绿色热源。The compression part of this system can flexibly choose a combination of a compressor and a cooler for compression or a circulating compression device for compression. hot. If the high-pressure compression section is compressed by a compressor, the gas compressed by the high-pressure compressor does not need to be equipped with a cooling device, and the gas directly enters the underground salt well for storage. thermal energy. If a cyclic compression device is selected in the compression process, the gas is compressed non-adiabatic, reducing the power consumption of the system. Due to the heating and heat storage effect of the underground salt well, the compressed air can directly enter the expansion unit to do work without additional heating when releasing energy. Between the expansion unit stages, the air flows out of the high-pressure expander and flows into the heat exchanger, making full use of the heat in the salt well to reheat the gas, and then flows into the low-pressure expander to release energy to generate electricity. The auxiliary booster reheat circuit not only makes full use of geothermal energy to reheat the expanded gas to improve its working ability, but also provides a green heat source for industrial production and life alone.
本发明从改变现有的压缩过程和高压空气膨胀发电过程入手,尽可能使压缩过程中的空气的发热量减少,即不可逆损失尽可能少,同样,减少高压空气释能发电过程中的不可逆损失,直接利用地下盐井进行储热、加热以及再热,不仅有效减小了系统热量耗散,提高了系统效率,而且消除了蓄热装置的使用,降低了投资成本和发电成本。同时,本发明可使用循环压缩装置的非绝热压缩过程代替传统压气机的绝热压缩过程,从本质上改变了储能的热力过程,有助于提高系统效率。解决了压缩空气储能过程中的发热问题和释能过程中的加热问题。The invention starts from changing the existing compression process and the high-pressure air expansion power generation process, so as to reduce the calorific value of the air in the compression process as much as possible, that is, the irreversible loss is as small as possible, and similarly, the irreversible loss in the high-pressure air energy release power generation process is reduced. , directly using underground salt wells for heat storage, heating and reheating, which not only effectively reduces the heat dissipation of the system and improves the system efficiency, but also eliminates the use of heat storage devices and reduces investment costs and power generation costs. At the same time, the present invention can use the non-adiabatic compression process of the cyclic compression device to replace the adiabatic compression process of the traditional compressor, which essentially changes the thermal process of energy storage and helps to improve the system efficiency. It solves the heating problem in the process of compressed air energy storage and the heating problem in the process of energy release.
| Application Number | Priority Date | Filing Date | Title |
|---|---|---|---|
| CN201910424279.9ACN110259662B (en) | 2019-05-21 | 2019-05-21 | Auxiliary pressurized reheating compressed air energy storage system and method based on double-well structure thermal salt well |
| Application Number | Priority Date | Filing Date | Title |
|---|---|---|---|
| CN201910424279.9ACN110259662B (en) | 2019-05-21 | 2019-05-21 | Auxiliary pressurized reheating compressed air energy storage system and method based on double-well structure thermal salt well |
| Publication Number | Publication Date |
|---|---|
| CN110259662A CN110259662A (en) | 2019-09-20 |
| CN110259662Btrue CN110259662B (en) | 2020-06-19 |
| Application Number | Title | Priority Date | Filing Date |
|---|---|---|---|
| CN201910424279.9AActiveCN110259662B (en) | 2019-05-21 | 2019-05-21 | Auxiliary pressurized reheating compressed air energy storage system and method based on double-well structure thermal salt well |
| Country | Link |
|---|---|
| CN (1) | CN110259662B (en) |
| Publication number | Priority date | Publication date | Assignee | Title |
|---|---|---|---|---|
| CN110700999A (en)* | 2019-11-14 | 2020-01-17 | 西安热工研究院有限公司 | Cold reheating type heat exchanger of offshore wind power station and operation method |
| CN111236904B (en)* | 2020-01-19 | 2021-03-23 | 中国地质科学院勘探技术研究所 | Geothermal exploitation method for double horizontal wells in butt joint communication to extract heat by water separation |
| CN112855265B (en)* | 2020-12-30 | 2021-12-28 | 西安交通大学 | Combined system and method for water-soluble cavity making and energy storage |
| CN112922806B (en)* | 2021-01-19 | 2022-09-13 | 深圳米字科技发展有限公司 | Hydrogen and natural gas separation system and method and gas pressure transmission device |
| CN113338890A (en)* | 2021-06-19 | 2021-09-03 | 张铭泰 | Rock salt cavity energy storage and release device and operation method |
| CN114151313B (en)* | 2021-12-02 | 2023-10-13 | 西安热工研究院有限公司 | Gas generator set coupled compressed air energy storage system and its operation method |
| CN114157040B (en)* | 2021-12-02 | 2025-08-05 | 西安热工研究院有限公司 | A combustion-type dual-well hydraulic compressed air energy storage system and its operation method |
| CN114278535B (en)* | 2021-12-23 | 2024-07-23 | 中国科学院工程热物理研究所 | Compressed air energy storage and salt cavern coupling system and utilization method |
| CN114754519B (en)* | 2022-03-21 | 2023-03-14 | 西安交通大学 | Pumped compressed air energy storage system and method for storing energy and heat by using geothermal well |
| CN114704456A (en)* | 2022-03-31 | 2022-07-05 | 西安交通大学 | A multi-source heat storage compressed air energy storage system coupled with electric heat storage |
| CN114856744B (en)* | 2022-05-12 | 2023-05-12 | 西安交通大学 | Energy storage system and method for transcritical carbon dioxide based on oil-gas well |
| CN115289393B (en)* | 2022-07-24 | 2023-12-26 | 中国电建集团华东勘测设计研究院有限公司 | Geothermal energy compression carbon dioxide energy storage system and method based on medium-deep dry-hot rock |
| CN115370957A (en)* | 2022-08-16 | 2022-11-22 | 西安热工研究院有限公司 | Double-tank hydraulic blast furnace gas compression system and operation method |
| CN115405495B (en)* | 2022-08-29 | 2023-10-24 | 西安交通大学 | Cold-electricity-hydrogen cogeneration system of compressed air energy storage coupling heat pump and operation method |
| CN116221616A (en)* | 2022-11-29 | 2023-06-06 | 百穰新能源科技(深圳)有限公司 | Gas-liquid phase change carbon dioxide energy storage system and energy storage system control method |
| CN116006149A (en)* | 2023-01-05 | 2023-04-25 | 中国科学院工程热物理研究所 | A compressed air energy storage system that takes into account both brine mining and power generation and a method for discriminating brine mining |
| CN116146462A (en)* | 2023-01-09 | 2023-05-23 | 中国长江三峡集团有限公司 | Compressed air energy storage system and control method thereof |
| CN116104729A (en)* | 2023-01-19 | 2023-05-12 | 重庆大学 | A salt cavern compressed hydrogen energy storage and brine recovery thermal coupling system and method |
| CN116357552A (en)* | 2023-04-12 | 2023-06-30 | 重庆大学 | Constant pressure compressed gas energy storage method, system and related equipment |
| CN119373567A (en)* | 2024-10-18 | 2025-01-28 | 哈尔滨工业大学 | A hydraulic compressed air hybrid energy storage power generation system and operation method thereof |
| Publication number | Priority date | Publication date | Assignee | Title |
|---|---|---|---|---|
| CN102661175A (en)* | 2012-05-17 | 2012-09-12 | 西安交通大学 | Compressed air energy storage system |
| CN106499612A (en)* | 2016-12-01 | 2017-03-15 | 西安交通大学 | Compressed air double-energy storage system without external heat source |
| CN106567748A (en)* | 2016-11-02 | 2017-04-19 | 西安交通大学 | Nonadiabatic gas expansion compressed air energy storage system |
| CN107461603A (en)* | 2017-09-21 | 2017-12-12 | 西安交通大学 | The hot dry rock reheating compressed-air energy-storage system of gas storage heat accumulation one |
| CN108571415A (en)* | 2018-04-03 | 2018-09-25 | 西安交通大学 | A kind of high pressure thermal insulation gas storage water pumping compressed air energy-storage |
| Publication number | Priority date | Publication date | Assignee | Title |
|---|---|---|---|---|
| EP3384143B1 (en)* | 2015-12-03 | 2022-09-07 | Cheesecake Energy Ltd. | Energy storage system |
| Publication number | Priority date | Publication date | Assignee | Title |
|---|---|---|---|---|
| CN102661175A (en)* | 2012-05-17 | 2012-09-12 | 西安交通大学 | Compressed air energy storage system |
| CN106567748A (en)* | 2016-11-02 | 2017-04-19 | 西安交通大学 | Nonadiabatic gas expansion compressed air energy storage system |
| CN106499612A (en)* | 2016-12-01 | 2017-03-15 | 西安交通大学 | Compressed air double-energy storage system without external heat source |
| CN107461603A (en)* | 2017-09-21 | 2017-12-12 | 西安交通大学 | The hot dry rock reheating compressed-air energy-storage system of gas storage heat accumulation one |
| CN108571415A (en)* | 2018-04-03 | 2018-09-25 | 西安交通大学 | A kind of high pressure thermal insulation gas storage water pumping compressed air energy-storage |
| Publication number | Publication date |
|---|---|
| CN110259662A (en) | 2019-09-20 |
| Publication | Publication Date | Title |
|---|---|---|
| CN110259662B (en) | Auxiliary pressurized reheating compressed air energy storage system and method based on double-well structure thermal salt well | |
| CN107461603B (en) | Hot dry rock reheating compressed air energy storage system with integrated gas storage and heat storage | |
| CN109973362B (en) | Combined type compressed air energy storage system and method based on double-well structure hot salt well | |
| CN108533476B (en) | Heat pump supercritical air energy storage system | |
| CN106677848B (en) | A kind of joint energy-storage system and method using air and water as energy storage working medium | |
| CN113006889B (en) | Adiabatic near-isothermal compressed air energy storage system and operation method thereof | |
| CN112096470B (en) | Liquid compressed air energy storage peak regulation system and method coupled with heating system | |
| CN106567748B (en) | The compressed-air energy-storage system of nonadiabatic gas expansion | |
| CN114135349B (en) | Thermal power plant waste heat recycling method and energy storage power generation system coupled with thermal power plant | |
| CN108953121B (en) | Self-back pressure constant pressure compressed air energy storage system and method | |
| CN108930627A (en) | A kind of level pressure is drawn water compressed gas energy-storage system and energy storage method | |
| CN114704456A (en) | A multi-source heat storage compressed air energy storage system coupled with electric heat storage | |
| CN105370408A (en) | Novel heat accumulating type compressed air energy storage system | |
| CN205422944U (en) | Heat accumulation formula compressed air energy storage system | |
| CN105697066A (en) | Low-temperature liquid air energy storage system | |
| CN108640082A (en) | A kind of device and method using metal hydride step recovery waste heat | |
| CN109506289A (en) | The enhanced earth source heat pump joint energy supplying system of solar energy-and its operation method | |
| CN105736056A (en) | Liquid air energy storage system | |
| CN220227139U (en) | Constant-pressure air supply system for compressed air energy storage power generation system | |
| CN114278535A (en) | A compressed air energy storage and salt cave coupling system and utilization method | |
| CN108757056A (en) | A kind of natural gas pressure difference driving electricity generation system | |
| CN203420754U (en) | Energy storage system of compressed gas with carbon dioxide as working medium | |
| CN116696725A (en) | Constant pressure air supply system for compressed air energy storage power generation system and its operation method | |
| CN205805631U (en) | A kind of enclosed low temperature compressed air energy-storage system | |
| CN205225461U (en) | Low-temperature liquid air energy storage system |
| Date | Code | Title | Description |
|---|---|---|---|
| PB01 | Publication | ||
| PB01 | Publication | ||
| SE01 | Entry into force of request for substantive examination | ||
| SE01 | Entry into force of request for substantive examination | ||
| GR01 | Patent grant | ||
| GR01 | Patent grant |