Movatterモバイル変換


[0]ホーム

URL:


CN109618478B - Single live wire switch system - Google Patents

Single live wire switch system
Download PDF

Info

Publication number
CN109618478B
CN109618478BCN201910020872.7ACN201910020872ACN109618478BCN 109618478 BCN109618478 BCN 109618478BCN 201910020872 ACN201910020872 ACN 201910020872ACN 109618478 BCN109618478 BCN 109618478B
Authority
CN
China
Prior art keywords
load
control module
switch
power
relay
Prior art date
Legal status (The legal status is an assumption and is not a legal conclusion. Google has not performed a legal analysis and makes no representation as to the accuracy of the status listed.)
Active
Application number
CN201910020872.7A
Other languages
Chinese (zh)
Other versions
CN109618478A (en
Inventor
李阳平
龙海岸
刘红根
李计权
余孟
秦万军
Current Assignee (The listed assignees may be inaccurate. Google has not performed a legal analysis and makes no representation or warranty as to the accuracy of the list.)
Gongniu Group Co Ltd
Original Assignee
Bull Group Co Ltd
Priority date (The priority date is an assumption and is not a legal conclusion. Google has not performed a legal analysis and makes no representation as to the accuracy of the date listed.)
Filing date
Publication date
Application filed by Bull Group Co LtdfiledCriticalBull Group Co Ltd
Publication of CN109618478ApublicationCriticalpatent/CN109618478A/en
Application grantedgrantedCritical
Publication of CN109618478BpublicationCriticalpatent/CN109618478B/en
Activelegal-statusCriticalCurrent
Anticipated expirationlegal-statusCritical

Links

Images

Classifications

Landscapes

Abstract

The invention is suitable for the field of single live wire switches, and provides a single live wire switch system, which comprises: the power supply circuit comprises a power supply circuit electrically connected with an input live wire, a control module electrically connected with the power supply circuit, a temperature detection circuit electrically connected with the control module, and a switch adjusting module respectively connected with the power supply circuit and the control module, wherein the switch adjusting module is connected with a load and used for adjusting the power of the load; when the temperature detection circuit detects that the internal temperature of the switch exceeds a threshold value, the control module controls the switch adjusting module to gradually reduce the power of the load. When the single-live-wire switch system provided by the invention detects that the internal temperature of the switch exceeds the threshold value, the control module controls the switch regulating module to gradually reduce the power of the load, so that the single-live-wire switch system is ensured to stably work when being applied to large load, the capacity of the single-live-wire switch system for controlling the large load is improved, and the adaptation range of the single-live-wire switch system is further improved.

Description

Single live wire switch system
Technical Field
The invention belongs to the technical field of single live wire switches, and particularly relates to a single live wire switch system.
Background
In the traditional household electricity environment, based on the consideration of safety and cost, the control mode of the mechanical switch is that only one live wire is led to the position of the switch, and the lamp is controlled by switching on/off the live wire through the switch. With the continuous development of the prior art, the promotion of people for enjoying life and the universal application of intelligent household products, the intelligent control of the lamp becomes an essential part. The single-live-wire intelligent switch product is produced under the market demand, can realize intelligent switching, does not need to change the wiring environment of household power consumption, and can completely replace the traditional mechanical switch.
Among the prior art, when a plurality of loads of single live wire on-off control, when a plurality of loads simultaneous workings, because the capacity is big, single live wire switch generates heat seriously, easily leads to single live wire switch internal temperature higher, and when single live wire switch temperature exceeded the threshold value, just difficult stable work. Therefore, the existing single-live-wire switch has poor working stability when being applied to large load capacity, and is difficult to be applied to control of the large load capacity.
Disclosure of Invention
The invention provides a single live wire switch system, and aims to solve the problems that a single live wire switch in the prior art is poor in working stability when being applied to large load capacity and is difficult to be applied to large load capacity control.
The invention is thus achieved, a single live wire switching system comprising: the power supply circuit comprises a power supply circuit electrically connected with an input live wire, a control module electrically connected with the power supply circuit, a temperature detection circuit electrically connected with the control module, and a switch adjusting module respectively connected with the power supply circuit and the control module, wherein the switch adjusting module is connected with a load and used for adjusting the power of the load;
the switch adjusting module comprises at least two controllable silicon, and each controllable silicon is electrically connected with one path of load and the control module respectively; when the temperature detection circuit detects that the internal temperature of the switch exceeds a threshold value, the control module controls the silicon controlled rectifiers one by one to gradually reduce the conduction angles of the silicon controlled rectifiers so as to gradually reduce the power of the load; or
The switch adjusting module comprises at least two relays, and each relay is electrically connected with one path of load and the control module respectively; when the temperature detection circuit detects that the internal temperature of the switch exceeds a threshold value, the control module controls the relay to be closed one by one so as to gradually reduce the power of the load.
Preferably, the power taking circuit comprises an off-state flyback power taking circuit, an on-state power taking circuit and a voltage stabilizing circuit;
the off-state flyback power-taking circuit is connected with the input live wire, the on-state power-taking circuit is connected with the switch adjusting module, and the off-state flyback power-taking circuit and the on-state power-taking circuit are connected with the control module through the voltage stabilizing circuit.
Preferably, the single live wire switch system further comprises a first protection circuit and a second protection circuit, the power taking circuit is connected with the input live wire through the first protection circuit, and the switch adjusting module is electrically connected with the load through the second protection circuit.
Preferably, the load comprises a first load and a second load, the switching regulation module comprises a first thyristor and a second thyristor, the first thyristor is electrically connected with the first load and the control module respectively, and the second thyristor is electrically connected with the second load and the control module respectively;
when the temperature detection circuit detects that the temperature inside the switch exceeds a threshold value, the control module controls the conduction angle of the first silicon controlled rectifier to be reduced to a first preset value; when the temperature detection circuit detects that the internal temperature of the switch exceeds a threshold value after a preset time interval, the control module controls the conduction angle of the first silicon controlled rectifier to be reduced to a second preset value;
when the temperature detection circuit detects that the internal temperature of the switch exceeds a threshold value after a preset time interval, and the conduction angle of the first silicon controlled rectifier is reduced to zero, the control module controls the conduction angle of the second silicon controlled rectifier to be reduced to a first preset value; when the temperature detection circuit detects that the internal temperature of the switch exceeds a threshold value after a preset time interval, the control module controls the conduction angle of the second silicon controlled rectifier to be reduced to a second preset value.
Preferably, the load further comprises a third load, the switching regulation module further comprises a third thyristor, and the third thyristor is respectively connected with the third load and the control module;
when the temperature detection circuit detects that the internal temperature of the switch exceeds a threshold value and the conduction angles of the first silicon controlled rectifier and the second silicon controlled rectifier are reduced to zero, the control module controls the conduction angle of the third silicon controlled rectifier to be reduced to a first preset value; when the temperature detection circuit detects that the internal temperature of the switch exceeds a threshold value after a preset time interval, the control module controls the conduction angle of the third silicon controlled rectifier to be reduced to a second preset value.
Preferably, the load includes a first load and a second load, the switching regulation module includes a first relay and a second relay, the first relay is respectively connected with the first load and the control module, and the second relay is respectively electrically connected with the second load and the control module;
when the temperature detection circuit detects that the internal temperature of the switch exceeds a threshold value, the control module controls the first relay to be closed; when the temperature detection circuit detects that the internal temperature of the switch exceeds a threshold value after a preset time interval and the first relay is closed, the control module controls the second relay to be closed.
Preferably, the load further includes a third load, and the switching regulation module further includes a third relay, and the third relay is electrically connected to the third load and the control module, respectively;
when the temperature detection circuit detects that the internal temperature of the switch exceeds a threshold value and the first relay and the second relay are closed, the control module controls the third relay to be closed.
According to the single-live-wire switching system, the temperature detection circuit is arranged, when the temperature detection circuit detects that the internal temperature of the switch exceeds the threshold value, the control module controls the switch adjusting module to gradually reduce the power of the load, the temperature of the switching system is reduced, the whole switching system still normally operates, and the single-live-wire switching system is guaranteed to stably work when being applied to large load capacity, so that the single-live-wire switching system can be suitable for controlling the large load capacity; moreover, the switch adjusting module gradually reduces the power of the load, so that the power of the load can be accurately adjusted, and the single live wire switch ensures that the load capacity of the switch is the maximum value on the premise that the single live wire switch does not exceed the temperature threshold, thereby improving the capacity of controlling the large load capacity of the single live wire switch system and improving the adaptation range of the single live wire switch system.
Drawings
Fig. 1 is a schematic circuit diagram of a single-fire-wire switch system according to an embodiment of the present invention;
fig. 2 is a schematic circuit diagram of a single-fire-wire switch system according to a second embodiment of the present invention;
fig. 3 is a schematic circuit diagram of a single-fire-wire switch system according to a third embodiment of the present invention;
fig. 4 is a schematic circuit diagram of a single-fire-wire switching system according to a third embodiment of the present invention;
fig. 5 is a schematic structural diagram of a second temperature detection circuit in a single-live-wire switch system according to a third embodiment of the present invention;
fig. 6 is a schematic structural diagram of a third temperature detection circuit in a single-live-wire switch system according to a third embodiment of the present invention.
Detailed Description
In order to make the objects, technical solutions and advantages of the present invention more apparent, the present invention is described in further detail below with reference to the accompanying drawings and embodiments. It should be understood that the specific embodiments described herein are merely illustrative of the invention and are not intended to limit the invention.
According to the single-live-wire switching system, the temperature detection circuit is arranged, when the temperature detection circuit detects that the internal temperature of the switch exceeds the threshold value, the control module controls the switch adjusting module to gradually reduce the power of the load, the temperature of the switching system is reduced, the whole switching system still normally operates, and the single-live-wire switching system is guaranteed to stably work when being applied to large load capacity, so that the single-live-wire switching system can be suitable for controlling the large load capacity; moreover, because the switch adjusting module gradually reduces the power of the load, the power of the load can be accurately adjusted, and the load capacity of the switch is ensured to be the maximum value on the premise that the single live wire switch does not exceed the temperature threshold value, so that the capacity of controlling the large load capacity of the single live wire switch system is improved, the load capacity of the single live wire switch system can be effectively increased, and the adaptation range of the single live wire switch system is improved.
Example one
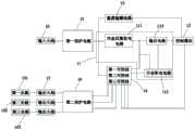
Referring to fig. 1, the single live wire switching system includes a power-taking circuit 11 electrically connected to an inputlive wire 10, acontrol module 12 electrically connected to the power-taking circuit 11, atemperature detection circuit 13 electrically connected to thecontrol module 12, and aswitching adjustment module 14 respectively connected to the power-taking circuit 11 and thecontrol module 12, wherein theswitching adjustment module 14 is connected to aload 100 and is configured to adjust a power of theload 100; when thetemperature detection circuit 13 detects that the internal temperature of the switch exceeds the threshold, thecontrol module 12 controls theswitching regulation module 14 to gradually reduce the power of theload 100.
In the embodiment of the present invention, the power-taking circuit 11 includes an off-state flyback power-taking circuit 111, an on-state power-taking circuit 112, and a voltage-stabilizingcircuit 113; the off-stateflyback power circuit 111 is connected to the inputlive line 10, the on-state power circuit 112 is connected to theswitching regulator module 14, and the off-stateflyback power circuit 111 and the on-state power circuit 112 are connected to thecontrol module 12 through thevoltage regulator circuit 113.
In the embodiment of the present invention, the single live wire switch system further includes afirst protection circuit 15 and asecond protection circuit 16, the power takingcircuit 11 is connected to the inputlive wire 10 through thefirst protection circuit 15, and specifically, the off-state flyback power takingcircuit 111 is connected to the inputlive wire 10 through thefirst protection circuit 15. Theswitching regulator module 14 is electrically connected to theload 100 through thesecond protection circuit 16. Wherein thesecond protection circuit 16 is connected to theload 100 via the outputhot conductor 17. Thefirst protection circuit 15 and thesecond protection circuit 16 are both slow-breaking fuses, and when the current on the input live wire exceeds the threshold value of the first protection circuit, the fuses of thefirst protection circuit 15 are burnt and disconnected, so that a rear-section circuit is protected, and the safety of the single live wire switch system is improved. When the current on the input and output live wires exceeds the threshold value, the fuse tube of thesecond protection circuit 16 will be burnt and disconnected, thereby protecting the load and further improving the safety of the single live wire switch system.
Thetemperature detection circuit 13 detects the temperature inside the switch in real time, when the temperature inside the switch is detected to exceed a threshold value, thetemperature detection circuit 13 sends a signal to thecontrol module 12, thecontrol module 12 receives the signal sent by thetemperature detection circuit 13, and theswitch regulation module 14 is correspondingly controlled to gradually reduce the power of theload 100, so that the heating value of the switch can be reduced, and the temperature inside the switch can be further reduced. Because thecontrol module 12 controls theswitch adjusting module 14 to gradually reduce the power of the load instead of directly turning off the load, the normal operation of the whole switch system is ensured while the temperature of the switch system is reduced, and the load capacity of the switch is ensured to be the maximum value on the premise that the temperature threshold value of the switch system is not exceeded, so that the load capacity which can be controlled by the single-fire switch is improved, and the adaptation range of the single-fire switch is effectively enlarged.
Specifically, after the commercial power is input from the inputlive wire 10 and passes through thefirst protection circuit 15, if theswitching adjustment module 14 is turned off (in an off state) at this time, the off-stateflyback power circuit 111 starts to operate and outputs a constant voltage value to thevoltage stabilizing circuit 113, and thevoltage stabilizing circuit 113 outputs appropriate voltages after conversion to be supplied to thecontrol module 12 and theswitching adjustment module 14 respectively for operation.
When theswitching adjustment module 14 is turned on (on), the on-state power-takingcircuit 112 starts to operate, and at the same time, theswitching adjustment module 14 is turned on to short-circuit the off-state flyback power-takingcircuit 111, so that the off-state flyback power-taking circuit 111 does not operate. The voltage obtained by the on-statepower taking circuit 112 is also input to thevoltage stabilizing circuit 113, and similarly, thevoltage stabilizing circuit 113 outputs appropriate voltages to be supplied to thecontrol module 12 and theswitching regulator module 14 for operation.
Thecontrol module 12 may receive an external control signal, where the external control signal may be a wireless signal, a key signal, or a touch signal, and thecontrol module 12 controls theswitch adjusting module 14 to turn on or off the load or adjust the power of the corresponding load according to the current state and the external control signal.
In the embodiment of the present invention, the single-live wire switch system further includes a display module (not shown) connected to thecontrol module 12, and the display module may be a display screen or an indicator light. When thetemperature detection circuit 13 detects that the internal temperature of the switch exceeds a threshold value, the display module displays temperature abnormity; when thetemperature detection circuit 13 detects that the internal temperature of the switch exceeds the threshold value, the display module displays that the temperature is normal, so that a user can conveniently know whether the working temperature of the single-live-wire switch system is abnormal or not.
In the embodiment of the present invention, theswitching regulator module 14 is configured to regulate the power of theload 100, and when theswitching regulator module 14 regulates the power of theload 100 to zero, theload 100 is turned off. The threshold is the normal temperature of the switch during operation, and the threshold may be a specific temperature value, such as 50 degrees celsius and 80 degrees celsius, or a temperature range value, such as 80 degrees celsius to 90 degrees celsius.
In this embodiment, theswitching regulator module 14 may include thyristors electrically connected to theload 100 and thecontrol module 12, respectively, and thecontrol module 12 may gradually decrease the power of the load by controlling the thyristors to gradually decrease their conduction angles. Specifically, the thyristor is connected with an outputlive wire 17 through asecond protection circuit 16, and the outputlive wire 17 is connected with a load.
The controllable silicon can change the conduction angle thereof, thereby changing the load power connected with the controllable silicon. Therefore, when thetemperature detection circuit 13 detects that the temperature inside the switch exceeds the threshold value in real time, thetemperature detection circuit 13 sends a signal to thecontrol module 12, and thecontrol module 12 receives the signal sent by thetemperature detection circuit 13 and correspondingly controls the silicon controlled rectifier to gradually reduce the conduction angle of the silicon controlled rectifier so as to reduce the power of the load. By setting theswitch adjusting module 14 to be the controllable silicon, the load power connected with the switch adjusting module can be gradually adjusted by changing the conduction angle of the switch adjusting module, so that the accurate adjustment of the load power can be realized, the load power is ensured to be in the bearing range of the switch, and the load capacity of the switch is ensured to be the maximum value on the premise that the temperature threshold value of the switch is not exceeded, so that the adaptation range of the single-fire switch is effectively enlarged.
Wherein, the threshold value is a temperature value for normal operation of the switch. The temperature preset value inside the switch is set artificially, such as 50 degrees, 80 degrees and the like. In practical application, the adjusting times of the conduction angle of the silicon controlled rectifier and the numerical value of each adjustment of the conduction angle of the silicon controlled rectifier can be set according to actual requirements, for example, the conduction angle of the silicon controlled rectifier is reduced to 80% for the first time, the conduction angle of the silicon controlled rectifier is reduced to 50% for the second time, and the conduction angle of the silicon controlled rectifier is reduced to zero (the silicon controlled rectifier is closed) for the third time.
As an embodiment of the present invention, theload 100 is a single-line load, that is, the single-live line switching system is a single-control switch, and theswitching regulator module 14 includes a thyristor electrically connected to the single-line load and thecontrol module 12, respectively. When thetemperature detection circuit 13 detects that the internal temperature of the switch exceeds a threshold value, thecontrol module 12 controls the conduction angle of the silicon controlled rectifier to be reduced to a first preset value; when thetemperature detection circuit 13 detects that the internal temperature of the switch exceeds the threshold value after a preset time interval, thecontrol module 12 controls the conduction angle of the silicon controlled rectifier to be reduced to a second preset value. In this embodiment, the number of loads of a single load is not limited, and may be a single load or a plurality of loads. The first preset value and the second preset value can be set according to actual needs. In this embodiment, the first preset value is 50%, and the second preset value is 0. A timer is arranged in thecontrol module 12, and thecontrol module 12 actively collects temperature signals to thetemperature detection circuit 13 at preset intervals. The working process of the single live wire switch system of the embodiment is as follows:
after the single live wire switch system is powered on, thetemperature detection circuit 13 detects the temperature inside the switch in real time. When thetemperature detection circuit 13 detects that the temperature inside the switch exceeds the threshold value, thetemperature detection circuit 13 sends a signal to thecontrol module 12, and thecontrol module 12 actively acquires the signal sent by thetemperature detection circuit 13. At this time, thecontrol module 12 rejects the external control signal and simultaneously starts the internal timer, and thecontrol module 12 first controls the conduction angle of the thyristor to be reduced to 50% and interrupts the internal timer. After the interval preset time, thecontrol module 12 actively detects the temperature signal of thetemperature detection circuit 13 again, starts the internal timer, when thetemperature detection circuit 13 detects that the temperature inside the switch is lower than or equal to the threshold value, the temperature is normal, the silicon controlled rectifier keeps the conduction angle to work, and thecontrol module 12 can receive an external control signal at this time so as to enable a user to carry out normal switching operation; when thetemperature detection circuit 13 still detects that the temperature inside the switch exceeds the preset value, thecontrol module 12 controls the conduction angle of the thyristor to be reduced to 0, namely the thyristor is turned off, so as to ensure the safety of the switch system.
As another embodiment of the present invention, theswitching regulator module 14 may also include several relays electrically connecting theload 100 and thecontrol module 12, respectively, wherein each relay is used for controlling a corresponding one of the loads.
In this embodiment, when thetemperature detection circuit 13 detects that the internal temperature of the switch exceeds the threshold, thecontrol module 12 controls to close one of the relays, so as to turn off one of the loads; when thetemperature detection circuit 13 detects that the internal temperature of the switch exceeds the threshold value after a preset time interval, thecontrol module 12 controls to close another relay, so as to turn off another load. So temperature detectcircuit 13 detects when constantly switching internal temperature surpasss the threshold value, when detecting the internal temperature of switch at every turn and surpassing the threshold value, one of them relay ofcontrol module 12 control closure, so close the relay one by one to close the load one by one, when temperature detectcircuit 13 detected the internal temperature of switch normal,switch adjusting module 14 then keeps the break-make quantity of relay this moment and carries out work.
By setting the switch control module into a plurality of relays and controlling the relays to be turned off one by one, the number of the turned-on relays is gradually reduced to gradually reduce the number of the working loads, so that the loads are ensured to continuously and normally work, and not all the loads are directly turned off, thereby ensuring that the load power is in the bearing range of the switch, ensuring that the load carrying capacity of the switch is the maximum value as far as possible on the premise that the temperature threshold value of the switch is not exceeded, and effectively improving the adaptation range of the single-fire switch.
The single live wire switch system that this embodiment provided is through setting the on-off control module to silicon controlled rectifier and a plurality of relay, control module gradually reduces its conduction angle or controls the relay one by one and closes the power with progressively reducing the load through control silicon controlled rectifier, can realize the accurate regulation of load power, load power has both been guaranteed in the bearing range of switch, and the area load capacity that makes the switch guarantee the switch under the prerequisite that does not surpass the temperature threshold value is the maximum value, the ability of the big load capacity of this single live wire switch system control has been improved, thereby the adaptation scope of single live wire switch has effectively been improved.
Example two
Referring to fig. 2, in this embodiment, the single live wire switching system includes apower taking circuit 11 electrically connected to an inputlive wire 10, acontrol module 12 electrically connected to thepower taking circuit 11, atemperature detection circuit 13 electrically connected to thecontrol module 12, and aswitching adjustment module 14 respectively connected to thepower taking circuit 11 and thecontrol module 12, where the switchingadjustment module 14 is connected to a load and is configured to adjust power of the load; when thetemperature detection circuit 13 detects that the internal temperature of the switch exceeds the threshold value, thecontrol module 12 controls theswitch adjusting module 14 to gradually reduce the power of the load.
In this embodiment, the load includes afirst load 101 and a second load 102, which are the dual-control switch of the single-live-wire switching system, the switchingadjustment module 14 includes a first thyristor and a second thyristor, thefirst thyristor 101 is electrically connected to thefirst load 101 and thecontrol module 12, and the second thyristor is electrically connected to the second load and thecontrol module 12. Specifically, thesecond protection circuit 16 includes two protective tubes, one end of one of the protective tubes is connected to thefirst load 101 through an outputlive wire 17, and the other end is connected to the first thyristor; one end of the other fuse tube is connected with the second load 102 through an outputlive wire 17, and the other end is connected with the second thyristor.
When thetemperature detection circuit 13 detects that the internal temperature of the switch exceeds a threshold value, thecontrol module 12 controls the conduction angle of the first silicon controlled rectifier to be reduced to a first preset value; when thetemperature detection circuit 13 detects that the internal temperature of the switch exceeds the threshold value after a preset time interval, thecontrol module 12 controls the conduction angle of the first silicon controlled rectifier to be reduced to a second preset value.
When thetemperature detection circuit 13 detects that the internal temperature of the switch exceeds the threshold value after a preset time interval, and the conduction angle of the first silicon controlled rectifier is reduced to zero, thecontrol module 12 controls the conduction angle of the second silicon controlled rectifier to be reduced to a first preset value.
When thetemperature detection circuit 13 detects that the internal temperature of the switch exceeds the threshold value after a preset time interval, thecontrol module 12 controls the conduction angle of the second silicon controlled rectifier to be reduced to a second preset value, if thetemperature detection circuit 13 detects that the internal temperature of the switch is lower than or equal to the threshold value, the temperature is normal, and thecontrol module 12 can receive an external control signal at the moment so that a user can perform normal switching operation.
The first preset value and the second preset value can be set according to actual needs. In the present embodiment, the first preset value and the second preset value are set to 50% and 0, respectively, that is, the conduction angle of thethyristor 2 is reduced to 50% for the first time, and the conduction angle of the thyristor is reduced to zero (the thyristor is turned off) for the second time.
As an embodiment of the present invention, the load further includes athird load 103, that is, the single live wire switch system is a three-control switch, and theswitching regulation module 14 further includes a third thyristor, which is electrically connected to thethird load 103 and thecontrol module 12, respectively. Specifically, one end of a safety tube is connected to thethird load 103 through an outputlive wire 17, and the other end is connected to the third thyristor.
When thetemperature detection circuit 13 detects that the internal temperature of the switch exceeds a threshold value and the conduction angles of the first silicon controlled rectifier and the second silicon controlled rectifier are reduced to zero, thecontrol module 12 controls the conduction angle of the third silicon controlled rectifier to be reduced to a first preset value; when thetemperature detection circuit 13 detects that the internal temperature of the switch exceeds the threshold value after a preset time interval, thecontrol module 12 controls the conduction angle of the third silicon controlled rectifier to be reduced to a second preset value.
The working process of the single live wire switch system in this embodiment is as follows:
after the single live wire switch system is powered on, thetemperature detection circuit 13 detects the temperature signal in real time, and thecontrol module 12 judges whether the temperature signal is abnormal. If the temperature is abnormal, the current temperature of the display module is abnormal, and thecontrol module 12 rejects the external control signal and starts an internal timer at the same time; thecontrol module 12 controls the conduction angle of the first controllable silicon to be reduced to 50% and interrupts the timer, and the power of thefirst load 101 is reduced by 50%; if the temperature is normal, the current temperature of the display module is normal, and thecontrol module 12 can receive an external control signal and turn on or off each thyristor to turn on or off each load.
Thecontrol module 12 actively detects the temperature signal of thetemperature detection circuit 13 again after a preset time interval, if the temperature is abnormal, the current temperature of the display module is abnormal, thecontrol module 12 rejects the external control signal, and simultaneously starts the internal timer; thecontrol module 12 controls the conduction angle of the first controllable silicon to be reduced to 0, interrupts the timer, and reduces the power of thefirst load 101 to zero, namely thefirst load 101 is closed; if the temperature is normal, the current temperature of the display module is normal, and thecontrol module 12 can receive an external control signal and turn on or off each thyristor to turn on or off each load.
Thecontrol module 12 actively detects the signal of thetemperature detection circuit 13 again after a preset time interval, if the temperature is abnormal, the current temperature of the display module is abnormal, and thecontrol module 12 rejects the external control signal and starts the internal timer at the same time; thecontrol module 12 controls the conduction angle of the second controllable silicon to be reduced to 50% and interrupts the timer, and the power of the second load 102 is reduced to 50%; if the temperature is normal, the current temperature of the display module is normal, and thecontrol module 12 can receive an external control signal and turn on or off each thyristor to turn on or off each load.
Thecontrol module 12 continues to actively detect the signal of thetemperature detection circuit 13 after a preset time interval, if the temperature is abnormal, the current temperature of the display module is abnormal, and thecontrol module 12 rejects the external control signal and starts the internal timer at the same time; thecontrol module 12 controls the conduction angle of the second silicon controlled rectifier to drop to 0 and interrupts the timer, and the power of the second load 102 drops to zero, namely the second load 102 is turned off; if the temperature is normal, the current temperature of the display module is normal, and thecontrol module 12 can receive an external control signal and turn on or off each thyristor to turn on or off each load.
After thecontrol module 12 actively detects the signal of thetemperature detection circuit 13 after a preset time interval, if the temperature is abnormal, the current temperature of the display module is abnormal, and thecontrol module 12 rejects the external control signal and starts the internal timer; thecontrol module 12 controls the conduction angle of the third controllable silicon to be reduced to 50% and interrupts the timer, and the power of thethird load 103 is reduced to 50%; if the temperature is normal, the current temperature of the display module is normal, and thecontrol module 12 can receive an external control signal and turn on or off each thyristor to turn on or off each load.
After thecontrol module 12 actively detects the signal of thetemperature detection circuit 13 after a preset time interval, if the temperature is abnormal, the current temperature of the display module is abnormal, and thecontrol module 12 rejects the external control signal and starts the internal timer; thecontrol module 12 controls the conduction angle of the third controllable silicon to be reduced to 0, and the power of thethird load 103 is reduced to zero, namely thethird load 103 is turned off; if the temperature is normal, the current temperature of the display module is normal, and thecontrol module 12 can receive an external control signal and turn on or off each thyristor to turn on or off each load. When the conduction angles of the first silicon controlled rectifier, the second silicon controlled rectifier and the third silicon controlled rectifier are reduced to 0, all the loads are closed.
The number of loads and the number of the silicon controlled rectifiers can be set according to actual needs, so that the conduction angle of the silicon controlled rectifiers is gradually reduced one by one to gradually reduce the power of the loads, the load of the switch is guaranteed to be the maximum value on the premise that the switch does not exceed a temperature threshold, the capacity of controlling the large load of the single-live-wire switch system is improved, and the adaptation range of the single-live-wire switch is effectively enlarged.
The single live wire switch system that this embodiment provided is through setting the switch adjustment module to a plurality of silicon controlled rectifiers, control module controls the silicon controlled rectifier one by one through control and progressively reduces its conduction angle, with the power of progressively reducing the load, can guarantee the normal work of load, and can realize the accurate regulation of load power, load power has both been guaranteed in the bearing range of switch, and the area load capacity that makes the switch guarantee the switch under the prerequisite that does not surpass the temperature threshold value is the maximum value, the ability of the big load capacity of this single live wire switch system control has been improved, thereby single live wire switch's adaptation scope has effectively been improved.
EXAMPLE III
Referring to fig. 3, in the present embodiment, the single-live-wire switching system includes a power-takingcircuit 11 electrically connected to the inputlive wire 10, acontrol module 12 electrically connected to the power-takingcircuit 11, atemperature detection circuit 13 electrically connected to thecontrol module 12, and aswitching adjustment module 14 respectively connected to the power-takingcircuit 11 and thecontrol module 12, where the switchingadjustment module 14 is connected to a load and is configured to adjust power of the load; when thetemperature detection circuit 13 detects that the internal temperature of the switch exceeds the threshold value, thecontrol module 12 controls theswitch adjusting module 14 to gradually reduce the power of the load.
In this embodiment, theswitch adjusting module 14 includes at least two paths of loads, that is, the single live wire switch system is a multi-control switch, and theswitch adjusting module 14 includes at least two relays, and each relay is connected to one path of load and thecontrol module 12, respectively.
When thetemperature detection circuit 13 detects that the internal temperature of the switch exceeds a preset value, thecontrol module 12 gradually reduces the power of the load by controlling the relays to be closed one by one. By setting theswitch adjusting module 14 into at least two relays, thecontrol module 12 gradually reduces the number of the relays that are turned on by controlling the relays to be turned off one by one, so as to gradually reduce the number of the working loads, ensure that the loads continuously and normally work, rather than directly turning off all the loads, ensure that the load power is in the bearing range of the switch, and ensure that the load carrying capacity of the switch is the maximum value as far as possible under the premise that the temperature threshold value of the switch is not exceeded, thereby effectively improving the adaptation range of the single-fire switch.
As an embodiment of the present invention, the load includes afirst load 101 and a second load 102, and theswitching regulation module 14 includes a first relay electrically connected to thefirst load 101 and thecontrol module 12, respectively, and a second relay electrically connected to the second load and thecontrol module 12, respectively. Specifically, thesecond protection circuit 16 includes two protective tubes, one end of one of the protective tubes is connected to thefirst load 101 through an outputlive wire 17, and the other end is connected to the first thyristor; one end of the other fuse tube is connected with the second load 102 through an outputlive wire 17, and the other end is connected with the second thyristor.
When thetemperature detection circuit 13 detects that the internal temperature of the switch exceeds a threshold value, thecontrol module 12 controls the first relay to be turned off, that is, thefirst load 101 is turned off; when thetemperature detection circuit 13 detects that the internal temperature of the switch exceeds the threshold value after a preset time interval, thecontrol module 12 controls the second relay to be turned off, that is, the second load 102 is turned off, if thetemperature detection circuit 13 detects that the internal temperature of the switch is lower than or equal to the threshold value, it indicates that the temperature is normal, the second relay does not need to be turned off, and thecontrol module 12 can receive an external control signal at this time, so that a user can perform normal switching operation.
As another embodiment of the present invention, the load further includes athird load 103, and theswitching regulation module 14 further includes a third relay electrically connected to thethird load 103 and thecontrol module 12, respectively. Specifically, one end of a safety tube is connected to thethird load 103 through an outputlive wire 17, and the other end is connected to the third relay.
When thetemperature detection circuit 13 detects that the internal temperature of the switch exceeds the preset value and the first relay and the second relay are turned off, thecontrol module 12 controls the third relay to be turned off.
As shown in fig. 4, the fuse F4 constitutes thefirst protection circuit 15, and the fuse F1, the fuse F2 and the fuse F3 constitute thesecond protection circuit 16. The fuse tube F1, the fuse tube F2 and the fuse tube F3 are respectively connected with the first relay RLY1, the second relay RLY2 and the third relay RLY3 in sequence. L0 is input live line, and L1, L2 and L3 are output live lines.
The off-state flyback power-takingcircuit 111 comprises a rectifier bridge stack BD1, a rectifier bridge stack BD2, a resistor R10, a resistor R12, a resistor R13, a resistor R14, a resistor R15, a capacitor C11, a plug-in capacitor (C10, E10, E11, CY1), a diode (D10, D11), a voltage regulator tube (Z10, Z11), a chip IC1, a chip U5 and a transformer (T1). The first relay RLY1, the second relay RLY2, the third relay RLY3, and the IC2 constitute theswitching regulator module 14.
Thetemperature detection circuit 13 is composed of a chip U2, resistors (R19, R20, R21, R22, RV1), capacitors (C16, C17), and diodes (D14, D15, D16).
Thevoltage stabilizing circuit 113 includes diodes (D12, D13), a chip resistor (R16), a chip capacitor (C12, C13, C14, C15), a plug capacitor (E12, E13), a chip IC3, and a chip IC 4.
MOS pipe Q1, triode (Q2, Q3), diode (D5, D1, D2, D3, D4), voltage regulator (Z1, Z2, Z3), chip resistor (R1, R2, R3, R4, R5, R6, R7), chip capacitor (C2, C1), plug-in capacitor (E1, E2), operational amplifier U1 constitute an on-state power taking circuit. The chip IC5 constitutes thecontrol module 12.
When each relay is turned off, commercial power passes through a protective tube F4 and is rectified into direct-current voltage through a rectifier bridge stack (BD1, BD 2). The resistor R10 is a current-limiting resistor, and the resistor R12 and the resistor R13 are connected in series on the direct current bus to increase the circuit impedance for improving the PF value of the whole circuit with small load. When the load is larger, the voltage regulator tube Z10 breaks through the short-circuit resistors R12 and R13 to reduce the power consumption of the circuit, thereby improving the loading capacity of the switch system.
The dc voltage is filtered by the capacitor C10 and input to the primary side main winding of the transformer T1. The chip IC1 is a control IC of the entire off-state flyback power supply circuit. The auxiliary winding of the transformer T1 passes through the diode D10, the capacitor E10 rectifies and filters the voltage and outputs rated voltage to the chip IC1 for normal operation. The secondary winding of the transformer T1 passes through a diode D11 and a capacitor E11 for rectifying, filtering and outputting a constant voltage to a voltage stabilizing circuit at the later stage. Meanwhile, the voltage regulator tube Z11 and the resistor R15 feed the voltage back to the primary side of the transformer T1 through the optocoupler chip U5, and closed-loop control of the system is completed.
When the relay is switched on, the commercial power passes through the diodes D1 and D2 and then charges the capacitor E1, the capacitor C2 is used for filtering high-frequency noise waves, when the commercial power rises enough to break down the voltage regulator tube Z1, the capacitor C1 starts to rise through charging and voltage rises, the voltage is input to the positive phase input end of the operational amplifier U1, meanwhile, the 3.3V voltage of the rear-stage circuit is input to the reverse phase end of the operational amplifier U1 through the resistor R4, when the voltage on the capacitor C1 is larger than the voltage on the resistor R4, the operational amplifier U1 outputs positive voltage, the MOS tube Q1 is switched on after the positive voltage passes through the resistor R1, the whole commercial power loop is switched on, and the loads connected in series with the relays. The voltage is input to the base electrode of the triode Q2 through the resistor R2, and after the triode Q2 is conducted, the voltage of the connection point of the resistor R4 and the resistor R3 is pulled down, so that hysteresis control is provided for the whole system. The voltage regulator tube Z2 is used for protecting the whole system, when the control of the post-stage circuit is unsuccessful, the mains supply rises to the threshold value of the voltage regulator tube Z2, the Z2 is directly punctured, then the MOS tube Q1 is conducted, and the normal work of the load is ensured. After the MOS transistor Q1 is turned on, the capacitor C1 discharges through the resistor R5, and is ready for the next cycle of charging. The commercial power charges a capacitor E2 through a diode D3, and meanwhile, a conducting current is provided for the base electrode of the triode Q3 through a resistor R6, because of the action of a voltage regulator tube Z3, the base electrode of the triode Q3 is stabilized at about 5.6V, the output of the emitter electrode of the triode Q3 is stabilized at about 5V, and the output voltage is directly supplied to a subsequent voltage stabilizing circuit.
The chip IC2 receives information from thecontrol module 12, amplifies the information and connects the amplified information to the driving pins of the first relay RLY1, the second relay RLY2 and the third relay RLY3, and controls the on and off of the first relay RLY1, the second relay RLY2 and the third relay RLY3 according to the signal of thecontrol module 12.
The output of the off-state flyback power-takingcircuit 111 is connected with the output of the on-state power-takingcircuit 112 through a diode D12, the output voltage of the on-state power-takingcircuit 112 is filtered by a capacitor E12 and a capacitor C12 in two stages and then is input to pin 1 of a chip IC4, and is connected to pin 2 of a chip IC3 through a diode D13, when the voltage value reaches the rated voltage, pin 1 of the chip IC3 outputs a high-level enable chip IC4, and the final appropriate voltage is obtained after filtering by a capacitor E13 and a capacitor C15 to supply power to thecontrol module 12.
The chip IC5 is an integrated circuit, receives an external control signal (touch, key or APP), and outputs a result to each relay after determination by internal software.
The resistor R19, the resistor R22, the resistor R21 and the resistor RV1 in thetemperature detection circuit 13 are connected in series and then connected in parallel between VCC and ground, the divided voltages are respectively input to the positive and negative phase ends of the chip U2, and the voltage is input to thecontrol module 12 through the diode D14, the diode D15 and the diode D16 after comparison. The resistor R20 provides a hysteresis control function, and the capacitors C16 and C17 are used for filtering high-frequency interference.
The operating principle of thetemperature detection circuit 13 is as follows: the resistor RV1 is placed on the PCB inside the switch, and its resistance changes with the ambient temperature, so the voltage of the 3-pin of the chip U2 changes, and this change signal is inputted to the TEMP-WORK port of thecontrol module 12 through the diodes D14, D15, and D16. When the ambient temperature reaches the design threshold, thecontrol module 12 controls the on/off of each relay after internal software operation according to the received signal, so that the temperature of the whole switch system is kept at a proper value, and the service life of the product is prolonged.
As shown in fig. 5 and 6, thetemperature detection circuit 13 may also adopt a circuit structure as shown in fig. 5 and 6, and the transistor Q5, the resistor R17, the resistor R17, the resistor R18, and the resistor RV1 constitute thetemperature detection circuit 13. The resistor RV1 may be a positive temperature characteristic thermistor or a negative temperature characteristic thermistor.
The resistor RV1 of thetemperature detection circuit 13 shown in fig. 5 is a positive temperature thermistor, one end of a collector of a transistor Q5 of thetemperature detection circuit 13 shown in fig. 5 is connected to a 3V3 port of the chip IC5 through a resistor R18, a collector of a transistor Q5 is connected to a TEMP-WORK port of the chip IC5, an emitter of the transistor Q5 is connected to an SGND of the chip IC5, one end of a resistor RV1 is connected to an emitter of the transistor Q5, and the other end of the resistor RV1 is connected to a base of the transistor Q5 and is connected to one end of a resistor R18 through a resistor R17.
The resistor RV1 of thetemperature detection circuit 13 shown in fig. 6 is a negative temperature characteristic thermistor. One end of a collector of a triode Q5 of thetemperature detection circuit 13 shown in fig. 5 is connected with a 3V3 port of a chip IC5 through a resistor R18, the collector of a triode Q5 is connected with a TEMP-WORK port of a chip IC5, an emitter of a triode Q5 is connected with an SGND of the chip IC5, one end of a resistor R17 is connected with an emitter of a triode Q5, and the other end of the resistor R17 is connected with a base of the triode Q5 and is connected with one end of the resistor R18 through a resistor RV 1.
The operating principle of thetemperature detection circuit 13 is as follows: because the resistance of the resistor RV1 can change along with the change of the external temperature, when the internal temperature of the switch reaches a set threshold value, the voltage value of the voltage between the base electrode and the emitter of the triode Q5 can rise to the threshold voltage, after the triode Q5 is conducted, the collector voltage of the triode is pulled down, the signal is directly transmitted to thecontrol module 12, thecontrol module 12 controls the on-off of each relay through internal software operation according to the received signal, the temperature of the whole switching system is kept at a proper value, the stable work of the single-live-wire switching system is ensured, thetemperature detection circuit 13 is simple in structure, and the production cost is low.
The working process of the single live wire switch system in this embodiment is as follows:
after the single live wire switch system is powered on, thetemperature detection circuit 13 detects the temperature signal in real time, and thecontrol module 12 judges whether the temperature signal is abnormal. If the temperature is abnormal, the current temperature of the display module is abnormal, and thecontrol module 12 rejects the external control signal and starts an internal timer at the same time; thecontrol module 12 controls the first relay to be closed and interrupts the timer, and thefirst load 101 is closed; if the temperature is normal, the current temperature of the display module is normal, and thecontrol module 12 can receive an external control signal and turn on or off each relay to turn on or off each load.
Thecontrol module 12 actively detects the temperature signal of thetemperature detection circuit 13 again after a preset time interval, if the temperature is abnormal, the current temperature of the display module is abnormal, thecontrol module 12 rejects the external control signal, and simultaneously starts the internal timer; thecontrol module 12 controls the second relay to be closed and interrupts the timer, and the second load 102 is closed; if the temperature is normal, the current temperature of the display module is normal, and thecontrol module 12 can receive an external control signal and turn on or off each relay to turn on or off each load.
Thecontrol module 12 actively detects the signal of thetemperature detection circuit 13 again after a preset time interval, if the temperature is abnormal, the current temperature of the display module is abnormal, and thecontrol module 12 rejects the external control signal and starts the internal timer at the same time; thecontrol module 12 controls the third relay to be turned off and interrupts the timer, and thethird load 103 is turned off; if the temperature is normal, the current temperature of the display module is normal, and thecontrol module 12 can receive an external control signal and turn on or off each relay to turn on or off each load.
Wherein, the quantity of load and the quantity of relay can set up according to actual need, so close the load quantity in order to reduce work step by step a pair of relay to reduce the area load quantity of single live wire switch, make the switch guarantee under the prerequisite that does not surpass the temperature threshold value take the load quantity of switch for the maximum value, thereby effectively improved the adaptation scope of single live wire switch.
The single live wire switch system that this embodiment provided is through setting the switch adjustment module to a plurality of relays, detect through temperature detection circuit whether the inside temperature of switch surpasss the threshold value when, whether with supply control module to judge to need to close the relay, guarantee single live wire switch system dependable performance, and switch control module closes through controlling the relay one by one, progressively reduce the quantity of the relay of opening, with progressively reduce the quantity of work load, guarantee that there is the load to last normal work, but not directly close all loads, both guaranteed load power and in the bearing range of switch, and make the switch under the prerequisite that does not surpass the temperature threshold value guarantee as far as possible take the load capacity of switch as the maximum value, thereby single live wire switch's adaptation scope has effectively been improved.
The present invention is not limited to the above preferred embodiments, and any modifications, equivalent substitutions and improvements made within the spirit and principle of the present invention should be included in the protection scope of the present invention.

Claims (7)

CN201910020872.7A2018-12-042019-01-09Single live wire switch systemActiveCN109618478B (en)

Applications Claiming Priority (2)

Application NumberPriority DateFiling DateTitle
CN20181147370072018-12-04
CN2018114737002018-12-04

Publications (2)

Publication NumberPublication Date
CN109618478A CN109618478A (en)2019-04-12
CN109618478Btrue CN109618478B (en)2020-06-16

Family

ID=66015669

Family Applications (1)

Application NumberTitlePriority DateFiling Date
CN201910020872.7AActiveCN109618478B (en)2018-12-042019-01-09Single live wire switch system

Country Status (1)

CountryLink
CN (1)CN109618478B (en)

Families Citing this family (6)

* Cited by examiner, † Cited by third party
Publication numberPriority datePublication dateAssigneeTitle
CN110139442B (en)*2019-05-272021-02-26山东领图信息科技股份有限公司Low-temperature-rise large-current single-live-wire full-wave power taking circuit
CN112152598B (en)2019-06-282024-09-03瑞昱半导体股份有限公司 Switching circuit and operating method
CN110324950B (en)*2019-07-012023-06-16何锐平Single-live-wire multi-opening single-control touch switch
CN111399429A (en)*2020-04-252020-07-10广东顺德智勤科技有限公司Single live wire switch multi-control system
CN114844491B (en)*2021-02-012024-11-29漳州立达信光电子科技有限公司Single live wire intelligent switch and single live wire multi-control switch
CN117812860B (en)*2023-12-252024-08-09广州荣硕电子科技股份有限公司Temperature control system and industrial oven

Citations (5)

* Cited by examiner, † Cited by third party
Publication numberPriority datePublication dateAssigneeTitle
CN204217167U (en)*2014-09-042015-03-18厦门网拓科技有限公司Single live wire touches lamp control switch
CN105072777A (en)*2015-09-072015-11-18重庆慧居智能电子有限公司 A single-fire wireless intelligent switch for the Internet of Things
JP2016139458A (en)*2015-01-262016-08-04岩崎電気株式会社 LED module and LED lighting device
CN205594341U (en)*2016-04-282016-09-21北京领航力嘉机电有限公司Intelligence switch board
CN108155812A (en)*2018-01-162018-06-12深圳市赛格瑞电子有限公司A kind of ac conversion circuit

Family Cites Families (3)

* Cited by examiner, † Cited by third party
Publication numberPriority datePublication dateAssigneeTitle
CN200944580Y (en)*2007-03-292007-09-05刘伟东Multi-path remote-control switch with single live wire
CN102186295A (en)*2011-05-172011-09-14南京物联传感技术有限公司Single live wire power-getting circuit
CN107888175A (en)*2017-11-132018-04-06黄善兵Single live wire multi-channel electronic switch power-supply circuit

Patent Citations (5)

* Cited by examiner, † Cited by third party
Publication numberPriority datePublication dateAssigneeTitle
CN204217167U (en)*2014-09-042015-03-18厦门网拓科技有限公司Single live wire touches lamp control switch
JP2016139458A (en)*2015-01-262016-08-04岩崎電気株式会社 LED module and LED lighting device
CN105072777A (en)*2015-09-072015-11-18重庆慧居智能电子有限公司 A single-fire wireless intelligent switch for the Internet of Things
CN205594341U (en)*2016-04-282016-09-21北京领航力嘉机电有限公司Intelligence switch board
CN108155812A (en)*2018-01-162018-06-12深圳市赛格瑞电子有限公司A kind of ac conversion circuit

Also Published As

Publication numberPublication date
CN109618478A (en)2019-04-12

Similar Documents

PublicationPublication DateTitle
CN109618478B (en)Single live wire switch system
US4233553A (en)Automatic dual mode battery charger
TWI551016B (en) Power supply and power supply method
CN103000964B (en)Controller of battery management system
CN104167720B (en)Power-saving controller for automatically detecting states of power device and supply network and delaying outage
CN109792217A (en)Intelligent control circuit, charger, earth leakage protective device and intelligent socket
CN101388566B (en)Dual power supply automatic switching device
TWI498722B (en)System and device for reducing standby power consumption
CN204389925U (en)A kind of air conditioner and low standby power loss circuit thereof
CN204131103U (en)Automatic detection power device and electric network state also can the electricity-saving controllers of delay cut-off
CN203423331U (en)Multifunctional intelligent safety power supply socket without standby loss
CN101369736A (en)Energy-saving charger
CN201887280U (en)Energy-saving socket with overcurrent turn-off function
CN213987214U (en)Humiture intelligent acquisition and light control system based on single live wire
CN201312140Y (en)Automatic switching device for double power supplies
CN110727232B (en)Intelligent detection zero-power consumption multi-mode switching control circuit
CN112653225A (en)Intelligent power management system powered by photovoltaic cell
CN222897050U (en) A single-phase alternating current overcurrent protection circuit
US12176702B2 (en)Alternating current transmission circuit and socket
CN219718540U (en)Auxiliary source circuit
CN223020500U (en) Air Conditioner
CN109869879A (en)Air conditioner control circuit and discharge circuit thereof
CN216437536U (en)Relay switch control circuit
CN223376020U (en)Air conditioner
CN222143402U (en) Anti-dry-burning control circuit and electric water heater

Legal Events

DateCodeTitleDescription
PB01Publication
PB01Publication
SE01Entry into force of request for substantive examination
SE01Entry into force of request for substantive examination
GR01Patent grant
GR01Patent grant

[8]ページ先頭

©2009-2025 Movatter.jp