









技术领域technical field
本发明涉及汽车灯具技术领域,适用于LED灯具在LED选用低亮度BIN时满足车身诊断要求,但在LED选用高亮度BIN时不满足车身诊断的电源线电流反馈型灯具电路。The invention relates to the technical field of automobile lamps, and is suitable for a power line current feedback type lamp circuit that meets the vehicle body diagnosis requirements when the LED lamps use a low-brightness BIN, but does not meet the vehicle body diagnosis when the LEDs use a high-brightness BIN.
背景技术Background technique
目前,各大汽车厂商对灯具故障时的诊断方法主要有以下三种方案:At present, major automobile manufacturers mainly have the following three methods for diagnosing lamp failures:
1、电压诊断型:此方案灯具内除各功能供电线外,每个功能需要一根独立的故障诊断线与车身端相连,当灯具内功能较多时,诊断线的数量也将随之增加,这将增加车身端与灯具内线束的数量以及连接器的管脚数量,增加线束成本,增加连接器成本,增加车身布线复杂度,增加电磁干扰的风险以及车身重量。1. Voltage diagnosis type: In this scheme, in addition to the power supply lines for each function, each function needs an independent fault diagnosis line to be connected to the body end. When there are more functions in the light fixture, the number of diagnostic lines will also increase accordingly. This will increase the number of wiring harnesses on the body side and lamps and the number of connector pins, increasing the cost of wiring harnesses, increasing the cost of connectors, increasing the complexity of body wiring, increasing the risk of electromagnetic interference and the weight of the body.
2、通讯线诊断型:此方案灯具所用功能通过一根通讯线(LIN线)或两根通讯线(CAN线)与车身端相连,所有或部分功能的诊断信号通过通讯线与车身端进行通讯。虽然此方案推出了好几年了,在一定程度上减少了车身与灯具的供电线数量,但增加了车身侧与灯具内软件程序的工作量与复杂度,因此使用范围仍不是很广。2. Communication line diagnosis type: the functions used by the lamps and lanterns of this scheme are connected to the body side through a communication line (LIN line) or two communication lines (CAN lines), and all or part of the function diagnostic signals are communicated with the body side through the communication line . Although this solution has been launched for several years, it has reduced the number of power supply lines for the car body and lamps to a certain extent, but it has increased the workload and complexity of the software programs in the car body and lamps, so the scope of application is still not very wide.
3、电流诊断型:此方案灯具的各个功能通过各自的供电线进行故障诊断。因车身端中央控制模块(BCM)对每个功能正常工作电流有一最小值限制,故障发生时有一最大电流值限制。此方案因直接通过供电线进行故障诊断,节省了线束和连接器成本,而且诊断方便,因此很多车厂采用此种方案进行故障诊断。3. Current diagnosis type: each function of the lamps and lanterns of this scheme carries out fault diagnosis through their respective power supply lines. Because the central control module (BCM) at the body side has a minimum value limit for the normal working current of each function, there is a maximum current value limit when a fault occurs. This solution saves the cost of wiring harness and connectors because the fault diagnosis is carried out directly through the power supply line, and the diagnosis is convenient. Therefore, many car manufacturers use this solution for fault diagnosis.
基于车厂电流诊断型的要求以及LED颗粒厂商在LED供货时无法单亮度BIN进行供货(只能两个或三个亮度BIN同时供货)的问题,灯具厂商在进行LED电路设计时往往会遇到在LED使用低亮度BIN时满足车身电流要求,在LED使用高亮度BIN时无法满足车身端最小工作电流要求的问题。Based on the current diagnostic requirements of car manufacturers and the problem that LED particle manufacturers cannot supply single-brightness BINs (only two or three brightness BINs can be supplied at the same time), lamp manufacturers often use LED circuit design Encountered the problem that the current requirements of the body can be met when the LED uses a low-brightness BIN, but the minimum operating current requirement of the body cannot be met when the LED uses a high-brightness BIN.
对电流型诊断的各功能灯,车身端一般要求当灯具正常工作时有一最小输入电流值(其值一般大于车身端中央控制单元(简称:BCM)的故障诊断盲区范围的上限值),当灯具发生一颗或多颗LED开路时有一个最大输入电流值(其值一般小于车身端BCM的故障诊断盲区范围的下限值)。For each function lamp of current-type diagnosis, the body end generally requires a minimum input current value when the lamp is working normally (the value is generally greater than the upper limit of the fault diagnosis blind zone range of the central control unit (abbreviation: BCM) of the body end), when There is a maximum input current value when one or more LEDs of the lamp are open-circuited (the value is generally less than the lower limit value of the blind zone range of the fault diagnosis of the BCM on the body side).
例如,图1为LED选用低亮度BIN时的电路示意图,因LED选用低亮度BIN,为了达到法规规定的亮度值则每颗需要流过LED更大的电流,在电路设计合理的情况下,功能电路输入电流一般都能满足大于车身BCM规定的故障诊断盲区范围上限值的要求,此时无需在PCB上焊接BIN区补偿电路。For example, Figure 1 is a schematic diagram of the circuit when the LED uses a low-brightness BIN. Because the LED uses a low-brightness BIN, in order to achieve the brightness value specified by the law, each LED needs to flow a larger current. In the case of a reasonable circuit design, the function The input current of the circuit can generally meet the requirement of being greater than the upper limit of the fault diagnosis blind zone specified by the vehicle body BCM. At this time, there is no need to solder the BIN zone compensation circuit on the PCB.
因此,LED灯在LED选用低亮度BIN时,因其亮度值较低,满足法规的流明值输出时需要流过LED更大的电流,故状态车身一般不会报警。但是,在LED选用高亮度BIN时,因其亮度值较高,故满足法规的流明值输出时需要流过LED更小的电流,此情形可能就会进入BCM的故障诊断盲区范围,从而引起整车报警。Therefore, when LED lights use low-brightness BINs, because of their low brightness values, a larger current needs to flow through the LEDs when the lumen value output meets the regulations, so the status of the car body generally does not alarm. However, when a high-brightness BIN is selected for the LED, because of its high brightness value, a smaller current needs to flow through the LED when the lumen value output meets the regulations. Car alarm.
发明内容Contents of the invention
以下给出一个或多个方面的简要概述以提供对这些方面的基本理解。此概述不是所有构想到的方面的详尽综览,并且既非旨在指认出所有方面的关键性或决定性要素亦非试图界定任何或所有方面的范围。其唯一的目的是要以简化形式给出一个或多个方面的一些概念以为稍后给出的更加详细的描述之序。A brief summary of one or more aspects is presented below to provide a basic understanding of these aspects. This summary is not an exhaustive overview of all contemplated aspects and is intended to neither identify key or critical elements of all aspects nor attempt to delineate the scope of any or all aspects. Its sole purpose is to present some concepts of one or more aspects in a simplified form as a prelude to the more detailed description that is presented later.
本发明的目的在于解决上述问题,提供了一种满足车身诊断的LED灯具用电流反馈型亮度BIN区补偿电路,用以解决在LED选用高亮度BIN时可能引起的车身报警问题。The purpose of the present invention is to solve the above problems and provide a current feedback type brightness BIN area compensation circuit for LED lamps that meets vehicle body diagnosis, to solve the problem of vehicle body alarms that may be caused when LEDs use high-brightness BINs.
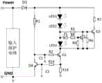
本发明的技术方案为:本发明揭示了一种满足车身诊断的LED灯具用电流反馈型亮度BIN区补偿电路,包括至少三个LED1~LED3、七个电阻R1~R7、三个三极管Q1~Q3、稳压管Z1、输入保护电路模块、恒流驱动电路模块、诊断电路模块、两个二极管D1~D2,其中输入保护电路模块接在电源端和接地端之间,第一二极管D1的阳极连接电源端,第一二极管D1的阴极连接第一LED1的阳极、第一电阻R1的第一端和第七电阻R7的第一端,用于实现防电源反接保护;在所有LED1~LED3均未开路的情况下第三LED3导通时自身的钳位电压不高于稳压管Z1的稳压值,钳位电压减去稳压管Z1上的电压后剩余的电压经过第四电阻R4和第五电阻R5分压,使第五电阻R5上的电压低于第二三极管Q2的基射极导通门槛电压而无法使第二三极管Q2导通,而第三LED3上的钳位电压经过第三电阻R3和第六电阻R6的分压后使第六电阻R6上的电压不低于第三三极管Q3的基射极导通门槛电压而使第三三极管Q3饱和导通,以使所有LED1~LED3的电压直接加在第七电阻R7上以实现电流补偿,并通过改变第七电阻R7的值来改变补偿电流的大小,以让LED灯具输入电流不低于车身端BCM故障诊断盲区范围的上限值;第二电阻R2用于驱动第一三极管Q1导通以点亮三个LED1~LED3,稳压管Z1、三个LED1~3、第四电阻R4和第五电阻R5、第二三极管Q2、第二二极管D2和诊断电路模块用于将LED开路时的灯具输入电流减少至车身端BCM故障诊断盲区范围的下限值以下。The technical solution of the present invention is: the present invention discloses a current feedback type brightness BIN area compensation circuit for LED lamps that meets vehicle body diagnosis, including at least three LED1-LED3, seven resistors R1-R7, and three triodes Q1-Q3 , Zener tube Z1, input protection circuit module, constant current drive circuit module, diagnosis circuit module, two diodes D1-D2, wherein the input protection circuit module is connected between the power terminal and the ground terminal, and the first diode D1 The anode is connected to the power supply terminal, the cathode of the first diode D1 is connected to the anode of the first LED1, the first end of the first resistor R1 and the first end of the seventh resistor R7, which are used to prevent reverse power supply protection; in all LED1 ~ When LED3 is not open circuit, the clamping voltage of the third LED3 is not higher than the voltage regulation value of Zener tube Z1 when the third LED3 is turned on, and the remaining voltage after the clamping voltage minus the voltage on Zener tube Z1 passes through the The resistor R4 and the fifth resistor R5 divide the voltage, so that the voltage on the fifth resistor R5 is lower than the base-emitter conduction threshold voltage of the second transistor Q2, so that the second transistor Q2 cannot be turned on, and the third LED3 After the clamping voltage on the third resistor R3 and the sixth resistor R6 are divided, the voltage on the sixth resistor R6 is not lower than the base-emitter conduction threshold voltage of the third transistor Q3, so that the third transistor Q3 The tube Q3 is saturated and turned on, so that all the voltages of LED1~LED3 are directly added to the seventh resistor R7 to realize current compensation, and the value of the seventh resistor R7 is changed to change the magnitude of the compensation current, so that the input current of the LED lamp does not change. Lower than the upper limit of the dead zone range for BCM fault diagnosis at the vehicle body side; the second resistor R2 is used to drive the first triode Q1 to turn on to light three LED1~LED3, the regulator Z1, the three LED1~3, the third The four resistors R4 and the fifth resistor R5, the second triode Q2, the second diode D2 and the diagnostic circuit module are used to reduce the input current of the lamp when the LED is open to below the lower limit of the dead zone range of the BCM fault diagnosis at the vehicle body side .
根据本发明的满足车身诊断的LED灯具用电流反馈型亮度BIN区补偿电路的一实施例,第一电阻R1的第二端连接至恒流驱动电路模块和诊断电路模块用于驱动此部分电路工作以点亮LED或在LED开路时实现诊断;第一LED1的阴极连至第二LED2的阳极,第二LED2的阴极连至第三LED3的阳极,第三电阻R3的第一端连接稳压管Z1的阴极,稳压管Z1的阳极连至第四电阻R4的第一端,第四电阻R4的另一端连至第五电阻R5的第一端和第二三极管Q2的基极,第三电阻R3的第二端连至第二三极管Q2的集电极,第六电阻R6的第一端连接第三三极管Q3的基极,第七电阻R7的第二端连至第三三极管Q3的集电极,第三三极管Q3的发射极与第二二极管D2的阴极、第六电阻R6的另一端、第二三极管Q2的发射极、第五电阻R5的另一端以及第三LED3的阴极接在一起后接至第一三极管Q1的集电极,第一三极管Q1的基极接用于电流平衡的第二电阻R2的第一端,第二电阻R2的第二端接恒流驱动电路模块以将驱动电路连至LED主电路让LED点亮,第一三极管Q1的发射极也连至恒流驱动电路模块以实现LED电路回路,第二二极管D2的阳极连至诊断电路模块。According to an embodiment of the current feedback type brightness BIN area compensation circuit for LED lamps meeting vehicle body diagnosis of the present invention, the second end of the first resistor R1 is connected to the constant current drive circuit module and the diagnosis circuit module for driving this part of the circuit to work To light up the LED or realize the diagnosis when the LED is open; the cathode of the first LED1 is connected to the anode of the second LED2, the cathode of the second LED2 is connected to the anode of the third LED3, and the first end of the third resistor R3 is connected to the voltage regulator tube The cathode of Z1, the anode of Zener tube Z1 are connected to the first end of the fourth resistor R4, the other end of the fourth resistor R4 is connected to the first end of the fifth resistor R5 and the base of the second triode Q2, the second The second end of the third resistor R3 is connected to the collector of the second transistor Q2, the first end of the sixth resistor R6 is connected to the base of the third transistor Q3, and the second end of the seventh resistor R7 is connected to the third The collector of the transistor Q3, the emitter of the third transistor Q3 and the cathode of the second diode D2, the other end of the sixth resistor R6, the emitter of the second transistor Q2, the fifth resistor R5 The other end and the cathode of the third LED3 are connected together and then connected to the collector of the first triode Q1, the base of the first triode Q1 is connected to the first end of the second resistor R2 for current balance, and the second The second end of the resistor R2 is connected to the constant current drive circuit module to connect the drive circuit to the LED main circuit to light the LED, and the emitter of the first triode Q1 is also connected to the constant current drive circuit module to realize the LED circuit loop. The anode of the second diode D2 is connected to the diagnosis circuit module.
根据本发明的满足车身诊断的LED灯具用电流反馈型亮度BIN区补偿电路的一实施例,在第一LED1或第二LED2开路的情况下,稳压管Z1的阴极无电压,第二三极管Q2和第三三极管Q3的基极均无电压,BIN区补偿电路不工作。According to an embodiment of the current feedback type brightness BIN area compensation circuit for LED lamps that meet vehicle body diagnosis of the present invention, when the first LED1 or the second LED2 is open, the cathode of the voltage regulator tube Z1 has no voltage, and the second triode Both the bases of the transistor Q2 and the third transistor Q3 have no voltage, and the compensation circuit in the BIN area does not work.
根据本发明的满足车身诊断的LED灯具用电流反馈型亮度BIN区补偿电路的一实施例,在第三LED3开路的情况下,稳压管Z1通过第四电阻R4和第五电阻R5驱动第二三极管Q2饱和导通,第三三极管Q3的基射极电压减小到导通门槛电压以下,关断第七电阻R7和第三三极管Q3的BIN区补偿电路,此时恒流驱动电路模块驱动第一LED1和第二LED2经第三电阻R3、第二三极管Q2和第二二极管D2至诊断电路模块进行LED开路诊断,通过改变第三电阻R3、第四电阻R4和第五电阻R5的阻值可将LED亮度减小至人眼可识别亮度以下且灯具输入电流小于车身端BCM故障诊断盲区范围的下限值。According to an embodiment of the current feedback type brightness BIN area compensation circuit for LED lamps meeting vehicle body diagnosis of the present invention, when the third LED3 is open, the voltage regulator Z1 drives the second LED through the fourth resistor R4 and the fifth resistor R5. The transistor Q2 is saturated and turned on, the base-emitter voltage of the third transistor Q3 decreases below the conduction threshold voltage, and the seventh resistor R7 and the compensation circuit in the BIN area of the third transistor Q3 are turned off. The current driving circuit module drives the first LED1 and the second LED2 to the diagnosis circuit module through the third resistor R3, the second triode Q2 and the second diode D2 to diagnose the LED open circuit, by changing the third resistor R3, the fourth resistor The resistance values of R4 and the fifth resistor R5 can reduce the brightness of the LED to below the brightness recognizable by human eyes and the input current of the lamp is less than the lower limit value of the dead zone range of BCM fault diagnosis at the vehicle body end.
根据本发明的满足车身诊断的LED灯具用电流反馈型亮度BIN区补偿电路的一实施例,在LED灯具包含多于三颗LED的情况下,BIN区补偿电路包含多个由第二电阻R2、第三电阻R3、第四电阻R4、第五电阻R5、第六电阻R6、第七电阻R7、稳压管Z1、第一三极管Q1、第二二极管Q2、第三二极管Q3构成的电路模块。According to an embodiment of the current feedback type brightness BIN area compensation circuit for LED lamps meeting vehicle body diagnosis of the present invention, when the LED lamp includes more than three LEDs, the BIN area compensation circuit includes a plurality of second resistors R2, The third resistor R3, the fourth resistor R4, the fifth resistor R5, the sixth resistor R6, the seventh resistor R7, the Zener diode Z1, the first triode Q1, the second diode Q2, and the third diode Q3 constituted circuit modules.
本发明对比现有技术有如下的有益效果:本发明针对LED灯具在LED选用低亮度BIN时满足车身电流诊断要求,但在LED选用高亮度BIN时不满足车身电流诊断要求的困扰汽车厂商、灯具厂商以及LED制造商多年的LED BIN区供货以及车身电流诊断问题,以较低成本设计了一种LED选用高亮度BIN时BIN区补偿电路。Compared with the prior art, the present invention has the following beneficial effects: the present invention is aimed at car manufacturers and lamps that are troubled by car manufacturers and lamps that meet the vehicle body current diagnosis requirements when the LED is selected from a low-brightness BIN, but do not meet the vehicle body current diagnosis requirements when the LED is selected from a high-brightness BIN. Manufacturers and LED manufacturers have been supplying LED BIN area and car body current diagnosis problems for many years, and designed a BIN area compensation circuit when LED selects high-brightness BIN at a relatively low cost.
相对于现有技术,本发明有以下的创新点:Compared with the prior art, the present invention has the following innovations:
(1)从电子方面解决了困扰汽车厂商、灯具厂商以及LED制造商多年的由LED制造商不同亮度BIN区供货可能引起的车身BCM电流报警问题;(1) From the electronic aspect, the problem of BCM current alarm of the car body that may be caused by the supply of different brightness BIN areas of LED manufacturers that has plagued automobile manufacturers, lamp manufacturers and LED manufacturers for many years is solved;
(2)根据电路中LED的型号修改电路参数,可适用于不同的LED功能灯具,如倒车灯功能、后雾灯功能、位置灯功能、刹车灯功能等,且电路具有较高的性价比;(2) Modify the circuit parameters according to the type of LED in the circuit, which can be applied to different LED functional lamps, such as reversing light function, rear fog light function, position light function, brake light function, etc., and the circuit has a high cost performance;
(3)设计的LED BIN区补偿电路可根据LED数量灵活扩展,具有可移植性;(3) The designed LED BIN area compensation circuit can be flexibly expanded according to the number of LEDs, and has portability;
(4)在电路正常工作时消耗电流,在电路发生任意一颗LED开路时不消耗电流。(4) The current is consumed when the circuit is working normally, and no current is consumed when any LED is open circuit in the circuit.
附图说明Description of drawings
在结合以下附图阅读本公开的实施例的详细描述之后,能够更好地理解本发明的上述特征和优点。在附图中,各组件不一定是按比例绘制,并且具有类似的相关特性或特征的组件可能具有相同或相近的附图标记。The above-mentioned features and advantages of the present invention can be better understood after reading the detailed description of the embodiments of the present disclosure in conjunction with the following drawings. In the drawings, components are not necessarily drawn to scale, and components with similar related properties or characteristics may have the same or similar reference numerals.
图1为LED选用低亮度BIN时电路的示意图。Figure 1 is a schematic diagram of the circuit when the LED uses a low-brightness BIN.
图2为本发明的满足车身诊断的LED灯具用电流反馈型亮度BIN区补偿电路的实施例的示意图。FIG. 2 is a schematic diagram of an embodiment of a current-feedback brightness BIN area compensation circuit for an LED lamp meeting vehicle body diagnosis according to the present invention.
图3为本发明的LED选用高亮度BIN电路正常工作时的BIN区补偿电路的电流示意图。FIG. 3 is a current schematic diagram of the compensation circuit in the BIN area when the high-brightness BIN circuit is selected for the LED of the present invention to work normally.
图4为本发明的LED选用高亮度BIN且LED1/LED2开路时的BIN区补偿电路的电流示意图。FIG. 4 is a current schematic diagram of the compensation circuit in the BIN area when the LED of the present invention selects a high-brightness BIN and LED1/LED2 is open.
图5为本发明的LED选用高亮度BIN且LED3开路时的BIN区补偿电路的电流示意图。FIG. 5 is a current schematic diagram of the compensation circuit in the BIN area when the LED of the present invention selects a high-brightness BIN and LED3 is open.
图6为本发明的LED选用高亮度BIN时BIN区补偿电路的恒流驱动一种示例的电路图。FIG. 6 is a circuit diagram of an example of constant current driving of the compensation circuit in the BIN area when the LED of the present invention uses a high-brightness BIN.
图7为图6的示例电路在图3条件下的D1电流、LED1电流和电阻R7电流仿真波形图。FIG. 7 is a simulation waveform diagram of D1 current, LED1 current and resistor R7 current of the example circuit of FIG. 6 under the conditions of FIG. 3 .
图8为图6的示例电路在图4条件下的D1电流、LED3电流和电阻R7电流仿真波形图。FIG. 8 is a simulation waveform diagram of D1 current, LED3 current and resistor R7 current of the example circuit of FIG. 6 under the conditions of FIG. 4 .
图9为图6的示例电路在图5条件下的D1电流、LED1电流和电阻R7电流仿真波形图。FIG. 9 is a simulation waveform diagram of D1 current, LED1 current and resistor R7 current of the example circuit in FIG. 6 under the conditions of FIG. 5 .
图10为LED选用高亮度BIN且有多串LED时的BIN区补偿电路的扩展电路示意图。FIG. 10 is a schematic diagram of an extended circuit of the compensation circuit in the BIN area when a high-brightness BIN is selected for the LED and there are multiple strings of LEDs.
具体实施方式Detailed ways
以下结合附图和具体实施例对本发明作详细描述。注意,以下结合附图和具体实施例描述的诸方面仅是示例性的,而不应被理解为对本发明的保护范围进行任何限制。The present invention will be described in detail below in conjunction with the accompanying drawings and specific embodiments. Note that the aspects described below in conjunction with the drawings and specific embodiments are only exemplary, and should not be construed as limiting the protection scope of the present invention.
针对LED选用高亮度BIN且功能电路输入电流无法满足大于车身BCM规定的故障诊断盲区范围上限值的要求,本发明设计了如图2所示的BIN区补偿电路的实施例。因LED选用高亮度BIN,其有更高的光效输出,达到法规规定的亮度值每颗需要流过LED较小的电流,为避免BCM错误地报故障,在电路中增加LED高亮度BIN区补偿电路,从而提高功能电路的输入电流。Aiming at the selection of high-brightness BIN for LEDs and the requirement that the input current of the functional circuit cannot meet the requirement of being greater than the upper limit of the fault diagnosis blind zone specified by the vehicle body BCM, the present invention designs an embodiment of the BIN zone compensation circuit as shown in Figure 2 . Because the LED uses a high-brightness BIN, it has a higher luminous efficiency output, and each LED needs a small current to flow through the LED to achieve the brightness value specified by the law. In order to avoid the BCM falsely reporting a fault, the LED high-brightness BIN area is added to the circuit. compensation circuit, thereby increasing the input current of the functional circuit.
如图2所示,本实施例的用于LED BIN区补偿电路包括LED1~LED3、稳压管Z1、电阻R1~R7、三极管Q1、Q2和Q3、输入保护电路模块、二极管D1。输入保护电路模块连接在电源端和接地端之间。二极管D1的阳极连接电源端,D1的阴极连接LED1的阳极、电阻R1的第一端和电阻R7的第一端,用于实现防电源反接保护。电阻R1、电阻R2、三极管Q2、LED1~LED3以及恒流驱动电路模块构成本实施例的主功率电路结构。电阻R2用于驱动三极管Q1导通以点亮LED1~LED3。LED1~LED3、电阻R3、电阻R6、电阻R7、三极管Q3构成本实施的补偿电路模块,实现LED选用高亮度BIN的灯具总电流不满足整车工作电流要求时的电流补偿。稳压管Z1、LED1~LED3、电阻R3~R5、三极管Q2、二极管D2以及诊断电路模块实现LED开路时的灯具输入电流减少至BCM故障诊断盲区范围的下限值以下。As shown in FIG. 2 , the compensation circuit for the LED BIN area of this embodiment includes LED1-LED3, regulator Z1, resistors R1-R7, transistors Q1, Q2 and Q3, input protection circuit module, and diode D1. The input protection circuit module is connected between the power terminal and the ground terminal. The anode of the diode D1 is connected to the power supply terminal, and the cathode of D1 is connected to the anode of the LED1, the first end of the resistor R1 and the first end of the resistor R7, so as to realize protection against reverse connection of the power supply. The resistor R1, the resistor R2, the triode Q2, LED1-LED3 and the constant current drive circuit module constitute the main power circuit structure of this embodiment. The resistor R2 is used to drive the triode Q1 to turn on to light the LED1-LED3. LED1-LED3, resistor R3, resistor R6, resistor R7, and transistor Q3 constitute the compensation circuit module of this implementation, which realizes current compensation when the total current of lamps with high-brightness BIN LEDs selected does not meet the working current requirements of the vehicle. Zener tube Z1, LED1-LED3, resistors R3-R5, transistor Q2, diode D2 and the diagnostic circuit module reduce the input current of the lamp when the LED is open to below the lower limit of the BCM fault diagnosis blind zone.
电阻R1的第二端连接至恒流驱动电路模块和诊断电路模块用于驱动此部分电路工作以点亮LED或在LED开路时实现诊断。LED1的阴极连至LED2的阳极,LED2的阴极连至LED3的阳极。电阻R3的第一端连接稳压管Z1的阴极,稳压管Z1的阳极连至电阻R4的第一端,电阻R4的另一端连至电阻R5的第一端和三极管Q2的基极。电阻R3的第二端连至三极管Q2的集电极。电阻R6的第一端连接三极管Q3的基极,电阻R7的第二端连至三极管Q3的集电极,三极管Q3的发射极与二极管D2的阴极、电阻R6的另一端、三极管Q2的发射极、电阻R5的另一端以及LED3的阴极接在一起后接至三极管Q1的集电极。三极管Q1的基极接用于电流平衡的电阻R2的第一端,电阻R2的第二端接恒流驱动电路模块以将驱动电路连至LED主电路让LED点亮。三极管Q1的发射极也连至恒流驱动电路模块以实现LED电路回路。二极管D2的阳极连至诊断电路模块。The second end of the resistor R1 is connected to the constant current drive circuit module and the diagnosis circuit module for driving this part of the circuit to light the LED or implement diagnosis when the LED is open. The cathode of LED1 is connected to the anode of LED2, and the cathode of LED2 is connected to the anode of LED3. The first end of the resistor R3 is connected to the cathode of the Zener tube Z1, the anode of the Zener tube Z1 is connected to the first end of the resistor R4, and the other end of the resistor R4 is connected to the first end of the resistor R5 and the base of the transistor Q2. The second end of resistor R3 is connected to the collector of transistor Q2. The first end of the resistor R6 is connected to the base of the transistor Q3, the second end of the resistor R7 is connected to the collector of the transistor Q3, the emitter of the transistor Q3 and the cathode of the diode D2, the other end of the resistor R6, the emitter of the transistor Q2, The other end of the resistor R5 and the cathode of the LED3 are connected together and then connected to the collector of the triode Q1. The base of the transistor Q1 is connected to the first end of the resistor R2 for current balance, and the second end of the resistor R2 is connected to the constant current drive circuit module to connect the drive circuit to the LED main circuit to light the LED. The emitter of the transistor Q1 is also connected to the constant current drive circuit module to realize the LED circuit loop. The anode of diode D2 is connected to the diagnosis circuit module.
当LED1~LED3均未开路时让灯具工作,因车身上的所有类型LED的最小压降不低于1.8V,此时因LED3正向导通时的钳位作用,其上电压经电阻R3和R6分压后使电阻R6上的电压不低于三极管Q3的基射极导通门槛电压而使三极管Q3饱和导通,致使LED1~3的电压直接加在电阻R7上以实现电流补偿,并可根据灯具具体设计需要来通过改变电阻R7的值以改变补偿电流的大小,让灯具输入电流不低于车身端BCM故障诊断盲区范围的上限值。When LED1~LED3 are not open, let the lamps work, because the minimum voltage drop of all types of LEDs on the car body is not less than 1.8V, at this time, due to the clamping effect of LED3 when it is conducting forward, the voltage on it passes through resistors R3 and R6 After dividing the voltage, the voltage on the resistor R6 is not lower than the base-emitter conduction threshold voltage of the transistor Q3, so that the transistor Q3 is saturated and turned on, so that the voltage of LED1~3 is directly added to the resistor R7 to realize current compensation. The specific design of the lamp needs to change the value of the resistor R7 to change the size of the compensation current, so that the input current of the lamp is not lower than the upper limit of the blind zone range of the BCM fault diagnosis at the body end.
图3为本实施例的LED选用高亮度BIN电路正常工作时BIN区补偿电路电流示意图。其工作原理如下:在LED1~3均未开路的情况下LED3导通时自身的钳位电压不高于稳压管Z1的稳压值,钳位电压减去稳压管Z1上的电压后,经过电阻R4和电阻R5分压后电阻R5上的电压低于三极管Q2的基射极导通门槛电压而无法使三极管Q2导通,而LED3正向导通时的钳位压降通过电阻R3、R6分压使三极管Q3导通(见前述),故输入通过电阻R7和三极管Q3而达到补偿电流目的。改变电路中R3和R7的阻值可达到更改补偿电流的大小。此时电路电流流向如图3中虚线箭头所示。FIG. 3 is a schematic diagram of the current of the compensation circuit in the BIN area when the high-brightness BIN circuit is selected for the LED of this embodiment and works normally. Its working principle is as follows: when LED1~3 are not open, the clamping voltage of LED3 is not higher than the regulated value of Zener tube Z1, after the clamping voltage is subtracted from the voltage on Zener tube Z1, After the resistor R4 and the resistor R5 divide the voltage, the voltage on the resistor R5 is lower than the base-emitter conduction threshold voltage of the transistor Q2, so that the transistor Q2 cannot be turned on, and the clamping voltage drop of the LED3 is passed through the resistors R3 and R6. Dividing the voltage makes the triode Q3 conduct (see above), so the input passes through the resistor R7 and the triode Q3 to achieve the purpose of compensating current. Changing the resistance of R3 and R7 in the circuit can achieve changing the size of the compensation current. At this time, the circuit current flows as shown by the dotted arrow in Fig. 3 .
当LED1~LED2任意一颗LED开路时,因稳压管Z1的阴极无电压,无法驱动三极管Q2或Q3导通,故LED BIN区补偿电路不工作。图4为LED选用高亮度BIN且LED1/LED2开路时BIN区补偿电路电流示意图。此时因LED1或LED2开路,三极管Q2和Q3的基极均无电压,故BIN区补偿电路不工作,不消耗电路电流。此时电路电流流向如图4中虚线箭头所示。When any one of LED1~LED2 is open circuit, because the cathode of Zener tube Z1 has no voltage, it cannot drive transistor Q2 or Q3 to conduct, so the compensation circuit in LED BIN area does not work. Figure 4 is a schematic diagram of the compensation circuit current in the BIN area when the LED uses a high-brightness BIN and LED1/LED2 is open. At this time, because LED1 or LED2 is open, the bases of transistors Q2 and Q3 have no voltage, so the compensation circuit in the BIN area does not work and does not consume circuit current. At this time, the current flow of the circuit is shown by the dotted arrow in Fig. 4 .
当LED3开路时,若选用的稳压管Z1在其精度范围内的最小值仍大于LED电压BIN的最大值,则Z1通过R4和R5驱动三极管Q2饱和导通,将此时三极管Q3的基射极电压减小到导通门槛电压以下,关断电阻R7和三极管Q3的BIN区补偿电路,此时恒流驱动电路模块驱动LED1或LED2经电阻R3、三极管Q2和二极管D2至诊断电路模块进行LED开路诊断,通过改变电阻R3、R4和R5的阻值可将LED亮度减小到人眼可识别亮度以下,且灯具输入电流小于BCM故障诊断盲区范围的下限值。When LED3 is open circuit, if the minimum value of the selected voltage regulator Z1 within its accuracy range is still greater than the maximum value of the LED voltage BIN, then Z1 drives the triode Q2 to conduct in saturation through R4 and R5, and the base emitter of the triode Q3 at this time When the pole voltage decreases below the conduction threshold voltage, the compensation circuit in the BIN area of resistor R7 and transistor Q3 is turned off. At this time, the constant current drive circuit module drives LED1 or LED2 to the diagnosis circuit module through resistor R3, transistor Q2 and diode D2. Open circuit diagnosis, by changing the resistance of resistors R3, R4 and R5, the brightness of the LED can be reduced to below the brightness recognized by the human eye, and the input current of the lamp is less than the lower limit of the blind zone range of BCM fault diagnosis.
另外,当灯具电路每串仅有两颗LED时,去掉电路中的LED1或LED2仍能满足要求。当灯具某一功能有多颗(>3颗)LED时,可将上述虚线框中的电路进行复制扩展,使LED在高亮度BIN正常工作时启动BIN区补偿电路补偿输入电流,发生任意一颗LED开路故障时关断BIN区补偿电路以达到输入电流符合BCM故障诊断盲区范围的下限值以下的要求。In addition, when there are only two LEDs per string in the lamp circuit, removing LED1 or LED2 in the circuit can still meet the requirements. When there are multiple (>3) LEDs for a certain function of the lamp, the circuit in the dotted line box above can be copied and expanded, so that the LED can start the compensation circuit in the BIN area to compensate the input current when the high-brightness BIN is working normally, and any one When the LED open-circuit fault occurs, the compensation circuit in the BIN area is turned off to meet the requirement that the input current is below the lower limit of the BCM fault diagnosis blind area.
图5为LED选用高亮度BIN且LED3开路时BIN区补偿电路电流示意图。此时因LED3开路,LED1~LED2通过稳压管Z1和电阻R4、R5而使三极管Q2导通将三极管Q3的基射极电压拉至导通门槛电压以下,故三极管Q3不导通,BIN区补偿电路不工作,不消耗电路电流。此时电路电流流向如图5中虚线所示。Fig. 5 is a schematic diagram of the compensation circuit current in the BIN area when the LED uses a high-brightness BIN and LED3 is open. At this time, because LED3 is open, LED1~LED2 conducts transistor Q2 through voltage regulator Z1 and resistors R4 and R5, and pulls the base-emitter voltage of transistor Q3 below the conduction threshold voltage, so transistor Q3 does not conduct, and the BIN area The compensation circuit does not operate and consumes no circuit current. At this time, the circuit current flows as shown by the dotted line in Fig. 5 .
图6为LED选用高亮度BIN时BIN区补偿电路的恒流驱动一种示例电路图。图7~图9为图6的示例电路分别在图3~图5的条件下对应的电路输入电流,流过LED的电流以及BIN区补偿电路中流过电阻R7的电流的仿真波形图。从仿真参数可知,当出现电路中任意一颗LED开路时,BIN区补偿电路无电流流过,不增加电路电流负担,灯具输入电流满足车身BCM要求的最大10mA的技术要求。Fig. 6 is an example circuit diagram of the constant current drive of the compensation circuit in the BIN area when a high-brightness BIN is selected for the LED. 7 to 9 are simulated waveform diagrams of the circuit input current, the current flowing through the LED, and the current flowing through the resistor R7 in the compensation circuit in the BIN area corresponding to the example circuit in FIG. 6 under the conditions of FIGS. 3 to 5 . It can be seen from the simulation parameters that when any LED in the circuit is open, no current flows through the compensation circuit in the BIN area, which does not increase the current burden on the circuit, and the input current of the lamp meets the technical requirements of the maximum 10mA required by the BCM of the car body.
图10为LED选用高亮度BIN且有多串LED时BIN区补偿电路的扩展电路示意图。当电路中的LED多于三颗时,所设计的BIN区补偿电路可根据LED数量灵活扩展,具有可移植性。Fig. 10 is a schematic diagram of an extended circuit of the compensation circuit in the BIN area when a high-brightness BIN is selected for the LED and there are multiple strings of LEDs. When there are more than three LEDs in the circuit, the designed BIN area compensation circuit can be flexibly expanded according to the number of LEDs and has portability.
提供对本公开的先前描述是为使得本领域任何技术人员皆能够制作或使用本公开。对本公开的各种修改对本领域技术人员来说都将是显而易见的,且本文中所定义的普适原理可被应用到其他变体而不会脱离本公开的精神或范围。由此,本公开并非旨在被限定于本文中所描述的示例和设计,而是应被授予与本文中所公开的原理和新颖性特征相一致的最广范围。The previous description of the present disclosure is provided to enable any person skilled in the art to make or use the present disclosure. Various modifications to the present disclosure will be readily apparent to those skilled in the art, and the generic principles defined herein may be applied to other variations without departing from the spirit or scope of the present disclosure. Thus, the disclosure is not intended to be limited to the examples and designs described herein but is to be accorded the widest scope consistent with the principles and novel features disclosed herein.
| Application Number | Priority Date | Filing Date | Title |
|---|---|---|---|
| CN201810619700.7ACN108668412B (en) | 2018-06-14 | 2018-06-14 | Current feedback type brightness BIN area compensation circuit for LED lamps that meet vehicle body diagnosis |
| Application Number | Priority Date | Filing Date | Title |
|---|---|---|---|
| CN201810619700.7ACN108668412B (en) | 2018-06-14 | 2018-06-14 | Current feedback type brightness BIN area compensation circuit for LED lamps that meet vehicle body diagnosis |
| Publication Number | Publication Date |
|---|---|
| CN108668412A CN108668412A (en) | 2018-10-16 |
| CN108668412Btrue CN108668412B (en) | 2023-05-23 |
| Application Number | Title | Priority Date | Filing Date |
|---|---|---|---|
| CN201810619700.7AActiveCN108668412B (en) | 2018-06-14 | 2018-06-14 | Current feedback type brightness BIN area compensation circuit for LED lamps that meet vehicle body diagnosis |
| Country | Link |
|---|---|
| CN (1) | CN108668412B (en) |
| Publication number | Priority date | Publication date | Assignee | Title |
|---|---|---|---|---|
| CN118741797B (en)* | 2024-09-04 | 2024-11-26 | 领为视觉智能科技(宁波)有限公司 | An LED driving circuit for automobile lights |
| Publication number | Priority date | Publication date | Assignee | Title |
|---|---|---|---|---|
| WO2001095673A1 (en)* | 2000-06-06 | 2001-12-13 | 911 Emergency Products, Inc. | Led compensation circuit |
| CN1794328A (en)* | 2005-12-27 | 2006-06-28 | 上海大学 | Column control circuit of organic electroluminous display screen |
| CN101309534A (en)* | 2007-05-17 | 2008-11-19 | 张建平 | High-brightness illuminating system for vehicle |
| DE102012113107A1 (en)* | 2012-01-11 | 2013-07-11 | Samsung Electronics Co. Ltd. | Apparatus and method for compensating for current flow variations |
| CN103561527A (en)* | 2013-11-19 | 2014-02-05 | 神龙汽车有限公司 | Dual-function LED drive circuit |
| CN105723807A (en)* | 2013-09-17 | 2016-06-29 | 硅工厂股份有限公司 | Control circuit of light emitting diode lighting apparatus |
| CN105979651A (en)* | 2016-06-23 | 2016-09-28 | 成都特普瑞斯节能环保科技有限公司 | Frequency compensation circuit-based current protection-type white LED step-up conversion system |
| JP2016181589A (en)* | 2015-03-24 | 2016-10-13 | シチズンホールディングス株式会社 | LED drive circuit |
| CN106102251A (en)* | 2016-08-01 | 2016-11-09 | 上海灿瑞科技股份有限公司 | There is LED drive chip and the Circuits System thereof of power back-off function |
| CN206365093U (en)* | 2017-01-11 | 2017-07-28 | 西安亚润微光电科技有限公司 | A kind of LED control circuit with power back-off |
| CN208241951U (en)* | 2018-06-14 | 2018-12-14 | 上汽大众汽车有限公司 | Meet the LED lamp area the current feedback brightness BIN compensation circuit of vehicle body diagnosis |
| Publication number | Priority date | Publication date | Assignee | Title |
|---|---|---|---|---|
| US8334662B2 (en)* | 2009-09-11 | 2012-12-18 | Iwatt Inc. | Adaptive switch mode LED driver |
| Publication number | Priority date | Publication date | Assignee | Title |
|---|---|---|---|---|
| WO2001095673A1 (en)* | 2000-06-06 | 2001-12-13 | 911 Emergency Products, Inc. | Led compensation circuit |
| CN1794328A (en)* | 2005-12-27 | 2006-06-28 | 上海大学 | Column control circuit of organic electroluminous display screen |
| CN101309534A (en)* | 2007-05-17 | 2008-11-19 | 张建平 | High-brightness illuminating system for vehicle |
| DE102012113107A1 (en)* | 2012-01-11 | 2013-07-11 | Samsung Electronics Co. Ltd. | Apparatus and method for compensating for current flow variations |
| CN103209517A (en)* | 2012-01-11 | 2013-07-17 | 三星电子株式会社 | Apparatus And Method For Compensating For Current Deviation |
| CN105723807A (en)* | 2013-09-17 | 2016-06-29 | 硅工厂股份有限公司 | Control circuit of light emitting diode lighting apparatus |
| CN103561527A (en)* | 2013-11-19 | 2014-02-05 | 神龙汽车有限公司 | Dual-function LED drive circuit |
| JP2016181589A (en)* | 2015-03-24 | 2016-10-13 | シチズンホールディングス株式会社 | LED drive circuit |
| CN105979651A (en)* | 2016-06-23 | 2016-09-28 | 成都特普瑞斯节能环保科技有限公司 | Frequency compensation circuit-based current protection-type white LED step-up conversion system |
| CN106102251A (en)* | 2016-08-01 | 2016-11-09 | 上海灿瑞科技股份有限公司 | There is LED drive chip and the Circuits System thereof of power back-off function |
| CN206365093U (en)* | 2017-01-11 | 2017-07-28 | 西安亚润微光电科技有限公司 | A kind of LED control circuit with power back-off |
| CN208241951U (en)* | 2018-06-14 | 2018-12-14 | 上汽大众汽车有限公司 | Meet the LED lamp area the current feedback brightness BIN compensation circuit of vehicle body diagnosis |
| Title |
|---|
| 一种低成本高精度的LED电流平衡电路的研究;宁工程;;电子制作(第02期);全文* |
| 基于STM8与PT4115线性LED调光器的设计;于新业;萧华鹏;窦文淼;马姝靓;涂闪;;广西物理(第04期);全文* |
| 基于光强调制原理的电流互感器设计方法;王玮;徐丙垠;王华广;吕攀;梁栋;;高压电器(第07期);全文* |
| Publication number | Publication date |
|---|---|
| CN108668412A (en) | 2018-10-16 |
| Publication | Publication Date | Title |
|---|---|---|
| JP2019057468A (en) | Lightning circuit and lighting fixture for vehicle | |
| TW201618600A (en) | Apparatus and method for LED running light control and status | |
| CN102892241B (en) | Difunctional signalisation or the control circuit of luminaire and corresponding control method | |
| WO2021206145A1 (en) | Vehicle lamp fitting, and lighting circuit | |
| JP7503177B2 (en) | Lamp Control Equipment | |
| CN108668412B (en) | Current feedback type brightness BIN area compensation circuit for LED lamps that meet vehicle body diagnosis | |
| CN208241951U (en) | Meet the LED lamp area the current feedback brightness BIN compensation circuit of vehicle body diagnosis | |
| CN107000636B (en) | Two-stage indicator dimming circuit and backlight control circuit controlled by PWM backlight feedback | |
| CN210670778U (en) | Low-voltage-drop lamp strip circuit board and single-ended power supply lamp strip using same | |
| CN108601155B (en) | A lighting logic control circuit for a car tail LOGO lamp | |
| CN108471656B (en) | Light source driving circuit and lighting device | |
| CN207491270U (en) | LED lamp control circuit and LED lamp | |
| CN108401331A (en) | A kind of constant-current charge LED drive circuit of low cost | |
| CN111845534B (en) | Car light current increasing circuit and car | |
| CN108124336A (en) | A kind of Brake lamp and the LED drive circuit of position lamp multiplexing | |
| CN214544854U (en) | Intelligent LED automobile signal lamp | |
| CN221010346U (en) | Split charging circuit for keeping constant current of LED lamp | |
| CN108924997A (en) | A kind of second level light adjustment circuit | |
| CN218071857U (en) | Bright intensity control circuit of car LED headlight | |
| CN214046064U (en) | Light emission control circuit and electronic device | |
| CN223334816U (en) | Car remote control multi-color light circuit and atmosphere light | |
| CN217011252U (en) | Automobile LED constant current driving circuit based on discrete device | |
| CN218071868U (en) | Circuit-breaking control circuit of automobile LED lamp | |
| CN222691911U (en) | A low-cost constant current brightness adjustable button display circuit | |
| CN222621232U (en) | A driving circuit for small lights for interior and exterior decoration of automobiles |
| Date | Code | Title | Description |
|---|---|---|---|
| PB01 | Publication | ||
| PB01 | Publication | ||
| SE01 | Entry into force of request for substantive examination | ||
| SE01 | Entry into force of request for substantive examination | ||
| GR01 | Patent grant | ||
| GR01 | Patent grant |