Movatterモバイル変換


[0]ホーム

URL:


CN108620626B - Perforating device for automobile parts - Google Patents

Perforating device for automobile parts
Download PDF

Info

Publication number
CN108620626B
CN108620626BCN201810246851.2ACN201810246851ACN108620626BCN 108620626 BCN108620626 BCN 108620626BCN 201810246851 ACN201810246851 ACN 201810246851ACN 108620626 BCN108620626 BCN 108620626B
Authority
CN
China
Prior art keywords
air chamber
air
punching
rack
turbine
Prior art date
Legal status (The legal status is an assumption and is not a legal conclusion. Google has not performed a legal analysis and makes no representation as to the accuracy of the status listed.)
Active
Application number
CN201810246851.2A
Other languages
Chinese (zh)
Other versions
CN108620626A (en
Inventor
卢文斌
Current Assignee (The listed assignees may be inaccurate. Google has not performed a legal analysis and makes no representation or warranty as to the accuracy of the list.)
Foshan Huazhong Auto Parts Co ltd
Original Assignee
Ningbo Haiman Automotive Technology Co ltd
Priority date (The priority date is an assumption and is not a legal conclusion. Google has not performed a legal analysis and makes no representation as to the accuracy of the date listed.)
Filing date
Publication date
Application filed by Ningbo Haiman Automotive Technology Co ltdfiledCriticalNingbo Haiman Automotive Technology Co ltd
Priority to CN201810246851.2ApriorityCriticalpatent/CN108620626B/en
Publication of CN108620626ApublicationCriticalpatent/CN108620626A/en
Application grantedgrantedCritical
Publication of CN108620626BpublicationCriticalpatent/CN108620626B/en
Activelegal-statusCriticalCurrent
Anticipated expirationlegal-statusCritical

Links

Images

Classifications

Landscapes

Abstract

The invention relates to the technical field of automobile part processing, and discloses a punching device for automobile parts, which comprises a rack, wherein a workbench is connected to the rack in a sliding manner, an air supply box is fixedly connected to the rack, a first air chamber and a second air chamber are communicated to the air supply box, a first turbine is connected to the first air chamber in a rotating manner, a first gear is coaxially connected to the first turbine, a first rack is meshed to the first gear, a second turbine is connected to the second air chamber in a rotating manner, a second gear is coaxially connected to the second turbine, a second rack is meshed to the second gear, a punching column is rotatably connected to the second rack, a spline sleeve is sleeved on the punching column, and the rack is fixedly connected to the first air chamber, and the third air chamber is communicated with the second air chamber, a third turbine is sleeved on the spline sleeve, an adjusting mechanism is arranged on the workbench, a first touch switch used for closing the air supply box is installed on the adjusting mechanism, and a support rod which is abutted against the first touch switch is arranged on the third air chamber. The invention can adjust the punching depth and improve the punching efficiency.

Description

Perforating device for automobile parts
Technical Field
The invention relates to the technical field of automobile part processing, in particular to a punching device for automobile parts.
Background
In the processing process of automobile parts, in order to facilitate the installation of the automobile parts, the automobile parts are generally punched. The manual handheld drilling machine that adopts many times of traditional mode of punching punches, and the in-process of punching leads to the automobile parts who punches the same batch to go up the degree of depth in hole inconsistent because can't keep the application of force the same at every turn easily, causes the automobile parts specification to differ to reduce the qualification rate of processing, manual intensity of labour that punches moreover is big, and efficiency is lower, is not suitable for large batch production.
In order to solve the problems, the chinese patent (CN104174758B) discloses a punching machine for auto-parts, the punching machine includes a trapezoid support, a workbench is disposed on the trapezoid support, punching devices are disposed at four corners of the workbench respectively, each punching device includes a U-shaped support seat, each U-shaped support seat is fixed on the workbench through screws, a hole forming module is disposed on each U-shaped support seat respectively, a support for fixing a handle is disposed above each U-shaped support seat respectively, and a punching column is connected to each handle respectively. The hole pressing machine can be used by four workers at the same time, the processing speed is high, and the hole pressing column and the hole forming module can be replaced according to different hole diameters; through set up the cylindrical resistance piece that prevents to exert oneself violently on U type supporting seat, under the condition that need not to punch the hole, can avoid the staff to exert oneself and too violently punch the hole.
Although the above patent scheme solves the defects existing in the traditional punching mode to a certain extent, the scheme still has some points to be improved: this punch press needs the workman to hold the handle and operate when punching, and on the one hand, efficiency of punching is still not high, and on the other hand has the resistance piece to cushion, prevents to punch the hole under the condition that need not punch the hole and too violently to punch the hole, still can't guarantee still that the workman is the same with the application of force at every turn, consequently causes the degree of depth in same batch automobile parts processing back hole to differ great easily, leads to the qualification rate to descend.
Disclosure of Invention
Aiming at the defects, the invention aims to provide the punching device for the automobile parts, which can adjust the punching depth and improve the punching efficiency.
In order to achieve the purpose, the technical scheme adopted by the invention is as follows:
the punching device for the automobile parts comprises a rack, wherein a workbench is connected to the rack in a sliding manner, and a fastener for clamping parts is arranged on the workbench; an air supply box is fixedly connected on the frame, a first air chamber and a second air chamber are communicated on the air supply box, a first turbine is connected in the first air chamber in a rotating manner, a first gear is coaxially connected on the first turbine, a first rack fixedly connected with the workbench is meshed on the first gear, a second turbine is connected in the second air chamber in a rotating manner, a second gear is coaxially connected on the second turbine, a second rack is meshed on the second gear, a punching column is rotatably connected on the second rack, a spline sleeve is sleeved on the punching column, a third air chamber is fixedly connected on the frame, and the third air chamber and the first air chamber are fixedly connected, the second air chambers are communicated with each other, air holes are formed in the third air chamber, the spline sleeve is connected in the third air chamber in a rotating mode, a third turbine is sleeved on the spline sleeve, an adjusting mechanism used for adjusting the punching depth is arranged on the workbench, a first touch switch used for closing the air supply chamber is installed on the adjusting mechanism, and a support rod abutted to the first touch switch is fixedly connected to the third air chamber.
The principle of the invention is as follows: the part to be punched is clamped and fixed through the fastener, so that the part can be stable in the punching process, and the influence on normal punching caused by the deviation of the position of the part is avoided; before punching, an adjusting mechanism is set according to the distance from the column head of the punching column to the surface of the part and the required target punching depth, so that the target punching depth can be accurately finished.
When punching is performed, the air supply box is started, the air supply box supplies air to the first air chamber and the second air chamber, the third air chamber is communicated with the first air chamber and the second air chamber, the air entering the first air chamber and the second air chamber enters the third air chamber, unidirectional flowing air is formed in the first air chamber and serves as driving force to drive the first turbine to rotate, the first turbine drives the first gear to rotate, the first gear drives the first rack to move, and the first rack drives the workbench to move, so that a part to be punched is driven to move close to the punching column; air flowing in a single direction is formed in the second air chamber and is used as driving force to drive the second turbine to rotate, the second turbine drives the second gear to rotate, the second gear drives the second rack to move, and the second rack drives the punching column to move close to the part; the air entering the third air chamber is discharged from the air holes, so that flowing air is formed in the third air chamber, the air is used as a driving force to drive the third turbine to rotate, and the third turbine drives the punching column to rotate at the moment as the punching column is rotationally connected to the second rack; when the column head of the punching column is abutted against the surface of the part, the part is punched; through drive part and the post relative movement simultaneously that punches, the reducible time of punching, and then can improve the efficiency of punching.
When the target punching depth is completed, according to the setting of the adjusting mechanism before punching, the support rod is abutted against the first touch switch, the first touch switch is opened, the air supply box is closed by the first touch switch, the air supply box stops working, no flowing air exists in the first air chamber, the second air chamber and the third air chamber, and the punching column stops rotating and moving at the moment, so that punching can be completed.
The invention has the beneficial effects that: compared with the prior art, the method has the advantages that,
1. through setting up adjustment mechanism, according to the distance and the required target depth of punching of the post column head of punching apart from the part surface in advance, set for adjustment mechanism, realized punching the part of different thickness, the workable part that has different degree of depth holes simultaneously has also improved the accuracy of punching, has enlarged the range of application of this equipment simultaneously.
2. Through setting up part and the post relative movement that punches, reduced the stroke distance when the post that punches removes alone and punches, shortened the time of punching to the efficiency of punching has been improved.
Furthermore, adjustment mechanism includes sliding connection's first slider on the workstation, and first touch switch installs on first slider, is equipped with on the workstation to be used for driving the gliding actuating mechanism of first slider. According to different target drilling depths, the position of the first sliding block is adjusted through the driving mechanism, so that when the target drilling depth is just completed, the first sliding block moves to be abutted against the supporting rod along with the workbench, the supporting rod is abutted against the first touch switch, the first touch switch is started, and the air supply box is closed.
Further, an air bag is fixedly connected to the rack, the first air chamber and the second air chamber are communicated with a third air chamber through the air bag, a first one-way valve for introducing air into the air bag is installed between the first air chamber and the air bag, a second one-way valve for introducing air into the air bag is installed between the second air chamber and the air bag, a valve is installed between the third air chamber and the air bag, a second touch switch for opening and closing the valve is installed on the rack, and a second sliding block which abuts against the second touch switch is connected to the workbench in a sliding mode.
Blocking the air bag and the third air chamber through a valve to enable the punching column not to rotate in the moving process before punching, and temporarily collecting air flowing out of the first air chamber and the second air chamber through the air bag for storing energy; when the punching column abuts against the part, the second sliding block just abuts against the second touch switch, the second touch switch is turned on, the valve is opened by the second touch switch, air in the air bag continuously enters the third air chamber and is discharged through the air hole in the third air chamber, unidirectional flowing air is formed in the third air chamber and serves as driving force to drive the third turbine to rotate, and the third turbine drives the punching column to rotate through the spline sleeve to start punching; through setting up the second slider, adjust the position of second slider in advance, when making the post of punching offset with the part, the second slider just in time offsets with second touch switch to the drive post of punching rotates, need not just make the post of punching rotate when the post of punching still not contacting with the part, reaches energy-conserving effect, can also reduce the time of the post idle running function of punching simultaneously, prolongs its life.
Further, a pressure valve is installed on the air bag. When the pressure of the air bag is increased to a certain critical value, the pressure valve is automatically opened to deflate, so that the air bag is prevented from exploding due to overlarge pressure.
Further, a first torsion spring is fixedly connected between the first turbine and the first air chamber, and a second torsion spring is fixedly connected between the second turbine and the second air chamber. In the punching process, the first torsion spring and the second torsion spring are deformed; after the punching is finished, the first torsion spring recovers deformation to enable the first turbine to rotate reversely, so that the workbench is driven to move and reset, and the second torsion spring recovers deformation to enable the second turbine to rotate reversely, so that the punching column is driven to move and reset; on one hand, the perforating column is separated from the part, and on the other hand, the perforating column and the workbench are reset for next use.
Furthermore, an exhaust pipe is connected to an air hole of the third air chamber, and an air outlet end of the exhaust pipe is aligned to the part. Because the post of punching takes place the interact with the part among the punching process, can produce a large amount of heats, utilize from third plenum exhaust air to cool down in time the position of punching, reach the effect of cyclic utilization wind energy, still played the effect of cooling down to the part, can blow away the piece that the in-process produced of punching simultaneously, avoid the piece to leave over the effect that influences and punch between column cap and part.
Drawings
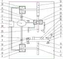
FIG. 1 is a schematic structural view of a punching apparatus for automobile parts according to the present invention.
Detailed Description
The present invention will be described in further detail below by way of specific embodiments:
reference numerals in the drawings of the specification include: the air supply device comprises arack 1, aworkbench 2, afastener 3, anair supply box 4, anair bag 5, afirst air chamber 6, asecond air chamber 7, athird air chamber 8, afirst check valve 9, asecond check valve 10, avalve 11, athird slide block 12, asecond touch switch 13, asecond slide block 14, asecond screw 15, afirst turbine 16, afirst gear 17, afirst rack 18, a second turbine 19, asecond gear 20, asecond rack 21, apunching column 22, aspline sleeve 23, athird turbine 24, afirst slide block 25, afirst touch switch 26, afirst screw 27, asupport rod 28, anexhaust pipe 29 andparts 30.
This embodiment is substantially as shown in figure 1:
the punching device for the automobile parts comprises arack 1, wherein aworkbench 2 is connected to therack 1 in a sliding manner, and afastener 3 for clamping apart 30 is arranged on theworkbench 2; anair supply box 4 and anair bag 5 are fixedly connected on arack 1 through bolts, a pressure valve (not shown in the figure) is installed on theair bag 5, theair supply box 4 is communicated with afirst air chamber 6 and asecond air chamber 7, thefirst air chamber 6 and thesecond air chamber 7 are both communicated with athird air chamber 8 through theair bag 5, a first one-way valve 9 is installed between thefirst air chamber 6 and theair bag 5, the flow direction of the first one-way valve 9 is from thefirst air chamber 6 to theair bag 5, a second one-way valve 10 is installed between thesecond air chamber 7 and theair bag 5, the flow direction of the second one-way valve 10 is from thesecond air chamber 7 to theair bag 5, avalve 11 is installed between thethird air chamber 8 and theair bag 5, athird slide block 12 is slidably connected on therack 1, asecond touch switch 13 for opening and closing thevalve 11 is installed on thethird slide block 12, asecond slide block 14 which is abutted against thesecond touch switch 13 is slidably connected on a, thesecond slider 14 is welded on the free end of thesecond screw 15; afirst turbine 16 is rotatably connected in thefirst air chamber 6, a first torsion spring is welded between thefirst turbine 16 and thefirst air chamber 6, afirst gear 17 is coaxially connected on thefirst turbine 16, afirst rack 18 fixedly connected with theworkbench 2 is meshed on thefirst gear 17, a second turbine 19 is rotatably connected in thesecond air chamber 7, a second torsion spring is welded between the second turbine 19 and thesecond air chamber 7, asecond gear 20 is coaxially connected on the second turbine 19, asecond rack 21 is meshed on thesecond gear 20, apunching column 22 is rotatably connected on thesecond rack 21 through a bearing, aspline housing 23 is sleeved on thepunching column 22, thespline housing 23 is rotatably connected in thethird air chamber 8, athird turbine 24 is sleeved on thespline housing 23, an air hole is formed in thethird air chamber 8, anexhaust pipe 29 is connected at the air hole of thethird air chamber 8, and an air outlet end of theexhaust pipe 29 is aligned with apart 30;
be equipped with the adjustment mechanism who is used for adjusting the degree of depth of punching onworkstation 2, adjustment mechanism includes sliding connection'sfirst slider 25 onworkstation 2, installs thefirst touch switch 26 that is used for closingair feed box 4 on thefirst slider 25, and the rotation is connected withfirst screw rod 27 onworkstation 2, andfirst slider 25 welds on the free end offirst screw rod 27, and the welding has thebranch 28 that offsets withfirst touch switch 26 on thethird plenum 8.
Before punching, clamping and fixing apart 30 to be punched through afastener 3, and measuring the distance from the column head of thepunching column 22 to the upper surface of thepart 30 and the required target punching depth, wherein the sum of the distance and the target punching depth is the total distance of thepunching column 22 and thepart 30 to be moved; in the design, the dimensions of thefirst turbine 16 and the second turbine 19, the dimensions of thefirst gear 17 and thesecond gear 20, and the dimensions of thefirst rack 18 and thesecond rack 21 are designed to be the same, so that thepart 30 and thepunching column 22 move at the same speed and the same distance in the punching process, the processing time is shortened to the maximum extent, and the processing efficiency is improved. Then, thefirst screw 27 is rotated to make thesupport rod 28 just abut against thefirst touch switch 26 when the punching is completed and turn on thefirst touch switch 26, thesecond screw 15 is rotated to make the upper surface of thesecond slider 14 and the upper surface of thepart 30 be at the same level, and thethird slider 12 is slid up and down to make thesecond touch switch 13 be located at the contact point between thepunching column 22 and thepart 30.
When punching, starting theair supply box 4, wherein theair supply box 4 supplies air to thefirst air chamber 6 and thesecond air chamber 7, the air entering thefirst air chamber 6 and thesecond air chamber 7 enters theair bag 5, thevalve 11 is in a closed state at the moment, the air is temporarily stored in theair bag 5, and when the pressure in theair bag 5 is too high and reaches a certain critical value, the pressure valve is automatically opened to deflate, so that the air bag is prevented from being exploded due to too high pressure; one-way flowing air is formed in thefirst air chamber 6 and is used as a driving force to drive thefirst turbine 16 to rotate, the first torsion spring deforms, thefirst turbine 16 drives thefirst gear 17 to rotate, thefirst gear 17 drives thefirst rack 18 to move upwards, thefirst rack 18 drives theworkbench 2 to move upwards, and therefore thepart 30 to be punched is driven to move upwards close to thepunching column 22; thesecond air chamber 7 will also form a unidirectional air flow, which will be used as a driving force to drive the second worm gear 19 to rotate, the second torsion spring will deform, the second worm gear 19 will drive thesecond gear 20 to rotate, thesecond gear 20 will drive thesecond rack 21 to move downwards, and thesecond rack 21 will drive thepunching column 22 to move downwards near thepart 30. When the head of theperforating column 22 abuts against the surface of thepart 30, thesecond slider 14 just abuts against thesecond touch switch 13, thesecond touch switch 13 is opened, thevalve 11 is opened by thesecond touch switch 13, the air in theair bag 5 continuously enters thethird air chamber 8 and is discharged through the air holes in thethird air chamber 8, unidirectional flowing air is formed in thethird air chamber 8 and is used as driving force to drive thethird turbine 24 to rotate, and thethird turbine 24 drives theperforating column 22 to rotate through thespline housing 23 to start perforating; the air exhausted through the air holes and theexhaust pipe 29 in the process is blown to the punching position to cool, and the scraps generated in the punching process are blown away.
When the target punching depth is finished, thesupport rod 28 just abuts against thefirst touch switch 26, thefirst touch switch 26 is opened, thefirst touch switch 26 closes theair supply box 4, theair supply box 4 stops working, no air flows in thefirst air chamber 6, thesecond air chamber 7 and thethird air chamber 8, and thepunching column 22 and thepart 30 stop moving; then, the first torsion spring will recover the deformation to make thefirst turbine 16 reverse, so as to drive theworkbench 2 to move downwards for resetting, and the second torsion spring will also recover the deformation to make the second turbine 19 reverse, so as to drive thepunching column 22 to move upwards for resetting for the next use; finally, thepart 30 is removed from the table 2, and the hole punching is completed.
The foregoing is merely an example of the present invention and common general knowledge of known specific structures and features of the embodiments is not described herein in any greater detail. It should be noted that variations and modifications can be made by those skilled in the art without departing from the structure of the present invention. These should also be construed as the scope of the present invention, and they should not be construed as affecting the effectiveness of the practice of the present invention or the applicability of the patent. The scope of the claims of the present application shall be determined by the contents of the claims, and the description of the embodiments and the like in the specification shall be used to explain the contents of the claims.

Claims (4)

1. Perforating device for automobile parts, including the frame, sliding connection has the workstation in the frame, is equipped with the fastener that is used for pressing from both sides tight part on the workstation, its characterized in that: an air supply box is fixedly connected to a rack, the air supply box is communicated with a first air chamber and a second air chamber, a first turbine is connected in the first air chamber in a rotating mode, a first gear is coaxially connected to the first turbine, a first rack fixedly connected with a workbench is meshed to the first gear, a second turbine is connected in the second air chamber in a rotating mode, a second gear is coaxially connected to the second turbine, a second rack is meshed to the second gear, a punching column is connected to the second rack in a rotating mode, a spline sleeve is sleeved on the punching column, a third air chamber is fixedly connected to the rack, the third air chamber is communicated with the first air chamber and the second air chamber, air holes are formed in the third air chamber, an exhaust pipe is connected to the air holes of the third air chamber, an air outlet end of the exhaust pipe is aligned to a part, the spline sleeve is rotatably connected to the third air chamber, a third turbine is sleeved on the spline sleeve, an adjusting mechanism for adjusting the punching depth is arranged on the workbench, and a first touch switch for closing the air, a support rod which is abutted against the first touch switch is fixedly connected to the third air chamber; an air bag is fixedly connected to the rack, the first air chamber and the second air chamber are communicated with the third air chamber through the air bag, a first one-way valve for introducing air into the air bag is installed between the first air chamber and the air bag, a second one-way valve for introducing air into the air bag is installed between the second air chamber and the air bag, a valve is installed between the third air chamber and the air bag, a second touch switch for opening and closing the valve is installed on the rack, and a second sliding block which abuts against the second touch switch is connected to the workbench in a sliding mode.
CN201810246851.2A2018-03-232018-03-23Perforating device for automobile partsActiveCN108620626B (en)

Priority Applications (1)

Application NumberPriority DateFiling DateTitle
CN201810246851.2ACN108620626B (en)2018-03-232018-03-23Perforating device for automobile parts

Applications Claiming Priority (1)

Application NumberPriority DateFiling DateTitle
CN201810246851.2ACN108620626B (en)2018-03-232018-03-23Perforating device for automobile parts

Publications (2)

Publication NumberPublication Date
CN108620626A CN108620626A (en)2018-10-09
CN108620626Btrue CN108620626B (en)2020-04-28

Family

ID=63696266

Family Applications (1)

Application NumberTitlePriority DateFiling Date
CN201810246851.2AActiveCN108620626B (en)2018-03-232018-03-23Perforating device for automobile parts

Country Status (1)

CountryLink
CN (1)CN108620626B (en)

Families Citing this family (2)

* Cited by examiner, † Cited by third party
Publication numberPriority datePublication dateAssigneeTitle
CN111041132B (en)*2020-01-062023-06-30佛山市金大海数控机械有限公司Durable punching machine with leather positioning function
CN112589162B (en)*2020-12-022022-05-03南京科技职业学院Electromechanical structure of energy-saving environment-friendly numerical control vertical drilling machine

Citations (8)

* Cited by examiner, † Cited by third party
Publication numberPriority datePublication dateAssigneeTitle
CN201833174U (en)*2010-09-292011-05-18大连大显精密轴有限公司Six-position semi-automatic machine tool
CN204209490U (en)*2014-10-132015-03-18黑龙江省康格尔科技有限公司The electric-controlled standard plant equipment that a kind of motor drives and source of the gas drives
CN206215958U (en)*2016-11-042017-06-06浙江星欧电机科技有限公司A kind of motor case efficient drilling machine
CN107335832A (en)*2016-05-022017-11-10湖北知本信息科技有限公司A kind of drilling machine suitable for oblique surface machining
CN107378028A (en)*2017-07-212017-11-24罗厚镇A kind of radial drilling machine for being easy to regulation
CN206732188U (en)*2017-05-162017-12-12南京瓦科机械设备有限公司A kind of special air stream drives formula rig of machine-building
CN106112066B (en)*2016-08-262017-12-26新昌县新宏力铝业有限公司A kind of drilling method of the accurate perforating device of hardware making key
CN107738108A (en)*2017-10-272018-02-27郑艳峰A kind of auto parts and components processing unit (plant)

Family Cites Families (1)

* Cited by examiner, † Cited by third party
Publication numberPriority datePublication dateAssigneeTitle
US8979442B2 (en)*2012-05-162015-03-17Solar Turbines IncorporatedSystem and method for modifying a gas turbine engine in the field

Patent Citations (8)

* Cited by examiner, † Cited by third party
Publication numberPriority datePublication dateAssigneeTitle
CN201833174U (en)*2010-09-292011-05-18大连大显精密轴有限公司Six-position semi-automatic machine tool
CN204209490U (en)*2014-10-132015-03-18黑龙江省康格尔科技有限公司The electric-controlled standard plant equipment that a kind of motor drives and source of the gas drives
CN107335832A (en)*2016-05-022017-11-10湖北知本信息科技有限公司A kind of drilling machine suitable for oblique surface machining
CN106112066B (en)*2016-08-262017-12-26新昌县新宏力铝业有限公司A kind of drilling method of the accurate perforating device of hardware making key
CN206215958U (en)*2016-11-042017-06-06浙江星欧电机科技有限公司A kind of motor case efficient drilling machine
CN206732188U (en)*2017-05-162017-12-12南京瓦科机械设备有限公司A kind of special air stream drives formula rig of machine-building
CN107378028A (en)*2017-07-212017-11-24罗厚镇A kind of radial drilling machine for being easy to regulation
CN107738108A (en)*2017-10-272018-02-27郑艳峰A kind of auto parts and components processing unit (plant)

Also Published As

Publication numberPublication date
CN108620626A (en)2018-10-09

Similar Documents

PublicationPublication DateTitle
CN108526520B (en)Automobile accessory perforating device
CN108620626B (en)Perforating device for automobile parts
CN106624815A (en)Automatic machining machine of tuning peg of erhu
CN206241631U (en)A kind of urheen peg machine for automatic working
CN108515210A (en)Blind hole processing device
CN108515107B (en)Adjustable hole pressing equipment
CN207592929U (en)A kind of adaptive burr grinding machine device
CN107009035B (en)Battery steel ball Welding experiment machine
AT501483B8 (en) DEVICE FOR FORGING A WORKPIECE
CN201271950Y (en)High speed vertical glass boring machine
CN217475502U (en)Oil cylinder shaft head punching depth control device
CN111363898A (en) A high-frequency quenching device for motor shaft
CN114193427B (en)Electric automatization diversified adjustable mechanical arm
CN201009033Y (en)Cam controlled full-automatic molding gas cutting machine
CN211614162U (en) a forging machine
CN107297528B (en)Drill bit or screw tap and multi-station drilling or tapping device thereof
CN211221102U (en)Quick processing equipment of wooden umbrella stick
US3939748A (en)Hydraulic punch press with ram orienting mechanism
CN221247910U (en)Automatic key slot aligning mechanism
CN207044943U (en)A kind of product marking machine
CN208358179U (en)A kind of fixture for the welding of HVAC pipe
CN222889709U (en)Constant-temperature oscillation device for detecting leaf surface resistance control agent
CN217111472U (en)Cylinder floating automatic rotating center excircle detection mechanism
CN221184343U (en)Stamping die with long service life
CN209664857U (en)A kind of clamping device

Legal Events

DateCodeTitleDescription
PB01Publication
PB01Publication
SE01Entry into force of request for substantive examination
SE01Entry into force of request for substantive examination
GR01Patent grant
GR01Patent grant
TR01Transfer of patent right

Effective date of registration:20220805

Address after:Room 7088-230, 7th floor, 1558 Jiangnan Road, high tech Zone, Ningbo, Zhejiang 315000

Patentee after:NINGBO LONGRUI MACHINERY MANUFACTURE CO.,LTD.

Address before:12-7, No. 55, Xinghai South Road, high tech Zone, Ningbo, Zhejiang 315100

Patentee before:NINGBO HAIMAN AUTOMOTIVE TECHNOLOGY Co.,Ltd.

TR01Transfer of patent right
TR01Transfer of patent right

Effective date of registration:20240415

Address after:No. 10, Guanyao Lianzhong Road, Shishan Town, Nanhai District, Foshan City, Guangdong Province, 528000

Patentee after:FOSHAN HUAZHONG AUTO PARTS Co.,Ltd.

Country or region after:China

Address before:Room 7088-230, 7th floor, 1558 Jiangnan Road, high tech Zone, Ningbo, Zhejiang 315000

Patentee before:NINGBO LONGRUI MACHINERY MANUFACTURE CO.,LTD.

Country or region before:China

TR01Transfer of patent right

[8]ページ先頭

©2009-2025 Movatter.jp