Movatterモバイル変換


[0]ホーム

URL:


CN108528735B - Tandem type hybrid power aircraft and control method thereof - Google Patents

Tandem type hybrid power aircraft and control method thereof
Download PDF

Info

Publication number
CN108528735B
CN108528735BCN201810336908.8ACN201810336908ACN108528735BCN 108528735 BCN108528735 BCN 108528735BCN 201810336908 ACN201810336908 ACN 201810336908ACN 108528735 BCN108528735 BCN 108528735B
Authority
CN
China
Prior art keywords
power
driving motor
hybrid
power battery
cooling liquid
Prior art date
Legal status (The legal status is an assumption and is not a legal conclusion. Google has not performed a legal analysis and makes no representation as to the accuracy of the status listed.)
Active
Application number
CN201810336908.8A
Other languages
Chinese (zh)
Other versions
CN108528735A (en
Inventor
程靖
曾锐
李慧颖
贾雪倩
林琳
Current Assignee (The listed assignees may be inaccurate. Google has not performed a legal analysis and makes no representation or warranty as to the accuracy of the list.)
Cetc Wuhu General Aviation Industry Technology Research Institute Co ltd
Original Assignee
Cetc Wuhu General Aviation Industry Technology Research Institute Co ltd
Priority date (The priority date is an assumption and is not a legal conclusion. Google has not performed a legal analysis and makes no representation as to the accuracy of the date listed.)
Filing date
Publication date
Application filed by Cetc Wuhu General Aviation Industry Technology Research Institute Co ltdfiledCriticalCetc Wuhu General Aviation Industry Technology Research Institute Co ltd
Priority to CN201810336908.8ApriorityCriticalpatent/CN108528735B/en
Publication of CN108528735ApublicationCriticalpatent/CN108528735A/en
Application grantedgrantedCritical
Publication of CN108528735BpublicationCriticalpatent/CN108528735B/en
Activelegal-statusCriticalCurrent
Anticipated expirationlegal-statusCritical

Links

Images

Classifications

Landscapes

Abstract

The invention discloses a tandem type hybrid power airplane and a control method thereof, wherein the tandem type hybrid power airplane comprises a hybrid power system, the hybrid power system comprises a power battery, a range extending system and an electric driving system, the range extending system comprises a generator and a rotor engine which is connected with the generator and drives the generator to generate electricity, the electric driving system comprises a propeller and a driving motor which provides driving force for the propeller, and the power battery provides electric energy for the driving motor. The tandem type hybrid power aircraft adopts the tandem type hybrid power system, realizes the design concept of taking energy conservation and environmental protection as a control strategy, and switches the complete machine control strategy in real time by taking the power of the complete machine system as a control parameter, improves the energy demand distribution condition of the hybrid power system under different working modes and working conditions, saves energy consumption, reduces environmental pollution and relieves energy crisis.

Description

Tandem type hybrid power aircraft and control method thereof
Technical Field
The invention belongs to the technical field of airplanes, and particularly relates to a tandem type hybrid power airplane and a control method thereof.
Background
With the rapid development of new energy electric vehicles, electric bicycles, electric airplanes and other electric products, the research on the control strategy of the electric products is gradually matured, but the control strategy is limited by the development of a power battery technology and a charging pile quick charging technology, the endurance capacity of the electric products is difficult to be greatly improved, so that the control mode of the hybrid power becomes a necessary way for improving the endurance of the electric products, and meanwhile, the simple type of the control strategy is considered, and the hybrid power system adopts a serial connection type. The whole machine control strategy of the series hybrid power aircraft is considered in combination with the rapid development of the existing hybrid power aircraft under the national energy-saving and environment-friendly concept.
The working modes of the hybrid power aircraft are divided into the following modes by combining the power modes, namely an electric control mode and an oil control mode, of the hybrid power aircraft: a pure electric mode, a traditional internal combustion oil control mode and an oil-electric hybrid mode. The existing control method of the series hybrid power aircraft has poor energy demand distribution effect under different working modes and working conditions of the whole aircraft, and cannot realize the optimal power distribution of the whole aircraft system.
Disclosure of Invention
The present invention is directed to solving at least one of the problems of the prior art. Therefore, the invention provides a series hybrid aircraft and a control method thereof, and aims to improve the energy demand distribution condition of a hybrid system under different working modes and working conditions.
In order to achieve the purpose, the invention adopts the technical scheme that: a series-type hybrid power airplane is provided,
the range extending system comprises a generator and a rotor engine, the electric drive system comprises a propeller and a drive motor, and the power battery provides electric energy for the drive motor;
the hybrid power system also comprises a power management control module, an integrated controller and a driving motor controller, wherein the integrated controller is electrically connected with the power battery, the driving motor controller and the generator, and the driving motor is electrically connected with the driving motor controller; the integrated controller controls the starting of the rotor engine and the opening of the electronic air door, the rotor engine drives the generator to generate electricity, and the electric energy supplies power for the driving motor and supplements energy for the power battery through the integrated controller;
the power management control module judges according to the stored electric quantity of the power battery or the current airplane flying height data collected by the height sensor and controls the integrated controller to start the rotary engine; the integrated controller adjusts the size of the electronic air door according to the demand condition of the load so as to control the output power of the generator;
the power management control module performs energy distribution management on the whole power system according to the change condition of the accelerator push rod, monitors and diagnoses faults, and controls the output power of the driving motor according to the change condition of the accelerator push rod;
the power management control module controls the drive motor controller through the integrated controller so as to adjust the output rotating speed and power of the drive motor;
the cooling system comprises a radiator, a control device, a first cooling loop, a second cooling loop and a third cooling loop, wherein the first cooling loop is used for conveying cooling liquid in the radiator to the rotary engine for cooling the rotary engine, the second cooling loop is used for conveying the cooling liquid in the radiator to the power battery for cooling the power battery, the third cooling loop is used for conveying the cooling liquid in the radiator to the generator, the integrated controller, the driving motor and the driving motor controller for cooling the generator, the integrated controller, the driving motor and the driving motor controller, and the first cooling loop, the second cooling loop and the third cooling loop are arranged in parallel.
The driving motor is a permanent magnet synchronous alternating current motor, and the power battery is a lithium battery.
The first cooling circuit comprises a first water pump for conveying the cooling liquid in the radiator connection to the rotary engine and a first temperature sensor for detecting the temperature of the cooling liquid at a water outlet of the rotary engine; in the first cooling loop, a first water pump is positioned between the radiator and the rotor engine, a water inlet of the first water pump is connected with a water outlet of the radiator through a pipeline, a water outlet of the first water pump is connected with a water inlet of the rotor engine through a pipeline, a water outlet of the rotor engine is connected with a water inlet of the radiator through a pipeline, and cooling liquid after cooling the rotor engine flows back to the radiator to realize circulation of the cooling liquid.
The second cooling loop comprises a second water pump used for conveying the cooling liquid in the radiator connection to the power battery and a second temperature sensor used for detecting the temperature of the cooling liquid at the water outlet of the power battery; in the second cooling loop, the second water pump is located between the radiator and the power battery, a water inlet of the second water pump is connected with a water outlet of the radiator through a pipeline, a water outlet of the second water pump is connected with a water inlet of the power battery through a pipeline, a water outlet of the power battery is connected with a water inlet of the radiator through a pipeline, and cooling liquid after the power battery is cooled flows back to the radiator to realize circulation of the cooling liquid.
The third cooling circuit includes third and fourth water pumps, a first solenoid valve for guiding the coolant delivered by the third and/or fourth water pumps to the generator, a second solenoid valve for guiding the coolant delivered by the third and/or fourth water pumps to the integrated controller, a third solenoid valve for guiding the coolant delivered by the third and/or fourth water pumps to the drive motor controller, and a fourth solenoid valve for guiding the coolant delivered by the third and/or fourth water pumps to the drive motor.
In the third cooling loop, a third water pump and a fourth water pump are positioned between the radiator and the flow divider, the water inlets of the third water pump and the fourth water pump are connected with the water outlet of the radiator through pipelines, the water outlets of the third water pump and the fourth water pump are connected with the water inlet of the flow divider through pipelines, the water outlet of the flow divider is respectively connected with the water inlets of the first electromagnetic valve, the second electromagnetic valve, the third electromagnetic valve and the fourth electromagnetic valve through four pipelines, the water outlet of the first electromagnetic valve is connected with the water inlet of the generator through a pipeline, the water outlet of the second electromagnetic valve is connected with the water inlet of the integrated controller through a pipeline, the water outlet of the third electromagnetic valve is connected with the water inlet of the driving motor controller through a pipeline, the water outlet of the fourth electromagnetic valve is connected with the water inlet of the driving motor through a pipeline, and the water outlets of the first electromagnetic valve, the second electromagnetic, the water outlet of the current collector is connected with the water inlet of the radiator through a pipeline, and cooling liquid which cools the generator, the integrated controller, the driving motor controller and the driving motor flows back to the radiator through the current collector, so that circulation of the cooling liquid is realized.
The invention also provides a control method of the series hybrid power aircraft, which is characterized in that the hybrid power system is controlled to switch among a pure electric working mode, an oil-electricity hybrid working mode and an oil control working mode according to the storage power of the power battery, the generating power of the range increasing system and the output power of the electric driving system.
When the storage power of the power battery is larger than the output power of the propeller, the hybrid power aircraft is in a pure electric working mode; when the hybrid power aircraft is in a take-off stage and a landing stage, if the storage power of the power battery is lower than a set value of the safe storage power of the power battery, the hybrid power aircraft is in an oil control working mode; when the hybrid power aircraft is in a cruising stage, if the storage power of the power battery is larger than the set value of the safe storage power of the power battery, the hybrid power aircraft is in an oil control working mode or an oil-electricity hybrid working mode.
When the hybrid power aircraft is in the oil-electricity hybrid working mode, if the power generation power of the range extending system is larger than or equal to the output power of the propeller, the range extending system charges the power battery until the storage power of the power battery reaches a set value, and then the hybrid power aircraft is switched to the pure electric working mode.
When the hybrid power aircraft is in an oil-electricity hybrid working mode, after the driving motor controller receives a starting instruction, the power battery supplies power to the driving motor, the driving motor is enabled to operate, the driving motor drives the propeller to rotate, the driving motor controller drives the motor to match the output power of the propeller, the battery management system matches the output electric quantity of the power battery according to the output power of the propeller, and finally a closed-loop pure electric system is formed.
The power battery, the driving motor controller, the power management control module, the propeller and the like form a closed-loop pure electric system, the power management control module detects the output power of the propeller according to a rotating speed instruction given by the accelerator push rod so as to control the discharge capacity of the power battery, and the driving motor controls the rotating speed by adopting a double-closed-loop vector control strategy. According to the storage power of the power battery and the output power of the propeller, the opening of an electronic air door of the rotary engine is adjusted, the generated energy of the range increasing system is adjusted, and a closed-loop control system of the opening of the air door of the rotary engine and the generated energy is formed.
The tandem type hybrid power aircraft adopts the tandem type hybrid power system, realizes the design concept of taking energy conservation and environmental protection as a control strategy, and switches the complete machine control strategy in real time by taking the power of the complete machine system as a control parameter, improves the energy demand distribution condition of the hybrid power system under different working modes and working conditions, saves energy consumption, reduces environmental pollution and relieves energy crisis. The control method of the invention takes the pure electric and oil control closed-loop control system as the basis of the design of the whole machine control strategy of the series hybrid power aircraft, takes the power of the subsystem of the whole machine as the control parameter of the control strategy, switches the working mode of the whole machine control system according to the difference of the power requirements of the subsystem of the series hybrid power aircraft under different working conditions, improves the power distribution of the whole machine system and improves the real-time response capability of the whole machine.
Drawings
The description includes the following figures, the contents shown are respectively:
FIG. 1 is a schematic structural diagram of a tandem hybrid aircraft of the present invention;
FIG. 2 is a schematic illustration of a series hybrid aircraft of the present invention;
FIG. 3 is a control block diagram of a series hybrid aircraft power system of the present invention;
FIG. 4 is a flow chart of a tandem hybrid aircraft electric only state control strategy of the present invention;
FIG. 5 is a flow chart of a tandem hybrid aircraft fuel-electric hybrid state control strategy of the present invention;
FIG. 6 is a schematic illustration of a cooling system for a series hybrid aircraft according to the present invention;
FIG. 7 is a block diagram of a design of a cooling control device for a series hybrid aircraft according to the present invention;
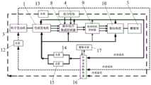
labeled as: 1. a generator; 2. a cowling; 3. a rotary engine; 4. a power battery; 5. a propeller; 6. a battery management system; 7. a power management control module; 8. an integrated controller; 9. a drive motor controller; 10. a drive motor; 11. an engine controller; 12. a first water pump; 13. a second water pump; 14. a third water pump; 15. a fourth water pump; 16. a heat sink; 17. an expansion kettle.
Detailed Description
The following detailed description of the embodiments of the present invention will be given with reference to the accompanying drawings for a purpose of helping those skilled in the art to more fully, accurately and deeply understand the concept and technical solution of the present invention and to facilitate its implementation.
As shown in fig. 1 and 3, the present invention provides a series hybrid aircraft, which includes a hybrid system, wherein the hybrid system includes a power battery, a range extending system, and an electric driving system, the range extending system includes a generator and a rotor engine connected to the generator and driving the generator to generate electricity, the electric driving system includes a propeller and a driving motor for providing driving force to the propeller, and the power battery provides electric energy to the driving motor. The range increasing system realizes conversion from chemical energy to electric energy and provides energy for the endurance of the whole machine.
Specifically, as shown in fig. 3, the hybrid system further includes an integrated controller, a driving motor controller, and a power management control module, where the integrated controller is electrically connected to the power battery, the driving motor controller, and the generator, and the driving motor is electrically connected to the driving motor controller. The integrated controller rectifies the three-phase alternating current generated by the generator into direct current to supply power for the driving motor. The propeller is connected with the driving motor through a transmission shaft, the power battery is connected to the driving motor controller through the integrated controller, and the driving motor controller inverts direct current provided by the power battery into alternating current to supply power for the driving motor. The rotor engine drives the generator to generate electricity, the electric energy supplies power for the driving motor through the integrated controller and supplements energy for the power battery, and the power battery can also charge the power battery through an external equipment charger.
As shown in FIG. 3, the energy of the driving motor can be directly supplied by a power battery, and the other is electricity generated by a rotor engine driving a generator. The driving motor provides a power source for the hybrid power aircraft, and drives the propeller to generate pulling force and provide forward kinetic energy for the hybrid power aircraft; the driving motor is preferably a permanent magnet synchronous alternating current motor with a high power-weight ratio, and meets the aviation requirement. The efficient section of the propeller is overlapped with the efficient section of the driving motor (the efficiency of the propeller is divided, the efficiency of the propeller under different rotating speeds is different, the efficiency is the highest generally under the condition of constant cruising and is more than 0.8), the efficient section of the driving motor is also included, the rotating speed of the driving motor is kept constant when the airplane is cruising, and at the moment, the efficient sections of the driving motor and the propeller are overlapped, so that the energy utilization rate is improved, the useless power is reduced), the utilization rate of the energy is improved to the maximum degree, and the cruising requirement is met.
Preferably, the power battery is a lithium battery and is a high-energy-density lithium battery, the power battery is formed by grouping single lithium batteries in a series-parallel connection mode, then a plurality of packs are connected in series to form a power battery pack, the power battery is managed through a battery management system, and the battery management system monitors the voltage, the current, the temperature rise and the like of the power battery in real time. The power battery can supplement energy to the power battery through a charger and invert the energy into alternating current from the integrated controller to the driving motor controller. The battery management system manages the power battery, and the power management control module can judge whether to start the rotary engine according to the stored electric quantity of the power battery.
As shown in fig. 3, the generator is driven by the rotary engine to generate power, the integrated controller controls the start of the rotary engine and the opening of the electronic damper to ensure that the power of the rotary engine CAN be stably output, and the engine control unit controls the ignition and the oil injection of the rotary engine and collects the engine speed information to be shared in the CAN network.
The power management control module performs energy distribution management on the whole power system, monitors and diagnoses faults, and controls the output power of the driving motor according to the change condition of the accelerator push rod. The power management control module can judge according to the residual electric quantity of the power battery or the current airplane flying height data collected by the height sensor, and controls the integrated controller to start the rotary engine. The integrated controller adjusts the size of the electronic air door according to the demand condition of the load so as to control the output power of the generator. And the power management control module performs energy distribution management on each system according to the change condition of the accelerator push rod.
The power management control module controls the drive motor controller through the integrated controller so as to adjust the output rotating speed and the power of the drive motor. The power management control module monitors the working condition of each system and adjusts the control strategy in time to ensure that each system is safe and reliable, and if the temperature of the driving motor controller is higher than a set value, the power management control module starts to limit the output power through the integrated controller so as to reduce the kinetic energy of the driving motor and further reduce the flying speed of the hybrid power aircraft.
In the taking-off and landing stages of the hybrid power aircraft, the power battery is used for independently supplying power to the driving motor, so that the environment-friendly requirement is realized, and the noise and tail gas pollution around an airport are reduced; when the hybrid power aircraft reaches a preset height, the integrated controller starts the rotor engine to drive the generator to start generating electricity, so that electric energy is provided for the driving motor and the power battery, and the endurance mileage and the endurance time of the hybrid power aircraft are effectively increased. The hybrid control module controls the rotary engine to work in an efficient interval all the time, and fuel consumption is saved.
As shown in fig. 6, the series hybrid aircraft of the present invention further includes a cooling system including aradiator 16, a control device, a first cooling circuit that delivers coolant in theradiator 16 to the rotary engine for rotary engine cooling, a second cooling circuit that delivers coolant in theradiator 16 to the power battery for power battery cooling, and a third cooling circuit that delivers coolant in theradiator 16 to the generator, the hybrid integrated controller, the drive motor, and the drive motor controller for generator,integrated controller 8, drive motor, and drive motor controller cooling. The first cooling circuit, the second cooling circuit and the third cooling circuit are arranged in parallel, and are matched with each other to cool each component of the power system of the series hybrid power aircraft, so that each component of the power system is ensured to be in the best working environment, the high-efficiency output of the power system is maintained, and the adaptability of the series hybrid power aircraft is improved. The working temperature of the rotary engine is relatively high, and the working temperature of the power battery is relatively low, so that two independent cooling loops are required to be arranged to respectively provide cooling liquid for the rotary engine and the power battery. Theintegrated controller 8, the generator, the driving motor and the driving motor controller have very close working temperatures, so that the integrated controller, the generator, the driving motor and the driving motor controller are arranged in the same cooling loop. The first cooling circuit, the second cooling circuit and the third cooling circuit are arranged in parallel, so that the complexity caused by pipeline arrangement is avoided, and the arrangement is convenient.
As shown in fig. 6, the first cooling circuit includes a first water pump 12 for delivering the coolant in theradiator 16 connection to the rotary engine and a first temperature sensor for detecting the temperature of the coolant at the water outlet of the rotary engine. The first cooling loop passes through the rotary engine, in the first cooling loop, the first water pump 12 is located between theradiator 16 and the rotary engine, a water inlet of the first water pump 12 is connected with a water outlet of theradiator 16 through a pipeline, a water outlet of the first water pump 12 is connected with a water inlet of the rotary engine through a pipeline, a water outlet of the rotary engine is connected with a water inlet of theradiator 16 through a pipeline, and cooling liquid after cooling the rotary engine flows back to theradiator 16 to realize circulation of the cooling liquid. The control device collects data detected by the first temperature sensor, the first temperature sensor and the first water pump 12 are electrically connected with the control device, and the first water pump 12 is controlled by the control device. The first temperature sensor detects the temperature of the coolant at the water outlet of the rotary engine in real time, the control device regulates and controls the rotating speed of the first water pump 12 in real time according to the temperature of the coolant collected by the first temperature sensor, so that the regulation and control of the flow speed of the coolant at the water outlet of the first water pump 12 are realized, the temperature of the coolant at the water outlet of the rotary engine is guaranteed to be stable at a set temperature value, and the rotary engine is in the best working environment. If the temperature of the coolant at the water outlet of the rotor engine is greater than the set temperature value, the control device sends an instruction for increasing the rotating speed of the first water pump 12, and the water pump driving module regulates and controls the voltage of the first water pump 12 to increase the flow speed of the coolant at the water outlet of the first water pump 12, so that the flow speed of the coolant for cooling the rotor engine is increased, the flow speed of the coolant is controlled in real time, and the temperature is kept stable.
As shown in fig. 6, the second cooling circuit includes asecond water pump 13 for delivering the coolant in theradiator 16 connection to the power battery and a second temperature sensor for detecting the temperature of the coolant at the water outlet of the power battery. The second cooling loop passes through a power battery, in the second cooling loop, thesecond water pump 13 is located between theradiator 16 and the power battery, a water inlet of thesecond water pump 13 is connected with a water outlet of theradiator 16 through a pipeline, a water outlet of thesecond water pump 13 is connected with a water inlet of the power battery through a pipeline, a water outlet of the power battery is connected with a water inlet of theradiator 16 through a pipeline, and cooling liquid after the power battery is cooled flows back to theradiator 16, so that circulation of the cooling liquid is achieved. The control device collects data detected by the second temperature sensor, the second temperature sensor and thesecond water pump 13 are electrically connected with the control device, and thesecond water pump 13 is controlled by the control device. The second temperature sensor detects the temperature of the cooling liquid at the water outlet of the power battery in real time, the control device regulates and controls the rotating speed of thesecond water pump 13 in real time according to the temperature of the cooling liquid collected by the second temperature sensor, so that the regulation and control of the flow speed of the cooling liquid at the water outlet of thesecond water pump 13 are realized, the temperature of the cooling liquid at the water outlet of the power battery is ensured to be stabilized at a set temperature value, and the power battery is in the best working environment. If the temperature of the coolant at the water outlet of the power battery is greater than the set temperature value, the control device sends an instruction for increasing the rotating speed of thesecond water pump 13, and the water pump driving module regulates and controls the voltage of thesecond water pump 13 so as to increase the flow speed of the coolant at the water outlet of thesecond water pump 13, so that the flow speed of the coolant for cooling the power battery is increased, the flow speed of the coolant is controlled in real time, and the stability of the temperature is maintained.
As shown in fig. 6, the third cooling circuit includes athird water pump 3 and afourth water pump 4, a first solenoid valve for guiding the coolant delivered by thethird water pump 14 and/or thefourth water pump 15 to the generator, a second solenoid valve for guiding the coolant delivered by thethird water pump 14 and/or thefourth water pump 15 to theintegrated controller 8, a third solenoid valve for guiding the coolant delivered by thethird water pump 14 and/or thefourth water pump 15 to the drive motor controller, and a fourth solenoid valve for guiding the coolant delivered by thethird water pump 14 and/or thefourth water pump 15 to the drive motor. Two water pumps are arranged in the third cooling loop, so that the high-power output required in the take-off stage of the hybrid power aircraft is considered, the heat productivity of the system is large, the flow speed of the cooling liquid is increased by starting the two water pumps, and the cooling effect of the cooling system is further improved; output power is relatively small in the cruising stage of the hybrid power aircraft, one water pump can meet the cooling effect of the cooling system, one water pump is started at the moment, the other water pump serves as a backup, the safety problem caused by mechanical and electrical faults of the water pump is avoided, and the safety and the redundancy of the cooling system are further improved.
The first electromagnetic valve, the second electromagnetic valve, the third electromagnetic valve and the fourth electromagnetic valve are electrically connected with the control device, the first electromagnetic valve, the second electromagnetic valve, the third electromagnetic valve and the fourth electromagnetic valve are controlled by the control device, the control device controls the opening and closing of the first electromagnetic valve, the second electromagnetic valve, the third electromagnetic valve and the fourth electromagnetic valve and adjusts the opening sizes of the first electromagnetic valve, the second electromagnetic valve, the third electromagnetic valve and the fourth electromagnetic valve, and further can respectively control the flow rate of cooling liquid for cooling the generator, the integrated controller, the driving motor controller and the driving motor, so that the temperature of the generator, the integrated controller, the driving motor controller and the driving motor can be respectively controlled, all the components can be in the optimal working state, and the stable output of power system power is maintained. Due to the arrangement of the electromagnetic valve in the third cooling loop, micro control of the temperature of each part of the power system can be realized, so that the temperature control precision and stability are higher.
As shown in fig. 6, the third cooling loop passes through the generator, the integrated controller, the driving motor controller and the driving motor, in the third cooling loop, the third water pump 14 and the fourth water pump 15 are located between the radiator 16 and the diverter, the water inlets of the third water pump 14 and the fourth water pump 15 are connected with the water outlet of the radiator 16 through a pipeline, the water outlets of the third water pump 14 and the fourth water pump 15 are connected with the water inlet of the diverter through a pipeline, the water outlet of the diverter is respectively connected with the water inlets of the first electromagnetic valve, the second electromagnetic valve, the third electromagnetic valve and the fourth electromagnetic valve through four pipelines, the water outlet of the first electromagnetic valve is connected with the water inlet of the generator through a pipeline, the water outlet of the second electromagnetic valve is connected with the water inlet of the integrated controller 8 through a pipeline, the water outlet of the third electromagnetic valve is connected with the water inlet of the driving motor controller through a pipeline, the water outlet of the fourth electromagnetic, the water outlets of the first electromagnetic valve, the second electromagnetic valve, the third electromagnetic valve and the fourth electromagnetic valve are connected with the water inlet of the current collector through pipelines, the water outlet of the current collector is connected with the water inlet of the radiator 16 through pipelines, and cooling liquid for cooling the generator, the integrated controller, the driving motor controller and the driving motor flows back to the radiator 16 through the current collector, so that circulation of the cooling liquid is realized.
As shown in fig. 6, the third cooling circuit further includes a third temperature sensor for detecting the temperature of the generator, and the first solenoid valve is connected to thethird water pump 14 and thefourth water pump 15 through a pipe. The third cooling circuit further includes a fourth temperature sensor for detecting the temperature of theintegrated controller 8, and the second solenoid valve is connected to thethird water pump 14 and thefourth water pump 15 through a pipeline. The third cooling circuit further includes a fifth temperature sensor for detecting the temperature of the drive motor controller, and the third solenoid valve is connected to thethird water pump 14 and thefourth water pump 15 through pipes. The third cooling circuit further includes a sixth temperature sensor for detecting the temperature of the drive motor, and the fourth solenoid valve is connected to thethird water pump 14 and thefourth water pump 15 through a pipeline.
The third temperature sensor is used for detecting the temperature of cooling liquid at the water outlet of the generator, the fourth temperature sensor is used for detecting the temperature of cooling liquid at the water outlet of theintegrated controller 8, the fifth temperature sensor is used for detecting the temperature of cooling liquid at the water outlet of the driving motor controller, the sixth temperature sensor is used for detecting the temperature of cooling liquid at the water outlet of the driving motor, the control device collects data detected by the third temperature sensor, the fourth temperature sensor, the fifth temperature sensor and the sixth temperature sensor, the third temperature sensor, the fourth temperature sensor, the fifth temperature sensor, the sixth temperature sensor, thethird water pump 14 and thefourth water pump 15 are electrically connected with the control device, and thethird water pump 14 and thefourth water pump 15 are controlled by the control device.
The third temperature sensor detects the temperature of the cooling liquid at the water outlet of the generator in real time, the control device regulates and controls the opening of the first electromagnetic valve in real time according to the temperature of the cooling liquid collected by the third temperature sensor, so that the flow rate of the cooling liquid flowing into the generator is regulated and controlled, the temperature of the cooling liquid at the water outlet of the generator is guaranteed to be stabilized at a set temperature value, the temperature of the generator is regulated and controlled, the generator is in the best working environment, and the power system power is stably output. If the temperature of the cooling liquid at the water outlet of the generator is higher than the set temperature value, the control device sends out an instruction for increasing the opening degree of the first electromagnetic valve so as to increase the flow rate of the cooling liquid flowing into the generator, further increase the flow rate of the cooling liquid for cooling the generator, control the flow rate of the cooling liquid in real time and maintain the stability of the temperature.
The fourth temperature sensor detects the temperature of the coolant at the water outlet of theintegrated controller 8 in real time, the control device regulates and controls the opening of the second electromagnetic valve in real time according to the temperature of the coolant collected by the fourth temperature sensor, so that the regulation and control of the flow rate of the coolant flowing into theintegrated controller 8 are realized, the temperature of the coolant at the water outlet of theintegrated controller 8 is ensured to be stabilized at a set temperature value, the regulation and control of the temperature of theintegrated controller 8 are realized, theintegrated controller 8 is in the best working environment, and the stable output of the power system power is maintained. If the temperature of the coolant at the water outlet of theintegrated controller 8 is higher than the set temperature value, the control device sends out an instruction for increasing the opening degree of the second electromagnetic valve so as to increase the flow rate of the coolant flowing into theintegrated controller 8, further increase the flow rate of the coolant cooling theintegrated controller 8, control the flow rate of the coolant in real time and maintain the temperature stability.
The fifth temperature sensor detects the temperature of the cooling liquid at the water outlet of the driving motor controller in real time, the control device regulates and controls the opening of the third electromagnetic valve in real time according to the temperature of the cooling liquid collected by the fifth temperature sensor, so that the regulation and control of the flow rate of the cooling liquid flowing into the driving motor controller are realized, the temperature of the cooling liquid at the water outlet of the driving motor controller is ensured to be stabilized at a set temperature value, the regulation and control of the temperature of the driving motor controller are realized, the driving motor controller is in an optimal working environment, and the stable output of the power system power is maintained. If the temperature of the cooling liquid at the water outlet of the driving motor controller is larger than the set temperature value, the control device sends out an instruction for increasing the opening degree of the third electromagnetic valve so as to increase the flow rate of the cooling liquid flowing into the driving motor controller, further increase the flow rate of the cooling liquid cooling the driving motor controller, control the flow rate of the cooling liquid in real time and maintain the stability of the temperature.
The sixth temperature sensor detects the temperature of the cooling liquid at the water outlet of the driving motor in real time, the control device regulates and controls the opening of the fourth electromagnetic valve in real time according to the temperature of the cooling liquid collected by the sixth temperature sensor, so that the regulation and control of the flow rate of the cooling liquid flowing into the driving motor are realized, the temperature of the cooling liquid at the water outlet of the driving motor is guaranteed to be stabilized at a set temperature value, the regulation and control of the temperature of the driving motor are realized, the driving motor is in the best working environment, and the stable output of the power system power is maintained. If the temperature of the cooling liquid at the water outlet of the driving motor is higher than the set temperature value, the control device sends out an instruction for increasing the opening degree of the fourth electromagnetic valve so as to increase the flow rate of the cooling liquid flowing into the driving motor, further increase the flow rate of the cooling liquid cooling the driving motor, control the flow rate of the cooling liquid in real time and maintain the stability of the temperature.
As shown in fig. 7, the control device adopted by the cooling system of the tandem hybrid aircraft mainly comprises hardware modules such as a temperature acquisition module, a water pump driving module, a solenoid valve driving module and the like, and a control chip, wherein the model of the control chip is TMS320C5000, the temperature acquisition module, the water pump driving module and the solenoid valve driving module are electrically connected with the control chip, the temperature acquisition module is electrically connected with a first temperature sensor, a second temperature sensor, a third stability sensor, a fourth stability sensor, a fifth temperature sensor and a sixth temperature sensor, the control chip compares the temperature acquired by the temperature acquisition module with the temperature set by the optimal working condition, controls the input voltage of a main loop water pump, the flow rate of cooling liquid and the opening degree of each solenoid valve, regulates and controls the temperature of the subsystems in real time, and maintains stable output of power system power. The control strategy of the whole power system is completed through a control chip TMS320C5000, the temperature of the power system is automatically regulated and controlled by a control algorithm according to the temperature, meanwhile, the heat dissipation performance of each subsystem is fully considered in the design, a backup water pump, a high-precision water flow speed control electromagnetic valve and the like are designed, the accurate and stable control of the temperature of the power system is improved, and the intelligent control of a serial hybrid aircraft cooling system is realized.
Aiming at the serial hybrid power aircraft, the invention also provides a control method of the serial hybrid power aircraft, which controls the hybrid power aircraft to switch among a pure electric working mode, an oil-electric hybrid working mode and an oil control working mode by controlling the hybrid power system according to the storage power of the power battery (the storage power of the power battery is set as P power), the generating power of the range increasing system (the generating power of the range increasing system is set as P oil) and the output power of the electric driving system (the output power of the electric driving system is also the output power of a propeller and is set as P propeller).
The control method of the invention designs the working mode according to the energy-saving and environment-friendly concept of the series hybrid power aircraft, namely, the hybrid power aircraft adopts a pure electric working mode in the taking-off and landing stages, the hybrid power aircraft adopts an oil-electricity hybrid or oil-control working mode in the cruising high altitude stage, and the working mode time of each stage is considered according to the storage power of the power battery, the generating power of the range increasing system, the output power of the electric driving system and other powers.
When the storage power P of the power battery is larger than the output power P of the propeller, the hybrid power aircraft is in a pure electric working mode, and the power battery is used for supplying power for the driving motor independently. When the hybrid power aircraft is in a take-off stage and a landing stage, if the storage power of the power battery is lower than a set value of the safe storage power of the power battery, the hybrid power aircraft is in an oil control working mode; when the hybrid power aircraft is in a cruising stage, if the storage power of the power battery is larger than the set value of the safe storage power of the power battery, the hybrid power aircraft is in an oil control working mode or an oil-electricity hybrid working mode. When the hybrid power aircraft is in the oil-electricity hybrid working mode, if the power generation power of the range extending system is larger than or equal to the output power of the propeller, the range extending system charges the power battery until the storage power of the power battery reaches a set value, and then the hybrid power aircraft is switched to the pure electric working mode. When the hybrid power aircraft is in an oil-electricity hybrid working mode, after the driving motor controller receives a starting instruction, the power battery supplies power to the driving motor, the driving motor is enabled to operate, the driving motor drives the propeller to rotate, the driving motor controller drives the motor to match the output power of the propeller, the battery management system matches the output electric quantity of the power battery according to the output power of the propeller, and finally a closed-loop pure electric system is formed.
When the storage power P of the power battery is larger than the output power P of the electric drive system, the hybrid power aircraft is in a pure electric working mode, the power battery, the drive motor controller, the power management control module, the propeller and the like form a closed-loop pure electric system, and the integrated controller monitors the P motion in real time. When the hybrid aircraft is in the processes of takeoff, climbing and landing, if the power P is lower than the storage power safety value of the power battery (the storage power safety value is set as P), the hybrid aircraft needs to be switched to an oil control working mode. When the hybrid power aircraft reaches the cruising altitude, if the power P is larger than the stored power safety value P of the power battery, the hybrid power aircraft needs to be switched to an oil control working mode and an oil-electricity hybrid working mode.
When the hybrid power aircraft is in a climbing takeoff or landing stage, if the storage power P of the power battery is lower than P, the hybrid power aircraft is in an oil control working mode, the range increasing system works with the maximum generated energy, the generated energy of the range increasing system is directly consumed by the electric driving system, the rotor engine drives the generator to generate electricity at the moment, electric energy is provided for the driving motor and the power battery, and the power battery is charged. If the storage power P of the power battery is greater than P, after the hybrid power aircraft reaches the cruising height, the hybrid power aircraft is in an oil control or oil-electricity hybrid working mode, and the pure electric closed-loop control is added into an oil control closed-loop control system formed by an increase range system, a driving motor controller, a power management control module and a propeller. If the power generation power P oil of the range increasing system is greater than the output power P paddle of the electric drive system, the rotor engine drives the generator to generate electricity, one part of electric energy is provided to the drive motor, and the other part of electric energy is provided to the power battery to charge the power battery; if the generated power P oil of the range-increasing system is smaller than the output power P paddle of the electric drive system, the range-increasing system and the power battery jointly supply power to the drive motor at the moment.
When the hybrid power aircraft is in an oil-electricity hybrid working mode, only the generated power P oil of the range increasing system meets the output power P paddle of the electric drive system, the range increasing system can charge the power battery until the charging amount of the power battery reaches a charging safety value (the charging safety value is set as P ampere), the hybrid power aircraft is switched to the pure electric working mode, the storage power P of the power battery is consumed by the output power P paddle of the electric drive system, the P dynamic is lower than the P dynamic, the hybrid power aircraft enters a hybrid state, the working modes of pure electric, oil control and oil-electricity hybrid control are switched in real time according to different working conditions of detected power quantity, and the operation is circulated in such a way.
The power battery, the driving motor controller, the power management control module, the propeller and the like form a closed-loop pure electric system, the power management control module detects the output power of the propeller according to a rotating speed instruction given by the accelerator push rod so as to control the discharge capacity of the power battery, and the driving motor controls the rotating speed by adopting a double-closed-loop vector control strategy. According to the storage power of the power battery and the output power of the propeller, the opening degree of an electronic air door of the rotary engine is adjusted, the generated energy of the range increasing system is adjusted, and a closed-loop control system of the opening degree of the air door of the rotary engine and the generated energy is formed, wherein:
the calculation formula of the storage power Pkinetic of the power battery is as follows: power cell voltage (V) battery capacity (Ah);
the calculation formula of the generated power P oil of the range increasing system is as follows: p oil is the rotation speed (n1) of the rotary engine and the power generation conversion constant (K) of the generator;
the calculation formula of the output power P paddle of the electric drive system is as follows: p paddle is the rotational speed of the drive motor (n2) and the load of the propeller (Tn)/9550.
When the series hybrid power aircraft is switched to the pure electric working mode, a flow chart of a control process is shown in fig. 4, an aircraft accelerator push rod sends a driving motor rotating speed instruction, a driving motor controller receives the driving motor rotating speed instruction, the driving motor controller controls the opening of a power circuit between a power battery and a driving motor according to the output power of a driving motor matched with the output power of a propeller, the power battery supplies power for the driving motor, a battery management system matches the output power of the power battery according to the output power of the propeller, a closed-loop pure electric system is finally formed, and the pure electric state or the oil-electricity hybrid state S37 is switched by taking the storage power of the power battery as a control parameter.
When the series hybrid power aircraft is switched to an oil-electricity hybrid working mode, a flow chart of a control process is shown in fig. 5, an accelerator push rod sends a rotating speed instruction of a driving motor, an integrated controller detects that storage power P of a power battery is difficult to maintain output power P of a propeller, the generated power of a range increasing system is distributed on the premise of not changing the rotating speed, the range increasing system maintains a power generation state on one hand, on the other hand, the opening degree and the generated power of an electronic air door of a rotor engine are regulated and controlled, the range increasing system enters an oil control closed-loop control state, and the control system regulates and controls a control mode (an electric control mode, an oil control mode or an oil-electricity hybrid mode) of the whole system according to the relation among the generated power P oil of the range increasing system, the storage power P of the power battery and the output power.
The series hybrid power aircraft takes the power of the subsystems as a control quantity and considers a control strategy of the whole aircraft, and the detailed control strategy is as follows:
(1) if the P-motion is larger than or equal to the P-propeller, namely the storage power of the power battery is enough to maintain the output power of the electric drive system, the control system enters an electric control state and enters an oil control state at a power point (P-motion-P-propeller), and the hybrid power aircraft is switched to an oil control working mode;
(2) if P is less than P paddle, namely the storage power of the power battery is not enough to maintain the output power of the electric drive system, the hybrid power system needs the rotor engine to provide power, and the hybrid power aircraft is switched to an oil-electricity hybrid working mode;
(3) if P moves less than P oar and P oil is more than or equal to (P oar-P moves), the output power (P oil- (P oar-P moves)) that the oil control exceeds at this moment charges the power battery;
(4) if P moves < P oar and P oil < (P oar-P moves), P moves the maximum power that the power battery can output, the integrated controller sends out the order to reduce the rotational speed of the driving motor at this moment;
(5) if the P oil is larger than or equal to the P paddle, namely the generated power P oil of the range extending system is enough to maintain the output power P paddle of the electric drive system, the hybrid power aircraft is switched to an oil control working mode, the output power of the oil control system is more than that of the power battery, and the P motor reaches the set safe power P ampere and enters an electric control state;
(6) if the P oil is less than the P paddle, namely the generated power P oil of the range extending system is not enough to maintain the output power of the electric drive system, the power system needs additional electric control to provide power, and the hybrid power aircraft is switched to an oil-electricity hybrid working mode;
(7) if the oil P is less than the oil P and the motion P is more than or equal to (the oil P), the power of the power battery is consumed to the lowest power point (the oil P), and at the moment, the integrated controller sends an instruction for increasing the opening degree of an electronic air door of the rotary engine so as to increase the rotating speed of the rotary engine;
(8) if the P oil is less than the P paddle and the extra electric control maximum output power Pkinetic is less than (P paddle-P oil), the P oil is the maximum power, and the integrated controller sends an instruction of reducing the rotating speed of the driving motor;
(9) if the P oil + P movement is larger than or equal to the P paddle, the working conditions that the P oil is larger than or equal to the P paddle and the P movement is larger than or equal to the P paddle are not discussed, the power matching is maintained by reducing the power of the P oil or the P movement, and the opening degree of an electronic air door of a rotor engine, the rotating speed of the rotor engine, the output current of a power battery and the like are reduced under the working condition that the rotating speed of a propeller is not changed;
(10) if P oil + P moves and < P oar, the working conditions that P oil is less than P oar and P moves and < P oar are not discussed, and the opening degree and the rotating speed of an electronic air door of the rotor engine, the output current of a power battery and the like are improved under the working condition that the rotating speed of the propeller is not changed.
The invention is described above with reference to the accompanying drawings. It is to be understood that the specific implementations of the invention are not limited in this respect. Various insubstantial improvements are made by adopting the method conception and the technical scheme of the invention; the present invention is not limited to the above embodiments, and can be modified in various ways.

Claims (10)

the first cooling circuit comprises a first water pump for conveying the cooling liquid in the radiator connection to the rotary engine and a first temperature sensor for detecting the temperature of the cooling liquid at a water outlet of the rotary engine; the first cooling loop passes through the rotor engine, in the first cooling loop, a first water pump is positioned between the radiator and the rotor engine, a water inlet of the first water pump is connected with a water outlet of the radiator through a pipeline, a water outlet of the first water pump is connected with a water inlet of the rotor engine through a pipeline, a water outlet of the rotor engine is connected with a water inlet of the radiator through a pipeline, and cooling liquid after cooling the rotor engine flows back to the radiator to realize circulation of the cooling liquid; the first temperature sensor and the first water pump are electrically connected with the control device, the first temperature sensor detects the temperature of the cooling liquid at the water outlet of the rotor engine in real time, and the control device regulates and controls the rotating speed of the first water pump in real time according to the temperature of the cooling liquid collected by the first temperature sensor;
the second cooling loop comprises a second water pump used for conveying the cooling liquid in the radiator connection to the power battery and a second temperature sensor used for detecting the temperature of the cooling liquid at the water outlet of the power battery; the second cooling loop is provided with a power battery, a second water pump is arranged between the radiator and the power battery in the second cooling loop, a water inlet of the second water pump is connected with a water outlet of the radiator through a pipeline, a water outlet of the second water pump is connected with a water inlet of the power battery through a pipeline, a water outlet of the power battery is connected with a water inlet of the radiator through a pipeline, and cooling liquid for cooling the power battery flows back to the radiator to realize circulation of the cooling liquid; the second temperature sensor and the second water pump are electrically connected with the control device, the second temperature sensor detects the temperature of the cooling liquid at the water outlet of the power battery in real time, and the control device regulates and controls the rotating speed of the second water pump in real time according to the temperature of the cooling liquid collected by the second temperature sensor, so that the regulation and control of the flow speed of the cooling liquid at the water outlet of the second water pump are realized, and the temperature of the cooling liquid at the water outlet of the power battery is ensured to be stabilized at a set temperature value;
the third cooling circuit comprises a third water pump and a fourth water pump, a first electromagnetic valve for guiding the cooling liquid conveyed by the third water pump and/or the fourth water pump to the generator, a second electromagnetic valve for guiding the cooling liquid conveyed by the third water pump and/or the fourth water pump to the integrated controller, a third electromagnetic valve for guiding the cooling liquid conveyed by the third water pump and/or the fourth water pump to the drive motor controller, and a fourth electromagnetic valve for guiding the cooling liquid conveyed by the third water pump and/or the fourth water pump to the drive motor; in the third cooling loop, a third water pump and a fourth water pump are positioned between the radiator and the flow divider, the water inlets of the third water pump and the fourth water pump are connected with the water outlet of the radiator through pipelines, the water outlets of the third water pump and the fourth water pump are connected with the water inlet of the flow divider through pipelines, the water outlet of the flow divider is respectively connected with the water inlets of the first electromagnetic valve, the second electromagnetic valve, the third electromagnetic valve and the fourth electromagnetic valve through four pipelines, the water outlet of the first electromagnetic valve is connected with the water inlet of the generator through a pipeline, the water outlet of the second electromagnetic valve is connected with the water inlet of the integrated controller through a pipeline, the water outlet of the third electromagnetic valve is connected with the water inlet of the driving motor controller through a pipeline, the water outlet of the fourth electromagnetic valve is connected with the water inlet of the driving motor through a pipeline, and the water outlets of the first electromagnetic valve, the second electromagnetic, a water outlet of the current collector is connected with a water inlet of the radiator through a pipeline, and cooling liquid after cooling the generator, the integrated controller, the driving motor controller and the driving motor flows back into the radiator through the current collector to realize circulation of the cooling liquid;
4. The method for controlling a tandem hybrid aircraft according to claim 1, wherein the first solenoid valve, the second solenoid valve, the third solenoid valve and the fourth solenoid valve are electrically connected to a control device, the first solenoid valve, the second solenoid valve, the third solenoid valve and the fourth solenoid valve are controlled by the control device, and the control device controls the opening and closing of the first solenoid valve, the second solenoid valve, the third solenoid valve and the fourth solenoid valve and adjusts the opening of the first solenoid valve, the second solenoid valve, the third solenoid valve and the fourth solenoid valve, so as to control the flow rate of the cooling liquid for cooling the generator, the integrated controller, the driving motor controller and the driving motor, respectively, thereby achieving the respective control of the temperature of the generator, the integrated controller, the driving motor controller and the driving motor.
9. The control method of the series hybrid electric aircraft as claimed in claim 6, wherein when the storage power of the power battery is greater than the output power of the electric drive system, the hybrid electric aircraft is in a pure electric operation mode, the power battery, the drive motor controller, the power management control module and the propeller form a closed-loop pure electric system, and the integrated controller monitors the storage power of the power battery in real time; when the hybrid power aircraft is in the processes of taking off, climbing and landing, if the storage power of the power battery is lower than the storage power safety value of the power battery, the hybrid power aircraft needs to be switched to an oil control working mode; when the hybrid power aircraft reaches the cruising altitude, if the storage power of the power battery is larger than the storage power safety value of the power battery and is higher than the storage power safety value of the power battery, the hybrid power aircraft needs to be switched to an oil-control working mode and an oil-electric hybrid working mode;
when the hybrid power aircraft is in a climbing takeoff or landing stage, if the storage power of the power battery is lower than the storage power safety value of the power battery, the hybrid power aircraft is in an oil control working mode, the range increasing system works with the maximum generated energy, the generated energy of the range increasing system is directly consumed by the electric driving system, at the moment, the rotor engine drives the generator to generate electricity to provide electric energy for the driving motor and the power battery, and the power battery is charged; if the storage power of the power battery is larger than the storage power safety value of the power battery, when the hybrid aircraft reaches the cruising height, the hybrid aircraft is in an oil control or oil-electricity hybrid working mode, and the pure electric closed-loop control is added into an oil control closed-loop control system formed by an increase range system, a driving motor controller, a power management control module and a propeller; if the generated power of the range-increasing system is larger than the output power of the electric drive system, the rotor engine drives the generator to generate electricity, one part of electric energy is provided to the drive motor, and the other part of electric energy is provided to the power battery to charge the power battery; if the generated power of the range-increasing system is smaller than the output power of the electric drive system, the range-increasing system and the power battery jointly supply power to the drive motor at the moment.
10. The control method of the series hybrid electric aircraft according to claim 6, wherein when the hybrid electric aircraft is in an oil-electric hybrid operation mode, the range-increasing system charges the power battery only on the premise that the generated power of the range-increasing system meets the output power of the electric drive system until the charging amount of the power battery reaches a charging safety value, the hybrid electric aircraft is switched to a pure electric operation mode, the storage power of the power battery is consumed by the output power of the electric drive system, the storage power of the power battery is lower than the storage power safety value of the power battery, the hybrid electric aircraft enters a hybrid state, the pure electric, oil-control and oil-electric hybrid control operation modes are switched in real time according to different detected power amounts and working conditions, and the cycle is repeated;
the power battery, the driving motor controller, the power management control module and the propeller form a closed-loop pure electric system, the power management control module detects the output power of the propeller according to a rotating speed instruction given by the accelerator push rod so as to control the discharge capacity of the power battery, and the driving motor controls the rotating speed by adopting a double closed-loop vector control strategy; according to the storage power of the power battery and the output power of the propeller, the opening of an electronic air door of the rotary engine is adjusted, the generated energy of the range increasing system is adjusted, and a closed-loop control system of the opening of the air door of the rotary engine and the generated energy is formed.
CN201810336908.8A2018-04-162018-04-16Tandem type hybrid power aircraft and control method thereofActiveCN108528735B (en)

Priority Applications (1)

Application NumberPriority DateFiling DateTitle
CN201810336908.8ACN108528735B (en)2018-04-162018-04-16Tandem type hybrid power aircraft and control method thereof

Applications Claiming Priority (1)

Application NumberPriority DateFiling DateTitle
CN201810336908.8ACN108528735B (en)2018-04-162018-04-16Tandem type hybrid power aircraft and control method thereof

Publications (2)

Publication NumberPublication Date
CN108528735A CN108528735A (en)2018-09-14
CN108528735Btrue CN108528735B (en)2021-06-29

Family

ID=63480194

Family Applications (1)

Application NumberTitlePriority DateFiling Date
CN201810336908.8AActiveCN108528735B (en)2018-04-162018-04-16Tandem type hybrid power aircraft and control method thereof

Country Status (1)

CountryLink
CN (1)CN108528735B (en)

Families Citing this family (9)

* Cited by examiner, † Cited by third party
Publication numberPriority datePublication dateAssigneeTitle
CN111942598A (en)*2020-08-172020-11-17天津轩云科技有限公司Unmanned aerial vehicle multi-source hybrid power energy management intelligent control system and method
CN112758335B (en)*2021-01-202023-10-27南京航空航天大学 A hybrid hybrid unmanned aerial vehicle power system and its control method
JP7542461B2 (en)*2021-03-092024-08-30本田技研工業株式会社 Aircraft Propulsion Systems
US11340308B1 (en)2021-04-272022-05-24Beta Air, LlcSystem and method for state determination of a battery module configured for used in an electric vehicle
US12221008B2 (en)2021-04-272025-02-11Beta Air, LlcSystem and method for state determination of a battery module configured for use in an electric aircraft
CN113277095B (en)*2021-05-252022-05-24南京航空航天大学 A system and method for energy management of series-type hybrid electric unmanned aerial vehicle
JP7606953B2 (en)*2021-10-072024-12-26愛三工業株式会社 Multicopter
CN114074763B (en)*2021-11-092023-02-10南京航空航天大学 A series hybrid propulsion system and design method based on a turboshaft engine
CN119460127A (en)*2024-12-242025-02-18厦门大学 Control method of series hybrid aircraft

Citations (6)

* Cited by examiner, † Cited by third party
Publication numberPriority datePublication dateAssigneeTitle
CN105711826A (en)*2016-03-312016-06-29陈萌Tandem type oil-electric hybrid unmanned aerial vehicle
CN106275457A (en)*2016-09-192017-01-04中电科芜湖钻石飞机设计研究院有限公司A kind of hybrid power aeroplane distance increasing unit
CN106314809A (en)*2016-09-192017-01-11中电科芜湖钻石飞机设计研究院有限公司Fixed wing type hybrid power motorplane
CN106564603A (en)*2016-11-022017-04-19沈阳航空航天大学Tandem type gas-electric hybrid power system of general-purpose airplane
CN107600438A (en)*2017-10-162018-01-19北京大白科技有限公司A kind of airborne tandem oil electric mixed dynamic system
CN107878762A (en)*2017-11-282018-04-06北京正兴弘业科技有限公司A kind of long endurance unmanned aircraft oil electric mixed dynamic system and control method

Family Cites Families (2)

* Cited by examiner, † Cited by third party
Publication numberPriority datePublication dateAssigneeTitle
US20170291712A1 (en)*2016-04-082017-10-12Hamilton Sundstrand CorporationHybrid electric aircraft propulsion incorporating a recuperated prime mover
CN106314110A (en)*2016-09-122017-01-11法乐第(北京)网络科技有限公司Electric vehicle assembly cooling system and method and electric vehicle comprising system

Patent Citations (6)

* Cited by examiner, † Cited by third party
Publication numberPriority datePublication dateAssigneeTitle
CN105711826A (en)*2016-03-312016-06-29陈萌Tandem type oil-electric hybrid unmanned aerial vehicle
CN106275457A (en)*2016-09-192017-01-04中电科芜湖钻石飞机设计研究院有限公司A kind of hybrid power aeroplane distance increasing unit
CN106314809A (en)*2016-09-192017-01-11中电科芜湖钻石飞机设计研究院有限公司Fixed wing type hybrid power motorplane
CN106564603A (en)*2016-11-022017-04-19沈阳航空航天大学Tandem type gas-electric hybrid power system of general-purpose airplane
CN107600438A (en)*2017-10-162018-01-19北京大白科技有限公司A kind of airborne tandem oil electric mixed dynamic system
CN107878762A (en)*2017-11-282018-04-06北京正兴弘业科技有限公司A kind of long endurance unmanned aircraft oil electric mixed dynamic system and control method

Also Published As

Publication numberPublication date
CN108528735A (en)2018-09-14

Similar Documents

PublicationPublication DateTitle
CN108528735B (en)Tandem type hybrid power aircraft and control method thereof
KR102249662B1 (en)Marine integrated power control management system
US10486684B2 (en)HEV energy management for high performance operation
US20240034479A1 (en)Controlling hybrid-electric or all-electric powertrains and propulsion systems
CN114750964B (en)Hybrid power energy refrigeration integrated scheme based on superconducting generator
CN105275627B (en)A kind of mixed ejector half heat management system of automobile intelligent
CN117585170A (en)Distributed multi-oar vertical take-off and landing aircraft hybrid power system and management method
CN108327917B (en)Tandem type hybrid power aircraft cooling system
CN114498795A (en) An energy management method for a marine DC hybrid power system
CN108494167A (en)The electric mixed power supply system of oil, method of supplying power to for vertical take-off and landing drone
CN119460127A (en) Control method of series hybrid aircraft
CN108454864A (en)General-purpose aircraft series connection type hybrid power system
WO2023040191A1 (en)Zero-carbon ship power system, and method for driving ship
CN112721659A (en)Energy-conserving battery energy recuperation system of new energy automobile intelligence
CN112078772B (en) A hybrid power system of a marine internal combustion engine and a fuel cell and its control method
CN112706929A (en)Hybrid power system for fixed wing unmanned aerial vehicle and propelling method
CN117602132A (en)Hydrogen-electricity hybrid power energy system architecture and energy distribution method
CN208070036U (en)Serial mixed power aircraft cooling system
US20170136915A1 (en)Power System Using Switched Reluctance Motor as Power Transformer
CN117944911B (en)Hydrogen gas turbine unmanned aerial vehicle and control method thereof
Meng et al.Research on the energy management strategy of range extended fuel cell electric vehicle
CN120081000B (en) Aircraft hybrid electric power cabin thermal management system and control method thereof
CN116692059B (en)Energy optimization management method and distributed hybrid power system of unmanned aerial vehicle platform
CN215646182U (en)Power supply system for hybrid aircraft
CN115514047B (en) Hydrogen-electric-thermal multi-source hybrid system for driving motors

Legal Events

DateCodeTitleDescription
PB01Publication
PB01Publication
SE01Entry into force of request for substantive examination
SE01Entry into force of request for substantive examination
GR01Patent grant
GR01Patent grant

[8]ページ先頭

©2009-2025 Movatter.jp