Movatterモバイル変換


[0]ホーム

URL:


CN108511905B - Antenna system and mobile terminal - Google Patents

Antenna system and mobile terminal
Download PDF

Info

Publication number
CN108511905B
CN108511905BCN201810355478.4ACN201810355478ACN108511905BCN 108511905 BCN108511905 BCN 108511905BCN 201810355478 ACN201810355478 ACN 201810355478ACN 108511905 BCN108511905 BCN 108511905B
Authority
CN
China
Prior art keywords
frequency band
conductive frame
switch module
antenna system
slot
Prior art date
Legal status (The legal status is an assumption and is not a legal conclusion. Google has not performed a legal analysis and makes no representation as to the accuracy of the status listed.)
Expired - Fee Related
Application number
CN201810355478.4A
Other languages
Chinese (zh)
Other versions
CN108511905A (en
Inventor
顾亮
周林
Current Assignee (The listed assignees may be inaccurate. Google has not performed a legal analysis and makes no representation or warranty as to the accuracy of the list.)
Guangdong Oppo Mobile Telecommunications Corp Ltd
Original Assignee
Guangdong Oppo Mobile Telecommunications Corp Ltd
Priority date (The priority date is an assumption and is not a legal conclusion. Google has not performed a legal analysis and makes no representation as to the accuracy of the date listed.)
Filing date
Publication date
Application filed by Guangdong Oppo Mobile Telecommunications Corp LtdfiledCriticalGuangdong Oppo Mobile Telecommunications Corp Ltd
Priority to CN201810355478.4ApriorityCriticalpatent/CN108511905B/en
Publication of CN108511905ApublicationCriticalpatent/CN108511905A/en
Application grantedgrantedCritical
Publication of CN108511905BpublicationCriticalpatent/CN108511905B/en
Expired - Fee Relatedlegal-statusCriticalCurrent
Anticipated expirationlegal-statusCritical

Links

Images

Classifications

Landscapes

Abstract

Translated fromChinese

本申请涉及一种天线系统和移动终端,该天线系统包括导电边框、第一开缝、第二开缝、第一馈电点,第一开关模块及第二开关模块,其中,第一开缝和第二开缝将导电边框分隔为第一导电边框和第二导电边框;第一馈电点,电连接至第一导电边框,以馈入天线信号;第一开关模块连接第一导电边框,以调节第一导电边框辐射的第一频段和第二频段的频率;第二开关模块连接第二导电边框,以调节第二导电边框辐射的第三频段的频率。因此,上述天线体统通过设置两个开关模块,实现了多个频段的频率自由切换,从而增加了天线辐射的频率带宽,提高了天线性能。

Figure 201810355478

The present application relates to an antenna system and a mobile terminal. The antenna system includes a conductive frame, a first slit, a second slit, a first feed point, a first switch module and a second switch module, wherein the first slit and the second slit to separate the conductive frame into a first conductive frame and a second conductive frame; the first feeding point is electrically connected to the first conductive frame to feed the antenna signal; the first switch module is connected to the first conductive frame, to adjust the frequencies of the first frequency band and the second frequency band radiated by the first conductive frame; the second switch module is connected to the second conductive frame to adjust the frequency of the third frequency band radiated by the second conductive frame. Therefore, the above-mentioned antenna system realizes free switching of frequencies of multiple frequency bands by setting two switch modules, thereby increasing the frequency bandwidth of the antenna radiation and improving the performance of the antenna.

Figure 201810355478

Description

Antenna system and mobile terminal
Technical Field
The present application relates to the field of antenna technology, and in particular, to an antenna system and a mobile terminal.
Background
With the development of wireless communication technology, the communication function of the mobile terminal becomes more and more powerful, and a single antenna cannot meet the requirement of multi-band wireless communication. Therefore, many mobile terminals are equipped with multiple antennas to transmit and receive wireless signals in different frequency bands.
However, the frequency of the radiation frequency band of the conventional multiple antennas is single, and free switching of the frequency of the multiple frequency bands cannot be realized, so that the frequency bandwidth radiated by the antennas is narrow, and the performance of the antennas is low.
Disclosure of Invention
The embodiment of the application provides an antenna system and a mobile terminal, which can realize free frequency switching of a plurality of frequency bands.
The utility model provides an antenna system, includes electrically conductive frame, it cracks with the second to be equipped with first slotting on the electrically conductive frame, first slotting with the second cracks with electrically conductive frame is separated for first electrically conductive frame and the electrically conductive frame of second, antenna system still includes:
a first feeding point electrically connected to the first conductive frame for feeding an antenna signal to enable the first conductive frame to radiate frequencies of a first frequency band and a second frequency band;
one end of the first switch module is electrically connected to the first conductive frame, and the other end of the first switch module is grounded; the first switch module is used for adjusting the frequencies of a first frequency band and a second frequency band;
one end of the second switch module is electrically connected to the second conductive frame, and the other end of the second switch module is grounded; the second conductive bezel is coupled to the first conductive bezel to radiate a frequency of a third frequency band, and the second switch module is configured to adjust the frequency of the third frequency band.
In addition, a mobile terminal is also provided, which comprises the antenna system built in the mobile terminal.
The antenna system comprises a conductive frame, a first slot, a second slot, a first feed point, a first switch module and a second switch module, wherein the conductive frame is divided into a first conductive frame and a second conductive frame by the first slot and the second slot; the first feeding point is electrically connected to the first conductive frame so as to feed an antenna signal; the first switch module is connected with the first conductive frame so as to adjust the frequencies of a first frequency band and a second frequency band radiated by the first conductive frame; the second switch module is connected with the second conductive frame to adjust the frequency of a third frequency band radiated by the second conductive frame. Therefore, the antenna system realizes free switching of frequencies of multiple frequency bands by arranging the two switch modules, so that the frequency bandwidth of antenna radiation is increased, and the antenna performance is improved.
Drawings
In order to more clearly illustrate the embodiments of the present application or the technical solutions in the prior art, the drawings used in the description of the embodiments or the prior art will be briefly described below, it is obvious that the drawings in the following description are only some embodiments of the present application, and for those skilled in the art, other drawings can be obtained according to the drawings without creative efforts.
Fig. 1 is a schematic diagram illustrating an internal area and an outer frame of a mobile terminal according to an embodiment;
FIG. 2 is a schematic diagram of an antenna system in one embodiment;
fig. 3 is a schematic structural diagram of an antenna system in another embodiment;
fig. 4 is a schematic structural diagram of an antenna system in another embodiment;
FIG. 5(a) is a schematic diagram of a first switch module in one embodiment;
FIG. 5(b) is a schematic structural diagram of a first switch module in another embodiment;
FIG. 5(c) is a schematic structural diagram of a first switch module in another embodiment;
FIG. 5(d) is a schematic structural diagram of a first switch module in another embodiment;
fig. 6 is a schematic structural diagram of an antenna system in another embodiment;
fig. 7 is a schematic structural diagram of an antenna system in another embodiment;
FIG. 8 is a schematic structural diagram illustrating the location of a first slot and a second slot in one embodiment;
fig. 9 is a schematic structural view of the positions of the first slit and the second slit in another embodiment;
fig. 10 is a schematic structural diagram of an antenna system in another embodiment;
fig. 11 is a schematic structural diagram of a mobile terminal in one embodiment.
Detailed Description
In order to make the objects, technical solutions and advantages of the present application more apparent, the present application is described in further detail below with reference to the accompanying drawings and embodiments. It should be understood that the specific embodiments described herein are merely illustrative of the present application and are not intended to limit the present application.
It will be understood that, as used herein, the terms "first," "second," and the like may be used herein to describe various elements, but these elements are not limited by these terms. These terms are only used to distinguish one element from another. For example, a first slot may be referred to as a second slot, and similarly, a second slot may be referred to as a first slot, without departing from the scope of the present application. The first and second slots are both slots, but they are not the same slot.
As shown in fig. 1, an outer frame of the mobile terminal is aconductive frame 100, and theconductive frame 100 is a part of the antenna system; a clearance area A and a mainboard area B are formed in the mobile terminal, the antenna system is arranged in the clearance area A, at least oneslot 1x is formed in a conductive frame at the clearance area A, and signal radiation can be achieved through theslot 1 x. In one embodiment, the mobile terminal may be a communication module including a mobile phone, a tablet computer, a notebook computer, a palm computer, a Mobile Internet Device (MID), a wearable device (e.g., a smart watch (such as iWatch), a smart band, a pedometer, etc.), or other antenna.
In one embodiment, as shown in fig. 2, an antenna system includes:
theconductive frame 100 is provided with afirst slit 10 and asecond slit 11, and thefirst slit 10 and thesecond slit 11 divide theconductive frame 100 into a firstconductive frame 110 and a secondconductive frame 120. That is, a firstconductive frame 110 is formed between thefirst slit 10 and thesecond slit 11, and a secondconductive frame 120 is formed on the side of thesecond slit 11 away from thefirst slit 10. In one embodiment, thefirst slot 10 and thesecond slot 11 may be located at any one side of theconductive bezel 100, and the radiation of the electromagnetic signal may be realized through thefirst slot 10 and thesecond slot 11. Further, thefirst slit 10 and thesecond slit 11 are disposed on the conductive frame at the clearance area a, and the two slits divide theconductive frame 100 into the firstconductive frame 110 and the remaining secondconductive frame 120 at the clearance area a. Alternatively, theconductive bezel 100 is made of a metal material.
It should be understood that in the present embodiment, theconductive bezel 100 is used as a part of an antenna for radiating and receiving electromagnetic signals, and the antenna includes: an IFA (Inverted F Antenna) structure, a Monopole (Monopole) structure, and a Loop (Loop) structure, which are not particularly limited.
Thefirst feeding point 30 is electrically connected to the firstconductive frame 110, and is configured to feed an antenna signal, so that the firstconductive frame 110 radiates frequencies in the first frequency band and the second frequency band. Wherein thefirst feeding point 30 can be connected to any position on the firstconductive bezel 110. In one embodiment, when thefirst feeding point 30 is connected to the central position on the firstconductive frame 110, two radiating sections with equal length are respectively formed at the connection position to thefirst slot 10 and thesecond slot 11, wherein the two radiating sections respectively radiate the frequency of the first frequency band and the frequency of the second frequency band, and the first frequency band and the second frequency band may be the same frequency band or different frequency bands; when thefirst feeding point 30 is connected to a non-central position on the firstconductive frame 110, two radiating sections with different lengths are respectively formed at the connection position to thefirst slot 10 and thesecond slot 11, wherein the two radiating sections respectively radiate the frequency of the first frequency band and the frequency of the second frequency band, and the first frequency band and the second frequency band may be the same frequency band or different frequency bands.
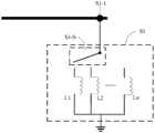
A first switch module S1, one end of which is electrically connected to the firstconductive frame 110 and the other end of which is grounded; the first switching module S1 is used to adjust the frequencies of the first frequency band and the second frequency band. The first switch module S1 is provided with a switching circuit for adjusting different frequencies, and the frequencies of the first frequency band and the second frequency band can be adjusted by the switching circuit according to different radiation frequency requirements. Optionally, the first frequency band is a high frequency band, and the second frequency band is a low frequency band.
A second switch module S2, one end of which is electrically connected to the secondconductive frame 120 and the other end of which is grounded; the secondconductive bezel 120 is coupled to the firstconductive bezel 110 to radiate a third band of frequencies, and the second switching module S2 is used to adjust the third band of frequencies. The secondconductive frame 120 is divided into a conductive frame section in the range of the clearance area a and a conductive frame section in the range of the mainboard area B; the second switch module S2 is connected to the conductive bezel segment of the secondconductive bezel 120 in the clearance area a, and a parasitic radiation segment is formed between the connection point and the slot (thefirst slot 10 or the second slot 11), and the parasitic radiation segment can be coupled to the radiation segment of the firstconductive bezel 110 to radiate the frequency of the third frequency band. The second switch module S2 is provided with a switching circuit for adjusting different frequencies, and the frequency of the third frequency band can be adjusted through the switching circuit according to different radiation frequency requirements. Optionally, the third frequency band is a middle frequency band.
In the antenna system, the first switch module S1 is electrically connected to the firstconductive frame 110, and the second switch module S2 is electrically connected to the secondconductive frame 120, so that the frequencies of the first frequency band and the second frequency band radiated by the firstconductive frame 110 and the frequencies of the third frequency band radiated by the secondconductive frame 120 can be freely switched. For example, when the switching circuit of the first switching module S1 is turned on, the frequency of the first frequency band and the frequency of the second frequency band may be adjusted by adjusting the switching circuit thereof; when the switching circuit of the first switch module S1 is turned off, the radiating section on the first conductive frame 110 (the radiating section radiates a first frequency band or a second frequency band) is coupled to the parasitic radiating section on the secondconductive frame 120, and the frequency of the third frequency band is radiated through the parasitic radiating section, and the frequency of the third frequency band can be adjusted by adjusting the switching circuit of the second switch module S2 connected to the secondconductive frame 120. Therefore, the antenna system of the embodiment realizes free frequency switching of multiple frequency bands, thereby increasing the frequency bandwidth of antenna radiation and improving the antenna performance.
In one embodiment, as shown in fig. 3, thefirst feed point 30 is electrically connected to a first access point 30-1 on the firstconductive bezel 110, the first access point 30-1 being located on a side near thesecond slot 11; one end of the first switching module S1 is electrically connected to a first contact point S1-1 on the firstconductive bezel 110, the first contact point S1-1 being located between the first access point 30-1 and thesecond slot 11; first access point 30-1 andsecond slot 11 form a firstradiating section 111 therebetween for radiating a first frequency band, and first access point 30-1 andfirst slot 10 form a secondradiating section 112 therebetween for radiating a second frequency band.
In this embodiment, the length of the first radiatingsection 111 is smaller than the length of the second radiatingsection 112. It should be appreciated that the conversion efficiency of transmission and reception of the radiating section is highest when the length of the radiating section is 1/4 times the wavelength of the electromagnetic signal. Thus, the length of the radiating section will be determined according to the frequency, i.e. wavelength, of the transmitted and received signals, i.e. the wavelength of the transmitted and received signals is divided by 4 to obtain the optimal radiating section length. For example, the frequency of the low frequency band is lower, the wavelength is longer, and the length of the optimal radiation section is longer than that of the high frequency band, so that two sections of radiation sections with a long section and a short section are set to be beneficial to matching the frequencies of the low frequency band and the high frequency band, that is, in this embodiment, thesecond radiation section 112 with a longer length is used for receiving and transmitting the frequency of the low frequency band, and thefirst radiation section 111 with a shorter length is used for receiving and transmitting the frequency of the high frequency band, so that the radiation section and the receiving and transmitting frequency band are effectively matched.
In an embodiment, referring to fig. 3, the antenna system further comprises a firstground feed point 20. The firstground feed point 20 is located at a side close to thefirst slot 10 and is electrically connected to the firstconductive bezel 110. It should be understood that thefirst feeding point 30, thefirst radiating section 111 and the first switching module S1 form a first loop, and the signal path of the loop is: thefirst feeding point 30 → thefirst radiating segment 111 → the first switch module S1. Thefirst feeding point 30, thesecond radiating section 112 and the firstground feeding point 20 form a second loop, and the signal path of the loop is: thefirst feed point 30 → thesecond radiating segment 112 → the firstground feed point 20. In one embodiment, the first switching module S1 may adjust a built-in capacitance or inductance to adjust the frequency of the first frequency band radiated by thefirst radiating section 111 and the frequency of the second frequency band radiated by thesecond radiating section 112. For example, when the switching circuit of the first switch module S1 is turned on, the impedance of the loop can be adjusted (corresponding to the adjustment of the length of thefirst radiating section 111 or the second radiating section 112) by adjusting the capacitance or the inductance in the switching circuit, so as to adjust the frequency of the first frequency band matched with thefirst radiating section 111 and the frequency of the second frequency band matched with thesecond radiating section 112. Further, the first frequency band is a high frequency band, and the second frequency band is a low frequency band.
In one embodiment, referring to fig. 3, one end of the second switching module S2 is electrically connected to a second contact point S2-1 on the secondconductive bezel 120, and a parasitic radiation segment L0 is formed between the second contact point S2-1 and thesecond slot 11; thefirst radiation section 111 couples the parasitic radiation section L0 and radiates a frequency of the third frequency band through the parasitic radiation section L0.
In this embodiment, thefirst radiation section 111 is used for radiating a frequency of a high frequency band. It can be understood that, by adjusting the capacitance or inductance built in the first switch module S1, the first switch module S1 is opened, so that thefirst radiation section 111 is coupled to the parasitic radiation section L0, and radiates the frequency of the third frequency band through the L0. Further, by adjusting the capacitance or inductance built in the second switch module S2, the frequency of the third frequency band radiated by the parasitic radiation segment L0 can be adjusted. For example, when the switching circuit of the first switch module S1 is broken, that is, by adjusting the capacitance or inductance of the switching circuit of the first switch module S1, the breaking of the switching circuit of the first switch module S1 is realized. At this time, thefirst radiating section 111 is coupled to the parasitic radiating section L0, and radiates a frequency of the third frequency band through the parasitic radiating section L0, and the frequency adjustment of the third frequency band is achieved by adjusting the size of the capacitance or the inductance of the switching circuit of the second switching module S2 connected to the parasitic radiating section L0.
It should be understood that the frequency of the high band radiated by thefirst radiation section 111 when the parasitic radiation section L0 is not coupled is equivalent to lengthening the length of thefirst radiation section 111 when thefirst radiation section 111 is coupled to the parasitic radiation section L0, resulting in a reduction in radiation frequency. Therefore, the third frequency band radiated by the parasitic radiation segment L0 is the middle frequency band. In one embodiment, the frequency ranges of the low band, the middle band and the high band are as follows: the low frequency band is 50HZ to 300HZ, the middle frequency band is 1250HZ to 3300HZ, and the high frequency band is over 6500 HZ.
In one embodiment, as shown in fig. 4, thefirst feed point 30 is electrically connected to a first access point 30-1 on the firstconductive bezel 110, the first access point 30-1 being located near one side of thefirst slot 10; one end of the first switch module S1 is electrically connected to a first contact point S1-1 on the firstconductive bezel 110, and the first contact point S1-1 is located at a side close to thesecond slit 11; first access point 30-1 andfirst slot 10 form afirst radiating section 111 therebetween for radiating a first frequency band, and first access point 30-1 andsecond slot 11 form asecond radiating section 112 therebetween for radiating a second frequency band.
In this embodiment, the antenna system further includes a firstground feed point 20, and the firstground feed point 20 is located between thefirst slot 10 and the first access point 30-1 and electrically connected to the firstconductive frame 110. It should be understood that the length of thefirst radiating section 111 is less than the length of thesecond radiating section 112. Thefirst feeding point 30, thefirst radiating section 111 and the firstground feeding point 20 form a first loop, and the signal path of the loop is: thefirst feeding point 30 → thefirst radiating segment 111 → the firstground feeding point 20. Thefirst feeding point 30, thesecond radiating section 112 and the first switch module S1 form a second loop, and the signal path of the loop is: thefirst feeding point 30 → thesecond radiating segment 112 → the first switch module S1. In one embodiment, the function of the first switch module S1 is the same as that in fig. 3, and is not described in detail herein.
In one embodiment, referring to fig. 4, one end of the second switching module S2 is electrically connected to a second contact point S2-1 on the secondconductive bezel 120, and a parasitic radiation segment L0 is formed between the second contact point S2-1 and thesecond slot 11; thesecond radiation section 112 couples the parasitic radiation section L0 and radiates a frequency of the third frequency band through the parasitic radiation section L0.
It should be understood that thesecond radiation section 112 is a low frequency band, and the frequency of the low frequency band radiated by thesecond radiation section 112 when the parasitic radiation section L0 is not coupled is equivalent to lengthening the length of thesecond radiation section 112 when the parasitic radiation section L0 is coupled by thesecond radiation section 112, which results in reducing the radiation frequency. Therefore, the third frequency band radiated by the parasitic radiation segment L0 is a frequency lower than the low frequency band. As can be seen, by coupling thesecond radiation section 112 to the parasitic radiation section L0, the bandwidth of the low frequency band can be extended, and radiation of a lower frequency is realized, thereby improving the radiation performance of the antenna system.
In one embodiment, the first switch module S1 and the second switch module S2 each include at least one capacitor and/or inductor. It should be understood that the first switch module S1 and the second switch module S2 may have the same structure or different structures. For example, where the first and second switch modules S1 and S2 are capable of their functions, the first switch module S1 may be referred to as the second switch module S2, and similarly, the second switch module S2 may be referred to as the first switch module S1. The first switch module S1 is referred to as the second switch module S2 both being switch modules, but not the same switch module. For convenience of description, the first switch module S1 is taken as an example.
In one embodiment, as shown in fig. 5(a), the first switch module S1 includes an adjustable capacitor C having one end connected to the first contact point S1-1 and the other end connected to ground. It is to be understood that the first switch module S1 may also be composed of a plurality of adjustable capacitors C connected in series or in parallel, and is not limited herein.
In one embodiment, as shown in fig. 5(b), the first switch module S1 includes an adjustable inductor L, one end of the adjustable inductor L is connected to the first contact point S1-1, and the other end is connected to ground. It is to be understood that the first switch module S1 may also be composed of a plurality of adjustable inductors L connected in series or in parallel, and is not limited herein.
In one embodiment, as shown in fig. 5(C), the first switch module S1 includes a parallel circuit of an adjustable capacitor C and an adjustable inductor L, one end of the parallel circuit is connected to the first contact point S1-1, and the other end is connected to ground. It is to be understood that the first switch module S1 may also be a device composed of a plurality of adjustable capacitors C and adjustable inductors L connected in series or in parallel, and is not limited herein.
In one embodiment, as shown in FIG. 5(d), the first switch module S1 includes a single-pole multi-throw switch S1-S and a plurality of fixed inductors connected in parallel and having different resistance values. Wherein, the constant value inductance includes: l1, L2 … … Ln, n is the number of constant value inductors, the specific number is determined according to the antenna radiation frequency requirement, and is not limited herein. In one embodiment, the single-pole multi-throw switch S1-S has one end connected to the first contact point S1-1 and the other end connected to each fixed value inductor, and the fixed value inductors are connected in parallel and then grounded. On the one hand, when the single-pole multi-throw switch S1-S is connected with a certain value of inductance, referring to fig. 3 and 4, the loop where thefirst radiating section 111 and thesecond radiating section 112 are located is turned on, so that thefirst radiating section 111 and thesecond radiating section 112 respectively radiate the frequency of the first frequency band and the frequency of the second frequency band, and the frequency of the first frequency band and the frequency of the second frequency band can be finely adjusted by switching the single-pole multi-throw switch S1-S. On the other hand, when the single-pole multi-throw switch S1-S is turned off, referring to fig. 3, thefirst radiating section 111 is coupled to the parasitic radiating section L0 (fig. 4 shows that thesecond radiating section 112 is coupled to the parasitic radiating section L0), and radiates the frequency of the third frequency band through the parasitic radiating section L0, and at this time, the frequency of the third frequency band can be finely adjusted by adjusting the second switch module S2.
In one embodiment, as shown in fig. 6, the antenna system further includes a firstground feed point 20 and a third switching module S3. The firstground feed point 20 is located at a side close to thefirst slot 10, and is electrically connected to the firstconductive frame 110; one end of the third switching module S3 is connected to the firstground feed point 20, and the other end is grounded. It should be appreciated that the third switching module S3 includes at least one capacitance and/or inductance.
In this embodiment, the third switching module S3 is used to assist the first switching module S2 in adjusting the frequency, so that the frequency of the first frequency band and the frequency of the second frequency band are adjusted more accurately. It should be understood that the third switch module S3 has a similar structure to the first switch module S1 and the second switch module S2, and therefore, the description thereof is omitted.
In one embodiment, referring to fig. 6, afirst matching circuit 40 is further disposed between thefirst feeding point 30 and the firstconductive bezel 110. In this embodiment, thefirst matching circuit 40 is configured to match thefirst feeding point 30 with the firstconductive frame 110, so that thefirst radiation section 111 and thesecond radiation section 112 on the firstconductive frame 110 obtain maximum power of electrical signal energy.
In one embodiment, as shown in fig. 7, a thirdconductive frame 130 is formed on a side of thefirst slot 10 away from thesecond slot 11, the thirdconductive frame 130 is provided with athird radiation section 113 with a preset length, and thethird radiation section 113 is used for radiating frequencies in a WIFI frequency band, a 2G frequency band, and a GPS frequency band. In one embodiment, the antenna system is further provided with asecond feeding point 50, thesecond feeding point 50 being electrically connected to a second access point 50-1 on the thirdconductive rim 130. In one embodiment, a grounding point G is further disposed on the thirdconductive frame 130 within the clearance area a, and the predetermined length of thethird radiating section 113 is a distance from the grounding point G to the second access point 50-1. Optionally, the predetermined length is 20mm to 30 mm.
In one embodiment, the frequencies of the WIFI frequency band include 2400MHz-5000 MHz; the frequencies in the 2G band include: 800MHZ to 1800 MHZ; the frequencies of the GPS band include 1200MHz-1600 MHz.
Further, asecond matching circuit 60 is disposed between thethird radiating section 113 and thesecond feeding point 50. Thesecond matching circuit 60 is used to match thesecond feeding point 50 with thethird radiating section 113, so that thethird radiating section 113 obtains the maximum power of the electrical signal energy.
In one embodiment, referring to fig. 2, thefirst slit 10 and thesecond slit 11 are located on the same side of theconductive bezel 100.
In another embodiment, as shown in fig. 8 and 9, thefirst slit 10 and thesecond slit 11 are respectively located at two adjacent or opposite sides of theconductive frame 100. In one embodiment, thefirst slot 10 and thesecond slot 11 are both located on the sides of the conductive bezel within the clearance area a. It can be understood that, in this embodiment, each local feed point, each feed point, and each switch module are correspondingly disposed according to the two slots, which is similar to the case where the two slots are located on the same side of the conductive frame, and are not described herein again.
In one embodiment, a clearance area A, a clearance area C and a main board area B are formed in the mobile terminal. Referring to fig. 2 and 10, the antenna system further includes: athird slit 12 and afourth slit 13. Thethird slit 12 and thefourth slit 13 are disposed on theconductive frame 100 on different sides from thefirst slit 10 and thesecond slit 11. Afourth radiation section 114 is formed between thethird slit 12 and thefourth slit 13 to realize signal radiation.
In one embodiment, thefirst slit 10, thesecond slit 11, thethird slit 12 and thefourth slit 13 divide the conductive bezel into: a firstconductive bezel 110, a leftconductive bezel 131, afourth radiating section 114, and a rightconductive bezel 121.
In one embodiment, the antenna system further includes athird feed point 70 and asecond feed point 80. Thethird feeding point 70 is electrically connected to thefourth radiation section 114, and the connection point 70-1 is close to thethird slit 12 and is used for providing an electrical signal for thefourth radiation section 114; thesecond ground feed 80 is connected to the fourth radiating section 144, and the connection 80-1 is close to thefourth slit 13 for grounding thefourth radiating section 114. It is understood that thethird feeding point 70, thefourth radiation segment 114 and thesecond feeding point 80 form a loop circuit, and the signal path of the loop circuit is:third feed point 70 →fourth radiating segment 114 →second feed point 80. Further, thefourth radiating section 114 is used for transceiving signals in 3G and 4G frequency bands.
It should be appreciated that the leftconductive bezel 131 is grounded to attenuate the interference of the leftconductive bezel 131 with electromagnetic signals.
In this embodiment, thefourth radiation section 114 is a part of the lower communication antenna, and is used for performing signal transceiving of 3G and 4G frequency bands by matching with the firstconductive frame 110 in the upper communication antenna, so as to enhance the signal transceiving efficiency of the 3G and 4G frequency bands. It is understood that thefirst feeding point 30 in this embodiment may also be disposed on the firstconductive frame 110 close to the first slot (see fig. 4 in particular), and details thereof are not repeated herein.
In addition, referring to fig. 8 and 9, thefirst slit 10 and thesecond slit 11 in this embodiment may also be disposed on two adjacent or opposite sides of the conductive bezel. It is understood that thethird slit 12 and thefourth slit 13 may be disposed adjacent to or on both sides of the conductive bezel. As long as thefirst slit 10 and thesecond slit 11 are located in the clearance area a and thethird slit 12 and thefourth slit 13 are located in the clearance area C, there is no particular limitation.
The embodiment of the invention also provides a mobile terminal which comprises the antenna system in the embodiment. The narrow clearance area of the mobile terminal with the antenna system of any of the above embodiments can accommodate the antenna system with compact structure layout, thereby improving the antenna performance. As shown in fig. 11, for convenience of illustration, only the portions related to the embodiments of the present invention are shown, and details are not disclosed, please refer to the antenna system portion according to the embodiments of the present invention. This mobile terminal can be including cell-phone, panel computer, notebook computer, palm computer, mobile internet equipment (MID, mobile internet device), wearable equipment (for example intelligent wrist-watch (like iWatch etc.), intelligent bracelet, pedometer etc.) or other communication module that can set up the antenna, use mobile terminal as the cell-phone for example:
fig. 11 is a block diagram of a partial structure of amobile phone 900 related to a mobile terminal according to an embodiment of the present invention. Referring to fig. 11, acellular phone 900 includes: antenna system 910,memory 920,input unit 930,display unit 940,sensor 950,audio circuitry 960, wireless fidelity (WIFI)module 970,processor 980, andpower supply 990. Those skilled in the art will appreciate that the handset configuration shown in fig. 11 is not intended to be limiting and may include more or fewer components than those shown, or some components may be combined, or a different arrangement of components.
The antenna system 910 may be used for receiving and transmitting information or receiving and transmitting signals during a call, and may receive downlink information of a base station and then process the received downlink information to theprocessor 980; the uplink data may also be transmitted to the base station. Thememory 920 may be used to store software programs and modules, and theprocessor 980 may execute various functional applications and data processing of the mobile phone by operating the software programs and modules stored in thememory 920. Thememory 920 may mainly include a program storage area and a data storage area, wherein the program storage area may store an operating system, an application program required for at least one function (such as an application program for a sound playing function, an application program for an image playing function, and the like), and the like; the data storage area may store data (such as audio data, an address book, etc.) created according to the use of the mobile phone, and the like. Further, thememory 920 may include high speed random access memory, and may also include non-volatile memory, such as at least one magnetic disk storage device, flash memory device, or other volatile solid state storage device.
Theinput unit 930 may be used to receive input numeric or character information and generate key signal inputs related to user settings and function control of thecellular phone 900. In one embodiment, theinput unit 930 may include atouch panel 931 andother input devices 932. Thetouch panel 931, which may also be referred to as a touch screen, may collect a touch operation performed by a user on or near the touch panel 931 (e.g., a user operating thetouch panel 931 or near thetouch panel 931 by using a finger, a stylus, or any other suitable object or accessory), and drive the corresponding connection device according to a preset program. In one embodiment, thetouch panel 931 may include two parts of a touch measurement device and a touch controller. The touch measuring device measures the touch direction of a user, measures signals brought by touch operation and transmits the signals to the touch controller; the touch controller receives touch information from the touch measurement device, converts it to touch point coordinates, sends it to theprocessor 980, and can receive and execute commands from theprocessor 980. In addition, thetouch panel 931 may be implemented by various types, such as a resistive type, a capacitive type, an infrared ray, and a surface acoustic wave. Theinput unit 930 may includeother input devices 932 in addition to thetouch panel 931. In one embodiment,other input devices 932 may include, but are not limited to, one or more of a physical keyboard, function keys (e.g., volume control keys, switch keys, etc.), and the like.
Thedisplay unit 940 may be used to display information input by the user or information provided to the user and various menus of the mobile phone. Thedisplay unit 940 may include adisplay panel 941. In one embodiment, theDisplay panel 941 may be configured in the form of a Liquid Crystal Display (LCD), an Organic Light-Emitting Diode (OLED), or the like. In one embodiment, thetouch panel 931 may overlay thedisplay panel 941, and when thetouch panel 931 measures a touch operation on or near thetouch panel 931, the touch operation is transmitted to theprocessor 980 to determine the type of touch event, and then theprocessor 980 provides a corresponding visual output on thedisplay panel 941 according to the type of touch event. Although in fig. 11, thetouch panel 931 and thedisplay panel 941 are two independent components to implement the input and output functions of the mobile phone, in some embodiments, thetouch panel 931 and thedisplay panel 941 may be integrated to implement the input and output functions of the mobile phone.
Cell phone 900 may also include at least onesensor 950, such as a light sensor, motion sensor, and other sensors. In one embodiment, the light sensor may include an ambient light sensor that adjusts the brightness of thedisplay panel 941 according to the brightness of ambient light, and a proximity sensor that turns off thedisplay panel 941 and/or backlight when the mobile phone is moved to the ear. The motion sensor can comprise an acceleration sensor, the acceleration sensor can measure the magnitude of acceleration in each direction, the magnitude and the direction of gravity can be measured when the mobile phone is static, and the motion sensor can be used for identifying the application of the gesture of the mobile phone (such as horizontal and vertical screen switching), vibration identification related functions (such as pedometer and knocking) and the like. The mobile phone may be provided with other sensors such as a gyroscope, a barometer, a hygrometer, a thermometer, and an infrared sensor.
Audio circuitry 960,speaker 961 andmicrophone 962 may provide an audio interface between a user and a cell phone. Theaudio circuit 960 may transmit the electrical signal converted from the received audio data to thespeaker 961, and convert the electrical signal into a sound signal for output by thespeaker 961; on the other hand, themicrophone 962 converts the collected sound signal into an electrical signal, converts the electrical signal into audio data after being received by theaudio circuit 960, and then outputs the audio data to theprocessor 980 for processing, and then the audio data can be transmitted to another mobile phone through the RF circuit 910, or the audio data can be output to thememory 920 for subsequent processing.
WIFI belongs to short-distance wireless transmission technology, and the mobile phone can help a user to receive and send electronic mails, browse webpages, access streaming media and the like through theWIFI module 970, and provides wireless broadband internet access for the user. Although fig. 11 shows theWIFI module 970, it can be understood that the antenna system includes a radiation segment of the WIFI frequency band, that is, thesecond radiation segment 112, and the radiation segment can implement signal transceiving of the WIFI frequency band, so that theWIFI module 970 does not belong to an essential component of themobile phone 900, and can be omitted as needed.
Theprocessor 980 is a control center of the mobile phone, connects various parts of the entire mobile phone by using various interfaces and lines, and performs various functions of the mobile phone and processes data by operating or executing software programs and/or modules stored in thememory 920 and calling data stored in thememory 920, thereby integrally monitoring the mobile phone. In one embodiment,processor 980 may include one or more processing units. In one embodiment, theprocessor 980 may integrate an application processor and a modem processor, wherein the application processor primarily handles operating systems, user interfaces, applications, and the like; the modem processor handles primarily wireless communications. It will be appreciated that the modem processor described above may not be integrated into theprocessor 980.
Thehandset 900 also includes a power supply 990 (e.g., a battery) for supplying power to various components, which may preferably be logically connected to theprocessor 980 via a power management system, such that the power management system may be used to manage charging, discharging, and power consumption.
In one embodiment, thecell phone 900 may also include a camera, a bluetooth module, and the like.
Any reference to memory, storage, database, or other medium used herein may include non-volatile and/or volatile memory. Suitable non-volatile memory can include read-only memory (ROM), Programmable ROM (PROM), Electrically Programmable ROM (EPROM), Electrically Erasable Programmable ROM (EEPROM), or flash memory. Volatile memory can include Random Access Memory (RAM), which acts as external cache memory. By way of illustration and not limitation, RAM is available in a variety of forms, such as Static RAM (SRAM), Dynamic RAM (DRAM), Synchronous DRAM (SDRAM), double data rate SDRAM (DDR SDRAM), Enhanced SDRAM (ESDRAM), synchronous Link (Synchlink) DRAM (SLDRAM), Rambus Direct RAM (RDRAM), direct bus dynamic RAM (DRDRAM), and bus dynamic RAM (RDRAM).
The technical features of the above embodiments can be arbitrarily combined, and for the sake of brevity, all possible combinations of the technical features in the above embodiments are not described, but should be considered as the scope of the present specification as long as there is no contradiction between the combinations of the technical features.
The above-mentioned embodiments only express several embodiments of the present application, and the description thereof is more specific and detailed, but not construed as limiting the scope of the present application. It should be noted that, for a person skilled in the art, several variations and modifications can be made without departing from the concept of the present application, which falls within the scope of protection of the present application. Therefore, the protection scope of the present patent shall be subject to the appended claims.

Claims (10)

1. The utility model provides an antenna system, includes conductive frame, its characterized in that, be equipped with first slotting and the second cracks on the conductive frame, first slotting with the second cracks with conductive frame separates for first conductive frame and the conductive frame of second, antenna system still includes:
a first feeding point electrically connected to the first conductive frame for feeding an antenna signal to enable the first conductive frame to radiate frequencies of a first frequency band and a second frequency band; the first feed point is electrically connected to a first access point on the first conductive bezel, a first radiating segment for radiating a first frequency band is formed between the first access point and the second slot, and a second radiating segment for radiating a second frequency band is formed between the first access point and the first slot;
one end of the first switch module is electrically connected to the first conductive frame, and the other end of the first switch module is grounded; the first switch module is used for adjusting the frequencies of the first frequency band and the second frequency band;
one end of the second switch module is electrically connected to the second conductive frame, and the other end of the second switch module is grounded; the second conductive bezel is coupled to the first conductive bezel to radiate a frequency of a third frequency band, and the second switch module is configured to adjust the frequency of the third frequency band.
2. The antenna system of claim 1, wherein the first access point is located on a side proximate to the second slot; one end of the first switch module is electrically connected to a first contact point on the first conductive bezel, the first contact point being located between the first access point and the second slot.
3. The antenna system of claim 2, wherein one end of the second switch module is electrically connected to a second contact point on the second conductive frame, a parasitic radiation section is formed between the second contact point and the second slot, and the first radiation section is coupled to the parasitic radiation section and radiates a frequency of a third frequency band through the parasitic radiation section.
4. The antenna system of claim 1, wherein the first access point is located on a side proximate to the first slot; one end of the first switch module is electrically connected to a first contact point on the first conductive frame, and the first contact point is located on one side close to the second slot.
5. The antenna system of claim 4, wherein one end of the second switch module is electrically connected to a second contact point on the second conductive bezel, the second contact point and the second slot forming a parasitic radiating section therebetween; the second radiating section is coupled to the parasitic radiating section and radiates a frequency of a third frequency band through the parasitic radiating section.
6. The antenna system of claim 1, wherein the first and second switch modules each comprise at least one capacitance and/or inductance.
7. The antenna system of claim 1, further comprising:
the first ground feed point is positioned on one side close to the first slot and is electrically connected with the first conductive frame;
one end of the third switch module is connected with the first ground feed point, and the other end of the third switch module is grounded; the third switching module comprises at least one capacitance and/or inductance.
8. The antenna system of claim 1, wherein a first matching circuit is further disposed between the first feeding point and the first conductive bezel.
9. The antenna system of claim 1, wherein a third conductive frame is formed on a side of the first slot away from the second slot, the third conductive frame is provided with a third radiation section with a preset length, and the third radiation section is used for radiating frequencies in a WIFI frequency band, a 2G frequency band and a GPS frequency band.
10. A mobile terminal, characterized in that it comprises an antenna system according to any of claims 1 to 9.
CN201810355478.4A2018-04-192018-04-19Antenna system and mobile terminalExpired - Fee RelatedCN108511905B (en)

Priority Applications (1)

Application NumberPriority DateFiling DateTitle
CN201810355478.4ACN108511905B (en)2018-04-192018-04-19Antenna system and mobile terminal

Applications Claiming Priority (1)

Application NumberPriority DateFiling DateTitle
CN201810355478.4ACN108511905B (en)2018-04-192018-04-19Antenna system and mobile terminal

Publications (2)

Publication NumberPublication Date
CN108511905A CN108511905A (en)2018-09-07
CN108511905Btrue CN108511905B (en)2021-03-02

Family

ID=63382864

Family Applications (1)

Application NumberTitlePriority DateFiling Date
CN201810355478.4AExpired - Fee RelatedCN108511905B (en)2018-04-192018-04-19Antenna system and mobile terminal

Country Status (1)

CountryLink
CN (1)CN108511905B (en)

Families Citing this family (27)

* Cited by examiner, † Cited by third party
Publication numberPriority datePublication dateAssigneeTitle
CN111262015A (en)*2018-11-302020-06-09北京小米移动软件有限公司 Antenna and terminal equipment having the same
CN111384582A (en)*2018-12-282020-07-07北京小米移动软件有限公司Antenna assembly and mobile terminal
CN110350295A (en)*2019-06-302019-10-18RealMe重庆移动通信有限公司Wearable electronic equipment
CN112186331B (en)*2019-07-042023-06-30北京小米移动软件有限公司Terminal equipment
CN110828982A (en)*2019-09-272020-02-21珠海格力电器股份有限公司Antenna and shell of mobile terminal and mobile terminal
CN112952354B (en)*2019-12-102023-01-24北京小米移动软件有限公司Antenna module and electronic equipment
CN111092295B (en)*2019-12-162023-04-07闻泰通讯股份有限公司Antenna, antenna adjusting method, terminal and storage medium
CN111129718B (en)*2020-01-162024-02-09努比亚技术有限公司Terminal antenna system and mobile terminal
CN111193101A (en)*2020-02-202020-05-22Oppo广东移动通信有限公司Electronic device
EP4102643A4 (en)2020-02-202023-07-19Guangdong Oppo Mobile Telecommunications Corp., Ltd. ELECTRONIC DEVICE
EP4113741A4 (en)*2020-03-122023-08-02Guangdong Oppo Mobile Telecommunications Corp., Ltd. ANTENNA ARRANGEMENT AND ELECTRONIC DEVICE
WO2021179825A1 (en)*2020-03-122021-09-16Oppo广东移动通信有限公司Antenna assembly and electronic device
CN113517556B (en)*2020-04-102024-09-17深圳富泰宏精密工业有限公司Antenna structure and electronic equipment with same
CN116995414A (en)2020-05-272023-11-03华为技术有限公司 Electronic equipment
CN111585008B (en)*2020-05-292021-08-17上海创功通讯技术有限公司Terminal equipment
CN112467347B (en)*2020-11-032023-06-13Oppo广东移动通信有限公司 A kind of antenna device and electronic equipment
CN114628884A (en)*2020-12-092022-06-14北京小米移动软件有限公司 Antenna modules and electronics
CN114649680B (en)*2020-12-182025-04-04华为技术有限公司 An electronic device
CN114665256B (en)*2020-12-222024-03-01深圳市万普拉斯科技有限公司Antenna structure, mobile terminal and frequency band switching method
CN112751174B (en)*2020-12-292024-01-02Oppo广东移动通信有限公司Antenna assembly and electronic equipment
CN115117598B (en)*2021-03-172024-05-24北京小米移动软件有限公司 Antenna module and terminal device
CN115579615B (en)*2021-06-212025-06-27深圳富泰宏精密工业有限公司 Antenna structure and electronic device having the same
CN113437480B (en)*2021-07-052023-05-12南昌黑鲨科技有限公司Multi-frequency antenna device and mobile terminal
CN113543343B (en)*2021-07-162022-10-25哈尔滨海能达科技有限公司Wireless communication networking method and system
WO2024167292A1 (en)*2023-02-082024-08-15삼성전자주식회사Electronic device comprising antenna
CN119153935A (en)*2023-06-162024-12-17Oppo广东移动通信有限公司Electronic equipment and control method and device thereof
CN118473443B (en)*2023-12-292025-05-06荣耀终端股份有限公司Phase shift circuit, antenna feed control method, radio frequency front end module and electronic equipment

Citations (1)

* Cited by examiner, † Cited by third party
Publication numberPriority datePublication dateAssigneeTitle
CN106450662A (en)*2015-08-132017-02-22三星电子株式会社Electronic device

Family Cites Families (9)

* Cited by examiner, † Cited by third party
Publication numberPriority datePublication dateAssigneeTitle
US9166279B2 (en)*2011-03-072015-10-20Apple Inc.Tunable antenna system with receiver diversity
CN105024160B (en)*2014-04-302019-05-21深圳富泰宏精密工业有限公司The wireless communication device of antenna structure and the application antenna structure
CN105305067B (en)*2015-10-292016-12-14维沃移动通信有限公司A kind of antenna system and mobile terminal
CN205583123U (en)*2016-03-292016-09-14广东欧珀移动通信有限公司 A metal battery cover mobile phone antenna and mobile phone
CN107293855A (en)*2016-03-302017-10-24比亚迪股份有限公司Antenna and the mobile terminal with it
CN205657174U (en)*2016-04-272016-10-19广东欧珀移动通信有限公司Antenna device and mobile terminal
CN105977614B (en)*2016-05-302020-02-07北京小米移动软件有限公司Communication antenna, control method and device of communication antenna and terminal
CN107317095A (en)*2017-06-302017-11-03维沃移动通信有限公司A kind of antenna system and mobile terminal
CN107566577A (en)*2017-09-292018-01-09努比亚技术有限公司Mobile terminal

Patent Citations (1)

* Cited by examiner, † Cited by third party
Publication numberPriority datePublication dateAssigneeTitle
CN106450662A (en)*2015-08-132017-02-22三星电子株式会社Electronic device

Non-Patent Citations (1)

* Cited by examiner, † Cited by third party
Title
应用于4G通信的小型化多频段宽带手机天线研究;胡少启;《中国优秀硕士学位论文全文数据库(信息科技辑)》;20161015(第10期);第1-54页*

Also Published As

Publication numberPublication date
CN108511905A (en)2018-09-07

Similar Documents

PublicationPublication DateTitle
CN108511905B (en)Antenna system and mobile terminal
CN109119758B (en) Antenna Components and Electronics
CN109119747B (en) Antenna Components and Electronics
CN109244645B (en) Antenna Components and Electronics
CN209298341U (en) Antenna units and electronic equipment
US9905908B2 (en)Antenna structure with proximity sensor
US10224602B2 (en)Electronic device with housing slots for antennas
CN109103569B (en)Antenna assembly and electronic equipment
CN108511906A (en)Antenna system and mobile terminal
CN111697318B (en)Wireless communication device
US9722300B2 (en)Antenna module and mobile terminal using the same
CN109495138B (en)Antenna device and electronic apparatus
CN109888460A (en) Portable Communication Device
CN108736134B (en) Antenna components and electronic equipment
CN208923342U (en)Antenna module and electronic equipment
CN108832296A (en)Antenna and mobile terminal with the antenna
CN111509403B (en)Array antenna and electronic device
CN108808212B (en)Antenna system and mobile terminal
KR20150117161A (en)Antenna and Electronic Devices comprising the Same
CN208637584U (en) Antenna Components and Electronics
WO2020187181A1 (en)Antenna apparatus and electronic device
US20170187111A1 (en)Resonant frequency tunable antenna
CN111613894B (en) Antenna assembly, electronic device and antenna performance adjustment method
CN208889831U (en)Antenna module and electronic equipment
CN208836137U (en) RF circuits, antenna assemblies and electronic equipment

Legal Events

DateCodeTitleDescription
PB01Publication
PB01Publication
SE01Entry into force of request for substantive examination
SE01Entry into force of request for substantive examination
GR01Patent grant
GR01Patent grant
CF01Termination of patent right due to non-payment of annual fee

Granted publication date:20210302

CF01Termination of patent right due to non-payment of annual fee

[8]ページ先頭

©2009-2025 Movatter.jp