Movatterモバイル変換


[0]ホーム

URL:


CN108492543B - Host equipment, input control equipment and signal transmission detection method - Google Patents

Host equipment, input control equipment and signal transmission detection method
Download PDF

Info

Publication number
CN108492543B
CN108492543BCN201810223586.6ACN201810223586ACN108492543BCN 108492543 BCN108492543 BCN 108492543BCN 201810223586 ACN201810223586 ACN 201810223586ACN 108492543 BCN108492543 BCN 108492543B
Authority
CN
China
Prior art keywords
signal
connection part
input control
signal connection
input
Prior art date
Legal status (The legal status is an assumption and is not a legal conclusion. Google has not performed a legal analysis and makes no representation as to the accuracy of the status listed.)
Expired - Fee Related
Application number
CN201810223586.6A
Other languages
Chinese (zh)
Other versions
CN108492543A (en
Inventor
游俊坤
Current Assignee (The listed assignees may be inaccurate. Google has not performed a legal analysis and makes no representation or warranty as to the accuracy of the list.)
Qisda Optronics Suzhou Co Ltd
Qisda Corp
Original Assignee
Qisda Optronics Suzhou Co Ltd
Qisda Corp
Priority date (The priority date is an assumption and is not a legal conclusion. Google has not performed a legal analysis and makes no representation as to the accuracy of the date listed.)
Filing date
Publication date
Application filed by Qisda Optronics Suzhou Co Ltd, Qisda CorpfiledCriticalQisda Optronics Suzhou Co Ltd
Priority to CN201810223586.6ApriorityCriticalpatent/CN108492543B/en
Publication of CN108492543ApublicationCriticalpatent/CN108492543A/en
Application grantedgrantedCritical
Publication of CN108492543BpublicationCriticalpatent/CN108492543B/en
Expired - Fee Relatedlegal-statusCriticalCurrent
Anticipated expirationlegal-statusCritical

Links

Images

Classifications

Landscapes

Abstract

The invention provides a host device, an input control device and a signal transmission detection method, wherein the signal transmission detection method comprises the following steps: providing, by the host device, a first level voltage; detecting a signal of a first signal connecting part of the input control equipment through a first detecting unit of the input control equipment; if the first detection unit detects that the signal of the first signal connection part is a first signal, judging that the first signal connection part of the input control equipment is coupled with the second signal connection part of the host equipment; and if the first detection unit detects that the signal of the first signal connection part is a second signal, determining that the first signal connection part of the input control device is not coupled with the second signal connection part of the host device, wherein the first signal is different from the second signal. Therefore, whether the input control equipment is connected with the host equipment or not is accurately judged.

Description

Host equipment, input control equipment and signal transmission detection method
Technical Field
The present invention relates to the field of control signal transmission, and in particular, to a connection detection method for an input control device and a host device.
Background
The conventional remote control by wire control is used to turn off the wireless remote control function, avoid interference and save POWER, because the remote control is designed with a mechanism to detect whether the remote control is in a "wired connection" state with the host, the electrical specifications of the signal connections sleep, Tip and Ring are usually defined first, for example, three connection terminals pin1 (sleep), pin2(Tip) and pin3(Ring) are respectively defined as group, POWER and DATA.
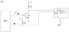
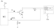
Referring to the schematic circuit design of the remote controller 1a and thehost 2a in fig. 1a and 1b, both ends use a 3pin signal connection part. When thesignal connection part 12a of the remote controller 1a is not connected to thesignal connection part 22a of thehost 2a, the processing unit (MCU)11a of the remote controller 1a detects that the voltage level of the Tip loop is at the low level M, and when thesignal connection part 12a of the remote controller 1a is wired to thesignal connection part 22a of thehost 2a, theprocessing unit 11a of the remote controller 1a detects that the voltage level of the Tip end is at the high level N. Here, thehost 2a provides power Vcc to the pull-up resistor R1 through the pin2(Tip) terminal, and when theprocessing unit 11a of the remote controller 1a sends the signal I1, theprocessing unit 11a of the remote controller 1a transmits DATA (DATA) to thesignal connection 22a of thehost 2a through the pin3(Ring) terminal of thesignal connection 12a of the remote controller 1a and receives the signal I1' to be transmitted to the processing unit (MCU)21a of thehost 2 a.
However, there is a safety concern that the pin2(Tip) of thesignal connection 22a of thehost 2a provides power Vcc, and a safety protection mechanism needs to be additionally provided at thehost 2 a. Therefore, some technicians will use thesignal connection portion 12b with the metal dome switch at theremote controller 1 b.
Referring to theremote controllers 1b and 1 b' and thehost 2b shown in fig. 2a, 2b and 2c, three connection terminals pin1(Sleeve), pin2(Tip) and pin3(Ring) are defined as group, NC and DATA, respectively.
However, thesignal connection parts 12b and 12b 'of the metal dome switch are expensive, and this embodiment will increase the cost of theremote controllers 1b and 1 b'; moreover, as long as there is a wire inserted into thesignal connection parts 12b and 12b ' of theremote controllers 1b and 1b ', the wire is not connected to thesignal connection part 21b of thehost 2b, and the processing unit (MUC) of theremote controllers 1b and 1b ' will determine "wired connection" first, which is likely to cause misjudgment and not meet the actual state.
Therefore, it is necessary to design a new host device, an input control device and a signal transmission detection method to overcome the above-mentioned drawbacks.
Disclosure of Invention
The present invention provides an input control device, a host device and a signal transmission detection method, which can accurately determine whether the input control device is connected to the host device, thereby avoiding erroneous determination.
In order to achieve the above object, the present invention provides a host device for connecting with an input control device to transmit a first signal, the input control device having a first signal connection part and a first detection unit electrically connected to the first signal connection part, the host device comprising a second processing unit having a signal input end; a second signal connection part for coupling with the first signal connection part, the second signal connection part being electrically connected with the signal input terminal; and a level voltage input unit electrically connected to the second signal connection part and the signal input terminal; when the first signal connection part is not coupled with the second signal connection part, the first detection unit detects that the first signal connection part has a first signal; when the first signal connection part is coupled with the second signal connection part, the level voltage input unit provides a first level voltage, the first detection unit detects that the first signal connection part has a second signal, and the first signal is different from the second signal.
Preferably, the second signal connection portion has a contact signal input terminal and a second ground terminal; the contact signal input terminal is electrically connected to the level voltage input unit, and the second ground terminal is connected to ground.
Preferably, the level voltage input unit has a first level voltage input terminal and a first resistor, one end of the first resistor is electrically connected to the first level voltage terminal, and the other end of the first resistor is electrically connected to the contact signal input terminal.
To achieve the above object, the present invention further provides an input control device for connecting with a host device to transmit a first signal, the host device having a second signal connection portion, the input control device comprising: a first detection unit; a first processing unit having a signal output terminal; and a first signal connection part coupled to the signal output end and the first detection unit; when the first signal connection part is not coupled with the second signal connection part, the first detection unit detects that the first signal connection part has a first signal, and when the first signal connection part is coupled with the second signal connection part, the host equipment provides a first level voltage so that the first detection unit detects that the first signal connection part has a second signal, wherein the first signal is different from the second signal.
Preferably, the input control device further comprises: one end of the signal amplifying unit is electrically connected with the signal output end, the other end of the signal amplifying unit is electrically connected with the first signal connecting part, and the first detecting unit is electrically connected between the signal amplifying unit and the first signal connecting part.
Preferably, the signal amplifying unit has a triode, a base of the triode is electrically connected to the signal output terminal, and a collector of the triode is electrically connected to the first signal connecting part.
Preferably, the first signal connecting portion has a contact signal output terminal and a first ground terminal; the contact signal output terminal is coupled to the signal output terminal and the first detection unit, and the first ground terminal is used for connecting a ground terminal.
Preferably, the first detecting unit has a second resistor, one end of the second resistor is connected between the first processing unit and the contact signal output end of the first signal connecting portion, and the other end of the second resistor is connected to ground.
Preferably, when the first detecting unit detects the second signal and the input control device transmits the first signal to the second signal connection portion of the host device through the first signal connection portion, the input control device controls the first detecting unit to stop detecting, and when the input control device does not transmit the first signal to the second signal connection portion of the host device through the first signal connection portion any more, the input control device controls the first detecting unit to continue detecting.
Preferably, after the first detecting unit detects the second signal, if the first detecting unit of the input control device detects the first signal again for a first predetermined time, it is determined that the first signal connecting part is not coupled to the second signal connecting part.
In order to achieve the above object, the present invention further provides a signal transmission detection method for signal transmission between an input control device and a host device, the signal transmission detection method comprising the steps of: providing, by the host device, a first level voltage; detecting a signal of a first signal connecting part of the input control equipment through a first detecting unit of the input control equipment; if the first detection unit detects that the signal of the first signal connection part is a first signal, judging that the first signal connection part of the input control equipment is coupled with the second signal connection part of the host equipment; and if the first detection unit detects that the signal of the first signal connection part is a second signal, determining that the first signal connection part of the input control equipment is not coupled with the second signal connection part of the host equipment, wherein the first signal is different from the second signal.
Compared with the prior art, the input control equipment, the host equipment and the signal transmission detection method provided by the invention have the advantages that the level voltage input unit is arranged on the host equipment, the detection unit is arranged on the input control equipment, and whether the input control equipment is connected with the host equipment or not is judged by detecting the signal change of the signal connecting part of the input control equipment, so that the accuracy of the detection result is ensured; the host equipment provides the level voltage, so that the situation that the detection effect is influenced by the reduction of the level voltage caused by the power consumption of mobile communication equipment such as input control equipment is avoided.
Drawings
FIG. 1a is a schematic circuit diagram of a remote controller according to an embodiment of the prior art;
FIG. 1b is a schematic circuit diagram of a host according to an embodiment of the prior art;
FIG. 2a is a schematic circuit diagram of a remote controller according to another embodiment of the prior art;
FIG. 2b is a schematic circuit diagram of a remote controller according to another embodiment of the prior art;
FIG. 2c is a schematic circuit diagram of a host according to another embodiment of the prior art;
fig. 3a is a schematic circuit structure diagram of an input control device according to an embodiment of the present invention;
FIG. 3b is a schematic circuit diagram of a host device according to an embodiment of the present invention;
fig. 4 is a schematic circuit diagram of a signal transmission detection method according to an embodiment of the invention.
Detailed Description
In order to further understand the objects, structures, features and functions of the present invention, the following embodiments are described in detail.
Certain terms are used throughout the description and following claims to refer to particular components. As one of ordinary skill in the art will appreciate, manufacturers may refer to a component by different names. The present specification and claims do not intend to distinguish between components that differ in name but not function. In the following description and in the claims, the terms "include" and "comprise" are used in an open-ended fashion, and thus should be interpreted to mean "include, but not limited to. In the description of the present invention, the terms "first", "second", and the like are used only for distinguishing the description, and are not intended to indicate or imply relative importance.
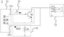
Referring to fig. 3a to 3b, schematic structural diagrams of a first embodiment of aninput control device 1 and ahost device 2 according to the present invention are disclosed. Fig. 3a is a schematic circuit structure diagram of theinput control device 1 according to the embodiment of the present invention; fig. 3b is a schematic circuit diagram of thehost device 2 according to the embodiment of the present invention. In practice, theinput control device 1 may be a remote controller, a portable electronic device, etc., thehost device 2 may be a server, a computer, etc., theinput control device 1 may be connected to thehost device 2 to transmit a first signal I1, where the first signal I1 is, for example, a coded control signal, and a user may operate through an input unit of theinput control device 1 to form a first signal I1.
Theinput control device 1 includes afirst processing unit 11, afirst detecting unit 12 and a firstsignal connecting portion 13, thefirst processing unit 11 has asignal output end 111 and a detectingsignal input end 112, and the firstsignal connecting portion 13 is coupled to thesignal output end 111 and thefirst detecting unit 12. Thefirst processing unit 11 is coupled to thehost device 2 through the firstsignal connection portion 13, thefirst processing unit 11 sends a first signal I1 to thehost device 2 through thesignal output end 111, and thefirst processing unit 11 receives a signal from the firstsignal connection portion 13 sent by the first detectingunit 12 through the detectingsignal input end 112.
Thehost device 2 includes asecond processing unit 21, a secondsignal connecting portion 22 and a levelvoltage input unit 23, thesecond processing unit 21 has asignal input end 211, the secondsignal connecting portion 22 is electrically connected to thesignal input end 211, and the levelvoltage input unit 23 is electrically connected to the secondsignal connecting portion 22. Thesecond signal connector 22 of thehost device 2 is coupled to thefirst signal connector 13 of theinput control device 1, receives the first signal I1 from theinput control device 1 to form a corresponding second signal I1 ', and transmits the second signal I1' to thesecond processing unit 21 of thehost device 2. When thefirst signal connection 13 is not coupled to thesecond signal connection 22, thefirst detection unit 12 detects that thefirst signal connection 13 has the first signal M, and when thefirst signal connection 13 is coupled to thesecond signal connection 22, thehost device 2 provides the first level voltage Vcc, so that thefirst detection unit 12 detects that thefirst signal connection 13 has the second signal N, where the first signal M is different from the second signal N.
Preferably, theinput control device 1 has asignal amplifying unit 14, one end of thesignal amplifying unit 14 is electrically connected to thesignal output end 111, the other end of thesignal amplifying unit 14 is electrically connected to the firstsignal connecting portion 13, and the first detectingunit 12 is electrically connected between thesignal amplifying unit 14 and the firstsignal connecting portion 13. In the embodiment of the invention, thesignal amplifying unit 14 has a transistor Q1, a base b of a transistor Q1 is electrically connected to thesignal output terminal 111, a collector c of a transistor Q1 is electrically connected to the firstsignal connection portion 13, and an emitter of a transistor Q1 is connected to ground. When thefirst signal connection 13 is coupled to thesecond signal connection 22, if thesignal output end 111 outputs the first signal I1, the transistor Q1 is connected to the circuit to amplify the first signal I1 to thesecond signal connection 22, and when the signal value of the first signal I1 changes, the voltage output by the collector c of the transistor Q1 changes at the same time, so as to realize the transmission of different encoding signals, for example.
In an embodiment, the firstsignal connection portion 13 has a contact signal output terminal pin3 and a first ground terminal pin1, i.e., the socket for connecting the power supply to the terminal pin2 shown in fig. 3a can be omitted compared to the conventional signal connection portion, all the above expressions referring to the firstsignal connection portion 13 refer to the connection with the contact signal output terminal pin3 of the firstsignal connection portion 13, i.e., the contact signal output terminal pin3 is coupled to thesignal output terminal 111 and thefirst detection unit 12, and the first ground terminal pin1 of the firstsignal connection portion 13 is used for connecting the ground terminal. Further, the contact signal output terminal pin3 of the first signal connection part is electrically connected to the collector c of the transistor Q1 to output a variation signal of different collectors c formed by variation of the first signal I1 at the base b of the transistor Q1 to thehost device 2, thereby realizing transmission of different input signals (e.g., codes).
Preferably, the first detectingunit 12 has a second resistor R2, and in practice, one end of the second resistor R2 is connected between thefirst processing unit 11 and the pin3 of the firstsignal connecting portion 13, and the other end of the second resistor R2 is connected to ground. Thus, when the contact signal output terminal pin3 is not electrically connected to thehost device 2, the detectionsignal input terminal 112 of thefirst processing unit 11 detects the first signal M, and when the contact signal output terminal pin3 is electrically connected to thehost device 2, the detectionsignal input terminal 112 of thefirst processing unit 11 detects the second signal N, in this embodiment, the first signal M is a low level signal, and the second signal N is a high level signal.
In practice, the secondsignal connection part 22 of thehost device 2 has a contact signal input terminal pin3 and a second ground terminal pin1, the contact signal input terminal pin3 is electrically connected to the levelvoltage input unit 23, the second ground terminal pin1 is used for connecting to ground, i.e., compared to the conventional signal connection part, the socket terminal for connecting the power supply to the pin2 terminal shown in fig. 3b can be omitted, all the above expressions with the secondsignal connection part 22 refer to the connection with the contact signal input terminal pin3 of the secondsignal connection part 22, i.e., the contact signal input terminal pin3 is coupled to thesignal input terminal 211 of thesecond processing unit 21 and the levelvoltage input unit 23. The levelvoltage input unit 23 has a first level voltage input terminal for providing a first level voltage Vcc, and a first resistor R1, wherein one end of the first resistor R1 is electrically connected to the first level voltage terminal Vcc, and the other end of the first resistor R1 is electrically connected to the contact signal input terminal pin3 and thesignal input terminal 211 of thesecond processing unit 21. Thus, when theinput control device 1 is electrically connected to thehost device 2, the first reference voltage input terminal, the first resistor R1 and the transistor Q1 may form a loop when thesignal output terminal 111 of thefirst processing unit 11 has the first signal I1 output, and when the first signal I1 transmitted to the base b of the transistor Q1 changes, the signal output to thesecond processing unit 21 of thehost device 2 also changes, so as to satisfy the transmission of different signals. So, only need two pin ends can accomplish to connect in order to transmit signal, be favorable to the miniaturization of signal connecting portion and the saving of cost, simultaneously, need not to provide the power on signal connecting portion, guaranteed host computer equipment's security.
In practical operation, when the first detectingunit 12 detects the second signal N (high level signal), and theinput control device 1 transmits the first signal I1 to thesecond signal connection 22 of thehost device 2 through thefirst signal connection 13, thefirst processing unit 11 of theinput control device 1 controls the first detectingunit 12 to stop detecting, and when theinput control device 1 no longer transmits the first signal I1 to thesecond signal connection 22 of thehost device 2 through thefirst signal connection 13, theinput control device 1 controls the first detectingunit 12 to continue detecting. Thus, the energy consumption of the system can be reduced. Alternatively, when the first detectingunit 12 detects the second signal N (high level signal), if the first detectingunit 12 of theinput control device 1 detects the first signal I1 again for the first preset time T1, it is determined that the firstsignal connecting portion 13 is disconnected from the secondsignal connecting portion 22.
The quasi-level voltage input unit is arranged on the host equipment, the detection unit is arranged on the input control equipment, whether the input control equipment is connected with the host equipment or not is judged by detecting the signal change of the signal connecting part of the input control equipment, the accuracy of a detection result is ensured, the quasi-level voltage is provided through the host equipment, and the situation that the detection effect is influenced due to the fact that the quasi-level voltage is reduced after the electric quantity of mobile communication equipment such as the input control equipment is consumed is avoided.
Referring to fig. 4, the present invention further provides a signaltransmission detection method 100 for signal transmission between theinput control device 1 and thehost device 2 according to the above embodiment, wherein the signaltransmission detection method 100 includes the steps of:
s001: providing a first level voltage by thehost device 2;
s002: detecting a signal of a first signal connecting part of theinput control equipment 1 through a first detecting unit of theinput control equipment 1;
s003: if the first detecting unit detects that the signal of the first signal connecting part is the first signal M, it is determined that the first signal connecting part of theinput control device 1 is coupled with the second signal connecting part of thehost device 2, and in implementation, the coupling may be a wired connection of theinput control device 1 and thehost device 2 to achieve electrical communication; and
s004: if the first detecting unit detects that the signal of the first signal connecting part is the second signal N, it is determined that the first signal connecting part of theinput control device 1 is not coupled to the second signal connecting part of thehost device 2, and the first signal M is different from the second signal N. Other working processes and implementation manners are the same as those of the embodiment of the apparatus item, and the effect achieved by this embodiment is also the same as that of the embodiment, which is not described again here.
The present invention has been described in relation to the above embodiments, which are only exemplary of the implementation of the present invention. It should be noted that the disclosed embodiments do not limit the scope of the invention. Rather, it is intended that all such modifications and variations be included within the spirit and scope of this invention.

Claims (11)

CN201810223586.6A2018-03-192018-03-19Host equipment, input control equipment and signal transmission detection methodExpired - Fee RelatedCN108492543B (en)

Priority Applications (1)

Application NumberPriority DateFiling DateTitle
CN201810223586.6ACN108492543B (en)2018-03-192018-03-19Host equipment, input control equipment and signal transmission detection method

Applications Claiming Priority (1)

Application NumberPriority DateFiling DateTitle
CN201810223586.6ACN108492543B (en)2018-03-192018-03-19Host equipment, input control equipment and signal transmission detection method

Publications (2)

Publication NumberPublication Date
CN108492543A CN108492543A (en)2018-09-04
CN108492543Btrue CN108492543B (en)2021-06-15

Family

ID=63339763

Family Applications (1)

Application NumberTitlePriority DateFiling Date
CN201810223586.6AExpired - Fee RelatedCN108492543B (en)2018-03-192018-03-19Host equipment, input control equipment and signal transmission detection method

Country Status (1)

CountryLink
CN (1)CN108492543B (en)

Family Cites Families (8)

* Cited by examiner, † Cited by third party
Publication numberPriority datePublication dateAssigneeTitle
JP3740340B2 (en)*1999-12-202006-02-01松下電器産業株式会社 Signal transmission device
CN2545718Y (en)*2002-06-132003-04-16台达电子工业股份有限公司 Connector with heartbeat
US8600080B2 (en)*2008-01-142013-12-03Apple Inc.Methods for communicating with electronic device accessories
TWI462396B (en)*2011-11-042014-11-21Wistron CorpSignal connecting module, electronic device, and connector identification method thereof
EP2770748B1 (en)*2013-02-262017-07-26BlackBerry LimitedApparatus, systems and methods for detecting insertion or removal of an audio accessory from an electronic device
CN103259113A (en)*2013-05-212013-08-21常熟泓淋电子有限公司Usb connector
CN104599672B (en)*2013-10-312018-04-03瑞昱半导体股份有限公司There are the audio codec and audio grafting detection method of audio grafting detectability
CN105262354B (en)*2015-10-262017-12-01苏州佳世达电通有限公司Sensing apparatus for AC power supply

Also Published As

Publication numberPublication date
CN108492543A (en)2018-09-04

Similar Documents

PublicationPublication DateTitle
US9547337B2 (en)Portable device and peripheral extension dock
RU2682911C2 (en)Reversible connector for accessory devices
KR100276257B1 (en)A wire and wireless keyboard having discriminated function of power supply device and control method therewith
US7880475B2 (en)Type A USB receptacle with plug detection
TWI601016B (en)Method of updating adapting device, adapting device, converter and system updating adapting device
CN102043933B (en)SD (Secure Digital) card reader module with controllable operating state
US20080189465A1 (en)Storage device with automatic interface-switching function
EP1620931A1 (en)Charging status indicator control system and method
CN101986227A (en)Long-distance control system
CN105163115A (en)Television movement board detection device and method
CN108492543B (en)Host equipment, input control equipment and signal transmission detection method
CN103135028B (en)Antenna detection module and electronic device thereof
CN101030185B (en) USB-to-serial cable update device
JP2002116853A (en)Usb mounted electronic equipment and use cable to be used therefor
CN200941202Y (en)Apparatus for contactless ICC connectivity
US20200169041A1 (en)Detection circuit
CN111091701A (en)Key triggering method and system based on infrared communication
US8755291B2 (en)Network interface apparatus with power management and power saving method thereof
CN207664994U (en)A kind of appliance control system
CN109117192B (en)Switching device capable of waking up standby machine and waking device
CN107203284A (en) Wireless input device, charging pad and charging method for charging pad
CN218974908U (en)Wireless downloader suitable for Arduino
CN218416352U (en) Input and output circuit of a controller, controller and control system
CN216588910U (en) An encrypted distributor and electrical control system
CN115118151B (en)Soft and hard double-control circuit and power supply starting control method

Legal Events

DateCodeTitleDescription
PB01Publication
PB01Publication
SE01Entry into force of request for substantive examination
SE01Entry into force of request for substantive examination
GR01Patent grant
GR01Patent grant
CF01Termination of patent right due to non-payment of annual fee
CF01Termination of patent right due to non-payment of annual fee

Granted publication date:20210615


[8]ページ先頭

©2009-2025 Movatter.jp