Movatterモバイル変換


[0]ホーム

URL:


CN108261057B - Cooking utensil - Google Patents

Cooking utensil
Download PDF

Info

Publication number
CN108261057B
CN108261057BCN201611265778.0ACN201611265778ACN108261057BCN 108261057 BCN108261057 BCN 108261057BCN 201611265778 ACN201611265778 ACN 201611265778ACN 108261057 BCN108261057 BCN 108261057B
Authority
CN
China
Prior art keywords
transistor
opening
electromagnet
control
control end
Prior art date
Legal status (The legal status is an assumption and is not a legal conclusion. Google has not performed a legal analysis and makes no representation as to the accuracy of the status listed.)
Active
Application number
CN201611265778.0A
Other languages
Chinese (zh)
Other versions
CN108261057A (en
Inventor
陈鑫
张怀礼
Current Assignee (The listed assignees may be inaccurate. Google has not performed a legal analysis and makes no representation or warranty as to the accuracy of the list.)
Zhejiang Shaoxing Supor Domestic Electrical Appliance Co Ltd
Original Assignee
Zhejiang Shaoxing Supor Domestic Electrical Appliance Co Ltd
Priority date (The priority date is an assumption and is not a legal conclusion. Google has not performed a legal analysis and makes no representation as to the accuracy of the date listed.)
Filing date
Publication date
Application filed by Zhejiang Shaoxing Supor Domestic Electrical Appliance Co LtdfiledCriticalZhejiang Shaoxing Supor Domestic Electrical Appliance Co Ltd
Priority to CN201611265778.0ApriorityCriticalpatent/CN108261057B/en
Publication of CN108261057ApublicationCriticalpatent/CN108261057A/en
Application grantedgrantedCritical
Publication of CN108261057BpublicationCriticalpatent/CN108261057B/en
Activelegal-statusCriticalCurrent
Anticipated expirationlegal-statusCritical

Links

Images

Classifications

Landscapes

Abstract

The present invention provides a cooking appliance, comprising: the pot body is used for containing food to be cooked; the pot cover is covered on the pot body, a rotatable cover opening component, a linkage component linked with the cover opening component, an opening stopping rod capable of moving up and down and an electromagnet matched with the opening stopping rod are arranged in the pot cover, and the cover opening component rotates to enable pot teeth of the pot body to be buckled with cover teeth of the pot cover or the pot teeth of the pot body to be staggered with the cover teeth of the pot cover; the linkage part is driven to move when the cover opening part rotates, at least part of the opening stopping rod is a magnetic part, when the pressure in the cooker body is larger than a preset value or the electromagnet is electrified, the opening stopping rod is pushed to move upwards by pressure or attracted to move upwards by magnetic force, and the linkage part is limited by the opening stopping rod after being moved upwards, so that the cover opening part stops rotating. The technical scheme of the invention effectively solves the problem that the opening stopping device of the cooker in the prior art is not high in safety and stability.

Description

Cooking utensil
Technical Field
The invention relates to a cooking appliance, in particular to an improvement on a cooking appliance cover.
Background
At present, an opening stopping device is arranged in a cooking appliance for preventing a user from opening a pot cover under the condition that the cooking appliance has potential safety hazards.
The existing opening stopping device comprises an opening stopping rod arranged on the inner pot cover and a sliding plate structure matched with the opening stopping rod. The movement of the slide plate structure is controlled by an arm arranged on the rotating rod and other transmission mechanisms. The structure has a plurality of parts and a complex structure.
Meanwhile, in the prior art, the upward movement of the opening prevention lever is completely controlled by the pressure in the cooker. When the pressure in the cooker does not reach the preset value, the opening stopping rod cannot move upwards to realize the opening stopping function. However, the temperature in the pot is high, and the user is easily injured if the pot cover is opened. Therefore, the opening stopping device in the prior art is not high in safety and stability, and has certain potential safety hazards.
Disclosure of Invention
The invention mainly aims to provide a cooking utensil to solve the problem that an opening stopping device of a cooking utensil in the prior art is low in safety and stability.
In order to achieve the above object, the present invention provides a cooking appliance, comprising: the pot body is used for containing food to be cooked; the pot cover is covered on the pot body, a rotatable cover opening component, a linkage component linked with the cover opening component, an opening stopping rod capable of moving up and down and an electromagnet matched with the opening stopping rod are arranged in the pot cover, and the cover opening component rotates to enable pot teeth of the pot body to be buckled with cover teeth of the pot cover or the pot teeth of the pot body to be staggered with the cover teeth of the pot cover; the linkage part is driven to move when the cover opening part rotates, at least part of the opening stopping rod is a magnetic part, when the pressure in the cooker body is larger than a preset value or the electromagnet is electrified, the opening stopping rod is pushed to move upwards by pressure or attracted to move upwards by magnetic force, and the linkage part is limited by the opening stopping rod after being moved upwards, so that the cover opening part stops rotating.
By applying the technical scheme of the invention, when the pressure in the cooker body is greater than the preset value or the electromagnet is electrified, the opening stopping rod moves upwards to limit the movement of the linkage piece, and at the moment, the linkage piece is locked by the opening stopping rod and cannot move, so that the cover opening piece cannot rotate, and the cooker cover cannot rotate and cannot be opened. When the pressure in the cooker body is smaller than the preset value, the linkage piece and the opening stopping rod are arranged in a staggered mode, the opening stopping rod cannot lock the linkage piece, the opening cover piece can move freely at the moment, and the cooker cover can be opened.
Further, the linkage piece comprises an opening stopping rotating rod, the middle of the opening stopping rotating rod is pivotally connected in the cooker cover, the first end of the opening stopping rotating rod is driven by the cover opening piece, and the second end of the opening stopping rotating rod is matched with the opening stopping rod.
Furthermore, the electromagnet is arranged at the second end of the opening stopping rotating rod, the second end of the opening stopping rotating rod is provided with an accommodating hole for accommodating the opening stopping rod, and the accommodating hole is positioned below the electromagnet.
Further, the linkage piece still includes the separation blade that sets up at the second end of stopping the bull stick, and the separation blade is located one side of the second end of stopping the bull stick, and when electro-magnet and the dislocation of stopping the bull stick, the separation blade is located the top of stopping the bull stick.
Furthermore, one of the first ends of the opening cover part and the opening stopping rotating rod is provided with a first long groove, and the other one of the first ends of the opening cover part and the opening stopping rotating rod is provided with a first connecting pin which is arranged in the first long groove in a penetrating mode.
Furthermore, the second end of the opening stopping rotating rod is provided with an installation part, the accommodating hole is located at the bottom of the installation part, and the top of the installation part is provided with an accommodating groove for accommodating the electromagnet.
Further, the pot cover is including face lid, inside lining, locking ring and the interior pot cover that from top to bottom sets gradually, and the locking ring can rotate by relative inside lining, and the lid tooth sets up on the locking ring, and the cover piece of opening, linkage and electro-magnet all set up on the inside lining, and the pole of ending to open wears to establish in the pot cover.
Furthermore, a second connecting pin is arranged on the locking ring, the cover opening piece comprises a rotating seat and a cover opening rotating rod, the rotating seat is pivotally connected to the lining, the cover opening rotating rod is connected with the rotating seat, a second long groove is formed in the end portion of the cover opening rotating rod, and the second connecting pin penetrates through the second long groove.
Further, the electro-magnet includes the coil, and the coil has first pin and second pin, and the electro-magnet is inhaled mutually with ending between the pole when the current direction of coil is followed first pin to second pin, ends and open the pole and move up, and the pot cover is unable relative pot body and is rotated, and the electro-magnet still includes the magnetic core or does not set up the magnetic core, and when the electro-magnet included the magnetic core, the magnetic core was including wearing to establish the first core in the coil, and the magnetic core is made by the ferrite material.
Further, when the current direction of the coil is from the second pin to the first pin, the electromagnet and the opening stopping rod repel each other, the opening stopping rod descends, and the pot cover can rotate relative to the pot body.
Further, when the electromagnet comprises the magnetic core, the magnetic core further comprises a second core body arranged outside the coil, and the second core body is connected with the first core body.
Furthermore, the first core body is a first column body, the second core body is a second column body, and the magnetic core further comprises a connecting piece connected between the first core body and the second core body.
Further, the second core is parallel to the first core.
Further, the second core is plural, and the plural second cores are symmetrically disposed with respect to the first core.
Further, the magnetic core includes a plurality of magnetic chips arranged one on another.
Further, the electromagnet includes a coil having a first pin and a second pin, the cooking appliance further includes a control circuit for controlling a magnetic pole of the electromagnet, the control circuit including: a controller for generating a control signal; the selection circuit comprises a first control end and a second control end, the first control end is connected with the first pin, the second control end is connected with the second pin, the selection circuit is connected with the controller, and the selection circuit is used for selecting the current direction in the selection circuit from the first control end to the second control end or from the second control end to the first control end according to the control signal; when the current direction of the coil of the electromagnet is from the second control end to the first control end, the electromagnet and the opening stopping rod repel each other, the opening stopping rod descends, and the pot cover can rotate relative to the pot body.
Further, the control signal includes a first control signal and a second control signal, and the selection circuit includes: the first circuit comprises a third control end connected with the first control end and a fourth control end connected with the second control end, wherein the first circuit is connected with the controller and is conducted when receiving a first control signal, and the current direction from the third control end to the fourth control end is a first direction when the first circuit is conducted; and the second circuit comprises a fifth control end connected with the first control end and a sixth control end connected with the second control end, wherein the second circuit is connected with the controller and is conducted when receiving a second control signal, the current direction from the fifth control end to the sixth control end is a second direction when the second circuit is conducted, and the first direction is opposite to the second direction.
Further, the controller includes a seventh control end and an eighth control end, the seventh control end is connected to the first circuit, the eighth control end is connected to the second circuit, wherein the seventh control end is configured to output the first control signal, and the eighth control end is configured to output the second control signal.
Further, the first circuit comprises a first group of triodes, wherein the first group of triodes is turned on when the first control signal is at a first level and is turned off when the first control signal is at a second level; the second circuit comprises a second group of triodes, wherein the second group of triodes is switched on when the second control signal is at a third level and is switched off when the second control signal is at a fourth level.
Further, the control circuit further includes: and the protection circuit is connected with the seventh control end and the eighth control end and is connected with the first circuit and the second circuit, and the protection circuit is used for controlling one of the first group of triodes and the second group of triodes to be conducted when the seventh control end outputs the first level and the eighth control end outputs the third level.
Further, the first group of triodes includes: the emitter of the first triode is connected with a first power supply, and the collector of the first triode is connected with a first pin; the emitter of the second triode is connected with the second pin, and the collector of the second triode is grounded; and the collector electrode of the third triode is connected with the base electrode of the first triode and the base electrode of the second triode, the emitter electrode of the third triode is grounded, the base electrode of the third triode is connected with the seventh control end, and the first triode and the second triode have the same polarity and are opposite to the polarity of the third triode.
Further, the second group of triodes includes: an emitter of the fourth triode is connected with the second power supply, and a collector of the fourth triode is connected with the second pin; an emitter of the fifth triode is connected with the first pin, and a collector of the fifth triode is grounded; and the collector electrode of the sixth triode is connected with the base electrode of the fourth triode and the base electrode of the fifth triode, the emitting electrode of the sixth triode is grounded, the base electrode of the sixth triode is connected with the eighth control end, and the polarity of the fourth triode and the polarity of the fifth triode are the same and are opposite to the polarity of the sixth triode.
Further, the first triode is a PNP type triode, the fourth triode is an NPN type triode, and the control circuit further includes a protection circuit, wherein the protection circuit includes: the anode of the first diode is connected between the seventh control end and the base electrode of the third triode, and the cathode of the first diode is connected with the base electrode of the fifth triode; and the anode of the second diode is connected between the eighth control end and the base electrode of the sixth triode, and the cathode of the second diode is connected with the collector electrode of the third triode.
Further, the second group of triodes also includes: the seventh triode is connected between the base electrode of the sixth triode and the eighth control end, the collector electrode of the seventh triode is connected with the base electrode of the sixth triode, the emitter electrode of the seventh triode is connected with the +5V power supply and is grounded, and the base electrode of the seventh triode is connected with the eighth control end.
Further, the first triode is a PNP type triode, the fourth triode is an NPN type triode, and the control circuit further includes a protection circuit, wherein the protection circuit includes: the anode of the third diode is connected between the seventh control end and the base electrode of the third triode, and the cathode of the third diode is connected with the base electrode of the fifth triode; and the anode of the fourth diode is connected with the seventh control end, and the cathode of the fourth diode is connected between the base of the seventh triode and the eighth control end.
Drawings
The accompanying drawings, which are incorporated in and constitute a part of this application, illustrate embodiments of the invention and, together with the description, serve to explain the invention and not to limit the invention. In the drawings:
fig. 1 shows a schematic axial side view of a first embodiment of a cooking appliance according to the invention;
figure 2 shows a schematic view of the axial side structure of the lid of figure 1;
FIG. 3 shows an exploded view of the liner of FIG. 2;
FIG. 4 shows a schematic top view of the liner of FIG. 3 in a closed state;
FIG. 5 shows a schematic cross-sectional view in the direction A-A of the liner of FIG. 4;
FIG. 6 shows a schematic top view of the liner of FIG. 3 in an open state;
FIG. 7 shows a schematic B-B cross-sectional view of the liner of FIG. 6;
fig. 8 is a schematic structural view showing a coil of an electromagnet according to a first embodiment of the cooking appliance according to the present invention;
fig. 9 is a schematic view showing an assembly structure of a coil and a magnetic core of an electromagnet according to a first embodiment of the cooking appliance of the present invention;
FIG. 10 shows a schematic of the structure of the magnetic core of the electromagnet of FIG. 9;
fig. 11 shows a schematic structural view of a magnetic core of a second embodiment of a cooking appliance according to the present invention;
fig. 12 is a schematic structural view showing a magnetic core of a third embodiment of the cooking appliance according to the present invention;
fig. 13 shows a schematic diagram of an alternative control circuit of an embodiment of a cooking appliance according to the invention;
fig. 14 shows a schematic diagram of another alternative control circuit of an embodiment of a cooking appliance according to the invention.
Wherein the figures include the following reference numerals:
1. a pan body; 2. a pot cover; 3. a face cover; 4. a liner; 5. a locking ring; 6. an inner pot cover; 10. opening the cover piece; 11. a first elongated slot; 12. a rotating base; 13. uncovering the rotating rod; 21. stopping the rotating rod; 22. an electromagnet; 23. a first connecting pin; 24. an accommodation hole; 30. an opening stop lever; 40. a baffle plate; 110. a coil; 111. a first pin; 112. a second pin; 120. a magnetic core; 121. a first core; 122. a second core; 123. a connecting member; 220. a controller; 221. a seventh control end; 222. an eighth control end; d1, a third diode; d2, a fourth diode; d3, a first diode; d4, a second diode; q1, fourth triode; q2, the second triode; q3, the first triode; q4, the fifth triode; q5, sixth triode; q6, third triode; q7, seventh triode.
Detailed Description
It should be noted that the embodiments and features of the embodiments in the present application may be combined with each other without conflict. The present invention will be described in detail below with reference to the embodiments with reference to the attached drawings.
Fig. 1 shows a schematic axial side construction of an embodiment of a cooking appliance according to the invention; figure 2 shows a schematic view of the axial side structure of the lid of figure 1; fig. 3 shows an exploded view of the liner of fig. 2. As shown in fig. 1 to 3, the cooking appliance of the present embodiment includes apot body 1 and apot cover 2. Wherein, thepot body 1 is used for containing food to be cooked. Thepot cover 2 covers thepot body 1, thepot cover 2 is internally provided with a rotatablecover opening part 10, a linkage part linked with thecover opening part 10, anopening stopping rod 30 capable of moving up and down and anelectromagnet 22 matched with theopening stopping rod 30, and thecover opening part 10 rotates to enable pot teeth of thepot body 1 to be buckled with cover teeth of thepot cover 2 or pot teeth of thepot body 1 to be staggered with cover teeth of thepot cover 2. When thecover opening part 10 rotates, the linkage part is driven to move, at least part of theopening stopping rod 30 is a magnetic part, when the pressure in thepot body 1 is larger than a preset value or theelectromagnet 22 is electrified, theopening stopping rod 30 is pushed to move upwards by the pressure or is attracted to move upwards by magnetic force, and the linkage part is limited by the opening stopping rod after being moved upwards, so that thecover opening part 10 stops rotating.
By applying the technical scheme of the embodiment, when the pressure in thepot body 1 is greater than the preset value or theelectromagnet 22 is electrified, theopening stopping rod 30 moves upwards to limit the movement of the linkage part, at the moment, the linkage part is locked by theopening stopping rod 30 and cannot move, and then theopening cover part 10 cannot rotate, so that thepot cover 2 cannot rotate and cannot be opened. When the pressure in thepot body 1 is smaller than the preset value, the linkage piece and the opening stopping rod are arranged in a staggered mode, theopening stopping rod 30 cannot lock the linkage piece, theopening cover 10 can move freely at the moment, and thepot cover 2 can be opened.
As shown in fig. 3, the linkage member of the present embodiment includes anopening stopping lever 21, the middle portion of theopening stopping lever 21 is pivotally connected in thelid 2, the first end of theopening stopping lever 21 is driven by thelid opening member 10, and the second end of theopening stopping lever 21 is engaged with theopening stopping lever 30. The opening stoppingrotating rod 21 is arranged in the middle of thepot cover 2, so that the switch of the cooking appliance can be arranged in the middle of thepot cover 2, and the pot cover is symmetrical and attractive.
Theelectromagnet 22 is provided at the second end of the rotation stoplever 21, the second end of the rotation stoplever 21 is provided with anaccommodation hole 24 for accommodating the rotation stoplever 30, and theaccommodation hole 24 is located below theelectromagnet 22. When the linkage is in the engaged position, the receivinghole 24 is located above theopening stop rod 30, and theopening stop rod 30 is controlled to enter the receivinghole 24 by theelectromagnet 22 or the pressure in thepot 1, thereby locking theopening cover 10.
Further, the linkage member further includes a blockingpiece 40 disposed at the second end of theopening stop lever 21, the blockingpiece 40 is located at one side of the second end of theopening stop lever 21, and when the linkage member is dislocated with theopening stop lever 30, the blockingpiece 40 is located above theopening stop lever 30. When the linkage member is in the avoiding position, the blockingpiece 40 is positioned above thestop lever 30 and abuts against thestop lever 30, and therefore thestop lever 30 does not extend into theaccommodating hole 24 to limit the opening of thepot cover 2.
Fig. 4 shows a schematic top view of the liner of fig. 3 in a closed state. As shown in fig. 3 and 4, the opening and closingmember 10 of the present embodiment is provided with a firstlong groove 11, and a first end of the opening/closinglever 21 is provided with a first connectingpin 23 inserted into the first long groove. The above structure allows the link member to rotate with the rotation of the openingmember 10, thereby controlling the corresponding relationship between the receivinghole 24 and thestop lever 30 to move between the engagement position and the escape position. In other embodiments, the elongated slot and the connecting pin may be interchangeably disposed on the anti-rotation lever and the opening cover member.
Further, a second end of the open-stop lever 21 is provided with a mounting portion, theaccommodating hole 24 is located at the bottom of the mounting portion, and an accommodating groove for accommodating theelectromagnet 22 is arranged at the top of the mounting portion. The above structure facilitates the installation of theelectromagnet 22 and also facilitates the processing.
As shown in fig. 1 to 3, thepot cover 2 includes aface cover 3, alining 4, alocking ring 5 and aninner pot cover 6 which are sequentially arranged from top to bottom, thelocking ring 5 can rotate relative to thelining 4, the cover teeth are arranged on thelocking ring 5, thecover opening part 10, the linkage part and theelectromagnet 22 are all arranged on thelining 4, and theopening stopping rod 30 is arranged on theinner pot cover 6 in a penetrating way. The above structure makes thestop lever 30 effectively control the locking and free of thelid 2.
Specifically, thelock ring 5 is provided with a second connecting pin, thelid opening member 10 includes a rotatingbase 12 pivotally connected to theliner 4 and a lidopening rotating rod 13 connected to the rotatingbase 12, an end of the lidopening rotating rod 13 is provided with a second long groove, and the second connecting pin is inserted into the second long groove. The structure realizes linkage between the coveropening rotating rod 13 and thelocking ring 5, and the rotation of thelocking ring 5 can be controlled by controlling thecover opening part 10, thereby controlling the opening and closing of thepot cover 2.
As shown in fig. 4 and 5, in thelid 2 of the present embodiment, thelid opening member 10 is rotated to the closed position in the closed state, and the lid openingrotary lever 13 is rotated to the upper left position. The first connectingpin 23 is located at the lower portion of the firstelongated slot 11, and the link is rotated to a position where the receivinghole 24 corresponds to theopen stop lever 30. Thestop rod 30 can extend into the receivinghole 24 under the control of theelectromagnet 22 or the pressure in thepot body 1, and has the function of limiting the rotation of the linkage part so as to lock thepot cover 2 from opening.
As shown in fig. 6 and 7, in the opened state of thepot lid 2 of the present embodiment, thelid opening member 10 is rotated to the opened position, and the lid openingrotary lever 13 is rotated to the lower left position. At this time, the first connectingpin 23 is positioned at the upper portion of the firstlong groove 11, and the link is rotated to a position where the receivinghole 24 is displaced from theopen prevention lever 30. Further, thestop lever 30 cannot extend into the receivinghole 24 by thestopper 40, and the rotation of the link member is not restricted, and thelid 2 can be opened.
As for the specific structure of theelectromagnet 22 of the present embodiment, fig. 8 shows a schematic structural view of the coil of the electromagnet of the first embodiment of the cooking appliance according to the present invention. As shown in fig. 8, theelectromagnet 22 of the present embodiment includes acoil 110, thecoil 110 has afirst pin 111 and asecond pin 112, when the current direction of thecoil 110 is from thefirst pin 111 to thesecond pin 112, theelectromagnet 22 and theopening stopping rod 30 attract each other, theopening stopping rod 30 moves upwards, thepot cover 2 cannot rotate relative to thepot body 1, theelectromagnet 22 further includes a magnetic core 120, the magnetic core 120 includes afirst core 121 penetrating through thecoil 110, and the magnetic core 120 is made of ferrite. In the design and production of the actual cooking utensil, the electromagnet does not need to be provided with a magnetic core according to the limit of the power and the space structure of the actual electromagnet.
When the current direction in thecoil 110 of the electromagnet is from thefirst pin 111 to thesecond pin 112, theelectromagnet 22 and theopening stopping rod 30 are attracted to each other, theopening stopping rod 30 moves upwards, and thepot cover 2 cannot rotate relative to thepot body 1. The movement of the openingrod 30 is controlled by the magnetism of the electromagnet coil with current, so that the locking between thecooker cover 2 and thecooker body 1 is realized, a user can not open thecooker cover 2 when the cooker has potential safety hazards, and the use safety of the user is guaranteed.
When the current direction of thecoil 110 is from thesecond pin 112 to thefirst pin 111, theelectromagnet 22 and theopening stopping rod 30 repel each other, theopening stopping rod 30 descends, and thepot cover 2 can rotate relative to thepot body 1. The above structure enables the cooking appliance to attract or repel the magnetic open-stop rod 30 through theelectromagnet 22 as required, thereby improving the control effect of the cooking appliance.
Fig. 9 is a schematic view showing an assembly structure of a coil and a magnetic core of an electromagnet according to a first embodiment of the cooking appliance of the present invention. As shown in fig. 9, in the present embodiment, the magnetic core 120 further includes asecond core 122 disposed outside thecoil 110, and thesecond core 122 is connected to thefirst core 121. The use of thesecond core 122 in combination with thefirst core 121 further enhances the magnetic effect of the electromagnet.
In order to further improve the magnetic effect of the magnetic core 120, in the embodiment, thefirst core 121 is a first column, thesecond core 122 is a second column, and the magnetic core 120 further includes a connectingmember 123 connecting thefirst core 121 and thesecond core 122. The columnar magnetic core 120 is more easily magnetized and is easy to produce and install.
Further, thesecond core 122 is parallel to thefirst core 121. Thesecond core 122 and thefirst core 121 which are parallel to each other make the directions of the magnetic forces parallel to each other, thereby maximizing the resultant force and improving the working efficiency of theelectromagnet 22.
Specifically, in the present embodiment, the number of thesecond cores 122 is two, and the twosecond cores 122 are symmetrically disposed with respect to thefirst core 121. The magnetic cores arranged symmetrically enable the magnetic force generated by the magnetic cores to be uniform and the effect to be stable. However, thesecond core 122 is not limited to two for the magnetic core 120 applied in different structures. Those skilled in the art will appreciate that theelectromagnet 22 may be provided with thesecond core 122 on one side of thefirst core 121 or without thefirst core 121 depending on the size of the structural space or the desired effect.
Fig. 10 shows a schematic view of the structure of the magnetic core of the electromagnet of fig. 9. As shown in fig. 10, the magnetic core 120 in the present embodiment includes a plurality of magnetic chips arranged in a stacked manner. A magnetic core made up of a plurality of stacked magnetic chips can reduce eddy currents in the magnetic core 120, with less losses due to eddy currents.
Fig. 11 shows a schematic structural diagram of a magnetic core of a second embodiment of the cooking appliance according to the present invention. As shown in fig. 11, the magnetic core 120 of the second embodiment is composed of afirst core 121 and asecond core 122, and thefirst core 121 is connected to the middle of thesecond core 122. The magnetic core 120 of the present embodiment can provide the same effects as those of the first embodiment.
Fig. 12 is a schematic structural diagram of a magnetic core of a third embodiment of the cooking appliance according to the present invention. As shown in fig. 12, the magnetic core 120 of the third embodiment is composed of afirst core 121 and asecond core 122, thesecond core 122 is located on one side of thefirst core 121 and is parallel to thefirst core 121, and thefirst core 121 and thesecond core 122 are connected by a connectingmember 123. The magnetic core 120 of the present embodiment can provide the same effects as those of the first embodiment.
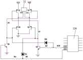
Fig. 13 is a schematic diagram of a control circuit of an alternative cooking appliance according to an embodiment of the present invention, and as shown in fig. 13, the control circuit of the cooking appliance of the present embodiment includes acontroller 220 and a selection circuit, and the selection circuit includes a first control terminal and a second control terminal.
Thecontroller 220 is used for generating a control signal, and thecontroller 220 may be a single chip microcomputer MCU. The selection circuit is connected to thecontroller 220, wherein a first control terminal of the selection circuit is connected to thefirst pin 111 of the coil of theelectromagnet 22, and a second control terminal of the selection circuit is connected to thesecond pin 112 of the coil of theelectromagnet 22. The selection circuit is used for selecting the current direction in the selection circuit from the first control end to the second control end or from the second control end to the first control end according to the control signal. When the current direction of the coil of theelectromagnet 22 is from the first control end to the second control end, theelectromagnet 22 and the opening stopping rod are attracted, the opening stopping rod moves upwards, and the pot cover cannot rotate relative to the pot body; when the current direction of the coil of theelectromagnet 22 is from the second control end to the first control end, theelectromagnet 22 and the opening stopping rod repel each other, the opening stopping rod descends, and the pot cover can rotate relative to the pot body.
By applying the technical scheme of the invention, the change of the magnetic poles of theelectromagnet 22 is controlled by the change of the current directions of the first control end and the second control end which are connected with the coil of theelectromagnet 22 in the selection circuit, so that theelectromagnet 22 attracts or repels the opening stopping rod, the opening stopping rod can be controlled by theelectromagnet 22, and the pot cover cannot rotate relative to the pot body. The structure utilizes the selection circuit to select the current direction of the first control end and the second control end so as to control the direction change of the force generated by theelectromagnet 22, so that the structure of the control circuit is simple, and the problem that the structure of the control circuit of the cooking appliance in the prior art is complex is solved.
As shown in fig. 13, in the present embodiment, the selection circuit includes a first circuit and a second circuit. The control signal generated by thecontroller 220 includes a first control signal and a second control signal, the first circuit is connected to thecontroller 220 and is turned on when receiving the first control signal, and the second circuit is connected to thecontroller 220 and is turned on when receiving the second control signal. The first circuit comprises a third control end connected with the first control end and a fourth control end connected with the second control end, and the current direction from the third control end to the fourth control end is the first direction when the first circuit is conducted. The second circuit comprises a fifth control end connected with the first control end and a sixth control end connected with the second control end, and the current direction from the fifth control end to the sixth control end is the second direction when the second circuit is conducted. The first direction is opposite to the second direction, that is, the current direction of the first circuit when conducting is opposite to the current direction of the second circuit when conducting.
By arranging the first circuit and the second circuit in the selection circuit, which have different current directions, the first circuit is conducted when receiving the first control signal, and the second circuit is conducted when receiving the second control signal, so that the current directions in the coil of theelectromagnet 22 are different, theelectromagnet 22 generates forces in different directions, and the circuit structure is simplified.
As shown in fig. 13, in the present embodiment, thecontroller 220 includes aseventh control terminal 221 and aneighth control terminal 222, theseventh control terminal 221 of thecontroller 220 is connected to the first circuit, and theeighth control terminal 222 of thecontroller 220 is connected to the second circuit, wherein theseventh control terminal 221 is configured to output a first control signal generated by thecontroller 220, and theeighth control terminal 222 is configured to output a second control signal generated by thecontroller 220.
As shown in fig. 13, in the present embodiment, the first circuit includes a first group of transistors, wherein the first group of transistors is turned on when the first control signal is at the first level and is turned off when the first control signal is at the second level; the second circuit comprises a second group of triodes, wherein the second group of triodes is switched on when the second control signal is at a third level and is switched off when the second control signal is at a fourth level.
Specifically, as shown in fig. 13, in the present embodiment, the first group of transistors in the first circuit includes a first transistor Q3, a second transistor Q2, and a third transistor Q6. The emitter of the first transistor Q3 is connected to a first power supply, which may be an external power supply VCC, and the collector of the first transistor Q3 is connected to thefirst pin 111 of the coil of theelectromagnet 22; the emitter of the second transistor Q2 is connected to thesecond pin 112 of the coil of theelectromagnet 22, and the collector of the second transistor Q2 is grounded; the collector of the third transistor Q6 is connected to the base of the first transistor Q3 and the base of the second transistor Q2, the emitter of the third transistor Q6 is grounded, and the base of the third transistor Q6 is connected to theseventh control terminal 221, wherein the first transistor Q3 and the second transistor Q2 have the same polarity and the opposite polarity to the third transistor Q6.
Specifically, as shown in fig. 13, in the present embodiment, the second group of transistors in the second circuit includes a fourth transistor Q1, a fifth transistor Q4, a sixth transistor Q5, and a seventh transistor Q7. The emitter of the fourth transistor Q1 is connected to a second power supply, which may be an external power supply VCC, and the collector of the fourth transistor Q1 is connected to thesecond pin 112 of the coil of theelectromagnet 22; the emitter of the fifth triode Q4 is connected to thefirst pin 111 of the coil of theelectromagnet 22, and the collector of the fifth triode Q4 is grounded; a collector of the sixth triode Q5 is connected with a base of the fourth triode Q1 and a base of the fifth triode Q4, an emitter of the sixth triode Q5 is grounded, and a base of the sixth triode Q5 is connected with a collector of the seventh triode Q7; an emitter of the seventh transistor Q7 is connected to the +5V power supply and to ground, and a base of the seventh transistor Q7 is connected to theeighth control terminal 222, wherein the polarity of the fourth transistor Q1 is the same as that of the fifth transistor Q4, and the polarity of the fourth transistor Q1 is opposite to that of the sixth transistor Q5 and the seventh transistor Q7.
In this embodiment, the control circuit further includes a protection circuit. The protection circuit is connected to theseventh control terminal 221 and theeighth control terminal 222, and is connected to the first circuit and the second circuit, and the protection circuit is configured to control one of the first group of transistors and the second group of transistors to be turned on when theseventh control terminal 221 outputs the first level and theeighth control terminal 222 outputs the third level.
Specifically, as shown in fig. 13, in the present embodiment, the first transistor Q3 is a PNP transistor, the fourth transistor Q1 is an NPN transistor, and the protection circuit includes a third diode D1 and a fourth diode D2. The anode of the third diode D1 is connected between theseventh control terminal 221 and the base of the third transistor Q6, and the cathode of the third diode D1 is connected to the base of the fifth transistor Q4; the anode of the fourth diode D2 is connected to theseventh control terminal 221, and the cathode of the fourth diode D2 is connected between the base of the seventh transistor Q7 and theeighth control terminal 222.
The third diode D1 and the fourth diode D2 in the protection circuit play a role in protection, and when the output voltage of the control port of thecontroller 220 malfunctions or is subjected to conditions such as external interference, the third diode D1 and the fourth diode D2 can ensure that components such as a triode and the like are not burned out.
In addition, as shown in fig. 13, the first circuit further includes a resistor R2, a resistor R4, and a resistor R5. A first terminal of the resistor R2 is connected to the base of the first transistor Q3, a second terminal of the resistor R2 is connected to the base of the second transistor Q2, the resistor R4 and the resistor R5 are connected in series between the base of the third transistor Q6 and theseventh control terminal 221, and optionally, the anode of the third diode D1 is connected between the resistor R4 and the resistor R5. Optionally, the resistance of the resistor R2 is 3K Ω, and the resistances of the resistor R4 and the resistor R5 are both 1K Ω.
In addition, as shown in fig. 13, the second circuit further includes a resistor R1, a resistor R3, a resistor R6, a resistor R7, and a resistor R8. The resistor R1 is connected in series between the base of the fourth transistor Q1 and the collector of the sixth transistor Q5, the resistor R3 is connected in series between the base of the sixth transistor Q5 and the collector of the seventh transistor Q7, the resistor R6 is connected in series between the +5V power supply and the emitter of the seventh transistor Q7, the resistor R7 is connected in series between the emitter of the seventh transistor Q7 and ground, the resistor R8 is connected in series between the base of the seventh transistor Q7 and theeighth control terminal 222, and optionally, the positive electrode of the fourth diode D2 is connected between the resistor R8 and the base of the seventh transistor Q7. Alternatively, the resistance values of the resistor R1 and the resistor R3 are 3K Ω, the resistance value of the resistor R6 is 1K Ω, and the resistance values of the resistor R7 and the resistor R8 are 2K Ω.
The resistors R1 to R8 shown in FIG. 13 play a role in limiting current, protect the control end of the MCU and the triodes in the circuit from being damaged due to too large current, and the resistors R1 to R8 can be partially or completely removed.
The operation of the control circuit of the embodiment shown in fig. 13 is explained as follows:
the first transistor Q3, the second transistor Q2, the third transistor Q6, the fourth transistor Q1, the fifth transistor Q4, the sixth transistor Q5 and the seventh transistor Q7 are transistors for controlling theelectromagnet 22 to be turned on and off, the resistor R4, the resistor R5 and the resistor R8 are driving resistors, and theseventh control terminal 221 and theeighth control terminal 222 are control ports of the controller 220 (a single-chip MCU).
The output levels of theseventh control terminal 221 and theeighth control terminal 222 are divided into the following cases:
(1) when theseventh control terminal 221 of the MCU outputs a high level, the first transistor Q3, the second transistor Q2, and the third transistor Q6 are turned on, the fourth transistor Q1, the fifth transistor Q4, the sixth transistor Q5, and the seventh transistor Q7 are turned off, and the current of theelectromagnet 22 flows from the right end to the left end, generating magnetism to attract or push a magnetic object.
(2) When theseventh control terminal 221 of the MCU outputs a low level and theeighth control terminal 222 outputs a low level, the first transistor Q3, the second transistor Q2, and the third transistor Q6 are turned off, the fourth transistor Q1, the fifth transistor Q4, the sixth transistor Q5, and the seventh transistor Q7 are turned on, and theelectromagnet 22 passes a current from the left end to the right end to generate a magnetic force opposite to that when theseventh control terminal 221 of the MCU outputs a high level, so as to generate a force to push or attract the magnetic object opposite to that when theseventh control terminal 221 of the MCU outputs a high level.
(3) When theseventh control terminal 221 of the MCU outputs a low level and theeighth control terminal 222 outputs a high level, the first transistor Q3, the second transistor Q2, the third transistor Q6, the fourth transistor Q1, the fifth transistor Q4, the sixth transistor Q5 and the seventh transistor Q7 are all turned off, no current flows through theelectromagnet 22, and theelectromagnet 22 does not operate.
The control circuit of the embodiment has a simple structure and good logic effect, and when the output voltage of the control port of thecontroller 220 is in misoperation or is subjected to conditions such as external interference, parts such as a triode in the circuit cannot be burnt out.
Fig. 14 is a schematic diagram of a control circuit of another alternative cooking appliance according to an embodiment of the present invention, and the control circuit of the embodiment shown in fig. 14 differs from the control circuit of the embodiment shown in fig. 13 in that:
as shown in fig. 14, the structure of the second circuit in this embodiment is different from that of the second circuit in the embodiment shown in fig. 13, and specifically, the second group of diodes in the second circuit in this embodiment includes a fourth transistor Q1, a fifth transistor Q4 and a sixth transistor Q5. The emitter of the fourth transistor Q1 is connected to a second power supply, which may be an external power supply VCC, and the collector of the fourth transistor Q1 is connected to thesecond pin 112 of the coil of theelectromagnet 22; the emitter of the fifth triode Q4 is connected to thefirst pin 111 of the coil of theelectromagnet 22, and the collector of the fifth triode Q4 is grounded; the collector of the sixth transistor Q5 is connected to the base of the fourth transistor Q1 and the base of the fifth transistor Q4, the emitter of the sixth transistor Q5 is grounded, and the base of the sixth transistor Q5 is connected to theeighth control terminal 222.
Further, as shown in fig. 14, in the present embodiment, the second circuit includes a resistor R1, a resistor R9, and a resistor R10. The resistor R1 is connected in series between the base of the fourth transistor Q1 and the collector of the sixth transistor Q5, and the resistor R9 and the resistor R10 are connected in series between the base of the sixth transistor Q5 and theeighth control terminal 222. The resistance values of the resistor R9 and the resistor R10 are 1K omega.
The resistor R1, the resistor R2, the resistor R4, the resistor R5, the resistor R9 and the resistor R10 shown in the figure 14 play a role in limiting current, a control end of the MCU and a triode in a circuit are protected from being damaged due to too large current, and part or all of the resistors shown in the figure 14 can be removed.
As shown in fig. 14, in the present embodiment, the structure of the protection circuit is different from that of the embodiment shown in fig. 13, and specifically, the protection circuit in the present embodiment includes a first diode D3 and a second diode D4. The anode of the first diode D3 is connected between theseventh control terminal 221 and the base of the third transistor Q6, and the cathode of the first diode D3 is connected to the base of the fifth transistor Q4; the anode of the second diode D4 is connected between theeighth control terminal 222 and the base of the sixth transistor Q5, and the cathode of the second diode D4 is connected to the collector of the third transistor Q6.
The first diode D3 and the second diode D4 in the protection circuit play a role in protection, and when the output voltage of the control port of thecontroller 220 malfunctions or is subjected to conditions such as external interference, the first diode D3 and the second diode D4 can ensure that parts such as triodes are not burned out. Optionally, the anode of the first diode D3 is connected between the resistor R4 and the resistor R5.
The operation of the control circuit of the embodiment shown in fig. 14 is explained as follows:
the first transistor Q3, the second transistor Q2, the third transistor Q6, the fourth transistor Q1, the fifth transistor Q4 and the sixth transistor Q5 are transistors for controlling theelectromagnet 22 to be turned on and off, the resistor R4, the resistor R5, the resistor R9 and the resistor R10 are driving resistors, and theseventh control terminal 221 and theeighth control terminal 222 are control ports of the controller 220 (a single-chip MCU).
The output levels of theseventh control terminal 221 and theeighth control terminal 222 are divided into the following cases:
(1) when theseventh control terminal 221 of the MCU outputs a high level and theeighth control terminal 222 outputs a low level, the first transistor Q3, the second transistor Q2 and the third transistor Q6 are turned on, the fourth transistor Q1, the fifth transistor Q4 and the sixth transistor Q5 are turned off, and the current of theelectromagnet 22 flows from the right end to the left end, thereby generating magnetism to attract or push a magnetic object.
(2) When theseventh control terminal 221 of the MCU outputs a low level and theeighth control terminal 222 outputs a high level, the first transistor Q3, the second transistor Q2 and the third transistor Q6 are turned off, the fourth transistor Q1, the fifth transistor Q4 and the sixth transistor Q5 are turned on, and the current of theelectromagnet 22 flows from the left end to the right end, so as to generate magnetism opposite to the case (1), and generate a force opposite to the case (1) on the magnetic object to push or attract the magnetic object.
(3) When theseventh control terminal 221 of the MCU outputs a low level and theeighth control terminal 222 outputs a low level, the first transistor Q3, the second transistor Q2, the third transistor Q6, the fourth transistor Q1, the fifth transistor Q4 and the sixth transistor Q5 are all turned off, no current flows through theelectromagnet 22, and theelectromagnet 22 does not operate.
From the above description, it can be seen that the above-described embodiments of the present invention achieve the following technical effects:
when the pressure in the cooker body is larger than a preset value or the electromagnet is electrified, the opening stopping rod moves upwards to limit the movement of the linkage piece, the linkage piece is locked by the opening stopping rod and cannot move, the cover opening piece cannot rotate, and the cooker cover cannot rotate and cannot be opened. When the pressure in the cooker body is smaller than the preset value, the linkage piece and the opening stopping rod are arranged in a staggered mode, the opening stopping rod cannot lock the linkage piece, the opening cover piece can move freely at the moment, and the cooker cover can be opened.
The above description is only a preferred embodiment of the present invention and is not intended to limit the present invention, and various modifications and changes may be made by those skilled in the art. Any modification, equivalent replacement, or improvement made within the spirit and principle of the present invention should be included in the protection scope of the present invention.

Claims (25)

CN201611265778.0A2016-12-302016-12-30Cooking utensilActiveCN108261057B (en)

Priority Applications (1)

Application NumberPriority DateFiling DateTitle
CN201611265778.0ACN108261057B (en)2016-12-302016-12-30Cooking utensil

Applications Claiming Priority (1)

Application NumberPriority DateFiling DateTitle
CN201611265778.0ACN108261057B (en)2016-12-302016-12-30Cooking utensil

Publications (2)

Publication NumberPublication Date
CN108261057A CN108261057A (en)2018-07-10
CN108261057Btrue CN108261057B (en)2021-01-26

Family

ID=62770131

Family Applications (1)

Application NumberTitlePriority DateFiling Date
CN201611265778.0AActiveCN108261057B (en)2016-12-302016-12-30Cooking utensil

Country Status (1)

CountryLink
CN (1)CN108261057B (en)

Families Citing this family (2)

* Cited by examiner, † Cited by third party
Publication numberPriority datePublication dateAssigneeTitle
CN111110019B (en)*2018-10-312022-02-01浙江苏泊尔家电制造有限公司Cooking appliance and control method thereof
CN111759163B (en)*2020-07-072021-09-17上海安美金属制品有限公司Pressure cooker capable of automatically turning food

Citations (12)

* Cited by examiner, † Cited by third party
Publication numberPriority datePublication dateAssigneeTitle
KR20020045243A (en)*2000-12-082002-06-19구자홍Apparatus for rocking cover of rice cooker
CN200942020Y (en)*2005-12-062007-09-05福库电子株式会社Cover locking and checking device for pressure electric cooker
CN201160765Y (en)*2007-12-282008-12-10广东伊立浦电器股份有限公司Opening cap protecting equipment of electric pressure cooker
CN102410696A (en)*2011-10-242012-04-11合肥美的荣事达电冰箱有限公司Refrigerator
CN202341759U (en)*2011-10-142012-07-25九阳股份有限公司Safely-opened electric pressure cooker
CN202515392U (en)*2012-02-102012-11-07珠海格力电器股份有限公司Safety locking device for opening cover and rice cooker comprising same
CN203898021U (en)*2014-04-302014-10-29佛山市顺德区美的电热电器制造有限公司Uncapping device for electric pressure cooker, and electric pressure cooker
CN205125925U (en)*2015-09-102016-04-06九阳股份有限公司Non - is from electric pressure cooker of pressure release that restores to throne
CN205162754U (en)*2015-11-042016-04-20九阳股份有限公司Pressure cooker
CN105877477A (en)*2015-01-262016-08-24松下家电研究开发(杭州)有限公司Pressure cooking utensil capable of opening and closing cover conveniently
CN105996753A (en)*2016-07-122016-10-12中山市高通电器有限公司Non-pressure uncovering unlocking structure for pressure cooker
CN106037457A (en)*2016-07-132016-10-26九阳股份有限公司Electric pressure cooker realizing simple and convenient cover opening operation

Family Cites Families (8)

* Cited by examiner, † Cited by third party
Publication numberPriority datePublication dateAssigneeTitle
CN200960041Y (en)*2006-10-302007-10-17佛山市顺德区爱德电器有限公司Multifunctional safety type electric pressure cooker
CN201308393Y (en)*2008-11-132009-09-16浙江苏泊尔家电制造有限公司Electric pressure cooker opening-stop valve
CN201968454U (en)*2011-02-212011-09-14浙江绍兴苏泊尔生活电器有限公司Electric pressure cooker
CN202665226U (en)*2012-05-232013-01-16九阳股份有限公司Pressure cooking tool for opening cover safely
CN103976635B (en)*2014-05-092016-07-20聂超Multifunction long-acting Antistaling pot
CN107028485B (en)*2016-02-032019-01-18(株)大辰The sealing structure of home-use double boiler
US10517429B2 (en)*2017-01-102019-12-31Spark Grills, Inc.Charcoal grill system and method for managing temperature within the same charcoal grill system
KR102350545B1 (en)*2017-12-272022-01-14포샨 순더 메이디 일렉트리컬 히팅 어플라이언시스 메뉴팩쳐링 코., 리미티드 cookware

Patent Citations (12)

* Cited by examiner, † Cited by third party
Publication numberPriority datePublication dateAssigneeTitle
KR20020045243A (en)*2000-12-082002-06-19구자홍Apparatus for rocking cover of rice cooker
CN200942020Y (en)*2005-12-062007-09-05福库电子株式会社Cover locking and checking device for pressure electric cooker
CN201160765Y (en)*2007-12-282008-12-10广东伊立浦电器股份有限公司Opening cap protecting equipment of electric pressure cooker
CN202341759U (en)*2011-10-142012-07-25九阳股份有限公司Safely-opened electric pressure cooker
CN102410696A (en)*2011-10-242012-04-11合肥美的荣事达电冰箱有限公司Refrigerator
CN202515392U (en)*2012-02-102012-11-07珠海格力电器股份有限公司Safety locking device for opening cover and rice cooker comprising same
CN203898021U (en)*2014-04-302014-10-29佛山市顺德区美的电热电器制造有限公司Uncapping device for electric pressure cooker, and electric pressure cooker
CN105877477A (en)*2015-01-262016-08-24松下家电研究开发(杭州)有限公司Pressure cooking utensil capable of opening and closing cover conveniently
CN205125925U (en)*2015-09-102016-04-06九阳股份有限公司Non - is from electric pressure cooker of pressure release that restores to throne
CN205162754U (en)*2015-11-042016-04-20九阳股份有限公司Pressure cooker
CN105996753A (en)*2016-07-122016-10-12中山市高通电器有限公司Non-pressure uncovering unlocking structure for pressure cooker
CN106037457A (en)*2016-07-132016-10-26九阳股份有限公司Electric pressure cooker realizing simple and convenient cover opening operation

Also Published As

Publication numberPublication date
CN108261057A (en)2018-07-10

Similar Documents

PublicationPublication DateTitle
CN108261057B (en)Cooking utensil
AU2017210671B2 (en)Food processor non-contact interlock
CN206681523U (en)A kind of power distribution cabinet pin lock
US20150238046A1 (en)Automatic ingredient feeding apparatus applicable in a fully automated cooking machine
CN106419521B (en)Pressure cooker with lock
BR112015020475A2 (en) Electric pressure cooker
CN104995347B (en)Magnetically activated door-lock device
CN116085836B (en) Valve cover, plug valve and stove
DE3540370A1 (en)Safety device for kitchen appliances
US11653788B2 (en)Cooking appliance
CN206761525U (en)Cooking utensil
CN104055434A (en)Electrical Food Preparation Appliance With Working Vessel
CN104095530A (en)Electric pressure cooker with pressure limiting value controlled by electromagnet
CN105229768B (en)Switching device for ignition system
CN109965665A (en)Cooking apparatus
CN103405148B (en)Electric pressure cooker
CN105698473A (en)Side by side refrigerator with overturning beam
CN104997391B (en)A kind of pressure regulating mechanism and it is provided with the pressure cooker of the pressure regulating mechanism
CN103259398B (en)Flameproof type frequency conversion box capacitor bank discharging blocking device
CN206957389U (en)A kind of virgin lock and the baking box locked using the child
CN210582276U (en)Handle and pot
CN208425915U (en) Pressure cooker lid closing device
CN205083261U (en)Electric pressure cooker and exhaust device for electric pressure cooker
CN208822450U (en)Cooking apparatus
CN209360391U (en)A kind of kettle spout construction of switch of metal forming

Legal Events

DateCodeTitleDescription
PB01Publication
PB01Publication
SE01Entry into force of request for substantive examination
SE01Entry into force of request for substantive examination
GR01Patent grant
GR01Patent grant

[8]ページ先頭

©2009-2025 Movatter.jp