Movatterモバイル変換


[0]ホーム

URL:


CN108050571B - Single-stage balanced ammonia-water reabsorption heat pump circulation equipment and heating method - Google Patents

Single-stage balanced ammonia-water reabsorption heat pump circulation equipment and heating method
Download PDF

Info

Publication number
CN108050571B
CN108050571BCN201711230635.0ACN201711230635ACN108050571BCN 108050571 BCN108050571 BCN 108050571BCN 201711230635 ACN201711230635 ACN 201711230635ACN 108050571 BCN108050571 BCN 108050571B
Authority
CN
China
Prior art keywords
low
solution
ammonia
pressure
water
Prior art date
Legal status (The legal status is an assumption and is not a legal conclusion. Google has not performed a legal analysis and makes no representation as to the accuracy of the status listed.)
Active
Application number
CN201711230635.0A
Other languages
Chinese (zh)
Other versions
CN108050571A (en
Inventor
代彦军
贾腾
赵耀
戴恩乾
Current Assignee (The listed assignees may be inaccurate. Google has not performed a legal analysis and makes no representation or warranty as to the accuracy of the list.)
Shanghai Jiao Tong University
Original Assignee
Shanghai Jiao Tong University
Priority date (The priority date is an assumption and is not a legal conclusion. Google has not performed a legal analysis and makes no representation as to the accuracy of the date listed.)
Filing date
Publication date
Application filed by Shanghai Jiao Tong UniversityfiledCriticalShanghai Jiao Tong University
Priority to CN201711230635.0ApriorityCriticalpatent/CN108050571B/en
Publication of CN108050571ApublicationCriticalpatent/CN108050571A/en
Application grantedgrantedCritical
Publication of CN108050571BpublicationCriticalpatent/CN108050571B/en
Activelegal-statusCriticalCurrent
Anticipated expirationlegal-statusCritical

Links

Images

Classifications

Landscapes

Abstract

Translated fromChinese

本发明涉及一种单级平衡式氨‑水再吸收式热泵循环设备和供热方法。单级平衡式氨‑水再吸收式热泵循环设备包括溶液回路、制冷剂蒸汽管路、供回水管路和驱动热源;所述溶液回路包括高压发生器、高压吸收器、低压发生器、低压吸收器、两个节流阀、溶液混合罐、溶液分离罐、溶液循环泵、高温溶液换热器、低温溶液换热器;所述制冷剂蒸汽管路包括高压制冷剂蒸汽管路和低压制冷剂蒸汽管路;所述供回水管路包括供水管路和回水管路;所述驱动热源包括高温驱动热源和低温驱动热源。使用该设备进行供热方法包括供回水循环过程、氨溶液循环过程、氨蒸汽管路运行过程。

Figure 201711230635

The invention relates to a single-stage balanced ammonia-water re-absorption heat pump circulating equipment and a heating method. The single-stage balanced ammonia-water reabsorption heat pump cycle equipment includes a solution circuit, a refrigerant vapor pipeline, a water supply and return pipeline, and a driving heat source; the solution circuit includes a high-pressure generator, a high-pressure absorber, a low-pressure generator, and a low-pressure absorption , two throttle valves, solution mixing tank, solution separation tank, solution circulation pump, high temperature solution heat exchanger, low temperature solution heat exchanger; the refrigerant vapor pipeline includes high pressure refrigerant vapor pipeline and low pressure refrigerant A steam pipeline; the water supply and return pipeline includes a water supply pipeline and a return water pipeline; the driving heat source includes a high temperature driving heat source and a low temperature driving heat source. The heating method using the equipment includes the circulation process of supply and return water, the circulation process of ammonia solution, and the operation process of ammonia steam pipeline.

Figure 201711230635

Description

Single-stage balanced ammonia-water re-absorption heat pump circulating equipment and heat supply method
Technical Field
The invention relates to the field of solar heat utilization and heat pump air conditioning, in particular to single-stage balanced ammonia-water re-absorption heat pump circulating equipment and a heat supply method.
Background
China is the first energy consuming country and CO of the world2The countries with the largest discharge amount face a severe pressure of energy conservation and emission reduction. The rapid development of renewable energy sources such as solar energy and the like is an important direction for coping with climate change, promoting energy conservation and emission reduction and relieving environmental pollution.
At present, the development and utilization modes of solar energy are single, and most of the solar energy is low-temperature hot water. Solar heating, refrigeration, industrial heating and solar thermal power generation have been applied, but are far from reaching the scale. In various implementation modes of solar heating, the heat pump driven by the heat energy generated by the solar heat collector under given conditions has better heat supply efficiency, and theoretically 80% of solar radiation energy can be converted into heat supply capacity.
Through the published literature search of the prior art, the problems that the heating of the current solar heat pump is still unstable and inefficient are found. The solar energy density is low, and the solar radiation is intermittent and unstable due to day and night and weather changes. But the heating requirement is stable and reliable; the low ambient temperature in winter, the sunshine time is short, can cause solar energy system heat waste to increase, and the thermal-arrest temperature is not high, but the efficiency reduction can lead to can not satisfying the heating load requirement. Theoretically, a conventional absorption and adsorption heat pump driven by heat energy can be used for heating in combination with a solar heat collector, but the traditional absorption or adsorption heat pump cycle using water as a working medium cannot meet the requirement of a low-temperature refrigeration environment, a heat pump system using low-boiling point working media such as ammonia and the like requires high driving heat source temperature (generally higher than 120 ℃), and the driving working time is short or the starting is difficult completely depending on the driving of the solar heat collector.
The invention replaces the evaporator and the condenser in the traditional absorption heat pump cycle with the low pressure generator and the high pressure absorber, gets rid of the limitation of the cycle working pressure difference of the absorption heat pump by the condensing pressure and the evaporating pressure of the refrigerant, greatly reduces the working pressure and the high and low pressure difference of the system, and enhances the adaptability to the temperature change of the driving heat source. Meanwhile, compared with the traditional ammonia-water absorption cycle, the method reduces the rectification link and has simpler and more compact system structure.
Disclosure of Invention
Due to the technical defects of solar heat pump heating, the invention aims to provide single-stage balanced ammonia-water reabsorption heat pump circulation equipment which can be driven by solar energy for a long time and can work in a lower-temperature environment and is driven by low-temperature solar heat (70-100 ℃), and a method for applying the circulation equipment to indoor heat supply.
The invention provides single-stage balanced ammonia-water re-absorption heat pump circulating equipment which comprises a solution loop, a refrigerant steam pipeline, a water supply and return pipeline and a driving heat source. The solution loop comprises a high-pressure generator (generator with highest pressure), a high-pressure absorber (absorber with highest pressure), a low-temperature solution heat exchanger, a low-pressure generator (generator with lowest pressure), a low-pressure absorber (absorber with lowest pressure) and a high-temperature solution heat exchanger, wherein a solution separation tank is connected between the high-pressure generator and the high-pressure absorber, a first throttle valve is connected between the low-temperature solution heat exchanger and the low-pressure generator, a second throttle valve is connected between the high-temperature solution heat exchanger and the low-pressure absorber, a solution mixing tank is connected between the low-pressure generator and the low-pressure absorber, and a solution circulating pump is connected between the solution separation tank and the high-temperature solution heat exchanger; the refrigerant vapor lines include a high pressure refrigerant vapor line (the highest pressure refrigerant vapor line) and a low pressure refrigerant vapor line (the lowest pressure refrigerant vapor line); the water supply and return pipeline comprises a water supply pipeline and a water return pipeline; the driving heat sources are classified into a high-temperature driving heat source (a heat source driving a high-temperature generator) and a low-temperature driving heat source (a heat source driving a low-temperature generator).
The working medium for the solution loop operation of the single-stage balanced ammonia-water re-absorption heat pump circulating equipment is ammonia solution; the working medium for the operation of the refrigerant steam pipeline is ammonia steam; the working medium running in the water supply and return pipeline is water. Specifically, the single-stage balanced ammonia-water re-absorption heat pump circulating equipment has 10 working media which run simultaneously and comprises 2 ammonia steam, 7 ammonia solution and 1 water (namely, water supply and return). The 2 strands of ammonia steam comprise high-temperature high-pressure ammonia steam HV generated by a high-pressure generator and low-temperature low-pressure ammonia steam LV generated by a low-pressure generator; the 7 strands of solutions comprise a dilute solution A generated by a high-pressure generator, a concentrated solution B generated by a low-pressure absorber, a concentrated solution C generated by a high-pressure absorber, a dilute solution D generated by the low-pressure generator, a solution E generated by mixing the dilute solution B and the solution D, and solutions F and G which respectively enter the high-pressure generator and the high-pressure absorber after passing through a solution separation tank; 1 share of water is the supply water SW and the return water RW.
The refrigerant vapor pipeline is connected in a way that an inlet and an outlet of the high-pressure ammonia vapor pipeline are respectively connected with the high-pressure generator and the high-pressure absorber; the inlet and outlet of the low-pressure ammonia vapor pipeline are respectively connected with the low-pressure generator and the low-pressure absorber.
The connection mode of the water supply and return pipeline is as follows: the water return pipeline is connected with an outlet at the indoor heat exchange end and penetrates through the low-pressure absorber to be connected with the high-pressure absorber, an inlet of the water supply pipeline is connected with the high-pressure absorber, and an inlet of the water supply pipeline is connected with an inlet at the indoor heat exchange end.
The high-temperature driving heat source in the invention is solar heat of 70-100 ℃ generated by CPC (Compound Parabolic Collector)/ETC (Evacuated Tube Collector), and the heat of a gas furnace is used as a standby high-temperature driving heat source; the low-temperature driving heat source is ambient heat or waste heat at the temperature of not less than-10 ℃, and the standby low-temperature driving heat source is solar heat at the temperature of 10-35 ℃. The working mode can be switched according to the ambient temperature, when the ambient temperature is not lower than-10 ℃, the CPC/ETC is used as a high-temperature driving heat source, namely, the CPC/ETC works in the high-temperature driving mode, heat generated by the high-temperature driving heat source exchanges heat with ammonia solution in a high-temperature generator, and the low-temperature generator provides heat by a low-temperature driving heat source, namely ambient air heat or waste heat; when the ambient temperature is lower than-10 ℃, the CPC/ETC is used as a low-temperature driving heat source, namely, the low-temperature driving mode is switched, the heat generated by the low-temperature driving heat source exchanges heat with ammonia solution in the low-temperature generator, and the high-temperature generator supplies heat by a standby high-temperature driving heat source, namely, a gas furnace.
The method for supplying heat by using the single-stage balanced ammonia-water re-absorption heat pump circulating equipment comprises the working operation process of an ammonia solution loop, an ammonia steam pipeline, a water supply and return pipeline and a driving heat source.
The working operation process of the solution loop and the ammonia vapor pipeline is that the ammonia solution at the inlet of the high-pressure generator exchanges heat with a driving heat source in the high-pressure generator, the temperature rises, high-temperature high-pressure ammonia vapor HV is separated out, and the ammonia solution becomes dilute solution A; the dilute solution A from the high-pressure generator flows through the high-temperature solution heat exchanger to exchange heat with the solution E and reduce the temperature, and then the pressure is reduced through the throttle valve and enters the low-pressure absorber; the concentrated solution C from the high-pressure absorber flows through the low-temperature solution heat exchanger to exchange heat with the solution E and reduce the temperature, then flows through the throttle valve to reduce the pressure, and enters the low-pressure generator; and after the low-pressure generator inlet solution exchanges heat with the low-temperature driving heat source in the low-pressure generator, the temperature rises to become a dilute solution D, and low-temperature low-pressure ammonia vapor LV is separated out. Fully mixing the dilute solution D at the outlet of the low-pressure generator with the concentrated solution B at the outlet of the low-pressure absorber in a solution mixing tank to generate a solution E; the solution E flows through the low-temperature solution heat exchanger to exchange heat with the solution C, then flows through the high-temperature solution heat exchanger to exchange heat with the solution A, and is sent into the solution separation tank by the solution circulating pump; the solution at the outlet of the solution separation tank is divided into two paths, the solution F flows into the high-pressure generator, and the solution G flows into the high-pressure absorber. The process of absorbing ammonia vapor in the high-pressure absorber and the low-pressure absorber is a non-isothermal process, heat exchange exists, the temperature of the concentrated solution C at the outlet of the high-pressure absorber can be lower than the temperature of water supply flowing out of the high-pressure absorber, and the temperature of the concentrated solution C at the outlet of the low-pressure absorber can be lower than the temperature of return water flowing out of the low-pressure absorber.
The working operation process of the water supply and return pipeline is as follows: a water supply process: the ammonia solution G of the high-pressure absorber absorbs the heat released by the high-temperature high-pressure ammonia steam HV from the high-pressure generator, and the heat is exchanged with the water supply pipeline to generate water supply; indoor heat supply process: the water supply from the high-pressure absorber exchanges heat with the indoor heat exchange tail end; a water return process: the temperature of the supplied water is reduced to return water after passing through the indoor heat exchange terminal, the return water enters the low-pressure absorber, the dilute ammonia solution A of the low-pressure absorber absorbs the heat released by the low-temperature low-pressure ammonia steam from the low-pressure generator, the heat is exchanged with a return water pipeline, and the return water continues to enter the high-pressure absorber to complete a cycle heat supply process.
Compared with the prior art, the invention has the following beneficial effects: the low-pressure generator and the high-pressure absorber respectively replace an evaporator and a condenser in the traditional absorption heat pump cycle, and the limitation that the cycle working pressure difference of the absorption heat pump is limited by the condensing pressure and the evaporating pressure of a refrigerant is eliminated; the ammonia-water working medium is adopted, and the established cycle is suitable for heating in a low-temperature environment in winter; the condition limitation of saturated vapor pressure at the evaporation and condensation temperature of a single pure working medium is eliminated, and the working pressure difference is small; the temperature range of the working heat source is wider by controlling the concentration difference to operate; a rectifying device is not needed, only one solution circulating pump is needed, and the system has simple and compact structure, simple manufacturing process and low investment cost.
The conception, the specific structure and the technical effects of the present invention will be further described with reference to the accompanying drawings to fully understand the objects, the features and the effects of the present invention.
Drawings
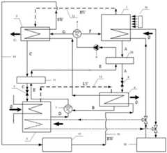
FIG. 1 is a schematic diagram of a single stage balanced ammonia-water re-absorption heat pump cycle plant of the present invention operating in a mode where solar energy is used as the high temperature driving heat source;
FIG. 2 is a schematic diagram of a single stage balanced ammonia-water re-absorption heat pump cycle apparatus of the present invention operating in a solar low temperature driven heat source mode;
FIG. 3a is a schematic diagram of the operation of the refrigerant line of the single-stage balanced ammonia-water re-absorption heat pump cycle device of the present invention with high-temperature and high-pressure ammonia vapor HV;
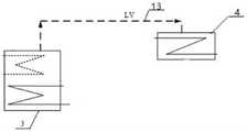
FIG. 3b is a schematic diagram of the operation of the refrigerant line low temperature and low pressure ammonia vapor LV of the single stage balanced ammonia-water re-absorption heat pump cycle device of the present invention;
FIG. 4 is a schematic diagram of the solution loop operation of the single stage balanced ammonia-water re-absorption heat pump circulating device of the present invention;
FIG. 5 is a schematic diagram illustrating the operation of the single-stage balanced ammonia-water re-absorption heat pump circulating equipment of the present invention with supply and return water;
Detailed Description
The structural schematic diagram of the single-stage balanced ammonia-water re-absorption heat pump circulating equipment provided by the invention is shown in fig. 1 or fig. 2, and the single-stage balanced ammonia-water re-absorption heat pump circulating equipment comprises a solution loop, a refrigerant steam pipeline, a water supply and return pipeline and a driving heat source.
The working medium for the solution loop operation of the single-stage balanced ammonia-water re-absorption heat pump circulating equipment is ammonia solution; the working medium for the operation of the refrigerant steam pipeline is ammonia steam; the working medium running in the water supply and return pipeline is water. Specifically, the single-stage balanced ammonia-water re-absorption heat pump circulating equipment has 10 working media which run simultaneously and comprises 2 ammonia steam, 7 ammonia solution and 1 water (namely, water supply and return). The 2 strands of ammonia steam comprise high-temperature high-pressure ammonia steam HV generated by a high-pressure generator and low-temperature low-pressure ammonia steam LV generated by a low-pressure generator; the 7 strands of solutions comprise a dilute solution A generated by a high-pressure generator, a concentrated solution B generated by a low-pressure absorber, a concentrated solution C generated by a high-pressure absorber, a dilute solution D generated by the low-pressure generator, a solution E generated by mixing the dilute solution B and the solution D, and solutions F and G which respectively enter the high-pressure generator and the high-pressure absorber after passing through a solution separation tank; 1 share of water is the supply water SW and the return water RW.
The refrigerant vapor pipeline is connected in a way that an inlet and an outlet of the high-pressure ammonia vapor pipeline are respectively connected with the high-pressure generator and the high-pressure absorber; the inlet and outlet of the low-pressure ammonia vapor pipeline are respectively connected with the low-pressure generator and the low-pressure absorber.
The connection mode of the water supply and return pipeline is as follows: the water return pipeline is connected with an outlet at the indoor heat exchange end and penetrates through the low-pressure absorber to be connected with the high-pressure absorber, an inlet of the water supply pipeline is connected with the high-pressure absorber, and an outlet of the water supply pipeline is connected with an inlet at the indoor heat exchange end.
The solution loop comprises a high-pressure generator 1, a high-pressure absorber 2, a low-temperaturesolution heat exchanger 11, a low-pressure generator 3, a low-pressure absorber 4 and a high-temperaturesolution heat exchanger 10 which are sequentially connected, wherein asolution separation tank 8 is connected between the high-pressure generator 1 and the high-pressure absorber 2, afirst throttle valve 5 is connected between the low-temperaturesolution heat exchanger 11 and the low-pressure generator 3, asecond throttle valve 6 is connected between the high-temperaturesolution heat exchanger 10 and the low-pressure absorber 4, asolution mixing tank 7 is connected between the low-pressure generator 3 and the low-pressure absorber 4, and asolution circulating pump 9 is connected between the solution separation tank; the ammonia vapor line comprises a high pressure ammoniavapor HV line 12 and a low pressure ammoniavapor LV line 13; thewater supply pipeline 14 and thewater return pipeline 15 form a water supply and return pipeline; the driving heat source is divided into a high-temperature driving heat source and a low-temperature driving heat source.
The heat supply method by using the single-stage balanced ammonia-water re-absorption heat pump circulating equipment provided by the invention comprises the working operation processes of a solution loop, an ammonia steam pipeline, a water supply and return pipeline and a driving heat source. The ammonia vapor line operation is divided into two parts, as shown in fig. 3a, the high-temperature and high-pressure ammonia vapor HV is generated by the high-pressure generator 1 and flows into the high-pressure absorber 2 via the high-pressureammonia vapor line 12 to be absorbed, and as shown in fig. 3b, the low-temperature and low-pressure ammonia vapor LV is generated by the low-pressure generator 3 and flows into the low-pressure absorber 4 via the low-pressureammonia vapor line 13 to be absorbed.
The operation of the solution loop is shown in fig. 4, and the ammonia solution flows out of thehigh pressure generator 1 and the high pressure absorber 2, respectively, then flows through the high temperaturesolution heat exchanger 10, thethrottle valve 6, the low temperaturesolution heat exchanger 11, thethrottle valve 5, respectively, and enters the low pressure absorber 4 and thelow pressure generator 3, respectively. The solution flowing out of thelow pressure generator 3 and the low pressure absorber 4 is mixed in the solution mixingtank 7, then flows through the low temperaturesolution heat exchanger 11 and the high temperaturesolution heat exchanger 10 in sequence, is finally sent into thesolution separation tank 8 by thesolution circulating pump 9, and then is divided into two paths according to a certain flow ratio to enter thehigh pressure generator 1 and the high pressure absorber 2, so that a complete solution circulation process is formed.
The operation of the water supply and return line is shown in fig. 5. The water supply SW flows into the indoor heatexchange tail end 17 through thewater supply pipeline 14 to release heat and then generates return water RW, and the return water RW flows into the high-pressure absorber 2 through the low-pressure absorber 4 through thereturn pipeline 15 to absorb heat, so that a complete heat supply circulation process is formed.
In order to achieve efficient and continuous heat supply effects, the single-stage balanced ammonia-water re-absorption heat pump circulation equipment and the heat supply method have two operation modes, namely the operation modes in which solar energy is respectively used as a high-temperature driving heat source and a low-temperature driving heat source, and the two operation modes are switched according to the ambient temperature. As shown in fig. 1 and 2, the thick arrows indicate the heat transfer direction of the components, the arrows on the solid lines indicate the flow direction of the solution, the supply water, the return water or the heat collecting working medium, the arrows in the long dashed lines indicate the flow direction of the ammonia vapor in the heat pump system, and the short dashed lines indicate the pipelines which are not used in the operation mode.
As shown in fig. 1, when the environmental temperature is not lower than-10 ℃, the single-stage balanced ammonia-water re-absorption heat pump circulation equipment of the invention operates in the high-temperature driving heat source operation mode, the operation process of the solution, ammonia vapor and water supply and return water is as described above, the CPC/ETC solar heat collection temperature reaches 70-100 ℃, the heat collection working medium flows into the high-pressure generator 1, the heat is transferred to the ammonia solution in the high-pressure generator 1 through the heat exchange pipeline for heating, and the high-pressure generation process is completed. The low pressure generation process is driven by the low-temperature heat energy of the environment.
As shown in fig. 2, when the environmental temperature is lower than-10 ℃, the flow conditions of the ammonia solution, the ammonia vapor and the water supply and return are the same as those in the first operation mode under the low-temperature driving heat source operation mode of the single-stage balanced ammonia-water re-absorption heat pump circulation equipment of the invention, the solar heat collection temperature is lower (10-35 ℃), the heat collection working medium flows into the low-pressure generator 3, the heat is transferred to the ammonia solution in the low-pressure generator 3 through the heat exchange pipeline for heating, the low-pressure generation process is completed, and the high-pressure generation process is assisted to be driven by thegas furnace 16.
The foregoing detailed description of the preferred embodiments of the invention has been presented. It should be understood that numerous modifications and variations could be devised by those skilled in the art in light of the present teachings without departing from the inventive concepts. Therefore, the technical solutions available to those skilled in the art through logic analysis, reasoning and limited experiments based on the prior art according to the concept of the present invention should be within the scope of protection defined by the claims.

Claims (8)

1. The single-stage balanced ammonia-water re-absorption heat pump circulating equipment is characterized by comprising a solution loop, a refrigerant steam pipeline, a water supply and return pipeline and a driving heat source;
the solution loop comprises a high-pressure generator (1), a high-pressure absorber (2), a low-temperature solution heat exchanger (11), a low-pressure generator (3), a low-pressure absorber (4) and a high-temperature solution heat exchanger (10), wherein a solution separation tank (8) is connected between the high-pressure generator (1) and the high-pressure absorber (2), a first throttling valve (5) is connected between the low-temperature solution heat exchanger (11) and the low-pressure generator (3), a second throttling valve (6) is connected between the high-temperature solution heat exchanger (10) and the low-pressure absorber (4), a solution mixing tank (7) is connected between the low-pressure generator (3) and the low-pressure absorber (4), and a solution circulating pump (9) is connected between the solution separation tank (8) and the high-temperature solution heat exchanger (10);
the refrigerant vapor lines include a high pressure refrigerant vapor line (12) and a low pressure refrigerant vapor line (13); the water supply and return pipeline comprises a water supply pipeline (14) and a water return pipeline (15); the driving heat source comprises a high-temperature driving heat source and a low-temperature driving heat source; the two ends of the high-pressure refrigerant steam pipeline (12) are respectively connected with the high-pressure generator (1) and the high-pressure absorber (2), and a rectifying device is not contained; both ends of the low-pressure refrigerant steam pipeline (13) are respectively connected with the low-pressure generator (3) and the low-pressure absorber (4), and a rectifying device is not contained; the both ends of water supply line (14) are connected respectively high pressure absorber (2) and indoor heat transfer are terminal (17), the both ends of return water pipeline (15) are connected respectively indoor heat transfer are terminal (17) with low pressure absorber (4), low pressure absorber (4) with high pressure absorber (2) link to each other.
2. The single-stage balanced ammonia-water re-absorption heat pump cycle equipment as claimed in claim 1, wherein the working medium of the solution loop is ammonia solution; the working medium of the refrigerant steam pipeline is ammonia water steam; the working medium in the water supply and return pipeline is water.
3. The single-stage balanced ammonia-water reabsorption heat pump cycle apparatus according to claim 1, wherein said high-temperature driving heat source is 70-100 ℃ solar heat generated by CPC/ETC (18), and said low-temperature driving heat source is low-temperature ambient heat or waste heat of not less than-10 ℃.
4. The single-stage balanced ammonia-water re-absorption heat pump cycle equipment as claimed in claim 1, wherein the gas furnace (16) is a backup high-temperature driving heat source, and the solar heat at 10-35 ℃ generated by the CPC/ETC (18) is a backup low-temperature driving heat source.
5. The single-stage balanced ammonia-water re-absorption heat pump cycle equipment as claimed in claim 4, wherein when the ambient temperature is not lower than-10 ℃, the mode is a high temperature driving heat source and a low temperature driving heat source; when the ambient temperature is lower than-10 ℃, the mode is switched to the working mode of a standby high-temperature driving heat source and a standby low-temperature driving heat source.
6. The method for supplying heat by using the single-stage balanced ammonia-water re-absorption heat pump cycle device as claimed in claim 2, wherein the operation process of the water supply and return pipeline is as follows:
a water supply process: the ammonia solution G of the high-pressure absorber (2) absorbs the heat released by the high-temperature high-pressure ammonia water steam from the high-pressure generator (1) and exchanges heat with the water return pipeline (15) to generate water supply SW;
indoor heat supply process: the water supply SW from the high pressure absorber (2) exchanges heat with the indoor heat exchange terminal (17);
a water return process: the temperature of the supplied water is reduced after passing through the indoor heat exchange tail end (17) to generate return water RW, the return water RW enters the low-pressure absorber (4) through the return water pipeline (15), the dilute ammonia solution A of the low-pressure absorber (4) absorbs the low-temperature low-pressure ammonia water steam from the low-pressure generator (3) to release heat, the heat exchange is carried out between the dilute ammonia solution A and the return water pipeline (15), and then the return water RW flows into the high-pressure absorber (2);
the above process is operated circularly.
7. The method of claim 6 wherein the solution loop is operated as follows:
the generation process of the high-voltage generator comprises the following steps: the ammonia solution F of the high-pressure generator (1) absorbs heat, the temperature is increased, ammonia water vapor is separated out, and an ammonia dilute solution A is generated;
the generation process of the low-pressure absorber comprises the following steps: the dilute ammonia solution A of the low-pressure absorber (4) absorbs ammonia water vapor and releases heat to generate a concentrated ammonia solution B;
the high-pressure absorber is generated by the following steps: the ammonia solution G of the high-pressure absorber (2) absorbs ammonia water vapor and releases heat to generate a concentrated ammonia solution C;
the generation process of the low-voltage generator comprises the following steps: the concentrated ammonia solution C of the low-pressure generator (3) absorbs heat, the temperature is increased, ammonia water vapor is separated out, and a dilute ammonia solution D is generated;
solution mixing process: the concentrated ammonia solution B and the dilute ammonia solution D are mixed by the solution mixing tank (7) to generate an ammonia solution E;
a solution separation process, wherein the ammonia solution E is separated by the solution separation tank (8) to generate an ammonia solution F and an ammonia solution G which respectively enter the high-pressure generator (1) and the high-pressure absorber (2);
the above process is operated circularly.
8. The method of claim 6 wherein the refrigerant vapor line is operated as follows:
the high-temperature high-pressure ammonia water steam HV generation process comprises the following steps: the ammonia solution F of the high-pressure generator (1) absorbs heat, the temperature is increased, and ammonia water vapor is separated out;
high-temperature high-pressure ammonia water vapor HV absorption process: the ammonia solution G of the high-pressure absorber (2) absorbs ammonia water vapor and releases heat;
the low-temperature low-pressure ammonia water steam LV generation process: the strong ammonia water solution C of the low-pressure generator (3) absorbs heat and ammonia water vapor is separated out;
low-temperature low-pressure ammonia water vapor LV absorption process: and the dilute ammonia water solution A of the low-pressure absorber (4) absorbs ammonia water vapor and releases heat.
CN201711230635.0A2017-11-292017-11-29 Single-stage balanced ammonia-water reabsorption heat pump circulation equipment and heating methodActiveCN108050571B (en)

Priority Applications (1)

Application NumberPriority DateFiling DateTitle
CN201711230635.0ACN108050571B (en)2017-11-292017-11-29 Single-stage balanced ammonia-water reabsorption heat pump circulation equipment and heating method

Applications Claiming Priority (1)

Application NumberPriority DateFiling DateTitle
CN201711230635.0ACN108050571B (en)2017-11-292017-11-29 Single-stage balanced ammonia-water reabsorption heat pump circulation equipment and heating method

Publications (2)

Publication NumberPublication Date
CN108050571A CN108050571A (en)2018-05-18
CN108050571Btrue CN108050571B (en)2020-04-03

Family

ID=62121610

Family Applications (1)

Application NumberTitlePriority DateFiling Date
CN201711230635.0AActiveCN108050571B (en)2017-11-292017-11-29 Single-stage balanced ammonia-water reabsorption heat pump circulation equipment and heating method

Country Status (1)

CountryLink
CN (1)CN108050571B (en)

Families Citing this family (6)

* Cited by examiner, † Cited by third party
Publication numberPriority datePublication dateAssigneeTitle
CN109579105B (en)*2018-10-302020-10-27中国科学院理化技术研究所 A gas absorption heat pump system
CN110081636A (en)*2019-04-192019-08-02东南大学A kind of solution chiasma type ammonium hydroxide absorbs, reabsorbs formula heat pump system
CN110173919B (en)*2019-04-302020-10-16东南大学Device for improving performance of gas type ammonia water bromine heat pump based on electrically driven membrane separation technology
CN112078834B (en)*2020-08-242022-04-19航天科工空间工程发展有限公司Spacecraft heat dissipation system and method
CN113203112B (en)*2021-05-202024-11-15江苏河海新能源技术发展有限公司 Absorption double effect heat pump
CN115013998B (en)*2022-06-272023-05-12张丽红Ammonia water absorption heat pump and control method thereof

Family Cites Families (7)

* Cited by examiner, † Cited by third party
Publication numberPriority datePublication dateAssigneeTitle
JPH09243198A (en)*1996-03-041997-09-16Matsushita Electric Ind Co Ltd Absorption heat pump
CN1220014C (en)*2003-07-072005-09-21佛山市大东南电器有限公司Absorption refrigeration device with biabsorption
CN101059290A (en)*2007-05-252007-10-24东南大学Ammonia absorption type refrigeration and hot pump dual-purpose system and cool and heat supply method
CN101093118B (en)*2007-07-082010-07-14李华玉Single stage composite absorption type compressor
CN100578116C (en)*2008-05-092010-01-06武汉云鹤定宇制冷科技有限公司 A refrigeration and air conditioner using hot water from solar vacuum glass tube collectors as energy
CN101458006B (en)*2009-01-012011-11-16李华玉Method for enhancing heat pump heat supply temperature and high temperature first kind absorption heat pump
CN101520250B (en)*2009-03-262011-03-16浙江大学Efficient two-stage absorption refrigerating device

Also Published As

Publication numberPublication date
CN108050571A (en)2018-05-18

Similar Documents

PublicationPublication DateTitle
CN108050571B (en) Single-stage balanced ammonia-water reabsorption heat pump circulation equipment and heating method
CN107388620B (en) A composite solar lithium bromide absorption air conditioning system
CN101403546B (en)Absorption type refrigerator employing film distillation technology
CN103090593B (en)Heat pump circulating system and heat pump cycle method and vapo(u)rization system
CN202083061U (en) A solar absorption air conditioner
CN101701737A (en) A solution dehumidification air conditioning device driven by a heat pump
CN101571330B (en) A frost-free multifunctional solar-assisted heat pump system
CN103752142A (en)Solar aided carbon dioxide trapping integrated system
CN102734094A (en)Thermal power generation system combined by water saving type solar combustion gas turbine and kalina cycle
CN114279254B (en)Flue gas waste heat utilization and carbon dioxide capturing and recycling process
CN111306015A (en)Solar energy-geothermal energy mixed heat source combined cooling heating and power system and working method thereof
CN105402926A (en)Combined cooling and power system and refrigeration, power generation and combined cooling and power method based on combined cooling and power system
CN110697821B (en)Seawater source trans-critical carbon dioxide heat pump circulation multi-effect seawater desalination system
CN113587187A (en)Flue gas waste heat recycling system and method
CN108088111B (en) Two-stage isothermal ammonia-water reabsorption heat pump cycle and heating method
CN110542239A (en)Single-double effect composite evaporation-absorption two-section direct combustion type first-class lithium bromide absorption heat pump unit
CN110282678A (en)Wind light mutual complementing double flash evaporation seawater desalination system and working method based on vortex tube
CN109631413A (en)A kind of absorption/compression mixture circulatory system adsorbing cooling air-breathing
CN211372824U (en)Air energy heat pump heating device capable of utilizing heat of PVT photovoltaic module
CN220771435U (en)Coupling type heat pump unit
CN204961183U (en)Solar thermal power generation system suitable for hot arid area
CN209818126U (en) Hydropower cogeneration system with cascade utilization of flue gas waste heat concentrated solution
CN107024029A (en)Direct-evaporation-type solar generator clod cogeneration system and its control method
CN216924814U (en)Photo-thermal evaporator air source heat pump
CN108072192B (en)Three-stage isothermal balance type ammonia-water re-absorption heat pump circulation and heat supply method

Legal Events

DateCodeTitleDescription
PB01Publication
PB01Publication
SE01Entry into force of request for substantive examination
SE01Entry into force of request for substantive examination
GR01Patent grant
GR01Patent grant

[8]ページ先頭

©2009-2025 Movatter.jp