Movatterモバイル変換


[0]ホーム

URL:


CN107891432B - Small-size brill mills robot structure and control system - Google Patents

Small-size brill mills robot structure and control system
Download PDF

Info

Publication number
CN107891432B
CN107891432BCN201711456126.XACN201711456126ACN107891432BCN 107891432 BCN107891432 BCN 107891432BCN 201711456126 ACN201711456126 ACN 201711456126ACN 107891432 BCN107891432 BCN 107891432B
Authority
CN
China
Prior art keywords
stepping motor
speed reduction
rotary mechanism
rotary
bearing
Prior art date
Legal status (The legal status is an assumption and is not a legal conclusion. Google has not performed a legal analysis and makes no representation as to the accuracy of the status listed.)
Active
Application number
CN201711456126.XA
Other languages
Chinese (zh)
Other versions
CN107891432A (en
Inventor
唐新星
柳虹亮
张邦成
范大川
王平
王毓樟
何丽鹏
程廷海
姜大伟
高智
Current Assignee (The listed assignees may be inaccurate. Google has not performed a legal analysis and makes no representation or warranty as to the accuracy of the list.)
Changchun University of Technology
Original Assignee
Changchun University of Technology
Priority date (The priority date is an assumption and is not a legal conclusion. Google has not performed a legal analysis and makes no representation as to the accuracy of the date listed.)
Filing date
Publication date
Application filed by Changchun University of TechnologyfiledCriticalChangchun University of Technology
Priority to CN201711456126.XApriorityCriticalpatent/CN107891432B/en
Publication of CN107891432ApublicationCriticalpatent/CN107891432A/en
Application grantedgrantedCritical
Publication of CN107891432BpublicationCriticalpatent/CN107891432B/en
Activelegal-statusCriticalCurrent
Anticipated expirationlegal-statusCritical

Links

Images

Classifications

Landscapes

Abstract

Translated fromChinese

本发明提供一种钻铣机器人结构及控制系统,属于智能机械制造技术领域,包括第一回转机构、第二回转机构、第三回转机构、第四回转机构、第五回转机构、大臂、Y型大臂、小臂、控制系统,第一回转机构、第三回转机构、第四回转机构、第五回转机构回转轴线相互平行,第二回转机构的回转轴线与其它四个回转轴线垂直,大臂连接着第一回转机构与第二回转机构,Y型大臂连接着第二回转机构与第三回转机构,第四回转机构、第五回转机构安装在小臂上,小臂与第三回转机构固连在一起,控制系统固定在第一回转机构的基座上,控制系统采用模块化方式搭建;本发明可实现平面内和空间范围内进行定位和定向,作业适应性强,适应度广,使用效果好,便于推广应用。

Figure 201711456126

The invention provides a drilling and milling robot structure and control system, belonging to the technical field of intelligent machine manufacturing, comprising a first rotary mechanism, a second rotary mechanism, a third rotary mechanism, a fourth rotary mechanism, a fifth rotary mechanism, a large arm, a Y type big arm, small arm, control system, the rotation axes of the first slewing mechanism, the third slewing mechanism, the fourth slewing mechanism, and the fifth slewing mechanism are parallel to each other, and the slewing axis of the second slewing mechanism is perpendicular to the other four rotation axes. The arm is connected to the first slewing mechanism and the second slewing mechanism, the Y-shaped arm is connected to the second slewing mechanism and the third slewing mechanism, the fourth slewing mechanism and the fifth slewing mechanism are installed on the small arm, and the forearm and the third slewing mechanism are connected The mechanisms are fixed together, the control system is fixed on the base of the first slewing mechanism, and the control system is built in a modular way; the present invention can realize positioning and orientation in the plane and space, and has strong operational adaptability and wide adaptability. , the use effect is good, and it is convenient for promotion and application.

Figure 201711456126

Description

Small-size brill mills robot structure and control system
Technical Field
The invention relates to the technical field of intelligent machine manufacturing, in particular to a machining device and a control system, and particularly relates to a small drilling and milling robot and a control system.
Background
An industrial robot is important automatic equipment in modern manufacturing industry, which integrates multiple discipline advanced technologies such as machinery, electronics, control, computers, sensors, artificial intelligence and the like. Industrial robot products are widely used in various fields, such as automobiles, rail transit, electrical and electronic, chemical engineering, mechanical engineering, logistics transportation, medicine, printing and publishing, and the like. In particular, industrial robots can be used for replacing the work which has high labor intensity, severe environment, high work repeatability and difficult guarantee of manual technology and work safety. After the release of China manufacturing 2025, the manufacturing industry generally needs technology and equipment upgrading and modification to enhance competitiveness and improve economic benefit, and as important equipment and means in the advanced manufacturing industry, industrial robots inevitably promote more and more enterprises to lift up the tide of using the robots.
The drilling and milling machine is a machine tool integrating drilling, milling, boring and grinding into one body, is suitable for machining various medium and small parts, in particular cutting nonferrous metal materials, plastics and nylon, has the advantages of simple structure, flexible operation and the like, and is widely applied to single-piece or batch mechanical manufacturing, instrument industry, architectural decoration and repair departments. However, when the conventional milling and drilling machine performs bevel machining, if the tool cannot rotate at a desired angle, the workpiece needs to be mounted at the desired angle for machining.
Disclosure of Invention
Aiming at the defects of the existing drilling and milling machine, the invention provides a drilling and milling robot, which realizes the processing of an inclination angle by changing the angle of a cutter.
The above object of the present invention is achieved by the following technical solutions:
a drilling and milling robot structure and a control system comprise a first rotary mechanism, a large arm, a second rotary mechanism, a Y-shaped large arm, a small arm, a third rotary mechanism, a fourth rotary mechanism, a fifth rotary mechanism and a control system, wherein the rotary axes of the first rotary mechanism, the third rotary mechanism, the fourth rotary mechanism and the fifth rotary mechanism are parallel to each other, the rotary axis of the second rotary mechanism is vertical to the rotary axes of the first rotary mechanism, the third rotary mechanism, the fourth rotary mechanism and the fifth rotary mechanism, the large arm is connected with the first rotary mechanism and the second rotary mechanism, the Y-shaped large arm is connected with the second rotary mechanism and the third rotary mechanism, and the small arm is fixedly provided with the fourth rotary mechanism and the fifth rotary mechanism and is fixedly connected with the third rotary mechanism; the control system is fixed on a base of the first rotary mechanism and is built in a modular mode and comprises 2 STM32F103VET6 core processor modules, a stepping motor driving circuit module, a power supply circuit module, a stepping motor peripheral processing circuit common-positive and common-negative driving circuit module, a stepping motor brake circuit module and an encoder differential-to-single-end output circuit module, and all the modules are connected through wires.
The first rotary mechanism comprises a stepping motor, a planetary reducer, a coupler, a base, a main shaft, an upper bearing seat, an end cover and a base top cover, the stepping motor and the planetary reducer are fixed together through bolts, the planetary reducer is fixed on the base through bolts, the output shaft of the planetary reducer is vertical to the base, the base is fixed on the ground through foundation bolts to enhance stability, the output shaft of the planetary reducer is connected with the main shaft by the coupler, the main shaft is provided with a bearing, the main shaft provided with the bearing is sleeved by the upper bearing seat, one end of the upper bearing seat is fixed on the base, the other end of the upper bearing seat is fixedly connected with the end cover, the big arm is installed on the main shaft, the base top cover is fixedly connected with the big arm together to play a role in preventing dust and protecting the main shaft, and when the stepping motor rotates, the big arm can be driven to rotate.
The second slewing mechanism comprises a speed reduction stepping motor, a flange shaft, a crossed roller bearing, a motor base, a supporting plate and a Y-shaped large arm, wherein the flange shaft is provided with a deep groove ball bearing, a supporting plate and a crossed roller bearing which are installed together in a matched mode through a key and the speed reduction stepping motor, the motor base is fixedly connected with the large arm after being fixedly installed with the speed reduction stepping motor, the supporting plate is also fixedly connected onto the large arm, the inner ring of the flange shaft, the inner ring of the crossed roller bearing and the Y-shaped large arm are connected together through bolts, the outer ring of the crossed roller bearing is fixedly connected onto the supporting plate through bolts, when the speed reduction stepping motor rotates, the Y-shaped large arm and a mechanism installed on the Y-shaped large arm can be driven to rotate, the speed reduction stepping motor is provided with a brake device, and the angle for stopping the Y-shaped large arm and the mechanism installed on the Y-shaped large arm can be controlled.
The third swing mechanism comprises a speed reduction stepping motor, a motor base, a key, an end cover, a bearing, a small transmission shaft and a small arm, wherein the motor base of the speed reduction stepping motor is fixed on the speed reduction stepping motor, and the end cover is further fixedly connected with the motor base; the small shaft penetrates through the small arm and then is embedded into a positioning hole of the Y-shaped large arm, a bearing is arranged in the positioning hole of the Y-shaped large arm, and the pin shaft and the small arm are positioned through a jackscrew; after the output shaft of the speed reducing stepping motor is matched with the small shaft through a key, the end cover is further fixed on the Y-shaped large arm through a bolt, and when the speed reducing stepping motor rotates, the small arm and a mechanism arranged on the small arm can be driven to rotate.
The fourth swing mechanism and the fifth swing mechanism are axially parallel to each other, the fourth swing mechanism comprises a speed reduction stepping motor, a synchronous belt pulley transmission mechanism, a guide rod and a lead screw nut pair, the fifth swing mechanism comprises a speed reduction stepping motor, a synchronous belt pulley transmission mechanism, an optical axis, a chuck, a bearing and an end cover, and the chuck is arranged at the end part of the optical axis; a speed reduction stepping motor in the fourth swing mechanism drives the fifth swing mechanism to move in the vertical direction along the guide rod through a synchronous belt pulley transmission mechanism and a lead screw nut pair, and drives a cutter on the chuck to move in the vertical direction; when the speed reduction stepping motor of the fifth joint rotates, the fifth slewing mechanism realizes the rotation of the optical axis through the synchronous belt wheel transmission mechanism and the bearing, and realizes the slewing motion of the cutter on the chuck; the fourth rotating mechanism and the fifth rotating mechanism speed reduction stepping motor need to act simultaneously in the machining process, when the inclined angle is machined, the second rotating mechanism speed reduction stepping motor also needs to act, and the motor is braked at the needed machining angle, so that the machining of the inclined angle is realized.
When the motors of the first rotary mechanism and the third rotary mechanism rotate, different processing ranges of the cutter can be obtained; the motors of the first rotating mechanism, the second rotating mechanism, the third rotating mechanism, the fourth rotating mechanism and the fifth rotating mechanism are all provided with encoders, so that the rotating angles of the motors can be obtained, and accurate positioning is realized.
The control system is built in a modular mode and comprises 2 STM32F103VET6 core processor modules, a stepping motor driving circuit module, a power supply circuit module, a stepping motor peripheral processing circuit common positive and common negative driving circuit module, a stepping motor braking circuit module and an encoder differential-to-single-ended output circuit module, wherein all the modules are connected through a lead; the power supply circuit supplies power to the system; the main chip adopted by the stepping motor driving circuit is THB6064AH, and the THB6064AH has the characteristics of high voltage resistance, large current, multiple subdivision and high performance; the encoder differential to single-ended conversion circuit can convert an encoder differential signal into a single-ended control signal, so that the STM32F103VET6 core processor can conveniently acquire the signal; the 2 STM32F103VET6 core processor modules are characterized in that one STM32F103VET6 core processor is used for acquiring signals of an encoder, the other STM32F103VET6 core processor is used for controlling the action of a stepping motor, the 2 STM32F103VET6 core processor realizes information transmission by adopting serial port communication, the STM32F103VET6 core processor used for controlling the stepping motor generates pulse, direction and enabling signals, the pulse, direction and enabling signals realize the control of the stepping motor after passing through a stepping motor peripheral processing circuit and a stepping motor driving circuit, and the STM32F103VET6 core processor used for acquiring the signals of the encoder is transmitted to the SSTM32F103VET6 core processor used for controlling the stepping motor by a serial port to feed back the position of the stepping motor.
The invention has the beneficial effects that: due to the adoption of the technical scheme, compared with the prior art, the rotating axes of the first rotating mechanism, the third rotating mechanism, the fourth rotating mechanism and the fifth rotating mechanism are parallel to each other, so that the positioning and orientation advantages in a plane are achieved, the axis of the second rotating mechanism is perpendicular to the axes of other rotating mechanisms, the positioning and orientation functions in a space range are enhanced, the processing capacity is higher, the processing requirements of different workpieces can be met, the working space is larger, the control system adopts 2 STM32F103VET6 as a core processor, and 2 STM32F103VET6 core processors realize data transmission through serial port communication to control the stepping motor, so that the operation adaptability is strong, the adaptability is wide, the use effect is good, and the popularization and the application are convenient.
Drawings
The accompanying drawings, which are included to provide a further understanding of the invention and are incorporated in and constitute a part of this application, illustrate embodiment(s) of the invention and together with the description serve to explain the invention without limiting the invention.
FIG. 1 is a front cross-sectional view of a drilling and milling robot according to the present invention;
FIG. 2 is a front cross-sectional view showing the detailed structure of the drilling and milling robot of the present invention;
FIG. 3 is an enlarged view of a part A of the structure of a drilling and milling robot according to the present invention;
FIG. 4 is an enlarged view of a portion B of a drilling and milling robot structure according to the present invention;
FIG. 5 is an enlarged view of a portion C of a drilling and milling robot structure according to the present invention;
FIG. 6 is an enlarged view of a portion D of the structure of the drilling and milling robot of the present invention;
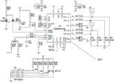
FIG. 7 is a circuit diagram of an STM32F103VET6 control board for collecting an encoder of a drilling and milling robot;
FIG. 8 is a circuit diagram of an STM32F103VET6 control board for controlling a stepping motor of a drilling and milling robot according to the invention;
FIG. 9 is a driving circuit diagram of a stepping motor of a drilling and milling robot according to the present invention;
FIG. 10 is a power supply circuit diagram of a drilling and milling robot according to the present invention;
FIG. 11 is a common-positive wiring diagram of a peripheral processing circuit of a stepping motor of a drilling and milling robot according to the present invention;
FIG. 12 is a common negative wiring diagram of a peripheral processing circuit of a stepping motor of a drilling and milling robot according to the present invention;
FIG. 13 is a brake control circuit of a stepping motor of a drilling and milling robot according to the present invention;
FIG. 14 is a circuit for converting a differential signal to a single-ended signal of an encoder of a drilling and milling robot according to the present invention.
In the figure: 1. First rotary mechanism, 2, second rotary mechanism, 3, third rotary mechanism, 4, fourth rotary mechanism, 5, fifth rotary mechanism, 6, big arm, 7, Y-shaped big arm, 8, small arm, 9, control system, 101, stepping motor, 102, planetary reducer, 103, base, 104, coupler, 105, jackscrew, 106, bearing I, 107, upper bearing seat, 108, bolt and nut kit, 109, end cap, 110 spindle, 111, screw, 112, base top cap, 201, flange shaft, 202, key, 203, cross roller bearing, 204, 206 support plate I, II, 205, bearing II, 301, small shaft, 302, bearing end cap, 207, 303, 407, 503, speed reduction stepping motor I, II, III, IV, 304, key, 305, motor seat I, 306, bearing III, 401, housing, 402, wrist upper end cap, 403, guide rod, 404, nut block, 402, 405. The synchronous motor comprises a lead screw, 406, 501 synchronous belts I, II, 408, motor bases II, 409, bearings IV, 410, keys, 502, motor bases III, 504, inner bearing end covers, 505, rubber gaskets, 506, outer bearing end covers, 507, chucks, 508, jackscrews, 509, an optical axis, 510 and a bearing V; 901. THB6064AH driving chip, 902, 907STM32F103VET6 chip I, II; 903. AM26C32 chip, 904, DC-DC module, 905, TLE4275 low dropout voltage regulation integrated circuit, 906, LM317 adjustable voltage-stabilized source.
Detailed Description
Referring to fig. 1, a drilling and milling robot structure and a control system thereof comprise a first slewing mechanism (1), a second slewing mechanism (2), a third slewing mechanism (3), a fourth slewing mechanism (4), a fifth slewing mechanism (5), a big arm (6), a Y-shaped big arm (7), a small arm (8) and a control system (9), wherein the slewing axes of the first slewing mechanism (1), the third slewing mechanism (3), the fourth slewing mechanism (4) and the fifth slewing mechanism (5) are parallel to each other, the slewing axis of the second slewing mechanism (2) is perpendicular to the slewing axes of the first slewing mechanism (1), the third slewing mechanism (3), the fourth slewing mechanism (4) and the fifth slewing mechanism (5), the big arm (6) is connected with the first slewing mechanism (1) and the second slewing mechanism (2), and the Y-shaped big arm (7) is connected with the second slewing mechanism (2) and the third slewing mechanism (3), forearm (8) on fixed mounting fourth rotation mechanism (4), fifth rotation mechanism (5) to link firmly together with third rotation mechanism (3), control system (9) fix on first rotation mechanism's base, control system (9) adopt the modularization mode to build, including STM32F103VET6 core processor module, step motor drive circuit module, power supply circuit module, step motor peripheral processing circuit be positive altogether, be negative drive circuit module altogether, step motor brake circuit module, encoder difference change single-ended output circuit module, be connected through the wire between each module.
Referring to fig. 1 and 2, the first rotating mechanism (1) comprises a stepping motor (101), a planetary reducer (102), a base (103), a coupler (104), a jackscrew (105), a bearing I (106), an upper bearing seat (107), a bolt and nut kit (108), an end cover (109), a main shaft (110), a screw (111) and a base top cover (112), wherein the stepping motor (101) and the planetary reducer (102) are fixed together through bolts, the planetary reducer (102) is fixed on the base (103) through bolts, an output shaft of the planetary reducer (102) is perpendicular to the base (103), and the base is fixed on the ground through foundation bolts to enhance stability; the output shaft of the planetary reducer (102) is connected with a main shaft (110) by a coupler (104) and is fastened by bolts, a bearing I (106) is arranged on the main shaft, the main shaft provided with the bearing I (106) is sleeved by an upper bearing seat (107), one end of the upper bearing seat (107) is fixed on a base (103), and the other end of the upper bearing seat (107) is fixedly connected with an end cover (109).
Referring to fig. 1 and 2, the large arm (6) is mounted on the main shaft (110), the base top cover (112) is fixedly connected with the large arm (6) through abolt 111 to play a role in dust prevention and protection of the main shaft (110), the second swing mechanism (2) is mounted at the other end of the large arm (6), and when the stepping motor (101) swings, the large arm (6) can be driven to swing, and then the second swing mechanism (2), the third swing mechanism (3), the fourth swing mechanism (4) and the fifth swing mechanism (5) are driven to swing around a swing shaft of the first swing mechanism (1).
Referring to fig. 1, 2 and 3, the second swing mechanism (2) includes a speed reduction stepping motor I (207), a flange shaft (201), a key (202), a cross roller bearing (203), support plates I, II (204), (206) and a bearing II (205), the flange shaft (201) is provided with a bearing II (205), a support plate I, II (204), (206) and a cross roller bearing (203), the support plates I, II (204), (206) are fixed with the outer ring of the bearing II (205), further, theflange shaft 201 is matched and installed with the speed reduction stepping motor I (207) through the key (202), the flange shaft (201) and the outer ring of the cross roller bearing (203) are fixed together through bolts, the inner ring of the cross bearing (203) is fixed with the flange shaft (201) through bolts, further, the support plate II (206) is fixedly installed with the speed reduction stepping motor I (207) and then is fixedly connected with the large arm roller (6), the support plate I (204) is also fixedly connected to the large arm (6).
Referring to fig. 1, 2 and 3, further, the Y-shaped large arm (7) is connected with the flange shaft (201) through a bolt, when the speed reduction stepping motor I (207) rotates, the Y-shaped large arm (7) and the mechanism mounted thereon can be driven to rotate, and the speed reduction stepping motor I (207) is provided with a brake device, and can control the angle at which the Y-shaped large arm (7) and the mechanism mounted thereon stop.
Referring to fig. 1, fig. 2 and fig. 4, the third swing mechanism (3) includes a small transmission shaft (301), a bearing end cover (302), a deceleration stepping motor II (303), a motor base I (305), a key (304), and a bearing III (306), wherein the motor base I (305) is fixed on the deceleration stepping motor II (303), and the bearing end cover (302) is further fixedly connected with the motor base I (305); the small transmission shaft (301) penetrates through the small arm (8) and then is embedded into a positioning hole of the Y-shaped large arm (7), a bearing III (306) is arranged in the positioning hole of the Y-shaped large arm (7), and the small transmission shaft (301) and the small arm (8) are positioned through a jackscrew; after an output shaft of the speed reduction stepping motor II (303) is matched with the small transmission shaft (301) through a key, a bearing end cover (302) is further fixed on the Y-shaped large arm (7) through a bolt, and when the speed reduction stepping motor II (303) rotates, the small arm (8) and a mechanism arranged on the small arm can be driven to rotate.
Referring to fig. 1, 2, 5 and 6, the fourth swing mechanism (4) includes a speed reduction stepping motor III (407), a wrist housing (401), a wrist upper end cover (402), a guide rod (403), a nut slider (404), a lead screw (405), a synchronous pulley transmission mechanism I (406), a motor base II (408), a bearing IV (409) and a key (410), the screw 405) and the nut sliding block body (404) form a screw nut pair, the fifth swing mechanism (5) comprises a speed reduction stepping motor IV (503), a synchronous pulley transmission mechanism II (501), a motor base III (502), an inner bearing end cover (504), a rubber gasket (505), an outer bearing end cover (506), a chuck (507), a jackscrew (508), an optical axis (509) and a bearing V (510), a chuck (507) is arranged at the end part of the optical axis (509), and the chuck (507) is fixed on the optical axis (509) through a jackscrew (508); a motor seat III (502) in the fifth slewing mechanism (5) is firstly fixed on a nut sliding block body (404) through a nut, a speed-reducing stepping motor IV (503) is further fixedly arranged on the motor seat III (502), the power of the speed-reducing stepping motor IV (503) is transmitted out through a synchronous belt wheel transmission mechanism II (501) to drive an optical axis (509) to rotate, and a rubber gasket (505) has the functions of gasket, sealing and buffering; a speed reduction stepping motor III (407) in the fourth swing mechanism (4) drives the fifth swing mechanism to move in the vertical direction along the guide rod through a synchronous belt pulley transmission mechanism I (406) and a lead screw nut pair, and further drives a cutter on the chuck (507) to move in the vertical direction; the fifth slewing mechanism 5) is used for realizing the rotation of the optical axis through the synchronous pulley transmission mechanism II (501) and the bearing V (510) and realizing the slewing motion of the cutter on the chuck (507) when the speed reduction stepping motor IV (503) of the fifth joint rotates; the speed reduction stepping motor III (407) in the fourth rotating mechanism (4) and the speed reduction stepping motor IV (503) in the fifth rotating mechanism need to act simultaneously in the machining process, when the inclination angle is machined, the speed reduction stepping motor I (207) in the second rotating mechanism also needs to act, and the motors are braked at the required machining angle, so that the machining of the inclination angle is realized.
Referring to fig. 1, fig. 2, fig. 3 and fig. 6, when the motors of the first rotating mechanism (1) and the third rotating mechanism (3) rotate, different processing ranges of the tool can be obtained; the stepping motor (101) of the first rotary mechanism (1), the speed reduction stepping motor I (207) of the second rotary mechanism (2), the speed reduction stepping motor II (303) of the third rotary mechanism (3), the speed reduction stepping motor III (407) of the fourth rotary mechanism (4) and the speed reduction stepping motor IV (503) of the fifth rotary mechanism (5) are all provided with encoders, so that the rotary angles of the motors can be obtained, and accurate positioning is realized; the stepping motor (101) of the first rotary mechanism (1), the speed reduction stepping motor I (207) of the second rotary mechanism (2), the speed reduction stepping motor II (303) of the third rotary mechanism (3), the speed reduction stepping motor III (407) of the fourth rotary mechanism (4) and the speed reduction stepping motor IV (503) of the fifth rotary mechanism (5) are all provided with a braking function.
Referring to fig. 7, 8, 9, 10, 11, 12, 13, 14, wherein fig. 9, 10, 11, 12, 13, 14 are only interface circuits for driving the stepping motor (101), and the remaining interface circuits can drive the deceleration stepping motors I, II, III, IV (207), (303), (407), (503) by changing the IO interface; the power supply circuit supplies power to a system, the switching power supply generates 24V to supply power to the DC-DC power supply module, the DC-DC powersupply module outputs 12V, 12V is connected to the input end of the TLE4275 low-voltage-drop voltage regulation integrated circuit (905), the TLE4275 low-voltage-drop voltage regulation integrated circuit (905) provides a 5V power supply, VCC =5V is obtained, and the 5V power supply supplies power to an STM32F103VET6 chip I (902) and an STM32F103VET6 chip II (907) after passing through an LM317 adjustable voltage-stabilized power supply (906); the STM32F103VET6 chip has 2 chips, is used as a core processor of a drilling and milling robot control system, and is downloaded into an STM32F103VET6 chip through JTAG, wherein the STM32F103VET6 chip I (902) and the STM32F103VET6 chip II (907)The STM32F103VET6 chip I (902) sends outpulse signals CP 6 +,direction signals DIR 6 +, and enablesignals EN 6 +, andpulse signals CP 6 +,direction signals DIR 6 +, EN 6 + and enable signals EN 6 +, and the STM32F103, theSTM 6, theSTM 103, theSTM 6, the STM3, the step motor and the STM3, the step motor and the STM3, the step motor and the step motor, the step motor and the step motor, and the step motor, and the step motor, and the step motor, and, II. III, IV (207), (303), (407) and (503); the peripheral processing circuit of the stepping motor of the drilling and milling robot has 2 connection methods, one is a common positive connection method, the other is a common negative connection method, the common positive connection method adopts a triode 9012, the common negative connection method adopts a triode 9013, when the common positive connection method is adopted, the STM32F103VET6 chip I (902) sends out pulse signals CP1+, CP2+, CP3+, CP4+, CP5+, direction signals DIR1+, DIR2+, DIR3+, DIR4+, DIR5+ and enable signals EN1+, EN2+, EN3+, EN 84 +, EN5+, the ports of the stepping motor I (902) of the control stepping motor (101), the stepping motor I, II, III, IV (207), (5848 +, CP 465 +, CP1+ of the STM32F103VET6 chip I (902 +, the speed reduction stepping motor I, II, III, IV) (207), (3), (48), (11) and (902) +) and (902) of the direction signals DIR < 6) of the direction signals DIR1+, DIR < 6 + of the direction signals DIR < 2+ of the direction signals DIR < 2+ of the direction signals DIR < 2+ and the direction signals DIR < 2+ of the ports of the direction signals DIR < 2+ of the control stepping motor (902 < 2) of the control stepping motor (902 < DIR < 2 < DIR < 2 < DIR < 2 < DIR < 2 > of the control stepping motor < DIR < 2 >), the control stepping motor < DIR < 2 >), the ports of the control stepping motor < DIR < 2 >), the control stepping motor < DIR < 2 > of the control stepping motor < 2 >, > and the control stepping motor < 2 > of the control stepping motor < DIR < 2 >, < DIR < 2 > of the control stepping motor < DIR < 2 >, < DIR <, The direction signals DIR1+, DIR2+, DIR3+, DIR4+, DIR5+ and the enable signals EN1+, EN2+, EN3+, EN4+, and EN5+ are high level; the main chip THB60 6064AH (901) circuit of the stepping motor driving circuit has 5 blocks, the THB60 6064AH (901) has the characteristics of high voltage resistance, large current, multiple subdivision and high performance, the driving voltage selects VM =24V, the maximum driving current of each item is 4.5A, M0, M1 and M2 bit subdivision setting pins, different subdivision values can be set through a dial switch, the maximum subdivision value can be set to 64 subdivision, and 4 attenuation squares can be set for DCY1 and DCY2Different attenuation modes can be selected by adjusting the level of the dial switches, so that a better driving effect is obtained; vrefFor the current regulation terminal, regulating voltage VrefThe driving current value, V, can be setrefThe value range is 0.5V-3.0V, the power consumption is reduced when the Down is controlled by half current locking and the motor is locked, the Down is in a high resistance state in normal state, and V is in the high resistance staterefThe voltage is determined by the divided voltages of R15, R20 and R18, when the half-current locking function is started, namely the input frequency CLK is less than 2Hz, Down is at low level, and R19 participates in the divided voltages of R15, R20 and R18, thereby reducing VrefThe set current is reduced, and the resistance value of R19 determines the amplitude of the current drop; the driving voltage selects VM =24V, the highest voltage of a driving chip is 50V in a no-load state, the selected motor is a two-phase four-wire motor, pins OUT1A, OUT2A, OUT1B and OUT2B are 2-phase output interfaces of the motor respectively, and pins NFA and NFB are phase current detection ends of the motor A, B and are connected with a high-power detection resistor when in use; the system formed by the STM32F103VET6 chip II907 is used for acquiring the information of encoders mounted on a stepping motor (101), a speed-reducing stepping motor I, II, III, IV (207), (303), (407) and (503), and sending the information to the STM32F103VET6 chip I (902) through a serial port as respective position feedback; the output signal form of the encoder is a differential mode, for the convenience of acquisition of an STM32F103VET6 chip II (907), differential signals of 5 motors are converted into a single-ended output form through 5 AM26C32 chips (903), an STM32F103VET6 chip II (907) adopts an encoder mode to perform A, B signal acquisition on single-ended output signals of the 5 encoders and then perform phase discrimination, ports of the encoder mode are PA6, PA7, PA0, PA1, PA8,PB 8, PC 8 andPC 8 of an STM32F103VET6 chip II (907), Z-phase pulses of the 5 encoders are acquired by external interruption of theSTM32F103VET 8 chip II (907), Z-phase pulses of thePB 8,PE 8,PB 8 and PB 72 are respectively output signals of a stepping motor (101) converted single-ended encoder, PA 72 and PA 72 output signals are converted into a stepping motor output signal after being converted into a stepping motor (207), and a stepping motor (8, PB6, PB7, PB5The encoder single-ended output signal converted by the speed reducing stepping motor III (407) is obtained, and the PC6, the PC7 and the PE2 are the encoder single-ended output signal converted by the speed reducing stepping motor IV (503); there are 5 brake circuits of the stepping motor (101), the deceleration stepping motors I, II, III, IV (207), (303), (407) and (503), a brake signal STM32F103VET6 chip I (902) is sent, IO ports are PA6, PA7, PB0, PC1 and PC2 respectively, when the levels of the IO ports PA6, PA7, PB0, PC1 and PC2 are low levels, the brake coils are powered through photoelectric isolation, a triode and a relay, the motor brake is released, when the levels of the IO ports PA6, PA7, PB0, PC1 and PC2 are high levels, the brake coils are powered off through the photoelectric isolation, the triode and the relay, the motor brake is locked, and the motor does not rotate.
The above description is only a preferred example of the present invention and is not intended to limit the present invention, and various modifications and changes may be made by those skilled in the art. Any modification, equivalent replacement, improvement and the like of the present invention shall be included in the protection scope of the present invention.

Claims (1)

1. A drilling and milling robot comprises a first rotary mechanism (1), a second rotary mechanism (2), a third rotary mechanism (3), a fourth rotary mechanism (4), a fifth rotary mechanism (5), a large arm (6), a Y-shaped large arm (7), a small arm (8) and a control system (9), wherein the rotary axes of the first rotary mechanism (1), the third rotary mechanism (3), the fourth rotary mechanism (4) and the fifth rotary mechanism (5) are parallel to each other, the rotary axis of the second rotary mechanism (2) is perpendicular to the rotary axes of the first rotary mechanism (1), the third rotary mechanism (3), the fourth rotary mechanism (4) and the fifth rotary mechanism (5), the large arm (6) is connected with the first rotary mechanism (1) and the second rotary mechanism (2), and the Y-shaped large arm (7) is connected with the second rotary mechanism (2) and the third rotary mechanism (3), the small arm (8) is fixedly provided with a fourth swing mechanism (4) and a fifth swing mechanism (5) and is fixedly connected with the third swing mechanism (3); the first rotating mechanism (1) comprises a stepping motor (101), a planetary reducer (102), a base (103), a coupler (104), a bearing I (106), an upper bearing seat (107), an end cover (109) and a base top cover (112); the second swing mechanism (2) comprises a speed reduction stepping motor I (207), a flange shaft (201), a key I (202), a crossed roller bearing (203), a support plate I (204), a support plate II (206) and a bearing II (205); the third swing mechanism (3) comprises a small transmission shaft (301), a bearing end cover (302), a speed reduction stepping motor II (303), a motor base I (305), a key II (304) and a bearing III (306); the fourth swing mechanism (4) comprises a speed reduction stepping motor III (407), a guide rod (403), a nut sliding block body (404), a lead screw (405) and a synchronous pulley transmission mechanism I (406); the fifth slewing mechanism (5) comprises a speed reduction stepping motor IV (503), a synchronous pulley transmission mechanism II (501), a motor base III (502), a rubber gasket (505), an outer bearing end cover (506), a chuck (507), a jackscrew (508), an optical axis (509) and a bearing V (510); the control system (9) is fixed on a base of the first rotary mechanism (1), the control system (9) is built in a modular mode and comprises 2 STM32F103VET6 core processor modules, a stepping motor driving circuit module, a power supply circuit module, a stepping motor peripheral processing circuit common positive and common negative driving circuit module, a stepping motor braking circuit module and an encoder differential-to-single-end output circuit module, all the modules are connected through a lead, and serial port communication is adopted among the 2 STM32F103VET6 core processor modules; when the motors of the first rotary mechanism (1) and the third rotary mechanism (3) rotate, different processing ranges of the cutter can be obtained; the stepping motor (101) of the first rotary mechanism (1), the speed reduction stepping motor I (207) of the second rotary mechanism (2), the speed reduction stepping motor III (303) of the third rotary mechanism (3), the speed reduction stepping motor III (407) of the fourth rotary mechanism (4) and the speed reduction stepping motor IV (503) of the fifth rotary mechanism (5) are all provided with encoders, so that the rotary angles of the motors can be obtained, and accurate positioning is realized; the stepping motor (101) of the first rotary mechanism (1), the speed reduction stepping motor I (207) of the second rotary mechanism (2), the speed reduction stepping motor II (303) of the third rotary mechanism (3), the speed reduction stepping motor III (407) of the fourth rotary mechanism (4) and the speed reduction stepping motor IV (503) of the fifth rotary mechanism (5) are all provided with a braking function; the stepping motor (101) and the planetary reducer (102) are fixed together through bolts, an output shaft of the planetary reducer (102) is connected with a main shaft (110) through a coupler (104) and is fastened through bolts, a bearing I (106) is arranged on the main shaft, the main shaft provided with the bearing I (106) is sleeved by an upper bearing seat (107), one end of the upper bearing seat (107) is fixed on the base (103), and the other end of the upper bearing seat (107) is fixedly connected with an end cover (109); the large arm (6) is arranged on the main shaft (110), the base top cover (112) is fixedly connected with the large arm (6) through a bolt (111) and plays a role in dust prevention and protection on the main shaft (110), the second swing mechanism (2) is arranged at the other end of the large arm (6), and when the stepping motor (101) swings, the large arm (6) can be driven to swing, so that the second swing mechanism (2), the third swing mechanism (3), the fourth swing mechanism (4) and the fifth swing mechanism (5) are driven to swing around a first swing mechanism swing shaft;
the flange shaft (201) is matched and installed with a speed reduction stepping motor I (207) through a key I (202), the flange shaft (201) is fixed with the outer ring of a crossed roller bearing (203) through a bolt, the inner ring of the crossed roller bearing (203) is fixed with the flange shaft (201) through a bolt, a support plate II (206) is further fixedly installed with the speed reduction stepping motor I (207) and then fixedly connected with a large arm (6), the support plate I (204) is also fixedly connected with the large arm (6), the flange shaft (201) is provided with a bearing II (205), a support plate (204) I, a support plate II (206) and a crossed roller bearing (203), and the support plate I (204) and the support plate II (206) are fixed with the outer ring of the bearing II (205); the Y-shaped large arm (7) is connected with the flange shaft (201) through a bolt, when the speed reduction stepping motor I (207) rotates, the Y-shaped large arm (7) and a mechanism arranged on the Y-shaped large arm can be driven to rotate, and the speed reduction stepping motor I (207) is provided with a brake device and can control the angle at which the Y-shaped large arm (7) and the mechanism arranged on the Y-shaped large arm stop;
the motor base I (305) is fixed on the speed reduction stepping motor II (303), and the bearing end cover (302) is fixedly connected with the motor base I (305); the small transmission shaft (301) penetrates through the small arm (8) and then is embedded into a positioning hole of the Y-shaped large arm (7), a bearing III (306) is arranged in the positioning hole of the Y-shaped large arm (7), and the small transmission shaft (301) and the small arm (8) are positioned through a jackscrew; after an output shaft of the speed reduction stepping motor II (303) is matched with the small transmission shaft (301) through a key II, a bearing end cover (302) is further fixed on the Y-shaped large arm (7) through a bolt, and when the speed reduction stepping motor II (303) rotates, the small arm (8) and a mechanism arranged on the small arm can be driven to rotate;
the screw rod (405) and the nut sliding block body (404) form a screw rod nut pair, a motor base III (502) in the fifth rotating mechanism (5) is firstly fixed on the nut sliding block body (404) through a nut, a speed reduction stepping motor IV (503) is further fixedly installed on the motor base III (502), the power of the speed reduction stepping motor IV (503) is transmitted out through a synchronous pulley transmission mechanism II (501) to drive an optical axis (509) to rotate, a chuck (507) is installed at the end part of the optical axis (509), the chuck (507) is fixed on the optical axis (509) through a jackscrew (508), a rubber gasket (505) has the functions of gasket, sealing and buffering, and the rubber gasket (505) penetrates through the optical axis (509) and is installed in an outer bearing end cover (506) in an embedded mode; a speed reduction stepping motor III (407) in the fourth swing mechanism (4) drives the fifth swing mechanism to move in the vertical direction along the guide rod (403) through a synchronous pulley transmission mechanism I (406) and a lead screw nut pair, and further drives a cutter on the chuck (507) to move in the vertical direction; when a speed reduction stepping motor IV (503) of a fifth joint rotates, the rotation of an optical axis is realized through a synchronous pulley transmission mechanism II (501) and a bearing V (510), and the rotary motion of a cutter on a chuck (507) is realized; the speed reduction stepping motor III (407) in the fourth rotating mechanism (4) and the speed reduction stepping motor IV (503) in the fifth rotating mechanism need to act simultaneously in the machining process, when the inclination angle is machined, the speed reduction stepping motor I (207) in the second rotating mechanism also needs to act, and the motors are braked at the required machining angle, so that the machining of the inclination angle is realized.
CN201711456126.XA2017-12-282017-12-28Small-size brill mills robot structure and control systemActiveCN107891432B (en)

Priority Applications (1)

Application NumberPriority DateFiling DateTitle
CN201711456126.XACN107891432B (en)2017-12-282017-12-28Small-size brill mills robot structure and control system

Applications Claiming Priority (1)

Application NumberPriority DateFiling DateTitle
CN201711456126.XACN107891432B (en)2017-12-282017-12-28Small-size brill mills robot structure and control system

Publications (2)

Publication NumberPublication Date
CN107891432A CN107891432A (en)2018-04-10
CN107891432Btrue CN107891432B (en)2021-08-10

Family

ID=61808366

Family Applications (1)

Application NumberTitlePriority DateFiling Date
CN201711456126.XAActiveCN107891432B (en)2017-12-282017-12-28Small-size brill mills robot structure and control system

Country Status (1)

CountryLink
CN (1)CN107891432B (en)

Families Citing this family (2)

* Cited by examiner, † Cited by third party
Publication numberPriority datePublication dateAssigneeTitle
CN112372648A (en)*2020-11-172021-02-19刘振昌PLC-based triaxial air plasma automatic cutting manipulator experimental device
CN117428741A (en)*2023-11-242024-01-23珠海格力电器股份有限公司Multi-axis robot and control method

Citations (10)

* Cited by examiner, † Cited by third party
Publication numberPriority datePublication dateAssigneeTitle
CN201586973U (en)*2010-01-052010-09-22浙江大学 A punching machine loading and unloading robot
GB2481249A (en)*2010-06-202011-12-21Innovations Ltd MThree dimensional selective compliant robot
CN202906803U (en)*2012-11-122013-04-24杭州龙科电子有限公司All-isolation type direct current motor forward and backward rotation controller module
CN204263180U (en)*2014-09-092015-04-15上海浩淼自动化设备有限公司SCARA type mechanical arm
CN105034371A (en)*2015-07-132015-11-11苏州大学Rapid prototyping system based on mask solidification
CN105252545A (en)*2014-07-042016-01-20上银科技股份有限公司Horizontal joint mechanical arm
CN106181983A (en)*2016-08-162016-12-07无锡百禾工业机器人有限公司A kind of circular cylindrical coordinate type industrial robot
CN107160379A (en)*2017-06-302017-09-15安徽理工大学A kind of screw assembles special SCARA robots
CN206643918U (en)*2017-04-052017-11-17杭州琦星机器人科技有限公司Manipulator
CN107921642A (en)*2015-08-252018-04-17川崎重工业株式会社Remote operation arm-and-hand system and its method of operation

Patent Citations (10)

* Cited by examiner, † Cited by third party
Publication numberPriority datePublication dateAssigneeTitle
CN201586973U (en)*2010-01-052010-09-22浙江大学 A punching machine loading and unloading robot
GB2481249A (en)*2010-06-202011-12-21Innovations Ltd MThree dimensional selective compliant robot
CN202906803U (en)*2012-11-122013-04-24杭州龙科电子有限公司All-isolation type direct current motor forward and backward rotation controller module
CN105252545A (en)*2014-07-042016-01-20上银科技股份有限公司Horizontal joint mechanical arm
CN204263180U (en)*2014-09-092015-04-15上海浩淼自动化设备有限公司SCARA type mechanical arm
CN105034371A (en)*2015-07-132015-11-11苏州大学Rapid prototyping system based on mask solidification
CN107921642A (en)*2015-08-252018-04-17川崎重工业株式会社Remote operation arm-and-hand system and its method of operation
CN106181983A (en)*2016-08-162016-12-07无锡百禾工业机器人有限公司A kind of circular cylindrical coordinate type industrial robot
CN206643918U (en)*2017-04-052017-11-17杭州琦星机器人科技有限公司Manipulator
CN107160379A (en)*2017-06-302017-09-15安徽理工大学A kind of screw assembles special SCARA robots

Also Published As

Publication numberPublication date
CN107891432A (en)2018-04-10

Similar Documents

PublicationPublication DateTitle
US8887361B2 (en)Vertical turning-milling complex machining center
CN104795958B (en)A kind of Brushless DC Servo System with hollow shaft motor using mechanical arm
CN107891432B (en)Small-size brill mills robot structure and control system
CN202411844U (en)Rotary table mechanism for combined boring and milling machine tool of gantry drill
CN113386015B (en)Multi-axis motion and series manipulator compound drive four-mirror polishing machine tool
CN109128869A (en)A kind of automatic drilling device of turning for industrial production line
CN104139301B (en)A kind of turnning and milling bores composite integrated lathe
CN102962506B (en)Detachable modularized milling accessory based on common lathe
CN106160332A (en)A kind of motor that can directly drive rotary shaft
US20090039741A1 (en)Electric motor
CN103128584A (en)Locking device of five-shaft rotary head spindle head
CN202271170U (en)Modularized B shaft turning and milling composite functional unit
CN116422961A (en)Linkage turning and milling composite single pendulum head
CN217551217U (en)High-precision outer diameter boring device with assembly structure
CN202367509U (en)Locking device of main shaft head of five-shaft swinging head
CN202388319U (en) A Speed Feedback Mechanism of Vertical Lathe Worktable
CN108971571A (en)A kind of lathe boring attachment
CN213530827U (en)Gantry type multi-axis numerical control drilling machine
CN103846732A (en)Servo control device and control method for thread milling machine
CN111014855B (en)Parameter control module of ultrasonic composite electromachining system
CN105397633A (en)Double-speed rotating shaft
CN215592397U (en)Slewing device
CN103809615A (en)Precise output positioning speed reducer and precise output positioning method thereof
CN208084343U (en)A kind of small-sized drilling milling machine device people&#39;s structure
CN215280852U (en)Servo unit head of easily installing

Legal Events

DateCodeTitleDescription
PB01Publication
PB01Publication
SE01Entry into force of request for substantive examination
SE01Entry into force of request for substantive examination
GR01Patent grant
GR01Patent grant

[8]ページ先頭

©2009-2025 Movatter.jp