Movatterモバイル変換


[0]ホーム

URL:


CN107659128B - DC/DC switching converter power output transistor integrated drive circuit - Google Patents

DC/DC switching converter power output transistor integrated drive circuit
Download PDF

Info

Publication number
CN107659128B
CN107659128BCN201710547844.1ACN201710547844ACN107659128BCN 107659128 BCN107659128 BCN 107659128BCN 201710547844 ACN201710547844 ACN 201710547844ACN 107659128 BCN107659128 BCN 107659128B
Authority
CN
China
Prior art keywords
order
signal
circuit
driving
transistor
Prior art date
Legal status (The legal status is an assumption and is not a legal conclusion. Google has not performed a legal analysis and makes no representation as to the accuracy of the status listed.)
Active
Application number
CN201710547844.1A
Other languages
Chinese (zh)
Other versions
CN107659128A (en
Inventor
黄令华
张海波
Current Assignee (The listed assignees may be inaccurate. Google has not performed a legal analysis and makes no representation or warranty as to the accuracy of the list.)
SHENZHEN HOTCHIP TECHNOLOGY CO LTD
Original Assignee
SHENZHEN HOTCHIP TECHNOLOGY CO LTD
Priority date (The priority date is an assumption and is not a legal conclusion. Google has not performed a legal analysis and makes no representation as to the accuracy of the date listed.)
Filing date
Publication date
Application filed by SHENZHEN HOTCHIP TECHNOLOGY CO LTDfiledCriticalSHENZHEN HOTCHIP TECHNOLOGY CO LTD
Priority to CN201710547844.1ApriorityCriticalpatent/CN107659128B/en
Publication of CN107659128ApublicationCriticalpatent/CN107659128A/en
Application grantedgrantedCritical
Publication of CN107659128BpublicationCriticalpatent/CN107659128B/en
Activelegal-statusCriticalCurrent
Anticipated expirationlegal-statusCritical

Links

Images

Classifications

Landscapes

Abstract

The integrated driving circuit for driving the power output transistor of the DC/DC switching converter comprises a high-order driving front-stage buffer, a bootstrap capacitor, a capacitive coupling driving circuit and a second inverter; the high-order drive control signal is input from the high-order drive front-stage buffer, and the high-order buffer drive signal is output to the bootstrap capacitor negative plate and the second inverter after buffering; the second inverter, the bootstrap capacitor and the capacitive coupling driving circuit work cooperatively to raise the signal potential of the high-order buffer driving signal, and after the high-order N-type power transistor is conducted, the capacitive coupling driving circuit outputs the high-order driving signal with high driving capability to the grid electrode of the high-order N-type power transistor. The complex supporting circuit in the prior art is simplified, so that an isolation device is not needed for high-order front-stage driving buffer, the device requirement is reduced, and the area of an integrated circuit is reduced; the high-level shift circuit and the high-level and low-level N-type power transistor anti-cross circuit are simplified, the circuit efficiency is improved, and the circuit delay is reduced.

Description

DC/DC switching converter power output transistor integrated drive circuit
Technical Field
The invention belongs to a direct current electric energy conversion circuit and a system; and more particularly to an integrated drive circuit for a DC/DC switching power converter employing dual NMOS power transistors as power output power circuit architectures.
Background
In the prior art, DC/DC switching converters for converting a known DC input voltage into a desired DC voltage can be classified into three types of BUCK, BOOST, BUCK-BOOST according to their peripheral topologies. In the prior art, the rectification mode of the DC/DC switching converter comprises two working modes of asynchronous rectification and synchronous rectification. In the prior art, the modulation mode of the control signal of the DC/DC switching converter comprises two types of pulse width modulation PWM and pulse frequency modulation PFM. In the asynchronous rectification mode, a diode is adopted as a rectifying tube, in the synchronous rectification mode, a low-conduction-resistance power tube MOSFET is adopted as the rectifying tube, and the low-resistance MOSFET rectification can effectively reduce conduction loss and improve the efficiency of the converter, so that the synchronous rectification mode is commonly adopted in portable electronic products. In order to improve the efficiency and the integration level of the switching converter, a dual N-type power transistor architecture is generally adopted, because the N-type MOS transistor generally has a smaller parasitic capacitance and occupies a smaller chip area than the P-type MOS transistor under the same on-resistance condition.
The DC/DC switching converter controls the on and off of the switching tube by generating square wave signals with certain frequency and duty ratio, and finally obtains the required direct current voltage by outputting the square wave signals to the inductor and the capacitor for power filtering.
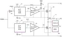
A typical dual NMOS power transistor driving circuit structure and corresponding driving method in the prior art is shown in FIG. 6, and the circuit structure is suitable for BUCK, BOOST and BUCK-BOOST converters. The switching converter comprises a high-order N-type power transistor VTh Low-order N-type power transistor VTl High-order drive buffer 60, low-order drive buffer 66, high-orderlevel shift circuit 61, low-orderlevel shift circuit 65,inverter 64, bootstrap capacitor CBOOT Aringing cancellation module 101 and a zero currentdetection ZCD module 105.
From the prior art typical dual NMOS power transistor driving circuit architecture shown in FIG. 6, the high-order driving buffer 60 and the high-orderlevel shift circuit 61 operate at a voltage corresponding to the bootstrap capacitor CBOOT Due to the voltage of the high-order N-type power transistor VTh Most of the time during switching is at a non-zero potential, the potential requirements of the relevant switching tube body substrates in the high-order drive buffer 60 and the high-orderlevel shift circuit 61, and the bootstrap capacitance CBOOT The potential of the negative plate is equivalent, so that isolation devices are generally needed in the high-order drive buffer 60 and the high-orderlevel shift circuit 61 to ensure that the high-order drive buffer 60 and the high-orderlevel shift circuit 61 can work normally; the isolation device occupies larger chip area than the non-isolation device, and the parasitic capacitance of the isolation device causes more energy loss in the switching process, so that the overall efficiency of the DC/DC switching converter is affected, and particularly under the condition of light load, the influence on the efficiency is more obvious.
FIG. 9 shows a detailed circuit of ahigh level shifter 61 in a typical prior art dual NMOS power transistor driver circuit architecture, which is complex in structure and uses 8 transistors; requires the cooperative operation of the 8 transistors to input the first pulse width modulation signal uPWM Raised to fit high-order N-type power transistor VTh A potential of the gate drive; the high-orderlevel shift circuit 61 not only consumes energy itself, but also introduces signal delay.
FIG. 10 shows a high-side N-type power transistor VT prevention commonly used in a prior art dual NMOS power transistor driver circuit architectureh And a low-order N-type power transistor VTl In order to ensure that the high-order driving circuit and the low-order driving circuit work at the time sequences corresponding to each other, the level shift circuits are arranged before the high-order driving circuit and before the low-order driving circuit in the circuit for preventing the power tube from being in series connection, and the circuit structure is complex.
Noun interpretation:
DCDC is an abbreviation of english Direct current Direct current, and chinese means that dc voltage is converted into dc voltage;
LDO is the abbreviation of English lowdropout regulator, and Chinese meaning refers to a low dropout linear voltage regulator;
MOSEFT is an abbreviation of English Metal-Oxide-Semiconductor Field-Effect Transistor, and Chinese meaning is a Metal Oxide field effect transistor;
the BUCK mode means in the present application a BUCK DC/DC converter circuit employing BUCK relator mode;
the BOOST mode means in the present application that a BOOST relator mode buck DC/DC conversion circuit is used;
the BUCK-BOOST mode means in the present application that a BUCK-BOOST DC/DC conversion circuit is employed with a BUCK-BOOST topology; the non-isolated DC converter has an output voltage which is lower than or higher than the input voltage, but has a polarity opposite to the input voltage.
PWM is an abbreviation for english Pulse Width Modulation, chinese meaning pulse width modulation; the Pulse Width Modulation (PWM) switch type voltage stabilizing circuit achieves the purpose of stabilizing output voltage by adjusting the duty ratio of the PWM switch type voltage stabilizing circuit under the condition that the output frequency of the control circuit is unchanged.
CCM is the abbreviation of English continuous current mode, chinese meaning is continuous conduction mode, meaning that the inductance current output by the DC/DC converter is continuous operation mode;
DCM is an abbreviation of English discontinuous current mode, chinese meaning discontinuous conduction mode, meaning discontinuous operation mode of inductor current output by DC/DC switching converter. When the DC/DC switching converter works in a DCM mode, namely an intermittent conduction mode, a time period when the inductance current is zero exists in the working process; when the inductance is small, the load current is small, or the switching period is long, the situation that the inductance current is reduced to zero when the period is not finished still occurs, and the inductance current is kept to zero until a new period comes, so that the intermittent working mode is realized; the output of a DC/DC switching converter operating in CCM mode is load independent and therefore its load regulation efficiency is relatively poor. The duty ratio, inductance and load will affect the output voltage of the DCM, so the load adjustment rate is worse, but the efficiency of the DCM mode will be higher in light load.
Disclosure of Invention
The technical problem to be solved by the present invention is to provide a more simplified high-order N-type power transistor VT by avoiding the above-mentioned shortcomings of the prior arth The driving circuit of the circuit not only can simplify a complex high-level shift circuit in the prior art, but also can improve the circuit efficiency and reduce the circuit delay; and the corresponding supporting circuit can be simplified.
The technical scheme of the invention for solving the technical problems is that the integrated driving circuit for driving the power output transistor of the DC/DC switching converter comprises a high-order driving front-stage buffer for buffering the input of a high-order driving control signal, a bootstrap capacitor for elevating signal potential, a capacitive coupling driving circuit for signal coupling and a second inverter for driving the signal to be reversed by high-order buffering; the high-order drive control signal, namely a second pulse width modulation signal, is input from an input terminal of the high-order drive front-stage buffer; the high-order driving front-stage buffer outputs a high-order buffer driving signal to a negative plate of the bootstrap capacitor, and simultaneously, the high-order driving front-stage buffer outputs a high-order buffer driving signal to an input terminal of the second inverter; the positive plate of the bootstrap capacitor is electrically connected with the first input terminal of the capacitive coupling driving circuit; the output end of the second inverter is electrically connected with the second input terminal of the capacitive coupling driving circuit; the third input terminal of the capacitive coupling driving circuit is used for accessing a third direct-current voltage signal of an external third external input power supply; a first output terminal of the capacitive coupling driving circuit is electrically connected with the grid electrode of the high-order N-type power transistor, and a second output terminal of the capacitive coupling driving circuit is electrically connected with the source electrode of the high-order N-type power transistor; the second inverter, the bootstrap capacitor and the capacitive coupling driving circuit work cooperatively to raise the signal potential of the high-order buffer driving signal, and after the high-order N-type power transistor is conducted, the first output terminal of the capacitive coupling driving circuit can continuously provide the high-order N-type power transistor gate driving signal with proper potential, namely the high-order driving signal.
The capacitive coupling driving circuit comprises a first switch, a second switch, a first coupling capacitor and a second N-type MOS tube; one end of the second switch is used as a third input terminal of the capacitive coupling driving circuit, namely a third direct-current voltage signal connected to a third external input power supply; the other end of the second switch is electrically connected with one end of the first switch, meanwhile, the other end of the second switch is also used as a first input terminal of the capacitive coupling driving circuit, the first input terminal is electrically connected with a positive plate of the bootstrap capacitor, and is connected with a control signal of the coupling driving circuit; the other end of the first switch is used as a first output terminal of the capacitive coupling drive circuit for outputting a high-order N-type power transistor gate drive signal uGP To the gate of the high-order N-type power transistor; meanwhile, the other end of the first switch is electrically connected with the drain electrode of the second N-type MOS tube; the coupling driving circuit control signal and the input first direct current voltage signal jointly control the switch of the first switch; the source electrode of the second N-type MOS transistor is used as a second output terminal of the capacitive coupling driving circuit and is electrically connected with the source electrode of the high-order N-type power transistor; grid electrode of second N-type MOS tubeOne end of the first coupling capacitor is electrically connected with the first capacitor; the other end of the first coupling capacitor is used as a second input terminal of the capacitive coupling driving circuit and is electrically connected with the output end of the second inverter; one end of the second switch is connected with a coupling driving circuit control signal from the bootstrap capacitor positive plate, the other end of the second switch is connected with a third direct-current voltage signal, and the coupling driving circuit control signal and the third direct-current voltage signal jointly control the switch of the second switch.
The first switch is a first P-type MOS tube, the grid electrode of the first P-type MOS tube is electrically connected with the drain electrode of the high-order N-type power transistor, the drain electrode of the first P-type MOS tube is electrically connected with the drain electrode of the second N-type MOS tube, and the source electrode of the first P-type MOS tube is used as a first input terminal of the capacitive coupling driving circuit;
the source electrode of the first P-type MOS tube is electrically connected with the positive plate of the bootstrap capacitor and is connected with a control signal of the coupling driving circuit; the grid electrode of the first P-type MOS tube is connected with a first direct current voltage signal; the coupling driving circuit control signal and the first direct current voltage signal jointly control the switching state of the first P-type MOS tube.
The second switch is a first diode, the positive electrode of the first diode is used as a third input terminal of the capacitive coupling driving circuit, and is connected with a third direct-current voltage signal of a third external input power supply; the negative electrode of the first diode is electrically connected with the positive plate of the bootstrap capacitor to be connected with a control signal of the coupling driving circuit; the coupling driving circuit control signal and the third direct current voltage signal jointly control the switch of the first diode.
The second switch comprises a fourth N-type MOS tube, a second coupling capacitor and a second diode, wherein the positive electrode of the second diode is used as a third input terminal of the capacitive coupling driving circuit and is connected with a third direct-current voltage signal of a third external input power supply; meanwhile, the anode of the second diode is electrically connected with the source electrode of the fourth N-type MOS tube; the cathode of the second diode is electrically connected with the grid electrode of the fourth N-type MOS tube; the grid electrode of the fourth N-type MOS tube is also electrically connected with one end of the second coupling capacitor; the other end of the second coupling capacitor is electrically connected with one end of the first coupling capacitor, the other end of the second coupling capacitor is used as a second input terminal of the capacitive coupling driving circuit, and the other end of the second coupling capacitor is electrically connected with an output terminal of the second inverter; the drain electrode of the fourth N-type MOS tube is used as a first input terminal of the capacitive coupling drive circuit, is electrically connected with the positive plate of the bootstrap capacitor, and is connected with a control signal of the capacitive coupling drive circuit; the coupling driving circuit control signal and the third direct current voltage signal jointly control the switching state of the second switch.
A clamping circuit controlled by gate-source voltage is arranged between the gate and the source of the second N-type MOS tube, and the clamping circuit comprises a first resistor and a second resistor which are connected in series between the gate and the source of the second N-type MOS tube; the clamping circuit also comprises a third N-type MOS tube arranged between the grid electrode and the source electrode of the second N-type MOS tube; the drain electrode of the third N-type MOS tube is electrically connected with the grid electrode of the second N-type MOS tube, the source electrode of the third N-type MOS tube is electrically connected with the source electrode of the second N-type MOS tube, and the grid electrode of the third N-type MOS tube is electrically connected with the first resistor and the second resistor at the same time.
The integrated driving circuit for driving the power output transistor of the DC/DC switching converter further comprises a first inverter, a low-level driving control signal level shifting circuit and a low-level driving buffer; the low-order driving control signal is a logic NOT signal of which the first pulse width modulation signal is a second pulse width modulation signal; the low-order drive control signal, namely, a first pulse width modulation signal is input to a low-order drive control signal level shift circuit to shift the signal potential, the pulse potential of the first pulse width modulation signal is converted from the high potential of a first input power supply to the fourth direct-current voltage signal potential of an external fourth external input power supply, and meanwhile, the space potential of the first pulse width modulation signal is converted from the ground potential of the first input power supply to the source potential of a low-order N-type power transistor by the low-order drive control signal level shift circuit; the low-order driving control signal level shift circuit outputs a signal to the low-order driving buffer, and the low-order driving buffer outputs a low-order driving signal to the grid electrode of the low-order N-type power transistor for driving the low-order N-type power transistor; the low-order driving control signal, namely a first pulse width modulation signal, is input to the first inverter, and the first inverter outputs the high-order driving control signal, namely a second pulse width modulation signal, to the high-order driving front-stage buffer.
The integrated driving circuit for driving the power output transistor of the DC/DC switching converter further comprises a ZCD module, wherein the ZCD module is used for detecting zero crossing current of a rectifying tube, namely a high-order N-type power transistor and/or a low-order N-type power transistor; when the DC/DC switching converter with the integrated driving circuit is used and works in a BUCK mode, namely is used as a BUCK system, two ends of the ZCD module are respectively and electrically connected with the drain electrode and the source electrode of the low-order N-type power transistor; the ZCD module detects a current signal between the drain electrode of the low-order N-type power transistor and the source electrode of the low-order N-type power transistor;
when the DC/DC switching converter with the integrated driving circuit is used as a BOOST system when working in a BOOST mode, two ends of the ZCD module are respectively and electrically connected with the drain electrode and the source electrode of the high-order N-type power transistor; the ZCD module detects a current signal between the drain electrode of the high-order N-type power transistor and the source electrode of the high-order N-type power transistor; when the DC/DC switching converter applying the integrated driving circuit works in a BUCK-BOOST mode, namely is used as a BUCK-BOOST system, two ends of the ZCD module are respectively and electrically connected with the drain electrode and the source electrode of the low-order N-type power transistor; the low-order N-type power transistor is a rectifier tube, and the ZCD module detects a current signal between the drain electrode of the low-order N-type power transistor and the source electrode of the low-order N-type power transistor.
The integrated driving circuit for driving the power output transistor of the DC/DC switching converter further comprises a ringing elimination module, wherein two ends of the ringing elimination module are respectively and electrically connected with two ends of the external inductor L1, and are used for eliminating ringing generated by self-oscillation of the external inductor L1 connected with the DC/DC switching converter; when the DC/DC switching converter applying the integrated driving circuit works in a DCM mode and the ZCD module detects that the current of the rectifying tube is zero, the high-order N-type power transistor and the low-order N-type power transistor are closed at the moment, and the ringing elimination module removes ringing generated by self-oscillation in the external inductance L1.
The technical scheme of the invention for solving the technical problems can also be that the DC/DC switching converter of the integrated driving circuit comprises a series-connection prevention circuit unit for preventing the series connection of a high-order N-type power transistor and a low-order N-type power transistor; the anti-cross circuit unit comprises a third level shift circuit, a third inverter, a first AND gate, a fourth inverter and a second AND gate; the low-level driving signal is input from an input terminal of a third level shifting circuit, an output terminal of the third level shifting circuit is electrically connected with an input terminal of a third inverter, an output terminal of the third inverter is electrically connected with a first input terminal of a first AND gate, a second input terminal of the first AND gate is used for inputting a low-level driving control signal, namely a first pulse width modulation signal, and the first AND gate outputs a signal to the first inverter; the high-order buffer driving signal is input from the input terminal of the fourth inverter, the output terminal of the fourth inverter is electrically connected with the first input terminal of the second AND gate, the second input terminal of the second AND gate is used for inputting the low-order driving control signal, namely the first pulse width modulation signal, and the second AND gate outputs the signal to the low-order driving control signal level shift circuit.
Compared with the prior art, the invention has the beneficial effects that: 1. the complex high-level shift circuit in the prior art is simplified, the circuit efficiency is improved, and the circuit delay is reduced; 2. the driving circuit has lower requirement on the circuit of the high-order front-stage driving buffer, so that the high-order front-stage driving buffer does not need to adopt isolation devices, the requirement on the devices is reduced, and the area of the integrated circuit is reduced; 3. for DC/DC switching converter using the driving circuit, its periphery prevents high-order N-type power transistor VTh And a low-order N-type power transistor VTl The level shift circuit in front of the low-order drive circuit can be simplified due to the change of the high-order drive circuit.
Drawings
FIG. 1 is a circuit block diagram of one of the preferred embodiments of the integrated drive circuit for DC/DC switching converter output transistor driving in accordance with the present invention;
FIG. 2 is a schematic diagram of a partial circuit of a second preferred embodiment of the present invention, showing only the partial circuit of the high-side drive;
FIG. 3 is a schematic diagram of a portion of a circuit of a third preferred embodiment of the present invention, showing only a portion of the circuit driven high;
FIG. 4 is a timing diagram of steady state signals for a DC/DC switching converter employing the integrated drive circuit of FIG. 1 in a CCM mode of operation;
FIG. 5 is a timing diagram of steady state signals for a DC/DC switching converter employing the integrated drive circuit of FIG. 1 in DCM operation; the left, middle and right three parts of fig. 4 and 5 represent steady-state signal timing diagrams of the DC/DC switching converter operating in three modes, BUCK mode, BOOST-BOOST mode, respectively;
FIG. 6 is a circuit block diagram of a typical dual NMOS power transistor driver circuit according to the prior art;
FIG. 7 is a timing diagram of steady state signals during CCM operation using the dual NMOS power transistor driver circuit of FIG. 6;
FIG. 8 is a timing diagram of steady state signals for the dual NMOS power transistor driving circuit of FIG. 6 in DCM operation; the left, middle and right three parts of fig. 7 and 8 represent steady-state signal timing diagrams of the DC/DC switching converter operating in three modes, BUCK mode, BOOST-BOOST mode, respectively;
FIG. 9 is a detailed schematic diagram of ahigh level shifter 61 in a typical prior art dual NMOS power transistor drive circuit architecture;
FIG. 10 shows a prior art high-side N-type power transistor VT prevention in a DC/DC switching converter based on the exemplary dual NMOS power transistor drive circuit of FIG. 4h And a low-order N-type power transistor VTl A schematic diagram of a series circuit;
FIG. 11 shows a DC/DC switching converter employing an integrated drive circuit of the present invention, wherein high-side N-type power transistor VT is preventedh And a low-order N-type power transistor VTl A schematic diagram of the series circuit.
Detailed Description
Embodiments of the present invention are described in further detail below with reference to the drawings.
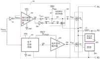
In the embodiment of the integrateddrive circuit 200 for DC/DC switching converter power output transistor driving shown in FIG. 1, including for high-side drive controlSignal signal
Figure SMS_1
An input buffered high-order driving pre-buffer 260 for bootstrap capacitor C with signal potential elevationBOOT A capacitively coupleddrive circuit 230 for signal coupling for high-order buffer drive signals uDRP An invertedsecond inverter 268; the high-order drive control signal is the second pulse width modulation signal +>
Figure SMS_2
Input from the input terminal of the high-drivingfront buffer 260; the high-order driving pre-stagebuffer 260 outputs a high-order buffer driving signal uDRP To bootstrap capacitor CBOOT While the higher drivingfront buffer 260 outputs the higher buffering driving signal uDRP An input terminal to asecond inverter 268; bootstrap capacitor CBOOT Is electrically connected to the positive plate of the capacitivecoupling drive circuit 230; an output of thesecond inverter 268 is electrically connected to a second input terminal of the capacitivecoupling drive circuit 230; a third input terminal of the capacitivecoupling driving circuit 230 is used for accessing a third DC voltage signal u of an external third external input power VREGREG The method comprises the steps of carrying out a first treatment on the surface of the A first output terminal of the capacitivecoupling driving circuit 230 and a high-order N-type power transistor VTh The gate is electrically connected to the second output terminal of the capacitivecoupling driving circuit 230 and the high N-type power transistor VTh The source electrode is electrically connected;second inverter 268, bootstrap capacitor CBOOT In conjunction with the capacitivecoupling drive circuit 230, to buffer the high-order bits of the drive signal uDRP Is raised at the high-order N-type power transistor VTh After being conducted, the first output terminal of the capacitivecoupling driving circuit 230 can continuously provide the high-order N-type power transistor VT with proper potentialh Gate drive signal, i.e. high drive signal uGP
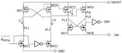
In the embodiment shown in fig. 1, the capacitivecoupling driving circuit 230 includes a first switch K1, a second switch K2, and a first coupling capacitor CBC1 And a second N-type MOS transistor Q2; one end of the second switch K2 is used as a third input terminal of the capacitivecoupling driving circuit 230, i.e. connected inThird direct-current voltage signal u of third external input power supply VREGREG The method comprises the steps of carrying out a first treatment on the surface of the The other end of the second switch K2 is electrically connected with one end of the first switch K1, and the other end of the second switch K2 is also used as a first input terminal of the capacitivecoupling driving circuit 230, and a bootstrap capacitor CBOOT Is electrically connected with the positive plate; the other end of the first switch K1 is used as a first output terminal of the capacitivecoupling driving circuit 230 for outputting a high-order N-type power transistor VTh Gate driving signal uGP To high-order N-type power transistor VTh A gate electrode of (a); meanwhile, the other end of the first switch K1 is electrically connected with the drain electrode of the second N-type MOS tube Q2; coupled drive circuit control signal uVBOOT And input a first direct current voltage signal uP1 The switch of the first switch K1 is controlled jointly; the source of the second N-type MOS transistor Q2 is used as the second output terminal of the capacitivecoupling driving circuit 230 and the high-order N-type power transistor VTh Is electrically connected to the source electrode of the transistor; grid electrode of second N-type MOS tube Q2 and first coupling capacitor CBC1 Is electrically connected to one end of the first circuit board; first coupling capacitor CBC1 The other end of which serves as a second input terminal of the capacitivecoupling drive circuit 230, is electrically connected to the output terminal of thesecond inverter 268; one end of the second switch K2 is connected with the bootstrap capacitor CBOOT Is connected with the control signal u of the coupling driving circuit of the positive plateVBOOT The other end of the second switch K2 is connected with a third direct-current voltage signal uREG Coupled to the driving circuit control signal uVBOOT And a third DC voltage signal uREG The switches of the second switch K2 are commonly controlled.
In the embodiment shown in fig. 2 and 3, the first switch K1 is a first P-type MOS transistor Q1, and the gate of the first P-type MOS transistor Q1 and the high-order N-type power transistor VTh The drain electrode of the first P-type MOS transistor Q1 is electrically connected with the drain electrode of the second N-type MOS transistor Q2, and the source electrode of the first P-type MOS transistor Q1 is used as a first input terminal of the capacitivecoupling driving circuit 230 and a bootstrap capacitor CBOOT Is electrically connected with the positive plate; source electrode of first P-type MOS tube Q1 and bootstrap capacitor CBOOT Is electrically connected with the positive plate of the drive circuit and is connected with the control signal u of the coupling drive circuitVBOOT The method comprises the steps of carrying out a first treatment on the surface of the The grid electrode of the first P-type MOS tube Q1 is connected with a first direct current voltage communication to be converted from a circuit node P1Number uP1 The method comprises the steps of carrying out a first treatment on the surface of the Coupled drive circuit control signal uVBOOT And a first direct current voltage signal uP1 The switching state of the first P-type MOS transistor Q1 is controlled together.
In the embodiment shown in fig. 2, the second switch K2 is a first diode D1, the positive electrode of the first diode D1 is used as the third input terminal of the capacitivecoupling driving circuit 230, and is connected to the third dc voltage signal u of the third external input power VREGREG The method comprises the steps of carrying out a first treatment on the surface of the Negative electrode of first diode D1 and bootstrap capacitor CBOOT Is connected with the control signal u of the coupling driving circuitVBOOT The method comprises the steps of carrying out a first treatment on the surface of the Coupled drive circuit control signal uVBOOT And a third DC voltage signal uREG The switch of the first diode D1 is commonly controlled.
In the embodiment shown in fig. 3, the second switch K2 includes a fourth N-type MOS transistor Q4 and a second coupling capacitor CBC2 And a second diode D2, the anode of the second diode D2 is used as a third input terminal of the capacitivecoupling driving circuit 230, and is connected with a third direct-current voltage signal u of a third external input power supply VREGREG The method comprises the steps of carrying out a first treatment on the surface of the Meanwhile, the anode of the second diode D2 is electrically connected with the source electrode of the fourth N-type MOS transistor Q4; the cathode of the second diode D2 is electrically connected with the grid electrode of the fourth N-type MOS tube Q4; the grid electrode of the fourth N-type MOS tube Q4 is also connected with a second coupling capacitor CBC2 Is electrically connected to one end of the first circuit board; second coupling capacitor CBC2 And the other end of (C) and the first coupling capacitance CBC1 Is electrically connected with one end of the second coupling capacitor CBC2 The other end of (a) is used as a second input terminal of the capacitivecoupling driving circuit 230, the second coupling capacitance CBC2 Is electrically connected to the other end of thesecond inverter 268; the drain of the fourth N-type MOS transistor Q4 is used as the first input terminal of the capacitivecoupling driving circuit 230, and bootstrap capacitor CBOOT Is electrically connected with the positive plate of the drive circuit and is connected with the control signal u of the coupling drive circuitVBOOT The method comprises the steps of carrying out a first treatment on the surface of the Coupled drive circuit control signal uVBOOT And a third DC voltage signal uREG The switch states of the second switch K2 are controlled jointly.
As can be seen in the signal timing diagrams shown in FIGS. 4 and 5, when the voltage signal u at the circuit node DRPDRP To ground potential of VDD At this time, the voltage signal u at the circuit node DRP_N is passed through thesecond inverter 268DRP-N Zero potential V to ground potentialGND Voltage signal uDRP-N Is connected to the first coupling capacitor CBC1 Then due to the first coupling capacitance CBC1 The grid electrode of the second N-type MOS tube Q2 has zero potential V to the ground potentialGND The second N-type MOS transistor Q2 is closed; bootstrap capacitor CBOOT Is bootstrapped to raise the positive plate potential to VREG +VDD The method comprises the steps of carrying out a first treatment on the surface of the In this state, the second switch K2 is opened, the electrical connection of the two circuits is broken, the first switch K1 is closed and turned on, and the bootstrap capacitor CBOOT The positive plate, namely the circuit node VBOOT is directly communicated with the circuit node GP, and the capacitor C is bootstrappedBOOT Voltage signal u of positive plateVBOOT Directly input to high-order N-type power transistor VTh The gate of (2) becomes a high-order drive signal uGP At this time, the high-order driving signal uGP Is V to ground potentialREG +VDD Can make high-order N-type power transistor VTh After the high-order N-type power transistor is turned on, the capacitive coupling driving circuit can output a high-order driving signal with high driving capability to the grid electrode of the high-order N-type power transistor.
As can be seen in the signal timing diagrams shown in FIGS. 4 and 5, when the voltage signal u at the circuit node DRPDRP Zero potential V to ground potentialGND Bootstrap capacitor CBOOT The negative plate potential is pulled down to zero potential VGND Bootstrap capacitor CBOOT Is coupled to VREG The first switch K1 is opened, the second switch K2 is closed, and the bootstrap capacitor C is used for the voltage controlBOOT The positive plate of (i.e., circuit node VBOOT) is disconnected from circuit node GP, and the voltage signal u on circuit node drp_n is passed throughsecond inverter 268DRP-N The ground potential is VDD Is connected with a first coupling capacitor CBC1 Then due to the first coupling capacitance CBC1 The grid electrode of the second N-type MOS tube Q2 is V to the ground potentialDD The second N-type MOS transistor Q2 is opened, and the high-order N-type power transistor VTh Is pulled down by the gate-source voltage difference of the high-order N-type power transistor VTh And closing.
As shown in fig. 5, when the DC/DC switching converter operates in the BUCK mode, the circuit node P1 is an externally input DC voltage signal uIN The input terminal of the circuit node P1, the voltage signal uP1 =uIN The method comprises the steps of carrying out a first treatment on the surface of the The signal at circuit node P2 is denoted as uP2 The potential is the ground potential VGND The method comprises the steps of carrying out a first treatment on the surface of the The signal at circuit node P3 is denoted as uP3 The circuit node P3 is a terminal of the output voltage of the DC/DC switching converter, and outputs a converted DC voltage signal uOUT U is namelyP3 =uOUT . The working process is that the first pulse width modulation signal u is output by a control loop of a DC/DC switching converterPWM Used as a high-order driving control signal by a first pulse width modulation signal uPWM Control of high-order N-type power transistor VT by the level of the pulse phase and the space phaseh And a low-order N-type power transistor VTl Is turned on alternately. First pulse width modulation signal uPWM And a second pulse width modulation signal
Figure SMS_3
The pulse potential of (2) is the high potential V of the first input power supply VDDDD The space potential is the ground potential V of the first input power supply VDDGND The method comprises the steps of carrying out a first treatment on the surface of the Second pulse width modulation signal->
Figure SMS_4
And a first pulse width modulation signal uPWM Are logically non-signal with each other.
As shown in fig. 5, in the first pulse width modulation signal uPWM Is the first phase of the first pulse width modulation signal uPWM When the potential of the pulse is space potential, the first pulse width modulation signal uPWM The signal potential of (2) is zero potential VGND After passing through the first inverter 264, a second pulse width modulation signal is output
Figure SMS_5
Second pulse width modulation signal->
Figure SMS_6
The signal potential of (2) is high potential VDD The method comprises the steps of carrying out a first treatment on the surface of the Second pulse width modulation signal->
Figure SMS_7
After passing through the high-order driving front buffer 260, the high-order driving front buffer 260 outputs a high-order buffer driving signal uDRP The method comprises the steps of carrying out a first treatment on the surface of the High-order buffer driving signal uDRP And a second pulse width modulation signal->
Figure SMS_8
In-phase, high-order buffer driving signal uDRP The pulse potential of (2) is high potential VDD Space potential is zero potential VGND The method comprises the steps of carrying out a first treatment on the surface of the The control signals of the first switch K1 and the second switch K2 are opposite in phase, namely the switch states of the first switch K1 and the second switch K2 are mutually exclusive, and one switch is closed and the other switch is opened under the control of the control signals; when the high bit buffers the driving signal uDRP At pulse potential, i.e. signal potential is at high potential VDD Due to bootstrap capacitance CBOOT Is a bootstrap capacitor CBOOT The potential of the positive plate is coupled to VREG +VDD At this time, the first switch K1 is closed, the second switch K2 is opened, the second N-type MOS transistor Q2 is closed, and the capacitor C is bootstrappedBOOT The positive plate is directly communicated with the circuit node GP, and the capacitor C is bootstrappedBOOT Voltage signal u of positive plateVBOOT Directly input to high-order N-type power transistor VTh The gate of (2) becomes a high-order drive signal uGP Its potential is VREG +VDD High-order N-type power transistor VTh Opening; similarly, the first pulse width modulation signal uPWM After passing through the low-order drive control signal level shift circuit 265 and the low-order drive buffer 266, u is obtainedGN In uGP To ground potential of VREG +VDD When uGN Is zero potential V to ground potentialGND Low-order N-type power transistor VTl Closing; thus modulating the signal u at the first pulse widthPWM In the first phase of (a), the voltage signal at the circuit node SW is the voltage signal u at the circuit node P1P1 The current flowing through the external inductance L1 enters the rising period.
As shown in FIG. 5, at the firstPulse width modulation signal uPWM A second phase of the (a) first pulse width modulation signal uPWM When the potential of the pulse signal is pulse potential, the first pulse width modulation signal uPWM The signal potential of (2) is high potential VDD After passing through the first inverter 264, a second pulse width modulation signal is output
Figure SMS_9
Second pulse width modulation signal- >
Figure SMS_10
The signal potential of (2) is zero potential VGND The method comprises the steps of carrying out a first treatment on the surface of the Second pulse width modulation signal->
Figure SMS_11
After passing through the high-order driving front buffer 260, the high-order driving front buffer 260 outputs a high-order buffer driving signal uDRP The method comprises the steps of carrying out a first treatment on the surface of the High-order buffer driving signal uDRP And a second pulse width modulation signal->
Figure SMS_12
In-phase, high-order buffer driving signal uDRP The pulse potential of (2) is high potential VDD Space potential is zero potential VGND The method comprises the steps of carrying out a first treatment on the surface of the At this time, the high-order buffer driving signal uDRP At a space potential of zero potential VGND The method comprises the steps of carrying out a first treatment on the surface of the When the high bit buffers the driving signal uDRP At pulse potential, i.e. signal potential is zero potential VGND When the first switch K1 is opened, the second switch K2 is closed, the second N-type MOS transistor Q2 is opened, and the high-order N-type power transistor VTh Is pulled low, high-order N-type power transistor VTh Closing; at the same time bootstrap capacitor CBOOT The ground potential of the positive plate is VREG The second switch K2 is closed to supplement energy to the bootstrap capacitor CBOOT A positive plate; similarly, the first pulse width modulation signal uPWM After passing through the low-order driving control signal level shift circuit 265 and the low-order driving buffer 266, the low-order driving signal u is obtainedGN Low-order drive signal uGN Is a potential V to the ground potentialVNCLP Low-order N-type power transistor VTl Opening; thus modulating the signal at the first pulse width uPWM In the second phase of (a), the voltage signal at the circuit node SW is the voltage signal u at the circuit node P1P1 The current flowing through the external inductance L1 enters the falling period.
As shown in fig. 5, in the first pulse width modulation signal uPWM Followed by a third phase in which the first pulse width modulated signal uPWM The pulse potential V of the second phase is still maintainedDD The method comprises the steps of carrying out a first treatment on the surface of the When theZCD module 105 detects that the inductance current drops to 0, theZCD module 105 or other control circuits in the DC/DC switching converter control the low-level N-type power transistor VTl Turned off when the high driving signal uGP And a low-order drive signal uGN The potential of (2) is zero potential VGND The signal of the circuit node SW is uP3 The inductor current is 0.
In the embodiment shown in fig. 2 and 3, the gate of the first switch K1, i.e. the first P-type MOS transistor Q1, is connected to the first dc voltage signal u input from the circuit node P1P1 . As can be seen in the signal timing diagrams shown in fig. 4 and 5, when the voltage signal u at the circuit node DRPDRP To ground potential of VDD Bootstrap capacitor CBOOT Voltage signal u of positive plate, i.e. circuit node VBOOTVBOOT Is coupled to a second DC voltage signal uP1 The higher ground potential is achieved, the first P-type MOS tube Q1 is automatically closed, and the capacitor C is bootstrappedBOOT The positive plate is directly communicated with the circuit node GP, and the capacitor C is bootstrappedBOOT Voltage signal u of positive plateVBOOT Directly input to high-order N-type power transistor VTh The gate of (2) becomes a high-order drive signal uGP The method comprises the steps of carrying out a first treatment on the surface of the When the voltage signal u on the circuit node DRPDRP Zero potential V to ground potentialGND Bootstrap capacitor CBOOT Voltage signal u of positive plateVBOOT The potential is pulled down to a third DC voltage signal uREG To ground potential VREG The pair of ground potentials VREG Is smaller than the first direct current voltage signal uP1 To ground potential VP1 The method comprises the steps of carrying out a first treatment on the surface of the The first P-type MOS transistor Q1 is automatically disconnected and bootstrapped with a capacitor CBOOT The connection between the positive plate and the circuit node GP is in an open state.
As shown in figures 2 and 3In the illustrated embodiment, the second switch K2 is a first diode D1, or the second switch K2 is a fourth N-type MOS transistor Q4 and a second coupling capacitor CBC2 And a second diode D2. As can be seen in the signal timing diagrams shown in connection with fig. 4 and 5, the function of the second switch K2 is to realize a third dc voltage signal uREG Input terminal and bootstrap capacitor CBOOT Single-phase conduction between positive plates; third DC voltage signal uREG Input terminal and bootstrap capacitor CBOOT Single-phase conduction between positive plates for supplementing bootstrap capacitance C during switchingBOOT Energy loss on the positive plate.
As shown in fig. 2, in the embodiment of the integrated driving circuit 200 for driving the power output transistor of the DC/DC switching converter, when the DC/DC switching converter is operating normally in the first Phase1, that is, when the high-order driving control signal, i.e., the second pulse width modulation signal, is at the pulse potential, the potential V of the circuit node VBOOTVBOOT Will be raised when VVBOOT >VP1 +VTH When V isP1 At the potential of the circuit node P1, VTH The threshold value of the first P-type MOS transistor Q1, namely the absolute value of the gate-source opening voltage, is the high-order driving signal uGP Potential V of potential quilt circuit node VBOOTVBOOT Pulling high to make high-order N-type power transistor VTh Opening; at the same time due to the first coupling capacitance CBC1 The gate signal of the second N-type MOS transistor Q2 is the signal of the circuit node SW, so that the second N-type MOS transistor Q2 is closed; when the DC/DC switching converter normally works in the second Phase2, namely when the high-order driving control signal, namely the second pulse width modulation signal, is at pulse potential, the potential V of the circuit node VBOOTVBOOT Re-descend to VREG -VD1 ,VD1 The value of (1) is the forward conduction voltage of the first diode D1, the second switch K2 is turned off for the first P-type MOS transistor Q1, the signal potential of the circuit node VBC is coupled to the high bit, the second N-type MOS transistor Q2 is turned on, and the high bit driving signal uGP The potential is pulled low to enable the high-order N-type power transistor VTh And closing.
In the embodiment shown in FIG. 2, when self-containedLifting capacitor CBOOT The earth potential of the positive plate is lower than VREG -VD1 When the bootstrap capacitor C is charged with energyBOOT A positive plate; wherein V isREG For the third DC voltage signal uREG To ground potential, VD1 The starting voltage for forward conduction of the first diode D1; the advantage of this embodiment is that it is simple, and that there is a voltage drop of about 0.7V across the diode at the disadvantage, which affects efficiency and driving voltage.
As shown in fig. 3, in an embodiment of the integrated driving circuit 200 for driving the power output transistor of the DC/DC switching converter, the first switch K1 includes a fourth N-type MOS transistor Q4 and a second coupling capacitor CBC2 And a second diode D2, the anode of the second diode D2 is used as a third output terminal of the capacitive coupling driving circuit 230, and is connected with a second direct-current voltage signal u input from the outsideREG The method comprises the steps of carrying out a first treatment on the surface of the Meanwhile, the anode of the second diode D2 is electrically connected with the source electrode of the fourth N-type MOS tube Q4, and the cathode of the second diode D2 is electrically connected with the grid electrode of the fourth N-type MOS tube Q4; the grid electrode of the fourth N-type MOS tube Q4 is also connected with a second coupling capacitor CBC2 Is electrically connected to one end of the first circuit board; second coupling capacitor CBC2 And the other end of (C) and the first coupling capacitance CBC1 Is electrically connected with one end of the second coupling capacitor CBC2 The other end of which serves as a second input terminal of the capacitive coupling drive circuit 230, is electrically connected to the output terminal of the second inverter 268; the second switch K2 is a first P-type MOS transistor Q1, the grid electrode of the first P-type MOS transistor Q1 and a high-order N-type power transistor VTh The drain electrode of the first P-type MOS transistor Q1 is electrically connected with the drain electrode of the second N-type MOS transistor Q2, and the source electrode of the first P-type MOS transistor Q1 is used as a first input terminal of the capacitive coupling driving circuit 230 and a bootstrap capacitor CBOOT Is electrically connected with the positive plate; a first resistor R1 and a second resistor R2 which are connected in series are arranged between the grid electrode and the source electrode of the second N-type MOS tube Q2, and a third N-type MOS tube Q3 is also arranged between the grid electrode and the source electrode of the second N-type MOS tube Q2; the drain electrode of the third N-type MOS tube Q3 is electrically connected with the grid electrode of the second N-type MOS tube Q2, the source electrode of the third N-type MOS tube Q3 is electrically connected with the source electrode of the second N-type MOS tube Q2, and the grid electrode of the third N-type MOS tube Q3 is electrically connected with the first resistor R1 and the second resistor R2 at the same time.
In the embodiment shown in FIG. 3, a fourth controlled N-type MOS transistor Q4, a second coupling capacitor CBC2 And a second diode D2 realizes the switch control of a second switch K2; when the ground potential of the circuit node DRP is VDD At the time, a second coupling capacitor CBC2 The capacitor can make the gate of the fourth N-type MOS transistor Q4 coupled to the ground potential downwards, and the fourth N-type MOS transistor Q4 is turned off when the ground potential of the circuit node DRP is zero potential VGND At the time, a second coupling capacitor CBC2 The grid electrode of the fourth N-type MOS tube Q4 is coupled to high potential, the fourth N-type MOS tube Q4 is completely opened, and the bootstrap capacitor C can be realizedBOOT Positive plate and third dc voltage signal uREG The input terminal of (2) is directly conducted, and the capacitor C is bootstrappedBOOT Energy is supplied. FIG. 3 shows the use of a second coupling capacitor CBC2 The working principle of the diode is that when the fourth N-type MOS transistor Q4 is required to be opened, the diode D2 and the fourth N-type MOS transistor Q4 are used for stabilizing voltage, and the diode D2 and the fourth N-type MOS transistor Q4 pass through a second coupling capacitor CBC2 The fourth N-type MOS transistor Q4 is completely opened, and the effect on efficiency and driving voltage is avoided.
As shown in fig. 3, in the embodiment of the integrated driving circuit 200 for driving the power output transistor of the DC/DC switching converter, when the DC/DC switching converter is operating normally in the first Phase1, that is, when the high-order driving control signal, i.e., the second pulse width modulation signal, is at the pulse potential, the potential V of the circuit node VBOOTVBOOT Will be raised when VVBOOT >VP1 +VTH When V isP1 At the potential of the circuit node P1, VTH The threshold value of the first P-type MOS transistor Q1, namely the absolute value of the gate-source opening voltage, is the high-order driving signal uGP Potential V of potential quilt circuit node VBOOTVBOOT Pulling high to make high-order N-type power transistor VTh Opening; at the same time due to the first coupling capacitance CBC1 The grid signal potential of the second N-type MOS tube Q2 is VREG -VD2 Closing the second N-type MOS transistor Q2; when the DC/DC switching converter normally works in the second Phase2, namely when the high-order driving control signal, namely the second pulse width modulation signal, is at pulse potential, the potential V of the circuit node VBOOTVBOOT Re-descend to VREG At this time, the first P-type MOS transistor Q1 is turned off, the signal potential of the circuit node VBC is coupled to the high bit, the second N-type MOS transistor Q2 is turned on, and the high bit drives the signal uGP The potential is pulled low to enable the high-order N-type power transistor VTh And closing.
The difference between the embodiments of fig. 2 and fig. 3 is that the second switch K2 in the embodiment of fig. 2 is simply implemented by a diode, and the second switch K2 in the embodiment of fig. 3 is implemented by a fourth N-type MOS transistor Q4 and a second coupling capacitor CBC2 And a second diode D2; the specific difference between the two embodiments is the bootstrap capacitance CBOOT The ground potential of the upper precharge is different in size; the precharge potential in the embodiment shown in FIG. 2 has a magnitude of VREG -VD2 The precharge level in the embodiment shown in FIG. 3 is VREG Resulting in the final driving of the high-order N-type power transistor VTh The absolute values of the gate-source voltages are different and are respectively VREG -VD2 And VREG Due to the high-order N-type power transistor VT in the embodiment shown in FIG. 3h The gate-source voltage is higher than that of the N-type power transistor VT in the embodiment shown in FIG. 2h Thus having a high-order N-type power transistor VT in the embodiment shown in FIG. 3h In the on state, the on-resistance is relatively smaller.
The embodiment of theintegrated drive circuit 200 for DC/DC switching converter power output transistor driving shown in fig. 1 accomplishes the high-side N-type power transistor VT with a more simplified circuith And a low-order N-type power transistor VTl Compared with the prior art driving circuit shown in fig. 4, the complex high-level shift circuit in the prior art is simplified, the circuit efficiency is improved, and the circuit delay is reduced; the driving circuit has lower circuit requirement on the high-order front-stage driving buffer, so that the high-order front-stage driving buffer does not need to adopt isolation devices, the requirement on the devices is reduced, and the area of the integrated circuit is reduced.
FIG. 6 shows a first PWM signal u in a prior art typical dual NMOS power transistor driving circuit configurationPWM Is output by a closed-loop control circuit in a DC/DC switching converter applying the circuit architectureSquare wave signal for switching control of switching tube; in high-order N-type power transistor VTh In the switch driving circuit of (a), the pulse width modulation signal uPWM Input to aninverter 64 which outputs a second PWM signal which is a NOT signal of the first PWM signal
Figure SMS_15
Second pulse width modulation signal->
Figure SMS_16
Is input to the highlevel shift circuit 61, the second pulse width modulation signal +>
Figure SMS_18
The pulse potential of (2) is the high potential V of the first external input power supply VDDDD Second pulse width modulation signal->
Figure SMS_14
Is the space potential of the first external input power supply VDDGND The method comprises the steps of carrying out a first treatment on the surface of the The highlevel shift circuit 61 shifts the second pulse width modulation signal +.>
Figure SMS_17
A high potential V of the first external input power supply VDDDD Conversion to bootstrap capacitor positive plate potential VBOOT While the high-level shift circuit 61 shifts the second pulse width modulation signal +>
Figure SMS_19
The space potential of the first external input power supply VDDGND Switching to high-order N-type power transistor VTh Is the source potential V of (2)SW The method comprises the steps of carrying out a first treatment on the surface of the The output u of the highlevel shift circuit 61DRP The signal is buffered in the high-order drive buffer 60, and the high-order drive buffer 60 outputs a signal u with strong driving capabilityGP To high-order N-type power transistor VTh Gate of high-order N-type power transistor VTh Is driven by a switch of (a). Second pulse width modulation signal->
Figure SMS_20
Is raised to a proper level as a whole, especially in the high-order N-type power transistor VTh Is the source potential V of (2)SW Ground potential V relative to first external input power supply VDDGND Higher, so as to better perform the high-order N-type power transistor +.>
Figure SMS_13
Is driven by a switch of (a).
The low-order N-type power transistor VT in the exemplary dual NMOS power transistor circuit architecture shown in FIG. 6h In the switch driving circuit of (a), a first pulse width modulation signal uPWM Is input to the low level shift circuit 65, the first pulse width modulation signal uPWM The pulse potential of (2) is the high potential V of the first external input power supply VDDDD Pulse width modulation signal uPWM Is the space potential of the first external input power supply VDDGND The method comprises the steps of carrying out a first treatment on the surface of the The low level shift circuit 65 shifts the first pulse width modulation signal uPWM A high potential V of the first external input power supply VDDDD A potential V switched to a high potential of the fourth external input power supply VNCLPNCLP While the low-level shift circuit 65 shifts the first pulse width modulation signal uPWM The space potential of the first external input power supply VDDGND Switching to low-order N-type power transistor VTl Is the source potential V of (2)P2 The method comprises the steps of carrying out a first treatment on the surface of the Output signal u of low level shift circuit 65DRN Is input into the low-order drive buffer 66 for buffering, and the low-order drive buffer 66 outputs a drive signal u with strong drive capabilityGN To low-order N-type power transistor VTl Gate of low-order N-type power transistor VTl Is driven by a switch of (a).
In fig. 1 and 6, a fourth dc voltage signal u input from a fourth external input power VNCLPNCLP Is a power signal for a low-order drive buffer, and in Buck mode, a fourth DC voltage signal uNCLP Equal to the externally input voltage signal to be converted, i.e. the first DC voltage signal uP1 Or a voltage signal generated by an LDO inside the DC/DC switching converter; in Boost mode, the fourth DC voltage signal uNCLP Is input from circuit node P3Voltage signal uP3 The voltage signal u output from the signal node P1 may beP1-out Or a voltage signal generated by an LDO inside the DC/DC switching converter; in Buck-BOOST mode, the fourth DC voltage signal uNCLP Is the difference signal between the voltage signal generated by the LDO inside the DC/DC switching converter and the signal node P2, which is a fixed level as the low-level drive buffer power supply.
Bootstrap capacitor C in FIG. 6BOOT Is electrically connected to one input terminal of the high-level shift circuit 61, one input terminal of the high-level drive buffer 60, and the negative electrode of the diode D1; bootstrap capacitor CBOOT Negative plate of (2) and high-order N-type power transistor VTh Is electrically connected to the source electrode of the transistor; u (u)REG The signal is a third direct current voltage signal u obtained from an LDO provided in a DC/DC switching converterREG Which has a potential V to the groundREG ,uREG The signal is reduced in voltage by the diode D1 to provide a working power supply for the high-order drive circuit.
In fig. 1 and 6, a third dc voltage signal uREG Is used for supplementing energy loss caused by switching in each switching period of the CBOOT, and in the Buck mode, the third direct-current voltage signal uREG Equal to the externally input voltage signal to be converted, i.e. the first DC voltage signal uP1 Or a voltage signal generated by an LDO inside the DC/DC switching converter; in Boost mode, the third DC voltage signal uREG Is equal to the voltage signal u input from the circuit node P3P3 The first DC voltage signal u may also beP1 Or a voltage signal generated by an LDO inside the DC/DC switching converter; in Buck-BOOST mode, the VREG signal is a voltage signal generated by an LDO within the DC/DC switching converter.
As shown in fig. 7 to 8, when the DC/DC switching converter is operated in the BUCK mode, the circuit node P1 is an externally input DC voltage signal u in the prior art driving circuitIN The first direct voltage signal u of the circuit node P1P1 =uIN The method comprises the steps of carrying out a first treatment on the surface of the The signal at circuit node P2 is denoted as uP2 The potential is the ground potential VGND The method comprises the steps of carrying out a first treatment on the surface of the The signal at circuit node P3 is denoted as uP3 The circuit node P3 isA terminal of the DC/DC switching converter output voltage, which outputs a converted DC voltage signal uOUT U is namelyP3 =uOUT
As shown in fig. 6 to 8, when the DC/DC switching converter operates in the BOOST mode, the circuit node P3 is an externally input DC voltage signal u in the prior art driving circuitIN The input terminal of the circuit node P3P3 =uIN The method comprises the steps of carrying out a first treatment on the surface of the The signal at circuit node P2 is denoted as uP2 The potential is the ground potential VGND The method comprises the steps of carrying out a first treatment on the surface of the The signal at circuit node P1 is denoted as uP1 The circuit node P1 is a terminal of the output voltage of the DC/DC switching converter, and outputs a DC voltage signal u after conversionOUT U is namelyP1 =uOUT
As shown in fig. 6 to 8, when the DC/DC switching converter operates in the BUCK-BOOST mode, the circuit node P1 is an externally input DC voltage signal u in the prior art driving circuitIN The input terminal of the circuit node P1, the voltage signal uP1 =uIN The method comprises the steps of carrying out a first treatment on the surface of the The potential being ground potential VGND The method comprises the steps of carrying out a first treatment on the surface of the The signal at circuit node P3 is denoted as uP3 The potential is the ground potential VGND The method comprises the steps of carrying out a first treatment on the surface of the The signal at circuit node P2 is denoted as uP2 The circuit node P2 is a terminal of the output voltage of the DC/DC switching converter, and outputs a converted DC voltage signal uOUT U is namelyP2 =uOUT
As shown in fig. 6 to 8, in the prior art driving circuit, taking the BUCK mode as an example, the voltage signal of the circuit node SW is denoted as uSW This signal is a switching signal when the inductor current is non-zero. When the DC/DC switching converter operates in CCM mode, the two phase states of the first and second operating phases correspond to the first PWM signal uPWM Space phase and pulse phase of (c). When the first pulse width modulation signal uPWM When in space phase, high-order N-type power transistor VTh Open, low-order N-type power transistor VTl Shut down, circuit node SW signal uSW The potential is equal to the input signal U of the circuit node P1P1 Potential V of (2)P1 Bootstrap capacitor CBOOT The positive plate, namely the circuit node VBOOT, has a potential V to groundREG -VD1 +VP1 Bootstrap capacitor CBOOT Is V at the voltage difference between two endsREG -VD1 Wherein V isREG For the direct-current voltage signal u input from the diode anodeREG To ground potential, VD1 For the voltage across the first diode D1, VP1 Is a high-order N-type power transistor VTh Is to the ground potential due to the high-order N-type power transistor VTh On, high-order N-type power transistor VTh Is the high-order N-type power transistor VT with the source electrode of the high-order N-type power transistor VTh Is to ground potential VP1 Thus, the high-order N-type power transistor VTh Voltage V between gate and source of (C)GS =VREG -VD1 . When the first pulse width modulation signal uPWM When switching from pulse phase to space phase, signal u of circuit node SWSW Potential slave node P2 to ground potential VP2 In BUCK mode, the potential is ground potential VP2 =VGND Rapidly switching to potential V of circuit node P1P1 The method comprises the steps of carrying out a first treatment on the surface of the Bootstrap capacitor CBOOT The potential on the positive plate of (2) is raised to VREG -VD1 +VP1 Bootstrap capacitor CBOOT The potential on the negative plate of the (B) is high-order N-type power transistor VTh Drain potential V of (2)P1 Bootstrap capacitor CBOOT The voltage on is still kept at VREG -VD1 The method comprises the steps of carrying out a first treatment on the surface of the Drive signal u for buffering output of high-order driveGN Is V to ground potentialREG -VD1 +VP1 So that the high-order N-type power transistor VTh Gate-source voltage V between gate and sourceGS =VREG -VD1 Such gate-source voltage can be maintained at high-order N-type power transistor VTh Above the turn-on voltage of the high-order N-type power transistor VTh The on state is continuously maintained.
As shown in fig. 6 to 8, in the prior art driving circuit, when the DC/DC switching converter operates in the DCM operation mode, for example, there are a first operation phase, a second operation phase and a third operation phaseBit these three phase states; wherein the first working phase corresponds to the first pulse width modulation signal uPWM Space phase of (2); the second and third working phases correspond to the first pulse width modulation signal uPWM Is used for the pulse phase of the pulse. The circuit operation time sequence and CCM operation mode of the first operation phase and the second operation phase are the same; the DCM operation mode is different from the CCM operation mode and only presents in a third operation phase state; in the third working phase state, the current of the external energy storage inductor can drop to zero, the ZCD module detects that the inductor current drops to 0, and then the low-order N-type power transistor VT can be closedl Signal u of circuit node SWSW The potential is equal to the ground potential V of the circuit node P3 at this timeP3
FIG. 9 shows a detailed circuit of ahigh level shifter 61 in a typical prior art dual NMOS power transistor driver circuit architecture, which is complex in structure and uses 8 transistors; requires the cooperative operation of the 8 transistors to modulate the input pulse width modulation signal uPWM Raised to fit high-order N-type power transistor VTh A potential of the gate drive; the high-orderlevel shift circuit 61 not only consumes energy itself, but also introduces signal delay.
FIG. 10 shows a high-side N-type power transistor VT prevention commonly used in a prior art dual NMOS power transistor driver circuit architectureh And a low-order N-type power transistor VTl In order to ensure that the high-order driving circuit and the low-order driving circuit work at the corresponding time sequences, in fig. 8, the level shift circuits are arranged before the high-order driving circuit and before the low-order driving circuit in the circuit unit for preventing the power tube from being in series, which is marked by 80, and the circuit structure is complex.
Compared with the driving circuit in the prior art of fig. 6, the embodiment shown in fig. 1 does not have the complex high-level shift circuit 61, so that the circuit adopted by the corresponding circuit is simpler, and the chip area occupied by circuit elements is greatly reduced; the high-order level shift circuit 61 in the prior art needs to have higher voltage resistance to the circuits in the high-order front-stage driving buffer matched with the high-order level shift circuitThe circuit requirement of the stage driving buffer is lower, so that the high-order front stage driving buffer does not need to adopt isolation devices, the requirement on the devices is reduced, and the area of the integrated circuit is further reduced; furthermore, in the integrated driving circuit of the present invention, since the high-order level shift circuit 61 in the prior art shown in fig. 4 is eliminated, the high-order N-type power transistor VT is prevented from being generated in the periphery of the DC/DC switching converter to which the driving circuit is appliedh And a low-order N-type power transistor VTl The level shift circuit in front of the low-order drive circuit can be simplified due to the change of the high-order drive circuit, so that the area of the integrated circuit can be further reduced.
In the embodiment of theintegrated driving circuit 200 for driving the power output transistor of the DC/DC switching converter shown in fig. 1, a clamping circuit controlled by a gate-source voltage is disposed between the gate and the source of the second N-type MOS transistor Q2, and the clamping circuit includes a first resistor R1 and a second resistor R2 connected in series between the gate and the source of the second N-type MOS transistor Q2; the clamping circuit further comprises a third N-type MOS tube Q3 arranged between the grid electrode and the source electrode of the second N-type MOS tube Q2; the drain electrode of the third N-type MOS tube Q3 is electrically connected with the grid electrode of the second N-type MOS tube Q2, the source electrode of the third N-type MOS tube Q3 is electrically connected with the source electrode of the second N-type MOS tube Q2, and the grid electrode of the third N-type MOS tube Q3 is electrically connected with the first resistor R1 and the second resistor R2 at the same time. The clamping circuit is used for clamping the gate-source voltage of the second N-type MOS transistor Q2, so that when the first phase is switched to the second working phase, the second N-type MOS transistor Q2 is switched from off to on at the moment, and the signal u of the circuit node SW is used forSW The potential drops rapidly, the gate voltage of the second N-type MOS transistor Q2 cannot be followed quickly, the gate-source voltage difference of the second N-type MOS transistor Q2 can be increased, in order to ensure that the gate-source voltage of the second N-type MOS transistor Q2 cannot exceed the working range of the process device, the gate-source voltage of the second N-type MOS transistor Q2 needs to be clamped, and the clamping voltage is VTH X (R1+R2)/R2, wherein VTH The turn-on threshold voltage of the third N-type MOS transistor Q3.
In the embodiment of the integrated drive circuit 200 for DC/DC switching converter power output transistor driving shown in FIG. 1, a first inverter 264, low-order bits are also includedA drive control signal level shift circuit 265 and a low-order drive buffer 266; the low-order driving control signal is the first pulse width modulation signal uPWM Is a second pulse width modulation signal
Figure SMS_21
Is a logical not signal of (a); the low-order driving control signal is the first pulse width modulation signal uPWM The first pulse width modulation signal u is input to the low-level driving control signal level shift circuit 265 to shift the signal potentialPWM Is higher than the first input power supply VDD by a pulse potential VDD Fourth direct voltage signal u converted to external fourth external input power VNCLPNCLP Potential V of (2)NCLP While the low-level driving control signal level shift circuit 265 shifts the first pulse width modulation signal uPWM Space potential from the first input power supply VDD ground potential VGND Switching to low-order N-type power transistor VTl Is the source potential V of (2)P2 The method comprises the steps of carrying out a first treatment on the surface of the The low-level driving signal level shift circuit 265 outputs a signal to the low-level driving buffer 266, and the low-level driving buffer 266 outputs a low-level driving signal uGN To low-order N-type power transistor VTl For low-order N-type power transistor VTl Is driven by (a); the low-order driving control signal is the first pulse width modulation signal uPWM Is input to the first inverter 264, and the first inverter 264 outputs a high-order driving control signal, i.e., a second PWM signal +>
Figure SMS_22
To the high drive pre-stage buffer 260.
As shown in fig. 1, in an embodiment of the integrated driving circuit 200 for driving the power output transistor of the DC/DC switching converter, the ZCD module 105 is further included for detecting the rectifying tube, i.e. the high-order N-type power transistor VTh And/or low-order N-type power transistor VTl Is set to zero crossing current; when the DC/DC switching converter to which the integrated driving circuit 200 is applied operates in a BUCK mode, i.e., is used as a BUCK system, the low-order N-type power transistor VTl As a rectifier, the ZCD module 105 detects the low-order N-type power transistor VTl Drain and low-order N-type power transistorVTl A current signal between the sources of (a); when the DC/DC switching converter to which the integrated driving circuit 200 is applied operates in a BOOST mode, i.e., is used as a BOOST system, the high-side N-type power transistor VTh To be a rectifying tube, the ZCD module 105 detects the high-level N-type power transistor VTh Drain of (c) and high-order N-type power transistor VTh A current signal between the sources of (a); when the DC/DC switching converter using the integrated driving circuit 200 operates in the BUCK-BOOST mode, i.e., is used as a BUCK-BOOST system, the low-order N-type power transistor VTl As a rectifier, the ZCD module 105 detects the low-order N-type power transistor VTl Drain and low-order N-type power transistor VTl Is provided.
As shown in fig. 1, in an embodiment of anintegrated driving circuit 200 for DC/DC switching converter power output transistor driving, a ringingcancellation module 101 is further included for removing ringing due to self-oscillation at an external inductance L1; when the DC/DC switching converter of theintegrated driving circuit 200 operates in DCM and theZCD module 105 detects that the rectifier current is 0, the high-order N-type power transistor VT is operatedh And/or low-order N-type power transistor VTl When turned off, the ringingremoval module 101 removes ringing due to self-oscillation at the external inductance L1.
As shown in fig. 2, in the embodiment of the integrated driving circuit 200 for driving the power output transistor of the DC/DC switching converter, the first switch K1 is a first diode D1, the positive electrode of the first diode D1 is used as the third output terminal of the capacitive coupling driving circuit 230, and the second direct-current voltage signal u inputted from the outside is connectedREG The method comprises the steps of carrying out a first treatment on the surface of the The cathode of the first diode D1 is electrically connected with the source electrode of the first P-type MOS transistor Q1; the second switch K2 is a first P-type MOS transistor Q1, the grid electrode of the first P-type MOS transistor Q1 and a high-order N-type power transistor VTh The drain electrode of the first P-type MOS transistor Q1 is electrically connected with the drain electrode of the second N-type MOS transistor Q2, and the source electrode of the first P-type MOS transistor Q1 is used as a first input terminal of the capacitive coupling driving circuit 230 and a bootstrap capacitor CBOOT Is electrically connected with the positive plate; a first resistor connected in series is arranged between the grid electrode and the source electrode of the second N-type MOS tube Q2A third N-type MOS tube Q3 is arranged between the grid electrode and the source electrode of the second N-type MOS tube Q2; the drain electrode of the third N-type MOS tube Q3 is electrically connected with the grid electrode of the second N-type MOS tube Q2, the source electrode of the third N-type MOS tube Q3 is electrically connected with the source electrode of the second N-type MOS tube Q2, and the grid electrode of the third N-type MOS tube Q3 is electrically connected with the first resistor R1 and the second resistor R2 at the same time.
In addition, the negative electrode of the external power supply is a zero potential point of the circuit, and the potential values of other circuit nodes are relative to the zero potential point; the battery or external power supply voltage is the potential difference between its positive and negative electrodes. For ease of description, some modules are numbered in one, two, etc., and these serial numbers do not represent any positional or sequential limitations, but are for ease of description.
The foregoing description is only an embodiment of the present invention, and the circuit topology described above is only a specific embodiment of the present invention, and is not limited to the patent scope of the present invention, and all equivalent structures or equivalent flow changes made by the description of the invention and the content of the drawings, or direct or indirect application in other related technical fields, are included in the patent protection scope of the present invention.

Claims (7)

1. An integrated drive circuit (200) for DC/DC switching converter power output transistor driving, comprising:
for high-order drive control signals
Figure FDA0004164618120000011
An input buffered high-order drive pre-buffer (260) for bootstrap capacitor C with signal potential elevationBOOT A capacitively coupled drive circuit (230) for signal coupling for high-order buffer drive signals uDRP An inverted second inverter (268);
high-order drive control signal, i.e. second pulse width modulation signal
Figure FDA0004164618120000012
The output of the front-end buffer (260) is driven from a high levelAn input terminal input; the high-order drive front-stage buffer (260) outputs a high-order buffer drive signal uDRP To bootstrap capacitor CBOOT While the high-order drive front-stage buffer (260) outputs a high-order buffer drive signal uDRP An input terminal to a second inverter (268);
bootstrap capacitor CBOOT Is electrically connected to the positive plate of the capacitive coupling drive circuit (230); an output of the second inverter (268) is electrically connected to a second input terminal of the capacitively coupled drive circuit (230); a third input terminal of the capacitive coupling drive circuit (230) is used for accessing a third direct-current voltage signal u of an external third external input power supply VREGREG The method comprises the steps of carrying out a first treatment on the surface of the A first output terminal of the capacitive coupling drive circuit (230) and a high-order N-type power transistor VTh The grid electrode is electrically connected with the second output terminal of the capacitive coupling driving circuit (230) and the high-order N-type power transistor VTh The source electrode is electrically connected;
a second inverter (268), a bootstrap capacitor CBOOT Cooperate with a capacitive coupling drive circuit (230) to buffer the high-order bits of the drive signal uDRP Is raised at the high-order N-type power transistor VTh After conducting, the high-order N-type power transistor VT which can continuously provide proper potential for the first output terminal of the capacitive coupling driving circuit (230)h Gate drive signal, i.e. high drive signal uGP
The capacitive coupling driving circuit (230) comprises a first switch K1, a second switch K2 and a first coupling capacitor CBC1 And a second N-type MOS transistor Q2;
one end of the second switch K2 is used as a third input terminal of the capacitive coupling driving circuit (230), namely a third direct-current voltage signal u connected to a third external input power supply VREGREG The method comprises the steps of carrying out a first treatment on the surface of the The other end of the second switch K2 is electrically connected with one end of the first switch K1, and the other end of the second switch K2 is also used as a first input terminal of the capacitive coupling driving circuit (230), and the first input terminal and the bootstrap capacitor CBOOT Is electrically connected with the positive plate of the drive circuit and is connected with the control signal u of the coupling drive circuitVBOOT The method comprises the steps of carrying out a first treatment on the surface of the The other end of the first switch K1 is used as a first output terminal of the capacitive coupling drive circuit (230) for outputting high bitsN-type power transistor VTh Gate driving signal uGP To high-order N-type power transistor VTh A gate electrode of (a); meanwhile, the other end of the first switch K1 is electrically connected with the drain electrode of the second N-type MOS tube Q2; coupled drive circuit control signal uVBOOT And input a first direct current voltage signal uP1 The switch of the first switch K1 is controlled jointly;
the source of the second N-type MOS transistor Q2 is used as the second output terminal of the capacitive coupling driving circuit (230) and the high-order N-type power transistor VTh Is electrically connected to the source electrode of the transistor; grid electrode of second N-type MOS tube Q2 and first coupling capacitor CBC1 Is electrically connected to one end of the first circuit board; first coupling capacitor CBC1 Is used as a second input terminal of the capacitive coupling drive circuit (230) and is electrically connected with the output terminal of the second inverter (268);
one end of the second switch K2 is connected with the bootstrap capacitor CBOOT Positive plate access coupling drive circuit control signal uVBOOT The other end of the second switch K2 is connected with a third direct-current voltage signal uREG Coupled to the driving circuit control signal uVBOOT And a third DC voltage signal uREG The switch of the second switch K2 is controlled jointly;
the first switch K1 is a first P-type MOS transistor Q1, the grid electrode of the first P-type MOS transistor Q1 and a high-order N-type power transistor VTh The drain electrode of the first P-type MOS transistor Q1 is electrically connected with the drain electrode of the second N-type MOS transistor Q2, and the source electrode of the first P-type MOS transistor Q1 is used as a first input terminal of a capacitive coupling driving circuit (230);
source electrode of first P-type MOS tube Q1 and bootstrap capacitor CBOOT Is electrically connected with the positive plate of the drive circuit and is connected with the control signal u of the coupling drive circuitVBOOT The method comprises the steps of carrying out a first treatment on the surface of the The grid electrode of the first P-type MOS tube Q1 is connected with a first direct current voltage signal uP1 The method comprises the steps of carrying out a first treatment on the surface of the Coupled drive circuit control signal uVBOOT And a first direct current voltage signal uP1 The switching state of the first P-type MOS transistor Q1 is controlled together;
the second switch K2 comprises a fourth N-type MOS transistor Q4 and a second coupling capacitor CBC2 And a second diode D2, the anode of the second diode D2 being used as a third input terminal of the capacitive coupling driving circuit (230), being connected to a thirdThird direct-current voltage signal u of external input power supply VREGREG The method comprises the steps of carrying out a first treatment on the surface of the Meanwhile, the anode of the second diode D2 is electrically connected with the source electrode of the fourth N-type MOS transistor Q4; the cathode of the second diode D2 is electrically connected with the grid electrode of the fourth N-type MOS tube Q4; the grid electrode of the fourth N-type MOS tube Q4 is also connected with a second coupling capacitor CBC2 Is electrically connected to one end of the first circuit board; second coupling capacitor CBC2 And the other end of (C) and the first coupling capacitance CBC1 Is electrically connected with one end of the second coupling capacitor CBC2 The other end of the capacitor is used as a second input terminal of the capacitive coupling driving circuit (230), and the second coupling capacitor CBC2 Is electrically connected to the other end of the second inverter (268); the drain electrode of the fourth N-type MOS transistor Q4 is used as a first input terminal of the capacitive coupling driving circuit (230), and a bootstrap capacitor CBOOT Is electrically connected with the positive plate of the drive circuit and is connected with the control signal u of the coupling drive circuitVBOOT The method comprises the steps of carrying out a first treatment on the surface of the Coupled drive circuit control signal uVBOOT And a third DC voltage signal uREG The switch states of the second switch K2 are controlled jointly.
2. The integrated drive circuit (200) for DC/DC switching converter power output transistor driving of claim 1, wherein:
the second switch K2 is a first diode D1, the positive electrode of the first diode D1 is used as a third input terminal of the capacitive coupling driving circuit (230), and is connected to a third direct-current voltage signal u of a third external input power supply VREGREG The method comprises the steps of carrying out a first treatment on the surface of the Negative electrode of first diode D1 and bootstrap capacitor CBOOT Is connected with the control signal u of the coupling driving circuitVBOOT
Coupled drive circuit control signal uVBOOT And a third DC voltage signal uREG The switch of the first diode D1 is commonly controlled.
3. The integrated drive circuit (200) for DC/DC switching converter power output transistor driving of claim 1, wherein:
a clamping circuit controlled by gate-source voltage is arranged between the gate and the source of the second N-type MOS tube Q2, and comprises a first resistor R1 and a second resistor R2 which are connected in series between the gate and the source of the second N-type MOS tube Q2; the clamping circuit also comprises a third N-type MOS tube Q3 arranged between the grid electrode and the source electrode of the second N-type MOS tube Q2; the drain electrode of the third N-type MOS tube Q3 is electrically connected with the grid electrode of the second N-type MOS tube Q2, the source electrode of the third N-type MOS tube Q3 is electrically connected with the source electrode of the second N-type MOS tube Q2, and the grid electrode of the third N-type MOS tube Q3 is electrically connected with the first resistor R1 and the second resistor R2 at the same time.
4. An integrated drive circuit (200) for DC/DC switching converter power output transistor driving according to claim 3, characterized in that:
also included are a first inverter (264), a low-level drive control signal level shift circuit (265) and a low-level drive buffer (266); the low-order driving control signal is the first pulse width modulation signal uPWM Is a second pulse width modulation signal
Figure FDA0004164618120000041
Is a logical not signal of (a);
The low-order driving control signal is the first pulse width modulation signal uPWM The first pulse width modulation signal u is input to a low-level drive control signal level shift circuit (265) for shifting the signal potentialPWM Is higher than the first input power supply VDD by a pulse potential VDD Fourth direct voltage signal u converted to external fourth external input power VNCLPNCLP Potential V of (2)NCLP While the low-level driving control signal level shift circuit (265) shifts the first pulse width modulation signal uPWM Space potential from the first input power supply VDD ground potential VGND Switching to low-order N-type power transistor VTl Is the source potential V of (2)P2
The low-level driving signal level shift circuit (265) outputs a signal to the low-level driving buffer (266), and the low-level driving buffer (266) outputs a low-level driving signal uGN To low-order N-type power transistor VTl For low-order N-type power transistor VTl Is driven by (a); the low-order driving control signal is the first pulse width modulation signal uPWM Input toA first inverter (264), the first inverter (264) outputting a high-order drive control signal, i.e., a second pulse width modulation signal
Figure FDA0004164618120000051
To the high drive front buffer (260).
5. The integrated drive circuit (200) for DC/DC switching converter power output transistor driving of claim 4, wherein:
The device also comprises a ZCD module (105) for detecting the rectifying tube, namely the high-order N-type power transistor VTh And/or low-order N-type power transistor VTl Is set to zero crossing current;
when the DC/DC switching converter using the integrated driving circuit (200) works in BUCK mode, namely is used as a BUCK system, two ends of the ZCD module (105) are respectively connected with the low-order N-type power transistor VTl Is electrically connected with the drain electrode and the source electrode of the transistor; low-order N-type power transistor VTl Is a rectifying tube, the ZCD module (105) detects the low-order N-type power transistor VTl Drain and low-order N-type power transistor VTl A current signal between the sources of (a);
when the DC/DC switching converter applying the integrated driving circuit (200) works in a BOOST mode, namely is used as a BOOST system, two ends of the ZCD module (105) are respectively connected with the high-order N-type power transistor VTh Is electrically connected with the drain electrode and the source electrode of the transistor; high-order N-type power transistor VTh As a rectifying tube, the ZCD module (105) detects the high-order N-type power transistor VTh Drain of (c) and high-order N-type power transistor VTh A current signal between the sources of (a);
when the DC/DC switching converter using the integrated driving circuit (200) works in a BUCK-BOOST mode, namely is used as a BUCK-BOOST system, two ends of the ZCD module (105) are respectively connected with the low-order N-type power transistor VTl Is electrically connected with the drain electrode and the source electrode of the transistor; low-order N-type power transistor VTl Is a rectifying tube, the ZCD module (105) detects the low-order N-type power transistor VTl Drain and low-order N-type power transistor VTl Is provided.
6. The integrated drive circuit (200) for DC/DC switching converter power output transistor driving of claim 5, wherein:
the device also comprises a ringing elimination module (101), wherein two ends of the ringing elimination module (101) are respectively and electrically connected with two ends of the external inductor L1, and are used for eliminating ringing generated by self-oscillation of the external inductor L1 connected with the DC/DC switching converter;
when the DC/DC switching converter applying the integrated driving circuit (200) works in a DCM mode and the ZCD module (105) detects that the current of the rectifying tube is zero, the high-order N-type power transistor VTh And a low-order N-type power transistor VTl When turned off, the ringing cancellation module (101) removes ringing due to self-oscillation at the external inductance L1.
7. A DC/DC switching converter comprising an integrated drive circuit (200) according to any one of claims 1 to 6,
including for preventing high-order N-type power transistors VTh And a low-order N-type power transistor VTl A series-connected anti-series circuit unit (300);
The anti-cross circuit unit (300) comprises a third level shift circuit (391), a third inverter (393), a first AND gate (395), a fourth inverter (394) and a second AND gate (396);
low level driving signal uGN The output terminal of the third level shift circuit (391) is electrically connected with the input terminal of the third inverter (393), the output terminal of the third inverter (393) is electrically connected with the first input terminal of the first AND gate (395), and the second input terminal of the first AND gate (395) is used for inputting a low-order drive control signal, namely a first pulse width modulation signal uPWM The first AND gate (395) outputs a signal to the first inverter (264);
high-order buffer driving signal uDRP Is input from the input terminal of a fourth inverter (394), the output terminal of the fourth inverter (394) is electrically connected to the first input terminal of a second AND gate (396), the second input terminal of the second AND gate (396)The sub-unit is used for inputting a low-order driving control signal, namely a first pulse width modulation signal uPWM The second AND gate 396 outputs a signal to the low driving control signal level shift circuit 265.
CN201710547844.1A2017-07-062017-07-06DC/DC switching converter power output transistor integrated drive circuitActiveCN107659128B (en)

Priority Applications (1)

Application NumberPriority DateFiling DateTitle
CN201710547844.1ACN107659128B (en)2017-07-062017-07-06DC/DC switching converter power output transistor integrated drive circuit

Applications Claiming Priority (1)

Application NumberPriority DateFiling DateTitle
CN201710547844.1ACN107659128B (en)2017-07-062017-07-06DC/DC switching converter power output transistor integrated drive circuit

Publications (2)

Publication NumberPublication Date
CN107659128A CN107659128A (en)2018-02-02
CN107659128Btrue CN107659128B (en)2023-07-07

Family

ID=61126629

Family Applications (1)

Application NumberTitlePriority DateFiling Date
CN201710547844.1AActiveCN107659128B (en)2017-07-062017-07-06DC/DC switching converter power output transistor integrated drive circuit

Country Status (1)

CountryLink
CN (1)CN107659128B (en)

Families Citing this family (6)

* Cited by examiner, † Cited by third party
Publication numberPriority datePublication dateAssigneeTitle
CN106411136A (en)*2016-08-252017-02-15浙江大学High-voltage capacitance coupling based control chip of isolated type power converter
US10784764B2 (en)*2019-02-012020-09-22Texas Instruments IncorporatedSwitched-mode DC/DC converter having a bootstrapped high-side driver
CN112564458B (en)*2019-09-102021-12-31苏州捷芯威半导体有限公司Isolation driving circuit
CN114696614B (en)*2020-12-302024-11-01圣邦微电子(北京)股份有限公司Bootstrap switch converter and driving circuit thereof
US11804769B2 (en)*2020-12-302023-10-31Texas Instruments IncorporatedPower converter control
CN113394978B (en)*2021-06-032024-05-03拓尔微电子股份有限公司Through circuit applied to buck converter

Citations (10)

* Cited by examiner, † Cited by third party
Publication numberPriority datePublication dateAssigneeTitle
JPH06284705A (en)*1993-03-081994-10-07Motorola IncCharge pump for controlling rate of climb
JPH1141801A (en)*1997-07-171999-02-12Nec CorpVoltage clamp circuit
CN1601748A (en)*2003-09-262005-03-30松下电器产业株式会社 Semiconductor device with overheat protection circuit and electronic circuit using same
JP2006293344A (en)*2005-03-182006-10-26Semiconductor Energy Lab Co LtdSemiconductor device, display, and driving method and electronic apparatus thereof
CN102378437A (en)*2010-08-202012-03-14张伟Low-power consumption and high-efficiency power control power management integrated circuit (PMIC) driving circuit
CN204244063U (en)*2014-10-242015-04-01意法半导体研发(深圳)有限公司Anti-phase buck-boost type inverter drive circuit
CN104917359A (en)*2015-06-012015-09-16矽力杰半导体技术(杭州)有限公司Upper switch tube driving circuit and synchronization boost circuit using the same
CN205232331U (en)*2015-12-242016-05-11惠州市盛微电子有限公司Image sensor pixel protection circuit that resets firmly
CN105896944A (en)*2014-10-242016-08-24意法半导体研发(深圳)有限公司 Inverting buck-boost converter drive circuit and method
CN207010539U (en)*2017-07-062018-02-13深圳市华芯邦科技有限公司DC/DC switch converters power output transistor integrated drive electronics

Family Cites Families (7)

* Cited by examiner, † Cited by third party
Publication numberPriority datePublication dateAssigneeTitle
US20050285661A1 (en)*2004-06-282005-12-29Wittenbreder Ernest H JrGate drive circuits for high efficiency power converters
US7187226B2 (en)*2004-07-012007-03-06Analog Devices, Inc.Anti-cross conduction drive control circuit and method
JP2007215259A (en)*2006-02-072007-08-23Matsushita Electric Ind Co Ltd Driving circuit and switching regulator using the same
DE102009049615B4 (en)*2009-10-162015-04-02Texas Instruments Deutschland Gmbh Electronic device for controlling a circuit breaker
CN102044212B (en)*2009-10-212013-03-20京东方科技集团股份有限公司Voltage driving pixel circuit, driving method thereof and organic lighting emitting display (OLED)
KR101900722B1 (en)*2012-07-102018-09-20삼성전자주식회사Circuit for Driving Power MOS Transistor
TWI514770B (en)*2014-03-102015-12-21Realtek Semiconductor CorpDC voltage generation circuit and pulse generation circuit thereof

Patent Citations (10)

* Cited by examiner, † Cited by third party
Publication numberPriority datePublication dateAssigneeTitle
JPH06284705A (en)*1993-03-081994-10-07Motorola IncCharge pump for controlling rate of climb
JPH1141801A (en)*1997-07-171999-02-12Nec CorpVoltage clamp circuit
CN1601748A (en)*2003-09-262005-03-30松下电器产业株式会社 Semiconductor device with overheat protection circuit and electronic circuit using same
JP2006293344A (en)*2005-03-182006-10-26Semiconductor Energy Lab Co LtdSemiconductor device, display, and driving method and electronic apparatus thereof
CN102378437A (en)*2010-08-202012-03-14张伟Low-power consumption and high-efficiency power control power management integrated circuit (PMIC) driving circuit
CN204244063U (en)*2014-10-242015-04-01意法半导体研发(深圳)有限公司Anti-phase buck-boost type inverter drive circuit
CN105896944A (en)*2014-10-242016-08-24意法半导体研发(深圳)有限公司 Inverting buck-boost converter drive circuit and method
CN104917359A (en)*2015-06-012015-09-16矽力杰半导体技术(杭州)有限公司Upper switch tube driving circuit and synchronization boost circuit using the same
CN205232331U (en)*2015-12-242016-05-11惠州市盛微电子有限公司Image sensor pixel protection circuit that resets firmly
CN207010539U (en)*2017-07-062018-02-13深圳市华芯邦科技有限公司DC/DC switch converters power output transistor integrated drive electronics

Non-Patent Citations (1)

* Cited by examiner, † Cited by third party
Title
Jing Zhu,等."An Integrated Bootstrap Diode Emulator for 600-V High Voltage Gate Drive IC With P-Sub/P-Epi Technology".《 IEEE Transactions on Power Electronics ( Volume: 31, Issue: 1, January 2016)》.2016,第31卷(第1期),第518 - 523页.*

Also Published As

Publication numberPublication date
CN107659128A (en)2018-02-02

Similar Documents

PublicationPublication DateTitle
CN107659128B (en)DC/DC switching converter power output transistor integrated drive circuit
CN109155587B (en)DC-DC converter and control circuit
CN207010539U (en)DC/DC switch converters power output transistor integrated drive electronics
CN103580475B (en) Charge Recovery in Power Converter Driver Stage
US8278897B2 (en)Power supply converter and method
US7911192B2 (en)High voltage power regulation using two power switches with low voltage transistors
US9641080B2 (en)Multi-output boost regulator with single control loop
KR100912414B1 (en)Step-up/step-down dc-dc converter
US20030038615A1 (en)Method and circuit for reducing losses in DC-DC converters
US7656143B2 (en)DC-DC converter
CN102299626A (en)Method and device for converting direct current into direct current
WO2005107052A1 (en)Dc/dc converter
CN115242054B (en)Power supply circuit for DC-DC converter
CN114556763A (en)Low noise power conversion system and method
CN100490283C (en)Unisolated switch DC-DC power supply module, power supply device and communication device
CN115776297B (en) A gate driver integrated circuit with low power consumption and wide power supply voltage range
CN115833542B (en)Driving control circuit and driving method of switching converter
CN113783421B (en) A DC boost converter
CN106026032B (en)A kind of underloading soft breaking circuit for Buck converters
CN115987104A (en) Zero-cross detection circuit of boost circuit, boost device and electronic equipment
WO2024036800A1 (en)Anti-backflow circuit started by using full-bridge synchronous rectification, and electronic device
CN110932549B (en) A high voltage step-down switching power supply system
CN107342686A (en)Voltage raising and reducing converter
CN114977785B (en)Device for controlling charge pump in DC-DC chip
US12376211B2 (en)Three level switching converter and control

Legal Events

DateCodeTitleDescription
PB01Publication
PB01Publication
SE01Entry into force of request for substantive examination
SE01Entry into force of request for substantive examination
GR01Patent grant
GR01Patent grant

[8]ページ先頭

©2009-2025 Movatter.jp