Movatterモバイル変換


[0]ホーム

URL:


CN107233044B - Garbage can type dust collector - Google Patents

Garbage can type dust collector
Download PDF

Info

Publication number
CN107233044B
CN107233044BCN201710633031.4ACN201710633031ACN107233044BCN 107233044 BCN107233044 BCN 107233044BCN 201710633031 ACN201710633031 ACN 201710633031ACN 107233044 BCN107233044 BCN 107233044B
Authority
CN
China
Prior art keywords
assembly
dust
vacuum cleaner
barrel
brush
Prior art date
Legal status (The legal status is an assumption and is not a legal conclusion. Google has not performed a legal analysis and makes no representation as to the accuracy of the status listed.)
Active
Application number
CN201710633031.4A
Other languages
Chinese (zh)
Other versions
CN107233044A (en
Inventor
吕冬祥
柴永壁
Current Assignee (The listed assignees may be inaccurate. Google has not performed a legal analysis and makes no representation or warranty as to the accuracy of the list.)
Jiangsu Midea Cleaning Appliances Co Ltd
Original Assignee
Jiangsu Midea Cleaning Appliances Co Ltd
Priority date (The priority date is an assumption and is not a legal conclusion. Google has not performed a legal analysis and makes no representation as to the accuracy of the date listed.)
Filing date
Publication date
Application filed by Jiangsu Midea Cleaning Appliances Co LtdfiledCriticalJiangsu Midea Cleaning Appliances Co Ltd
Priority to CN201710633031.4ApriorityCriticalpatent/CN107233044B/en
Publication of CN107233044ApublicationCriticalpatent/CN107233044A/en
Application grantedgrantedCritical
Publication of CN107233044BpublicationCriticalpatent/CN107233044B/en
Activelegal-statusCriticalCurrent
Anticipated expirationlegal-statusCritical

Links

Images

Classifications

Landscapes

Abstract

The invention discloses a garbage can type dust collector, which comprises: the upper end of the barrel body assembly is provided with a barrel body opening; the barrel cover assembly is pivotally connected with the barrel body assembly so as to open or close the barrel body opening; the floor brush assembly comprises a plurality of spaced brush bodies, the brush bodies are rotatably arranged on the outer bottom wall of the barrel assembly, the brush bodies are movable on the outer bottom wall of the barrel assembly, and the brush bodies can rotate along the rotation axis of the brush bodies. A dirt cup assembly; an air duct assembly; and the moving assembly is arranged at the bottom of the barrel assembly and is spaced apart from the floor brush assembly. According to the garbage can type dust collector, when the garbage can type dust collector is not used, the brush body can be moved to the position below the outer bottom wall of the can body assembly, the attractiveness of the garbage can type dust collector is improved, when the garbage can type dust collector is used, the brush body can be moved outwards to clean surrounding garbage, and the brush body can rotate along the rotation axis of the brush body to clean the surrounding garbage.

Description

Garbage can type dust collector
Technical Field
The invention relates to the technical field of cleaning, in particular to a garbage can type dust collector.
Background
In the related art, the dust collector is placed at other places in a room when not needed, but still occupies a certain space, which affects the life quality of users. The dust collector is designed into a garbage can, the edge brush structure is additionally arranged below the garbage can type dust collector, the cleaning area can be increased, the cleaning effect can be enhanced, meanwhile, the edge brush structure can move, the corresponding position extending out automatically during use can be retracted below a bottom plate when not used, the overall appearance is not influenced, and the abrasion of the edge brush can be reduced.
Disclosure of Invention
The present invention is directed to solving at least one of the problems of the prior art. Therefore, the invention provides a garbage can type dust collector which has the advantages of attractive appearance and convenience in use.
A trash can cleaner according to an embodiment of the present invention includes: the upper end of the barrel body assembly is provided with a barrel body opening; the barrel cover assembly is pivotally connected with the barrel body assembly so as to open or close the barrel body opening; a floor brush assembly including a plurality of spaced apart brush bodies rotatably disposed on an outer bottom wall of the tub assembly, the brush bodies being movable at an outer bottom wall of the tub assembly, and the brush bodies being rotatable along a rotational axis thereof. A dirt cup assembly disposed on one of the bowl assembly and the lid assembly; the air channel assembly is arranged on at least one of the barrel body assembly and the barrel cover assembly, the air channel assembly defines an air inlet channel and an air outlet channel, and the air inlet channel and the air outlet channel are communicated with the dust cup assembly; the driving assembly is used for driving airflow in the air duct assembly to flow; and the moving assembly is arranged at the bottom of the barrel body assembly and is spaced apart from the floor brush assembly.
According to the garbage can type dust collector provided by the embodiment of the invention, the brush bodies can be moved to the lower part of the outer bottom wall of the can body assembly when the garbage can type dust collector is not used through the plurality of movable and rotatable brush bodies on the outer bottom wall of the can body assembly, the aesthetic property of the garbage can type dust collector is improved, when the garbage can type dust collector is used, the brush bodies can be moved outwards to clean peripheral garbage, and the brush bodies can rotate along the rotation axes of the brush bodies to clean the peripheral garbage.
According to some embodiments of the present invention, a mounting groove is formed on an outer bottom wall of the barrel assembly, a through limiting rail groove is formed on a bottom wall of the mounting groove, the brush body is movably disposed in the limiting rail groove, and when the brush body is located at one end of the limiting rail groove, the brush body exceeds the outer bottom wall; when the brush body is positioned at the other end of the limiting rail groove, the projection of the brush body on the outer bottom wall is positioned on the outer bottom wall.
In some embodiments of the present invention, the bottom wall of the mounting groove is an inclined surface, and the bottom wall of the mounting groove gradually inclines toward the opening of the tub in a direction from the one end of the limiting rail groove to the other end of the limiting rail groove.
In some embodiments of the present invention, a side wall gear tooth is provided on a side wall of the limiting track groove, and a rotation shaft gear tooth engaged with the side wall gear tooth is provided on the brush body.
In some embodiments of the present invention, at least one inlet duct inlet of the inlet duct is located adjacent to the outer bottom wall of the tub assembly.
In some embodiments of the present invention, the inlet of the air inlet duct is elongated.
In some embodiments of the present invention, the axes of a plurality of said brush bodies are located on a same straight line m, said straight line m being parallel to said air inlet duct inlet.
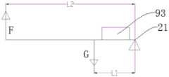
In some embodiments of the present invention, a motor box driving the brush body to rotate is located inside the outer bottom wall of the barrel assembly and moves along the bottom wall of the installation groove, the width of the moving track of the motor box is the same as the width of the installation groove, the outer diameter of the brush body is D1, the width of the installation groove is D2, the distance between the straight line m and the edge of the inlet of the air inlet duct close to the straight line m is L1, and the following requirements are met: d2/2 is more than or equal to L1 is more than or equal to D1/2.
In some embodiments of the present invention, on the straight line m, the distance between the axes of the two brush bodies at the end is L2, the length of the inlet of the air inlet duct is L3, and the following conditions are satisfied: l2 is more than or equal to D1 and less than or equal to L3.
According to some embodiments of the invention, the at least one outlet of the outlet duct is adjacent to the peripheral wall of the tub assembly.
In some embodiments of the present invention, the outlet flue outlet is located at the rear of the tub assembly and has an angle α with the right rear of the tub assembly, the α ≦ 90 °.
According to some embodiments of the invention, the air conditioner further comprises a suction head assembly, and one end of the suction head assembly is communicated with the air inlet duct.
In some embodiments of the present invention, a handheld suction pipe is disposed between the suction head assembly and the air inlet duct.
According to some embodiments of the invention, the movement assembly comprises a directional wheel and at least one universal wheel, the directional wheel being located on a front side of the universal wheel.
According to some embodiments of the invention, the lid assembly further comprises a battery assembly disposed on at least one of the tub assembly and the lid assembly.
Additional aspects and advantages of the invention will be set forth in part in the description which follows and, in part, will be obvious from the description, or may be learned by practice of the invention.
Drawings
The above and/or additional aspects and advantages of the present invention will become apparent and readily appreciated from the following description of the embodiments, taken in conjunction with the accompanying drawings of which:
FIG. 1 is a schematic view of a structure of a vacuum cleaner according to an embodiment of the present invention;
FIG. 2 is a schematic view showing a structure of a vacuum cleaner according to an embodiment of the present invention;
FIG. 3 is a schematic view showing a structure of a vacuum cleaner according to an embodiment of the present invention;
FIG. 4 is a schematic view of a structure of a vacuum cleaner according to an embodiment of the present invention;
FIG. 5 is a schematic view of a structure of a vacuum cleaner according to an embodiment of the present invention;
FIG. 6 is a schematic view showing the construction of a vacuum cleaner according to an embodiment of the present invention;
FIG. 7 is a schematic view showing the construction of a vacuum cleaner according to an embodiment of the present invention;
FIG. 8 is a schematic view showing the construction of a vacuum cleaner according to an embodiment of the present invention;
FIG. 9 is a schematic view showing the construction of a vacuum cleaner according to an embodiment of the present invention;
FIG. 10 is a schematic view showing the construction of a vacuum cleaner according to an embodiment of the present invention;
FIG. 11 is a schematic view of a structure of a vacuum cleaner according to an embodiment of the present invention;
FIG. 12 is a schematic view showing the construction of a vacuum cleaner according to an embodiment of the present invention;
FIG. 13 is a schematic view of a structure of a vacuum cleaner according to an embodiment of the present invention;
FIG. 14 is a schematic view showing the construction of a vacuum cleaner according to an embodiment of the present invention;
FIG. 15 is a schematic view of a structure of a vacuum cleaner according to an embodiment of the present invention;
FIG. 16 is a schematic view showing the construction of a vacuum cleaner according to an embodiment of the present invention;
FIG. 17 is a schematic view showing the construction of a vacuum cleaner according to an embodiment of the present invention;
FIG. 18 is a schematic view of a structure of a vacuum cleaner according to an embodiment of the present invention;
FIG. 19 is a schematic view of a structure of a vacuum cleaner according to an embodiment of the present invention;
FIG. 20 is a schematic view showing the construction of a vacuum cleaner according to an embodiment of the present invention;
FIG. 21 is a schematic view of a structure of a vacuum cleaner according to an embodiment of the present invention;
FIG. 22 is a schematic view of a structure of a vacuum cleaner according to an embodiment of the present invention;
FIG. 23 is a schematic view of a structure of a vacuum cleaner according to an embodiment of the present invention;
FIG. 24 is a schematic view of a structure of a vacuum cleaner according to an embodiment of the present invention;
FIG. 25 is a schematic view of a structure of a vacuum cleaner according to an embodiment of the present invention;
FIG. 26 is a schematic view showing the construction of a vacuum cleaner according to an embodiment of the present invention;
FIG. 27 is an enlarged view of a portion of the structure of the vacuum cleaner according to the embodiment of the present invention;
FIG. 28 is a schematic view of a structure of a vacuum cleaner according to an embodiment of the present invention;
FIG. 29 is an enlarged view of a portion of the structure of the vacuum cleaner according to the embodiment of the present invention;
FIG. 30 is a schematic view showing the construction of a vacuum cleaner according to an embodiment of the present invention;
FIG. 31 is an enlarged view of a portion of a vacuum cleaner according to an embodiment of the present invention;
FIG. 32 is a schematic view of a structure of a vacuum cleaner according to an embodiment of the present invention;
FIG. 33 is an enlarged view of a portion of the structure of the vacuum cleaner according to the embodiment of the present invention;
FIG. 34 is a schematic view of a structure of a vacuum cleaner according to an embodiment of the present invention;
FIG. 35 is a control circuit diagram of the vacuum cleaner according to the embodiment of the present invention;
FIG. 36 is a schematic view of a structure of a vacuum cleaner according to an embodiment of the present invention;
FIG. 37 is an enlarged view of a portion of the structure of the vacuum cleaner in accordance with the embodiment of the present invention;
FIG. 38 is a schematic view of a structure of a vacuum cleaner according to an embodiment of the present invention;
FIG. 39 is an enlarged view of a portion of the structure of the vacuum cleaner in accordance with the embodiment of the present invention;
FIG. 40 is a schematic view of a structure of a vacuum cleaner according to an embodiment of the present invention;
FIG. 41 is a schematic view of a structure of a vacuum cleaner according to an embodiment of the present invention;
FIG. 42 is a schematic view of a structure of a vacuum cleaner according to an embodiment of the present invention;
FIG. 43 is a schematic view of a structure of a vacuum cleaner according to an embodiment of the present invention;
FIG. 44 is a schematic view of a structure of a vacuum cleaner according to an embodiment of the present invention;
FIG. 45 is an enlarged view of a portion of a vacuum cleaner according to an embodiment of the present invention;
FIG. 46 is a schematic view of a structure of a vacuum cleaner according to an embodiment of the present invention;
FIG. 47 is a schematic view of a structure of a vacuum cleaner according to an embodiment of the present invention;
FIG. 48 is an enlarged view of a portion of the structure of the vacuum cleaner according to the embodiment of the present invention;
FIG. 49 is a schematic view of a structure of a vacuum cleaner according to an embodiment of the present invention;
FIG. 50 is an enlarged view of a portion of the structure of the vacuum cleaner according to the embodiment of the present invention;
FIG. 51 is a schematic view showing the construction of a vacuum cleaner according to an embodiment of the present invention;
FIG. 52 is a schematic view of a structure of a vacuum cleaner according to an embodiment of the present invention;
FIG. 53 is a schematic view of a structure of a vacuum cleaner according to an embodiment of the present invention;
FIG. 54 is a schematic view of the structure of a vacuum cleaner according to an embodiment of the present invention;
FIG. 55 is a schematic view of the structure of a vacuum cleaner according to an embodiment of the present invention;
FIG. 56 is a schematic view of the structure of a vacuum cleaner according to an embodiment of the present invention;
FIG. 57 is a schematic view of a structure of a vacuum cleaner according to an embodiment of the present invention;
FIG. 58 is a schematic view of the structure of a vacuum cleaner according to an embodiment of the present invention;
FIG. 59 is a schematic view of the structure of a vacuum cleaner according to an embodiment of the present invention;
FIG. 60 is a schematic view of a structure of a vacuum cleaner according to an embodiment of the present invention;
FIG. 61 is a schematic view of a structure of a vacuum cleaner according to an embodiment of the present invention;
FIG. 62 is a schematic view of a structure of a vacuum cleaner according to an embodiment of the present invention;
FIG. 63 is a schematic view of a structure of a vacuum cleaner according to an embodiment of the present invention;
FIG. 64 is a schematic view showing the construction of a vacuum cleaner according to an embodiment of the present invention;
FIG. 65 is a schematic view of a structure of a vacuum cleaner according to an embodiment of the present invention;
FIG. 66 is a schematic view of the structure of a vacuum cleaner according to an embodiment of the present invention;
FIG. 67 is a schematic view of a structure of a vacuum cleaner according to an embodiment of the present invention;
FIG. 68 is a schematic view of a structure of a vacuum cleaner according to an embodiment of the present invention;
FIG. 69 is a schematic view of the structure of a vacuum cleaner according to an embodiment of the present invention;
FIG. 70 is a schematic view of a structure of a vacuum cleaner according to an embodiment of the present invention;
FIG. 71 is a schematic view of a structure of a vacuum cleaner according to an embodiment of the present invention;
FIG. 72 is a schematic view of a structure of a vacuum cleaner according to an embodiment of the present invention;
FIG. 73 is a schematic view of a cup of a vacuum cleaner according to an embodiment of the present invention;
FIG. 74 is a schematic view showing the construction of a cup body of a vacuum cleaner according to an embodiment of the present invention;
FIG. 75 is a schematic view of a cup of a vacuum cleaner according to an embodiment of the present invention;
FIG. 76 is a schematic view of a cup of a vacuum cleaner according to an embodiment of the present invention;
FIG. 77 is a schematic view showing the construction of a cup body of a vacuum cleaner according to an embodiment of the present invention;
FIG. 78 is a schematic view showing the construction of a cup body of a vacuum cleaner according to an embodiment of the present invention;
FIG. 79 is a schematic view of a structure of a vacuum cleaner according to an embodiment of the present invention;
FIG. 80 is an enlarged view of a portion of the structure of the vacuum cleaner in accordance with the embodiment of the present invention;
FIG. 81 is a schematic view of the structure of a vacuum cleaner according to an embodiment of the present invention;
FIG. 82 is an enlarged view of a portion of the structure of the vacuum cleaner in accordance with the embodiment of the present invention;
FIG. 83 is a schematic view of a structure of a vacuum cleaner according to an embodiment of the present invention;
FIG. 84 is a schematic view of the structure of a vacuum cleaner according to an embodiment of the present invention;
FIG. 85 is a schematic view of a structure of a vacuum cleaner according to an embodiment of the present invention;
FIG. 86 is a schematic view of a structure of a vacuum cleaner according to an embodiment of the present invention;
fig. 87 is an enlarged view of a portion of the structure of the cleaner according to the embodiment of the present invention.
Reference numerals:
in thevacuum cleaner 100, the suction nozzle is provided with a suction nozzle,
abarrel body assembly 1, a coverbody pivot hole 11, a first limitingpiece 12,
theouter barrel body 13, the limitinggroove 131, thepositioning rib 132, the reinforcingrib 133,
theinner barrel body 14, the containingcavity 141, thebarrel body opening 142, the limitingflange 143,
astorage groove 15, a straw-restrainingpart 151,
thebarrel cover component 2, the coverbody pivoting shaft 21, the coverbody opening button 22, the barrelcover limiting piece 23, the barrelcover limiting piece 24, the barrel coverinner cavity 25, thedust pouring channel 27, thedust pouring outlet 271, thedust pouring inlet 272, the dustcup bottom cover 28, the guideinclined plane 281, the second limitingpiece 282, the third limitingpiece 283, themain body part 284, theflanging part 285 and thedecorative cover 29,
thetransmission assembly 3, thetransmission pivot rod 31, the drivingend 311, thetransmission connecting rod 32, theexecution end 321,
thefloor brush component 4, thebrush body 41, the rotatingshaft gear teeth 411, the limitingrail groove 42, the sidewall gear teeth 421, themotor box 43, the mountinggroove 44,
adust cup component 5, acup body 51, adust outlet 52, anairflow inlet 53, acup cover 54, a sealingpiece 55, anairflow outlet 56, an airinlet partition plate 57, anairflow guide channel 58, abaffle plate 59, amain channel 60,
coverplate 6,flat plate part 61,convex part 62, handlepart 63, accommodatinggroove 64,edge extension part 65,cavity 66,filter cotton 67,
anair duct assembly 7, anair inlet duct 71, an airinlet duct inlet 711, a guidingelbow 712, anair outlet duct 72, an airoutlet duct outlet 712,
thesuction head assembly 8, the hand-heldsuction pipe 81,
the device comprises a drivingmotor 91, amotor shaft 911, acontrol assembly 92, a drivingassembly 93, a movingassembly 94, anorientation wheel 941, auniversal wheel 942, apush rod assembly 95, aswitch 97 and abattery assembly 98.
Detailed Description
Reference will now be made in detail to embodiments of the present invention, examples of which are illustrated in the accompanying drawings, wherein like or similar reference numerals refer to the same or similar elements or elements having the same or similar function throughout. The embodiments described below with reference to the accompanying drawings are illustrative only for the purpose of explaining the present invention, and are not to be construed as limiting the present invention.
In the description of the present invention, it is to be understood that the terms "central," "longitudinal," "lateral," "length," "width," "thickness," "upper," "lower," "front," "rear," "left," "right," "vertical," "horizontal," "top," "bottom," "inner," "outer," "clockwise," "counterclockwise," "axial," "radial," "circumferential," and the like are used in the orientations and positional relationships indicated in the drawings for convenience in describing the invention and to simplify the description, and are not intended to indicate or imply that the referenced devices or elements must have a particular orientation, be constructed and operated in a particular orientation, and are therefore not to be considered limiting of the invention. Furthermore, a feature defined as "first" or "second" may explicitly or implicitly include one or more of that feature. In the description of the present invention, "a plurality" means two or more unless otherwise specified.
In the description of the present invention, it should be noted that, unless otherwise explicitly specified or limited, the terms "mounted," "connected," and "connected" are to be construed broadly, e.g., as meaning either a fixed connection, a removable connection, or an integral connection; can be mechanically or electrically connected; they may be connected directly or indirectly through intervening media, or they may be interconnected between two elements. The specific meanings of the above terms in the present invention can be understood in specific cases to those skilled in the art.
A trash can cleaner 100 according to an embodiment of the present invention will be described with reference to fig. 1 to 87.
As shown in fig. 1 to 87, a trash can type cleaner 100 according to an embodiment of the present invention includes: stavingsubassembly 1,bung subassembly 2, scrubbingbrush subassembly 4,dirt cup subassembly 5,wind channel subassembly 7, driveassembly 93 andremoval subassembly 94.
Specifically, as shown in fig. 12 to 14, thetub assembly 1 has atub opening 142 at an upper end thereof, and thetub cover assembly 2 is pivotably connected to thetub assembly 1 to open or close thetub opening 142. The user can openbung subassembly 2 and throw away rubbish to the staving in, and stavingsubassembly 1 can regard as the garbage bin to use, andbung subassembly 2 can cover rubbish in stavingsubassembly 1, avoids rubbish to reveal outside, improves the aesthetic property of user's vision. When thedust collector 100 is not needed, the dust collector can be placed in places such as a living room or a study room, namely, a position where a garbage can is normally placed at home, and can be used as the garbage can, so that the problem that thedust collector 100 occupies a large space when not needed can be solved.
As shown in fig. 2, 4 and 15, thefloor brush assembly 4 includes a plurality of spaced apartbrush bodies 41, thebrush bodies 41 are rotatably provided on the outer bottom wall of thebucket assembly 1, thebrush bodies 41 are movable on the outer bottom wall of thebucket assembly 1, when thegarbage bucket 100 is not in use, thebrush bodies 41 can be moved below the outer bottom wall of thebucket assembly 1, the aesthetic appearance of thegarbage bucket 100 is enhanced, when thegarbage bucket 100 is in use, thebrush bodies 41 can be moved outward to clean surrounding garbage, and thebrush bodies 41 can be rotated along the rotation axis thereof to clean the surrounding garbage.
For example, in the example shown in fig. 1 and 2, thefloor brush assembly 4 includes twobrush bodies 41 spaced apart in the left-right direction, the rotation axes of the twobrush bodies 41 are connected to the outer bottom wall of thetub assembly 1, and the rotation axes of the twobrush bodies 41 each extend in the vertical direction, the twobrush bodies 41 are each formed in an umbrella shape and rotate in a horizontal plane, and the twobrush bodies 41 are also movable to the outside on the outer bottom wall of thetub assembly 1. When thevacuum cleaner 100 is in operation, thebrush body 41 moves and rotates outward, thebrush body 41 can contact with the ground, and thebrush body 41 rotates to sweep up dust on the ground so that thevacuum cleaner 100 can absorb the dust, which is beneficial to improving the cleanliness of the ground.
Of course, the present invention is not limited thereto, and thefloor brush assembly 4 may further includemore brush bodies 41. For example, thefloor brush assembly 4 may further include threebrush bodies 41, and the connecting lines of the rotation axes of the threebrush bodies 41 are triangular, and thefloor brush assembly 4 may further include fourbrush bodies 41, and the connecting lines of the rotation axes of the fourbrush bodies 41 are rectangular.
As shown in FIGS. 1 to 15, thefloor brush assembly 4 is disposed on the outer bottom wall of thetub assembly 1, and when thevacuum cleaner 100 is moved, thefloor brush assembly 4 can contact with the floor, and thefloor brush assembly 4 can sweep up dust on the floor so that thevacuum cleaner 100 can absorb the dust, which is advantageous for improving the cleanliness of the floor. Thedirt cup assembly 5 is provided on one of thetub assembly 1 and thetub cover assembly 2, as shown in fig. 9 and 11, thedirt cup assembly 5 is provided on thetub cover assembly 2, and thedirt cup assembly 5 can receive dirt and dust sucked by the cleaner 100.
As shown in fig. 9-11, theair duct assembly 7 is disposed on at least one of thetub assembly 1 and thetub cover assembly 2, theair duct assembly 7 defines anair inlet duct 71 and anair outlet duct 72, theair inlet duct 71 and theair outlet duct 72 are both communicated with thedust cup assembly 5, dust enters thedust cup assembly 5 through theair inlet duct 71, the dust is collected in thedust cup assembly 5, and air from which the dust is removed is discharged from theair outlet duct 72. As shown in fig. 9 and 11, a drivingassembly 93 is provided in thetub cover assembly 2, and the drivingassembly 93 is used for driving the airflow in theair duct assembly 7 to implement dust collection of thedust collector 100. As shown in fig. 2, 4 and 5, a movingassembly 94 is provided at the bottom of thetub assembly 1 and spaced apart from thefloor brush assembly 4. When the cleaner 100 needs to be moved, the movingassembly 94 rotates to allow the cleaner 100 to freely move, thereby performing cleaning in various places.
According to the garbage can typevacuum cleaner 100 of the embodiment of the present invention, by having the plurality of movable androtatable brush bodies 41 on the outer bottom wall of thecan assembly 1, thebrush bodies 41 can be moved to below the outer bottom wall of thecan assembly 1 when the garbage can typevacuum cleaner 100 is not in use, the aesthetic property of the garbage can typevacuum cleaner 100 is increased, and when the garbage can typevacuum cleaner 100 is in use, thebrush bodies 41 can be moved outward to clean surrounding garbage, and thebrush bodies 41 can be rotated along the rotation axis thereof to clean the surrounding garbage.
In some embodiments of the present invention, as shown in fig. 1 to 4, 36 and 37, a mountinggroove 44 is formed on an outer bottom wall of thetub assembly 1, a through limitingrail groove 42 is formed on a bottom wall of the mountinggroove 44, abrush body 41 is movably disposed in the limitingrail groove 42, and thebrush body 41 is movable in the limitingrail groove 42. As shown in fig. 4, when thebrush body 41 is located at one end (outer end as shown in fig. 4) of the limitingrail groove 42, thebrush body 41 protrudes beyond the outer bottom wall; as shown in fig. 2, whenbrush body 41 is located at the other end (inner end as shown in fig. 2) of limitingrail groove 42, the projection ofbrush body 41 on the outer bottom wall is located on the outer bottom wall. It should be noted that the inner end and the outer end are relative to the center of the outer bottom wall of thebarrel assembly 1, and the inner end is relatively close to the center and the outer end is far from the center.
Therefore, when the garbage can typevacuum cleaner 100 is not used, thebrush body 41 can be moved to the lower side of the outer bottom wall of thecan assembly 1, the aesthetic property of the garbage can typevacuum cleaner 100 is increased, when the garbage can typevacuum cleaner 100 is used, thebrush body 41 can be moved outward to clean the peripheral garbage, and thebrush body 41 can be rotated along the rotation axis thereof to clean the peripheral garbage.
For example, in the example shown in fig. 2 and 4, thetub assembly 1 is provided on the outer bottom wall thereof with two mountinggrooves 44, the two mountinggrooves 44 being spaced apart in the left-right direction and each extending in the left-right direction, the two mountinggrooves 44 being symmetrically distributed about a center line of thetub assembly 1 extending in the front-rear direction, each mountinggroove 44 being formed in an oblong shape. A long circular limitingrail groove 42 is formed in the bottom wall of each mountinggroove 44, and accordingly, the two limitingrail grooves 42 are spaced apart in the left-right direction and extend in the left-right direction, and the two limitingrail grooves 42 are symmetrically distributed about the center line of thebarrel assembly 1 extending in the front-back direction. Thebrush body 41 is movably arranged in the limitingrail groove 42, and when thebrush body 41 is positioned at the inner end of the limitingrail groove 42, the projection of thebrush body 41 on the outer bottom wall is positioned on the outer bottom wall; whenbrush body 41 is located at the outer end of limitingrail groove 42,brush body 41 protrudes beyond the outer bottom wall.
In some embodiments of the present invention, as shown in fig. 38 and 39, the bottom wall of the mountinggroove 44 is an inclined surface, and the bottom wall of the mountinggroove 44 gradually inclines toward the barrel opening 142 in a direction from one end (outer end shown in fig. 39) of the limitingrail groove 42 to the other end (inner end shown in fig. 39) of the limitingrail groove 42, that is, the bottom wall of the mountinggroove 44 gradually inclines upward in a direction from the outer end to the inner end of the limitingrail groove 42. Accordingly, in a direction from the outer end to the inner end of the limitingrail groove 42, the side wall of the limitingrail groove 42 is gradually inclined upward. When the machine stops working, thebrush body 41 can move to the inner end of the limitingrail groove 42, thebrush body 41 is received under thebarrel assembly 1, and thebrush body 41 can leave the ground, so that when a user needs to move thedust collector 100 when thedust collector 100 does not work, thebrush body 41 is scratched on the ground, and the service life of thebrush body 41 is shortened; machine during operation,brush body 41 can move the outer end in spacingtrack groove 42, mainly sweep the peripheral rubbish ofdust catcher 100 below the stavingsubassembly 1 so that be siphoned away, the diapire design of mountinggroove 44 is the inclined plane structure,brush body 41 outside and ground fully contact, the inner of the outer diapire of more toward stavingsubassembly 1 is close to,brush body 41 reduces gradually to the effort on ground, can avoid sweeping the rubbish below the stavingsubassembly 1 and be taken away bybrush body 41 once more like this, can improve and clean the effect.
In some embodiments of the present invention, as shown in fig. 36 and 37, sidewall gear teeth 421 are provided on a side wall of therail limiting groove 42, and a rotationshaft gear tooth 411 engaged with the sidewall gear teeth 421 is provided on thebrush body 41. When thebrush body 41 moves in the limitingrail groove 42, for example, thebrush body 41 moves from the outer end to the inner end of the limitingrail groove 42 or from the inner end to the outer end, the rotationshaft gear teeth 411 are engaged with the sidewall gear teeth 421 to realize the movement of thebrush body 41.
For example, in the example shown in fig. 36 and 37, the sidewall gear teeth 421 are provided on the front side wall of the limitingrail groove 42, the rotationshaft gear teeth 411 engaged with the sidewall gear teeth 421 are provided on thebrush body 41, and after thevacuum cleaner 100 is started, thebrush body 41 rotates in the direction shown in fig. 2 and moves outward by the action between the sidewall gear teeth 421 and the rotationshaft gear teeth 411, and after the position shown in fig. 4 is reached, the position corresponding to the limitingrail groove 42 does not interact with the corresponding sidewall gear teeth 421, and thebrush body 41 stops moving and performs the rotation operation at the fixed position (the position shown in fig. 4). After shutdown, the twobrush bodies 41 start to rotate in opposite directions (i.e., in thedirection 4 shown in fig. 4), the rotatingshaft gear teeth 411 of thebrush bodies 41 interact with the sidewall gear teeth 421 on the limitingtrack groove 42, thebrush bodies 41 move inward, and when thebrush bodies 41 move to the position shown in fig. 2, thebrush bodies 41 also stop rotating.
In some embodiments of the present invention, as shown in fig. 2, 4, 11 and 15, at least one airinlet duct inlet 711 of theair inlet duct 71 is adjacent to the outer bottom wall of thetub assembly 1. For example, in the example shown in fig. 2, 4 and 15, the outer bottom wall of thetub assembly 1 faces the ground, and the outer bottom wall of thetub assembly 1 is provided with an airinlet duct inlet 711, which faces the ground, so that dust can enter theair inlet duct 71 and enter thedust cup assembly 5 through the airinlet duct inlet 711 when thevacuum cleaner 100 sucks dust. When theair inlet duct 711 is provided at the outer bottom wall of thetub assembly 1, the dust suction of the cleaner 100 is facilitated.
Further, as shown in fig. 2, 4 and 15, theinlet 711 of the air inlet duct is elongated. The strip-shapedair inlet duct 711 can increase the dust collection area and improve the dust collection efficiency. For example, in the example shown in fig. 2, theair inlet duct 711 is located at the middle position of the outer bottom wall of thetub assembly 1, theair inlet duct 711 is elongated and extends in the left-right direction, thefloor brush assembly 4 includes twobrush bodies 41, each of the twobrush bodies 41 is located at the front side of theair inlet duct 711, the twobrush bodies 41 are symmetrically distributed about the center line of theair inlet duct 711 extending in the front-back direction, thebrush body 41 located at the left side rotates in the clockwise direction (w direction shown in fig. 2), thebrush body 41 located at the right side rotates in the counterclockwise direction (v direction shown in fig. 2), and thebrush bodies 41 sweep the garbage at the two sides to theair inlet duct 711, thereby facilitating the garbage cleaning.
In some embodiments of the present invention, as shown in fig. 2, 4 and 36, the axes of the plurality ofbrush bodies 41 are located on a same straight line m, which is parallel to theinlet 711 of the air inlet duct. Thereby, during the rotation of thebrush body 41, the peripheral garbage is easily swept under theinlet 711 of the air inlet duct and then sucked into thedust cup assembly 5. For example, in the example shown in fig. 2, 4 and 36, the axes of the twobrush bodies 41 are located on the same straight line m, the straight line m extends in the left-right direction, theair inlet duct 711 is provided at the rear side of the straight line m and extends in the left-right direction, and during the rotation of thebrush bodies 41, the peripheral garbage is easily swept under theair inlet duct 711 and then sucked into thedust cup assembly 5.
Further, as shown in fig. 2, 4 and 36, themotor box 43 driving thebrush body 41 to rotate is located inside the outer bottom wall of thebarrel assembly 1 and moves along the bottom wall of the mountinggroove 44, the width of the moving track of themotor box 43 is the same as the width of the mountinggroove 44, the outer diameter of thebrush body 41 is D1, the width of the mountinggroove 44 is D2, and the distance between the straight line m and the edge of theinlet 711 of the air inlet duct close to the straight line m is L1, and satisfies: d2/2 is more than or equal to L1 is more than or equal to D1/2. Therefore, not only is peripheral garbage convenient to clean to the airinlet duct inlet 711, but also the structure on the outer bottom wall of thebarrel assembly 1 is more compact, and in addition, the processing of the limitingtrack groove 42 and the airinlet duct inlet 711 is convenient.
Further, as shown in fig. 2, 4 and 36, on the straight line m, the distance between the axes of the twobrush bodies 41 at the end is L2, and the length of theinlet 711 of the air inlet duct is L3, which satisfies: l2 is more than or equal to D1 and less than or equal to L3. As shown in fig. 2, the distance between the axes of the twobrush bodies 41 is L2. Therefore, mutual interference of thebrush bodies 41 in the rotating process can be avoided, the structure on the outer bottom wall of thebarrel assembly 1 can be more compact, and peripheral garbage can be conveniently cleaned to the airinlet duct inlet 711.
In some embodiments of the present invention, as shown in fig. 1, 3, 5, 6, and 8, at least oneoutlet 712 of theoutlet duct 72 is adjacent to the outer peripheral wall of thetub assembly 1. From this, avoided the air-out to blow to the people, also played simultaneously and fallen and filterable effect for the noise reduces and the combustion gas is cleaner. For example, in the example shown in fig. 8, oneoutlet channel outlet 712 of theoutlet channel 72 is provided at the lower side of the outer peripheral wall of thetub assembly 1 and extends in the circumferential direction of thetub assembly 1, thereby preventing blowing against a person, and also performing noise reduction and filtration, so that noise is reduced and discharged gas is cleaner.
Further, theoutlet channel outlet 712 is located at the rear of thetub assembly 1 and has an angle α of 90 ° or less with the front and rear of thetub assembly 1, so that when thevacuum cleaner 100 is used, the outlet air is prevented from blowing directly against a person located behind, and the comfort of the user is improved.
In some embodiments of the present invention, as shown in fig. 5, 7 and 14, the trash can vacuum cleaner 100 further includes asuction head assembly 8, and one end of thesuction head assembly 8 is communicated with theair inlet duct 71. When thesuction head assembly 8 is not used, thesuction head assembly 8 is fixed on thebarrel body assembly 1, when the tea table, the sofa and the like need to be cleaned, thesuction head assembly 8 can be pulled out to be used for cleaning the sofa tea table and the like, in addition, the end part of thesuction head assembly 8 can be matched with an accessory (such as a suction head with a specific cleaning function) to be used, and the effect is better.
In other embodiments of the present invention, one end of thesuction head assembly 8 is connected to theair inlet duct 71, and the other end of thesuction head assembly 8 is connected to the airinlet duct inlet 711. When thevacuum cleaner 100 cleans the ground, dust on the ground can enter thesuction head assembly 8 through the airinlet duct inlet 711, then enter theair inlet duct 71 and then enter thedust cup assembly 5; when thevacuum cleaner 100 cleans a sofa tea table, etc., one end of thesuction head assembly 8 connected with theinlet 711 of the air inlet duct can be pulled out, and some cleaning accessories (such as a suction head with a specific cleaning function) can be arranged to clean the sofa tea table, etc., so that the suction head can be conveniently stored, and the structure of thevacuum cleaner 100 can be simplified.
Further, as shown in fig. 5, 7 and 14, a hand-heldsuction pipe 81 is provided between thesuction head assembly 8 and theair inlet duct 71. Thesuction head assembly 8 can be arranged at the end part of thehandheld suction pipe 81 and is communicated with thehandheld suction pipe 81, and thehandheld suction pipe 81 can be held by hands for cleaning. In addition, thehandheld suction pipe 81 may include a handheld portion and a flexible hose, one end of the handheld portion is connected to thesuction head assembly 8, one end of the flexible hose is connected to the other end of the handheld portion, and the other end of the flexible hose is communicated with theair inlet duct 71. When not in use, the telescopic hose can be retracted inside thebarrel assembly 1, when thesuction head assembly 8 is pulled out to clean a sofa tea table and the like, the telescopic hose extends out of thebarrel assembly 1, so that thesuction head assembly 8 can move freely without moving thebarrel assembly 1, and the cleaning requirement of a user is met.
In some embodiments of the present invention, as shown in fig. 2, 4 and 15, the movingassembly 94 includes adirectional wheel 941 and at least oneuniversal wheel 942, thedirectional wheel 941 being located on a front side of theuniversal wheel 942. Thereby facilitating movement of the cleaner 100 and enabling free movement of the cleaner 100. For example, in the example shown in fig. 2, the front side of the outer bottom wall of thebucket assembly 1 is provided with onedirectional wheel 941, the rear side is provided with twouniversal wheels 942 spaced apart in the left-right direction, theuniversal wheels 942 can rotate freely in 360 °, and thedirectional wheel 941 and theuniversal wheels 942 are combined to allow thevacuum cleaner 100 to move freely indoors.
In some embodiments of the invention, the trash can vacuum cleaner 100 further includes abattery assembly 98, thebattery assembly 98 being provided on at least one of thecan assembly 1 and thelid assembly 2. Thebattery assembly 98 can provide power to thevacuum cleaner 100, which can enable thevacuum cleaner 100 to be free from being connected with an external power supply, thereby facilitating the use of thevacuum cleaner 100, and when thevacuum cleaner 100 is used as a trash can, the storage problem of a power line is not required to be considered.
Referring now to fig. 1-87, a trash can cleaner 100 in accordance with one embodiment of the present invention is described, it being understood that the following description is intended to be illustrative only and is not to be construed as limiting the invention.
As shown in fig. 1 to 87, a trash can typevacuum cleaner 100 according to an embodiment of the present invention includes acan assembly 1, a can coverassembly 2, afloor brush assembly 4, adust cup assembly 5, anair duct assembly 7, a drivingassembly 93, a movingassembly 94, apush rod assembly 95, atransmission assembly 3, a drivingmotor 91, acontrol assembly 92, adecorative cover 29, ahandheld suction pipe 81, and asuction head assembly 8.
Specifically, as shown in fig. 12 to 14 and 34, the upper end of thetub assembly 1 has atub opening 142, one of thetub cover assembly 2 and thetub assembly 1 is provided with acover pivot shaft 21, the other is provided with acover pivot hole 11 engaged with thecover pivot shaft 21, and thetub cover assembly 2 is pivotably connected to thetub assembly 1 to open or close thetub opening 142. The user can openbung subassembly 2 and throw away rubbish to the staving in, and stavingsubassembly 1 can regard as the garbage bin to use, andbung subassembly 2 can cover rubbish in stavingsubassembly 1, avoids rubbish to reveal outside, improves the aesthetic property of user's vision. When thedust collector 100 is not needed, the dust collector can be placed in places such as a living room or a study room, namely, a position where a garbage can is normally placed at home, and can be used as the garbage can, so that the problem that thedust collector 100 occupies a large space when not needed can be solved.
As shown in FIGS. 1 to 15, thefloor brush assembly 4 is disposed on the outer bottom wall of thetub assembly 1, and when thevacuum cleaner 100 is moved, thefloor brush assembly 4 can contact with the floor, and thefloor brush assembly 4 can sweep up dust on the floor so that thevacuum cleaner 100 can absorb the dust, which is advantageous for improving the cleanliness of the floor. Thedirt cup assembly 5 is provided on one of thetub assembly 1 and thetub cover assembly 2, as shown in fig. 9 and 11, thedirt cup assembly 5 is provided on thetub cover assembly 2, and thedirt cup assembly 5 can receive dirt and dust sucked by the cleaner 100.
As shown in fig. 9-11 and 65, theair duct assembly 7 is disposed on at least one of thetub assembly 1 and thetub cover assembly 2, theair duct assembly 7 defines anair inlet duct 71 and anair outlet duct 72, theair inlet duct 71 and theair outlet duct 72 are both communicated with thedust cup assembly 5, dust enters thedust cup assembly 5 through theair inlet duct 71, the dust is collected in thedust cup assembly 5, and air from which the dust is removed is discharged from theair outlet duct 72.
As shown in fig. 9 and 11, a drivingassembly 93 is provided in thetub cover assembly 2, and the drivingassembly 93 is used for driving the airflow in theair duct assembly 7 to implement dust collection of thedust collector 100. As shown in fig. 2, 4 and 15, a movingassembly 94 is provided at the bottom of thetub assembly 1 and spaced apart from thefloor brush assembly 4. When the cleaner 100 needs to be moved, the movingassembly 94 rotates to allow the cleaner 100 to freely move, thereby performing cleaning in various places.
As shown in FIGS. 2, 4 and 15, the outer bottom wall of thetub assembly 1 faces the ground, and an airinlet duct inlet 711 is provided on the outer bottom wall of thetub assembly 1, the airinlet duct inlet 711 facing the ground, so that dust can enter theair inlet duct 71 and thedirt cup assembly 5 through the airinlet duct inlet 711 when the cleaner 100 cleans. When theair inlet duct 711 is provided at the outer bottom wall of thetub assembly 1, the dust suction of the cleaner 100 is facilitated.
Further, as shown in fig. 2, 4 and 15, theair inlet duct 711 is located at the middle position of the outer bottom wall of thetub assembly 1, theair inlet duct 711 is elongated and extends in the left-right direction, the twobrushes 41 are located at the front side of theair inlet duct 711, the twobrushes 41 are symmetrically distributed about the center line of theair inlet duct 711 extending in the front-back direction, thebrush 41 located at the left side rotates in the clockwise direction (w direction shown in fig. 2), thebrush 41 located at the right side rotates in the counterclockwise direction (v direction shown in fig. 2), and thebrushes 41 sweep the garbage at the two sides to theair inlet duct 711, so as to facilitate cleaning of the garbage.
The section of theair inlet duct 71 close to the airinlet duct inlet 711 is a telescopic pipe. As shown in fig. 55 and 60, the duct section of theair inlet duct 71 near theinlet 711 of the air inlet duct is an extensible duct section, so that the garbage can typevacuum cleaner 100 can adjust its shape accordingly under different working environment requirements.
As shown in fig. 8, anoutlet channel outlet 712 of theoutlet channel 72 is disposed at the lower side of the outer peripheral wall of thebarrel assembly 1 and extends along the circumferential direction of thebarrel assembly 1, thereby preventing the blowing toward the user, and simultaneously playing a role of noise reduction and filtration, so that the noise is reduced and the discharged gas is cleaner, as shown in fig. 1, theoutlet channel outlet 712 is located at the right side of thebarrel assembly 1, and the included angle α between the center line of theoutlet channel outlet 712 and the right rear side of thebarrel assembly 1 is 90 °.
As shown in fig. 5, 7 and 14, one end of thesuction head assembly 8 is communicated with theair inlet duct 71, and the other end of thesuction head assembly 8 is communicated with the airinlet duct inlet 711. When thevacuum cleaner 100 cleans the ground, dust on the ground can enter thesuction head assembly 8 through the airinlet duct inlet 711, then enter theair inlet duct 71 and then enter thedust cup assembly 5; when thevacuum cleaner 100 cleans a sofa tea table, etc., one end of thesuction head assembly 8 connected with theinlet 711 of the air inlet duct can be pulled out, and some cleaning accessories (such as a suction head with a specific cleaning function) can be arranged to clean the sofa tea table, etc., so that the suction head can be conveniently stored, and the structure of thevacuum cleaner 100 can be simplified.
Further, as shown in fig. 5, 7 and 14, a hand-heldsuction pipe 81 is provided between thesuction head assembly 8 and theair inlet duct 71. Thesuction head assembly 8 can be arranged at the end part of thehandheld suction pipe 81 and is communicated with thehandheld suction pipe 81, and thehandheld suction pipe 81 can be held by hands for cleaning. In addition, thehandheld suction pipe 81 may include a handheld portion and a flexible hose, one end of the handheld portion is connected to thesuction head assembly 8, one end of the flexible hose is connected to the other end of the handheld portion, and the other end of the flexible hose is communicated with theair inlet duct 71. When not in use, the telescopic hose can be retracted inside thebarrel assembly 1, when thesuction head assembly 8 is pulled out to clean a sofa tea table and the like, the telescopic hose extends out of thebarrel assembly 1, so that thesuction head assembly 8 can move freely without moving thebarrel assembly 1, and the cleaning requirement of a user is met.
As shown in fig. 40, one end of the hand-held suction pipe 81 (the end of the hand-heldsuction pipe 81 communicating with the intake air duct 71) is connected to the upper portion of thetub assembly 1. Therefore, the structure of thedust collector 100 is more compact and reasonable, the dust collector is convenient for a user to store, and meanwhile, the attractiveness of thedust collector 100 can be improved.
As shown in fig. 5 and 40, the outer peripheral wall of thebarrel assembly 1 is provided with a containinggroove 15 extending in the up-down direction, ahandheld suction pipe 81 is arranged in the containinggroove 15, part of the structure of thehandheld suction pipe 81 is hidden in thebarrel assembly 1, and part of the structure is exposed outside thebarrel assembly 1, when a sofa or a tea table needs to be cleaned, thesuction head assembly 8 can be pulled out, thehandheld suction pipe 81 can be extended, at this time, thesuction head assembly 8 can be directly taken to clean the sofa or the tea table, and thesuction head assembly 8 can also be matched with some conventional small accessories for use, so that the using effect is better.
Further, a straw-limitingpart 151 is disposed on thestorage groove 15, and the straw-limitingpart 151 is adapted to be engaged with the other end of the handheld straw 81 (the end of thehandheld straw 81 connected with the suction head assembly 8). Therefore, the hand-heldpipette 81 can be fixed in thestorage groove 15, and the hand-heldpipette 81 is prevented from being separated from thestorage groove 15, which affects the use of the user.
As shown in fig. 2, 4 and 15, the movingassembly 94 includes adirectional wheel 941 and at least oneuniversal wheel 942, and thedirectional wheel 941 is located at a front side of theuniversal wheel 942. The front side of the outer bottom wall of thebarrel assembly 1 is provided with adirectional wheel 941, the rear side is provided with twouniversal wheels 942 spaced apart in the left-right direction, theuniversal wheels 942 can rotate freely at 360 degrees, and thedirectional wheel 941 and theuniversal wheels 942 are combined to enable thevacuum cleaner 100 to move freely indoors.
The trash can cleaner 100 further includes abattery assembly 98, thebattery assembly 98 being provided on at least one of thecan assembly 1 and the can coverassembly 2. Thebattery assembly 98 can provide power to thevacuum cleaner 100, which can enable thevacuum cleaner 100 to be free from being connected with an external power supply, thereby facilitating the use of thevacuum cleaner 100, and when thevacuum cleaner 100 is used as a trash can, the storage problem of a power line is not required to be considered.
As shown in fig. 57-61, pushrod assembly 95 is connected to bowlassembly 1. Therefore, the user can push the garbage can typevacuum cleaner 100 to move conveniently through thepush rod assembly 95, so that the dust removing work is more flexible and convenient. When the trash can typedust collector 100 removes dust, a user pushes the trash can typedust collector 100 to move by using thepush rod assembly 95, when the trash can typedust collector 100 moves, thefloor brush assembly 4 cleans dust in a rotating mode, air flow carrying the dust is sucked into theair inlet duct 71, the air flow carrying the dust enters thedust cup assembly 5 through theair inlet duct 71, the dust is separated and settled in thedust cup assembly 5, and finally the air flow removing the dust is discharged from theair outlet duct 72 to finish dust removal of the trash can typedust collector 100.
At least one of thetub assembly 1 and thepush rod assembly 95 is provided with a push rod mounting part, and thus, when the garbage can typedust collector 100 is used as a garbage can, thepush rod assembly 95 can be retracted and stably fixed by the push rod mounting part. The push rod mounting portions may be plural and spaced apart along the length direction of thepush rod assembly 95 to fix thepush rod assembly 95 to thetub assembly 1, and thus, the fixing stability of thepush rod assembly 95 may be enhanced.
Further, at least one of the plurality of push rod mounting portions is a clamping portion. Therefore, the push rod mounting part is convenient to process and manufacture, the production cost can be reduced, and thepush rod assembly 95 is convenient to fix.
As shown in fig. 59-61, thebucket assembly 1 is rotatable relative to thefloor brush assembly 4. It will be appreciated that when the trash can cleaner 100 cleans dust on the floor, thecan assembly 1 can be rotated to the state shown in fig. 60 to facilitate a user pushing the trash can cleaner 100 to perform a dust cleaning work; when the trash can cleaner 100 needs to clean dust in a space with a limited height, for example, a bed bottom, a sofa bottom, etc., thecan assembly 1 can be rotated to the state as shown in fig. 61 to further lower the overall height of the trash can cleaner 100 for smooth dust removal work.
As shown in fig. 6 to 9, thepush rod assembly 95 is connected to thetub assembly 1 and the lower end of thepush rod assembly 95 is pivotably connected to the lower end of thetub assembly 1. Thus, when the trash can typevacuum cleaner 100 is used as a trash can, thepush rod assembly 95 can be rotated to be close to thecan assembly 1 to be retracted, so that the occupied space can be reduced. Moreover, the user can rotate thepush rod assembly 95 to a comfortable angle for dust removal according to the height and the use habit, so that the dust removal work is more convenient and comfortable.
As shown in fig. 58-61, thepush rod assembly 95 of thetrash can 100 can be a retractable push rod. Therefore, when the trash can typedust collector 100 is used as a trash can, thepush rod assembly 95 can be retracted to reduce the occupied space of the trash can typedust collector 100; when the trash can typevacuum cleaner 100 performs a dust cleaning operation, thepush rod assembly 95 can be pulled out to facilitate the trash can typevacuum cleaner 100 to perform a dust removing operation.
Further, as shown in fig. 5 to 9, thepush rod assembly 95 may be configured as a three-section telescopic rod, and the total length of the telescopic rod after being stretched out may be set to about 110 cm. When carrying out the dust removal work, the user can self height and use the habit stretch out different length withpush rod assembly 95 to rotatory adjustment is to different angles, removes dust with convenient, comfortable. Moreover, when the trash can typevacuum cleaner 100 is used as a trash can, thepush rod assembly 95 can be compressed and retracted and screwed to the rear of the nearcan body assembly 1, so that the occupied space of the trash can typevacuum cleaner 100 is reduced, and the appearance of the trash can typevacuum cleaner 100 is more attractive. Of course, thepush rod assembly 95 can also be provided in multiple sections, and the total length of the telescopic rod can also be set differently according to different requirements.
As shown in fig. 16-19, the drivingend 311 of the drivingassembly 3 is disposed on thebarrel assembly 1, and theactuating end 321 of the drivingassembly 3 is connected to thelid assembly 2 to drive thelid assembly 2 to rotate, so that thelid assembly 2 can be opened by driving the drivingend 311. The drivingend 311 may be stepped on, for example, by foot, to open the lid. When a user holds garbage and needs to throw the garbage, the user can open thebarrel cover component 2 by hands inconveniently, the user steps on the drivingend 311 by feet to open thebarrel cover component 2, and after the user removes the feet, thebarrel cover component 2 is automatically closed, so that the user can use the garbage conveniently.
As shown in fig. 17 and 19, the drivingend 311 is provided at the bottom of thebarrel assembly 1. The free end of the drivingend 311 exceeds the wall surface of the outer peripheral wall of thebarrel assembly 1. Thereby facilitating the foot to step on the drivingend 311 to drive thelid assembly 2 to rotate. As shown in fig. 17 and 19, thetransmission assembly 3 includes atransmission pivot rod 31 and atransmission connecting rod 32, thetransmission pivot rod 31 may be a lever structure, thetransmission pivot rod 31 is substantially horizontally disposed at the bottom of thetub assembly 1, thetransmission connecting rod 32 is vertically disposed in thetub assembly 1, one end of thetransmission pivot rod 31, which exceeds the outer peripheral wall of thetub assembly 1, is configured as a drivingend 311, one end of thetransmission pivot rod 31 has a bent portion, and the bent portion is formed as the drivingend 311. One end of thetransmission connecting rod 32 is connected with the other end of thetransmission pivot rod 31, the other end of thetransmission connecting rod 32 is connected with thetub cover assembly 2, and the other end of thetransmission connecting rod 32 is configured as anactuating end 321. When the drivingend 311 is stepped down by a foot, the other end of thetransmission pivot lever 31 moves upward, thereby driving thetransmission connection lever 32 to move upward to drive thetub cover assembly 2 to rotate, thereby exposing thetub opening 142 to the outside, and facilitating the throwing of the garbage into thetub assembly 1.
As shown in fig. 19, the connection part of the upper end of thetransmission connecting rod 32 and thebarrel cover assembly 2 is close to the connection part of thebarrel cover assembly 2 and thebarrel assembly 1. Therefore, when thebarrel cover assembly 2 rotates to the opening position, thetransmission connecting rod 32 can be prevented from shielding the barrel opening 142, and the influence on throwing garbage into thebarrel assembly 1 can be avoided.
As shown in fig. 17, 19 and 34, the drivingassembly 93 is adjacent to a portion of thetub cover assembly 2 connected to thetub assembly 1. Specifically, the drivingcomponent 93 is disposed above thelid pivot 21 and theexecution end 321 of thebarrel component 1 and thebarrel cover component 2, because thedriving component 93 has a larger weight, the gravity center of the drivingcomponent 93 is disposed at thelid pivot 21 and theexecution end 321 of thebarrel component 1 and thebarrel cover component 2, so that the opening force can be reduced, and thebarrel cover component 2 can be opened and the foot can be moved away by slightly pressing thedriving end 311, so that thebarrel cover component 2 can be automatically closed.
As shown in fig. 20-23, the drivingmotor 91 is a stepping motor, the drivingmotor 91 is connected to thelid assembly 2 to drive thelid assembly 2 to move, and thelid pivoting shaft 21 of thelid assembly 2 and thelid assembly 1 is provided with the drivingmotor 91 to drive thelid assembly 2 to rotate around thelid pivoting shaft 21. Thecontrol assembly 92 is communicatively coupled to thedrive motor 91 to control the start or stop of thedrive motor 91. From this, can realize making drivingmotor 91 start throughcontrol assembly 92 to drivebung subassembly 2 and rotate, makebung subassembly 2 open, need not to directlyopen bung subassembly 2 with the hand, the user's of being convenient for use.
As shown in fig. 20 and 21, thecontrol component 92 is an infrared sensor, the infrared sensor is in communication connection with the drivingmotor 91, the infrared sensor can sense objects around the infrared sensor, and when the infrared sensor senses that objects exist around the infrared sensor, the drivingmotor 91 can be controlled to act, and thebarrel cover component 2 is driven to open.
As shown in fig. 20 and 21, two infrared sensors are disposed on the upper end surface of thetub cover assembly 2 at positions adjacent to the front side, and the two infrared sensors are spaced in the left-right direction, so that the sensing range of the infrared sensors can be increased. As long as an object is close to the infrared sensor, the drivingmotor 91 is automatically started, themotor shaft 911 of the drivingmotor 91 rotates clockwise, themotor shaft 911 of the drivingmotor 91 also drives thelid pivot shaft 21 of thelid assembly 2 to rotate clockwise (clockwise u shown in fig. 23), thelid assembly 2 is started, after thelid assembly 2 is started to reach an angle of 45 degrees, the drivingmotor 91 automatically stops rotating and keeps the angle still, no matter how the lid assembly shakes in front of the infrared sensor, the drivingmotor 91 cannot rotate again, thelid assembly 2 is in a starting state and is still, after garbage is discharged, thelid assembly 2 does not need to be manually closed, when the infrared sensor senses that no object exists for 5 seconds continuously, the drivingmotor 91 is started again, at this time, themotor shaft 911 of the drivingmotor 91 rotates counterclockwise and drives thelid pivot shaft 21 of thelid assembly 2 to rotate together, and closing thebarrel cover component 2, and after thebarrel cover component 2 is closed, automatically stopping the work of the drivingmotor 91.
It should be noted that, when the trash can typevacuum cleaner 100 is used as a trash can, theswitch 97 of thevacuum cleaner 100 is in an off state, and the infrared sensor is connected to the drivingmotor 91; when the trash can typevacuum cleaner 100 is used as thevacuum cleaner 100, after theswitch 97 of thevacuum cleaner 100 is turned on, the infrared sensor is automatically disconnected from the drivingmotor 91, at this time, a barrier approaches the infrared sensor, and the drivingmotor 91 cannot be started to open the cover. In addition, the power supply for the infrared sensor and the drivingmotor 91 can be the same as the power supply for thevacuum cleaner 100, and both can be thebattery pack 98 in the machine.
As shown in fig. 20 and 21, alid opening button 22 is further disposed on the upper end surface of thelid assembly 2, and thelid opening button 22 is in communication connection with a drivingmotor 91. The coverbody opening button 22 is pressed down, the drivingmotor 91 is started, thebarrel cover component 2 is opened, and after garbage is thrown, thebarrel cover component 2 can be automatically closed; if two infrared inductor have all been bad, presslid opening button 22, can openbung subassembly 2 equally, butclose bung subassembly 2 and also need manual completion, the purpose of thislid opening button 22 of design is exactly in order to realize the function of automatic opening through drivingmotor 91 under the infrared inductor bad condition,bung subassembly 2 equally.
As shown in fig. 25 to 33, two barrelcover limiting parts 23 are disposed on thebarrel body assembly 1, the two barrelcover limiting parts 23 are spaced apart and protrude toward one side of thebarrel body assembly 1, a protruding barrelcover stopping part 24 is disposed on one side of thebarrel cover assembly 2 facing thebarrel body assembly 1, the cross-sectional area of the barrelcover stopping part 24 is gradually reduced in the direction from top to bottom, the contour line of the barrelcover stopping part 24 is in smooth transition, the cross-sectional area of the barrelcover stopping part 24 is the smallest, that is, the lower end of the barrelcover stopping part 24 is provided with a protruding structure, and the side wall of the protruding structure is suitable for being matched with the barrel.
When thebarrel cover component 2 is opened to a certain angle, thebarrel cover component 2 can be firstly matched with the barrelcover limiting part 23 close to thebarrel cover component 2, when a user slightly opens the barrel cover component upwards, the convex part is in interference fit with the barrelcover limiting part 23, the convex part is fully contacted with the barrelcover limiting part 23, thebarrel cover component 2 can be kept opened, if thebarrel cover component 2 is required to be opened to a larger extent, thebarrel cover component 2 can be continuously opened upwards, the position where the convex part is matched with the barrelcover limiting part 23 far away from the barrel cover component can be opened to the maximum extent, and at this time, the opening angle of thebarrel cover component 2 is the. The raised region is defined between two bung stops 23 and thebung assembly 2 may remain stationary.
It should be noted that when thebarrel cover stopper 24 is matched with thebarrel cover stopper 23 close to the barrel cover stopper, the opening angle of the barrel cover can be limited to 45 degrees, and at this time, the influence of throwing garbage into thebarrel assembly 1 is small; when the barrelcover stop piece 24 is matched with the barrelcover limiting piece 23 far away from the barrel cover stop piece, the opening angle of thebarrel cover assembly 2 can be limited at 60 degrees, and at the moment, the dust barrel can be taken out from thebarrel body assembly 1. The invention takes two angles of 45 degrees and 60 degrees, and other angles can be set according to actual requirements.
As shown in fig. 25 to 33, in the opening process of thebarrel cover assembly 2, thebarrel cover stopper 23 which is firstly contacted with thebarrel cover stopper 24 is formed into a cylindrical shape, and the convex portion on thebarrel cover stopper 24 is matched with the outer circumferential wall of the cylindricalbarrel cover stopper 23, so that the convex portion is convenient to be matched with thebarrel cover stopper 23 which is contacted later over the cylindricalbarrel cover stopper 23. In addition, in the opening process of thebarrel cover component 2, the barrelcover limiting part 23 which is in contact with the barrelcover stopping part 24 is formed into a rectangular column shape, the side wall of the rectangular column is matched with the convex part, and the convex part is prevented from continuously crossing the barrelcover limiting part 23 in the rectangular column shape to influence the use of a user.
As shown in fig. 9, 11 and 34, the drivingassembly 93 is used for driving the airflow in theair duct assembly 7 to clean thevacuum cleaner 100. The drivingcomponent 93 is arranged on thebarrel cover component 2, thebarrel cover component 2 is integrally designed, no gap or part combining surface exists at the position where the drivingcomponent 93 is placed, and when water is sprayed onto thebarrel cover component 2 in use, the water can only flow to the ground along the side surface of thebarrel cover component 2 and is not sucked into the drivingcomponent 93, so that the phenomenon that the drivingcomponent 93 is burnt out due to improper use of a user is avoided. In addition,dirt cup subassembly 5 and driveassembly 93 all set up onbung subassembly 2, anddirt cup subassembly 5 and driveassembly 93 parallel arrangement can reduce the distance in wind channel to reduce the suction loss.
As shown in fig. 13, 79 and 71-78,dirt cup assembly 5 includes acup body 51 and alid 54. Thecup body 51 may be a single cone, thecup body 51 may be provided with adust outlet 52 and anairflow inlet 53, thecup cover 54 may cover thecup body 51, and thecup cover 54 may be provided with anairflow outlet 56. Theairflow inlet 53 is communicated with theair inlet duct 71, and theairflow outlet 56 is communicated with theair outlet duct 72.
After passing through theair inlet duct 71, the airflow carrying the dust can enter thecup 51 of thedust cup assembly 5 through theairflow inlet 53, after the dust and the air are separated, the dust can flow out of thecup 51 through thedust outlet 52, the airflow removing most of the dust can flow from thecup 51 to thecup cover 54, and then enters theair outlet duct 72 through theairflow outlet 56 formed in thecup cover 54.
As shown in fig. 73 to 80, theairflow inlet 53 may include a plurality of circular holes, which may allow wind and small particle dust to pass through and may block large particle dust from passing through, so that preliminary separation of wind and dust may be achieved. It should be noted that the term "circular hole" mentioned herein is only a structural expression, and the circular hole may be any shape, such as a square, a rectangle, a triangle, etc. As shown in fig. 71-80, thedust outlet 52 may be provided below the cup 51 (below as shown in fig. 76). Further, the central axis of thedust outlet 52 may be parallel to the central axis of thetub opening 142, so that the dust can be easily discharged from thecup 51.
As shown in fig. 71-80, thecup body 51 has amain channel 60 therein, themain channel 60 penetrates through thecup body 51, themain channel 60 is in a single cone shape, and the cross-sectional area of themain channel 60 decreases from top to bottom (in the up-down direction as shown in fig. 76). A plurality ofairflow guide channels 58 are arranged at one end of thecup body 51 close to thecup cover 54, one end of eachairflow guide channel 58 can be communicated with themain channel 60, and the other end of eachairflow guide channel 58 can be communicated with theairflow inlet 53. In the radially outer to radially inner direction of thecup 51, the airflow guide passage 58 is deviated toward one of the clockwise direction and the counterclockwise direction of thecup 51, for example, the airflow guide passage 58 extends counterclockwise (a direction shown in fig. 78) along the tangential direction of themain passage 60. The airflow may enterairflow guide channel 58 fromairflow inlet 53 and then entermain channel 60 fromairflow guide channel 58.
Further, a plurality of surroundingplates 59 may be provided in thecup 51, and the airflow guide passage 58 may be defined by the surroundingplates 59. As shown in fig. 67 and 76, thecup 51 is provided with a plurality ofshrouds 59 to define the airflow directing channels. Therefore, thedust cup assembly 5 has a simple structure, the processing technology is simplified, and the production cost can be reduced.
As shown in fig. 73-80, anair inlet partition 57 may be provided on the outer side wall of thecup body 51, and theair inlet partition 57 is located below the air flow guide passage 58 (below as shown in fig. 76). Further, thecup cover 54 can be connected with the inner peripheral wall of thebarrel cover assembly 2, the airinlet partition plate 57 can be abutted to the inner peripheral wall of thebarrel cover assembly 2, acavity 66 is formed by the airinlet partition plate 57, thecup cover 54 and the inner peripheral wall of thebarrel cover assembly 2, the other end of theairflow guide channel 58 penetrates through the cup wall of thecup body 51 and is communicated with thecavity 66, theairflow inlet 53 can be arranged on the airinlet partition plate 57, and theairflow inlet 53 is communicated with thecavity 66.
After entering thechamber 66 from theairflow inlet 53, the airflow may flow around the outer peripheral wall of thepartial cup 51 in thechamber 66, for example, counterclockwise (in the direction of v1 shown in fig. 78) around the outer peripheral wall of thepartial cup 51 in thechamber 66. Subsequently, the airflow enters themain passage 60 through the plurality of airflow guidepassages 58, flows around the inner peripheral wall of themain passage 60, and due to theairflow guide passages 58 extending counterclockwise in the tangential direction of themain passage 60, the airflow entering themain passage 60 flows in the opposite direction to the flow of the airflow around the outer peripheral wall of thecup body 51, for example, flows clockwise (direction v2 shown in fig. 78) around the inner peripheral wall of themain passage 60, so that the rotational inertia of the dust can be reduced.
Because themain channel 60 is in a single-cone shape, the airflow containing dust can rotate downwards along with themain channel 60, the dust falls and flows out of thecup body 51 from thedust outlet 52, the speed of the airflow gradually increases, and after reaching a certain speed value, the airflow suddenly rises and flows out of thecup body 51, so that the dust and the wind are further separated.
As shown in fig. 13, 79-80, and 71-72, thedirt cup assembly 5 can further include acover plate 6 and filtercotton 67, thecover plate 6 can be covered on thecup body 51 and connected to the inner peripheral wall of thelid assembly 2, and thefilter cotton 67 can be laid on thecover plate 6 to filter the airflow flowing to thecover 54. Therefore, thefilter cotton 67 can prevent dust from entering thecup cover 54 along with the airflow, so that the dust collection performance of the garbage can typedust collector 100 can be improved. For example, thefilter cotton 67 may be cotton wool, which has small gaps to block most of dust and foreign matters, good blocking effect, easy availability, and low cost.
As shown in fig. 80, a sealingmember 55 may be disposed between thecover plate 6 and the inner circumferential wall of thetub cover assembly 2, so as to prevent dust from flowing into thecup cover 54 from a gap between thecover plate 6 and the inner circumferential wall of thetub cover assembly 2, and improve the sealing performance of the trash can typevacuum cleaner 100. Further, as shown in fig. 74, the outer circumferential wall of thecover plate 6 may be provided with a receivinggroove 64, and the sealingmember 55 may be embedded in the receivinggroove 64, so that the sealing property of thedust cup assembly 5 can be improved, and the integration and the aesthetic property of thedust cup assembly 5 can be improved.
As shown in fig. 80 and 71-72, thecover plate 6 may include aflat plate portion 61 and a protrudingportion 62, the protrudingportion 62 may be disposed on a side of theflat plate portion 61 close to thecup 51, the protrudingportion 62 may extend into thecup 51, theflat plate portion 61 may be covered on thecup 51, and a peripheral edge of theflat plate portion 61 may abut against an inner sidewall of thecup lid 54. Thecover plate 6 has a through hole which passes through theboss 62 and theflat plate part 61 and communicates with themain channel 60 in thecup body 51, and the air flow can flow from thecup body 51 into thecup cover 54 through the through hole on thecover plate 6. Thefilter cotton 67 can be laid on theflat plate portion 61 to filter the airflow flowing to thecup cover 54, so as to prevent dust from entering thecup cover 54 along with the airflow, thereby improving the dust collection performance of the trash can typedust collector 100.
Sealing elements 55 can be arranged between theflat plate part 61 of thecover plate 6 and the inner peripheral wall of thecup cover 54, so that the sealing property of thedust cup assembly 5 can be improved, dust is prevented from flowing into thecup cover 54 from a gap between thecover plate 6 and the inner peripheral wall of thecup cover 54, and the dust collection performance of the garbage can typedust collector 100 can be improved. Furthermore, the outer peripheral wall of theflat plate portion 61 may be provided with a receivinggroove 64, and the sealingmember 55 may be embedded in the receivinggroove 64, so that the sealing property of thedust cup assembly 5 can be improved, and the integration and the aesthetic property of thedust cup assembly 5 can be improved.
As shown in fig. 71-80, the periphery offlat plate portion 61 may be provided withrim extension 65, andrim extension 65 extends along the portion oflid 54 abuttingflat plate portion 61, so as to prevent air flow from flowing from the periphery oflid 6 tolid 54. Further, as shown in fig. 72, ahandle 63 may be provided on theflat plate portion 61 near thelid assembly 2, so that thelid 6 can be easily detached from thecup body 51 or mounted on thecup body 51.
Further, thecup cover 54 is clamped with thecup body 51, for example, a clamping groove can be formed in thecup cover 54, a clamping protrusion can be formed in thecup body 51, and the clamping groove and the clamping protrusion correspond to each other one to one, so that thecup body 51 can be clamped to thecup cover 54. Thecap 54 is pivotally connected to thelid assembly 2 to facilitate manipulation of thecap 54. Thecup body 51 is detachably connected with thelid assembly 2, so that thecup body 51 can be conveniently cleaned and replaced.
As shown in fig. 79 to 80, thelid assembly 2 includes a dirt cupbottom lid 28 and adirt pouring channel 27, thedirt pouring channel 27 is provided on thelid assembly 2, and thedirt pouring channel 27 has adirt pouring outlet 271 and adirt pouring inlet 272, and the dirt cupbottom lid 28 is pivotally connected to thelid assembly 2 so that thedirt outlet 52 can be opened or closed by rotating the dirt cupbottom lid 28. Adirt cup assembly 5 may be provided on thelid assembly 2, thedirt cup assembly 5 having adirt outlet 52, thedirt outlet 52 communicating with thedirt pouring inlet 272. Dust in thedirt cup assembly 5 can flow out of thedust outlet 52, and since thedust outlet 52 is in communication with thedust dumping inlet 272, the dust can enter thedust dumping channel 27 at an end thereof adjacent to thedust dumping inlet 272 from thedust dumping inlet 272.
When thebarrel cover assembly 2 closes the barrel opening 142, the dustcup bottom cover 28 closes thedust pouring outlet 271, and thedust pouring channel 27 is isolated from thebarrel assembly 1; when thebarrel cover assembly 2 opens the barrel opening 142, the dirtcup bottom cover 28 can be away from thedust pouring outlet 271 due to the gravity of the dirtcup bottom cover 28, so that thedust pouring outlet 271 is opened, and the dust in thedust pouring channel 27 can flow out from thedust pouring outlet 271.
As shown in fig. 79 to 80, theash discharge passage 27 extends in a horizontal plane, and theash discharge passage 27 is gradually inclined downward in a direction toward theash discharge port 271 when thetub cover assembly 2 opens thetub opening 142. It can be understood that when thetub cover assembly 2 closes thetub opening 142, theash discharge passage 27 extends in a horizontal plane (a plane in which the left-right direction is shown in fig. 23), and the distance between theash discharge inlet 272 and theash discharge outlet 271 in the up-down direction (the up-down direction is shown in fig. 23) is zero. When thebarrel cover assembly 2 opens the barrel opening 142, theash dumping channel 27 rotates along with thebarrel cover assembly 2, the distance between theash dumping inlet 272 and theash dumping outlet 271 increases in the up-down direction (the up-down direction shown in fig. 13), and theash dumping outlet 271 is located below the ash dumping inlet 272 (the lower direction shown in fig. 13).
As shown in FIG. 82, the angle between the plane of theash dump outlet 271 and the direction of extension of theash dump channel 27 is ε, which may be (0 °, 90 °) ∪ (90 °, 180 °).
Further, ε may range from (25 °, 90 °). When the barrel opening 142 of thebarrel cover assembly 2 is opened, the dustcup bottom cover 28 can be far away from thedust pouring outlet 271, thedust pouring outlet 271 adopts an inclined opening design, and the angle between the plane where thedust pouring outlet 271 is located and the plane where the dustcup bottom cover 28 is located can be increased, so that dust can conveniently flow out of thedust pouring channel 27, for example, epsilon can be set to 45 deg..
As shown in FIG. 81, the edge of thedirt cup assembly 5 at thedirt outlet 52 engages the edge of thedirt pouring channel 27 at thedirt pouring inlet 272 such that thedirt outlet 52 communicates with thedirt pouring inlet 272.
As shown in fig. 85, the wall surface of the dustcup bottom cover 28 facing thedust pouring outlet 271 is a guidinginclined surface 281, and after the dust flows out from thedust pouring outlet 271, the dust can be guided by the guidinginclined surface 281 to flow into the bottom of thebucket assembly 1, so that the dust can be prevented from flowing to and splashing on the inner side wall of thebucket assembly 1 or the outside of thebucket assembly 1, which affects the user experience.
As shown in fig. 83, theash dumping channel 27 extends along the radial direction of the barrel opening 142, and it can be understood that theash dumping channel 27 extends in a straight line, and the direction of extension of theash dumping channel 27 is parallel to the radial direction of the barrel opening 142, so that the dust can easily flow out of theash dumping channel 27.
As shown in fig. 83, theash discharge port 271 is near the connection portion of thelid assembly 2 and thetub assembly 1. Therefore, the dustcup bottom cover 28 can be conveniently arranged, the guide inclinedsurface 281 can conveniently guide dust, and the dust can be prevented from splashing to the inner side wall of thebarrel body assembly 1.
Specifically, the dirt cupbottom lid 28 includes amain body 284 and two turned-overportions 285, themain body 284 is connected to one of thelid assembly 2 and thebucket assembly 1 to open or close thedust pouring outlet 271, both side edges of themain body 284 in the width direction are turned over toward thedust pouring path 27 to form the turned-overportions 285, and a portion of themain body 284 located between the two turned-overportions 285 is opposite to thedust pouring outlet 271.
It will be appreciated that the dirtcup bottom cover 28 is shaped similarly to a dustpan, and the dirtcup bottom cover 28 includes amain body portion 284 and two turned-overportions 285 on both lateral sides of themain body portion 284, the two turned-overportions 285 being located on themain body portion 284 on a side close to thedust discharge port 271, and the two turned-overportions 285 being located in a width direction (front-rear direction as viewed in fig. 85) of themain body portion 284. The part of themain body 284 between the two turned-overparts 285 is suitable for opening or closing theash pouring outlet 271, and when themain body 284 closes theash pouring outlet 271, theash pouring outlet 271 can be positioned in the groove formed by themain body 284 and the two turned-overparts 285; when themain body 284 opens thedust discharge port 271, the dirtcup bottom cover 28 can guide dust from within the recess toward thebucket assembly 1.
The specific shape of themain body 284 and the burringpart 285 is not particularly limited, and for example, themain body 284 may be rectangular or semi-elliptical, and the burringpart 285 may be rectangular or trapezoidal, and further, the angle between the extending direction of the burringpart 285 and the plane of themain body 284 may be (0 °, 90 °) ∪ (90 °, 180 °), and further, the angle between the extending direction of the burringpart 285 and the plane of themain body 284 may be (90 °, 115 °), and for example, as shown in fig. 85, the angle between the extending direction of the burringpart 285 and the plane of themain body 284 may be 90 °.
As shown in fig. 12-14, the upper end of thebucket assembly 1 has a first position-limitingmember 12, and thebottom cover 28 of the dust cup has a second position-limitingmember 282 and a third position-limitingmember 283. The first limitingmember 12 may be disposed at a position on thebucket body assembly 1 close to the dustcup bottom cover 28, the second limitingmember 282 may be disposed at a side of the dustcup bottom cover 28 close to the first limitingmember 12, when thebucket body opening 142 is closed by thebucket cover assembly 2, the first limitingmember 12 may abut against the second limitingmember 282 so that the dustcup bottom cover 28 closes thedust pouring outlet 271, and thedust pouring channel 27 is isolated from thebucket body assembly 1; the third position-limitingmember 283 can be disposed on the dustcup bottom cover 28 on a side away from thedust pouring outlet 271, when the barrel opening 142 is opened by thebarrel cover assembly 2, the dustcup bottom cover 28 can be away from thedust pouring outlet 271 due to the self-gravity effect, and the third position-limitingmember 283 can rotate to a position abutting against thebarrel cover assembly 2 along with the dustcup bottom cover 28, so that the dustcup bottom cover 28 can be fixed and stop rotating, and the dust flowing out from thedust pouring outlet 271 can be guided to thebarrel assembly 1.
The first limitingmember 12, the second limitingmember 282, and the third limitingmember 283 may be limiting protrusions. It should be noted that the shape of the limiting protrusion is not particularly limited, and the limiting protrusion may be a triangle, a polygon, an ellipse, or the like.
The first position-limitingmember 12 can be located on the inner peripheral wall of thebarrel assembly 1, so that the arrangement of the dustcup bottom cover 28 can be matched, and the first position-limitingmember 12 can be easily abutted against the second position-limitingmember 282 on the dustcup bottom cover 28. The third position-limitingmember 283 is located near the connection position of thelid assembly 2 on the dustcup bottom lid 28, so that the arrangement of the third position-limitingmember 283 can be simplified, the abutting stability of the third position-limitingmember 283 and thelid assembly 2 can be improved, and the guiding stability of the dustcup bottom lid 28 can be improved.
As shown in FIG. 87, the angle between the surface of the dustcup bottom cover 28 facing thedust discharge outlet 271 and the extension direction of thedust discharge passage 27 is β, when thelid assembly 2 closes thebucket opening 142, the range of β is (25 degrees, 90 degrees.) for example, β may be 95 degrees, during the process of opening thebucket opening 142 by thelid assembly 2, as the angle between thelid assembly 2 and thebucket opening 142 gradually increases, due to the gravity of the dustcup bottom cover 28, β also gradually increases, and when β increases to 95 degrees, thesecond stopper 282 on the dustcup bottom cover 28 abuts against thefirst stopper 12 on thebucket assembly 1, β does not increase with the increase of the angle between thelid assembly 2 and thebucket opening 142, β remains 95 degrees, so as to prevent dust from falling to the outside of thebucket assembly 1.
As shown in FIG. 87, the angle between the surface of the dirtcup bottom cover 28 facing thedust discharge opening 271 and the horizontal plane is γ, which ranges from (30 °, 80 °) when thelid assembly 2 opens thebucket opening 142. For example, γ may be 50 ° where the speed of dirt sliding down the dirt cupbottom lid 28 into thebucket assembly 1 is relatively balanced and dirt is not easily kicked up.
The included angle between thebarrel cover component 2 and thebarrel body component 1 is theta, and the range of the theta is (0 degree and 90 degrees). For example, θ may be 45 °, in which case the garbage can be easily thrown into the garbage can and the dust in thedust dumping channel 27 can be easily slipped out.
As shown in fig. 24, 34, 41 and 42, thecosmetic cover 29 covers thelid assembly 2 and defines the lidinner cavity 25 with thelid assembly 2, and thedirt cup assembly 5 is disposed in the lidinner cavity 25. In one aspect. Thedecoration cover 29 can play a role of integral decoration, and the aesthetic property of the garbage bintype dust collector 100 is improved; on the other hand, the airflow may generate noise within thedirt cup assembly 5, and thecosmetic cover 29 may serve to reduce noise.
As shown in fig. 41, the deco-cover 29 is pivotably connected with thetub cover assembly 2. Thus, when thecosmetic cover 29 is opened, thecosmetic cover 29 can be prevented from falling off thelid assembly 2. Of course, the present invention is not limited thereto, and thecosmetic cover 29 and thetub cover assembly 2 may be coupled by a screw fastener or thetub cover assembly 2 and thecosmetic cover 29 may be snap-fitted.
As shown in fig. 24, the area of the deco-cover 29 is smaller than that of thetub cover assembly 2, i.e., the deco-cover 29 cannot completely cover the upper end surface of thetub cover assembly 2. Of course, the present invention is not limited thereto, and the area of thecosmetic cover 29 may be equal to or greater than the area of thetub cover assembly 2 as long as the beauty of the cleaner 100 can be maintained and noise can be reduced.
Thetub assembly 1 of the garbagetub type cleaner 100 defines a receivingchamber 141 therein, and an upper end of the receivingchamber 141 is opened to form atub opening 142. Thebin assembly 1 can be used as a trash bin, which can be thrown into the receivingcavity 141. As shown in fig. 43 to 50, a limitinggroove 131 is provided on the upper end surface of thebarrel assembly 1, the limitinggroove 131 is spaced apart from theaccommodating cavity 141, apositioning rib 132 is provided in the limitinggroove 131, and the cross section of thepositioning rib 132 is rectangular, but may also be circular, oval or other polygonal. When a general user uses the garbage can, the garbage bag is often sleeved in the garbage can so as to facilitate dumping of garbage, or the garbage can is prevented from being cleaned frequently, and the garbage can is kept clean and sanitary. Certainly, can overlap in holdingchamber 141 and establish the disposal bag, establish the disposal bag cover and hold thechamber 141 back, can twine the border of disposal bag on thelocation muscle 132 in thespacing groove 131, avoid the disposal bag landing, then screw up the unnecessary part in disposal bag border department and pack in thespacing groove 131, keep the aesthetic property of stavingsubassembly 1.
Thespacing groove 131 is two and symmetric distribution in the left and right sides of stavingsubassembly 1, and in addition, in the direction from inside to outside, the cross-sectional area ofspacing groove 131 reduces gradually. Here, the inner side means a direction toward the central axis of thehousing chamber 141, and the outer side means a direction away from the central axis of thehousing chamber 141.
As shown in fig. 43-49, the rim of thetub opening 142 is folded back toward the inside of thestopper groove 131 to configure astopper flange 143. When the garbage bag is plugged into the limitinggroove 131, the limitingflange 143 can limit the redundant part of the garbage bag in the limitinggroove 131, and the redundant part of the garbage bag is prevented from upwards sliding out of the limitinggroove 131. In addition, the limitingflange 143 can also play a role of a handle, and when thebarrel body assembly 1 is lifted upwards, the limitingflange 143 can be lifted, so that the use of a user is facilitated.
As shown in fig. 43, the limitingflange 143 is a whole, the limitingflange 143 extends along the circumferential direction of theopening 142 of the barrel body, and two ends of the limitingflange 143 are close to two ends of the limitinggroove 131, so that the structure of the limitingflange 143 can be simplified, the structure of thebarrel body assembly 1 can be simplified, the production period can be shortened, and the production cost can be reduced.
The fixed end of thepositioning rib 132 is connected with the bottom wall of the limitinggroove 131, and the free end of thepositioning rib 132 extends towards the outside of the limitinggroove 131. In the example shown in fig. 43, theaccommodating chamber 141 extends in the vertical direction, the barrel opening 142 faces upward, thestopper groove 131 is spaced apart from theaccommodating chamber 141, the opening of thestopper groove 131 faces upward, and thepositioning rib 132 extends in the vertical direction. As shown in fig. 43, thepositioning rib 132 is one and is disposed at one side of the limitinggroove 131,
as shown in fig. 50, arib 133 is provided in thestopper groove 131, one end of therib 133 is connected to thepositioning rib 132, and the other end is connected to the inner wall of thestopper groove 131. The reinforcingribs 133 can reinforce thepositioning ribs 132, so that the working reliability of thepositioning ribs 132 is improved, and the fixing reliability of the garbage bag is improved. Further, the reinforcingrib 133 is located on the bottom wall of thestopper groove 131. Therefore, the reinforcingribs 133 and the limitinggrooves 131 are conveniently processed together, the structure of the limitinggrooves 131 is conveniently simplified, the production period is saved, and the production cost is reduced.
As shown in fig. 43, 44, 46, 47, 49 and 50, thetub assembly 1 includes anouter tub body 13 and aninner tub body 14, a limitinggroove 131 is provided in theouter tub body 13, theinner tub body 14 has a receivingchamber 141, theinner tub body 14 is inserted into theouter tub body 13, and theouter tub body 13 is detachably connected to theinner tub body 14. The contour line of the cross section that holdschamber 141 is the quadrangle, wherein the contour line that is located the front side is the arc line of forward protrusion, the periphery wall of outer staving 13 forms the column, spacinggroove 131 is established on outer staving 13 and is close toinner barrel body 14 and sets up, spacinggroove 131 prescribes a limit to the cavity that holds the unnecessary part in border department of disposal bag jointly withinner barrel body 14's periphery wall, establish the disposal bag cover and holdintracavity 141 back, can twine the border of disposal bag on thelocation muscle 132 inspacing groove 131, avoid the disposal bag landing, then tighten the unnecessary part in border department of disposal bag and fill inspacing groove 131, keep stavingsubassembly 1's aesthetic property.
As shown in fig. 43, 45 and 48, a certain gap is formed between theouter barrel body 13 and theinner barrel body 14, the upper end of theinner barrel body 14 is turned over towards theouter barrel body 13 to form a limitingflange 143, a garbage bag is placed into theinner barrel body 14, the edge of the garbage bag is sleeved into the gap between theinner barrel body 14 and theouter barrel body 13, the limitinggroove 131 on any edge is tightened, the redundant part of the garbage bag is screwed down and is plugged into the limitinggroove 131, and therefore the garbage bag is placed well, and theinner barrel body 14 does not need to be lifted in the whole process. In addition, the folding length of the limitingflange 143 in the limitinggroove 131 is greater than the folding length of the limitingflanges 143 at other positions, and the limitingflange 143 in the limitinggroove 131 can play a role of a handle.
The outer circumferential wall of theinner tub 14 and the inner circumferential wall of theouter tub 13 may define anintake air duct 71. From this, need not to set up the wind channel structure alone, can simplify stavingsubassembly 1's structure, practice thrift production cycle, reduction in production cost.
As shown in fig. 2, 4 and 15, the twobrush bodies 41 can also move to the outside on the outer bottom wall of thetub assembly 1. When thevacuum cleaner 100 is in operation, thebrush body 41 moves and rotates outward, thebrush body 41 can contact with the ground, and thebrush body 41 rotates to sweep up dust on the ground so that thevacuum cleaner 100 can absorb the dust, which is beneficial to improving the cleanliness of the ground.
As shown in fig. 1 to 4, 36 and 37, two mountinggrooves 44 are formed on the outer bottom wall of thetub assembly 1, the two mountinggrooves 44 are spaced apart in the left-right direction and extend in the left-right direction, the two mountinggrooves 44 are symmetrically distributed about the center line of thetub assembly 1 extending in the front-rear direction, a through limitingrail groove 42 extending in the left-right direction is formed on the bottom wall of the mountinggroove 44, and thebrush body 41 is movably disposed in the limitingrail groove 42. As shown in fig. 4, when thebrush body 41 is located at one end (outer end as shown in fig. 4) of the limitingrail groove 42, thebrush body 41 protrudes beyond the outer bottom wall; as shown in fig. 2, whenbrush body 41 is located at the other end (inner end as shown in fig. 2) of limitingrail groove 42, the projection ofbrush body 41 on the outer bottom wall is located on the outer bottom wall.
As shown in fig. 38 and 39, the bottom wall of the mountinggroove 44 is an inclined surface, and the bottom wall of the mountinggroove 44 gradually inclines toward the barrel opening 142 in a direction from one end (outer end shown in fig. 39) of the limitingrail groove 42 to the other end (inner end shown in fig. 39) of the limitingrail groove 42, that is, the bottom wall of the mountinggroove 44 gradually inclines upward in a direction from the outer end to the inner end of the limitingrail groove 42. When the machine stops working, thebrush body 41 can move to the inner end of the limitingrail groove 42, thebrush body 41 is received under thebarrel assembly 1, and thebrush body 41 can leave the ground, so that when a user needs to move thedust collector 100 when thedust collector 100 does not work, thebrush body 41 is scratched on the ground, and the service life of thebrush body 41 is shortened; machine during operation,brush 41 can move the outer end in spacingtrack groove 42, mainly sweep the peripheral rubbish ofdust catcher 100 below stavingsubassembly 1 so that be siphoned away, design for the inclined plane structure,brush 41 outside and ground fully contact, the inner of the outer diapire that is more toward stavingsubassembly 1 is close to,brush 41 reduces to the effort on ground gradually, can avoid sweeping the rubbish below stavingsubassembly 1 and be taken away bybrush 41 once more like this, can improve and clean the effect.
As shown in fig. 36 and 37, aside wall gear 421 is provided on a front side wall of the limitingrail groove 42, arotation shaft gear 411 engaged with theside wall gear 421 is provided on thebrush body 41, and after thevacuum cleaner 100 is started, thebrush body 41 rotates in the direction shown in fig. 2 and moves outward by the action between theside wall gear 421 and therotation shaft gear 411, and after the position shown in fig. 4 is reached, the position corresponding to the limitingrail groove 42 does not interact with the correspondingside wall gear 421, and thebrush body 41 stops moving, and performs a rotation operation at a fixed position (the position shown in fig. 4). After shutdown, the twobrush bodies 41 start to rotate in opposite directions (i.e., in thedirection 4 shown in fig. 4), the rotatingshaft gear teeth 411 of thebrush bodies 41 interact with the sidewall gear teeth 421 on the limitingtrack groove 42, thebrush bodies 41 move inward, and when thebrush bodies 41 move to the position shown in fig. 2, thebrush bodies 41 also stop rotating.
As shown in fig. 2, 4 and 36, the axes of the twobrush bodies 41 are located on the same straight line m, the straight line m extends along the left-right direction, theair inlet duct 711 is disposed at the rear side of the straight line m and extends along the left-right direction, and during the rotation of thebrush bodies 41, the garbage around the brush bodies can be easily cleaned under theair inlet duct 711 and then sucked into thedust cup assembly 5.
Further, as shown in fig. 2, 4 and 36, themotor box 43 driving thebrush body 41 to rotate is located inside the outer bottom wall of thebarrel assembly 1 and moves along the bottom wall of the mountinggroove 44, the width of the moving track of themotor box 43 is the same as the width of the mountinggroove 44, the outer diameter of thebrush body 41 is D1, the width of the mountinggroove 44 is D2, and the distance between the straight line m and the edge of theinlet 711 of the air inlet duct close to the straight line m is L1, and satisfies: d2/2 is more than or equal to L1 is more than or equal to D1/2. Therefore, not only is peripheral garbage convenient to clean to the airinlet duct inlet 711, but also the structure on the outer bottom wall of thebarrel assembly 1 is more compact, and in addition, the processing of the limitingtrack groove 42 and the airinlet duct inlet 711 is convenient.
Further, as shown in fig. 2, 4 and 36, on the straight line m, the distance between the axes of the twobrush bodies 41 at the end is L2, and the length of theinlet 711 of the air inlet duct is L3, which satisfies: l2 is more than or equal to D1 and less than or equal to L3. As shown in fig. 2, the distance between the axes of the twobrush bodies 41 is L2. Therefore, mutual interference of thebrush bodies 41 in the rotating process can be avoided, the structure on the outer bottom wall of thebarrel assembly 1 can be more compact, and peripheral garbage can be conveniently cleaned to the airinlet duct inlet 711.
As shown in fig. 62-69, theair duct assembly 7 defines anair inlet duct 71 and anair outlet duct 72, theair inlet duct 71 is disposed on thebarrel assembly 1, theair inlet duct 71 and theair outlet duct 72 are both communicated with thedust cup assembly 5, a part of theair outlet duct 72 is disposed on thebarrel cover assembly 2, another part of theair outlet duct 72 is disposed on thebarrel assembly 1, an airinlet duct inlet 711 of theair inlet duct 71 is disposed on thebarrel assembly 1 and located at the lower portion of thebarrel assembly 1, and an airoutlet duct outlet 712 of theair outlet duct 72 is disposed on thebarrel assembly 1 and located at the lower portion of thebarrel assembly 1. Therefore, dust can enter theair duct assembly 7 through the airinlet duct inlet 711 at the lower part of thebarrel assembly 1, air flow with dust enters thedust cup assembly 5 on thebarrel cover assembly 2 through theair inlet duct 71, the dust is collected in thedust cup assembly 5, and air with dust removed is discharged from theair outlet duct 72 at the lower part of thebarrel assembly 1.
When performing a dust removing operation, the airflow carrying dust can enter the airflow passage through the airinlet duct inlet 711 of the tub assembly 1 (the airflow direction shown by the arrow a1 → a2 → a3 in fig. 62), and the airflow entering the airflow passage flows from bottom to top and enters the dirt cup assembly 5 (the airflow direction shown by the arrow a4 → a5 → a6 → a7 → a8 → a9 in fig. 65). The airflow enters thedirt cup assembly 5 and then rotates (in the airflow direction shown by arrow c1 → c2 → c3 → c4 → c5 → c6 in fig. 62), and the airflow enters theair outlet duct 72 through the drivingassembly 93 after being filtered and dedusted in the dirt cup assembly 5 (in the airflow direction shown by arrow c7 → c8 → c9 → c10 in fig. 64). As shown in fig. 65, the airflow in theair outlet duct 72 flows from top to bottom (as shown by the arrow in fig. 65), and finally flows out through the airoutlet duct outlet 712.
As shown in fig. 9 and 11, the driving member is disposed in thelid assembly 2 and located in theair outlet duct 72, and the air flow bypasses the drivingmember 93 and then flows toward theoutlet duct outlet 712. Therefore, the flowing distance of the airflow in theair duct assembly 7 can be prolonged, the outflow speed of the airflow at theoutlet 712 of the air duct can be reduced, and the flowing noise of the airflow can be reduced.
The cross-sectional area of theair outlet duct 72, which is located on thebarrel cover assembly 2, is smaller than the cross-sectional area of theair outlet duct 72, which is located on thebarrel assembly 1. It can be understood that, when the air flows from theair outlet duct 72 in thetub cover assembly 2 to theair outlet duct 72 in thetub assembly 1, the area of theair outlet duct 72 is gradually increased, so that the flow rate of the air flowing out from the airoutlet duct outlet 712 can be reduced, and the noise of the air flowing out from the airoutlet duct outlet 712 can be reduced.
Optionally, a sound absorbing member (not shown) is disposed in theair outlet duct 72, and the sound absorbing member is located in thebarrel assembly 1. Therefore, the noise generated by airflow flowing can be absorbed by arranging the sound absorbing piece in thebarrel assembly 1, so that the noise generated when the garbage can typedust collector 100 removes dust is further reduced, and the comfort of the garbage can typedust collector 100 in use is further improved.
As shown in fig. 13, 79 and 71-78, the outer peripheral wall of thecup body 51 is provided with anair intake partition 57, theair flow inlet 53 is located on theair intake partition 57, thecup body 51 is provided with an airflow guide passage 58 inside, and the airflow guide passage 58 is deviated toward one of the clockwise direction and the counterclockwise direction of thecup body 51 in the radial outside to radial inside direction of thecup body 51.
It should be noted that the airflow guiding channel 58 may be oriented clockwise of thecup 51, and the air flow guiding channel may be oriented counterclockwise of thecup 51. It can be understood that the airflow entering thecup 51 from theairflow inlet 53 can rotate in the cup 51 (as shown in fig. 64), and the rotating airflow direction can be changed when the rotating airflow passes through the airflow guiding channel, so that the flow inertia of the dust can be reduced, and the dust separation effect can be improved.
Theair duct assembly 7 defines anair inlet duct 71 and anair outlet duct 72, theair outlet 56 is communicated with theair outlet duct 72, and theair inlet 53 is communicated with theair inlet duct 71. Therefore, the airflow can enter thedust cup assembly 5 from theairflow inlet 53 through theair inlet duct 71, the dust is filtered and settled in thedust cup assembly 5, and the airflow with most of the dust removed enters theair outlet duct 72 from theairflow outlet 56 and is discharged. The airflow entering from theairflow inlet 53 flows in the circumferential direction of thecup 51, and the airflow flows in the other of the clockwise and counterclockwise directions. Thereby, the dust separating effect can be improved.
It should be noted that, as shown in fig. 67 and 76, the airflow carrying dust enters thedust cup assembly 5 from theairflow inlet 53 through theair inlet duct 71, the airflow rotates along the circumferential direction of thecup body 51, large particles of dust settle at the bottom of thedust cup assembly 5, and theair inlet partition 57 has the function of blocking dust, and part of dust is blocked by theair inlet partition 57 to settle into thedust cup assembly 5 during the airflow passing through theair inlet partition 57. The air flow passing through theair inlet partition 57 flows in thecup 51 in a rotating manner, and the rotating air flow changes its direction of rotation when passing through the airflow guide passage 58, such as from a counterclockwise rotating flow to a clockwise rotating flow (as shown in fig. 67) or from a clockwise rotating flow to a counterclockwise rotating flow. Therefore, the rotation inertia of the fine dust can be reduced, and partial dust is settled and separated, so that the dust content in the airflow is further reduced.
A plurality of enclosingplates 59 are provided in thecup 51, and theairflow guide passage 58 is defined by the enclosingplates 59. As shown in fig. 67 and 76, thecup 51 is provided with a plurality ofshroud plates 59 to define theairflow guide passage 58. Therefore, thedust cup assembly 5 has a simple structure, the processing technology is simplified, and the production cost can be reduced.
Aguide elbow 712 is disposed between theair inlet duct 71 and theair inlet 53 to limit the flow direction of the air entering thecup 51. As shown in fig. 64, aguide elbow 712 is connected between theair inlet duct 71 and theairflow inlet 53, so that theguide elbow 712 has the function of guiding and changing the airflow direction, thereby enabling the airflow to smoothly flow from theair inlet duct 71 into thecup 51.
In the description herein, references to the description of the term "one embodiment," "some embodiments," "an illustrative embodiment," "an example," "a specific example," or "some examples" or the like mean that a particular feature, structure, material, or characteristic described in connection with the embodiment or example is included in at least one embodiment or example of the invention. In this specification, the schematic representations of the terms used above do not necessarily refer to the same embodiment or example. Furthermore, the particular features, structures, materials, or characteristics described may be combined in any suitable manner in any one or more embodiments or examples.
While embodiments of the invention have been shown and described, it will be understood by those of ordinary skill in the art that: various changes, modifications, substitutions and alterations can be made to the embodiments without departing from the principles and spirit of the invention, the scope of which is defined by the claims and their equivalents.

Claims (13)

CN201710633031.4A2017-07-282017-07-28Garbage can type dust collectorActiveCN107233044B (en)

Priority Applications (1)

Application NumberPriority DateFiling DateTitle
CN201710633031.4ACN107233044B (en)2017-07-282017-07-28Garbage can type dust collector

Applications Claiming Priority (1)

Application NumberPriority DateFiling DateTitle
CN201710633031.4ACN107233044B (en)2017-07-282017-07-28Garbage can type dust collector

Publications (2)

Publication NumberPublication Date
CN107233044A CN107233044A (en)2017-10-10
CN107233044Btrue CN107233044B (en)2020-03-06

Family

ID=59989018

Family Applications (1)

Application NumberTitlePriority DateFiling Date
CN201710633031.4AActiveCN107233044B (en)2017-07-282017-07-28Garbage can type dust collector

Country Status (1)

CountryLink
CN (1)CN107233044B (en)

Families Citing this family (1)

* Cited by examiner, † Cited by third party
Publication numberPriority datePublication dateAssigneeTitle
CN113349673B (en)*2021-07-162024-10-11湖州众驰建材有限公司Dust collection device for cement preparation workshop

Citations (8)

* Cited by examiner, † Cited by third party
Publication numberPriority datePublication dateAssigneeTitle
JPS5147567U (en)*1974-10-071976-04-08
CN201033059Y (en)*2007-03-292008-03-12苏州金莱克家用电器有限公司Dust removing device for dust aspirator
CN101884512A (en)*2010-06-292010-11-17上海中为智能机器人有限公司Side brush device of cleaning robot
CN103402412A (en)*2011-09-232013-11-20Lg电子株式会社Automatic vacuum cleaner
CN103784078A (en)*2012-11-022014-05-14青岛理工大学琴岛学院Intelligent garbage can
CN104068793A (en)*2013-03-292014-10-01日立空调·家用电器株式会社 electric vacuum cleaner
CN204776970U (en)*2015-05-152015-11-18广东海洋大学Multifunctional wastebasket
CN205697560U (en)*2016-03-302016-11-23杭州寇古科技有限公司A kind of Intelligent robot for sweeping floor

Family Cites Families (1)

* Cited by examiner, † Cited by third party
Publication numberPriority datePublication dateAssigneeTitle
US7571511B2 (en)*2002-01-032009-08-11Irobot CorporationAutonomous floor-cleaning robot

Patent Citations (8)

* Cited by examiner, † Cited by third party
Publication numberPriority datePublication dateAssigneeTitle
JPS5147567U (en)*1974-10-071976-04-08
CN201033059Y (en)*2007-03-292008-03-12苏州金莱克家用电器有限公司Dust removing device for dust aspirator
CN101884512A (en)*2010-06-292010-11-17上海中为智能机器人有限公司Side brush device of cleaning robot
CN103402412A (en)*2011-09-232013-11-20Lg电子株式会社Automatic vacuum cleaner
CN103784078A (en)*2012-11-022014-05-14青岛理工大学琴岛学院Intelligent garbage can
CN104068793A (en)*2013-03-292014-10-01日立空调·家用电器株式会社 electric vacuum cleaner
CN204776970U (en)*2015-05-152015-11-18广东海洋大学Multifunctional wastebasket
CN205697560U (en)*2016-03-302016-11-23杭州寇古科技有限公司A kind of Intelligent robot for sweeping floor

Also Published As

Publication numberPublication date
CN107233044A (en)2017-10-10

Similar Documents

PublicationPublication DateTitle
CN107374501B (en)Bung component of garbage can type dust collector and garbage can type dust collector with same
CN107212807B (en)Garbage can type dust collector
USRE43804E1 (en)Hand-holdable vacuum cleaners
CN109124475B (en)Dust collector combination and push rod type dust collector
JP6455736B2 (en) Hand-held vacuum cleaner
CA2821234C (en)Vacuum cleaner
US20070163075A1 (en)Stair cleaning vacuum cleaner
US10828649B2 (en)Cyclonic air treatment member and surface cleaning apparatus including the same
JP3224651U (en) Vacuum cleaner and smoke reduction device
CN107348899B (en)bung component of garbage can type dust collector and garbage can type dust collector with same
CN107233044B (en)Garbage can type dust collector
CN107334421B (en)Garbage can type dust collector
CN208573568U (en)Dustbin type dust catcher
KR20060128387A (en) Vacuum cleaner
CN107374500A (en)Dustbin type dust catcher
CN208435461U (en)The staving component of dustbin type dust catcher and dustbin type dust catcher with it
CN208573567U (en)Dustbin type dust catcher
CN107348896A (en)Dustbin type dust catcher
CN208573562U (en)Dustbin type dust catcher
CN208286931U (en)Dustbin type dust catcher
CN208435459U (en)Dustbin type dust catcher
CN208435463U (en)The bung component and dustbin type dust catcher of dustbin type dust catcher
CN208435460U (en)Dustbin type dust catcher
CN208573563U (en)Dustbin type dust catcher
CN208435457U (en)Dustbin type dust catcher

Legal Events

DateCodeTitleDescription
PB01Publication
PB01Publication
SE01Entry into force of request for substantive examination
SE01Entry into force of request for substantive examination
GR01Patent grant
GR01Patent grant

[8]ページ先頭

©2009-2025 Movatter.jp