Movatterモバイル変換


[0]ホーム

URL:


CN107172750B - Control circuit and lighting device - Google Patents

Control circuit and lighting device
Download PDF

Info

Publication number
CN107172750B
CN107172750BCN201710433689.0ACN201710433689ACN107172750BCN 107172750 BCN107172750 BCN 107172750BCN 201710433689 ACN201710433689 ACN 201710433689ACN 107172750 BCN107172750 BCN 107172750B
Authority
CN
China
Prior art keywords
circuit
input
signal
resistor
voltage
Prior art date
Legal status (The legal status is an assumption and is not a legal conclusion. Google has not performed a legal analysis and makes no representation as to the accuracy of the status listed.)
Active
Application number
CN201710433689.0A
Other languages
Chinese (zh)
Other versions
CN107172750A (en
Inventor
文威
Current Assignee (The listed assignees may be inaccurate. Google has not performed a legal analysis and makes no representation or warranty as to the accuracy of the list.)
Opple Lighting Co Ltd
Original Assignee
Opple Lighting Co Ltd
Priority date (The priority date is an assumption and is not a legal conclusion. Google has not performed a legal analysis and makes no representation as to the accuracy of the date listed.)
Filing date
Publication date
Application filed by Opple Lighting Co LtdfiledCriticalOpple Lighting Co Ltd
Priority to CN201710433689.0ApriorityCriticalpatent/CN107172750B/en
Publication of CN107172750ApublicationCriticalpatent/CN107172750A/en
Application grantedgrantedCritical
Publication of CN107172750BpublicationCriticalpatent/CN107172750B/en
Activelegal-statusCriticalCurrent
Anticipated expirationlegal-statusCritical

Links

Images

Classifications

Landscapes

Abstract

The invention provides a control circuit and a lighting device, wherein the control circuit comprises a voltage reduction circuit, an average value calculation circuit, a dimming interface circuit, an operational amplifier circuit, a logic circuit, a clock signal generator, a sampling unit and a detection unit, wherein the average value calculation circuit calculates an inductance current average value based on an inductance current peak value and an inductance current conduction proportion. Comparing the average value of the inductance current of the operational amplifier circuit with the inductance current reference value input by the dimming interface circuit, and outputting the comparison result as a first output signal to the logic circuit; the logic circuit controls the turn-off and turn-on of the first switch in the voltage-reducing circuit based on the first output signal and the clock signal input by the clock signal generator, and adjusts the magnitude of the inductor current by controlling the duty ratio of the first switch in the voltage-reducing circuit, thereby adjusting the magnitude of the current of the load connected with the inductor. The control circuit is simple and convenient, and the lighting device provided with the control circuit has wide dimming range and low cost.

Description

Control circuit and lighting device
Technical Field
The present invention relates to the field of lighting, and in particular, to a control circuit and a lighting device.
Background
At present, the step-down circuit has high conversion efficiency due to the small number of components, is suitable for converting from high-voltage input to low-voltage output, and is increasingly widely applied to LED driving circuits.
However, the step-down circuit works in a critical current mode, the working frequency of the step-down circuit is changed along with the input voltage and the load, the working frequency of the step-down circuit is increased along with the increase of the dimming depth, when the working frequency is high enough, the signal delay generated by the control circuit can greatly influence the working of the circuit, the inductance current is not in the critical working mode any more, the current peak value and the average value are not in linear proportion any more, the output current cannot be further reduced in proportion to the first output signal, and the dimming range of the circuit is limited.
Disclosure of Invention
The present invention provides a control circuit and a lighting device to overcome or at least partially solve the above problems.
According to an aspect of the present invention, there is provided a control circuit including a step-down circuit including: the first switch and the inductor are connected with the first switch;
the control circuit further includes: the device comprises an average value calculation circuit, a dimming interface circuit, an operational amplifier circuit, a logic circuit, a clock signal generator, a sampling unit and a detection unit, wherein,
The sampling unit is connected with the first switch in series, acquires an inductance current peak value of the voltage reduction circuit, and inputs the inductance current peak value to the average value calculation circuit;
the detection unit is connected to the voltage reduction circuit, detects the conduction proportion of the inductance current of the voltage reduction circuit, and inputs the conduction proportion of the inductance current into the average value calculation circuit;
the average value calculation circuit calculates an inductance current average value based on the inductance current peak value input by the sampling unit and the inductance current conduction proportion input by the detection unit, and inputs the inductance current average value to the operational amplifier circuit;
the dimming interface circuit is connected with the operational amplifier circuit and inputs the inductance current reference value converted by the received control signal to the operational amplifier circuit;
the first input end of the operational amplifier circuit is connected with the average value calculation circuit, the second input end of the operational amplifier circuit is connected with the dimming interface circuit, the comparison is carried out based on the average value of the inductance current and the inductance current reference value, and the comparison result is output to the logic circuit as a first output signal;
the clock signal generator is connected with the logic circuit and inputs a clock signal with fixed frequency to the logic circuit;
The logic circuit is connected with the output ends of the operational amplifier circuit and the clock signal generator at the same time, and controls the turn-off and turn-on of a first switch in the voltage reduction circuit according to the first output signal and the clock signal, and the magnitude of the inductance current of the voltage reduction circuit is adjusted by controlling the duty ratio of the first switch, so that the inductance current is equal to the inductance current reference value, and the current magnitude of a load connected with the inductance is adjusted.
Optionally, the step-down circuit further includes a diode and a first capacitor, the other end of the first switch is connected to the positive electrode of the diode and one end of the inductor at the same time, the other end of the inductor is connected to one end of the first capacitor, and the other end of the first capacitor is connected to the negative electrode of the diode.
Optionally, the detection unit includes a first resistor, a second resistor and an auxiliary winding coupled with the inductor, one end of the auxiliary winding coupled with the inductor is connected with one end of the first resistor, the other end of the auxiliary winding is grounded, the other end of the first resistor is grounded through the second resistor, one end of the first resistor connected with the second resistor is connected with the average value calculation circuit, and the conduction proportion of the inductor current is obtained by detecting one end of the first resistor connected with the second resistor.
Optionally, the sampling unit includes a sampling resistor, and the average value calculating circuit collects the on current of the first switch as an inductor current peak value through the sampling resistor.
Optionally, the dimming interface circuit filters, isolates or scales the control signal to obtain an inductor current reference value, and inputs the inductor current reference value to the second input end of the operational amplifier circuit.
Optionally, the dimming interface circuit includes:
the voltage dividing unit is used for converting the control signal into an inductive current reference voltage according to an internal reference signal, wherein the internal reference signal is a stable voltage signal;
the low-pass filtering unit is connected to the voltage dividing unit, filters out high-frequency components of the induction current reference voltage, and feeds the filtered induction current reference voltage back to the second input end of the operational amplifier circuit as the induction current reference value.
Optionally, the voltage dividing unit in the dimming interface circuit includes: the low-pass filter unit comprises a second capacitor and a fourth resistor, wherein an internal reference signal is connected into one end of the fourth resistor through the third resistor, the other end of the fourth resistor is connected with a second input end of the operational amplifier circuit, the other end of the third resistor is also connected with one end of the adjustable resistor, one end of the adjustable resistor is connected with one end of the second capacitor, the other end of the second capacitor is connected with one end of the fourth resistor, and the other end of the adjustable resistor and one end of the second capacitor are grounded simultaneously.
Optionally, the adjustable resistor divides the internal reference signal, and a voltage obtained by dividing the internal reference signal by the adjustable resistor is the inductor current reference value.
Optionally, the dimming interface circuit further comprises: and a signal receiving unit configured to receive the control signal.
Optionally, the control signal comprises a direct current signal or a PWM pulse width modulated signal.
Optionally, if the first input end of the operational amplifier circuit is a negative input end and the second input end of the operational amplifier circuit is a positive input end, the operational amplifier circuit compares the average value of the inductor current input by the average value calculating circuit with the inductor current reference value input by the dimming interface circuit, and outputs the comparison result as a first output signal to the logic circuit includes:
if the inductance current average value is smaller than the inductance current reference value, the first output signal output by the operational amplifier circuit is increased;
and if the inductance current average value is larger than the inductance current reference value, the first output signal output by the operational amplifier circuit is reduced.
Optionally, the logic circuit comprises a comparator and a flip-flop;
The first input end of the comparator is connected with the output end of the operational amplifier circuit, receives a first output signal input by the operational amplifier circuit, receives a comparison parameter, compares the first output signal with the comparison parameter, and inputs a comparison result as a second output signal to the trigger;
the trigger receives the second output signal input by the comparator and the clock signal input by the clock signal generator at the same time, controls the turn-off of the first switch according to the second output signal input by the comparator so as to reduce the peak value of the inductive current, and controls the turn-on of the first switch according to the clock signal with fixed frequency input by the clock signal generator so as to increase the peak value of the inductive current.
Optionally, the comparison parameter is a signal input by the clock signal generator or an inductor current peak value input by the sampling unit.
Optionally, if the first input end of the comparator is a negative input end and the second input end of the comparator is a positive input end, the comparator compares the first output signal with the comparison parameter, and if the comparison parameter is the signal input by the clock signal generator, the step of inputting the comparison result as a second output signal to the flip-flop includes:
If the first output signal is greater than the comparison parameter, the second output signal output by the comparator is at a low level;
and if the first output signal is smaller than the comparison parameter, the second output signal output by the comparator is high level.
Optionally, the logic circuit controls the first switch to be turned on according to a clock signal with a fixed frequency input by the clock signal generator, and controls the first switch to be turned off until the voltage of a first output signal input by the operational amplifier circuit is smaller than the voltage of the clock signal, so as to control the on time of the first switch to control the on duty ratio of the first switch.
Optionally, the clock signal generator comprises an oscillator.
Optionally, the first switch is a MOS transistor, the trigger is an RS trigger, a reset end of the RS trigger is connected to the output end of the comparator, and an enable end of the RS trigger is connected to the clock signal generator;
when the comparator outputs a low level, the RS trigger keeps outputting a high level, and the MOS tube is conducted;
when the comparator outputs a high level, the RS trigger outputs reset, the MOS tube is turned off, and the on-time of the first switch is controlled to further control the on-duty ratio of the first switch.
Alternatively, the inductor current average is calculated according to the following formula,
Figure SMS_1
wherein lavg represents the inductance current average value; ipk represents the inductor current peak; t represents the working period of the first switch, namely the period of the clock signal output by the clock signal generator; t1 represents the on time of the MOS tube; t2 represents the time when the inductor current drops from the peak value to zero; rs represents the magnitude of the sampling resistor; vcs represents the voltage of the sampling resistor Rs.
Optionally, if the operational amplifier circuit is stable, the signals input by the first input end and the second input end of the operational amplifier circuit are equal, and the following formula is given:
Figure SMS_2
wherein lavg represents the inductance current average value; vref represents the voltage of the internal reference signal; rext represents the adjustable resistance value; r3 represents the third resistance value.
Optionally, if the peak value of the inductor current is used as a comparison parameter, when the control signal is a PWM signal, the PWM signal controls the coupling circuit to be turned on or off, if the coupling circuit is turned on, the reference voltage of the inductor current is zero, and if the coupling circuit is turned off, the reference voltage of the inductor current is the voltage of the internal reference signal;
and controlling the connection or disconnection of the coupling circuit by adjusting the PWM signal, so as to adjust the magnitude of the inductor current reference voltage and further adjust the magnitude of the comparison parameter.
Optionally, the inductor current reference value is calculated according to the following formula:
inductor current reference = vref× (1-D)
Where Vref represents the voltage of the internal reference signal and D represents the duty cycle of the PWM signal.
Optionally, the control circuit further includes an output driving circuit, and the first switch is driven to be turned on or turned off according to an output signal of the logic circuit.
According to another aspect of the present invention, there is provided a lighting device comprising:
a chip integrated with the control circuit of any one of claims 1-23;
a light source device as a load, an inductance connected to the control circuit;
the control circuit receives an externally input control signal and converts the control signal into an inductance current reference value, and the inductance current of the control circuit is adjusted to be equal to the inductance current reference value by adjusting the inductance current of the control circuit so as to adjust the current of the light source device.
Optionally, the externally input control signal includes: and a control instruction sent by the external equipment, wherein the control instruction comprises a target parameter for adjusting the light source device.
Optionally, the external device includes any one of the following: switch, intelligent terminal, sensor.
The invention provides a control circuit and a lighting device, wherein the control circuit comprises a voltage-reducing circuit, an average value calculating circuit, a dimming interface circuit, an operational amplifier circuit, a logic circuit and a clock signal generator, wherein the operational amplifier circuit can compare an inductance current average value in the voltage-reducing circuit with an inductance current reference value input by the dimming interface circuit according to the obtained inductance current average value, output the comparison result as a first output signal, the logic circuit analyzes according to the first output signal input by the operational amplifier circuit and the clock signal input by the clock signal generator, and further controls the turn-off and turn-on of a first switch in the voltage-reducing circuit, and further controls the duty ratio of the first switch in the voltage-reducing circuit to adjust the magnitude of inductance current of the voltage-reducing circuit, so that the inductance current is equal to the inductance current reference value, and further realizes the adjustment of the current magnitude of a load connected with the first switch in the voltage-reducing circuit through changing the inductance current reference value. The control circuit provided by the invention is simple and convenient, the change condition of the inductance current can be obtained more accurately, and the lighting device provided with the control circuit has wide dimming range and low cost.
The foregoing description is only an overview of the present invention, and is intended to be implemented in accordance with the teachings of the present invention in order that the same may be more clearly understood and to make the same and other objects, features and advantages of the present invention more readily apparent.
The above, as well as additional objectives, advantages, and features of the present invention will become apparent to those skilled in the art from the following detailed description of a specific embodiment of the present invention when read in conjunction with the accompanying drawings.
Drawings
Various other advantages and benefits will become apparent to those of ordinary skill in the art upon reading the following detailed description of the preferred embodiments. The drawings are only for purposes of illustrating the preferred embodiments and are not to be construed as limiting the invention. Also, like reference numerals are used to designate like parts throughout the figures. In the drawings:
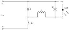
fig. 1 is a schematic diagram of a step-down circuit according to an embodiment of the present invention;
FIG. 2 is a waveform diagram of the switching drive and inductor current in the buck circuit shown in FIG. 1;
FIG. 3 is a schematic diagram of a control circuit configuration according to one embodiment of the invention;
FIG. 4 is a schematic diagram of a control circuit according to another embodiment of the invention
FIG. 5 is a schematic diagram of a control circuit configuration according to a preferred embodiment of the present invention;
FIG. 6 is a waveform diagram of the switch drive, inductor current and auxiliary winding voltage in the control circuit of FIG. 5;
fig. 7 is a schematic diagram of a control circuit structure according to another preferred embodiment of the present invention.
Detailed Description
Exemplary embodiments of the present disclosure will be described in more detail below with reference to the accompanying drawings. While exemplary embodiments of the present disclosure are shown in the drawings, it should be understood that the present disclosure may be embodied in various forms and should not be limited to the embodiments set forth herein. Rather, these embodiments are provided so that this disclosure will be thorough and complete, and will fully convey the scope of the disclosure to those skilled in the art.
Fig. 1 shows a schematic diagram of a step-down circuit, where Q is a switching device, D is a freewheeling diode, L is an inductor, an output electrolytic capacitor C is connected in parallel with a load LED, and the inductor L and the electrolytic capacitor C mainly filter high-frequency noise of the switching power supply to ensure that the output is low ripple dc.
The LED is a current driven light emitting device, and the control of the voltage reducing circuit mainly aims at controlling output current. In the schematic circuit of fig. 1, the switch Q is grounded, so that on one hand, the control chip of the switch Q and the control signal can be connected in common, thereby reducing the circuit cost and ensuring that the control signal can be simply and reliably connected to the control chip; on the other hand, it becomes difficult to collect the current of the output LED. The current solution is to make the step-down circuit work in a critical current mode, and calculate the current of the output LED by collecting the peak value of the inductance current.
Fig. 2 is a key waveform of a step-down circuit operating in a critical current mode. The switch driving signal controls the work of Q, when the driving signal is at a high level, the switch Q is conducted, and the inductance current linearly rises; when the driving signal is at a low level, the switch Q is disconnected, and the inductance current linearly drops; when the inductor current drops to zero, the control chip turns on the switch Q again, starting another cycle.
The inductance current is output to the load after being filtered by the electrolytic capacitor C, and the average value of the inductance current is equal to the output current. From the waveform of the second graph, the inductor current is a continuous triangle, the average value is equivalent to half of the peak value, the peak value of the inductor current is controlled, the change of the output current can be realized, and the peak value of the inductor current can be obtained by detecting the conducting current of the switch Q because the current flowing through the switch Q when the switch Q is conducted is equal to the inductor current.
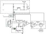
The embodiment of the invention provides a control circuit, which is shown in fig. 4 and 5, and the control circuit provided by the embodiment of the invention comprises: thevoltage reducing circuit 10, the averagevalue calculating circuit 20, the dimminginterface circuit 30, theoperational amplifier circuit 40, thelogic circuit 50, theclock signal generator 60, thesampling unit 70, and the detectingunit 80.
One end of a first switch Q in thevoltage reducing circuit 10 is connected to the inductor, and the other end of the first switch Q is connected in series with thesampling unit 70 and is grounded through thesampling unit 70. The first switch is preferably a MOS transistor, and the first switches described in the embodiments of the present invention are described by taking the MOS transistor as an example, however, a common switch or a device with a similar function may also be used, and the present invention is not limited thereto.
In the embodiment of the present invention, thesampling unit 70 collects the peak value of the inductor current of the voltage-reducingcircuit 10 and inputs the peak value into the averagevalue calculating circuit 20, and the detectingunit 80 is connected to the voltage-reducingcircuit 10 for detecting the conduction ratio of the inductor current in the voltage-reducingcircuit 10 and inputting the conduction ratio of the inductor current into the averagevalue calculating circuit 20. The averagevalue calculation circuit 20 calculates an average value of the inductor current based on the peak value of the inductor current input from thesampling unit 70 and the conduction ratio of the inductor current input from the detectingunit 80, and inputs the average value of the inductor current to theoperational amplifier circuit 40; the dimminginterface circuit 30 is connected with theoperational amplifier circuit 40, and inputs the inductance current reference value converted by the received control signal to theoperational amplifier circuit 40; a first input terminal of theoperational amplifier circuit 40 is connected to the averagevalue calculating circuit 20, a second input terminal of theoperational amplifier circuit 40 is connected to the dimminginterface circuit 30, and the average value of the inductor current input by the averagevalue calculating circuit 20 is compared with the inductor current reference value input by the dimminginterface circuit 30, and the comparison result is output to thelogic circuit 50 as a first output signal.
Thelogic circuit 50 may be connected to the output terminals of theoperational amplifier circuit 40 and theclock signal generator 60 at the same time, and may control the turn-off and turn-on of the first switch Q in the voltage-reducingcircuit 10 according to the first output signal input by theoperational amplifier circuit 40 and the clock signal input by theclock signal generator 60, and adjust the magnitude of the inductor current of the voltage-reducingcircuit 10 by controlling the duty ratio of the first switch Q in the voltage-reducingcircuit 10, so that the inductor current is equal to the inductor current reference value, and further adjust the magnitude of the current of the load connected to the inductor L in the voltage-reducingcircuit 10.
Theclock signal generator 60 may output a clock signal of a fixed frequency to operate the control circuit in a fixed frequency mode. In the embodiment of the invention, the load connected with the inductor may be a light source device LED, or may be a light source such as a CCFL (Cold Cathode Fluorescent Lamp ) or other devices, and the invention is not limited in particular.
The embodiment of the invention provides a dimming control method based on a voltage reduction circuit, wherein the voltage reduction circuit works at a fixed frequency, the duty ratio of a first switch in the voltage reduction circuit is changed, so that an inductance current value is infinitely close to an inductance current reference value, and the inductance current is equal to the inductance current reference value. The embodiment of the invention indirectly calculates the inductor current evaluation value through the inductor current peak value and the conduction proportion, and compared with the direct detection of the inductor current, the embodiment of the invention is simpler, easier to realize and lower in cost.
Optionally, as shown in fig. 4, the control circuit provided in the embodiment of the present invention may further include anoutput driving circuit 90, which is connected to the output end of thelogic circuit 50 and the first switch Q, and theoutput driving circuit 90 drives on or off of the first switch Q according to an output signal of thelogic circuit 40.
In the control circuit provided by the preferred embodiment of the present invention, as shown in fig. 5, the step-down circuit 10 may further include a diode D and a first capacitor C1, one end of the first switch Q is connected to the positive electrode of the diode D and one end of the inductor L at the same time, the other end of the inductor L is connected to one end of the first capacitor C1, and the other end of the first capacitor C1 is connected to the negative electrode of the diode D.
In the preferred embodiment, thesampling unit 70 may include a sampling resistor Rs, the averagevalue calculating circuit 20 uses the conduction current of the first switch Q collected by the sampling resistor Rs as an inductor current peak value, and the averagevalue calculating circuit 20 calculates an inductor current average value based on the inductor current peak value and the inductor current conduction ratio, and inputs the inductor current average value to the first input terminal of theoperational amplifier circuit 40.
Thedetection unit 80 may include an auxiliary winding Laux (the same name end is shown in fig. 5) coupled to the inductor L, a first resistor R1 and a second resistor R2, where one end of the auxiliary winding Laux coupled to the inductor L is connected to one end of the first resistor R1, the other end of the auxiliary winding Laux is grounded, the other end of the first resistor R1 is grounded through the second resistor R2, and one end of the first resistor R1 connected to the second resistor R2 is connected to the averagevalue calculation circuit 20, and the conduction ratio of the inductor current L is obtained by detecting the one end of the first resistor R1 connected to the second resistor R2.
The dimminginterface circuit 30 may filter, isolate or scale the control signal to obtain an inductor current reference value, and input the inductor current reference value to the second input end of theoperational amplifier circuit 40, so as to ensure that the inductor current reference value is a low ripple dc voltage corresponding to the control signal.
Further, as in fig. 4, the dimminginterface circuit 30 may include: avoltage dividing unit 31 and a low-pass filtering unit 32
Thevoltage dividing unit 31 converts the control signal into an inductor current reference voltage according to an internal reference signal, wherein the internal reference signal is a stable voltage signal; the low-pass filtering unit 32 is connected to thevoltage dividing unit 31, filters out high frequency components of the inductor current reference voltage, and feeds back the filtered inductor current reference voltage as an inductor current reference value to the positive input end of theoperational amplifier circuit 40.
In a preferred embodiment of the present invention, as shown in fig. 5, thevoltage dividing unit 31 may include: the low-pass filter unit 32 may include a second capacitor C2 and a fourth resistor R4, where the voltage Vref of the internal reference signal is connected to one end of the fourth resistor R4 through the third resistor R3, the other end of the fourth resistor R4 is connected to the second input end of the op-amp circuit 40, the other end of the third resistor R3 is further connected to one end of the adjustable resistor Rext, one end of the adjustable resistor Rext is connected to one end of the second capacitor C2, the other end of the second capacitor C2 is connected to one end of the fourth resistor R4, and the other end of the adjustable resistor Rext and one end of the second capacitor C2 are grounded at the same time. The voltage Vref of the internal reference signal is divided by the adjustable resistor Rext, and the voltage obtained by dividing the voltage Vref of the internal reference signal through the adjustable resistor Rext is used as an inductance current reference value.
Alternatively, the dimminginterface control circuit 30 may further include asignal receiving unit 33 for receiving a control signal inputted from the outside. For example, the control signal received by the dimmingcontrol interface circuit 30 may be a PWM (Pulse Width Modulation ) signal, but may also be a dc signal or other signals, which is not limited by the present invention.
When theoperational amplifier circuit 40 receives the average inductor current value and the reference inductor current value, it performs an operational analysis, compares the average inductor current value with the reference inductor current value, and outputs the comparison result as a first output signal to thelogic circuit 50. Preferably, if the first input terminal of theoperational amplifier circuit 40 is a negative input terminal and the second input terminal of theoperational amplifier circuit 40 is a positive input terminal, theoperational amplifier circuit 40 compares the average value of the inductor current input by the averagevalue calculating circuit 20 with the inductor current reference value input by the dimming interface circuit, and outputs the comparison result as a first output signal to thelogic circuit 50 comprises:
if the average value of the inductor current is smaller than the reference value of the inductor current, the first output signal output by theoperational amplifier circuit 40 increases;
if the inductor current average value is greater than the inductor current reference value, the first output signal output by the op-amp circuit 40 decreases.
Thelogic circuit 50 may include acomparator 51 and a flip-flop 52;
a first input terminal of thecomparator 51 is connected to the output terminal of theoperational amplifier circuit 40, receives the first output signal input by theoperational amplifier circuit 40, receives the comparison parameter, compares the first output signal with the comparison parameter, and inputs the comparison result as a second output signal to thetrigger 52;
the flip-flop 52 receives the second output signal input from thecomparator 51 and the clock signal input from theclock signal generator 60 at the same time, and controls the turn-off of the first switch Q according to the second output signal input from thecomparator 51 to reduce the peak value of the inductor current, and controls the turn-on of the first switch Q according to the clock signal of a fixed frequency input from theclock signal generator 60 to increase the peak value of the inductor current.
Alternatively, the above-mentioned comparison parameter is the signal input from theclock signal generator 60 or the peak value of the inductor current input from thesampling unit 70.
Preferably, if the first input terminal of thecomparator 51 is a negative input terminal and the second input terminal of thecomparator 51 is a positive input terminal, thecomparator 51 compares the first output signal with the comparison parameter, and if the comparison parameter is a signal input by the clock signal generator, the comparison result is input to the flip-flop 52 as a second output signal, including: if the first output signal is greater than the comparison parameter, the second output signal output by thecomparator 51 is at a low level; if the first output signal is smaller than the comparison parameter, the second output signal outputted from thecomparator 51 is high. The signal input from theclock signal generator 60 may be a sawtooth wave, and thecomparator 51 may compare the voltage of the sawtooth wave input from theclock signal generator 60 with the voltage of the first output signal.
Thelogic circuit 50 may control the first switch Q to be turned on according to a clock signal with a fixed frequency input by theclock signal generator 60, until the voltage of the first output signal input by theoperational amplifier circuit 40 is less than the voltage of the clock signal, the first switch Q is controlled to be turned off, and the on time of the first switch Q is controlled by the logic circuit to control the on duty ratio of the first switch Q.
The flip-flop 52 is preferably an RS flip-flop, the reset terminal (i.e. R terminal) of the RS flip-flop is connected to the output terminal of thecomparator 51, the enable terminal (i.e. S terminal) is connected to theclock signal generator 60, and the output of the RS flip-flop is directly connected to the first switch Q. When thecomparator 51 outputs a low level, the RS flip-flop keeps outputting a high level, and the first switch Q is turned on; when thecomparator 51 outputs a high level, the RS flip-flop output is reset, the first switch Q is turned off, and the on-duty of the first switch Q is controlled by controlling the on-time of the first switch Q.
As shown in fig. 5, theoperational amplifier circuit 40 is preferably an operational amplifier U1; u2 represents thecomparator 51; the flip-flop 52 is preferably an RS flip-flop, denoted by U3; theclock signal generator 60 is preferably an oscillator, indicated by U4. Briefly, the conduction of the first switch Q is fixedly generated by the oscillator U4 through the RS flip-flop U3, the oscillator U4 outputs a fixed period T, and the circuit operates in a fixed frequency mode. After the switch is conducted, the inductance L has an energy storage function, so that the inductance current linearly rises, and the current also flows through the first switch Q and is fed back to the control circuit through the sampling resistor Rs; during the conduction period of the first switch, the voltage of the auxiliary winding Laux is induced to be negative at the same name end. After time t1, the first switch Q is turned off, the inductor current linearly decreases, and the voltage induction of the auxiliary winding is positive at the same-name end. Over time t2, the inductor current drops to zero, and the voltage of the auxiliary winding Laux drops simultaneously, and the on time of the inductor current can be obtained by detecting the drop of the voltage.
According to fig. five, the average value Iavg of the inductor current can be expressed as:
Figure SMS_3
wherein lavg represents the inductance current average value; ipk represents the inductor current peak; t represents the working period of the first switch Q, namely the period of the clock signal output by the clock signal generator; t1 represents the on time of the MOS tube; t2 represents the time when the inductor current drops from the peak value to zero; rs represents the magnitude of the sampling resistor; vcs represents the voltage of the sampling resistor Rs.
The peak value of the inductor current can be obtained by sampling the voltage Vcs of the resistor Rs; (t1+t2)/T is the conduction ratio of the inductor current, which can be obtained by detecting the voltage of the auxiliary winding Laux. Therefore, the inductor current average value can be calculated by detecting the inductor current peak value and the conduction ratio.
The inductance current reference value is obtained by dividing the voltage Vref of the internal reference signal by the adjustable resistor Rext and the third resistor R3, fig. 6 shows a control circuit adjusting mode in which the control signal is a direct current signal, and the magnitude of the divided voltage Vdim can be changed by changing the resistance value of the adjustable resistor Rext. The divided voltage Vdim is fed back to the positive terminal of the operational amplifier U1 through the low-pass filtering unit 32 formed by the fourth resistor R4 and the second capacitor C2, and the selection of the fourth resistor R4 and the second capacitor C2 enables the high-frequency component of the divided voltage Vdim to be filtered, so as to ensure that the voltage fed back to the positive terminal of the operational amplifier U1 is a low-ripple direct current signal.
When the operational amplifier is input in steady state, i.e. the inductor current average value is equal to the inductor current reference value, the following formula is given:
Figure SMS_4
wherein lavg represents the inductance current average value; vref represents the voltage of the internal reference signal; rext represents the adjustable resistance value; r3 represents the third resistance value.
The output of the operational amplifier U1 is connected to the negative terminal of the comparator U2, the positive terminal of the comparator U2 is a sawtooth wave generated by the oscillator U4, and the time length of t1 is determined by comparing the output of the U1 and the voltage of the sawtooth wave. When the output of the operational amplifier U1 is higher than the sawtooth voltage, the comparator U2 outputs a low level, and the RS trigger U3 keeps outputting a high level; when the output of the operational amplifier U1 is lower than the sawtooth voltage, the comparator U2 outputs a high level, and the RS flip-flop U3 outputs a reset. The frequency and the amplitude of the sawtooth wave are kept unchanged, if the average value of the inductance current is lower than the reference value, the output of the operational amplifier U1 is increased, and the time of t1 is correspondingly increased; if the inductor current average is higher than the reference value, the op amp U1 output decreases, correspondingly decreasing the time t 1. The oscillator U4 outputs a trigger signal to the RS flip-flop U3 every a fixed period T to output a high level, and turns on the first switch Q.
Another preferred embodiment of the present invention also provides a control circuit as shown in fig. 7. Which is similar to the control circuit principle shown in fig. 5. The difference is that the control signal is changed to a PWM dimming signal, and a second switch S is added in the dimminginterface circuit 30, and the PWM dimming signal controls the second switch S to be turned on and off. When the second switch S is turned on, vdim is low; when the second switch S is turned off, vdim is equal to the voltage Vref of the reference signal. The fourth resistor R4 and the second capacitor C2 form a low-pass filter, so as to ensure that high-frequency components of the PWM input are filtered, so that the inductor current reference value is equivalent to the average value of Vdim, and if the duty ratio of the PWM signal is D, there are:
inductor current reference = vref× (1-D)
The positive end of the comparator U2 is input, the sawtooth wave output by the oscillator U4 is not adopted, and the voltage Vcs signal of the sampling resistor Rs is multiplexed, so that the output of the U1 is a control signal, and the magnitude of Vcs, namely the magnitude of the peak value of the inductance current, is controlled through the comparator U2. At the beginning of each period, the oscillator U4 outputs a clock signal, the RS trigger U3 outputs a high level, the first switch Q is conducted, when the first output signal output by the operational amplifier U1 is larger than the voltage Vcs of the sampling resistor Rs, the comparator U2 outputs a low level, and the RS trigger U3 keeps outputting a high level; when the first output signal output by U1 is smaller than Vcs, the comparator U2 outputs a high level, the RS flip-flop U3 outputs a reset, and the first switch Q is turned off.
The embodiment of the invention also provides a lighting device, which comprises a chip integrated with the control circuit in any embodiment and a light source device as a load, and is connected to the inductor of the control circuit. The control circuit receives an externally input control signal and converts the control signal into an inductance current reference value, and the inductance current of the control circuit is adjusted to be equal to the inductance current reference value by adjusting the inductance current of the control circuit so as to adjust the current of the light source device. Based on the control circuit, the brightness of the lighting device can be adjusted.
Alternatively, the externally input control signal may include: and the control instruction sent by the external equipment comprises a target parameter for adjusting the light source device. In practical application, the external device may include any one of a switch, an intelligent terminal, a sensor, and the like, and of course, may also include other devices, which is not limited by the present invention.
The embodiment of the invention can adjust the brightness of the light source device from 100% to 1%, but only can adjust the brightness of the light source device from 100% to 15% in the prior art, thus obviously improving the brightness range of the light source device and the dimming proportion of the lamp. Furthermore, for a lamp having a light source device with multiple colors, the range of CIE (Commission Internationale deL' Eclairage, international commission on illumination) color coordinates of the lamp can be enlarged, and the dimming and color mixing range of the lamp can be enlarged.
The embodiment of the invention provides a control circuit and a lighting device, wherein the control circuit comprises a voltage-reducing circuit, an average value calculation circuit, a dimming interface circuit, an operational amplifier circuit, a logic circuit and a clock signal generator, wherein the operational amplifier circuit can compare an inductance current average value in the obtained voltage-reducing circuit with an inductance current reference value input by the dimming interface circuit, the comparison result is output as a first output signal, the logic circuit analyzes according to the first output signal input by the operational amplifier circuit and the clock signal input by the clock signal generator, and then the switching-off and the switching-on of a first switch in the voltage-reducing circuit are controlled, and further, the magnitude of inductance current of the voltage-reducing circuit is adjusted by controlling the duty ratio of the first switch in the voltage-reducing circuit, so that the inductance current is equal to the inductance current reference value, and further, the magnitude of a load connected with the first switch in the voltage-reducing circuit is adjusted by changing the inductance current reference value. Further, in the embodiment of the invention, the clock signal generator can also enable the control circuit to work at a fixed frequency, so that the current value of the load is prevented from being reduced in proportion to the control signal due to the continuous rising of the working frequency of the control circuit in the working process, and the current adjusting range of the load is prevented from being limited. The control circuit provided by the invention is simple and convenient, and the lighting device provided with the control circuit has wide dimming range and low cost.
In the description provided herein, numerous specific details are set forth. However, it is understood that embodiments of the invention may be practiced without these specific details. In some instances, well-known methods, structures and techniques have not been shown in detail in order not to obscure an understanding of this description.
Similarly, it should be appreciated that in the foregoing description of exemplary embodiments of the invention, various features of the invention are sometimes grouped together in a single embodiment, figure, or description thereof for the purpose of streamlining the disclosure and aiding in the understanding of one or more of the various inventive aspects. However, the disclosed method should not be construed as reflecting the intention that: i.e., the claimed invention requires more features than are expressly recited in each claim. Rather, as the following claims reflect, inventive aspects lie in less than all features of a single foregoing disclosed embodiment. Thus, the claims following the detailed description are hereby expressly incorporated into this detailed description, with each claim standing on its own as a separate embodiment of this invention.
Furthermore, those skilled in the art will appreciate that while some embodiments described herein include some features but not others included in other embodiments, combinations of features of different embodiments are meant to be within the scope of the invention and form different embodiments. For example, in the claims, any of the claimed embodiments may be used in any combination.
By now it should be appreciated by those skilled in the art that while a number of exemplary embodiments of the invention have been shown and described herein in detail, many other variations or modifications of the invention consistent with the principles of the invention may be directly ascertained or inferred from the present disclosure without departing from the spirit and scope of the invention. Accordingly, the scope of the present invention should be understood and deemed to cover all such other variations or modifications.

Claims (25)

1. A control circuit comprising a buck circuit, the buck circuit comprising: the first switch and the inductor are connected with the first switch;
the control circuit further includes: the device comprises an average value calculation circuit, a dimming interface circuit, an operational amplifier circuit, a logic circuit, a clock signal generator, a sampling unit and a detection unit, wherein,
the sampling unit is connected with the first switch in series, acquires an inductance current peak value of the voltage reduction circuit, and inputs the inductance current peak value to the average value calculation circuit;
the detection unit is connected to the voltage reduction circuit, detects the conduction proportion of the inductance current of the voltage reduction circuit, and inputs the conduction proportion of the inductance current into the average value calculation circuit;
The average value calculation circuit calculates an inductance current average value based on the inductance current peak value input by the sampling unit and the inductance current conduction proportion input by the detection unit, and inputs the inductance current average value to the operational amplifier circuit;
the dimming interface circuit is connected with the operational amplifier circuit and inputs the inductance current reference value converted by the received control signal to the operational amplifier circuit;
the first input end of the operational amplifier circuit is connected with the average value calculation circuit, the second input end of the operational amplifier circuit is connected with the dimming interface circuit, the comparison is carried out based on the inductance current average value and the inductance current reference value, and the comparison result is output to the logic circuit as a first output signal;
the clock signal generator is connected with the logic circuit and inputs a clock signal with fixed frequency to the logic circuit;
the logic circuit is connected with the output ends of the operational amplifier circuit and the clock signal generator at the same time, controls the turn-off and turn-on of a first switch in the voltage reduction circuit according to the first output signal and the clock signal, and adjusts the magnitude of the inductance current of the voltage reduction circuit by controlling the duty ratio of the first switch so that the inductance current is equal to the inductance current reference value, thereby adjusting the current magnitude of a load connected with the inductance; and is also provided with
The inductor current average is calculated according to the following formula,
Figure FDA0004266974550000011
wherein Iavg represents the inductor current average; ipk represents the inductor current peak; t represents the working period of the first switch, namely the period of the clock signal output by the clock signal generator; t1 represents the on time of the first switch; t2 represents the time when the inductor current drops from the peak value to zero; and (t1+t2)/T is the conduction proportion of the inductive current.
2. The control circuit of claim 1, wherein the step-down circuit further comprises a diode and a first capacitor, the other end of the first switch is connected to the positive electrode of the diode and one end of the inductor at the same time, the other end of the inductor is connected to one end of the first capacitor, and the other end of the first capacitor is connected to the negative electrode of the diode.
3. The control circuit according to claim 1, wherein the detection unit includes a first resistor, a second resistor, and an auxiliary winding coupled to the inductor, one end of the auxiliary winding coupled to the inductor is connected to one end of the first resistor, the other end of the auxiliary winding is grounded, the other end of the first resistor is grounded through the second resistor, one end of the first resistor connected to the second resistor is connected to the average value calculation circuit, and the inductor current conduction ratio is obtained by detecting one end of the first resistor connected to the second resistor.
4. The control circuit according to claim 1, wherein the sampling unit includes a sampling resistor, and the average value calculation circuit collects an on-current of the first switch as an inductor current peak value through the sampling resistor.
5. The control circuit of claim 1, wherein the dimming interface circuit filters, isolates or scales the control signal to obtain an inductor current reference value and inputs the inductor current reference value to the second input of the op-amp circuit.
6. The control circuit of claim 5, wherein the dimming interface circuit comprises:
the voltage dividing unit is used for converting the control signal into an inductive current reference voltage according to an internal reference signal, wherein the internal reference signal is a stable voltage signal;
the low-pass filtering unit is connected to the voltage dividing unit, filters out high-frequency components of the induction current reference voltage, and feeds the filtered induction current reference voltage back to the second input end of the operational amplifier circuit as the induction current reference value.
7. The control circuit of claim 6, wherein the voltage divider unit in the dimming interface circuit comprises: the low-pass filter unit comprises a second capacitor and a fourth resistor, wherein an internal reference signal is connected into one end of the fourth resistor through the third resistor, the other end of the fourth resistor is connected with a second input end of the operational amplifier circuit, the other end of the third resistor is also connected with one end of the adjustable resistor, one end of the adjustable resistor is connected with one end of the second capacitor, the other end of the second capacitor is connected with one end of the fourth resistor, and the other end of the adjustable resistor and one end of the second capacitor are grounded simultaneously.
8. The control circuit of claim 7, wherein the adjustable resistor divides the internal reference signal, the voltage of the adjustable resistor divided the internal reference signal being the inductor current reference value.
9. The control circuit of claim 6, wherein the dimming interface circuit further comprises: and a signal receiving unit configured to receive the control signal.
10. The control circuit of claim 6, wherein the control signal comprises a direct current signal or a PWM pulse width modulated signal.
11. The control circuit according to claim 1, wherein if the first input terminal of the operational amplifier circuit is a negative input terminal and the second input terminal of the operational amplifier circuit is a positive input terminal, the operational amplifier circuit compares an average value of the inductor current input from the average value calculation circuit with an inductor current reference value input from the dimming interface circuit, and outputs a result of the comparison as a first output signal to the logic circuit, comprising:
if the inductance current average value is smaller than the inductance current reference value, the first output signal output by the operational amplifier circuit is increased;
and if the inductance current average value is larger than the inductance current reference value, the first output signal output by the operational amplifier circuit is reduced.
12. The control circuit of claim 1, wherein the logic circuit comprises a comparator and a flip-flop;
the first input end of the comparator is connected with the output end of the operational amplifier circuit, receives a first output signal input by the operational amplifier circuit, receives a comparison parameter, compares the first output signal with the comparison parameter, and inputs a comparison result as a second output signal to the trigger;
the trigger receives the second output signal input by the comparator and the clock signal input by the clock signal generator at the same time, controls the turn-off of the first switch according to the second output signal input by the comparator so as to reduce the peak value of the inductive current, and controls the turn-on of the first switch according to the clock signal with fixed frequency input by the clock signal generator so as to increase the peak value of the inductive current.
13. The control circuit of claim 12, wherein the comparison parameter is a signal input by the clock signal generator or an inductor current peak input by the sampling unit.
14. The control circuit of claim 12, wherein if the first input of the comparator is a negative input and the second input of the comparator is a positive input, the comparator compares based on the first output signal and the comparison parameter, and if the comparison parameter is the signal input by the clock signal generator, the inputting the comparison result as a second output signal to the flip-flop comprises:
If the first output signal is greater than the comparison parameter, the second output signal output by the comparator is at a low level;
and if the first output signal is smaller than the comparison parameter, the second output signal output by the comparator is high level.
15. The control circuit of claim 1, wherein the logic circuit controls the first switch to be turned on according to a fixed frequency clock signal input by the clock signal generator until the voltage of the first output signal input by the operational amplifier circuit is smaller than the voltage of the clock signal, and further controls the on time of the first switch to control the on duty ratio of the first switch.
16. The control circuit of claim 12, wherein the first switch is a MOS transistor, the flip-flop is an RS flip-flop, a reset terminal of the RS flip-flop is connected to the comparator output terminal, and an enable terminal is connected to the clock signal generator;
when the comparator outputs a low level, the RS trigger keeps outputting a high level, and the MOS tube is conducted;
when the comparator outputs a high level, the RS trigger outputs reset, the MOS tube is turned off, and the on-time of the first switch is controlled to further control the on-duty ratio of the first switch.
17. The control circuit of claim 1, wherein the clock signal generator comprises an oscillator.
18. The control circuit of claim 4, wherein,
Figure FDA0004266974550000041
wherein Rs represents the size of the sampling resistor; vcs represents the voltage of the sampling resistor Rs.
19. The control circuit of claim 8, wherein if the op-amp circuit is steady state, the first and second inputs of the op-amp circuit are equal, the average inductor current is equal to the inductor current reference, and the inductor current reference is obtained by dividing the voltage of the internal reference signal by the adjustable resistor and the third resistor.
20. The control circuit of claim 7, wherein,
if the inductance current peak value is used as a comparison parameter, when the control signal is a PWM signal, the PWM signal controls the connection or disconnection of the coupling circuit, if the coupling circuit is connected, the inductance current reference voltage is zero, and if the coupling circuit is disconnected, the inductance current reference voltage is the voltage of the internal reference signal;
and controlling the connection or disconnection of the coupling circuit by adjusting the PWM signal, so as to adjust the magnitude of the inductor current reference voltage and further adjust the magnitude of the comparison parameter.
21. The control circuit of claim 20, wherein the inductor current reference value is calculated according to the formula:
inductor current reference = vref× (1-D)
Where Vref represents the voltage of the internal reference signal and D represents the duty cycle of the PWM signal.
22. The control circuit according to any one of claims 1 to 21, further comprising an output drive circuit that drives on or off of the first switch according to an output signal of the logic circuit.
23. A lighting device, comprising:
a chip integrated with the control circuit of any one of claims 1-22;
a light source device as a load, an inductance connected to the control circuit;
the control circuit receives an externally input control signal and converts the control signal into an inductance current reference value, and the inductance current of the control circuit is adjusted to be equal to the inductance current reference value by adjusting the inductance current of the control circuit so as to adjust the current of the light source device.
24. The lighting device of claim 23, wherein the externally input control signal comprises: and a control instruction sent by the external equipment, wherein the control instruction comprises a target parameter for adjusting the light source device.
25. The lighting apparatus of claim 24, wherein the external device comprises any one of: switch, intelligent terminal, sensor.
CN201710433689.0A2017-06-092017-06-09Control circuit and lighting deviceActiveCN107172750B (en)

Priority Applications (1)

Application NumberPriority DateFiling DateTitle
CN201710433689.0ACN107172750B (en)2017-06-092017-06-09Control circuit and lighting device

Applications Claiming Priority (1)

Application NumberPriority DateFiling DateTitle
CN201710433689.0ACN107172750B (en)2017-06-092017-06-09Control circuit and lighting device

Publications (2)

Publication NumberPublication Date
CN107172750A CN107172750A (en)2017-09-15
CN107172750Btrue CN107172750B (en)2023-07-14

Family

ID=59824915

Family Applications (1)

Application NumberTitlePriority DateFiling Date
CN201710433689.0AActiveCN107172750B (en)2017-06-092017-06-09Control circuit and lighting device

Country Status (1)

CountryLink
CN (1)CN107172750B (en)

Cited By (1)

* Cited by examiner, † Cited by third party
Publication numberPriority datePublication dateAssigneeTitle
TWI879009B (en)*2023-08-072025-04-01德禮實業有限公司 Lamp dimming control system and method for automatically determining dimming range of lamp

Families Citing this family (6)

* Cited by examiner, † Cited by third party
Publication numberPriority datePublication dateAssigneeTitle
TWI650947B (en)*2017-12-222019-02-11隆達電子股份有限公司 Filter circuit and control system
CN108990205B (en)*2018-06-142021-03-02苏州欧普照明有限公司Dimming control method and dimming control circuit
CN113228828B (en)2018-11-262023-07-28上海晶丰明源半导体股份有限公司Control circuit, driving system, chip, control method and driving method
JP7515331B2 (en)*2020-07-222024-07-12スタンレー電気株式会社 Lighting control device, lighting device
CN113709935B (en)*2021-10-082025-01-21美芯晟科技(北京)股份有限公司 A dimming control circuit and a dimming control chip thereof
CN117729666B (en)*2023-12-082024-07-16深圳市谐振电子有限公司Power supply control circuit for deep dimming and novel switching power supply device

Citations (4)

* Cited by examiner, † Cited by third party
Publication numberPriority datePublication dateAssigneeTitle
CN102735906A (en)*2012-07-052012-10-17矽力杰半导体技术(杭州)有限公司Inductive current detecting circuit and LED (light emitting diode) driving circuit using inductive current detecting circuit
WO2014026496A1 (en)*2012-08-142014-02-20华润矽威科技(上海)有限公司Non-isolated led driving system and non-isolated led driving constant-current control circuit
CN104730414A (en)*2015-01-282015-06-24合肥天海电气技术有限公司Circuit selecting device and method for single-phase grounding of resonance grounding system
CN207266330U (en)*2017-06-092018-04-20欧普照明股份有限公司Control circuit and lighting device

Family Cites Families (5)

* Cited by examiner, † Cited by third party
Publication numberPriority datePublication dateAssigneeTitle
JP5493296B2 (en)*2008-06-102014-05-14株式会社リコー Switching regulator
CN102740571B (en)*2012-07-182014-10-15矽力杰半导体技术(杭州)有限公司Dimmable LED (Light-Emitting Diode) driving circuit and driving method
CN103260318B (en)*2013-05-302015-03-11矽力杰半导体技术(杭州)有限公司LED drive circuit capable of adjusting light and light adjusting method thereof
CN105281591B (en)*2015-11-262019-07-26矽力杰半导体技术(杭州)有限公司The control circuit and control method of power inverter
CN107026432B (en)*2017-05-262019-07-19南京南瑞继保电气有限公司 Method and device for suppressing influence of compensator on line distance protection

Patent Citations (4)

* Cited by examiner, † Cited by third party
Publication numberPriority datePublication dateAssigneeTitle
CN102735906A (en)*2012-07-052012-10-17矽力杰半导体技术(杭州)有限公司Inductive current detecting circuit and LED (light emitting diode) driving circuit using inductive current detecting circuit
WO2014026496A1 (en)*2012-08-142014-02-20华润矽威科技(上海)有限公司Non-isolated led driving system and non-isolated led driving constant-current control circuit
CN104730414A (en)*2015-01-282015-06-24合肥天海电气技术有限公司Circuit selecting device and method for single-phase grounding of resonance grounding system
CN207266330U (en)*2017-06-092018-04-20欧普照明股份有限公司Control circuit and lighting device

Non-Patent Citations (1)

* Cited by examiner, † Cited by third party
Title
卢璐.高亮度LED照明驱动芯片设计.《中国优秀硕士学位论文全文数据库 电子期刊 工程科技II辑》.2011,(第8期),第42-46页.*

Cited By (1)

* Cited by examiner, † Cited by third party
Publication numberPriority datePublication dateAssigneeTitle
TWI879009B (en)*2023-08-072025-04-01德禮實業有限公司 Lamp dimming control system and method for automatically determining dimming range of lamp

Also Published As

Publication numberPublication date
CN107172750A (en)2017-09-15

Similar Documents

PublicationPublication DateTitle
CN107172750B (en)Control circuit and lighting device
CN107071985B (en)A kind of control circuit and lamps and lanterns
US9924569B2 (en)LED driving circuit
TWI508613B (en) High efficiency LED driver circuit and its driving method
EP2676528B1 (en)A dimmable led driver and a method for controlling the same
US8569963B2 (en)Cascade boost and inverting buck converter with independent control
TWI556686B (en)Controller and method for dimming and electronic system thereof
CN108738201B (en)Control circuit, LED driving chip, LED driving system and LED driving method
TWI436689B (en)Lighting apparatus and control method thereof
CN102458014B (en)Light source control method, device and system
US10716184B1 (en)LED tube
US20130099686A1 (en)Light emitting diode (led) dimming system
CN103313472A (en)LED drive circuit with dimming function and lamp
CN110536518A (en)Adjusting control circuit controls chip, power supply change-over device and removes stroboscopic method
CN102769981A (en) An embedded intelligent constant current driver and its control method
CN107592705B (en)The LED drive circuit and light-dimming method of tunable optical
CN111757573B (en)Wide-voltage output constant-current LED lighting power supply
CN103687249B (en)A kind of LED adjusting control circuit and method thereof
CN102612224A (en)MR16 LED lamp drive circuit, drive method and MR16 LED lamp illumination system applying MR16 LED lamp drive circuit
CN112512170A (en)LED control circuit, LED driving device and driving control method
CN112654108B (en)Dimming control circuit, control chip, power conversion device and dimming method
CN110168891B (en)Synchronous converter
KR20070032256A (en) Low voltage power circuit for lighting, lighting equipment and low voltage power output method for lighting
CN210093612U (en)LED double-color dimming built-in power supply
US10334673B2 (en)Lighting system

Legal Events

DateCodeTitleDescription
PB01Publication
PB01Publication
SE01Entry into force of request for substantive examination
SE01Entry into force of request for substantive examination
GR01Patent grant
GR01Patent grant

[8]ページ先頭

©2009-2025 Movatter.jp